EP4296583B1 - Verfahren zur beheizung wenigstens eines gebäudes und heizsystem für wenigstens ein gebäude - Google Patents

Verfahren zur beheizung wenigstens eines gebäudes und heizsystem für wenigstens ein gebäude Download PDF

Info

Publication number
EP4296583B1
EP4296583B1 EP23177910.9A EP23177910A EP4296583B1 EP 4296583 B1 EP4296583 B1 EP 4296583B1 EP 23177910 A EP23177910 A EP 23177910A EP 4296583 B1 EP4296583 B1 EP 4296583B1
Authority
EP
European Patent Office
Prior art keywords
heat
ground
loop
building
heating system
Prior art date
Legal status (The legal status is an assumption and is not a legal conclusion. Google has not performed a legal analysis and makes no representation as to the accuracy of the status listed.)
Active
Application number
EP23177910.9A
Other languages
English (en)
French (fr)
Other versions
EP4296583C0 (de
EP4296583A1 (de
Inventor
Tim Ameis
Current Assignee (The listed assignees may be inaccurate. Google has not performed a legal analysis and makes no representation or warranty as to the accuracy of the list.)
Individual
Original Assignee
Individual
Priority date (The priority date is an assumption and is not a legal conclusion. Google has not performed a legal analysis and makes no representation as to the accuracy of the date listed.)
Filing date
Publication date
Application filed by Individual filed Critical Individual
Publication of EP4296583A1 publication Critical patent/EP4296583A1/de
Application granted granted Critical
Publication of EP4296583B1 publication Critical patent/EP4296583B1/de
Publication of EP4296583C0 publication Critical patent/EP4296583C0/de
Active legal-status Critical Current
Anticipated expiration legal-status Critical

Links

Images

Classifications

    • FMECHANICAL ENGINEERING; LIGHTING; HEATING; WEAPONS; BLASTING
    • F24HEATING; RANGES; VENTILATING
    • F24DDOMESTIC- OR SPACE-HEATING SYSTEMS, e.g. CENTRAL HEATING SYSTEMS; DOMESTIC HOT-WATER SUPPLY SYSTEMS; ELEMENTS OR COMPONENTS THEREFOR
    • F24D3/00Hot-water central heating systems
    • F24D3/18Hot-water central heating systems using heat pumps
    • FMECHANICAL ENGINEERING; LIGHTING; HEATING; WEAPONS; BLASTING
    • F24HEATING; RANGES; VENTILATING
    • F24DDOMESTIC- OR SPACE-HEATING SYSTEMS, e.g. CENTRAL HEATING SYSTEMS; DOMESTIC HOT-WATER SUPPLY SYSTEMS; ELEMENTS OR COMPONENTS THEREFOR
    • F24D19/00Details
    • F24D19/10Arrangement or mounting of control or safety devices
    • F24D19/1006Arrangement or mounting of control or safety devices for water heating systems
    • F24D19/1009Arrangement or mounting of control or safety devices for water heating systems for central heating
    • F24D19/1039Arrangement or mounting of control or safety devices for water heating systems for central heating the system uses a heat pump
    • FMECHANICAL ENGINEERING; LIGHTING; HEATING; WEAPONS; BLASTING
    • F24HEATING; RANGES; VENTILATING
    • F24HFLUID HEATERS, e.g. WATER OR AIR HEATERS, HAVING HEAT-GENERATING MEANS, e.g. HEAT PUMPS, IN GENERAL
    • F24H15/00Control of fluid heaters
    • F24H15/10Control of fluid heaters characterised by the purpose of the control
    • F24H15/16Reducing cost using the price of energy, e.g. choosing or switching between different energy sources
    • F24H15/164Reducing cost using the price of energy, e.g. choosing or switching between different energy sources where the price of the electric supply changes with time
    • FMECHANICAL ENGINEERING; LIGHTING; HEATING; WEAPONS; BLASTING
    • F24HEATING; RANGES; VENTILATING
    • F24HFLUID HEATERS, e.g. WATER OR AIR HEATERS, HAVING HEAT-GENERATING MEANS, e.g. HEAT PUMPS, IN GENERAL
    • F24H15/00Control of fluid heaters
    • F24H15/20Control of fluid heaters characterised by control inputs
    • F24H15/254Room temperature
    • FMECHANICAL ENGINEERING; LIGHTING; HEATING; WEAPONS; BLASTING
    • F24HEATING; RANGES; VENTILATING
    • F24HFLUID HEATERS, e.g. WATER OR AIR HEATERS, HAVING HEAT-GENERATING MEANS, e.g. HEAT PUMPS, IN GENERAL
    • F24H15/00Control of fluid heaters
    • F24H15/20Control of fluid heaters characterised by control inputs
    • F24H15/277Price
    • FMECHANICAL ENGINEERING; LIGHTING; HEATING; WEAPONS; BLASTING
    • F24HEATING; RANGES; VENTILATING
    • F24HFLUID HEATERS, e.g. WATER OR AIR HEATERS, HAVING HEAT-GENERATING MEANS, e.g. HEAT PUMPS, IN GENERAL
    • F24H15/00Control of fluid heaters
    • F24H15/30Control of fluid heaters characterised by control outputs; characterised by the components to be controlled
    • F24H15/305Control of valves
    • F24H15/32Control of valves of switching valves
    • FMECHANICAL ENGINEERING; LIGHTING; HEATING; WEAPONS; BLASTING
    • F24HEATING; RANGES; VENTILATING
    • F24HFLUID HEATERS, e.g. WATER OR AIR HEATERS, HAVING HEAT-GENERATING MEANS, e.g. HEAT PUMPS, IN GENERAL
    • F24H15/00Control of fluid heaters
    • F24H15/30Control of fluid heaters characterised by control outputs; characterised by the components to be controlled
    • F24H15/305Control of valves
    • F24H15/325Control of valves of by-pass valves
    • FMECHANICAL ENGINEERING; LIGHTING; HEATING; WEAPONS; BLASTING
    • F24HEATING; RANGES; VENTILATING
    • F24HFLUID HEATERS, e.g. WATER OR AIR HEATERS, HAVING HEAT-GENERATING MEANS, e.g. HEAT PUMPS, IN GENERAL
    • F24H15/00Control of fluid heaters
    • F24H15/40Control of fluid heaters characterised by the type of controllers
    • F24H15/414Control of fluid heaters characterised by the type of controllers using electronic processing, e.g. computer-based
    • F24H15/421Control of fluid heaters characterised by the type of controllers using electronic processing, e.g. computer-based using pre-stored data
    • F24H15/429Control of fluid heaters characterised by the type of controllers using electronic processing, e.g. computer-based using pre-stored data for selecting operation modes
    • FMECHANICAL ENGINEERING; LIGHTING; HEATING; WEAPONS; BLASTING
    • F24HEATING; RANGES; VENTILATING
    • F24DDOMESTIC- OR SPACE-HEATING SYSTEMS, e.g. CENTRAL HEATING SYSTEMS; DOMESTIC HOT-WATER SUPPLY SYSTEMS; ELEMENTS OR COMPONENTS THEREFOR
    • F24D2200/00Heat sources or energy sources
    • F24D2200/11Geothermal energy
    • FMECHANICAL ENGINEERING; LIGHTING; HEATING; WEAPONS; BLASTING
    • F24HEATING; RANGES; VENTILATING
    • F24DDOMESTIC- OR SPACE-HEATING SYSTEMS, e.g. CENTRAL HEATING SYSTEMS; DOMESTIC HOT-WATER SUPPLY SYSTEMS; ELEMENTS OR COMPONENTS THEREFOR
    • F24D2200/00Heat sources or energy sources
    • F24D2200/12Heat pump
    • FMECHANICAL ENGINEERING; LIGHTING; HEATING; WEAPONS; BLASTING
    • F24HEATING; RANGES; VENTILATING
    • F24DDOMESTIC- OR SPACE-HEATING SYSTEMS, e.g. CENTRAL HEATING SYSTEMS; DOMESTIC HOT-WATER SUPPLY SYSTEMS; ELEMENTS OR COMPONENTS THEREFOR
    • F24D2220/00Components of central heating installations excluding heat sources
    • F24D2220/08Storage tanks

Definitions

  • the invention relates to a method for heating at least one building with a geothermal heating system.
  • the invention also relates to a heating system for at least one building with a geothermal heating system.
  • Night storage heaters have been used for heating single-family homes for a long time. Night storage heaters convert electricity that is used during periods of low electricity prices into heat and store it in tiled stoves or water tanks in order to later generate a heating effect in the house.
  • the WO 2007/109899 A1 discloses an energy supply system with two storage tanks in a house and a heat pump that can extract heat from the two storage tanks to heat the house.
  • the DE 10 2014 106 2017 A1 describes a geothermal heating system for heating a number of buildings, in which heat generators are operated using electricity from a public power grid, a heat medium is heated by the heat generator and the absorbed heat is stored in an underground storage facility in order to later heat a house.
  • the GB 2524551 A describes a heating and cooling system with a heat storage unit and a cold storage unit as well as a heat pump for heating or cooling the house.
  • the EP 2 573 472 A2 discloses a heating system with a heat pump.
  • the heating system comprises a waste heat circuit and a useful heat circuit, with a heat storage unit being arranged in the waste heat circuit and a heat storage unit being arranged in the useful heat circuit.
  • the EP 1 807 672 A0 discloses an energy storage device with a first and a second storage device.
  • the energy storage device is designed in such a way that it can be operated seasonally and can provide the consumer with both heat and cold.
  • At least one building is heated by the method comprising a geothermal heating system with a first ground loop with a surrounding first ground storage and a second ground loop with a surrounding second Ground storage.
  • the geothermal heating system can be operated in at least two operating modes. In a first operating mode, the first ground loop and the second ground loop are coupled to one another via the heat pump, and in a second operating mode, the second ground loop is coupled to a building loop via the heat pump. Electricity is taken from a power grid.
  • the power grid can be a public or local private power grid.
  • a value of a current property of the electricity taken is determined, and if a predetermined value is undershot or exceeded, the heat pump is operated with the electricity taken in the first or second operating mode. In the first operating mode, heat from the first ground storage is fed into the second ground storage via the heat pump, and in the second operating mode, heat from the second ground storage is fed into the building loop via the heat pump.
  • the single geothermal heating system can be used to heat a single building or two buildings or three buildings or any higher number of individual buildings.
  • An electricity property is preferably understood to mean the amount of electricity available, in particular an electricity surplus.
  • the value can be understood to mean an electricity price.
  • more than exactly two ground storage units and more than exactly two ground loops from which heat is extracted can also be provided.
  • Three, four or an even higher number of ground storage units and/or ground loops can also be used.
  • a building includes houses but also garages, halls, swimming pools, etc.
  • a ground storage facility is understood to mean sensitive heat storage facilities such as earth, sand, topsoil and aquifers, but also artificially created storage facilities such as concrete cores, i.e. media that noticeably change their heat.
  • Heat can be introduced into the ground storage facility by passing a warm heat medium through the ground storage facility in a ground loop, i.e. a hose system, and by transporting heat from the ground loop into the ground storage facility via a temperature gradient.
  • a cooler heat medium that is passed through the ground loop, heat can be transported from the ground storage via the ground loop.
  • a heat medium can be understood as various fluids, in particular water that is enriched with anti-corrosion agents.
  • the geothermal heating system can be operated in at least two modes.
  • the heat pump is switched on when a value is undershot, for example when electricity is cheap, i.e. electricity that is below a predetermined price and is therefore referred to as cheap in this application, and heat is pumped from the first underground storage tank into the second underground storage tank.
  • Cheap electricity here also refers to electricity that generally falls below the predetermined value. This increases the temperature level of the second underground storage tank.
  • the first mode is used when the building does not need to be heated at that moment. For example, if cheap electricity is available during the day when there is sun or wind and the building still does not need to be heated because the ambient temperature is sufficiently high, the geothermal heating system can be switched to the first mode.
  • the second operating mode when electricity is cheap, for example, heat is transported from the second underground storage facility into the building loop and the building is heated with it.
  • the second operating mode is suitable for use when electricity prices are low to heat the building immediately. This is the case, for example, when the weather is good, the sun is shining and/or the wind is blowing and cheap electricity is available, but the outside temperature is still so low that the building needs to be heated.
  • the geothermal heating system can also be operated in other operating modes, which are not the central subject of the invention.
  • the geothermal heating system can also be operated by transporting heat from the first underground storage tank via the heat pump into the building loop or, if electricity is expensive, by transporting heat from the second underground storage tank into the building loop; other operating modes are also conceivable.
  • the room temperature of the building is measured and if the temperature falls below a target temperature, the geothermal heating system is switched to the second operating mode. If the temperature of the building falls below a target temperature, the building must be heated naturally. This is preferably done by transporting the heat from the second underground storage facility into the building loop when electricity is cheap.
  • the room temperature of the building is measured, and if the target temperature is exceeded, the geothermal heating system is switched to the first operating mode.
  • the method makes use of the idea of using the available cheap electricity even when the building does not currently need to be heated, by transporting heat with cheap electricity from the first to the second underground storage facility, thereby raising the second underground storage facility to a higher temperature level and later, if required, even when electricity is expensive, heat can be transported from the higher-temperature second underground storage facility to the building loop, and the heat pump requires less electricity for this transport than if the temperature of the second underground storage facility had not been increased beforehand.
  • a plurality of buildings are provided, each with a geothermal heating system, and each of the geothermal heating systems is connected to the electricity grid.
  • the heated heat medium from the first underground storage tank can also run through the house loop and then into the second underground loop.
  • the heating system is particularly suitable for carrying out one of the above-mentioned processes, while conversely the above-mentioned processes are also suitable for carrying out with one of the heating systems described below.
  • a heating system for at least one building with a geothermal heating system and a first ground loop with a surrounding first ground storage and a second ground loop with a surrounding second ground storage.
  • first ground loop and the second ground loop can be coupled to one another via a heat pump, and in a second operating mode, the second ground loop is connected to a building loop via the heat pump. coupled.
  • coupled loops means that heat is transferred from one loop to the other loop via the heat pump.
  • the heat pump has a power connection to a power grid, and a control is provided which determines a value of a power property, in particular an electricity price of the electricity drawn, and switches the geothermal heating system to the first or second operating mode if the electricity drawn falls below a predetermined electricity price, wherein in the first operating mode heat from the first underground storage tank can be fed into the second underground storage tank via the heat pump and in the second operating mode heat from the second underground storage tank can be fed into the building loop via the heat pump.
  • a control determines a value of a power property, in particular an electricity price of the electricity drawn, and switches the geothermal heating system to the first or second operating mode if the electricity drawn falls below a predetermined electricity price, wherein in the first operating mode heat from the first underground storage tank can be fed into the second underground storage tank via the heat pump and in the second operating mode heat from the second underground storage tank can be fed into the building loop via the heat pump.
  • first directional valves are arranged in the first ground loop, second directional valves in the second ground loop and third directional valves in the building loop, and when the electricity price is determined to be below the predetermined electricity price, the control switches the first directional valves so that the first ground loop is connected to a primary side of the heat pump in a heat-medium-conducting manner, and the second directional valves so that the second ground loop is connected to connecting lines between the second ground loop and a secondary side of the heat pump in a heat-medium-conducting manner, and the third directional valves so that the secondary side is connected to the connecting lines in a heat-medium-conducting manner, so that heat can be transported from the first ground storage tank to the second ground storage tank via the heat pump.
  • the preferred development of the heating system makes use of the idea of operating the heat pump in the first or second operating mode by switching the first, second and third directional valves.
  • Particularly preferred is a plurality of buildings, each of which has a geothermal heating system and is connected to the power grid.
  • the heating system can be used for a large number of buildings, for an entire urban area.
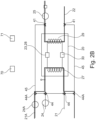
  • Fig. 1 shows a power generator 1, which is preferably designed as a wind farm or solar park or as a combined wind/solar park. It can also be a single solar system, a single solar panel or a single wind turbine.
  • the power generator 1 feeds power into a power grid 2.
  • This can be a public power grid, but it can also be a private power grid that supplies a building 3 or a number of buildings (3) locally with power.
  • each of the buildings 3 has a geothermal heating system 4.
  • Each of the geothermal heating systems 4 comprises a first underground storage tank 5, which is connected to a primary side of a heat pump 20 via a first underground loop 21 in a heat medium-conducting manner.
  • Each geothermal heating system 4 comprises a second underground storage tank 5A, which is connected to the primary side of the heat pump 20 via a second underground loop 21A and is connected to a secondary side of the heat pump 20 via second directional valves 44A via connecting lines 45.
  • the connecting lines 45 are connected to lines of a building loop 22 via third directional valves 41 in a heat medium-conducting manner.
  • the second ground loop 21A is connected in a heat-conducting manner via the second directional valves 44A either to the connecting lines 45 or to the first ground loop 21, which in turn has first directional valves 44 which, in a first position, enable a connection of the first ground loop 21 to the primary side of the heat pump 20 and, in a second position, enable a connection of the second ground loop 21A to the primary side of the heat pump 20 via the first and second directional valves 44, 44A.
  • the geothermal heating system 4 can dispense with a separate heat generator.
  • a heat medium is preferably understood to be water mixed with additives such as antioxidants.
  • a control 70 is provided which determines the electricity price and into which a predefined electricity price can be entered. If the predefined electricity price is not reached, the heat pump 20 is switched to a first operating mode. In the first operating mode, the first directional valves 44 are switched so that the first ground loop 21 is connected to the primary side of the heat pump 20, and the second directional valves 44A and the third directional valves 41 are switched so that the second ground circuit is connected to the secondary side of the heat pump 20 via the connecting lines 45. The position of the valves 41, 44, 44A in the first operating mode is in Fig. 2a In the first operating mode, the geothermal heating system 4 functions as a heat pump from the first underground storage tank 5 to the second underground storage tank 5A.
  • the ground storage tanks 5, 5A are, for example, sensitive heat storage tanks such as earth, sand, topsoil and aquifers, but also artificially created storage tanks such as concrete cores, i.e. media that noticeably change their heat, in which the respective ground loop 21, 21A is preferably laid in a serpentine shape.
  • the ground loop 21, 21A can also be designed in the form of a vertical loop extending several tens of meters into the ground or as a geothermal probe. Combinations between horizontally running ground snakes and vertically running snakes are also conceivable.
  • the heat pump 20 shown has a heat exchanger circuit in which a heat exchange medium circulates in a conventional manner.
  • the heat exchanger circuit is separated from the first and second ground loops 21, 21A and the building loop 22, in the sense that no exchange of heat media takes place between the heat exchanger circuit and one of the three loops 21, 21A, 22.
  • the heat pump 20 comprises an evaporator 27.
  • the heat exchange medium enters the evaporator 27 in a liquid state and is evaporated there and absorbs heat through the Evaporate heat from the heat medium of the first or second ground loop 21, 21A.
  • the temperatures are set such that the temperature of the heat exchange medium in the direction of flow before the evaporator 27 is below the temperature of the heat medium of the connected ground loops 21, 21A in the direction of flow before entering the evaporator 27.
  • the evaporated heat exchange medium reaches a compressor 28 and is compressed there, whereby the temperature of the gaseous heat exchange medium increases further.
  • the gaseous heat exchange medium then enters a condenser 29 on the secondary side of the heat pump 20. In the condenser 29, the heat exchange medium gives off heat to the heat medium of the building loop 22.
  • the temperatures are set so that the temperature of the gaseous heat exchange medium before entering the condenser 29 is higher than the temperature of the heat medium of the building loop 22 before it enters the condenser 29. Due to the temperature gradient, a heat flow occurs from the heat exchange medium into the heat medium of the building loop 22. As a result of the heat release, the heat exchange medium liquefies and reaches a throttle 30 in a liquid state. In the throttle 30, the liquid heat exchange medium is expanded, which further lowers the temperature, and the low-temperature heat exchange medium reaches the beginning of the circuit to the evaporator 27.
  • the compressor 28 also includes a heat generator 23.
  • the heat generator 23 is not absolutely necessary.
  • the gaseous heat exchange medium can thus be additionally heated by adding heat, for example when electricity is cheap.
  • first and in Fig. 2a heat is transported from the first ground storage tank 5 via the first ground loop 21 into the heat pump 20.
  • the first directional valves 44 connect the first ground loop 21 to the primary input of the heat pump 20 in a heat medium-conducting manner.
  • the heat is released via the heat pump 20 via the secondary side of the heat pump 20 to the building loop 22.
  • the heat is not transported along the building loop 22, but rather the third directional valves 41 are switched after a short section so that the heat released via the secondary side is transported via the connecting lines 45 and the second correspondingly switched directional valves 44A to the second ground loop 21A, and from there the heat is stored in the second ground storage tank 5A.
  • the release of heat from and into the ground storage tank 5, 5A preferably takes place through a temperature difference, which creates a heat flow due to the temperature gradient.
  • a first primary pump 24 is provided in the first ground loop 21, a second primary pump 24A in the second ground circuit 21A and a secondary pump 25 in the building loop 22.
  • the building In the first operating mode, the building is not yet heated, but rather the heat is transported from the first to the second underground storage tank 5, 5A, so that the second underground storage tank 5A is brought to a higher temperature level, wherein the temperature level of the second underground storage tank 5A was preferably already higher than the temperature of the first underground storage tank 5 before the transport.
  • FIG. 2b the second operating mode of the heat pump 20 of the geothermal heating system 4 is shown.
  • the building 3 is heated.
  • the first ground loop 21 is taken from the heat pump 20 via the corresponding position of the first directional valves 44
  • Fig. 2b shows how the second ground loop 21A is connected to the primary side of the heat pump 20 via the corresponding position of the first and second directional valves 44, 44A.
  • electricity price preferably when electricity is cheap, heat is extracted from the second ground storage tank 5A and delivered to the building loop 22 via the heat pump 20.
  • An electricity meter 71 counts the electricity consumed.
  • Extracting heat from the second ground storage tank 5A has the advantage that the temperature level of the second ground storage tank was increased during the first operating mode, so that significantly less electricity is required to generate the same temperature level in the building 3 than if the heat had been extracted from the first ground storage tank 5.
  • the geothermal heating system 4 is flexible when it comes to transporting heat from the first underground storage facility 5 to the second underground storage facility 5A: it can carry out this pumping at any time of day using cheap electricity and then use the higher temperature level of the second underground storage facility 5A when heating the building 3.
  • the heating system can also run in other operating modes. If, for example, cheap electricity is not available for a longer period of time, no heat is supplied to the second underground storage tank 5A for a longer period of time. This can cause the temperature of the second underground storage tank 5A to drop. It can also drop below the temperature of the first underground storage tank 5. Since building 3 still needs to be heated, heat from both underground storage tanks 5, 5A is then supplied to the Primary side of the heat pump 20 and transported via the heat pump 20 into the building loop 22. For this purpose, the second directional valves 44A are switched in such a way that they establish a connection between the second ground loop 21A and the primary side of the heat pump 20. According to Fig. 2a the second directional valves 44A are open to the first directional valves 44.
  • the first directional valves 44 can also be opened completely so that a heat medium-conducting connection is established between the first ground loop 21 and the primary side of the heat pump 20, as well as simultaneously a heat medium-conducting connection between the second ground loop 21A via the second directional valves 44A and the first directional valves 44 to the primary side of the heat pump 20.

Landscapes

  • Engineering & Computer Science (AREA)
  • Physics & Mathematics (AREA)
  • Thermal Sciences (AREA)
  • Chemical & Material Sciences (AREA)
  • Combustion & Propulsion (AREA)
  • Mechanical Engineering (AREA)
  • General Engineering & Computer Science (AREA)
  • Computer Hardware Design (AREA)
  • Central Heating Systems (AREA)
  • Other Air-Conditioning Systems (AREA)

Description

  • Die Erfindung betrifft ein Verfahren zur Beheizung wenigstens eines Gebäudes mit einer Geothermieheizanlage. Die Erfindung betrifft auch ein Heizsystem für wenigstens ein Gebäude mit einer Geothermieheizanlage.
  • Zur Beheizung von Einfamilienhäusern sind Nachtspeicherheizungen seit längerer Zeit bekannt. Nachtspeicherheizungen wandeln Strom, der in Zeiten günstiger Strompreise verbraucht wird, in Wärme um und speichern diese in Kachelöfen oder Wasserspeichern, um damit später eine Heizwirkung im Haus zu erzeugen.
  • Die WO 2007/109899 A1 offenbart ein Energieversorgungssystem mit zwei Speichern eines Hauses sowie einer Wärmepumpe, mit der aus den beiden Speichern Wärme entnommen werden kann, um das Haus zu heizen.
  • Die DE 10 2014 106 2017 A1 beschreibt eine Geothermieheizanlage, zur Beheizung einer Mehrzahl an Gebäuden, bei dem Wärmeerzeuger mittels Stroms eines öffentlichen Stromnetzes betrieben werden, ein Wärmemedium durch den Wärmerzeuger erwärmt wird und die aufgenommene Wärme in einem Erdbodenspeicher gespeichert wird, um damit später ein Haus zu heizen.
  • Die GB 2524551 A beschreibt ein Heiz- und Kühlsystem mit einem Wärmespeicher und einem Kältespeicher sowie einer Wärmepumpe zum Beheizen bzw. Kühlen des Hauses.
  • Die EP 2 573 472 A2 offenbart eine Wärmeanlage mit Wärmepumpe. Die Wärmeanlage umfasst einen Abwärmekreislauf und einen Nutzwärmekreislauf, wobei ein Wärmespeicher im Abwärmekreislauf und ein Wärmespeicher im Nutzwärmekreislauf angeordnet sind.
  • Die EP 1 807 672 A0 offenbart einen Energiespeicher mit einem ersten und einem zweiten Speicher. Der Energiespeicher ist so ausgebildet, dass er saisonal betreibbar ist und dem Verbraucher sowohl Wärme als auch Kälte zur Verfügung stellen kann.
  • In der CH 671622 A5 ist eine Klimatisierungsanlage zum Heizen im Winter und Kühlen im Sommer offenbart.
  • In der US 8,096,293 B2 ist ein Flüssigkeitsheizsystem mit einem Solarkollektor offenbart sowie ein Geothermiewärmetauscher, der im Boden in einer Tiefe zwischen 0,5 m und 5 m angeordnet ist.
  • Nachteilig an den genannten Systemen ist, dass sie in nur unzureichender Weise kostengünstig zur Verfügung gestellten Strom verbrauchen bzw. zwischenspeichern, um ihn später in Gebäudewärme umzuwandeln.
  • Es ist daher Aufgabe der Erfindung, ein Verfahren zur Beheizung wenigstens eines Gebäudes zur Verfügung zu stellen, das den unterschiedlichen Stromangeboten von Stromnetzen Rechnung trägt.
  • In einem zweiten Aspekt ist es Aufgabe der Erfindung, ein Heizsystem für ein Gebäude zur Verfügung zu stellen, das den oben genannten Nachteil verringert und sich zur Durchführung des erfindungsgemäßen Verfahrens eignet.
  • Die Aufgabe wird in ihrem ersten Aspekt durch ein Verfahren mit den Merkmalen des Anspruchs 1 gelöst.
  • Erfindungsgemäß wird wenigstens ein Gebäude mit dem Verfahren beheizt, das eine Geothermieheizanlage mit einer ersten Erdbodenschleife mit einem sie umgebenden ersten Erdbodenspeicher und eine zweite Erdbodenschleife mit einem sie umgebenden zweiten Erdbodenspeicher aufweist. Die Geothermieheizanlage kann in zumindest zwei Betriebsarten betrieben werden. In einer ersten Betriebsart werden die erste Erdbodenschleife und die zweite Erdbodenschleife über die Wärmepumpe miteinander gekoppelt, und in einer zweiten Betriebsart wird die zweite Erdbodenschleife über die Wärmepumpe mit einer Gebäudeschleife gekoppelt. Strom wird einem Stromnetz entnommen. Das Stromnetz kann ein öffentliches oder lokales privates Stromnetz sein. Es wird ein Wert einer Stromeigenschaft des entnommenen Stromes festgestellt, und bei Unterschreiten bzw. Überschreiten eines vorgegebenen Wertes wird mit dem entnommenen Strom die Wärmepumpe in der ersten oder zweiten Betriebsart betrieben. In der ersten Betriebsart wird Wärme aus dem ersten Erdbodenspeicher über die Wärmepumpe in den zweiten Erdbodenspeicher eingespeist, und in der zweiten Betriebsart wird Wärme aus dem zweiten Erdbodenspeicher über die Wärmepumpe in die Gebäudeschleife eingespeist.
  • Die einzelne Geothermieheizanlage kann zur Beheizung eines einzelnen Gebäudes oder zweier Gebäude oder dreier Gebäude oder jeder höheren Anzahl einzelner Gebäude verwendet werden.
  • Unter einer Stromeigenschaft ist vorzugsweise die zur Verfügung stehende Strommenge, insbesondere ein Stromüberschuss zu verstehen. Damit verbunden kann unter dem Wert ein Strompreis zu verstehen sein.
  • In dem erfindungsgemäßen Verfahren können auch mehr als genau zwei Erdbodenspeicher und mehr als genau zwei Erdbodenschleifen vorgesehen werden, aus denen Wärme entnommen wird. Es können auch drei, vier oder eine noch höherer Anzahl an Erdbodenspeichern und/oder Erdbodenschleifen verwendet werden.
  • Unter einem Gebäude werden Häuser aber auch Garagen, Hallen, Schwimmbäder usw. verstanden.
  • Das erfindungsgemäße Verfahren macht von der Idee Gebrauch, einen ersten und einen zweiten Erdbodenspeicher vorzusehen. Unter einem Erdbodenspeicher sind sensible Wärmespeicher wie beispielsweise Erde, Sand, Mutterboden und Aquifere aber auch künstlich geschaffene Speicher wie Betonkerne, also Medien die fühlbar ihre Wärme verändern zu verstehen. In den Erdbodenspeicher kann zum einen Wärme eingeleitet werden, indem ein warmes Wärmemedium in einer Erdbodenschleife, also einem Schlauchsystem, durch den Erdbodenspeicher hindurchgeleitet wird und über ein Temperaturgefälle Wärme aus der Erdbodenschleife in den Erdbodenspeicher transportiert wird. Umgekehrt kann durch Verwendung eines kühleren Wärmemediums, das durch die Erdbodenschleife geleitet wird, Wärme aus dem Erdbodenspeicher über die Erdbodenschleife abtransportiert werden. Unter einem Wärmemedium können verschiedene Fluide verstanden werden, insbesondere Wasser, das mit Antikorrosionsmitteln angereichert ist.
  • Die Geothermieheizanlage kann in wenigstens zwei Betriebsarten betrieben werden. In der ersten Betriebsart wird die Wärmepumpe bei Unterschreiten eines Wertes, beispielsweise bei günstigem Strom, also Strom, der sich unterhalb eines vorgegebenen Preises befindet und in dieser Anmeldung damit als günstig bezeichnet wird, angeschaltet und Wärme aus dem ersten Erdbodenspeicher in den zweiten Erdbodenspeicher gepumpt. Unter günstigem Strom wird hier auch Strome bezeichnet, der allgemein den vorgegebenen Wert unterschreitet. Dadurch wird das Temperaturniveau des zweiten Erdbodenspeichers erhöht. Die erste Betriebsart findet dann Anwendung, wenn das Gebäude nicht in diesem Moment beheizt werden muss. Beispielsweise dann, wenn tagsüber bei Sonne oder Wind günstiger Strom zur Verfügung steht und das Gebäude dennoch nicht beheizt werden muss, weil die Umgebungstemperatur hinreichend hoch ist, kann die Geothermieheizanlage in die erste Betriebsart geschaltet werden.
  • In der zweiten Betriebsart wird bei beispielsweise günstigem Strom Wärme aus dem zweiten Erdbodenspeicher in die Gebäudeschleife transportiert, und das Gebäude wird damit erwärmt. Die zweite Betriebsart eignet sich zur Verwendung bei niedrigen Strompreisen zur sofortigen Beheizung des Gebäudes. Das ist beispielsweise der Fall, wenn zwar das Wetter gut ist, die Sonne scheint und/oder Wind weht und günstiger Strom zur Verfügung gestellt wird, aber die Außentemperatur dennoch so niedrig ist, dass das Gebäude beheizt werden muss.
  • Unabhängig von diesen beiden Betriebsarten kann die Geothermieheizanlage auch in anderen Betriebsarten betrieben werden, die aber nicht zentraler Gegenstand der Erfindung sind. Die Geothermieheizanlage kann z. B. bei entleertem zweiten Erdbodenspeicher auch durch Wärmetransport aus dem ersten Erdbodenspeicher über die Wämepumpe in die Gebäudeschleife betrieben werden oder bei teurem Strom durch Wärmetransport aus dem zweiten Erdbodenspeicher in die Gebäudeschleife; es sind auch andere Betriebsarten denkbar.
  • Erfindungsgemäß wird die Raumtemperatur des Gebäudes gemessen, und bei Unterschreiten einer Solltemperatur wird die Geothermieheizanlage in die zweite Betriebsart geschaltet. Wenn die Temperatur des Gebäudes unter eine Solltemperatur fällt, muss das Gebäude natürlich beheizt werden. Dieses geschieht vorzugsweise dadurch, dass bei günstigem Strom die Wärme aus dem zweiten Erdbodenspeicher in die Gebäudeschleife transportiert wird.
  • In einer bevorzugten Ausführungsform des erfindungsgemäßen Verfahrens wird die Raumtemperatur des Gebäudes gemessen, und bei Überschreiten der Solltemperatur wird die Geothermieheizanlage in die erste Betriebsart geschaltet. Insbesondere bei dieser Ausführungsform des erfindungsgemäßen Verfahrens macht das Verfahren von der Idee Gebrauch, den zur Verfügung stehenden günstigen Strom auch dann zu nutzen, wenn das Gebäude aktuell nicht geheizt werden muss, indem Wärme mit günstigem Strom aus dem ersten in den zweiten Erdbodenspeicher transportiert wird und der zweite Erdbodenspeicher dadurch auf ein höheres Temperaturniveau gehoben wird und später, bei Bedarf, auch bei teurem Strom Wärme aus dem höher temperierten zweiten Erdbodenspeicher in die Gebäudeschleife transportiert werden kann und die Wärmepumpe für diesen Transport weniger Strom benötigt, als wenn die Temperatur des zweiten Erdbodenspeichers nicht vorab erhöht worden wäre.
  • Besonders bevorzugt ist eine Mehrzahl an Gebäuden mit jeweils einer Geothermieheizanlage vorgesehen, und jede der Geothermieheizanlagen wird an das Stromnetz angeschlossen.
  • Grundsätzlich ist der Betrieb auch in weiteren Betriebsarten denkbar. So kann das erwärmte Wärmemedium aus dem ersten Erdbodenspeicher auch durch die Hausschleife laufen und dann erst in die zweite Erdbodenschleife.
  • Die Aufgabe wird in ihrem zweiten Aspekt durch ein Heizsystem mit den Merkmalen des Anspruchs 5 gelöst.
  • Das Heizsystem eignet sich insbesondere zur Durchführung eines der oben genannten Verfahren, während sich umgekehrt die oben genannten Verfahren auch zur Durchführung mit einem der nachfolgend beschriebenen Heizsysteme eignen.
  • Die Aufgabe wird durch ein Heizsystem für wenigstens ein Gebäude mit einer Geothermieheizanlage und einer ersten Erdbodenschleife mit einem sie umgebenden ersten Erdbodenspeicher und einer zweiten Erdbodenschleife mit einem sie umgebenden zweiten Erdbodenspeicher gelöst. In einer ersten Betriebsart sind die erste Erdbodenschleife und die zweite Erdbodenschleife über eine Wärmepumpe miteinander koppelbar, und in einer zweiten Betriebsart ist die zweite Erdbodenschleife über die Wärmepumpe mit einer Gebäudeschleife koppelbar. Unter gekoppelten Schleifen ist hierzu verstehen, dass aus der einen Schleife über die Wärmepumpe Wärme an die andere Schleife abgegeben wird.
  • Die Wärmepumpe weist einen Stromanschluss an ein Stromnetz auf, und es ist eine Steuerung vorgesehen, die einen Wert einer Stromeigenschaft, insbesondere einen Strompreis des entnommenen Stromes feststellt und bei Unterschreiten eines vorgegebenen Strompreises mit dem entnommenen Strom die Geothermieheizanlage in die erste oder zweite Betriebsart schaltet, wobei in der ersten Betriebsart Wärme aus dem ersten Erdbodenspeicher über die Wärmepumpe in den zweiten Erdbodenspeicher einspeisbar ist und in der zweiten Betriebsart Wärme aus dem zweiten Erdbodenspeicher über die Wärmepumpe in die Gebäudeschleife einspeisbar ist.
  • Die zum Verfahren gemachten Ausführungen gelten für das Heizsystem in entsprechender Weise.
  • In einer bevorzugten Ausführungsform des erfindungsgemäßen Heizsystems sind in der ersten Erdbodenschleife erste Richtungsventile, in der zweiten Erdbodenschleife zweite Richtungsventile und in der Gebäudeschleife dritte Richtungsventile angeordnet, und die Steuerung schaltet bei Feststellung des Strompreises unterhalb des vorgegebenen Strompreises die ersten Richtungsventile so, dass die erste Erdbodenschleife an einer Primärseite der Wärmepumpe wärmemediumleitend angeschlossen ist, und die zweiten Richtungsventile so, dass die zweite Erdbodenschleife an Verbindungsleitungen zwischen der zweiten Erdbodenschleife und einer Sekundärseite der Wärmepumpe wärmemediumleitend angeschlossen ist und die dritten Richtungsventile so, dass die Sekundärseite mit den Verbindungsleitungen wärmemediumleitend verbunden ist, so dass Wärme aus dem ersten Erdbodenspeicher in den zweiten Erdbodenspeicher über die Wärmepumpe transportierbar ist. Die bevorzugte Weiterbildung des Heizsystems macht von der Idee Gebrauch, durch Umschalten von ersten, zweiten und dritten Richtungsventilen die Wärmepumpe in der ersten oder zweiten Betriebsart zu betreiben.
  • Besonders bevorzugt ist eine Mehrzahl an Gebäuden vorgesehen, die jeweils eine Geothermieheizanlage aufweisen und jeweils an das Stromnetz angeschlossen sind. Günstigerweise ist das Heizsystem für eine Vielzahl von Gebäuden, für einen ganzen Stadtbereich verwendbar.
  • Die Erfindung wird anhand eines Ausführungsbeispiels in drei Figuren beschrieben, dabei zeigen:
    • Fig. 1 eine schematische Darstellung eines Heizsystems mit vier Gebäuden mit jeweils einer Geothermieheizanlage und einem Solarwindpark
    • Fig. 2a Detailzeichnung einer Wärmepumpe der Geothermieheizanlage in einer ersten Betriebsart beim Wärmetransport von einem ersten in einen zweiten Erdbodenspeicher
    • Fig. 2b Wärmepumpe in Fig. 2a in einer zweiten Betriebsart beim Transport der Wärme aus dem zweiten Erdbodenspeicher in eine Gebäudeschleife
  • Fig. 1 zeigt einen Stromerzeuger 1, der vorzugsweise als Windpark oder Solarpark oder als ein kombinierter Wind-/Solarpark ausgebildet ist. Es kann sich auch um eine einzelne Solaranlage, ein einzelnes Solarpaneel oder eine einzelne Windkraftanlage handeln. Der Stromerzeuger 1 speist Strom in ein Stromnetz 2 ein. Dabei kann es sich um ein öffentliches Stromnetz handeln, es kann sich aber auch um ein privates Stromnetz handeln, das ein Gebäude 3 oder eine Anzahl von Gebäuden (3) lokal mit Strom versorgt.
  • Vorzugsweise jedes der Gebäude 3 weist jeweils eine Geothermieheizanlage 4 auf. Jede der Geothermieheizanlagen 4 umfasst einen ersten Erdbodenspeicher 5, der über eine erste Erdbodenschleife 21 mit einer Primärseite einer Wärmepumpe 20 wärmemediumleitend verbunden ist. Jede Geothermieheizanlage 4 umfasst einen zweiten Erdbodenspeicher 5A, der über eine zweite Erdbodenschleife 21A mit der Primärseite der Wärmepumpe 20 verbunden ist und über zweite Richtungsventile 44A über Verbindungsleitungen 45 mit einer Sekundärseite der Wärmepumpe 20 verbunden ist. Die Verbindungsleitungen 45 sind in diesem Ausführungsbeispiel an Leitungen einer Gebäudeschleife 22 über dritte Richtungsventile 41 wärmemediumleitend angeschlossen. Die zweite Erdbodenschleife 21A ist über die zweiten Richtungsventile 44A entweder mit den Verbindungsleitungen 45 oder mit der ersten Erdbodenschleife 21 wärmemitteleitend verbunden, die wiederum erste Richtungsventile 44 aufweist, die in einer ersten Stellung eine Verbindung der ersten Erdbodenschleife 21 mit der Primärseite der Wärmepumpe 20 ermöglichen und in einer zweiten Stellung eine Verbindung der zweiten Erdbodenschleife 21A über die ersten und zweiten Richtungsventile 44, 44A mit der Primärseite der Wärmepumpe 20 ermöglichen.
  • Die erfindungsgemäße Geothermieheizanlage 4 kann auf einen separaten Wärmeerzeuger verzichten.
  • Unter einem Wärmemedium wird vorzugsweise Wasser verstanden, das mit Zusatzstoffen wie Antioxidantien versetzt ist.
  • Es ist eine Steuerung 70 vorgesehen, die zum einen den Strompreis feststellt und in die ein vorgegebener Strompreis eingegeben werden kann. Bei Unterschreiten des vorgegebenen Strompreises wird die Wärmepumpe 20 in eine erste Betriebsart geschaltet. In der ersten Betriebsart sind die ersten Richtungsventile 44 so geschaltet, dass die erste Erdbodenschleife 21 mit der Primärseite der Wärmepumpe 20 verbunden ist, und die zweiten Richtungsventile 44A und die dritten Richtungsventile 41 sind so geschaltet, dass der zweite Erdbodenkreislauf über die Verbindungsleitungen 45 mit der Sekundärseite der Wärmepumpe 20 verbunden ist. Die Stellung der Ventile 41, 44, 44A in der ersten Betriebsart ist in Fig. 2a dargestellt. In der ersten Betriebsart fungiert die Geothermieheizanlage 4 als Wärmepumpe vom ersten Erdbodenspeicher 5 in den zweiten Erdbodenspeicher 5A. Bei günstigem Strom wird demnach, vorzugsweise unabhängig von der Tages- oder Jahreszeit, mit Hilfe der Geothermieheizanlage 4 Wärme von dem ersten Erdbodenspeicher 5 in den zweiten Erdbodenspeicher 5A transportiert, und dadurch wird der zweite Erdbodenspeicher 5A auf ein höheres Temperaturniveau gebracht.
  • Bei den Erdbodenspeichern 5, 5A handelt es sich beispielsweise um sensible Wärmespeicher wie beispielsweise Erde, Sand, Mutterboden und Aquifere aber auch künstlich geschaffenen Speicher wie Betonkerne, also Medien, die fühlbar ihre Wärme verändern, in denen die jeweilige Erdbodenschleife 21, 21A vorzugsweise schlangenförmig verlegt ist. Die Erdbodenschleife 21, 21A kann aber auch in Form einer senkrechten, mehrere zehn Meter in den Erdboden hineinreichenden Schleife oder als eine Erdwärmesonde ausgebildet sein. Es sind auch Kombinationen zwischen horizontal verlaufenden Erdbodenschlangen und vertikal verlaufenden Schlangen denkbar.
  • Die in den Fig. 2a und 2b dargestellte Wärmepumpe 20 weist in herkömmlicher Weise einen Wärmetauscherkreislauf auf, in dem ein Wärmetauschermedium zirkuliert. Der Wärmetauscherkreislauf ist von der ersten und zweiten Erdbodenschleife 21, 21A sowie der Gebäudeschleife 22 separiert, und zwar in dem Sinne, dass kein Austausch der Wärmemedien zwischen dem Wärmetauscherkreislauf und einer der drei Schleifen 21, 21A, 22 stattfindet. Die Wärmepumpe 20 umfasst einen Verdampfer 27. Das Wärmetauschermedium gelangt in flüssigem Zustand in den Verdampfer 27 und wird dort verdampft und nimmt durch das Verdampfen Wärme aus dem Wärmemedium der ersten oder zweiten Erdbodenschleife 21, 21A auf. Die Temperaturen sind dabei derart eingestellt, dass die Temperatur des Wärmetauschermediums in Fließrichtung vor dem Verdampfer 27 unterhalb der Temperatur des Wärmemediums der angeschlossenen Erdbodenschleifen 21, 21A in Fließrichtung vor dem Eintritt in den Verdampfer 27 liegt. Das verdampfte Wärmetauschermedium gelangt während seiner Zirkulation in einen Verdichter 28 und wird dort verdichtet, wodurch sich die Temperatur des gasförmigen Wärmetauschermediums weiter erhöht. Danach tritt das gasförmige Wärmetauschermedium in einen Verflüssiger 29 auf der Sekundärseite der Wärmepumpe 20. In dem Verflüssiger 29 gibt das Wärmetauschermedium Wärme an das Wärmemedium der Gebäudeschleife 22 ab. In dem Verflüssiger 29 werden die Temperaturen so eingestellt, dass die Temperatur des gasförmigen Wärmetauschermediums vor dem Eintritt in den Verflüssiger 29 höher ist als die Temperatur des Wärmemediums der Gebäudeschleife 22 vor dessen Eintritt in den Verflüssiger 29. Aufgrund des Temperaturgradienten entsteht ein Wärmestrom vom Wärmetauschermedium in das Wärmemedium der Gebäudeschleife 22. Durch die Wärmeabgabe verflüssigt sich das Wärmetauschermedium und gelangt in flüssigem Zustand in eine Drossel 30. In der Drossel 30 wird das flüssige Wärmetauschermedium entspannt, wodurch sich die Temperatur weiter absenkt, und das niedrig temperierte Wärmetauschermedium gelangt an den Anfang des Kreislaufs zum Verdampfer 27.
  • In der hier vorliegenden Ausführungsform umfasst der Verdichter 28 auch zusätzlich noch einen Wärmeerzeuger 23. Der Wärmeerzeuger 23 ist aber nicht unbedingt erforderlich. Das gasförmige Wärmetauschermedium kann somit zusätzlich durch Zugabe von Wärme etwa bei günstigem Strom erwärmt werden.
  • In der ersten und in Fig. 2a dargestellten Betriebsart wird Wärme aus dem ersten Erdbodenspeicher 5 über die erste Erdbodenschleife 21 in die Wärmepumpe 20 transportiert. Die ersten Richtungsventile 44 verbinden dazu wärmemediumleitend die erste Erdbodenschleife 21 mit dem Primäreingang der Wärmepumpe 20. Die Wärme wird über die Wärmepumpe 20 über die Sekundärseite der Wärmepumpe 20 an die Gebäudeschleife 22 abgegeben. Jedoch wird die Wärme nicht entlang der Gebäudeschleife 22 transportiert, sondern vielmehr sind die dritten Richtungsventile 41 nach einem kurzen Abschnitt so geschaltet, dass die über die Sekundärseite abgegebene Wärme über die Verbindungsleitungen 45 und die zweiten entsprechend geschalteten Richtungsventile 44A an die zweite Erdbodenschleife 21A transportiert wird, und von dort wird die Wärme im zweiten Erdbodenspeicher 5A gespeichert. Die Abgabe der Wärme vom und in den Erdbodenspeicher 5, 5A erfolgt vorzugsweise durch Temperaturdifferenz, wodurch aufgrund des Temperaturgradienten ein Wärmefluss entsteht.
  • Zur Bewegung des Wärmemediums ist in der ersten Erdbodenschleife 21 eine erste primäre Pumpe 24, im zweiten Erdbodenkreislauf 21A eine zweite primäre Pumpe 24A und in der Gebäudeschleife 22 eine sekundäre Pumpe 25 vorgesehen.
  • In der ersten Betriebsart wird das Gebäude somit noch nicht geheizt, sondern es findet vielmehr ein Transport der Wärme vom ersten in den zweiten Erdbodenspeicher 5, 5A statt, so dass der zweite Erdbodenspeicher 5A auf ein höheres Temperaturniveau gebracht wird, wobei das Temperaturniveau des zweiten Erdbodenspeichers 5A vorzugsweise bereits vor dem Transport höher war als die Temperatur des ersten Erdbodenspeichers 5.
  • In der Fig. 2b ist die zweite Betriebsart der Wärmepumpe 20 der Geothermieheizanlage 4 gezeigt. Bei der zweiten Betriebsart wird das Gebäude 3 geheizt. Dazu ist die erste Erdbodenschleife 21 von der Wärmepumpe 20 über entsprechende Stellung der ersten Richtungsventile 44 genommen, während Fig. 2b zeigt, wie die zweite Erdbodenschleife 21A über entsprechende Stellung der ersten und zweiten Richtungsventile 44, 44A an die Primärseite der Wärmepumpe 20 angeschlossen ist. Unabhängig vom Strompreis, vorzugsweise bei günstigem Strom, wird dem zweiten Erdbodenspeicher 5A Wärme entnommen und über die Wärmepumpe 20 an die Gebäudeschleife 22 abgegeben. Ein Stromzähler 71 zählt den verbrauchten Strom. Dazu sind die dritten Richtungsventile 41 umgeschaltet und verbinden die Sekundärseite mit der Gebäudeschleife 22 und trennen die Verbindungsleitungen 45 von der Sekundärseite ab. Die Entnahme der Wärme aus dem zweiten Erdbodenspeicher 5A hat den Vorteil, dass das Temperaturniveau des zweiten Erdbodenspeichers während der ersten Betriebsart erhöht wurde, so dass deutlich weniger Strom erforderlich ist, um ein gleiches Temperaturniveau im Gebäude 3 zu erzeugen, als wenn die Wärme aus dem ersten Erdbodenspeicher 5 entnommen worden wäre. Für den Transport der Wärme aus dem ersten Erdbodenspeicher 5 in den zweiten Erdbodenspeicher 5A ist die Geothermieheizanlage 4 jedoch flexibel: sie kann dieses Umpumpen zu jeder Tageszeit mit günstigem Strom durchführen und dann während des Heizens des Gebäudes 3 auf das höhere Temperaturniveau des zweiten Erdbodenspeichers 5A zurückgreifen.
  • Das Heizsystem kann auch in anderen Betriebsarten laufen. Sollte beispielsweise längere Zeit kein günstiger Strom zur Verfügung stehen, wird dem zweiten Erdbodenspeicher 5A längere Zeit keine Wärme zugeführt. Dadurch kann die Temperatur des zweiten Erdbodenspeichers 5A absinken. Sie kann auch unter die Temperatur des ersten Erdbodenspeichers 5 absinken. Da das Gebäude 3 trotzdem geheizt werden muss, wird dann mit dem zur Verfügung stehenden teuren Strom Wärme aus beiden Erdbodenspeichern 5, 5A gleichzeitig an die Primärseite der Wärmepumpe 20 gepumpt und über die Wärmepumpe 20 in die Gebäudeschleife 22 transportiert. Dazu sind die zweiten Richtungsventile 44A so geschaltet, dass sie eine Verbindung zwischen der zweiten Erdbodenschleife 21A und der Primärseite der Wärmepumpe 20 herstellen. Gemäß Fig. 2a sind die zweiten Richtungsventile 44A zu den ersten Richtungsventilen 44 geöffnet. Die ersten Richtungsventile 44 können auch vollständig geöffnet werden, so dass eine wärmemediumleitende Verbindung zwischen der ersten Erdbodenschleife 21 und der Primärseite der Wärmepumpe 20 hergestellt wird, als auch gleichzeitig eine wärmemediumleitende Verbindung zwischen der zweiten Erdbodenschleife 21A über die zweiten Richtungsventile 44A und die ersten Richtungsventile 44 zur Primärseite der Wärmepumpe 20.
  • Bezugszeichenliste
  • 1
    zentraler Stromerzeuger
    2
    Stromnetz
    3
    Gebäude
    4
    Geothermieheizanlage
    5
    erster Erdbodenspeicher
    5A
    zweiter Erdbodenspeicher
    20
    Wärmepumpe
    21
    erste Erdbodenschleife
    21 A
    zweite Erdbodenschleife
    22
    Gebäudeschleife
    23
    Wärmeerzeuger
    24
    erste primäre Pumpe
    24A
    zweite primäre Pumpe
    25
    sekundäre Pumpe
    27
    Verdampfer
    28
    Verdichter
    29
    Verflüssiger
    30
    Drossel
    40
    sekundäre Verbindungsleitungen
    41
    dritte Richtungsventile
    42
    Richtungsventil
    43
    primäre Verbindungsleitungen
    44
    erste Richtungsventile
    44A
    zweite Richtungsventile
    45
    Verbindungsleitungen
    70
    Steuerung
    71
    Stromzähler

Claims (6)

  1. Verfahren zur Beheizung wenigstens eines Gebäudes (3) mit einer Geothermieheizanlage (4) mit einer ersten Erdbodenschleife (21) mit einem sie umgebenden ersten Erdbodenspeicher (5) und einer zweiten Erdbodenschleife (21A) mit einem sie umgebenden zweiten Erdbodenspeicher (5A), indem in einer ersten Betriebsart die erste Erdbodenschleife (21) und die zweite Erdbodenschleife (21A) über eine Wärmepumpe (20) miteinander gekoppelt werden und in einer zweiten Betriebsart die zweite Erdbodenschleife (21A) über die Wärmepumpe (20) mit einer Gebäudeschleife (22) gekoppelt wird und
    Strom einem Stromnetz (2) entnommen wird und
    ein Wert einer Stromeigenschaft des entnommenen Stromes festgestellt wird und bei Unterschreiten eines vorgegebenen Wertes mit dem entnommenen Strom die Geothermieheizanlage (4) in der ersten oder zweiten Betriebsart betrieben wird tmd und in der ersten Betriebsart Wärme aus dem ersten Erdbodenspeicher (5) über die Wärmepumpe (20) in den zweiten Erdbodenspeicher (5A) eingespeist wird und in der zweiten Betriebsart Wärme aus dem zweiten Erdbodenspeicher (5A) über die Wärmepumpe (20) in die Gebäudeschleife (22) eingespeist wird, dadurch gekennzeichnet, dass eine Raumtemperatur des Gebäudes (3) gemessen wird und bei Unterschreiten einer Solltemperatur die Geothermieheizanlage (4) in die zweite Betriebsart geschaltet wird.
  2. Verfahren nach Anspruch 1,
    dadurch gekennzeichnet, dass eine Raumtemperatur des Gebäudes (3) gemessen wird und bei Überschreiten der Solltemperatur die Geothermieheizanlage (4) in die erste Betriebsart geschaltet wird.
  3. Verfahren nach einem der Ansprüche 1 bis 2,
    dadurch gekennzeichnet, dass eine Mehrzahl von Gebäuden (3) mit jeweils einer Geothermieheizanlage (4) versehen wird und jede der Geothermieheizanlagen (4) an das Stromnetz angeschlossen wird.
  4. Heizsystem für wenigstens ein Gebäude (3) mit einer Gebäudeschleife (22), mit einer Wärmepumpe (20) und mit Geothermieheizanlage (4) mit einer ersten Erdbodenschleife (21) mit einem sie umgebenden ersten Erdbodenspeicher (5) und einer zweiten Erdbodenschleife (21A) mit einem sie umgebenden zweiten Erdbodenspeicher (5A), wobei in einer ersten Betriebsart die erste Erdbodenschleife 821) und die zweite Erdbodenschleife (21A) über eine Wärmepumpe (20) miteinander koppelbar sind und in einer zweiten Betriebsart die zweite Erdbodenschleife (21A) über die Wärmepumpe (20) mit einer Gebäudeschleife (22) koppelbar ist und
    die Wärmepumpe (20) einen Stromanschluss an ein Stromnetz (2) aufweist und
    eine Steuerung (70) vorgesehen ist, die einen Wert einer Stromeigenschaft des entnommenen Stroms feststellt und bei Unterschreiten eines vorgegebenen Wertes die Geothermieheizanlage (4) in die erste oder zweite Betriebsart schaltet und in der ersten Betriebsart Wärme aus dem ersten Erdbodenspeicher (5) über die Wärmepumpe (20) in den zweiten Erdbodenspeicher (5A) einspeisbar ist und in der zweiten Betriebsart Wärme aus dem zweiten Erdbodenspeicher (5A) über die Wärmepumpe (20) in die Gebäudeschleife (22) einspeisbar ist, dadurch gekennzeichnet, dass die Steuerung (70) eine Raumtemperatur des Gebäudes (3) misst und bei Unterschreiten einer Solltemperatur die Geothermieheizanlage (4) in die zweite Betriebsart schaltet.
  5. Heizsystem nach Anspruch 4,
    dadurch gekennzeichnet, dass in der ersten Erdbodenschleife (21) erste Richtungsventile (44), in der zweiten Erdbodenschleife (21A) zweite Richtungsventile (44A) und in der Gebäudeschleife (22) dritte Richtungsventile (41) angeordnet sind und die Steuerung (70) bei Feststellung eines Strompreises unterhalb eines vorgegebenen Strompreises die ersten Richtungsventile (44) so schaltet, dass die erste Erdbodenschleife (21) an einer Primärseite der Wärmepumpe (20) wärmemediumleitend angeschlossen ist und die zweiten Richtungsventile (44A) so schaltet, dass die zweite Erdbodenschleife (21A) an Verbindungsleitungen (45) zwischen der zweiten Erdbodenschleife (21A) und einer Sekundärseite der Wärmepumpe (20) wärmemediumleitend angeschossen ist und die dritten Richtungsventile (41) so schaltet, dass die Sekundärseite mit den Verbindungsleitungen (45) wärmemediumleitend verbunden ist, so dass Wärme aus dem ersten Erdbodenspeicher (5) in den zweiten Erdbodenspeicher (5A) über die Wärmepumpe (20) transportierbar ist.
  6. Heizsystem nach einem der Ansprüche 4 oder 5,
    dadurch gekennzeichnet, dass eine Mehrzahl von Gebäuden (3) vorgesehen ist, die jeweils eine Geothermieheizanlage (4) aufweisen und jeweils an das Stromnetz angeschlossen sind.
EP23177910.9A 2022-06-20 2023-06-07 Verfahren zur beheizung wenigstens eines gebäudes und heizsystem für wenigstens ein gebäude Active EP4296583B1 (de)

Applications Claiming Priority (1)

Application Number Priority Date Filing Date Title
DE102022112850.4A DE102022112850A1 (de) 2022-06-20 2022-06-20 Verfahren zur Beheizung wenigstens eines Gebäudes und Heizsystem für wenigstens ein Gebäude

Publications (3)

Publication Number Publication Date
EP4296583A1 EP4296583A1 (de) 2023-12-27
EP4296583B1 true EP4296583B1 (de) 2025-01-29
EP4296583C0 EP4296583C0 (de) 2025-01-29

Family

ID=86732230

Family Applications (1)

Application Number Title Priority Date Filing Date
EP23177910.9A Active EP4296583B1 (de) 2022-06-20 2023-06-07 Verfahren zur beheizung wenigstens eines gebäudes und heizsystem für wenigstens ein gebäude

Country Status (2)

Country Link
EP (1) EP4296583B1 (de)
DE (1) DE102022112850A1 (de)

Family Cites Families (7)

* Cited by examiner, † Cited by third party
Publication number Priority date Publication date Assignee Title
JP2005337569A (ja) 2004-05-26 2005-12-08 Nippon Steel Corp 地中熱利用システムにおける地中断熱壁構造とその構築方法および地中熱利用システム運転方法
DE102004052447A1 (de) * 2004-10-26 2006-04-27 Alex Von Rohr Energiespeicher, Wärmetauscheranordnung für einen Energiespeicher, Verfahren zum Betreiben eines Energiespeichers, Energiespeichersystem sowie Verfahren zum Betreiben eines Energiespeichersystems
WO2007109899A1 (en) * 2006-03-28 2007-10-04 Menova Energy Inc. Energy supply system
EP2098791A1 (de) 2008-03-05 2009-09-09 Roth Werke GmbH Vorrichtung zur Erwärmung von Wasser
DE102011083393A1 (de) * 2011-09-26 2013-03-28 Siemens Aktiengesellschaft Wärmeanlage mit Wärmepumpe und Verfahren zum Betreiben einer Wärmeanlage mit Wärmepumpe
GB2524551A (en) * 2014-03-27 2015-09-30 Mugur Ciprian Balan Heating and cooling system for passive buildings based on heat and cold storage
DE102014106217B4 (de) 2014-05-05 2020-11-05 Tim Ameis Geothermieheizanlage

Also Published As

Publication number Publication date
EP4296583C0 (de) 2025-01-29
DE102022112850A1 (de) 2023-12-21
EP4296583A1 (de) 2023-12-27

Similar Documents

Publication Publication Date Title
EP0002839A1 (de) Verfahren zur Raumtemperierung sowie nach diesem Verfahren zu beheizendes Gebäude
DE102008000392B4 (de) Anlage zur Erzeugung, Speicherung und Verteilung von Wärmeenergie zwischen wärmetechnischen Betriebsmitteln mit abgestuften Temperaturniveaus in einem Gebäude und Verfahren zur Steuerung einer solchen Anlage
EP3447403B1 (de) Betriebsverfahren für wärmegewinnungsanlagen, luft/flüssigkeit-wärmetauschereinheit und wärmegewinnungsanlage
DE102009047908B4 (de) Vorrichtung und Verfahren zur Versorgung eines kalten Nahwärmenetzes mit Wärme
DE102011001273A1 (de) Speichertank für ein Energiespeichersystem und Energiespeichersystem mit derartigen Speichertanks
DE2411308A1 (de) Heizungs- und/oder klimaanlage
EP0931986B1 (de) Solarenergieversorgte Heiz- und Warmwasseranlage für Gebäude
EP2241850A1 (de) Erdkollektormodul einer Wärmepumpe, Verwendung und Verfahren zur Errichtung
EP3657094B1 (de) Verfahren zur nutzung der oberflächennahen geothermie für die beheizung und/oder kühlung und/oder erwärmung von trinkwarmwasser von einem oder mehreren gebäuden
DE202022101249U1 (de) Wärmepumpensystem und Quartier
DE3035538A1 (de) Anordnung zur aufnahme und speicherung von umweltwaerme zwecks beheizung und kuehlung von gebaeuden
EP3572733A1 (de) Wärmepumpenheizvorrichtung zum heizen eines gebäudes oder eines brauchwasserspeichers
DE2850865A1 (de) Anordnung von waermetauschrohren fuer den primaerkreislauf einer waermepumpe
EP4296583B1 (de) Verfahren zur beheizung wenigstens eines gebäudes und heizsystem für wenigstens ein gebäude
EP0049790B1 (de) Verfahren zur Ausnutzung niederwertiger Energie bei der Beheizung von Gebäuden
EP2942570B1 (de) Geothermieheizanlage
DE29715834U1 (de) Einrichtung zur Klimatisierung und Warmwasserbereitung
DE202009017577U1 (de) Heiz- und Kühleinrichtungen mit einer Wärmepumpe
AT518416A4 (de) Wärmespeicher und Wärmeträgernetz
EP3183513A2 (de) Verfahren zur regeneration des primärenergiespeichers einer solewasserwärmepumpe
DE19622609A1 (de) Verfahren zum Betreiben einer Wärmepumpe
CH599510A5 (en) Heat recovery system with heat pump
DE3230371C1 (de) Wärmepumpenheizung
DE4326229A1 (de) Verfahren zur Temperaturregelung von Räumen in Gebäuden und Einrichtung zur Durchführung des Verfahrens
DE3019475A1 (de) System zur waermegewinnung aus solar- bzw. umgebungsenergie

Legal Events

Date Code Title Description
PUAI Public reference made under article 153(3) epc to a published international application that has entered the european phase

Free format text: ORIGINAL CODE: 0009012

STAA Information on the status of an ep patent application or granted ep patent

Free format text: STATUS: THE APPLICATION HAS BEEN PUBLISHED

AK Designated contracting states

Kind code of ref document: A1

Designated state(s): AL AT BE BG CH CY CZ DE DK EE ES FI FR GB GR HR HU IE IS IT LI LT LU LV MC ME MK MT NL NO PL PT RO RS SE SI SK SM TR

STAA Information on the status of an ep patent application or granted ep patent

Free format text: STATUS: REQUEST FOR EXAMINATION WAS MADE

17P Request for examination filed

Effective date: 20240607

RBV Designated contracting states (corrected)

Designated state(s): AL AT BE BG CH CY CZ DE DK EE ES FI FR GB GR HR HU IE IS IT LI LT LU LV MC ME MK MT NL NO PL PT RO RS SE SI SK SM TR

GRAP Despatch of communication of intention to grant a patent

Free format text: ORIGINAL CODE: EPIDOSNIGR1

STAA Information on the status of an ep patent application or granted ep patent

Free format text: STATUS: GRANT OF PATENT IS INTENDED

INTG Intention to grant announced

Effective date: 20241016

GRAS Grant fee paid

Free format text: ORIGINAL CODE: EPIDOSNIGR3

GRAA (expected) grant

Free format text: ORIGINAL CODE: 0009210

STAA Information on the status of an ep patent application or granted ep patent

Free format text: STATUS: THE PATENT HAS BEEN GRANTED

AK Designated contracting states

Kind code of ref document: B1

Designated state(s): AL AT BE BG CH CY CZ DE DK EE ES FI FR GB GR HR HU IE IS IT LI LT LU LV MC ME MK MT NL NO PL PT RO RS SE SI SK SM TR

REG Reference to a national code

Ref country code: GB

Ref legal event code: FG4D

Free format text: NOT ENGLISH

REG Reference to a national code

Ref country code: CH

Ref legal event code: EP

REG Reference to a national code

Ref country code: DE

Ref legal event code: R096

Ref document number: 502023000518

Country of ref document: DE

REG Reference to a national code

Ref country code: IE

Ref legal event code: FG4D

Free format text: LANGUAGE OF EP DOCUMENT: GERMAN

U01 Request for unitary effect filed

Effective date: 20250130

U07 Unitary effect registered

Designated state(s): AT BE BG DE DK EE FI FR IT LT LU LV MT NL PT RO SE SI

Effective date: 20250207

PG25 Lapsed in a contracting state [announced via postgrant information from national office to epo]

Ref country code: RS

Free format text: LAPSE BECAUSE OF FAILURE TO SUBMIT A TRANSLATION OF THE DESCRIPTION OR TO PAY THE FEE WITHIN THE PRESCRIBED TIME-LIMIT

Effective date: 20250429

PG25 Lapsed in a contracting state [announced via postgrant information from national office to epo]

Ref country code: PL

Free format text: LAPSE BECAUSE OF FAILURE TO SUBMIT A TRANSLATION OF THE DESCRIPTION OR TO PAY THE FEE WITHIN THE PRESCRIBED TIME-LIMIT

Effective date: 20250129

U20 Renewal fee for the european patent with unitary effect paid

Year of fee payment: 3

Effective date: 20250604

PG25 Lapsed in a contracting state [announced via postgrant information from national office to epo]

Ref country code: ES

Free format text: LAPSE BECAUSE OF FAILURE TO SUBMIT A TRANSLATION OF THE DESCRIPTION OR TO PAY THE FEE WITHIN THE PRESCRIBED TIME-LIMIT

Effective date: 20250129

PG25 Lapsed in a contracting state [announced via postgrant information from national office to epo]

Ref country code: IS

Free format text: LAPSE BECAUSE OF FAILURE TO SUBMIT A TRANSLATION OF THE DESCRIPTION OR TO PAY THE FEE WITHIN THE PRESCRIBED TIME-LIMIT

Effective date: 20250529

Ref country code: NO

Free format text: LAPSE BECAUSE OF FAILURE TO SUBMIT A TRANSLATION OF THE DESCRIPTION OR TO PAY THE FEE WITHIN THE PRESCRIBED TIME-LIMIT

Effective date: 20250429

PG25 Lapsed in a contracting state [announced via postgrant information from national office to epo]

Ref country code: HR

Free format text: LAPSE BECAUSE OF FAILURE TO SUBMIT A TRANSLATION OF THE DESCRIPTION OR TO PAY THE FEE WITHIN THE PRESCRIBED TIME-LIMIT

Effective date: 20250129

PG25 Lapsed in a contracting state [announced via postgrant information from national office to epo]

Ref country code: GR

Free format text: LAPSE BECAUSE OF FAILURE TO SUBMIT A TRANSLATION OF THE DESCRIPTION OR TO PAY THE FEE WITHIN THE PRESCRIBED TIME-LIMIT

Effective date: 20250430

PG25 Lapsed in a contracting state [announced via postgrant information from national office to epo]

Ref country code: SM

Free format text: LAPSE BECAUSE OF FAILURE TO SUBMIT A TRANSLATION OF THE DESCRIPTION OR TO PAY THE FEE WITHIN THE PRESCRIBED TIME-LIMIT

Effective date: 20250129

PG25 Lapsed in a contracting state [announced via postgrant information from national office to epo]

Ref country code: CZ

Free format text: LAPSE BECAUSE OF FAILURE TO SUBMIT A TRANSLATION OF THE DESCRIPTION OR TO PAY THE FEE WITHIN THE PRESCRIBED TIME-LIMIT

Effective date: 20250129

PG25 Lapsed in a contracting state [announced via postgrant information from national office to epo]

Ref country code: SK

Free format text: LAPSE BECAUSE OF FAILURE TO SUBMIT A TRANSLATION OF THE DESCRIPTION OR TO PAY THE FEE WITHIN THE PRESCRIBED TIME-LIMIT

Effective date: 20250129

PLBE No opposition filed within time limit

Free format text: ORIGINAL CODE: 0009261

STAA Information on the status of an ep patent application or granted ep patent

Free format text: STATUS: NO OPPOSITION FILED WITHIN TIME LIMIT

26N No opposition filed

Effective date: 20251030

PG25 Lapsed in a contracting state [announced via postgrant information from national office to epo]

Ref country code: MC

Free format text: LAPSE BECAUSE OF FAILURE TO SUBMIT A TRANSLATION OF THE DESCRIPTION OR TO PAY THE FEE WITHIN THE PRESCRIBED TIME-LIMIT

Effective date: 20250129