EP4174378B1 - Verfahren zum betreiben eines heizgerätes, computerprogramm, speichermedium, regel - und steuergerät, heizgerät und verwendung eines temperatursensors - Google Patents

Verfahren zum betreiben eines heizgerätes, computerprogramm, speichermedium, regel - und steuergerät, heizgerät und verwendung eines temperatursensors Download PDF

Info

Publication number
EP4174378B1
EP4174378B1 EP22202419.2A EP22202419A EP4174378B1 EP 4174378 B1 EP4174378 B1 EP 4174378B1 EP 22202419 A EP22202419 A EP 22202419A EP 4174378 B1 EP4174378 B1 EP 4174378B1
Authority
EP
European Patent Office
Prior art keywords
heating appliance
temperature
burner
temperature sensor
heating device
Prior art date
Legal status (The legal status is an assumption and is not a legal conclusion. Google has not performed a legal analysis and makes no representation as to the accuracy of the status listed.)
Active
Application number
EP22202419.2A
Other languages
English (en)
French (fr)
Other versions
EP4174378A1 (de
EP4174378C0 (de
Inventor
Jochen Grabe
Current Assignee (The listed assignees may be inaccurate. Google has not performed a legal analysis and makes no representation or warranty as to the accuracy of the list.)
Vaillant GmbH
Original Assignee
Vaillant GmbH
Priority date (The priority date is an assumption and is not a legal conclusion. Google has not performed a legal analysis and makes no representation as to the accuracy of the date listed.)
Filing date
Publication date
Application filed by Vaillant GmbH filed Critical Vaillant GmbH
Publication of EP4174378A1 publication Critical patent/EP4174378A1/de
Application granted granted Critical
Publication of EP4174378B1 publication Critical patent/EP4174378B1/de
Publication of EP4174378C0 publication Critical patent/EP4174378C0/de
Active legal-status Critical Current
Anticipated expiration legal-status Critical

Links

Images

Classifications

    • FMECHANICAL ENGINEERING; LIGHTING; HEATING; WEAPONS; BLASTING
    • F23COMBUSTION APPARATUS; COMBUSTION PROCESSES
    • F23NREGULATING OR CONTROLLING COMBUSTION
    • F23N5/00Systems for controlling combustion
    • F23N5/24Preventing development of abnormal or undesired conditions, i.e. safety arrangements
    • F23N5/242Preventing development of abnormal or undesired conditions, i.e. safety arrangements using electronic means
    • FMECHANICAL ENGINEERING; LIGHTING; HEATING; WEAPONS; BLASTING
    • F23COMBUSTION APPARATUS; COMBUSTION PROCESSES
    • F23NREGULATING OR CONTROLLING COMBUSTION
    • F23N2225/00Measuring
    • F23N2225/08Measuring temperature
    • F23N2225/16Measuring temperature burner temperature
    • FMECHANICAL ENGINEERING; LIGHTING; HEATING; WEAPONS; BLASTING
    • F23COMBUSTION APPARATUS; COMBUSTION PROCESSES
    • F23NREGULATING OR CONTROLLING COMBUSTION
    • F23N2900/00Special features of, or arrangements for controlling combustion
    • F23N2900/05005Mounting arrangements for sensing, detecting or measuring devices

Definitions

  • the invention relates to a method for operating a heating device, a computer program, a storage medium, a regulating and control device, a heating device and a use of a temperature sensor.
  • condensate is also produced during combustion in heating devices, for example the combustion of fuel gas such as natural gas or hydrogen.
  • the condensate is often led from the combustion chamber and the heating device to a drain via a drain, which can often include a siphon.
  • a blocked drain or siphon can cause problems.
  • the condensate can no longer drain away and collects in the combustion chamber, where it can possibly flow into the burner and/or further into the gas supply. This can cause significant damage to the heater.
  • the ionization electrode can be located below the burner. If the (condensate) drain is blocked, the condensate could only collect up to the initiation electrode, because when the ionization electrode comes into contact with the condensate, the ionization current breaks off and the heater switches off due to a lack of flame detection.
  • Such a system is used, for example, in the DE 10 2015 206 810 A1 described.
  • the disadvantage is that this solution cannot be used for heaters with incorrectly positioned ionization electrodes and/or for heaters with an alternative system for flame detection.
  • the GB 249 7140 A proposes to provide a connector in a condensate drain pipe which has a switch which can be activated by draining condensate within the drain pipe. By means of communication, the switch can cause another switch to switch off the heater.
  • the US 5,024,595 A discloses a system in which a flame monitoring circuit is closed when a certain condensate level is reached in a collecting pipe, thus closing the gas supply to the heating unit.
  • this method can only be used with heating devices with appropriate flame monitoring.
  • the DE 4 134 230 A1 describes a heating device in which a device is provided in a condensate drain to maintain a certain minimum accumulation height.
  • This device can be a valve seat and a valve body.
  • this heating device cannot help to detect a blocked condensate drain.
  • the US 2018/216 849 A1 describes a device for neutralizing condensate, comprising a chamber containing materials for neutralizing condensate and having an inlet and an outlet. This complex device can also not help to solve the current problem of detecting a blocked condensate drain.
  • the EP 3 171 094 A1 describes a condensing boiler in which a pump is provided in a condensate drain to drain away the condensate that collects. This boiler is also unable to solve the problem of simply detecting a blocked condensate drain.
  • the object of the invention is to propose a method for operating a heating device which at least partially overcomes the problems of the prior art described.
  • the method should create a very simple and safe way of detecting the blockage of a (condensate) drain and preventing subsequent damage.
  • the invention should at least not significantly increase the complexity of a heating device, require only minor structural changes to a heating device and enable easy integration into an existing production process.
  • steps a), b) and c) are usually carried out at least once in the order given.
  • steps a) to c) are usually carried out at least once in the order given.
  • steps a) to c) are usually carried out at least once in the order given.
  • steps a) to c) are usually carried out at least once in the order given.
  • steps a) to c) are usually carried out at least once in the order given.
  • steps a) to c) several times in the order given.
  • steps a) to c) permanently or at regular intervals (every second or minute).
  • the invention can be used in particular to detect a blocked drain of a heater.
  • a blockage of the drain would mean that condensate can no longer flow out of the combustion chamber of the heater and collects in the combustion chamber, which can lead to considerable damage to the heater.
  • the invention is based in particular on the idea that liquid condensate within a combustion chamber has a maximum temperature (usually around 100 °C) that is significantly lower than the temperature of a combustion chamber in operation.
  • a method proposed here can be used in any heating device that produces a significant amount of condensate during operation.
  • the use of the present invention appears to be particularly useful in heating devices that do not have ionization current-based flame detection.
  • the method proposed here can also be carried out without any problems in heating devices with ionization current-based flame detection.
  • the heating device is in particular a gas heating device which is designed to burn a gaseous fuel, such as natural gas or in particular hydrogen, with the supply of ambient air in order to provide heat, for example for a heating circuit and/or a hot water supply.
  • the heating device generally has at least one burner and a conveying device (such as a fan) which conveys a mixture of fuel (gas) and combustion air through a mixture channel of the heating device to the burner; the exhaust gas produced by the combustion can then be guided through an exhaust pipe of the heating device to an exhaust system.
  • the heating device has a drain for condensate produced during combustion.
  • the drain can comprise a siphon.
  • the condensate can be guided to a suitable location, for example a sewer, via the drain and/or the siphon.
  • the drain is usually located at the lowest point of the combustion chamber to ensure that the condensate drains away as completely as possible.
  • the drain often includes a siphon, i.e. a U-shaped area that seals the drain gas-tight, which can prevent foreign air from entering the combustion chamber.
  • a blockage of the drain is often caused by or in the siphon.
  • a blockage of the drain can result in it being completely closed or in such a reduced drainage speed that the condensate cannot drain away sufficiently. can drain away quickly and collects in the combustion chamber.
  • a "blockage” here means in particular that the condensate cannot drain away or can only drain away to an insufficient extent.
  • a temperature is recorded in an area below the burner of the heating device.
  • a signal from a temperature sensor arranged in the area below the burner can be recorded.
  • any temperature sensor can be used to measure the temperature according to step a).
  • a resistance-based temperature sensor for example an electrical thermistor or PTC thermistor, a platinum or silicon measuring resistor, or even a semiconductor temperature sensor can be used.
  • the temperature sensor can be an ignition device, in particular a hot surface igniter of the heater, which should be arranged below the burner to carry out a method proposed here.
  • a hot surface igniter has a temperature-dependent resistance and is therefore suitable as a temperature sensor. In an advantageous manner, the complexity of a heater is not increased and no additional components are required to carry out a method proposed here.
  • a temperature in step a) can also be detected outside the combustion chamber in a position below the burner.
  • a temperature sensor arranged there is easy to reach and can also be easily connected due to its proximity to the cable harness of the burner door.
  • the temperature sensor in this position is not exposed to the corrosion and wear-promoting conditions inside the combustion chamber.
  • the temperature recorded in step a) is compared with a predetermined limit temperature.
  • the limit temperature can be in a range of approximately 100 °C for a temperature sensor arranged inside the combustion chamber.
  • the limit temperature can be below the aforementioned 100 °C in order to compensate for heat conduction and heat capacity of the burner door or burner wall.
  • step c) a blocked heater drain is detected if the temperature recorded in step a) is below the limit temperature in the comparison according to step b).
  • the limit temperature is selected in particular so that the presence of water on or in the immediate vicinity of the temperature sensor can be detected. The limit value is therefore significantly below the usual combustion chamber temperatures.
  • the heater in a step d) after detecting a blocked outlet of the heater according to step c), the heater can be switched off This can in particular result in the automatic stopping of combustion in the heater.
  • the heater when a blocked process is detected in step c), can provide or send information about the blocked process in a step e).
  • the heater can thus advantageously automatically inform an operator, user or a specialist company about the blocked process and, if necessary, a shutdown of the heater.
  • the information can be provided or sent via a network, in particular the Internet.
  • the heater could automatically send information about this to a selected specialist company, which can plan and carry out a maintenance appointment to remove the blocked process.
  • the process is particularly suitable for operating the heater with hydrogen.
  • a computer program is also proposed which is designed to (at least partially) carry out a method presented here.
  • this relates in particular to a computer program (product) comprising instructions which, when the program is executed by a computer, cause the computer to carry out a method described here.
  • a machine-readable storage medium is also proposed on which the computer program is stored.
  • the machine-readable storage medium is usually a computer-readable data storage device.
  • a control and regulating device for a heating device is also proposed, set up to carry out a method presented here.
  • the control and regulating device can, for example, have a processor for this purpose or have one.
  • the processor can, for example, carry out the method stored in a memory (of the control and regulating device).
  • one or more limit temperatures for carrying out a method presented here can also be stored in a memory of the control and regulating device.
  • a heating device with a control and regulating device as presented here is also proposed.
  • the heating device is in particular a gas heating device with a gas burner and a conveying device that can convey a mixture of gas (in particular hydrogen) and combustion air to the gas burner.
  • the heater may have a temperature sensor which is arranged in a region below the burner of the heater.
  • the temperature sensor can be arranged on the outside of the combustion chamber, in particular on the burner door or a burner wall, of the heater.
  • the heating device can be designed to switch itself off if a temperature detected by the temperature sensor is below a limit temperature.
  • the temperature sensor can be a temperature sensor for thermal flame detection of the heater
  • an existing temperature sensor can be used to carry out a method proposed here.
  • the use of a temperature sensor is proposed, wherein the temperature sensor is arranged below a burner in or outside a combustion chamber of a heater, for detecting a blocked (condensate) drain (of the combustion chamber) of the heater.
  • the blocked condensate drain is detected by detecting a temperature at the temperature sensor below a limit temperature.
  • a method for operating a heating device, a computer program, a storage medium, a control and regulating device, a heating device and the use of a temperature sensor are therefore specified here, which at least partially solve the problems described with reference to the prior art.
  • the method and the heating device contribute to providing a simple and reliable way of detecting a blocked condensate drain of a heating device.
  • the invention is easy to implement at low cost and does not increase the complexity of a heating device, or only increases it insignificantly.
  • the invention can also be easily implemented on old devices.
  • Fig. 1 shows an example and schematically a sequence of a method proposed here.
  • the method is used to detect a blocked (condensate) drain 14 of a heating device 1.
  • the sequence of steps a), b) and c) shown with blocks 110, 120 and 130 can occur in a regular operating sequence. In particular, however, a simultaneous (permanent) or regularly staggered execution of steps a) to c) can appear to be sensible.
  • step 110 a temperature is detected in an area below the burner 3 of the heater 1.
  • step b) the temperature detected in step a) is compared with a limit temperature.
  • block 130 according to step c), a blocked outlet 14 of the combustion chamber 8 is detected.
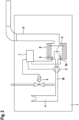
  • Fig. 2 shows an example and schematically a heating device 1 proposed here.
  • the heating device 1 can have a combustion air supply 4, which is supplied via a gas valve 5 Combustion gas can be added.
  • the resulting combustion mixture can be fed to a burner 3 arranged in a combustion chamber 8 via a mixture channel 16, in which a conveyor device 2 can be arranged.
  • Combustion products that arise can be discharged from the combustion chamber 8 via an exhaust system 9.
  • the heating device 1 can also have a regulating and control device 7 that can be electrically connected to a temperature sensor 10 in the combustion chamber 8 below the burner 3.
  • the regulating and control device 7 can be electrically connected to the gas valve 5, the conveyor device 2 and an ignition device 6.
  • a method proposed here can advantageously be carried out on the regulating and control device 7.
  • Fig. 3 shows, by way of example and schematically, a combustion chamber 8 of a heating device 1 proposed here.
  • Combustion mixture can be fed to the burner 3 via the mixture channel 16 and burned to form a flame 11.
  • the flame 11 can be monitored by a UV sensor 12.
  • the combustion chamber 8 can also have an ionization electrode 13, which is also suitable for monitoring the flame 11.
  • the temperature sensor 10 can be arranged below the ionization electrode 13. UV sensor 12, burner 3, ionization electrode 13 and temperature sensor 10 can be arranged in a burner door 17, which advantageously simplifies electrical wiring.
  • the combustion chamber 8 can have a (condensate) drain 14, which can include a siphon 15. If the drain 14 is blocked, the condensate in the combustion chamber can rise to the height of the temperature sensor 10 and then Condensate temperature, and thus below the limit temperature. According to the method proposed here, the heater 1 would now switch off, whereby a further increase in the condensate level in the combustion chamber 3 can be prevented. Damage to the heater 1, in particular the burner 3, can thus be effectively prevented.

Landscapes

  • Engineering & Computer Science (AREA)
  • Chemical & Material Sciences (AREA)
  • Combustion & Propulsion (AREA)
  • Mechanical Engineering (AREA)
  • General Engineering & Computer Science (AREA)
  • Control Of Combustion (AREA)

Description

  • Die Erfindung betrifft ein Verfahren zum Betreiben eines Heizgerätes, ein Computerprogramm, ein Speichermedium, ein Regel- und Steuergerät, ein Heizgerät und eine Verwendung eines Temperatursensors.
  • In der Regel fällt bei der Verbrennung in Heizgeräten, beispielsweise der Verbrennung von Brenngas wie Erdgas oder Wasserstoff, auch ein Kondensat an. Häufig wird das Kondensat durch einen Ablauf, der häufig einen Siphon umfassen kann, aus der Brennkammer und dem Heizgerät einem Abfluss zugeführt.
  • Offensichtlich kann ein blockierter Ablauf bzw. Siphon zu Problemen führen. So kann das Kondensat nicht mehr abfließen und sammelt sich in der Brennkammer, wo es gegebenenfalls in den Brenner und/oder auch noch weiter in die Gaszufuhr fließen kann. Dadurch kann das Heizgerät erheblichen Schaden nehmen.
  • Bei Geräten mit einer ionisationsstrombasierten Flammenerkennung kann die lonisationselektrode unterhalb des Brenners angeordnet sein. Bei einem blockierten (Kondensat-) Ablauf könnte sich das Kondensat lediglich bis zur Initiationselektrode sammeln, weil bei Kontakt der lonisationselektrode mit dem Kondensat der lonisationsstrom abbricht und das Heizgerät aufgrund fehlender Flammenerkennung abschaltet. Ein derartiges System ist beispielsweise in der DE 10 2015 206 810 A1 beschrieben. Nachteilig kann diese Lösung bei Heizgeräten mit falsch angeordneter lonisationselektrode und/oder auch bei Heizgeräten, aufweisend ein alternatives System zur Flammenerkennung, nicht eingesetzt werden.
  • In der GB 2187 829 A wird zur Verhinderung einer Blockade eines Ablaufs eines Heizgerätes vorgeschlagen, im Heizgerät entstehendes Kondensat in einem Behältnis zu sammeln und anschließend das gesamte Behältnis über den Ablauf zu entleeren. Hierdurch soll das Risiko einer Blockade des Ablaufs gemindert werden.
  • Die GB 249 7140 A schlägt vor, in einem Abflussrohr des Kondensats ein Anschlussstück vorzusehen, welches einen Schalter aufweist, der von abfließendem Kondensat innerhalb des Abflussrohres aktivierbar ist. Durch Kommunikationsmittel kann der Schalter einen weiteren Schalter dazu veranlassen, das Heizgerät abzuschalten.
  • Die US 5,024,595 A offenbart ein System, bei dem ein Stromkreis der Flammenüberwachung bei Erreichen eines bestimmten Kondensatspiegels in einem Sammelrohr geschlossen wird, und damit eine Gaszufuhr der Heizeinheit geschlossen wird. Dieses Verfahren ist jedoch nur bei Heizgeräten mit einer entsprechenden Flammenüberwachung einsetzbar.
  • Die DE 4 134 230 A1 beschreibt eine Heizeinrichtung, bei der in einem Kondensatablauf eine Einrichtung zur Aufrechterhaltung einer bestimmten Mindest-Stauhöhe vorgesehen ist. Bei dieser Einrichtung kann es sich um einen Ventilsitz und einen Ventilköper handeln. Diese Heizeinrichtung kann jedoch nicht dazu beitragen, einen blockierten Kondensatablauf zu erkennen.
  • Die US 2018/216 849 A1 beschreibt eine Einrichtung zur Neutralisation von Kondensat, aufweisend eine Kammer, in der Materialien zur Neutralisation von Kondensat enthalten sind, und die einen Einlauf und einen Auslauf hat. Auch diese aufwendige Einrichtung kann nicht helfen, das vorliegende Problem, einen blockierten Kondensatablauf zu erkennen, zu lösen.
  • Die EP 3 171 094 A1 beschreibt ein Brennwertheizgerät, bei dem in einem Kondensatablauf eine Pumpe zum Abführen sich sammelnden Kondensats vorgesehen ist. Auch dieses Heizgerät vermag das Problem einer einfachen Erkennung eines blockierten Kondensatablaufs nicht zu lösen.
  • Nachteilig an den genannten Systemen ist insbesondere deren Komplexität, die neben einer erhöhten Ausfallwahrscheinlichkeit auch erhöhte Kosten für Herstellung und Montage mit sich bringt.
  • Hiervon ausgehend ist es Aufgabe der Erfindung, ein Verfahren zum Betreiben eines Heizgerätes vorzuschlagen, der die geschilderten Probleme des Standes der Technik zumindest teilweise überwindet. Insbesondere soll das Verfahren eine sehr einfache und sichere Möglichkeit schaffen, die Blockade eines (Kondensat-)Ablaufs zu erkennen und Folgeschäden zu verhindern.
  • Zudem soll die Erfindung die Komplexität eines Heizgerätes zumindest nicht wesentlich erhöhen, nur geringe bauliche Veränderungen an einem Heizgerät erfordern und eine einfache Integration in einen bestehenden Produktionsprozess ermöglichen.
  • Diese Aufgaben werden gelöst durch die Merkmale der unabhängigen Patentansprüche. Weitere vorteilhafte Ausgestaltungen der hier vorgeschlagenen Lösung sind in den unabhängigen Patentansprüchen angegeben. Es wird darauf hingewiesen, dass die in den abhängigen Patentansprüchen aufgeführten Merkmale in beliebiger, technologisch sinnvoller Weise miteinander kombiniert werden können und weitere Ausgestaltungen der Erfindung definieren. Darüber hinaus werden die in den Patentansprüchen angegebenen Merkmale in der Beschreibung näher präzisiert und erläutert, wobei weitere bevorzugte Ausgestaltungen der Erfindung dargestellt werden.
  • Hierzu trägt ein Verfahren zum Betreiben eines Heizgerätes bei, umfassend die folgenden Schritte:
    1. a) Erfassen einer Temperatur in einem Bereich unterhalb des Brenners des Heizgerätes,
    2. b) Vergleichen der in Schritt a) erfassten Temperatur mit einer Grenztemperatur,
    3. c) Erkennen eines blockierten Ablaufs der Brennkammer, wenn bei dem Vergleich gemäß Schritt b) die in Schritt a) erfasste Temperatur unter der Grenztemperatur liegt.
  • Die Schritte a), b) und c) werden bei einem regulären Verfahrensablauf in der Regel zumindest einmal in der angegebenen Reihenfolge durchgeführt. Insbesondere ist es möglich, die Schritte a) bis c) mehrfach in der angegebenen Reihenfolge hintereinander wiederholt durchzuführen. Es ist auch denkbar, die Schritte a) bis c) permanent, oder in regelmäßigen zeitlichen Abständen (jede Sekunde oder Minute) durchzuführen.
  • Die Erfindung kann insbesondere zur Erkennung eines blockierten Ablaufs eines Heizgerätes eingesetzt werden. Eine Blockade des Ablaufs hätte zur Folge, dass Kondensat aus der Brennkammer des Heizgerätes nicht mehr abfließen kann und sich in der Brennkammer sammelt, was zu erheblichen Schäden des Heizgerätes führen kann. Die Erfindung basiert insbesondere auf der Idee, dass flüssiges Kondensat innerhalb einer Brennkammer eine maximale Temperatur aufweist (in der Regel ca. 100 °C), die erheblich unter der Temperatur einer in Betrieb befindlichen Brennkammer liegt.
  • Grundsätzlich ist ein hier vorgeschlagenes Verfahren in einem beliebigen Heizgerät einsetzbar, bei deren Betrieb in erheblichem Umfang Kondensat entsteht. Besonders sinnvoll erscheint ein Einsatz der vorliegenden Erfindung bei Heizgeräten, die keine ionisationsstrombasierte Flammenerkennung aufweisen. Eine Durchführung des hier vorgeschlagenen Verfahrens ist jedoch auch bei Heizgeräten mit ionisationsstrombasierter Flammenerkennung problemlos möglich.
  • Bei dem Heizgerät handelt es sich insbesondere um ein Gasheizgerät, welches dazu eingerichtet ist, einen gasförmigen Brennstoff, wie Erdgas oder insbesondere Wasserstoff, unter Zufuhr von Umgebungsluft zu verbrennen, um Wärme beispielsweise für einen Heizkreislauf und/oder eine Warmwasserversorgung bereitzustellen. Das Heizgerät weist in der Regel zumindest einen Brenner und eine Fördereinrichtung (wie ein Gebläse) auf, die ein Gemisch von Brennstoff (Gas) und Verbrennungsluft durch einen Gemischkanal des Heizgerätes zum Brenner fördert; anschließend kann das durch die Verbrennung entstehende Abgas durch ein Abgasrohr des Heizgerätes zu einer Abgasanlage geführt werden. Zudem weist das Heizgerät einen Abfluss für bei der Verbrennung entstehendes Kondensat auf. Der Abfluss kann einen Siphon umfassen. Über den Abfluss und/oder den Siphon kann das Kondensat zu einer geeigneten Stelle, beispielsweise einem Abwasserkanal, zugeleitet werden.
  • Der Ablauf wird in der Regel am tiefsten Punkt der Brennkammer angeordnet, um das möglichst vollständige Abfließen des Kondensats zu gewährleisten. Häufig umfasst der Abfluss einen Siphon, also einen U-förmigen Bereich, der den Abfluss gasdicht verschließt, wodurch ein Eintreten von Fremdluft in die Brennkammer verhindert werden kann. Eine Blockade des Abflusses wird häufig durch den bzw. in dem Siphon verursacht. Dabei kann eine Blockade des Abflusses ein vollständiges Verschließen desselben zur Folge haben, oder auch eine derart geminderte Abflussgeschwindigkeit, dass das Kondensat nicht ausreichend schnell abfließen kann und sich in der Brennkammer sammelt. Unter einer "Blockade" wird hier also insbesondere verstanden, dass das Kondensat nicht oder in nur unzureichendem Umfang abfließen kann.
  • Gemäß einem Schritt a) erfolgt das Erfassen einer Temperatur in einem Bereich unterhalb des Brenners des Heizgerätes. Dabei kann insbesondere ein Signal eines Temperatursensors, der in dem Bereich unterhalb des Brenners angeordnet ist, erfasst werden. Durch die Anordnung in einem Bereich unterhalb des Brenners kann sichergestellt werden, dass nicht abfließendes Kondensat erkannt wird, bevor es den darüber liegenden Brenner und gegebenenfalls die Gaszufuhr erreicht.
  • Grundsätzlich kann zum Erfassen der Temperatur gemäß Schritt a) ein beliebiger Temperatursensor eingesetzt werden. Insbesondere kann ein widerstandsbasierter Temperatursensor, beispielsweise ein elektrischer Heißleiter oder Kaltleiter, ein Platin- oder Silizium-Messwiderstand, oder auch ein Halbleiter-Temperatursensor genutzt werden.
  • Gemäß einer bevorzugten Ausgestaltung kann der Temperatursensor eine Zündeinrichtung, insbesondere ein Hot-Surface-Igniter des Heizgerätes sein, wobei dieser für eine Durchführung eines hier vorgeschlagenen Verfahrens unterhalb des Brenners angeordnet sein sollte. Ein Hot-Surface-Igniter weist einen temperaturabhängigen Widerstand auf und ist daher als Temperaturfühler geeignet. In vorteilhafter Weise wird so die Komplexität eines Heizgerätes nicht erhöht und es sind keine zusätzlichen Bauteile zur Durchführung eines hier vorgeschlagenen Verfahrens notwendig.
  • Gemäß einer vorteilhaften Ausgestaltung kann in Schritt a) eine Temperatur auch außerhalb der Brennkammer in einer Position unterhalb des Brenners erfasst werden. In vorteilhafter Weise ist ein dort angeordneter Temperatursensor einfach erreichbar und durch die Nähe zu dem Kabelstrang der Brennertür auch einfach anschließbar. Nicht zuletzt ist der Temperatursensor an dieser Position nicht den korrosions- und verschleißfördernden Bedingungen innerhalb der Brennkammer ausgesetzt. Bei der Definition der Grenztemperatur oder auch bei der Auswertung eines Signals eines außen an der Brennertür angeordneten Temperatursensors müssen die Wärmeleitung und die thermischen Eigenschaften der Brennertür bzw. Brennerwandung einbezogen werden. Nicht zuletzt sollte auch eine Verzögerung des Signals aufgrund der erhöhten thermischen Masse des Sensors durch Einbeziehung von Brennertür oder Brennerwandung beachtet werden.
  • Gemäß einem Schritt b) erfolgt ein Vergleich der in Schritt a) erfassten Temperatur mit einer vorgegebenen Grenztemperatur. Die Grenztemperatur kann bei einem Temperatursensor, der innerhalb der Brennkammer angeordnet ist, in einem Bereich von ca. 100 °C liegen. Bei einem außerhalb der Brennkammer angeordneten Temperatursensor kann die Grenztemperatur unter den genannten 100 °C liegen, um Wärmeleitung und Wärmekapazität der Brennertür bzw. Brennerwandung auszugleichen.
  • Gemäß einem Schritt c) erfolgt das Erkennen eines blockierten Ablaufs des Heizgerätes, wenn bei dem Vergleich gemäß Schritt b) die in Schritt a) erfassten Temperatur unterhalb der Grenztemperatur liegt. Die Grenztemperatur ist insbesondere so gewählt, dass die Anwesenheit von Wasser am bzw. in der näheren Umgebung des Temperatursensors detektiert werden kann. Daher liegt der Grenzwert deutlich unterhalb der üblichen Brennraumtemperaturen.
  • Nach einer vorteilhaften Ausgestaltung kann in einem Schritt d) nach dem Erkennen eines blockierten Ablaufs des Heizgerätes gemäß Schritt c) das Heizgerät abgeschaltet werden. Das kann insbesondere den automatischen Stopp der Verbrennung im Heizgerät zur Folge haben.
  • Nach einer weiteren vorteilhaften Ausgestaltung kann bei Erkennen eines blockierten Ablaufs gemäß Schritt c) das Heizgerät in einem Schritt e) eine Information über den blockierten Ablauf bereitstellen oder versenden. Vorteilhaft kann das Heizgerät so automatisiert einen Betreiber, Nutzer oder einen Fachbetrieb über den blockierten Ablauf und gegebenenfalls eine Abschaltung des Heizgerätes informieren. Insbesondere kann das Bereitstellen oder Versenden der Information über ein Netzwerk, insbesondere dem Internet, erfolgen. Beispielsweise könnte das Heizgerät automatisiert nach einem Erkennen eines blockierten Ablaufs des Heizgerätes gemäß Schritt c) eine Information hierüber an einen ausgewählten Fachbetrieb senden, der einen Wartungstermin zur Beseitigung des blockierten Ablaufs planen und durchführen kann.
  • Das Verfahren ist insbesondere geeignet für den Betrieb des Heizgerätes mit Wasserstoff.
  • Nach einem weiteren Aspekt wird auch ein Computerprogramm vorgeschlagen, welches zur (zumindest teilweisen) Durchführung eines hier vorgestellten Verfahrens eingerichtet ist. Dies betrifft mit anderen Worten insbesondere ein Computerprogramm (-produkt), umfassend Befehle, die bei der Ausführung des Programms durch einen Computer diesen veranlassen, ein hier beschriebenes Verfahren auszuführen.
  • Nach einem weiteren Aspekt wird auch ein maschinenlesbares Speichermedium vorgeschlagen, auf dem das Computerprogramm gespeichert ist. Regelmäßig handelt es sich bei dem maschinenlesbaren Speichermedium um einen computerlesbaren Datenträger.
  • Nach einem weiteren Aspekt wird auch ein Regel- und Steuergerät für ein Heizgerät vorgeschlagen, eingerichtet zur Durchführung eines hier vorgestellten Verfahrens. Das Regel- und Steuergerät kann hierzu beispielsweise einen Prozessor aufweisen bzw. über diesen verfügen. In diesem Zusammenhang kann der Prozessor beispielsweise das auf einem Speicher (des Regel- und Steuergeräts) hinterlegte Verfahren ausführen. Zudem können auf einem Speicher des Regel- und Steuergeräts auch eine oder mehrere Grenztemperaturen zur Durchführung eines hier vorgestellten Verfahrens hinterlegt sein.
  • Nach einem weiteren Aspekt wird auch ein Heizgerät mit einem hier vorgestellten Regel- und Steuergerät vorgeschlagen. Bei dem Heizgerät handelt es sich insbesondere um ein Gasheizgerät mit einem Gasbrenner und einer Fördereinrichtung die ein Gemisch aus Gas (insbesondere Wasserstoff) und Verbrennungsluft zu dem Gasbrenner fördern kann.
  • Gemäß einer Ausgestaltung kann das Heizgerät einen Temperatursensor aufweisen, der in einem Bereich unterhalb des Brenners des Heizgerätes angeordnet ist.
  • Gemäß einer vorteilhaften Ausgestaltung des Heizgerätes kann der Temperatursensor außen an der Brennkammer, insbesondere an der Brennertür oder einer Brennerwandung, des Heizgerätes angeordnet sein.
  • Gemäß einer weiteren vorteilhaften Ausgestaltung des Heizgerätes kann dieses dazu eingerichtet sein, sich abzuschalten, sofern eine am Temperatursensor erfasste Temperatur unterhalb einer Grenztemperatur liegt.
  • Gemäß einer weiteren vorteilhaften Ausgestaltung des Heizgerätes kann der Temperatursensor ein Temperatursensor zur thermischen Flammenerkennung des Heizgerätes sein. In vorteilhafter Weise kann so ein bereits vorhandener Temperatursensor zur Durchführung eines hier vorgeschlagenen Verfahrens genutzt werden.
  • Nach einem weiteren Aspekt wird eine Verwendung eines Temperatursensors vorgeschlagen, wobei der Temperatursensor unterhalb eines Brenners in oder außen an einer Brennkammer eines Heizgerätes angeordnet ist, zum Erkennen eines blockierten (Kondensat-) Ablaufs (der Brennkammer) des Heizgerätes. Das Erkennen des blockierten Kondensatablaufs erfolgt dabei, indem eine Temperatur am Temperatursensor unterhalb einer Grenztemperatur erfasst wird.
  • Die im Zusammenhang mit dem Verfahren erörterten Details, Merkmale und vorteilhafte Ausgestaltungen können entsprechend auch bei dem hier vorgestellten Computerprogramm, dem Speichermedium, dem Regel- und Steuergerät, dem Heizgerät und/oder der Verwendung auftreten und umgekehrt. Insoweit wird auf die dortigen Ausführungen zur näheren Charakterisierung der Merkmale vollumfänglich Bezug genommen.
  • Hier werden somit ein Verfahren zum Betreiben eines Heizgerätes, ein Computerprogramm, ein Speichermedium, ein Regel- und Steuergerät, ein Heizgerät und eine Verwendung eines Temperatursensors angegeben, welche die mit Bezug auf den Stand der Technik geschilderten Probleme zumindest teilweise lösen. Insbesondere tragen das Verfahren und das Heizgerät dazu bei, eine einfache und sichere Möglichkeit zum Erkennen eines blockierten Kondensatablaufes eines Heizgerätes bereitzustellen.
  • Zudem ist die Erfindung einfach kostengünstig umsetzbar und erhöht die Komplexität eines Heizgerätes nicht oder nur unwesentlich. Auch kann die Erfindung problemlos an Altgeräte implementiert werden.
  • Die Erfindung sowie das technische Umfeld werden nachfolgend anhand der beiliegenden Figuren näher erläutert. Es ist darauf hinzuweisen, dass die Erfindung durch die angeführten Ausführungsbeispiele nicht beschränkt werden soll. Insbesondere ist es, soweit nicht explizit anders dargestellt, auch möglich, Teilaspekte der in den Figuren erläuterten Sachverhalte zu extrahieren und mit anderen Bestandteilen und Erkenntnissen aus der vorliegenden Beschreibung zu kombinieren. Insbesondere ist darauf hinzuweisen, dass die Figuren und insbesondere die dargestellten Größenverhältnisse nur schematisch sind. Es zeigen:
    • Fig. 1: einen Ablauf eines hier vorgeschlagenen Verfahrens,
    • Fig. 2: ein hier vorgeschlagenes Heizgerät, und
    • Fig. 3: eine Brennkammer eines hier vorgeschlagenen Heizgerätes.
  • Fig. 1 zeigt beispielhaft und schematisch einen Ablauf eines hier vorgeschlagenen Verfahrens. Das Verfahren dient zum Erkennen eines blockierten (Kondensat-) Ablaufs 14 eines Heizgerätes 1. Die mit den Blöcken 110, 120 und 130 dargestellte Reihenfolge der Schritte a), b) und c) kann sich bei einem regulären Betriebsablauf einstellen. Insbesondere kann jedoch eine gleichzeitige (permanente) oder regelmäßig zeitlich beanstandete Durchführung der Schritte a) bis c) sinnvoll erscheinen.
  • In Block 110 erfolgt gemäß Schritt a) ein Erfassen einer Temperatur in einem Bereich unterhalb des Brenners 3 des Heizgerätes 1. In Block 120 erfolgt gemäß Schritt b) ein Vergleichen der in Schritt a) erfassten Temperatur mit einer Grenztemperatur. In Block 130 erfolgt gemäß Schritt c) ein Erkennen eines blockierten Ablaufs 14 der Brennkammer 8.
  • Fig. 2 zeigt beispielhaft und schematisch ein hier vorgeschlagenes Heizgerät 1. Das Heizgerät 1 kann eine Zuführung Verbrennungsluft 4 aufweisen, der über ein Gasventil 5 Verbrennungsgas zugesetzt werden kann. Das entstehende Verbrennungsgemisch kann über einen Gemischkanal 16, in dem eine Fördereinrichtung 2 angeordnet sein kann, einem in einer Brennkammer 8 angeordneten, Brenner 3 zugeführt werden. Entstehende Verbrennungsprodukte können aus der Brennkammer 8 über eine Abgasanlage 9 abgeführt werden.
  • Das Heizgerät 1 kann zudem ein Regel- und Steuergerät 7 aufweisen, dass mit einem Temperatursensor 10, der in der Brennkammer 8 unterhalb des Brenners 3, elektrisch verbunden sein kann. Zudem kann das Regel- und Steuergerät 7 mit dem Gasventil 5, der Fördereinrichtung 2 und einer Zündeinrichtung 6 elektrisch verbunden sein. Eine Durchführung eines hier vorgeschlagenen Verfahrens kann vorteilhaft auf dem Rege-I und Steuergerät 7 erfolgen.
  • Fig. 3 zeigt beispielhaft und schematisch eine Brennkammer 8 eines hier vorgeschlagenen Heizgerätes 1. Über den Gemischkanal 16 kann Verbrennungsgemisch dem Brenner 3 zugeführt und unter Entstehung einer Flamme 11 verbrannt werden. Die Flamme 11 kann durch einen UV-Sensor 12 überwacht werden. Die Brennkammer 8 kann zudem eine lonisationselektrode 13, die gleichfalls zur Überwachung der Flamme 11 geeignet ist, aufweisen. Der Temperatursensor 10 kann unterhalb der lonisationselektrode 13 angeordnet sein. UV-Sensor 12, Brenner 3, lonisationselektrode 13 und Temperatursensor 10 können in einer Brennertür 17 angeordnet sein, wodurch vorteilhaft eine elektrische Verkabelung vereinfacht werden kann.
  • Unten kann die Brennkammer 8 einen (Kondensat-) Ablauf 14 aufweisen, der einen Siphon 15 umfassen kann. Bei einer Blockade des Ablaufs 14 kann das Kondensat in der Brennkammer ansteigen bis zur Höhe des Temperatursensors 10 und diesen dann auf Kondensattemperatur, und damit unterhalb der Grenztemperatur, abkühlen. Gemäß dem hier vorgeschlagenen Verfahren würde das Heizgerät 1 nunmehr abschalten, wodurch ein weiteres Steigen des Kondensatspiegels in der Brennkammer 3 verhindert werden kann. Eine Beschädigung des Heizgerätes 1, insbesondere des Brenners 3, kann somit wirkungsvoll verhindert werden.
  • Bezugszeichenliste
  • 1
    Heizgerät
    2
    Fördereinrichtung
    3
    Brenner
    4
    Zuführung Verbrennungsluft
    5
    Gasventil
    6
    Zündeinrichtung
    7
    Regel- und Steuergerät
    8
    Brennkammer
    9
    Abgasanlage
    10
    Temperatursensor
    11
    Flamme
    12
    UV-Sensor
    13
    lonisationselektrode
    14
    Ablauf
    15
    Siphon
    16
    Gemischkanal
    17
    Brennertür

Claims (13)

  1. Verfahren zum Betreiben eines Heizgerätes (1), umfassend zumindest die folgenden Schritte:
    a) Erfassen einer Temperatur in einem Bereich unterhalb des Brenners (3) des Heizgerätes (1),
    b) Vergleichen der in Schritt a) erfassten Temperatur mit einer Grenztemperatur,
    c) Erkennen eines blockierten Ablaufs (14) der Brennkammer (8), wenn bei dem Vergleich gemäß Schritt b) die in Schritt a) erfassten Temperatur unter der Grenztemperatur liegt.
  2. Verfahren nach Anspruch 1, wobei in einem Schritt d) nach einem Erkennen eines blockierten Ablaufs (14) gemäß Schritt c) das Heizgerät abgeschaltet wird.
  3. Verfahren nach einem der vorangehenden Ansprüche, wobei in einem Schritt e) nach einem Erkennen eines blockierten Ablaufs (14) gemäß Schritt c) das Heizgerät (1) einer Information über den blockierten Ablauf (14) bereitstellt oder versendet.
  4. Verfahren nach einem der vorangehenden Ansprüche, wobei in Schritt a) eine Temperatur außen an einer Brennertür (17) in einem Bereich unterhalb des Brenners (3) erfasst wird.
  5. Verfahren nach einem der vorangehenden Ansprüche, wobei das Heizgerät (1) mit Wasserstoff betrieben wird.
  6. Computerprogramm, welches bewirkt, dass bei Ausführung durch ein Regel- und Steuergerät (7) eines Heizgerätes (1), das Heizgerät (1) ein Verfahren nach einem der vorangehenden Ansprüche durchführt.
  7. Maschinenlesbares Speichermedium, auf dem das Computerprogramm nach Anspruch 6 gespeichert ist.
  8. Regel- und Steuergerät (7) für ein Heizgerät (1), eingerichtet um zu bewirken, dass das Heizgerät (1) ein Verfahren nach einem der Ansprüche 1 bis 5 durchführt.
  9. Heizgerät (1), aufweisend ein Regel- und Steuergerät (7) nach Anspruch 8.
  10. Heizgerät (1) nach Anspruch 9, aufweisend einen Temperatursensor (10), angeordnet unterhalb des Brenners (3) des Heizgerätes (1).
  11. Heizgerät nach Anspruch 10, wobei der Temperatursensor (10) außen an der Brennertür angeordnet ist.
  12. Heizgerät (1) nach einem der Ansprüche 10 oder 11, wobei das Heizgerät (1) dazu eingerichtet ist sich abzuschalten, sofern eine am Temperatursensor (10) erfasste Temperatur unterhalb einer Grenztemperatur liegt.
  13. Verwendung eines Temperatursensors (10), der unterhalb eines Brenners (3) in einem Heizgerät (1) angeordnet ist, zum Erkennen eines blockierten Ablaufs (14) des Heizgerätes (1), wenn die am Temperatursensor (10) erfasste Temperatur unter einer Grenztemperatur liegt.
EP22202419.2A 2021-10-27 2022-10-19 Verfahren zum betreiben eines heizgerätes, computerprogramm, speichermedium, regel - und steuergerät, heizgerät und verwendung eines temperatursensors Active EP4174378B1 (de)

Applications Claiming Priority (1)

Application Number Priority Date Filing Date Title
DE102021127922.4A DE102021127922A1 (de) 2021-10-27 2021-10-27 Verfahren zum Betreiben eines Heizgerätes, Computerprogramm, Speichermedium, Regel- und Steuergerät, Heizgerät und Verwendung eines Temperatursensors

Publications (3)

Publication Number Publication Date
EP4174378A1 EP4174378A1 (de) 2023-05-03
EP4174378B1 true EP4174378B1 (de) 2024-12-25
EP4174378C0 EP4174378C0 (de) 2024-12-25

Family

ID=83900125

Family Applications (1)

Application Number Title Priority Date Filing Date
EP22202419.2A Active EP4174378B1 (de) 2021-10-27 2022-10-19 Verfahren zum betreiben eines heizgerätes, computerprogramm, speichermedium, regel - und steuergerät, heizgerät und verwendung eines temperatursensors

Country Status (2)

Country Link
EP (1) EP4174378B1 (de)
DE (1) DE102021127922A1 (de)

Families Citing this family (1)

* Cited by examiner, † Cited by third party
Publication number Priority date Publication date Assignee Title
DE102023112970A1 (de) * 2023-05-17 2024-11-21 Vaillant Gmbh Verfahren zum Feststellen eines Kondensatstaus in einer Brennkammer eines Heizgerätes, Computerprogramm, Regel- und Steuergerät und Heizgerät

Citations (1)

* Cited by examiner, † Cited by third party
Publication number Priority date Publication date Assignee Title
US5024595A (en) * 1989-06-05 1991-06-18 Snyder General Corporation Furnace protective device

Family Cites Families (8)

* Cited by examiner, † Cited by third party
Publication number Priority date Publication date Assignee Title
GB8606458D0 (en) 1986-03-15 1986-04-23 Thorn Emi Heating Ltd Gas-fired heating appliance
AT396831B (de) 1990-12-10 1993-12-27 Vaillant Gmbh Sicherungseinrichtung für eine heizeinrichtung
DE9112866U1 (de) * 1990-10-19 1992-01-23 Joh. Vaillant Gmbh U. Co, 5630 Remscheid Heizeinrichtung
GB2497140B (en) 2011-12-02 2017-11-01 Adey Holdings 2008 Ltd Condensate drain monitoring apparatus
DE102015206810A1 (de) 2015-04-15 2016-10-20 Robert Bosch Gmbh Brennervorrichtung
EP3171094B1 (de) * 2015-11-19 2018-08-22 UNICAL AG S.p.A. Verbesserter kondensationsboiler
US10480822B2 (en) * 2017-01-30 2019-11-19 Intellihot, Inc. Condensate neutralizer device
US11573148B2 (en) * 2019-08-12 2023-02-07 A. O. Smith Corporation Leakage detection in condensing water heater

Patent Citations (1)

* Cited by examiner, † Cited by third party
Publication number Priority date Publication date Assignee Title
US5024595A (en) * 1989-06-05 1991-06-18 Snyder General Corporation Furnace protective device

Also Published As

Publication number Publication date
EP4174378A1 (de) 2023-05-03
EP4174378C0 (de) 2024-12-25
DE102021127922A1 (de) 2023-04-27

Similar Documents

Publication Publication Date Title
EP4174378B1 (de) Verfahren zum betreiben eines heizgerätes, computerprogramm, speichermedium, regel - und steuergerät, heizgerät und verwendung eines temperatursensors
CN101726091B (zh) 一种快速将水加热至沸腾的电加热装置及其加热方法
DE3020228C2 (de) Sicherheitseinrichtung für brennstoffbeheizte Geräte
EP4174375A1 (de) Verfahren zur validierung eines signals einer einrichtung zur flammenüberwachung eines heizgerätes, computerprogramm, speichermedium, regel- und steuergerät, heizgerät und verwendung eines temperatursensors
EP4336100B1 (de) Verfahren zum feststellen eines flammenrückschlages bei einem heizgerät; regel- und steuergerät, heizgerät und computerprogramm
DE69121110T2 (de) Gasbrennersystem und verfahren zur regelung der verbrennung
EP4345379B1 (de) Verfahren zur inbetriebnahme eines heizgerätes, regel- und steuergerät, heizgerät und computerprogramm
EP1884722A2 (de) Vorrichtung mit Mitteln zur Durchführung von Ablaufschritten zur Neutralisation von Kondensat aus einem Heizgerät sowie Verfahren hierzu
DE102020109828A1 (de) Verfahren zum Betrieb einer Heizungsanlage
DE102023112970A1 (de) Verfahren zum Feststellen eines Kondensatstaus in einer Brennkammer eines Heizgerätes, Computerprogramm, Regel- und Steuergerät und Heizgerät
EP4215839A1 (de) Verfahren zum betreiben eines heizgerätes, computerprogramm, regel- und steuergerät und heizgerät
DE102008051060B4 (de) Heizgerät mit Abgasüberwachungseinrichtung
DE102022123906A1 (de) Verfahren zum Betreiben eines Heizgerätes, Computerprogramm, Regel- und Steuergerät, Heizgerät und Verwendung einer zweigeteilten Gaszuführung
DE19731288C2 (de) Verfahren und Vorrichtung zur Temperaturregelung und Temperaturbegrenzung beheizbarer Vorrichtungen
EP4215815B1 (de) Verfahren zum betreiben eines flammenbildenden heizgerätes einer heizungsanlage, computerprogramm, speichermedium, regel- und steuergerät und heizgerät
EP4083507A1 (de) Verfahren zum prüfen einer rückschlagklappe in einer heizungsanlage
EP4209712A2 (de) Verfahren zum erkennen eines blockierten kondensatablaufes eines heizgerätes, computerprogramm, regel- und steuergerät und heizgerät
EP3377770B1 (de) Pumpenvorrichtung, brauchwassersystem, verfahren zum betreiben eines brauchwassersystems und selbstlernverfahren für eine förderpumpe eines brauchwassersystems
DE102013219142B4 (de) Heizsystem
DE102021207162B3 (de) Heizungsanlage und verfahren zum betreiben einer heizungsanlage
EP4102136B1 (de) Verfahren zur verifikation der flammenüberwachung eines heizgerätes, heizgerät, computerprogramm und speichermedium
EP4187150A1 (de) Verfahren zum betreiben einer heizungsanlage, computerprogramm, speichermedium, regel- und steuergerät, heizgerät und verwendung einer schliesseinrichtung
DE2162521A1 (de) Sicherheitsvorrichtung für gasbeheizte Apparate, wie insbesondere Warmwasserbereiter, Gasbadeofen und gasbeheizte Zentralheizungskessel
DE102013114385A1 (de) Heizelement für die Feuerung an Heiz- oder Dampfkesseln
CN206131027U (zh) 一种消除水泥窑焚烧废弃物的不稳定有害氯的系统

Legal Events

Date Code Title Description
PUAI Public reference made under article 153(3) epc to a published international application that has entered the european phase

Free format text: ORIGINAL CODE: 0009012

STAA Information on the status of an ep patent application or granted ep patent

Free format text: STATUS: THE APPLICATION HAS BEEN PUBLISHED

AK Designated contracting states

Kind code of ref document: A1

Designated state(s): AL AT BE BG CH CY CZ DE DK EE ES FI FR GB GR HR HU IE IS IT LI LT LU LV MC ME MK MT NL NO PL PT RO RS SE SI SK SM TR

STAA Information on the status of an ep patent application or granted ep patent

Free format text: STATUS: REQUEST FOR EXAMINATION WAS MADE

17P Request for examination filed

Effective date: 20231027

RBV Designated contracting states (corrected)

Designated state(s): AL AT BE BG CH CY CZ DE DK EE ES FI FR GB GR HR HU IE IS IT LI LT LU LV MC ME MK MT NL NO PL PT RO RS SE SI SK SM TR

GRAP Despatch of communication of intention to grant a patent

Free format text: ORIGINAL CODE: EPIDOSNIGR1

STAA Information on the status of an ep patent application or granted ep patent

Free format text: STATUS: GRANT OF PATENT IS INTENDED

INTG Intention to grant announced

Effective date: 20240725

GRAS Grant fee paid

Free format text: ORIGINAL CODE: EPIDOSNIGR3

GRAA (expected) grant

Free format text: ORIGINAL CODE: 0009210

STAA Information on the status of an ep patent application or granted ep patent

Free format text: STATUS: THE PATENT HAS BEEN GRANTED

AK Designated contracting states

Kind code of ref document: B1

Designated state(s): AL AT BE BG CH CY CZ DE DK EE ES FI FR GB GR HR HU IE IS IT LI LT LU LV MC ME MK MT NL NO PL PT RO RS SE SI SK SM TR

REG Reference to a national code

Ref country code: GB

Ref legal event code: FG4D

Free format text: NOT ENGLISH

REG Reference to a national code

Ref country code: CH

Ref legal event code: EP

REG Reference to a national code

Ref country code: DE

Ref legal event code: R096

Ref document number: 502022002496

Country of ref document: DE

REG Reference to a national code

Ref country code: IE

Ref legal event code: FG4D

Free format text: LANGUAGE OF EP DOCUMENT: GERMAN

U01 Request for unitary effect filed

Effective date: 20250116

U07 Unitary effect registered

Designated state(s): AT BE BG DE DK EE FI FR IT LT LU LV MT NL PT RO SE SI

Effective date: 20250122

PG25 Lapsed in a contracting state [announced via postgrant information from national office to epo]

Ref country code: HR

Free format text: LAPSE BECAUSE OF FAILURE TO SUBMIT A TRANSLATION OF THE DESCRIPTION OR TO PAY THE FEE WITHIN THE PRESCRIBED TIME-LIMIT

Effective date: 20241225

PG25 Lapsed in a contracting state [announced via postgrant information from national office to epo]

Ref country code: NO

Free format text: LAPSE BECAUSE OF FAILURE TO SUBMIT A TRANSLATION OF THE DESCRIPTION OR TO PAY THE FEE WITHIN THE PRESCRIBED TIME-LIMIT

Effective date: 20250325

PG25 Lapsed in a contracting state [announced via postgrant information from national office to epo]

Ref country code: GR

Free format text: LAPSE BECAUSE OF FAILURE TO SUBMIT A TRANSLATION OF THE DESCRIPTION OR TO PAY THE FEE WITHIN THE PRESCRIBED TIME-LIMIT

Effective date: 20250326

PG25 Lapsed in a contracting state [announced via postgrant information from national office to epo]

Ref country code: RS

Free format text: LAPSE BECAUSE OF FAILURE TO SUBMIT A TRANSLATION OF THE DESCRIPTION OR TO PAY THE FEE WITHIN THE PRESCRIBED TIME-LIMIT

Effective date: 20250325

PG25 Lapsed in a contracting state [announced via postgrant information from national office to epo]

Ref country code: SM

Free format text: LAPSE BECAUSE OF FAILURE TO SUBMIT A TRANSLATION OF THE DESCRIPTION OR TO PAY THE FEE WITHIN THE PRESCRIBED TIME-LIMIT

Effective date: 20241225

PG25 Lapsed in a contracting state [announced via postgrant information from national office to epo]

Ref country code: PL

Free format text: LAPSE BECAUSE OF FAILURE TO SUBMIT A TRANSLATION OF THE DESCRIPTION OR TO PAY THE FEE WITHIN THE PRESCRIBED TIME-LIMIT

Effective date: 20241225

PG25 Lapsed in a contracting state [announced via postgrant information from national office to epo]

Ref country code: ES

Free format text: LAPSE BECAUSE OF FAILURE TO SUBMIT A TRANSLATION OF THE DESCRIPTION OR TO PAY THE FEE WITHIN THE PRESCRIBED TIME-LIMIT

Effective date: 20241225

PG25 Lapsed in a contracting state [announced via postgrant information from national office to epo]

Ref country code: IS

Free format text: LAPSE BECAUSE OF FAILURE TO SUBMIT A TRANSLATION OF THE DESCRIPTION OR TO PAY THE FEE WITHIN THE PRESCRIBED TIME-LIMIT

Effective date: 20250425

PG25 Lapsed in a contracting state [announced via postgrant information from national office to epo]

Ref country code: SK

Free format text: LAPSE BECAUSE OF FAILURE TO SUBMIT A TRANSLATION OF THE DESCRIPTION OR TO PAY THE FEE WITHIN THE PRESCRIBED TIME-LIMIT

Effective date: 20241225

PG25 Lapsed in a contracting state [announced via postgrant information from national office to epo]

Ref country code: CZ

Free format text: LAPSE BECAUSE OF FAILURE TO SUBMIT A TRANSLATION OF THE DESCRIPTION OR TO PAY THE FEE WITHIN THE PRESCRIBED TIME-LIMIT

Effective date: 20241225

PGFP Annual fee paid to national office [announced via postgrant information from national office to epo]

Ref country code: TR

Payment date: 20250929

Year of fee payment: 4

PLBE No opposition filed within time limit

Free format text: ORIGINAL CODE: 0009261

STAA Information on the status of an ep patent application or granted ep patent

Free format text: STATUS: NO OPPOSITION FILED WITHIN TIME LIMIT

U20 Renewal fee for the european patent with unitary effect paid

Year of fee payment: 4

Effective date: 20250930

26N No opposition filed

Effective date: 20250926