CN218011856U - 一种扬尘处理装置 - Google Patents

一种扬尘处理装置 Download PDF

Info

Publication number
CN218011856U
CN218011856U CN202221996583.4U CN202221996583U CN218011856U CN 218011856 U CN218011856 U CN 218011856U CN 202221996583 U CN202221996583 U CN 202221996583U CN 218011856 U CN218011856 U CN 218011856U
Authority
CN
China
Prior art keywords
water
purification box
pipe
dust
bottom plate
Prior art date
Legal status (The legal status is an assumption and is not a legal conclusion. Google has not performed a legal analysis and makes no representation as to the accuracy of the status listed.)
Active
Application number
CN202221996583.4U
Other languages
English (en)
Inventor
周奥南
张苓
Current Assignee (The listed assignees may be inaccurate. Google has not performed a legal analysis and makes no representation or warranty as to the accuracy of the list.)
Individual
Original Assignee
Individual
Priority date (The priority date is an assumption and is not a legal conclusion. Google has not performed a legal analysis and makes no representation as to the accuracy of the date listed.)
Filing date
Publication date
Application filed by Individual filed Critical Individual
Priority to CN202221996583.4U priority Critical patent/CN218011856U/zh
Application granted granted Critical
Publication of CN218011856U publication Critical patent/CN218011856U/zh
Active legal-status Critical Current
Anticipated expiration legal-status Critical

Links

Images

Landscapes

  • Filtering Of Dispersed Particles In Gases (AREA)

Abstract

本实用新型公开了一种扬尘处理装置,包括底板,所述底板底部的四个角安装有移动轮,所述底板顶部的最左侧安装有推把,所述底板顶部的左侧装配有水箱,所述底板顶部的右侧安装有净化箱,所述净化箱顶部的右侧安装有驱动电机。该扬尘处理装置通过设置有水箱、水泵、抽水管、通水管、储水管和喷嘴,启动水泵,通过抽水管抽取水箱内部的水,将水导入通水管的内部,通水管和储水管的内部相连通,从而将水导入储水管的内部,通过喷嘴做雾化喷淋,灰尘吸附在雾珠上,随着雾珠的掉落,灰尘便会掉落在地面上,从而减少环境中悬浮的颗粒,降低了施工环境中的扬尘情况,解决的是只采用风力吸附的方式净化,效率较低的问题。

Description

一种扬尘处理装置
技术领域
本实用新型涉及扬尘处理技术领域,具体为一种扬尘处理装置。
背景技术
建筑施工过程中产生的扬尘较多,对周围的环境造成的污染较严重,同样对周围的工作人员身体健康有损害,因此需要对扬尘进行处理,减少施工环境中的灰尘杂质,达到标准的空气指数。
大多数的扬尘处理装置不方便对滤网上的灰尘清理,需要拆开设备进行清理,费时费力,并且对悬浮颗粒的吸附效果较差,一般只采用风力吸附的方式净化,效率较低。
实用新型内容
本实用新型的目的在于提供一种扬尘处理装置,以解决上述背景技术中提出的不方便对滤网上的灰尘清理的问题。
为实现上述目的,本实用新型提供如下技术方案:一种扬尘处理装置,包括底板,所述底板底部的四个角安装有移动轮,所述底板顶部的最左侧安装有推把,所述底板顶部的左侧装配有水箱,所述底板顶部的右侧安装有净化箱,所述净化箱顶部的右侧安装有驱动电机,所述净化箱内部的右侧安装有风机,所述净化箱的右侧安装有进风口;
所述净化箱内部的右侧竖向安装有滤网,所述滤网的下方可拆卸设置有收集盒,所述净化箱内部的最右侧竖向设置有往复丝杆,所述往复丝杆的右侧设置有导向杆,所述导向杆竖向连接在净化箱的内部,所述导向杆和往复丝杆的外部套设有移动套座,所述移动套座的左侧固定连接有毛刷。
优选的,所述驱动电机的输出端与往复丝杆连接,所述毛刷的左侧与滤网的网孔接触。
优选的,所述净化箱内部的左侧装设有安装座,所述安装座之间设置有活性炭吸附棉层,所述活性炭吸附棉层的两侧架设有安装架。
优选的,所述安装架为不锈钢材质,所述活性炭吸附棉层水平设置有三组。
优选的,所述水箱内部的右侧贯穿有抽水管,所述净化箱的顶部架设有支撑架,所述支撑架之间安装有通水管,所述水箱顶部的右侧安装有水泵,所述通水管的右侧安装有储水管,所述储水管的右侧固定连接有喷嘴。
优选的,所述抽水管的顶部与通水管的内部相连通,所述水泵的输出端与抽水管连接。
与现有技术相比,本实用新型的有益效果是:该扬尘处理装置实现对滤网上灰尘清理的目的,吸附效果好,同时设计了喷淋和风力吸附为一体的结构,提高了处理的效率;
(1)通过设置有推把、净化箱、驱动电机、移动套座、毛刷、滤网、风机和往复丝杆,使用时,推动推把,将设备推到指定的地方,之后启动风机,在风机的作用下,将外部的空气从进风口导入净化箱的内部,经过滤网时对空气中的杂质过滤,减少灰尘在内部的飞扬,使用一段时间后,启动驱动电机,在驱动电机的作用下,带动往复丝杆开始旋转,往复丝杆和移动套座之间为螺纹连接,从而带动移动套座竖直移动,使得毛刷在滤网处竖直移动,将网孔处的灰尘向下扫落,通过收集盒对扫落的灰尘收集,之后打开设备将收集盒向外抽出即可对内部的灰尘清理,实现了对滤网网孔的清理,省时省力;
(2)通过设置有活性炭吸附棉层和安装架,使用时,活性炭吸附棉层具有更优良的气体动力学性能,体积密度小,比表面积大、吸附效率高,风阻系数小,可对气体中的颗粒杂质和异味吸附净化,活性炭吸附棉层设置有三组,每组通过安装架安装固定,不易发生脱落,气体经过活性炭吸附棉层后向左侧流动,从净化箱左侧的出口排出,以此循环处理,可减少施工场地的扬尘情况;
(3)通过设置有水箱、水泵、抽水管、通水管、储水管和喷嘴,使用时,启动水泵,在水泵的作用下,通过抽水管抽取水箱内部的水,将水导入通水管的内部,通水管和储水管的内部相连通,从而将水导入储水管的内部,通过喷嘴做雾化喷淋,灰尘吸附在雾珠上,随着雾珠的掉落,灰尘便会掉落在地面上,从而减少环境中悬浮的颗粒,降低了施工环境中的扬尘情况,安全环保性较强。
附图说明
图1为本实用新型的正视剖面结构示意图;
图2为本实用新型的活性炭吸附棉层侧视结构示意图;
图3为本实用新型的储水管俯视结构示意图;
图4为本实用新型的图1中A处局部剖面放大结构示意图。
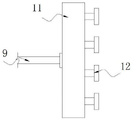
图中:1、底板;2、推把;3、水箱;4、水泵;5、净化箱;6、抽水管;7、安装座;8、支撑架;9、通水管;10、驱动电机;11、储水管;12、喷嘴;13、移动套座;14、毛刷;15、导向杆;16、滤网;17、风机;18、往复丝杆;19、进风口;20、活性炭吸附棉层;21、移动轮;22、安装架;23、收集盒。
具体实施方式
下面将结合本实用新型实施例中的附图,对本实用新型实施例中的技术方案进行清楚、完整地描述,显然,所描述的实施例仅仅是本实用新型一部分实施例,而不是全部的实施例。基于本实用新型中的实施例,本领域普通技术人员在没有做出创造性劳动前提下所获得的所有其他实施例,都属于本实用新型保护的范围。
实施例1:请参阅图1-4,一种扬尘处理装置,包括底板1,底板1底部的四个角安装有移动轮21,底板1顶部的最左侧安装有推把2,底板1顶部的左侧装配有水箱3,底板1顶部的右侧安装有净化箱5,净化箱5顶部的右侧安装有驱动电机10,净化箱5内部的右侧安装有风机17,净化箱5的右侧安装有进风口19;
净化箱5内部的右侧竖向安装有滤网16,滤网16的下方可拆卸设置有收集盒23,净化箱5内部的最右侧竖向设置有往复丝杆18,往复丝杆18的右侧设置有导向杆15,导向杆15竖向连接在净化箱5的内部,导向杆15和往复丝杆18的外部套设有移动套座13,移动套座13的左侧固定连接有毛刷14,驱动电机10的输出端与往复丝杆18连接,毛刷14的左侧与滤网16的网孔接触;
具体地,如图1和图4所示,之后启动风机17,将外部的空气从进风口19导入净化箱5的内部,经过滤网16时对空气中的杂质过滤,减少灰尘在内部的飞扬,使用一段时间后,启动驱动电机10,在驱动电机10的作用下,带动往复丝杆18开始旋转,从而带动移动套座13竖直移动,使得毛刷14在滤网16处竖直移动,将网孔处的灰尘向下扫落,通过收集盒23对扫落的灰尘收集,方便对滤网16清理,省时省力。
实施例2:净化箱5内部的左侧装设有安装座7,安装座7之间设置有活性炭吸附棉层20,活性炭吸附棉层20的两侧架设有安装架22,安装架22为不锈钢材质,活性炭吸附棉层20水平设置有三组;
具体地,如图1和图2所示,活性炭吸附棉层20具有更优良的气体动力学性能,体积密度小,比表面积大、吸附效率高,风阻系数小,可对气体中的颗粒杂质和异味吸附净化,活性炭吸附棉层20设置有三组,每组通过安装架22安装固定,不易发生脱落,提高了吸附的效果。
实施例3:水箱3内部的右侧贯穿有抽水管6,净化箱5的顶部架设有支撑架8,支撑架8之间安装有通水管9,水箱3顶部的右侧安装有水泵4,通水管9的右侧安装有储水管11,储水管11的右侧固定连接有喷嘴12,抽水管6的顶部与通水管9的内部相连通,水泵4的输出端与抽水管6连接;
具体地,如图1和图3所示,启动水泵4,在水泵4的作用下,通过抽水管6抽取水箱3内部的水,将水导入通水管9的内部,通水管9和储水管11的内部相连通,从而将水导入储水管11的内部,通过喷嘴12做雾化喷淋,灰尘吸附在雾珠上,随着雾珠的掉落,灰尘便会掉落在地面上,实现了喷淋和风力吸附为一体的目的。
工作原理:本实用新型在使用时,首先,推动推把2,将设备推到指定的地方,之后启动风机17,将外部的空气从进风口19导入净化箱5的内部,经过滤网16时对空气中的杂质过滤,再通过活性炭吸附棉层20对灰尘吸附,活性炭吸附棉层20具有更优良的气体动力学性能,体积密度小,比表面积大、吸附效率高,风阻系数小,可对气体中的颗粒杂质和异味吸附净化,之后气体经过活性炭吸附棉层20后向左侧流动,从净化箱5左侧的出口排出,以此循环处理,可减少施工场地的扬尘情况,之后启动水泵4,在水泵4的作用下,通过抽水管6抽取水箱3内部的水,将水导入通水管9的内部,通水管9和储水管11的内部相连通,从而将水导入储水管11的内部,通过喷嘴12做雾化喷淋,灰尘吸附在雾珠上,随着雾珠的掉落,灰尘便会掉落在地面上,从而减少环境中悬浮的颗粒,长时间使用滤网16网孔处堵塞的杂质较多,通过启动驱动电机10,在驱动电机10的作用下,带动往复丝杆18开始旋转,从而带动移动套座13竖直移动,使得毛刷14在滤网16处竖直移动,将网孔处的灰尘向下扫落,通过收集盒23对扫落的灰尘收集。
对于本领域技术人员而言,显然本实用新型不限于上述示范性实施例的细节,而且在不背离本实用新型的精神或基本特征的情况下,能够以其他的具体形式实现本实用新型。因此,无论从哪一点来看,均应将实施例看作是示范性的,而且是非限制性的,本实用新型的范围由所附权利要求而不是上述说明限定,因此旨在将落在权利要求的等同要件的含义和范围内的所有变化囊括在本实用新型内。不应将权利要求中的任何附图标记视为限制所涉及的权利要求。

Claims (6)

1.一种扬尘处理装置,包括底板(1),其特征在于:所述底板(1)底部的四个角安装有移动轮(21),所述底板(1)顶部的最左侧安装有推把(2),所述底板(1)顶部的左侧装配有水箱(3),所述底板(1)顶部的右侧安装有净化箱(5),所述净化箱(5)顶部的右侧安装有驱动电机(10),所述净化箱(5)内部的右侧安装有风机(17),所述净化箱(5)的右侧安装有进风口(19);
所述净化箱(5)内部的右侧竖向安装有滤网(16),所述滤网(16)的下方可拆卸设置有收集盒(23),所述净化箱(5)内部的最右侧竖向设置有往复丝杆(18),所述往复丝杆(18)的右侧设置有导向杆(15),所述导向杆(15)竖向连接在净化箱(5)的内部,所述导向杆(15)和往复丝杆(18)的外部套设有移动套座(13),所述移动套座(13)的左侧固定连接有毛刷(14)。
2.根据权利要求1所述的一种扬尘处理装置,其特征在于:所述驱动电机(10)的输出端与往复丝杆(18)连接,所述毛刷(14)的左侧与滤网(16)的网孔接触。
3.根据权利要求1所述的一种扬尘处理装置,其特征在于:所述净化箱(5)内部的左侧装设有安装座(7),所述安装座(7)之间设置有活性炭吸附棉层(20),所述活性炭吸附棉层(20)的两侧架设有安装架(22)。
4.根据权利要求3所述的一种扬尘处理装置,其特征在于:所述安装架(22)为不锈钢材质,所述活性炭吸附棉层(20)水平设置有三组。
5.根据权利要求1所述的一种扬尘处理装置,其特征在于:所述水箱(3)内部的右侧贯穿有抽水管(6),所述净化箱(5)的顶部架设有支撑架(8),所述支撑架(8)之间安装有通水管(9),所述水箱(3)顶部的右侧安装有水泵(4),所述通水管(9)的右侧安装有储水管(11),所述储水管(11)的右侧固定连接有喷嘴(12)。
6.根据权利要求5所述的一种扬尘处理装置,其特征在于:所述抽水管(6)的顶部与通水管(9)的内部相连通,所述水泵(4)的输出端与抽水管(6)连接。
CN202221996583.4U 2022-08-01 2022-08-01 一种扬尘处理装置 Active CN218011856U (zh)

Priority Applications (1)

Application Number Priority Date Filing Date Title
CN202221996583.4U CN218011856U (zh) 2022-08-01 2022-08-01 一种扬尘处理装置

Applications Claiming Priority (1)

Application Number Priority Date Filing Date Title
CN202221996583.4U CN218011856U (zh) 2022-08-01 2022-08-01 一种扬尘处理装置

Publications (1)

Publication Number Publication Date
CN218011856U true CN218011856U (zh) 2022-12-13

Family

ID=84341129

Family Applications (1)

Application Number Title Priority Date Filing Date
CN202221996583.4U Active CN218011856U (zh) 2022-08-01 2022-08-01 一种扬尘处理装置

Country Status (1)

Country Link
CN (1) CN218011856U (zh)

Cited By (1)

* Cited by examiner, † Cited by third party
Publication number Priority date Publication date Assignee Title
CN117030558A (zh) * 2023-08-10 2023-11-10 中国环境科学研究院 一种应用于城市治理用扬尘检测装置及检测方法

Cited By (1)

* Cited by examiner, † Cited by third party
Publication number Priority date Publication date Assignee Title
CN117030558A (zh) * 2023-08-10 2023-11-10 中国环境科学研究院 一种应用于城市治理用扬尘检测装置及检测方法

Similar Documents

Publication Publication Date Title
CN109395518A (zh) 一种金属制粒用烟尘处理装置
CN105642063A (zh) 一种车载式雾霾消除装置
CN208250051U (zh) 一种污水处理用过滤装置
CN210814485U (zh) 一种用于建筑施工现场的除尘装置
CN218011856U (zh) 一种扬尘处理装置
CN218565685U (zh) 一种车间除尘净化新风系统
CN115845543A (zh) 一种用于智能化建筑工程的施工降尘装置
CN214635114U (zh) 一种可过滤收集粉尘的废气净化装置
CN219050794U (zh) 一种环保除尘柜
CN209333446U (zh) 一种金属制粒用烟尘处理装置
CN209271087U (zh) 一种工业用可循环气体净化设备
CN214832255U (zh) 一种方便除灰的纯电动吸尘车
CN217528391U (zh) 一种电除尘滤网用清洁装置
CN215352656U (zh) 一种建筑施工高效节能防扬尘装置
CN214019856U (zh) 一种室内建筑施工用降尘装置
CN211854408U (zh) 一种便携的空气净化装置
CN211215995U (zh) 一种1-N-Boc-2(S)-甲基-哌啶-4-酮生产用废气处理装置
CN209238506U (zh) 一种汽车喷漆房快速清扫除扬尘装置
CN217988816U (zh) 一种便于清洗的除尘釜
CN223096314U (zh) 一种建筑施工水资源循环利用装置
CN204563815U (zh) 大气污染及沙尘暴吸收治理大型装备
CN218871638U (zh) 一种树脂加工用粉尘回收装置
CN220879879U (zh) 一种环境保护灰尘颗粒吸收设备
CN221637957U (zh) 一种瓷砖胶生产用除尘装置
CN218421868U (zh) 一种土建工程节能施工用路面快速降尘装置

Legal Events

Date Code Title Description
GR01 Patent grant
GR01 Patent grant