CN217709090U - 一种磁混凝高品质饮用水处理集约化装置 - Google Patents
一种磁混凝高品质饮用水处理集约化装置 Download PDFInfo
- Publication number
- CN217709090U CN217709090U CN202221281322.4U CN202221281322U CN217709090U CN 217709090 U CN217709090 U CN 217709090U CN 202221281322 U CN202221281322 U CN 202221281322U CN 217709090 U CN217709090 U CN 217709090U
- Authority
- CN
- China
- Prior art keywords
- unit
- water inlet
- zone
- communicated
- magnetic
- Prior art date
- Legal status (The legal status is an assumption and is not a legal conclusion. Google has not performed a legal analysis and makes no representation as to the accuracy of the status listed.)
- Active
Links
- 239000003651 drinking water Substances 0.000 title claims abstract description 20
- 235000020188 drinking water Nutrition 0.000 title claims abstract description 20
- 238000005345 coagulation Methods 0.000 title claims description 16
- 230000015271 coagulation Effects 0.000 title claims description 16
- XLYOFNOQVPJJNP-UHFFFAOYSA-N water Substances O XLYOFNOQVPJJNP-UHFFFAOYSA-N 0.000 claims abstract description 61
- 238000001914 filtration Methods 0.000 claims abstract description 32
- 238000005189 flocculation Methods 0.000 claims abstract description 17
- 230000016615 flocculation Effects 0.000 claims abstract description 17
- 238000004659 sterilization and disinfection Methods 0.000 claims abstract description 15
- 239000012528 membrane Substances 0.000 claims abstract description 14
- OSVXSBDYLRYLIG-UHFFFAOYSA-N dioxidochlorine(.) Chemical group O=Cl=O OSVXSBDYLRYLIG-UHFFFAOYSA-N 0.000 claims abstract description 6
- 239000000701 coagulant Substances 0.000 claims abstract description 5
- 239000004155 Chlorine dioxide Substances 0.000 claims abstract description 3
- 235000019398 chlorine dioxide Nutrition 0.000 claims abstract description 3
- 239000008394 flocculating agent Substances 0.000 claims abstract description 3
- 239000010802 sludge Substances 0.000 claims description 32
- 238000001728 nano-filtration Methods 0.000 claims description 19
- 238000002156 mixing Methods 0.000 claims description 18
- 239000006148 magnetic separator Substances 0.000 claims description 10
- 239000006247 magnetic powder Substances 0.000 claims description 9
- 238000001556 precipitation Methods 0.000 claims description 6
- 238000012544 monitoring process Methods 0.000 claims description 3
- 230000002195 synergetic effect Effects 0.000 claims description 2
- 238000007599 discharging Methods 0.000 claims 1
- 238000004062 sedimentation Methods 0.000 abstract description 19
- 230000001112 coagulating effect Effects 0.000 abstract description 7
- 230000008901 benefit Effects 0.000 abstract description 4
- 230000000694 effects Effects 0.000 abstract description 3
- 230000005389 magnetism Effects 0.000 abstract description 3
- 239000003344 environmental pollutant Substances 0.000 abstract description 2
- 231100000719 pollutant Toxicity 0.000 abstract description 2
- 238000007560 sedimentation technique Methods 0.000 abstract description 2
- 238000000926 separation method Methods 0.000 abstract description 2
- 238000000034 method Methods 0.000 description 7
- 230000008569 process Effects 0.000 description 6
- 238000009295 crossflow filtration Methods 0.000 description 5
- OKTJSMMVPCPJKN-UHFFFAOYSA-N Carbon Chemical compound [C] OKTJSMMVPCPJKN-UHFFFAOYSA-N 0.000 description 4
- 239000012530 fluid Substances 0.000 description 3
- 239000002002 slurry Substances 0.000 description 3
- 239000006228 supernatant Substances 0.000 description 3
- VEXZGXHMUGYJMC-UHFFFAOYSA-M Chloride anion Chemical compound [Cl-] VEXZGXHMUGYJMC-UHFFFAOYSA-M 0.000 description 2
- QAOWNCQODCNURD-UHFFFAOYSA-L Sulfate Chemical compound [O-]S([O-])(=O)=O QAOWNCQODCNURD-UHFFFAOYSA-L 0.000 description 2
- 238000010276 construction Methods 0.000 description 2
- 238000011161 development Methods 0.000 description 2
- 230000006872 improvement Effects 0.000 description 2
- 238000012986 modification Methods 0.000 description 2
- 230000004048 modification Effects 0.000 description 2
- 238000006467 substitution reaction Methods 0.000 description 2
- 239000002352 surface water Substances 0.000 description 2
- 239000012747 synergistic agent Substances 0.000 description 2
- 239000004952 Polyamide Substances 0.000 description 1
- 230000009471 action Effects 0.000 description 1
- 230000000712 assembly Effects 0.000 description 1
- 238000000429 assembly Methods 0.000 description 1
- 230000009286 beneficial effect Effects 0.000 description 1
- 229920002678 cellulose Polymers 0.000 description 1
- 239000001913 cellulose Substances 0.000 description 1
- 238000004140 cleaning Methods 0.000 description 1
- 239000013078 crystal Substances 0.000 description 1
- 230000007547 defect Effects 0.000 description 1
- 238000013461 design Methods 0.000 description 1
- 239000000645 desinfectant Substances 0.000 description 1
- 238000010586 diagram Methods 0.000 description 1
- 201000010099 disease Diseases 0.000 description 1
- 208000037265 diseases, disorders, signs and symptoms Diseases 0.000 description 1
- 239000003673 groundwater Substances 0.000 description 1
- 230000036541 health Effects 0.000 description 1
- 239000012535 impurity Substances 0.000 description 1
- 238000004519 manufacturing process Methods 0.000 description 1
- 244000000010 microbial pathogen Species 0.000 description 1
- 239000002245 particle Substances 0.000 description 1
- 229920002492 poly(sulfone) Polymers 0.000 description 1
- 229920002647 polyamide Polymers 0.000 description 1
- 229920000728 polyester Polymers 0.000 description 1
- 239000011148 porous material Substances 0.000 description 1
- 238000012545 processing Methods 0.000 description 1
- 238000004064 recycling Methods 0.000 description 1
- 238000001223 reverse osmosis Methods 0.000 description 1
- 150000003839 salts Chemical class 0.000 description 1
- 239000004576 sand Substances 0.000 description 1
- 238000009287 sand filtration Methods 0.000 description 1
- 239000010865 sewage Substances 0.000 description 1
- 230000035939 shock Effects 0.000 description 1
- 239000007787 solid Substances 0.000 description 1
- 229910021653 sulphate ion Inorganic materials 0.000 description 1
- 230000009466 transformation Effects 0.000 description 1
- 238000000108 ultra-filtration Methods 0.000 description 1
Images
Landscapes
- Water Treatment By Electricity Or Magnetism (AREA)
Abstract
本实用新型公开了一种磁混凝高品质饮用水处理集约化装置,包括集装箱体,集装箱体两端分别设置有总进水口与总出水口,集装箱体内部由总进水口至总出水口依次设置有磁介质混凝沉淀单元、错流式过滤单元、纳滤单元以及消毒单元,磁介质混凝沉淀单元内依次包括混合区、加载区、絮凝区及沉淀区,错流式过滤单元至少设置有两组,错流式过滤单元包括过滤壳体与介质层,纳滤单元包括机架以及膜组件,消毒单元为二氧化氯协同消毒剂发生器。本实用新型的优点在于具有混凝及沉淀时间短,分离效率高,占地面积小等技术优势,同时去除污染物效果明显优于传统的混凝沉淀技术,并能有效减少混凝剂、絮凝剂的投加量。
Description
技术领域
本实用新型涉及饮用水处理技术领域,特别涉及一种磁混凝高品质饮用水处理集约化装置。
背景技术
传统的饮用水处理工艺一般为混合池、絮凝池、沉淀池、砂滤池、活性炭滤池、清水池,缺点是出水水质一般,生物安全性差,工艺流程长,处理时间长,抗冲击负荷能力差,处理构筑物占地面积大,建设周期长,土建投资高。
随着城市化的快速发展,水厂扩建需求与有限的扩建用地形成了矛盾,尤其对中心城区水厂集约化设计和不停产改造也提出了更高的要求。
由于城市发展的工业化水平越来越高,水源污染问题日趋严重,水源受污染的情况比较普遍,现有水厂所采用的混凝沉淀+砂滤的常规工艺以及臭氧-生物活性炭深度处理工艺对水中硬度、氯化物、硫酸盐等的去除均无明显效果,不太适用于微污染水源。
随着人民生活水平的提高,对衣食住行等生活条件有了更高的要求,特别是对饮用水水质的提升有着非常高的呼声和期待。
实用新型内容
本实用新型的目的是提供一种磁混凝高品质饮用水处理集约化装置,具有混凝及沉淀时间短,分离效率高,占地面积小等技术优势,同时去除污染物效果明显优于传统的混凝沉淀技术,并能有效减少混凝剂、絮凝剂的投加量。
本实用新型的上述技术目的是通过以下技术方案得以实现的:
一种磁混凝高品质饮用水处理集约化装置,其特征在于,包括集装箱体,所述集装箱体两端分别设置有总进水口与总出水口,所述集装箱体内部由总进水口至总出水口依次设置有磁介质混凝沉淀单元、错流式过滤单元、纳滤单元以及消毒单元,所述磁介质混凝沉淀单元内依次包括混合区、加载区、絮凝区及沉淀区,所述总进水口与混合区底部通过管道连通,所述混合区、加载区与絮凝区通过S型流道连通,所述絮凝区上方通过管道与沉淀区一端上方连通,所述错流式过滤单元至少设置有两组,所述错流式过滤单元包括过滤壳体与介质层,所述介质层设置于过滤壳体内部,所述沉淀区另一端上方则与过滤壳体上方的进水口通过管道连通,所述纳滤单元包括机架以及膜组件,所述膜组件设置有多组且相互并联设置于机架内部,所述纳滤单元的进水口通过多个分流管与膜组件连通,所述纳滤单元的进水口与过滤壳体下方的出水口通过管道连通,所述消毒单元为二氧化氯协同消毒剂发生器,所述纳滤单元的出水口与二氧化氯协同消毒剂发生器的进水口通过管道连通,所述二氧化氯协同消毒剂发生器的进水口与总出水口通过管道连通。
优选的,所述混合区、加载区与絮凝区内部均设置有电动搅拌机,所述混合区内投放混凝剂,加载区内投放磁粉,絮凝区内投放絮凝剂。
优选的,所述沉淀区底部设置有排泥口,所述排泥口孔径小于沉淀区内部直径,所述沉淀区内部中心处于排泥口上方设置有电动刮泥机,所述沉淀区上部设置有斜管,所述沉淀区的出水口设置于斜管上方。
优选的,所述排泥口处设置有第一回流管与加载区连通,所述第一回流管上设置有第一高压泵。
优选的,所述排泥口处还设置有排泥管,所述排泥管上安装有电磁阀门,所述排泥管连接有磁分离机,所述磁分离机一端与外部污泥收集装置连接,另一端通过第二回流管与加载区连通。
优选的,所述错流过滤单元整体为撬装式结构,所述过滤壳体内部于过滤壳体的进水口下方设置有扩散器,所述扩散器整体为倒V型设置。
优选的,所述纳滤单元的进水口处沿进水方向依次设置有第三高压泵以及阀门,所述纳滤单元与分流管连接处设置有监控仪表。
综上所述,本实用新型的有益效果为:本实用新型能够缩短饮用水处理工艺流程,节省处理时间,提高抗冲击负荷的能力,提高出水水质和稳定性,增强出水的生物安全性,扩大处理装置的适用范围,不仅可以处理常规水源,还可以适用于硬度、硫酸盐、氯化物超标的微污染地表水处理,苦咸地下水处理,受咸潮影响的地表水处理等,并通过模块化组合能有效降低建设和投资成本,减少占地。
附图说明
图1是本实用新型的装置整体结构示意图;
图2是本实用新型的磁介质混凝沉淀单元结构示意图;
图3为本实用新型的错流式过滤单元结构示意图;
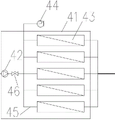
图4为本实用新型的纳滤单元示意图。
具体实施方式
下面结合附图对本实用新型的具体实施方式作进一步说明,本实施例不构成对本实用新型的限制。
如图1所示的一种磁混凝高品质饮用水处理集约化装置,包括集装箱体1,集装箱体1两端分别设置有总进水口11与总出水口12,集装箱体1内部由总进水口11至总出水口12依次设置有磁介质混凝沉淀单元2、错流式过滤单元3、纳滤单元4以及消毒单元5。
如图2所示,磁介质混凝沉淀单元2内依次包括混合区21、加载区22、絮凝区23及沉淀区24,总进水口11与混合区21底部通过管道连通,混合区21、加载区22与絮凝区23通过S型流道连通,絮凝区23上方通过管道与沉淀区24一端上方连通,混合区21、加载区22与絮凝区23内部均设置有电动搅拌机25,混合区21内投放混凝剂,加载区22内投放磁粉,絮凝区23内投放絮凝剂,沉淀区24底部设置有排泥口,排泥口孔径小于沉淀区24内部直径,沉淀区24内部中心处于排泥口上方设置有电动刮泥机26,沉淀区24上部设置有斜管27,沉淀区24的出水口设置于斜管27上方,通过以磁粉作为晶核,使污水中胶体颗粒与磁粉颗粒更容易碰撞脱稳而形成混凝絮体,大大提高了悬浮物的去除效率,混合区21、加载区22、絮凝区23内配合电动搅拌机25混合充分,混合有磁粉的絮体从上部自流进入沉淀区24,通过斜管27实现泥水分离,上清液通过出水口排入至错流式过滤单元3。
排泥口处设置有第一回流管28与加载区22连通,第一回流管28上设置有第一高压泵29,排泥口处还设置有排泥管210,排泥管210上安装有电磁阀门211,排泥管连接有磁分离机212,磁分离机212一端出口与外部污泥收集装置连接,另一端出口通过第二回流管213与加载区22连通,排泥口一部分直接直接与加载区22连通,另一部分产生的掺杂磁粉的污泥通过磁分离机212将磁粉与污泥分离,并将磁粉回收至加载区22内进行重复利用。
如图3所示,错流式过滤单元3至少设置有两组,错流式过滤单元3包括过滤壳体33与介质层32,介质层32设置于过滤壳体33内部,沉淀区24另一端上方则与过滤壳体33上方的进水口通过管道连通,错流过滤单元整体为撬装式结构,过滤壳体33内部于过滤壳体33的进水口下方设置有扩散器31,扩散器31整体为倒V型设置,采用扩散器31产生错流,可使一部分水沿介质层顶部平行流动来清扫介质层32表面,这种清扫动作,不断将沉积在介质层32顶部的杂质带走,从而实现高过滤流速,使过滤速度最高可比传统介质过滤器快5倍,而过滤精度能比传统介质过滤器提高10-50倍。
如图4所示,纳滤单元4包括机架41以及膜组件43,膜组件43设置有多组且相互并联设置于机架41内部,纳滤单元4的进水口通过多个分流管45与膜组件43连通,纳滤单元4的进水口与过滤壳体33下方的出水口通过管道连通,纳滤单元4的进水口处沿进水方向依次设置有第三高压泵42以及阀门46,纳滤单元4与分流管45连接处设置有监控仪表44,膜组件内43的膜孔径达到纳米级,材质为纤维素类或聚酰胺类或聚砜类或聚酯类,截留分子量约在200-1000D,兼有超滤和反渗透的优点,在高效去除水中有毒有害物质的同时,保留水中对人体有益的矿物元素,用于饮用水深度处理。
消毒单元5为二氧化氯协同消毒剂发生器,纳滤单元4的出水口与消毒单元5的进水口通过管道连通,消毒单元5的进水口与总出水口12通过管道连通,消毒单元5杀灭水中对人体健康有害的致病微生物,防止通过饮用水传播疾病,是生活饮用水安全、卫生的最后保障,二氧化氯协同消毒剂发生器通过电解盐水生成不同浓度的次酸钠溶液或二氧化氯气体,其制备过程仅需水、盐和电,该系统可按需求在现场生成次氯酸或二氧化氯气体,避免了由运输及储存环节带来的各种问题。
以上所述,仅是本实用新型的较佳实施例而已,不用于限制本实用新型,本领域技术人员可以在本实用新型的实质和保护范围内,对本实用新型做出各种修改或等同替换,这种修改或等同替换也应视为落在本实用新型技术方案的保护范围内。
Claims (7)
1.一种磁混凝高品质饮用水处理集约化装置,其特征在于,包括集装箱体,所述集装箱体两端分别设置有总进水口与总出水口,所述集装箱体内部由总进水口至总出水口依次设置有磁介质混凝沉淀单元、错流式过滤单元、纳滤单元以及消毒单元,所述磁介质混凝沉淀单元内依次包括混合区、加载区、絮凝区及沉淀区,所述总进水口与混合区底部通过管道连通,所述混合区、加载区与絮凝区通过S型流道连通,所述絮凝区上方通过管道与沉淀区一端上方连通,所述错流式过滤单元至少设置有两组,所述错流式过滤单元包括过滤壳体与介质层,所述介质层设置于过滤壳体内部,所述沉淀区另一端上方则与过滤壳体上方的进水口通过管道连通,所述纳滤单元包括机架以及膜组件,所述膜组件设置有多组且相互并联设置于机架内部,所述纳滤单元的进水口通过多个分流管与膜组件连通,所述纳滤单元的进水口与过滤壳体下方的出水口通过管道连通,所述消毒单元为二氧化氯协同消毒剂发生器,所述纳滤单元的出水口与二氧化氯协同消毒剂发生器的进水口通过管道连通,所述二氧化氯协同消毒剂发生器的进水口与总出水口通过管道连通。
2.根据权利要求1所述的一种磁混凝高品质饮用水处理集约化装置,其特征在于:所述混合区、加载区与絮凝区内部均设置有电动搅拌机,所述混合区内投放混凝剂,加载区内投放磁粉,絮凝区内投放絮凝剂。
3.根据权利要求1所述的一种磁混凝高品质饮用水处理集约化装置,其特征在于:所述沉淀区底部设置有排泥口,所述排泥口孔径小于沉淀区内部直径,所述沉淀区内部中心处于排泥口上方设置有电动刮泥机,所述沉淀区上部设置有斜管,所述沉淀区的出水口设置于斜管上方。
4.根据权利要求3所述的一种磁混凝高品质饮用水处理集约化装置,其特征在于:所述排泥口处设置有第一回流管与加载区连通,所述第一回流管上设置有第一高压泵。
5.根据权利要求3所述的一种磁混凝高品质饮用水处理集约化装置,其特征在于:所述排泥口处还设置有排泥管,所述排泥管上安装有电磁阀门,所述排泥管连接有磁分离机,所述磁分离机一端与外部污泥收集装置连接,另一端通过第二回流管与加载区连通。
6.根据权利要求1所述的一种磁混凝高品质饮用水处理集约化装置,其特征在于:所述错流式过滤单元整体为撬装式结构,所述过滤壳体内部于过滤壳体的进水口下方设置有扩散器,所述扩散器整体为倒V型设置。
7.根据权利要求1所述的一种磁混凝高品质饮用水处理集约化装置,其特征在于:所述纳滤单元的进水口处沿进水方向依次设置有第三高压泵以及阀门,所述纳滤单元与分流管连接处设置有监控仪表。
Priority Applications (1)
| Application Number | Priority Date | Filing Date | Title |
|---|---|---|---|
| CN202221281322.4U CN217709090U (zh) | 2022-05-26 | 2022-05-26 | 一种磁混凝高品质饮用水处理集约化装置 |
Applications Claiming Priority (1)
| Application Number | Priority Date | Filing Date | Title |
|---|---|---|---|
| CN202221281322.4U CN217709090U (zh) | 2022-05-26 | 2022-05-26 | 一种磁混凝高品质饮用水处理集约化装置 |
Publications (1)
| Publication Number | Publication Date |
|---|---|
| CN217709090U true CN217709090U (zh) | 2022-11-01 |
Family
ID=83797347
Family Applications (1)
| Application Number | Title | Priority Date | Filing Date |
|---|---|---|---|
| CN202221281322.4U Active CN217709090U (zh) | 2022-05-26 | 2022-05-26 | 一种磁混凝高品质饮用水处理集约化装置 |
Country Status (1)
| Country | Link |
|---|---|
| CN (1) | CN217709090U (zh) |
Cited By (1)
| Publication number | Priority date | Publication date | Assignee | Title |
|---|---|---|---|---|
| CN117446996A (zh) * | 2023-08-28 | 2024-01-26 | 江苏京源环保股份有限公司 | 一种一体化速沉废水处理系统及其处理方法 |
-
2022
- 2022-05-26 CN CN202221281322.4U patent/CN217709090U/zh active Active
Cited By (1)
| Publication number | Priority date | Publication date | Assignee | Title |
|---|---|---|---|---|
| CN117446996A (zh) * | 2023-08-28 | 2024-01-26 | 江苏京源环保股份有限公司 | 一种一体化速沉废水处理系统及其处理方法 |
Similar Documents
| Publication | Publication Date | Title |
|---|---|---|
| CN103739124B (zh) | 一种高效水处理装置及水处理方法 | |
| CN104108830B (zh) | 中水深度处理及回用系统 | |
| CN101580328A (zh) | 一种处理微污染地表水的方法及装置 | |
| CN101269903B (zh) | 炼油污水的进一步深度处理工艺及装置 | |
| CN111908656A (zh) | 一种一体化净水设备及其净水工艺 | |
| CN105645663A (zh) | 一种絮凝-逆流臭氧气浮-生物过滤的水处理组合方法及所用装置 | |
| CN115340217A (zh) | 原生态水处理系统及水处理工艺 | |
| CN212246585U (zh) | 反冲洗废水回流絮凝过滤装置 | |
| CN205442869U (zh) | 一种提高苦咸水产水回收率的苦咸水淡化系统 | |
| CN209974394U (zh) | 一种超级纳米气泡循环臭氧污水处理装置 | |
| CN213623614U (zh) | 一种用于高浊废水的陶瓷微滤膜处理系统 | |
| CN217709090U (zh) | 一种磁混凝高品质饮用水处理集约化装置 | |
| CN104261603B (zh) | 一种电混凝-电气浮/浸没式超滤集成化饮用水深度处理装置 | |
| CN218811117U (zh) | 一种高品质饮用水膜滤工艺系统 | |
| CN215906014U (zh) | 一种针对锅炉用水的化水处理装置 | |
| CN215559636U (zh) | 一种废水处理系统 | |
| CN201433151Y (zh) | 一种处理微污染地表水的装置 | |
| CN210764434U (zh) | 一种溶气气浮装置 | |
| CN209940665U (zh) | 一种自来水平板陶瓷超滤膜深度处理系统 | |
| CN104150702B (zh) | 垂直潜流人工湿地净化污水中水回用装置和处理方法 | |
| CN215559437U (zh) | 一种废水处理系统 | |
| CN109879495A (zh) | 一种地表水的水处理系统及水处理方法 | |
| CN116655172A (zh) | 一种基于反渗透的电力轻污废水处理系统及工艺 | |
| CN213388083U (zh) | 一种工业废水的净化处理装置 | |
| CN204897577U (zh) | 混凝处理和膜分离组合废水处理系统 |
Legal Events
| Date | Code | Title | Description |
|---|---|---|---|
| GR01 | Patent grant | ||
| GR01 | Patent grant |