CN216326474U - 一种高精度节能数控立车机床 - Google Patents
一种高精度节能数控立车机床 Download PDFInfo
- Publication number
- CN216326474U CN216326474U CN202122701695.4U CN202122701695U CN216326474U CN 216326474 U CN216326474 U CN 216326474U CN 202122701695 U CN202122701695 U CN 202122701695U CN 216326474 U CN216326474 U CN 216326474U
- Authority
- CN
- China
- Prior art keywords
- machine tool
- cavity
- numerical control
- wall
- base
- Prior art date
- Legal status (The legal status is an assumption and is not a legal conclusion. Google has not performed a legal analysis and makes no representation as to the accuracy of the status listed.)
- Active
Links
- 229910000831 Steel Inorganic materials 0.000 claims description 7
- 239000010959 steel Substances 0.000 claims description 7
- 244000309464 bull Species 0.000 claims description 3
- 230000007246 mechanism Effects 0.000 abstract description 3
- 238000009434 installation Methods 0.000 abstract 3
- 238000003780 insertion Methods 0.000 description 5
- 230000037431 insertion Effects 0.000 description 5
- 239000002184 metal Substances 0.000 description 2
- 238000010586 diagram Methods 0.000 description 1
- 238000005553 drilling Methods 0.000 description 1
- 230000000694 effects Effects 0.000 description 1
- 238000005516 engineering process Methods 0.000 description 1
- 238000004519 manufacturing process Methods 0.000 description 1
- 238000012986 modification Methods 0.000 description 1
- 230000004048 modification Effects 0.000 description 1
Images
Landscapes
- Turning (AREA)
Abstract
本实用新型公开了一种高精度节能数控立车机床,包括底座和机床本体,所述底座的一端设有空腔,所述空腔内转动连接有螺杆,所述螺杆上固定套接有第一齿轮,所述空腔内设有与第一齿轮相啮合的第二齿轮,所述第二齿轮和空腔的内壁通过转杆转动连接,所述转杆的一端贯穿空腔的内壁并固定连接有旋钮,所述底座的顶部设有滑槽,所述螺杆的一端贯穿空腔的内壁并向滑槽内延伸,所述螺杆位于滑槽内的一端螺纹套接有多个滑块,多个所述滑块的顶部通过安装板固定连接,所述安装板的顶部通过立柱与机床本体转动连接。本实用新型中通过多处调节机构的设置,使机床可以根据实际的需要进行自由调节,从而提升了机床的安装效率。
Description
技术领域
本实用新型涉及数控机床设备技术领域,尤其涉及一种高精度节能数控立车机床。
背景技术
车床主要用于加工各种回转表面,如内外圆柱面、圆锥面、回转成形面、环形槽、端面和螺纹,还可以进行钻孔、扩孔、铰孔、滚花等加工,由于大部分机器零件都具有回转表面,车床的通用性比较广泛。因此在机械技术制造厂中,应用更比较广泛,在金属切削机床中所占的比例更大,约占机床总数的20%-25%,其中现在专利“CN201820276843.8”中就提出了一种高精度节能数控立车机床。
但是现有专利中的高精度节能数控立车机床外部结构较为简单,机床的外部缺少一定的安装调节机构,从而影响机床的安装效率。
实用新型内容
本实用新型的目的是为了解决现有技术中高精度节能数控立车机床外部结构较为简单,机床的外部缺少一定安装调节机构的问题,而提出的一种高精度节能数控立车机床。
为了实现上述目的,本实用新型采用了如下技术方案:
一种高精度节能数控立车机床,包括底座和机床本体,所述底座的一端设有空腔,所述空腔内转动连接有螺杆,所述螺杆上固定套接有第一齿轮,所述空腔内设有与第一齿轮相啮合的第二齿轮,所述第二齿轮和空腔的内壁通过转杆转动连接,所述转杆的一端贯穿空腔的内壁并固定连接有旋钮,所述底座的顶部设有滑槽,所述螺杆的一端贯穿空腔的内壁并向滑槽内延伸,所述螺杆位于滑槽内的一端螺纹套接有多个滑块,多个所述滑块的顶部通过安装板固定连接,所述安装板的顶部通过立柱与机床本体转动连接,所述安装板的顶部设有安装槽,所述安装槽内固定连接有支撑杆,所述支撑杆上滑动套接有L型卡杆,所述立柱的外壁上环绕设有与L型卡杆对应的多个卡槽。
优选地,所述旋钮的一端滑动插设有插杆,所述底座的外壁上环绕设有与插杆对应的多个插槽,所述插杆靠近底座的一端固定套接有限位套。
优选地,所述底座的底部固定连接有多个锁紧块,所述锁紧块上设有锁紧口。
优选地,所述支撑杆上套设有弹簧,所述弹簧的两端分别与L型卡杆和安装槽内壁固定连接。
优选地,所述机床本体的底部固定连接有对称设置的多个导杆,所述安装板的顶部设有与导杆对应的环形滑轨。
优选地,所述导杆位于环形滑轨内的一端固定连接有导向块,所述环形滑轨内滑动连接有多个钢珠,所述钢珠的边缘与导向块相接触。
有益效果:
1.通过转动旋钮带动转杆转动,同时通过第一齿轮和第二齿轮之间的啮合作用,可以带动螺杆转动,从而通过滑块带动安装板移动,调节机床本体的水平位置,然后转动立柱,调节机床本体的方向,然后利用L型卡杆固定住立柱,本实用新型中通过多处调节机构的设置,使机床可以根据实际的需要进行自由调节,从而提升了机床的安装效率;
2.锁紧块的设置,可以方便对底座进行固定,同时插杆可以方便对旋钮进行固定,同时弹簧可以对L型卡杆起到一定弹性支撑,导杆和导向块的设置,可以防止机床本体的晃动。
附图说明
图1为本实用新型提出的一种高精度节能数控立车机床的结构示意图;
图2为本实用新型提出的一种高精度节能数控立车机床转杆处的侧视结构示意图;
图3为图1的A处结构示意图。
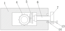
图中:1底座、2机床本体、3螺杆、4第一齿轮、5第二齿轮、 6转杆、7旋钮、8滑块、9安装板、10立柱、11支撑杆、12L型卡杆、13插杆、14限位套、15锁紧块、16弹簧、17导杆、18导向块、 19钢珠。
具体实施方式
下面将结合本实用新型实施例中的附图,对本实用新型实施例中的技术方案进行清楚、完整地描述,显然,所描述的实施例仅仅是本实用新型一部分实施例,而不是全部的实施例。
参照图1-3,一种高精度节能数控立车机床,包括底座1和机床本体2,底座1的底部固定连接有多个锁紧块15,锁紧块15上设有锁紧口,方便固定底座1,底座1的一端设有空腔,空腔内转动连接有螺杆3,用于带动滑块8左右滑动,螺杆3上固定套接有第一齿轮 4,空腔内设有与第一齿轮4相啮合的第二齿轮5,第二齿轮5和空腔的内壁通过转杆6转动连接,用于带动第一齿轮4转动,转杆6的一端贯穿空腔的内壁并固定连接有旋钮7,用于带动转杆6转动;
本实施例中,旋钮7的一端滑动插设有插杆13,方便固定旋钮7,底座1的外壁上环绕设有与插杆13对应的多个插槽,插杆13靠近底座1的一端固定套接有限位套14,防止插杆13从旋钮7上脱落,底座1的顶部设有滑槽,螺杆3的一端贯穿空腔的内壁并向滑槽内延伸,螺杆3位于滑槽内的一端螺纹套接有多个滑块8,多个滑块8的顶部通过安装板9固定连接,安装板9的顶部通过立柱10与机床本体2 转动连接,用于调节机床本体2的方向;
本实施例中,机床本体2的底部固定连接有对称设置的多个导杆 17,防止机床本体2晃动,安装板9的顶部设有与导杆17对应的环形滑轨,导杆17位于环形滑轨内的一端固定连接有导向块18,环形滑轨内滑动连接有多个钢珠19,钢珠19的边缘与导向块18相接触,减小导向块18与环形滑轨内壁之间的摩擦力;
本实施例中,安装板9的顶部设有安装槽,安装槽内固定连接有支撑杆11,用于支撑L型卡杆12,支撑杆11上滑动套接有L型卡杆 12,立柱10的外壁上环绕设有与L型卡杆12对应的多个卡槽,支撑杆11上套设有弹簧16,弹簧16的两端分别与L型卡杆12和安装槽内壁固定连接,对L型卡杆12起到一定弹性支撑。
本实施例中,通过转动旋钮7带动转杆6转动,同时通过第一齿轮4和第二齿轮5之间的啮合作用,可以带动螺杆3转动,从而通过滑块8带动安装板9移动,调节机床本体2的水平位置,然后转动立柱10,调节机床本体2的方向,然后利用L型卡杆12固定住立柱10。
本实施例中,锁紧块15的设置,可以方便对底座1进行固定,同时插杆13可以方便对旋钮7进行固定,同时弹簧16可以对L型卡杆12起到一定弹性支撑,导杆17和导向块18的设置,可以防止机床本体2的晃动。
以上所述,仅为本实用新型较佳的具体实施方式,但本实用新型的保护范围并不局限于此,任何熟悉本技术领域的技术人员在本实用新型揭露的技术范围内,根据本实用新型的技术方案及其实用新型构思加以等同替换或改变,都应涵盖在本实用新型的保护范围之内。
Claims (6)
1.一种高精度节能数控立车机床,包括底座(1)和机床本体(2),其特征在于:所述底座(1)的一端设有空腔,所述空腔内转动连接有螺杆(3),所述螺杆(3)上固定套接有第一齿轮(4),所述空腔内设有与第一齿轮(4)相啮合的第二齿轮(5),所述第二齿轮(5)和空腔的内壁通过转杆(6)转动连接,所述转杆(6)的一端贯穿空腔的内壁并固定连接有旋钮(7),所述底座(1)的顶部设有滑槽,所述螺杆(3)的一端贯穿空腔的内壁并向滑槽内延伸,所述螺杆(3)位于滑槽内的一端螺纹套接有多个滑块(8),多个所述滑块(8)的顶部通过安装板(9)固定连接,所述安装板(9)的顶部通过立柱(10)与机床本体(2)转动连接,所述安装板(9)的顶部设有安装槽,所述安装槽内固定连接有支撑杆(11),所述支撑杆(11)上滑动套接有L型卡杆(12),所述立柱(10)的外壁上环绕设有与L型卡杆(12)对应的多个卡槽。
2.根据权利要求1所述的一种高精度节能数控立车机床,其特征在于:所述旋钮(7)的一端滑动插设有插杆(13),所述底座(1)的外壁上环绕设有与插杆(13)对应的多个插槽,所述插杆(13)靠近底座(1)的一端固定套接有限位套(14)。
3.根据权利要求1所述的一种高精度节能数控立车机床,其特征在于:所述底座(1)的底部固定连接有多个锁紧块(15),所述锁紧块(15)上设有锁紧口。
4.根据权利要求1所述的一种高精度节能数控立车机床,其特征在于:所述支撑杆(11)上套设有弹簧(16),所述弹簧(16)的两端分别与L型卡杆(12)和安装槽内壁固定连接。
5.根据权利要求1所述的一种高精度节能数控立车机床,其特征在于:所述机床本体(2)的底部固定连接有对称设置的多个导杆(17),所述安装板(9)的顶部设有与导杆(17)对应的环形滑轨。
6.根据权利要求5所述的一种高精度节能数控立车机床,其特征在于:所述导杆(17)位于环形滑轨内的一端固定连接有导向块(18),所述环形滑轨内滑动连接有多个钢珠(19),所述钢珠(19)的边缘与导向块(18)相接触。
Priority Applications (1)
| Application Number | Priority Date | Filing Date | Title |
|---|---|---|---|
| CN202122701695.4U CN216326474U (zh) | 2021-11-06 | 2021-11-06 | 一种高精度节能数控立车机床 |
Applications Claiming Priority (1)
| Application Number | Priority Date | Filing Date | Title |
|---|---|---|---|
| CN202122701695.4U CN216326474U (zh) | 2021-11-06 | 2021-11-06 | 一种高精度节能数控立车机床 |
Publications (1)
| Publication Number | Publication Date |
|---|---|
| CN216326474U true CN216326474U (zh) | 2022-04-19 |
Family
ID=81134620
Family Applications (1)
| Application Number | Title | Priority Date | Filing Date |
|---|---|---|---|
| CN202122701695.4U Active CN216326474U (zh) | 2021-11-06 | 2021-11-06 | 一种高精度节能数控立车机床 |
Country Status (1)
| Country | Link |
|---|---|
| CN (1) | CN216326474U (zh) |
Cited By (2)
| Publication number | Priority date | Publication date | Assignee | Title |
|---|---|---|---|---|
| CN115359628A (zh) * | 2022-06-20 | 2022-11-18 | 西北大学 | 滑坡深部探测仪及滑坡深部预警系统 |
| US12322265B2 (en) * | 2022-06-20 | 2025-06-03 | Northwest University | Real-time landslide disaster monitoring and early warning system based on beidou positioning |
-
2021
- 2021-11-06 CN CN202122701695.4U patent/CN216326474U/zh active Active
Cited By (3)
| Publication number | Priority date | Publication date | Assignee | Title |
|---|---|---|---|---|
| CN115359628A (zh) * | 2022-06-20 | 2022-11-18 | 西北大学 | 滑坡深部探测仪及滑坡深部预警系统 |
| CN115359628B (zh) * | 2022-06-20 | 2023-08-22 | 西北大学 | 滑坡深部探测仪及滑坡深部预警系统 |
| US12322265B2 (en) * | 2022-06-20 | 2025-06-03 | Northwest University | Real-time landslide disaster monitoring and early warning system based on beidou positioning |
Similar Documents
| Publication | Publication Date | Title |
|---|---|---|
| CN216326474U (zh) | 一种高精度节能数控立车机床 | |
| CN216065656U (zh) | 一种机械加工用机械零件钻孔装置 | |
| CN213410454U (zh) | 一种阀门生产用钻孔辅助装置 | |
| CN114734271A (zh) | 一种具有多角度调节机构的钻床夹具 | |
| CN220093846U (zh) | 一种车削加工设备 | |
| CN210818628U (zh) | 一种数控机床长滚珠丝杠辅助支撑装置 | |
| CN210061612U (zh) | 一种建筑钻孔装置 | |
| CN211162882U (zh) | 一种轴承套圈数控机床 | |
| CN213289409U (zh) | 一种数控加工中心用可调节机座 | |
| CN114905303A (zh) | 多位数控机床用制造机械零件夹持设备 | |
| CN218694018U (zh) | 一种摇臂钻床用摇臂锁紧装置 | |
| CN209140454U (zh) | 一种用于数控车床的y轴动力头装置 | |
| CN215788139U (zh) | 一种方便加工的龙门加工中心床身 | |
| CN220050894U (zh) | 幕墙智能加工中心 | |
| CN220667216U (zh) | 一种方便安装的门把手 | |
| CN221047350U (zh) | 一种精准式定位钻孔装置 | |
| CN223573132U (zh) | 一种数控转台结构 | |
| CN222327331U (zh) | 一种数控钻床 | |
| CN221475659U (zh) | 一种用于陶瓷柱塞圆柱体表面扩孔的治具 | |
| CN216576415U (zh) | 一种方便安装的分切对角机 | |
| CN221135014U (zh) | 一种针对阀体表面的铣削装置 | |
| CN222844328U (zh) | 一种木制玩具加工用钻孔装置 | |
| CN214306325U (zh) | 一种便捷通用的仪表现场调试显示系统 | |
| CN217727863U (zh) | 一种新型多主轴立式数控机床 | |
| CN222810837U (zh) | 一种带有限位装置的中空注浆锚杆 |
Legal Events
| Date | Code | Title | Description |
|---|---|---|---|
| GR01 | Patent grant | ||
| GR01 | Patent grant |