CN211816858U - Reservoir suitable for arid area agricultural irrigation - Google Patents
Reservoir suitable for arid area agricultural irrigation Download PDFInfo
- Publication number
- CN211816858U CN211816858U CN202020182738.5U CN202020182738U CN211816858U CN 211816858 U CN211816858 U CN 211816858U CN 202020182738 U CN202020182738 U CN 202020182738U CN 211816858 U CN211816858 U CN 211816858U
- Authority
- CN
- China
- Prior art keywords
- pool
- pvc board
- agricultural irrigation
- water
- reservoir suitable
- Prior art date
- Legal status (The legal status is an assumption and is not a legal conclusion. Google has not performed a legal analysis and makes no representation as to the accuracy of the status listed.)
- Expired - Fee Related
Links
Images
Landscapes
- Sewage (AREA)
Abstract
本实用新型公开了一种适用于干旱区农业灌溉的蓄水池,包括池壁、池底、PVC板、支架和木块,所述池壁下端设置有池底,且池壁内表面和池底设置防水卷材通过树脂粘合剂相连接,所述池壁两侧设置有排水口和排污口,且排水口的正下方设置有U形槽,所述2侧池壁顶端均设置有支架,所述支架上设置有旋转轴,且旋转轴上端设置有固定杆。该适用于干旱区农业灌溉的蓄水池顶部安装轻质PVC板材,通过连接木块,利用简单的浮力原理,可以发挥多重作用,当蓄水池水位低于高水位时,PVC板自动打开呈V型,扩大集水面积,使得集水效率大大提升;集水完成后,PVC板水平闭合后既可以防止杂物落入污染水体,又能消除安全隐患。
The utility model discloses a water reservoir suitable for agricultural irrigation in arid areas, comprising a pool wall, a pool bottom, a PVC board, a bracket and a wooden block. The bottom end of the pool wall is provided with a pool bottom, and the inner surface of the pool wall and the pool The bottom is provided with waterproof coiled materials and connected by resin adhesive, the two sides of the pool wall are provided with a water outlet and a sewage outlet, and a U-shaped groove is provided directly below the water outlet, and the tops of the two side pool walls are provided with brackets , a rotating shaft is arranged on the support, and a fixing rod is arranged on the upper end of the rotating shaft. The light-weight PVC board is installed on the top of the reservoir suitable for agricultural irrigation in arid areas. By connecting wooden blocks and using the simple buoyancy principle, it can play multiple roles. When the water level of the reservoir is lower than the high water level, the PVC board automatically opens to show V-shaped, expands the water collection area, which greatly improves the water collection efficiency; after the water collection is completed, the horizontal closure of the PVC board can not only prevent debris from falling into the polluted water body, but also eliminate potential safety hazards.
Description
技术领域technical field
本实用新型属于蓄水池技术领域,具体为一种适用于干旱区农业灌溉的蓄水池。The utility model belongs to the technical field of water storage tanks, in particular to a water storage tank suitable for agricultural irrigation in arid areas.
背景技术Background technique
蓄水池是蓄积雨水的一项重要工程设施,作为一种成本低廉的节水系统,可以有效的缓解水资源的短缺。在干旱、半干旱地区,蓄水池对农业生产尤其重要,一般利用下雨积蓄雨水以备后期灌溉使用。目前,为了方便农业灌溉作业,农民一般会占用耕地修建蓄水池,从而挤压土地资源的生产空间。农用蓄水池一般采用砖混结构,砌筑露天式的圆柱体或者棱柱体的蓄水池,其结构单一,仅有蓄水功能,防渗处理粗糙,且在地面沉降和热胀冷缩的过程中容易出现裂缝漏水以及池壁和池底的接缝处漏水。露天的蓄水池容易落入杂物在池底形成沉淀使得水质变差,同时,水体蒸发造成浪费,也威胁到人和动物的安全。以上问题都限制了蓄水池功能的发挥,对于以上的问题,本发明开发了一种集水高效,取水方便,防渗防漏,可以防止污染的蓄水池。Reservoir is an important engineering facility for storing rainwater. As a low-cost water-saving system, it can effectively alleviate the shortage of water resources. In arid and semi-arid areas, reservoirs are especially important for agricultural production, and rainwater is generally used to store rainwater for later irrigation. At present, in order to facilitate agricultural irrigation operations, farmers generally occupy cultivated land to build reservoirs, thereby squeezing the production space of land resources. The agricultural reservoir generally adopts a brick-concrete structure, and is built as an open-air cylinder or prismatic reservoir. Cracks and leaks are prone to occur during the process, as well as water leakage at the joints between the pool wall and the pool bottom. The open-air cistern is easy to fall into the sundries to form sediment at the bottom of the pond, which makes the water quality worse. The above problems all limit the function of the reservoir. For the above problems, the present invention develops a reservoir with high water collection efficiency, convenient water intake, anti-seepage and anti-leakage, and can prevent pollution.
发明内容SUMMARY OF THE INVENTION
针对现有技术存在的上述问题,本实用新型所要解决的技术问题在于提供一种适用于干旱区农业灌溉的蓄水池,以解决目前的一些蓄水池蓄水效果不好,取水不便,容易渗漏的问题。In view of the above-mentioned problems existing in the prior art, the technical problem to be solved by this utility model is to provide a reservoir suitable for agricultural irrigation in arid areas, so as to solve the problem that some current reservoirs have poor water storage effect, inconvenient water intake, and easy access to water. leakage problem.
为了解决上述技术问题,本实用新型采用的技术方案为:In order to solve the above-mentioned technical problems, the technical scheme adopted by the present utility model is:
一种适用于干旱区农业灌溉的蓄水池,包括池壁、池底、PVC板、支架和木块,所述池壁下端设置有池底,所述池壁两侧设置有排水口和排污口,且排水口的正下方设置有U形槽,所述2侧池壁顶端均设置有支架,所述支架上设置有旋转轴,且旋转轴上端设置有固定杆,所述固定杆设置在PVC板的下端面,所述PVC板的内端下侧设置有绳子,且绳子的另一端连接有木块。A reservoir suitable for agricultural irrigation in arid areas, comprising a pool wall, a pool bottom, a PVC board, a bracket and a wooden block, the bottom end of the pool wall is provided with a pool bottom, and both sides of the pool wall are provided with drains and sewage A U-shaped groove is arranged directly below the drain outlet, a bracket is arranged on the top of the two side pool walls, a rotating shaft is arranged on the bracket, and a fixing rod is arranged on the upper end of the rotating shaft, and the fixing pole is arranged on the On the lower end surface of the PVC board, a rope is arranged on the lower side of the inner end of the PVC board, and the other end of the rope is connected with a wooden block.
进一步的,所述池壁和池底的内表面均设置有防水卷材。Further, the inner surfaces of the pool wall and the pool bottom are provided with waterproof membranes.
进一步的,所述池底内端面与水平面形成15-30°夹角。Further, the inner end face of the pool bottom forms an included angle of 15-30° with the horizontal plane.
进一步的,所述排水口设置在池底高处,排污口设置在池底低处,且排水口与排污口上均设置有阀门。Further, the water outlet is arranged at a high position at the bottom of the pool, the sewage outlet is arranged at a low position at the bottom of the pool, and both the water outlet and the sewage outlet are provided with valves.
进一步的,所述支架包括底边和支撑边,且支撑边设置有PVC板,支撑边与PVC板不连接,且支撑边的高度与固定杆和旋转轴的整体高度一致。Further, the bracket includes a bottom edge and a support edge, and the support edge is provided with a PVC board, the support edge is not connected with the PVC board, and the height of the support edge is consistent with the overall height of the fixed rod and the rotating shaft.
进一步的,所述PVC板通过固定杆和旋转轴与支架构成旋转结构。Further, the PVC board forms a rotating structure through a fixed rod, a rotating shaft and a bracket.
进一步的,所述固定杆内侧的PVC板的长度小于支撑边外侧的PVC板的长度。Further, the length of the PVC board on the inner side of the fixing rod is smaller than the length of the PVC board on the outer side of the supporting edge.
进一步的,所述两个支架的上的两个PVC板处于同一水平面时,两个PVC 板之间匹配。Further, when the two PVC boards on the two brackets are at the same level, the two PVC boards are matched.
有益效果:与现有技术相比,本申请具有以下优势:Beneficial effects: Compared with the prior art, the present application has the following advantages:
该适用于干旱区农业灌溉的蓄水池顶部安装轻质PVC板材,通过连接木块,利用简单的浮力原理,可以发挥多重作用,当蓄水池水位低于高水位时, PVC板自动打开呈V型,扩大集水面积,使得集水效率大大提升;集水完成后,PVC板自动水平闭合后既可以防止杂物落入污染水体,又能消除安全隐患。The light-weight PVC board is installed on the top of the reservoir suitable for agricultural irrigation in arid areas. By connecting wooden blocks and using the simple buoyancy principle, it can play multiple roles. When the water level of the reservoir is lower than the high water level, the PVC board automatically opens to show V-shaped, expands the water collection area, which greatly improves the water collection efficiency; after the water collection is completed, the PVC board automatically closes horizontally, which can not only prevent sundries from falling into the polluted water body, but also eliminate potential safety hazards.
(2)蓄水池池壁设置排水口和排污口,安装阀门,取水便捷,出水口下方放置U形槽,避免取水时直接滴溅到地面造成水土流失。(2) The water outlet and sewage outlet are installed on the wall of the reservoir, and valves are installed to facilitate water intake. A U-shaped groove is placed under the water outlet to avoid water and soil loss caused by direct dripping on the ground when water is drawn.
(3)蓄水池池底呈坡面,坡度为15-30°,可以将污染物沉淀在池底最低处,利用排污口,直接将杂质等冲刷出来。冬季时,打开排污口可迅速排空蓄水,防止结冰冻裂池体。(3) The bottom of the reservoir is sloping with a slope of 15-30°, which can deposit pollutants at the lowest part of the bottom of the pool, and use the sewage outlet to directly wash out impurities. In winter, opening the sewage outlet can quickly empty the water storage to prevent freezing and cracking of the pool body.
(4)蓄水池池壁和池底均铺设防水卷材,池底和池壁的接缝处用树脂粘合剂将防水卷材进行填缝处理,能够防漏防渗。(4) Waterproof membranes are laid on the pool wall and bottom of the reservoir, and the joints between the pool bottom and the pool wall are filled with resin adhesive to prevent leakage and seepage.
(5)蓄水池顶部安装的PVC板的倾斜角度,可以观测蓄水池水位是否处于蓄满状态,且蓄满后可以阻断蓄水过程,防止蓄满后从池壁四散溢出冲刷地面。(5) The inclination angle of the PVC board installed on the top of the reservoir can observe whether the water level of the reservoir is full, and the water storage process can be blocked after full storage, preventing overflow from the pool wall and scouring the ground after full storage.
附图说明Description of drawings
图1是适用于干旱区农业灌溉的蓄水池结构示意图;Figure 1 is a schematic diagram of the structure of a reservoir suitable for agricultural irrigation in arid areas;
图2是适用于干旱区农业灌溉的蓄水池俯视图。Figure 2 is a top view of a reservoir suitable for agricultural irrigation in arid areas.
具体实施方式Detailed ways
下面结合附图对本实用新型做进一步的说明。The utility model will be further described below in conjunction with the accompanying drawings.
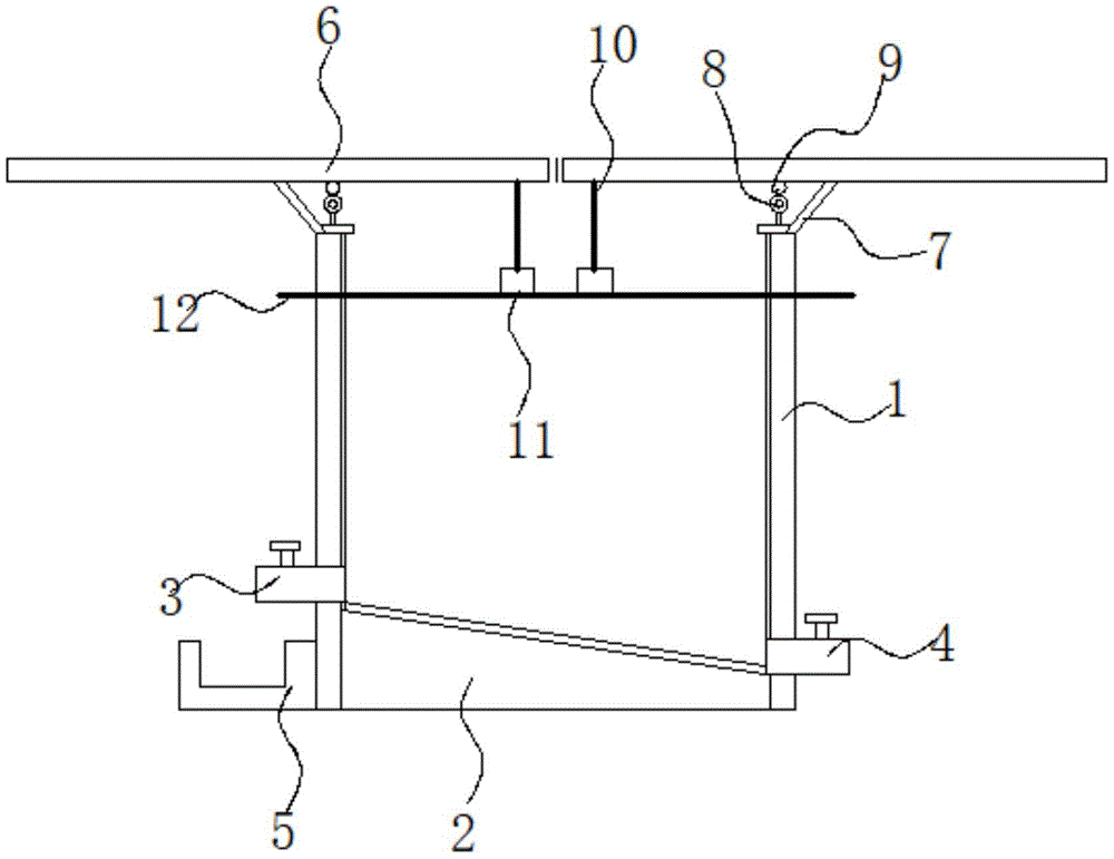
如图1、图2所示,本申请的适用于干旱区农业灌溉的蓄水池,包括池壁1、池底2、PVC板6、支架7和木块11,池壁1下端设置有池底2,防止水渗漏,池壁1两侧设置有排水口3和排污口4,且排水口3的正下方设置有U形槽5,蓄水池池壁1设置排水口3,安装阀门,取水便捷,出水口下方放置U形槽5,避免取水时直接低溅到地面造成水土流失,2侧池壁1顶端均设置有支架 7,池壁1与支架7为固定连接,提高连接强度,防止破裂损坏,支架7上通过连接杆旋转轴8,且旋转轴8上端设置有固定杆9,固定杆9设置在PVC板6的下端面,固定杆9与PVC板6为固定连接,防止PVC板6松动,PVC板6的内端下侧设置有绳子10,且绳子10的另一端连接有木块11,利用简单的浮力原理,可以发挥多重作用,当蓄水池水位低于高水位12时,PVC板6自动打开呈 V型,扩大集水面积,使得集水效率大大提升;集水完成后,PVC板6水平闭合后既可以防止杂物落入污染水体,又能消除安全隐患。As shown in Figures 1 and 2, the reservoir suitable for agricultural irrigation in arid areas of the present application includes a pool wall 1, a
池壁1和池底2的内表面均设置有防水卷材,能够防漏防渗。The inner surfaces of the pool wall 1 and the
池底2内端面与水平面形成15-30°夹角,可以将污染物沉淀在池底最低处,利用排污口4,直接将杂质等冲刷出来,冬季时,打开排污口4可迅速排空蓄水,防止结冰冻裂池体。The inner end face of the
排水口3设置在池底2高处,排污口4设置在池底1低处,且排水口3与排污口4上均设置有阀门,提高整体的利用效率。The water outlet 3 is arranged at the height of the
支架7包括底边和支撑边,且支撑边设置有PVC板6,支撑边与PVC板6不连接,只提供一个支撑的作用,且支撑边的高度与固定杆9和旋转轴8的整体高度一致,能够使PVC板6处于水平状态。The bracket 7 includes a bottom edge and a support edge, and the support edge is provided with a
PVC板6通过固定杆9和旋转轴8与支架7构成旋转结构,当蓄水池水位低于高水位12时,PVC板6自动旋转,打开呈V型,扩大集水面积,使得集水效率大大提升;集水完成后,PVC板6旋转,水平闭合后既可以防止杂物落入污染水体,又能消除安全隐患。The
固定杆9PVC板6的长度小于支撑边外侧的PVC板6的长度,将PVC板6 通过尼龙扎带固定在固定杆9,外侧的PVC板6的长度是内侧的1.2-1.5倍,自然状态下PVC板6外侧的重量小于内测的PVC板6加上木块的重量。The length of the
两个支架7的上的两个PVC板6处于同一水平面时,两个PVC板6之间匹配,集水完成后,PVC板6水平闭合后既可以防止杂物落入污染水体,又能消除安全隐患。When the two
当蓄水池内水位处于如图1的高水位12时,木块11浮于水面,不产生对 PVC板6向下的拉力。此时,PVC板6由于自重和支架7的支撑作用下呈水平状态覆盖于池体顶部,能够防止树叶、垃圾等杂质落入池内污染水体;解决池顶裸露的安全隐患;同时由于遮盖,可以避免水池蓄满后水从池壁溢出冲刷墙体和地面。When the water level in the reservoir is at the
当蓄水池内水位低于高水位12时,木块11由于自重对PVC板6产生向下的拉力,随着水位的下降PVC板6向池内倾斜。当水位继续下降时,PVC板6 维持一定的角度开始集水,此时的集水面积远大于池体的占地面积,集水效率大大提升。当池内水位上升到高水位12时,木块11向下的拉力消失,PVC板6 继续呈水平状覆盖于蓄水池顶部阻断蓄水过程,发挥防护效果。When the water level in the reservoir is lower than the
本实用新型提供了一种适用于干旱区农业灌溉的蓄水池的思路及实施方法,具体应用途径很多,以上仅是本实用新型的优选实施方式,应当指出,对于本技术领域的普通技术人员来说,在不脱离本实用新型原理的前提下,还可以做出若干改进,这些改进也应视为本实用新型的保护范围。The present utility model provides an idea and an implementation method for a reservoir suitable for agricultural irrigation in arid areas. There are many specific application ways. The above are only the preferred embodiments of the present utility model. In other words, some improvements can be made without departing from the principles of the present invention, and these improvements should also be regarded as the protection scope of the present invention.
Claims (8)
Priority Applications (1)
| Application Number | Priority Date | Filing Date | Title |
|---|---|---|---|
| CN202020182738.5U CN211816858U (en) | 2020-02-18 | 2020-02-18 | Reservoir suitable for arid area agricultural irrigation |
Applications Claiming Priority (1)
| Application Number | Priority Date | Filing Date | Title |
|---|---|---|---|
| CN202020182738.5U CN211816858U (en) | 2020-02-18 | 2020-02-18 | Reservoir suitable for arid area agricultural irrigation |
Publications (1)
| Publication Number | Publication Date |
|---|---|
| CN211816858U true CN211816858U (en) | 2020-10-30 |
Family
ID=72998077
Family Applications (1)
| Application Number | Title | Priority Date | Filing Date |
|---|---|---|---|
| CN202020182738.5U Expired - Fee Related CN211816858U (en) | 2020-02-18 | 2020-02-18 | Reservoir suitable for arid area agricultural irrigation |
Country Status (1)
| Country | Link |
|---|---|
| CN (1) | CN211816858U (en) |
-
2020
- 2020-02-18 CN CN202020182738.5U patent/CN211816858U/en not_active Expired - Fee Related
Similar Documents
| Publication | Publication Date | Title |
|---|---|---|
| CN209732082U (en) | Urban road green belt convenient to drainage | |
| CN210406497U (en) | Afforestation rainwater retaining irrigation equipment | |
| CN114134973B (en) | A water collection and purification device for sunken green belts on municipal roads | |
| CN218786898U (en) | Sponge city oozes row structure | |
| CN210226354U (en) | A ooze drainage structures for house roof view | |
| CN209429194U (en) | Rainwater recycling system based on clean energy | |
| CN101625817A (en) | Billboard rainwater collector | |
| CN211816858U (en) | Reservoir suitable for arid area agricultural irrigation | |
| CN110905063A (en) | Waterway system of sponge city | |
| CN106400933A (en) | Roof rainwater source regulating device based on sponge city concept and running method | |
| CN102106245B (en) | An automatic greening watering device for rainwater wastewater | |
| CN206706948U (en) | A kind of rain processing system of urban green space | |
| CN112081227A (en) | Construction rainfall drainage structures | |
| CN210367318U (en) | Oil-separating sand-settling device for sewage of villages and towns | |
| CN211973793U (en) | a landscape reservoir | |
| CN214272498U (en) | House building construction greening wall | |
| CN218779803U (en) | Environmental protection building engineering waterproofing mechanism | |
| CN207553195U (en) | A kind of hydrocone type rain water collecting system | |
| CN211964768U (en) | An automatic watering landscape pool | |
| CN201162242Y (en) | Stationary water storage device for rainwater collection | |
| CN215926500U (en) | Roof capable of collecting rainwater for utilization based on commercial complex energy-saving and environment-friendly manner | |
| CN213540651U (en) | Blast hole drainage device for open-air deep hole blasting | |
| CN206337632U (en) | Disposal pool | |
| CN218713700U (en) | Ecological tree pool retaining irrigation structure | |
| CN215857982U (en) | Rainwater comprehensive utilization system for old residential area |
Legal Events
| Date | Code | Title | Description |
|---|---|---|---|
| GR01 | Patent grant | ||
| GR01 | Patent grant | ||
| EE01 | Entry into force of recordation of patent licensing contract |
Assignee: Anhui Qinzhi ecological Consulting Co.,Ltd. Assignor: NANJING FORESTRY University Contract record no.: X2020980009254 Denomination of utility model: A reservoir suitable for agricultural irrigation in arid area Granted publication date: 20201030 License type: Common License Record date: 20201214 |
|
| EE01 | Entry into force of recordation of patent licensing contract | ||
| EE01 | Entry into force of recordation of patent licensing contract |
Assignee: Shandong Yinghe water Co.,Ltd. Assignor: NANJING FORESTRY University Contract record no.: X2020980009503 Denomination of utility model: A reservoir suitable for agricultural irrigation in arid area Granted publication date: 20201030 License type: Common License Record date: 20201217 |
|
| EE01 | Entry into force of recordation of patent licensing contract | ||
| EE01 | Entry into force of recordation of patent licensing contract |
Assignee: Nanjing Harmonious Ecological Engineering Technology Co.,Ltd. Assignor: NANJING FORESTRY University Contract record no.: X2020980009643 Denomination of utility model: A reservoir suitable for agricultural irrigation in arid area Granted publication date: 20201030 License type: Common License Record date: 20201221 |
|
| EE01 | Entry into force of recordation of patent licensing contract | ||
| CF01 | Termination of patent right due to non-payment of annual fee |
Granted publication date: 20201030 Termination date: 20220218 |
|
| CF01 | Termination of patent right due to non-payment of annual fee |
