CN211304841U - Bidirectional drilling machine - Google Patents
Bidirectional drilling machine Download PDFInfo
- Publication number
- CN211304841U CN211304841U CN202020014890.2U CN202020014890U CN211304841U CN 211304841 U CN211304841 U CN 211304841U CN 202020014890 U CN202020014890 U CN 202020014890U CN 211304841 U CN211304841 U CN 211304841U
- Authority
- CN
- China
- Prior art keywords
- seat
- workpiece
- clamping
- drilling machine
- base
- Prior art date
- Legal status (The legal status is an assumption and is not a legal conclusion. Google has not performed a legal analysis and makes no representation as to the accuracy of the status listed.)
- Active
Links
Images
Landscapes
- Drilling And Boring (AREA)
Abstract
本实用新型涉及一种双向钻孔机,包括机架和设置于机架上的工件夹具、第一转轴组件、第二转轴组件和压紧装置,第一转轴组件包括设置在工件夹具前侧的卧式转轴座,卧式转轴座上设置有由电机驱动的卧式动力头,第二转轴组件包括设置在工件夹具上方的立式转轴座,立式转轴座上设置有由电机驱动的立式动力头,压紧装置设置在工件夹具的右侧;通过第一转轴组件和第二转轴组件能同时完成工件竖直面和水平面上的钻孔攻牙加工,生产效率高,节省操作人员,占用场地小,降低生产成本。
The utility model relates to a bidirectional drilling machine, comprising a frame, a workpiece fixture arranged on the frame, a first rotating shaft assembly, a second rotating shaft assembly and a pressing device. The first rotating shaft assembly comprises a The horizontal rotary shaft seat is provided with a horizontal power head driven by a motor, the second rotary shaft assembly includes a vertical rotary shaft seat arranged above the workpiece fixture, and a vertical rotary shaft seat driven by a motor is arranged on the vertical rotary shaft seat The power head and the pressing device are arranged on the right side of the workpiece fixture; the first rotating shaft assembly and the second rotating shaft assembly can simultaneously complete the drilling and tapping processing on the vertical and horizontal surfaces of the workpiece, with high production efficiency, saving operators and occupying The site is small and the production cost is reduced.
Description
技术领域technical field
本实用新型涉及五金加工机械,具体涉及一种双向钻孔机。The utility model relates to a hardware processing machine, in particular to a bidirectional drilling machine.
背景技术Background technique
一般五金工件上有多个孔需要钻、铰或攻丝加工,这些孔有竖直轴线的,还有水平轴线的,而水平轴线的孔纵横布置,需要从多个侧面进行加工,这就使得在加工通机缸头孔时,往往使用多台钻孔设备才能完成。其中,需要使用一台立式多轴钻床对缸头上平面的多个纵轴线孔进行加工,而缸头多个侧面的水平轴线孔,至少需要两台卧式多轴钻床来分别完成。这样就需要多人操作多台设备,不但加工工序长,生产效率不高,还因操作人员多,浪费生产场地而使得加工成本居高不下。Generally, there are many holes on the hardware workpiece that need to be drilled, reamed or tapped. These holes have vertical axes and horizontal axes, and the holes on the horizontal axis are arranged vertically and horizontally and need to be processed from multiple sides, which makes When processing through-machine cylinder head holes, multiple drilling equipments are often used to complete. Among them, a vertical multi-axis drilling machine needs to be used to process multiple longitudinal axis holes on the upper plane of the cylinder head, and at least two horizontal multi-axis drilling machines are required to complete the horizontal axis holes on the multiple sides of the cylinder head respectively. In this way, multiple people are required to operate multiple equipments. Not only the processing procedure is long and the production efficiency is not high, but also the processing cost remains high due to the large number of operators and waste of production sites.
实用新型内容Utility model content
本实用新型的目的是提供提供一种双向钻孔机,通过第一转轴组件和第二转轴组件能同时完成工件竖直面和水平面上的钻孔攻牙加工,生产效率高,节省操作人员,占用场地小,降低生产成本。The purpose of the utility model is to provide a bidirectional drilling machine, which can simultaneously complete the drilling and tapping processing on the vertical surface and the horizontal surface of the workpiece through the first rotating shaft assembly and the second rotating shaft assembly, with high production efficiency and saving operators. Occupy small space, reduce production costs.
本实用新型的目的可以通过如下所述技术方案来实现。The purpose of the present invention can be achieved through the following technical solutions.
一种双向钻孔机,包括机架和设置于机架上的工件夹具、第一转轴组件、第二转轴组件和压紧装置,第一转轴组件包括设置在工件夹具前侧的卧式转轴座,卧式转轴座上设置有由电机驱动的卧式动力头,第二转轴组件包括设置在工件夹具上方的立式转轴座,立式转轴座上设置有由电机驱动的立式动力头,压紧装置设置在工件夹具的右侧。A bidirectional drilling machine, comprising a frame and a workpiece fixture arranged on the frame, a first rotating shaft assembly, a second rotating shaft assembly and a pressing device, the first rotating shaft assembly comprising a horizontal rotating shaft seat arranged on the front side of the workpiece fixture , the horizontal rotary shaft seat is provided with a horizontal power head driven by a motor, the second rotary shaft assembly includes a vertical rotary shaft seat arranged above the workpiece fixture, and the vertical rotary shaft seat is provided with a vertical power head driven by a motor. The tightening device is located on the right side of the workpiece holder.
优选的,工件夹具包括夹具底座,夹具底座上靠近压紧装置的一端设置有定位板,定位板的端部设有与工件配合的第一定位块和第二定位块,夹具底座上设置有横向贯穿定位板的定位销,定位销的一端与定位板上竖直开设的腰形孔插套配合,定位销的另一端与第二气缸连接。Preferably, the workpiece fixture includes a fixture base, a positioning plate is provided on the end of the fixture base close to the pressing device, an end of the positioning plate is provided with a first positioning block and a second positioning block that cooperate with the workpiece, and a transverse direction is provided on the fixture base. The locating pin penetrates through the locating plate, one end of the locating pin is fitted with the waist-shaped hole vertically opened on the locating plate, and the other end of the locating pin is connected with the second cylinder.
优选的,第一定位块与第二定位块之间开设有排屑槽。Preferably, a chip removal groove is formed between the first positioning block and the second positioning block.
优选的,第二气缸的底部固定连接有升降座,升降座的底部与固定在夹具底座上的顶起气缸连接,夹具底座上位于升降座的两端设置有限位板。Preferably, a lift seat is fixedly connected to the bottom of the second cylinder, the bottom of the lift seat is connected to a jack-up cylinder fixed on the fixture base, and limit plates are provided on the fixture base at both ends of the lift seat.
优选的,定位板的上方设置有压杆,压杆的一端与工件上端面配合,压杆的另一端与第一气缸的输出端铰接配合。Preferably, a pressing rod is arranged above the positioning plate, one end of the pressing rod is matched with the upper end surface of the workpiece, and the other end of the pressing rod is hingedly matched with the output end of the first cylinder.
优选的,压紧装置包括夹紧底座,夹紧底座上靠近定位板的一端设置有夹紧固定座,夹紧固定座上靠近定位板的一侧浮动设置有夹板,夹板上连接有与定位板插套配合的顶杆,顶杆上套设有弹簧,且顶杆的一端设置有滚轮,夹紧底座上靠近滚轮的一侧设置有相互配合的滑轨座和滑轨,滑轨上滑动设置有与滚轮配合的滑块,滚轮与滑块上的斜面滚动配合,滑块的一端与设置在滑轨座上的第三气缸连接。Preferably, the pressing device includes a clamping base, one end of the clamping base close to the positioning plate is provided with a clamping fixing base, a side of the clamping fixing base close to the positioning plate is floated with a clamping plate, and the clamping plate is connected with the positioning plate The ejector rod is inserted into the sleeve, the ejector rod is sleeved with a spring, and one end of the ejector rod is provided with a roller, and the side of the clamping base close to the roller is provided with a sliding rail seat and a sliding rail that cooperate with each other, and the sliding rail is slidably arranged There is a slider matched with the roller, the roller is in rolling fit with the inclined surface on the slider, and one end of the slider is connected with the third cylinder arranged on the slide rail seat.
优选的,夹紧固定座上位于夹板的两端设置有高压气嘴。Preferably, high-pressure air nozzles are provided on the clamping and fixing base at both ends of the clamping plate.
与现有技术比,本实用新型的有益效果:通过第一转轴组件和第二转轴组件能同时完成工件竖直面和水平面上的钻孔攻牙加工,生产效率高,节省操作人员,占用场地小,降低生产成本。Compared with the prior art, the beneficial effect of the present invention is that the first rotating shaft assembly and the second rotating shaft assembly can simultaneously complete the drilling and tapping processing on the vertical plane and the horizontal plane of the workpiece, the production efficiency is high, the operator is saved, and the space is occupied. Small, reduce production costs.
附图说明Description of drawings
图1为本实用新型结构示意图。Figure 1 is a schematic structural diagram of the utility model.
图2为本实用新型工件夹具的结构示意图。FIG. 2 is a schematic structural diagram of a workpiece fixture of the present invention.
图3为本实用新型压紧装置的结构示意图。FIG. 3 is a schematic structural diagram of the pressing device of the present invention.
图4为本实用新型的另一结构示意图。FIG. 4 is another structural schematic diagram of the present invention.
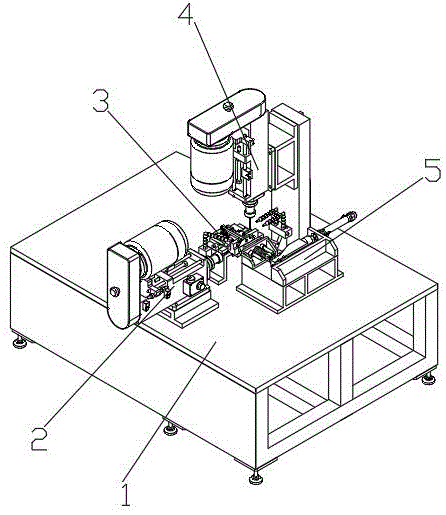
图中所示标号表示为:1、机架;2、第一转轴组件;3、工件夹具;4、第二转轴组件;5、压紧装置;6、夹具底座;7、定位板;8、第二定位块;9、排屑槽;10、第一定位块;11、定位销;12、工件;13、压杆;14、第二气缸;15、第一气缸;16、升降座;17、限位板;18、夹紧底座;19、弹簧;20、高压气嘴;21、夹紧固定座;22、夹板;23、导向杆;24、第三气缸;25、滑轨座;26、滑块;27、顶杆;28、滚轮;29、滑轨。The symbols shown in the figure are: 1, frame; 2, first shaft assembly; 3, workpiece fixture; 4, second shaft assembly; 5, pressing device; 6, fixture base; 7, positioning plate; 8, The second positioning block; 9, the chip flute; 10, the first positioning block; 11, the positioning pin; 12, the workpiece; 13, the pressure rod; 14, the second cylinder; 15, the first cylinder; 16, the lifting seat; 17 , limit plate; 18, clamping base; 19, spring; 20, high pressure air nozzle; 21, clamping fixed seat; 22, splint; 23, guide rod; 24, third cylinder; 25, slide rail seat; 26 , slider; 27, ejector rod; 28, roller; 29, slide rail.
具体实施方式Detailed ways
下面将结合具体实施例,对本实用新型的技术方案进行清楚、完整的描述,显然,所描述的实施例仅仅是本实用新型一部分实施例,而不是全部的实施例。基于本实用新型中的实施例,本领域普通的技术人员在没有做出创造性劳动的前提下所获得的所有其它实施例,都属于本实用新型的保护范围。The technical solutions of the present invention will be clearly and completely described below with reference to specific embodiments. Obviously, the described embodiments are only a part of the embodiments of the present invention, rather than all the embodiments. Based on the embodiments of the present invention, all other embodiments obtained by those of ordinary skill in the art without creative work fall within the protection scope of the present invention.
如图1至图4所示,本实用新型的结构为:一种双向钻孔机,包括机架1和设置于机架1上的工件夹具3、第一转轴组件2、第二转轴组件4和压紧装置5,第一转轴组件2包括设置在工件夹具3前侧的卧式转轴座,卧式转轴座上设置有由电机驱动的卧式动力头,第二转轴组件4包括设置在工件夹具3上方的立式转轴座,立式转轴座上设置有由电机驱动的立式动力头,压紧装置5设置在工件夹具3的右侧,通过工件夹具3在竖直方向定位工件12,并通过压紧装置5将工件12横向压紧,然后通过第一转轴组件2和第二转轴组件4能同时完成工件竖直面和水平面上的钻孔攻牙加工,生产效率高,节省操作人员,占用场地小,降低生产成本。As shown in Figures 1 to 4, the structure of the present invention is: a bidirectional drilling machine, comprising a frame 1, a workpiece fixture 3 arranged on the frame 1, a first rotating shaft assembly 2, and a second rotating
如图2所示,工件夹具3包括夹具底座6,夹具底座6上靠近压紧装置5的一端设置有定位板7,定位板7的端部设有与工件12配合的第一定位块10和第二定位块8,夹具底座6上设置有横向贯穿定位板7的定位销11,定位销11的一端与定位板7上竖直开设的腰形孔插套配合,定位销11的另一端与第二气缸14连接,通过第一定位块10和第二定位块8将工件定位,同时通过定位销11与工件12上的中心孔插套配合,定位精准。As shown in FIG. 2 , the workpiece fixture 3 includes a fixture base 6 , and a positioning plate 7 is provided on the end of the fixture base 6 close to the pressing device 5 , and the end of the positioning plate 7 is provided with a
如图2所示,第一定位块10与第二定位块8之间开设有排屑槽9,通过排屑槽9有利于钻屑排放,防止钻屑影响加工精度。As shown in FIG. 2 , a chip removal groove 9 is opened between the
如图2所示,第二气缸14的底部固定连接有升降座16,升降座16的底部与固定在夹具底座6上的顶起气缸连接,夹具底座6上位于升降座16的两端设置有限位板17,通过顶起气缸调节升降座16的高度,从而调节定位销11的高度,以适应不同型号的工件12。As shown in FIG. 2 , a
如图2所示,定位板7的上方设置有压杆13,压杆13的一端与工件12上端面配合,压杆13的另一端与第一气缸15的输出端铰接配合,通过压杆13压紧工件12的上端面,确保工件12的稳定。As shown in FIG. 2 , a
如图3所示,压紧装置5包括夹紧底座18,夹紧底座18上靠近定位板7的一端设置有夹紧固定座21,夹紧固定座21上靠近定位板7的一侧浮动设置有夹板22,夹板22上连接有与定位板7插套配合的顶杆27,顶杆27上套设有弹簧19,且顶杆27的一端设置有滚轮28,夹紧底座18上靠近滚轮28的一侧设置有相互配合的滑轨座25和滑轨29,滑轨29上滑动设置有与滚轮28配合的滑块26,滚轮28与滑块26上的斜面滚动配合,滑块26的一端与设置在滑轨座25上的第三气缸24连接,通过第三气缸24向前推动滑块26,滚轮28沿滑块26上的斜面滚动,通过顶杆27推动夹板22将工件夹具3上的工件12夹紧,完成加工后第三气缸24向后拉动滑块26,顶杆27在弹簧19的作用下复位。As shown in FIG. 3 , the pressing device 5 includes a
如图3所示,夹紧固定座21上位于夹板22的两端设置有高压气嘴20,通过高压气嘴20方便清理夹板22上的加工屑。As shown in FIG. 3 , high-
以上借助具体实施例对本实用新型做了进一步描述,但是应该理解的是,这里具体的描述,不应理解为对本实用新型的实质和范围的限定,本领域内的普通技术人员在阅读本说明书后对上述实施例做出的各种修改,都属于本实用新型所保护的范围。The present utility model has been further described above with the help of specific embodiments, but it should be understood that the specific description here should not be construed as a limitation on the essence and scope of the present utility model. Various modifications made to the above-mentioned embodiments all belong to the protection scope of the present invention.
Claims (7)
Priority Applications (1)
| Application Number | Priority Date | Filing Date | Title |
|---|---|---|---|
| CN202020014890.2U CN211304841U (en) | 2020-01-06 | 2020-01-06 | Bidirectional drilling machine |
Applications Claiming Priority (1)
| Application Number | Priority Date | Filing Date | Title |
|---|---|---|---|
| CN202020014890.2U CN211304841U (en) | 2020-01-06 | 2020-01-06 | Bidirectional drilling machine |
Publications (1)
| Publication Number | Publication Date |
|---|---|
| CN211304841U true CN211304841U (en) | 2020-08-21 |
Family
ID=72064418
Family Applications (1)
| Application Number | Title | Priority Date | Filing Date |
|---|---|---|---|
| CN202020014890.2U Active CN211304841U (en) | 2020-01-06 | 2020-01-06 | Bidirectional drilling machine |
Country Status (1)
| Country | Link |
|---|---|
| CN (1) | CN211304841U (en) |
Cited By (1)
| Publication number | Priority date | Publication date | Assignee | Title |
|---|---|---|---|---|
| CN113103007A (en) * | 2021-04-12 | 2021-07-13 | 温晓荣 | Integrated heat preservation curtain anchor assembly shaping system of decorating |
-
2020
- 2020-01-06 CN CN202020014890.2U patent/CN211304841U/en active Active
Cited By (1)
| Publication number | Priority date | Publication date | Assignee | Title |
|---|---|---|---|---|
| CN113103007A (en) * | 2021-04-12 | 2021-07-13 | 温晓荣 | Integrated heat preservation curtain anchor assembly shaping system of decorating |
Similar Documents
| Publication | Publication Date | Title |
|---|---|---|
| CN201309088Y (en) | Fixture of milling machine | |
| CN105834750A (en) | Numerical control rolling linear guide rail drilling equipment | |
| CN211304841U (en) | Bidirectional drilling machine | |
| CN205614064U (en) | A lathe that is used for turning stock class part | |
| CN210587315U (en) | Clamping device for multi-spindle drilling machine | |
| CN216912166U (en) | A high-efficient drilling equipment for pipe fitting processing | |
| CN215545044U (en) | Auxiliary tool for drilling machine | |
| CN214559160U (en) | Special self-positioning clamp for machining fixed inclined plane | |
| CN216151791U (en) | Integrated hydraulic clamp for machining special-shaped frame body workpiece | |
| CN214922548U (en) | Multi-process special pneumatic clamp | |
| CN212665532U (en) | A new type of special fixture | |
| CN211727565U (en) | Radial drilling machine with clamping assembly | |
| CN213003827U (en) | Processing and positioning device for overlong ultrathin deformable workpiece | |
| CN205651059U (en) | Numerical control linear rolling guide equipment of driling | |
| CN222755647U (en) | Automatic processing equipment for side bearing wear plates | |
| CN222199780U (en) | A feeding machine for hardware production | |
| CN221185576U (en) | A workpiece clamping tool for machining | |
| CN205614062U (en) | Special lathe of high accuracy processing | |
| CN218136676U (en) | High-performance drilling machine tool | |
| CN219747228U (en) | Machine tool dust collector with waste recycling | |
| CN220128134U (en) | Structure for guaranteeing precision of ultra-large static pressure boring and milling workbench | |
| CN209773524U (en) | Steel rail web hole machining tool | |
| CN211565236U (en) | Multi-station drilling and tapping clamp for irregular workpiece | |
| CN206748007U (en) | Boring grab | |
| CN115805447B (en) | Special clamp for machining roller shaft of belt conveyor |
Legal Events
| Date | Code | Title | Description |
|---|---|---|---|
| GR01 | Patent grant | ||
| GR01 | Patent grant |
