CN210066024U - 一种纺织机的除尘装置 - Google Patents
一种纺织机的除尘装置 Download PDFInfo
- Publication number
- CN210066024U CN210066024U CN201920748316.7U CN201920748316U CN210066024U CN 210066024 U CN210066024 U CN 210066024U CN 201920748316 U CN201920748316 U CN 201920748316U CN 210066024 U CN210066024 U CN 210066024U
- Authority
- CN
- China
- Prior art keywords
- dust
- machine body
- vacuum pump
- block
- outlet
- Prior art date
- Legal status (The legal status is an assumption and is not a legal conclusion. Google has not performed a legal analysis and makes no representation as to the accuracy of the status listed.)
- Active
Links
- 239000000428 dust Substances 0.000 title claims abstract description 78
- 238000009941 weaving Methods 0.000 title claims description 10
- 238000013016 damping Methods 0.000 claims abstract description 14
- 239000004753 textile Substances 0.000 claims abstract description 14
- 238000010521 absorption reaction Methods 0.000 claims description 8
- 230000035939 shock Effects 0.000 claims description 6
- 238000010410 dusting Methods 0.000 claims 6
- 238000001816 cooling Methods 0.000 abstract description 2
- 238000009987 spinning Methods 0.000 description 4
- 241000883990 Flabellum Species 0.000 description 3
- 239000004744 fabric Substances 0.000 description 3
- 230000000694 effects Effects 0.000 description 2
- 230000017525 heat dissipation Effects 0.000 description 2
- 244000025254 Cannabis sativa Species 0.000 description 1
- 235000012766 Cannabis sativa ssp. sativa var. sativa Nutrition 0.000 description 1
- 235000012765 Cannabis sativa ssp. sativa var. spontanea Nutrition 0.000 description 1
- 229920000742 Cotton Polymers 0.000 description 1
- 235000009120 camo Nutrition 0.000 description 1
- 235000005607 chanvre indien Nutrition 0.000 description 1
- 239000011487 hemp Substances 0.000 description 1
- 238000012986 modification Methods 0.000 description 1
- 230000004048 modification Effects 0.000 description 1
- 239000002994 raw material Substances 0.000 description 1
Images
Landscapes
- Auxiliary Weaving Apparatuses, Weavers' Tools, And Shuttles (AREA)
- Treatment Of Fiber Materials (AREA)
Abstract
本实用新型涉及一种纺织机的除尘装置,包括机体,所说机体底部设置有固定架,所述固定架内部设置有真空泵,所述真空泵还包括有吸尘口和出尘口,所述吸尘口与机体紧密贴合且连通机体内部,所述出尘口一侧设置有集尘箱,所述集尘箱与出尘口紧密贴合且连通,通过真空泵及真空泵上的吸尘口和出尘口可以实现将机体内部的灰尘从吸尘口吸出,从出尘口排出,吸出的灰尘储存于储尘箱内,箱门的设置可以方便清理储尘箱内的灰尘,电机和扇叶的配合,可以加速内部的空气流动,能起到降温的作用,也可以加快灰尘的排出速度,减震块的设置可以使得机台和真空泵工作时的震动减少,从而有效的减少了噪音。
Description
技术领域
本实用新型涉及纺织领域,具体涉及一种纺织机的除尘装置。
背景技术
纺织机,又叫纺机、织机、棉纺机等,古代的纺织机是依靠人力带动的织布机,纺织机就是把线、丝、麻等原材料加工成丝线后织成布料的工具全称。象纺坠、纺车、锭子、踏板织布机,还有现代机械织布机、现代数控自动织布机等,现有中国专利公开号为CN204023268U的一种纺织机除尘装置中主要解决了在织布的同时对布料表面的灰尘和杂物进行清理存在着无法除尘的问题,但是其解决的问题存在着散热效果差,工作时还会产生较大噪音。
实用新型内容
针对上述问题,本实用新型提供了一种纺织机的除尘装置。
为解决上述技术问题,本实用新型所采用的技术方案是:一种纺织机的除尘装置,包括机体,所说机体底部设置有固定架,所述固定架内部设置有真空泵,所述真空泵还包括有吸尘口和出尘口,所述吸尘口与机体紧密贴合且连通机体内部,所述出尘口一侧设置有集尘箱,所述集尘箱与出尘口紧密贴合且连通。
进一步的,所述集尘箱上还设置有箱门,所述箱门与集尘箱铰接。
进一步的,所述机体内部两侧均固定有固定块,各个所述固定块上设置有电机,所述电机与固定块固定连接。
进一步的,各个所述电机的转动轴的一端延伸入机体内部且连接有扇叶,所述扇叶与电机的转动轴固定连接。
进一步的,所述机体底部还设置有减震块,所述减震块内部设置有支撑块。
进一步的,所述减震块包裹且紧密贴合着支撑块,所述支撑块与减震块均固定于所述机体底部。
进一步的,所述减震块为发泡TPU。
由上述对本实用新型结构的描述可知,和现有技术相比,本实用新型具有如下优点:
本实用新型提供的一种纺织机的除尘装置,通过真空泵及真空泵上的吸尘口和出尘口可以实现将机体内部的灰尘从吸尘口吸出,从出尘口排出,吸出的灰尘储存于储尘箱内,箱门的设置可以方便清理储尘箱内的灰尘,电机和扇叶的配合,可以加速内部的空气流动,能起到降温的作用,也可以加快灰尘的排出速度,减震块的设置可以使得机台和真空泵工作时的震动减少,从而有效的减少了噪音。
附图说明
构成本申请的一部分的附图用来提供对本实用新型的进一步理解,本实用新型的示意性实施例及其说明用于解释本实用新型,并不构成对本实用新型的不当限定。在附图中:
图1为本实用新型的主体示意图;
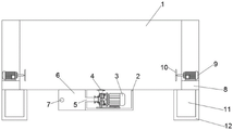
图中:机体-1、固定架-2、真空泵-3、吸尘口-4、出尘口-5、集尘箱-6、箱门-7、固定块-8、电机-9、扇叶-10、支撑块-11、减震块-12。
具体实施方式
为了使本实用新型的目的、技术方案及优点更加清楚明白,以下连接附图及实施例,对本实用新型进行进一步详细说明。应当理解,此处所描述的具体实施例仅仅用以解释本实用新型,并不用于限定本实用新型。
实施例
参考图1,一种纺织机的除尘装置,一种纺织机的除尘装置,包括机体1,所说机体1底部设置有固定架2,所述固定架2内部设置有真空泵3,所述真空泵还包括有吸尘口4和出尘口5,所述吸尘口4与机体1紧密贴合且连通机体1内部,所述出尘口5一侧设置有集尘箱6,所述集尘箱6与出尘口5紧密贴合且连通,所述集尘箱6上还设置有箱门7,所述箱门7与集尘箱6铰接,所述机体1内部两侧均固定有固定块8,各个所述固定块8上设置有电机9,所述电机9与固定块8固定连接,各个所述电机9的转动轴的一端延伸入机体1内部且连接有扇叶10,所述扇叶10与电机9的转动轴固定连接,所述机体1底部还设置有减震块12,所述减震块12内部设置有支撑块11,所述减震块12包裹且紧密贴合着支撑块11,所述支撑块11与减震块12均固定于所述机体1底部,所述减震块12为发泡TPU。
本实用新型的原理:机台工作时,打开真空泵3和电机9,真空泵3工作时,会产生吸力,能将灰尘吸入到吸尘口4内,灰尘从吸尘口4进入,由出尘口5排出,由出尘口5排出的灰尘会进入到集尘箱6内,真空泵3工作的同时,电机9也跟着工作,电机9工作时,连接于电机9转动轴上的扇叶10会跟着电机转动,从而产生风力,扇叶10产生的风力会加速空气的流动,从而提高了机台的散热,由于设置有两个电机9,而且电机9还是对向设置,所以通过扇叶10产生的风力还会加速灰尘进入到吸尘口的速度,设置于机体1底下的减震块12可以有效的减少机器工作时产生的震动,由于震动的减少,噪音也会跟着减少,当机台工作结束时,可以打开集尘箱6上的箱门7,从而对被真空泵3吸入到集尘箱6内灰尘进行清理。
以上所述仅为本实用新型的较佳实施例而已,并不用以限制本实用新型,凡在本实用新型的精神和原则之内所作的任何修改、等同替换和改进等,均应包含在本实用新型的保护范围之内。
Claims (7)
1.一种纺织机的除尘装置,其特征在于:包括机体(1),所说机体(1)底部设置有固定架(2),所述固定架(2)内部设置有真空泵(3),所述真空泵还包括有吸尘口(4)和出尘口(5),所述吸尘口(4)与机体(1)紧密贴合且连通机体(1)内部,所述出尘口(5)一侧设置有集尘箱(6),所述集尘箱(6)与出尘口(5)紧密贴合且连通。
2.如权利要求1所述的一种纺织机的除尘装置,其特征在于:所述集尘箱(6)上还设置有箱门(7),所述箱门(7)与集尘箱(6)铰接。
3.如权利要求1所述的一种纺织机的除尘装置,其特征在于:所述机体(1)内部两侧均固定有固定块(8),各个所述固定块(8)上设置有电机(9),所述电机(9)与固定块(8)固定连接。
4.如权利要求3所述的一种纺织机的除尘装置,其特征在于:各个所述电机(9)的转动轴的一端延伸入机体(1)内部且连接有扇叶(10),所述扇叶(10)与电机(9)的转动轴固定连接。
5.如权利要求1所述的一种纺织机的除尘装置,其特征在于:所述机体(1)底部还设置有减震块(12),所述减震块(12)内部设置有支撑块(11)。
6.如权利要求5所述的一种纺织机的除尘装置,其特征在于:所述减震块(12)包裹且紧密贴合着支撑块(11),所述支撑块(11)与减震块(12)均固定于所述机体(1)底部。
7.如权利要求6所述的一种纺织机的除尘装置,其特征在于:所述减震块(12)为发泡TPU。
Priority Applications (1)
| Application Number | Priority Date | Filing Date | Title |
|---|---|---|---|
| CN201920748316.7U CN210066024U (zh) | 2019-05-23 | 2019-05-23 | 一种纺织机的除尘装置 |
Applications Claiming Priority (1)
| Application Number | Priority Date | Filing Date | Title |
|---|---|---|---|
| CN201920748316.7U CN210066024U (zh) | 2019-05-23 | 2019-05-23 | 一种纺织机的除尘装置 |
Publications (1)
| Publication Number | Publication Date |
|---|---|
| CN210066024U true CN210066024U (zh) | 2020-02-14 |
Family
ID=69453797
Family Applications (1)
| Application Number | Title | Priority Date | Filing Date |
|---|---|---|---|
| CN201920748316.7U Active CN210066024U (zh) | 2019-05-23 | 2019-05-23 | 一种纺织机的除尘装置 |
Country Status (1)
| Country | Link |
|---|---|
| CN (1) | CN210066024U (zh) |
Cited By (1)
| Publication number | Priority date | Publication date | Assignee | Title |
|---|---|---|---|---|
| CN114748954A (zh) * | 2022-04-20 | 2022-07-15 | 南通堰洲家用纺织品有限公司 | 一种基于水循环利用的纺织除尘设备 |
-
2019
- 2019-05-23 CN CN201920748316.7U patent/CN210066024U/zh active Active
Cited By (2)
| Publication number | Priority date | Publication date | Assignee | Title |
|---|---|---|---|---|
| CN114748954A (zh) * | 2022-04-20 | 2022-07-15 | 南通堰洲家用纺织品有限公司 | 一种基于水循环利用的纺织除尘设备 |
| CN114748954B (zh) * | 2022-04-20 | 2023-10-27 | 南通堰洲家用纺织品有限公司 | 一种基于水循环利用的纺织除尘设备 |
Similar Documents
| Publication | Publication Date | Title |
|---|---|---|
| CN216640028U (zh) | 一种纺织面料清理除尘机 | |
| CN218692415U (zh) | 一种纺织用纺织机纺织除尘机组 | |
| CN210066024U (zh) | 一种纺织机的除尘装置 | |
| CN215137852U (zh) | 一种纺织机用纺织尘收集装置 | |
| CN215942451U (zh) | 一种摩托车配件生产用磨头电动机的吸尘装置 | |
| CN209741367U (zh) | 一种用于纺织机纺织尘的清除装置 | |
| CN110899290A (zh) | 一种用于纺织机纺织尘的收集装置 | |
| CN210368046U (zh) | 一种纺织纱线用纺织机减震底座 | |
| CN214804426U (zh) | 一种用于吸尘器的降噪装置 | |
| CN213896160U (zh) | 一种具有减震除尘的纺织机防护箱装置 | |
| JP7102628B2 (ja) | 紡績機器の除塵装置 | |
| CN111889475A (zh) | 一种具有除尘功能的纺织机械 | |
| CN219218300U (zh) | 一种喷气织布机吸羽装置 | |
| CN219378088U (zh) | 一种棉纺织物梳刷装置 | |
| CN111663240A (zh) | 一种纺织机械用方便清理的毛絮收集处理装置 | |
| CN210657335U (zh) | 一种纺织用纺织机纺织尘收集装置 | |
| CN219239909U (zh) | 一种集装袋加工用织带机 | |
| CN223061160U (zh) | 一种粗纱机落纱清理装置 | |
| CN212077242U (zh) | 一种具有气流输送器和过滤装置的纺织机 | |
| CN223304641U (zh) | 一种喷气织机下部集尘装置 | |
| CN221760076U (zh) | 一种纺织机用除尘装置 | |
| CN113215697A (zh) | 一种具有高效除尘功能的纺纱机 | |
| CN217909490U (zh) | 一种纺织用气流输送和过滤装置 | |
| CN111778597B (zh) | 带有集尘装置的转杯纺纱机 | |
| CN215314600U (zh) | 一种纺织机纺织尘收集装置 |
Legal Events
| Date | Code | Title | Description |
|---|---|---|---|
| GR01 | Patent grant | ||
| GR01 | Patent grant | ||
| PP01 | Preservation of patent right |
Effective date of registration: 20200424 Granted publication date: 20200214 |
|
| PP01 | Preservation of patent right | ||
| PD01 | Discharge of preservation of patent |
Date of cancellation: 20230424 Granted publication date: 20200214 |
|
| PD01 | Discharge of preservation of patent | ||
| PP01 | Preservation of patent right |
Effective date of registration: 20230424 Granted publication date: 20200214 |
|
| PP01 | Preservation of patent right |