CN203635655U - P型管横向挤压模具 - Google Patents

P型管横向挤压模具 Download PDF

Info

Publication number
CN203635655U
CN203635655U CN201320817378.1U CN201320817378U CN203635655U CN 203635655 U CN203635655 U CN 203635655U CN 201320817378 U CN201320817378 U CN 201320817378U CN 203635655 U CN203635655 U CN 203635655U
Authority
CN
China
Prior art keywords
type pipe
extrusion die
connecting plate
rotating shaft
holes
Prior art date
Legal status (The legal status is an assumption and is not a legal conclusion. Google has not performed a legal analysis and makes no representation as to the accuracy of the status listed.)
Expired - Lifetime
Application number
CN201320817378.1U
Other languages
English (en)
Inventor
李刚
李忠祥
Current Assignee (The listed assignees may be inaccurate. Google has not performed a legal analysis and makes no representation or warranty as to the accuracy of the list.)
MAANSHAN HUAKE INDUSTRY Co Ltd
Original Assignee
MAANSHAN HUAKE INDUSTRY Co Ltd
Priority date (The priority date is an assumption and is not a legal conclusion. Google has not performed a legal analysis and makes no representation as to the accuracy of the date listed.)
Filing date
Publication date
Application filed by MAANSHAN HUAKE INDUSTRY Co Ltd filed Critical MAANSHAN HUAKE INDUSTRY Co Ltd
Priority to CN201320817378.1U priority Critical patent/CN203635655U/zh
Application granted granted Critical
Publication of CN203635655U publication Critical patent/CN203635655U/zh
Anticipated expiration legal-status Critical
Expired - Lifetime legal-status Critical Current

Links

Images

Landscapes

  • Extrusion Moulding Of Plastics Or The Like (AREA)

Abstract

本实用新型公开了一种P型管横向挤压模具,包括有支架、竖直的左、右转轴和左、右压轮,左、右压轮上设有环形凹槽,支架的两侧分别设有左、右导槽,左、右转轴的下端分别对应卡在左、右导槽内,左、右导槽的外端设有螺孔并螺合有顶杆,顶杆的前端分别向内延伸并分别对应顶靠在左、右转轴的下端的外侧;包括有连接板,连接板的左侧分别设有多个通孔,左转轴的上端位于多个通孔中的一个通孔内,连接板的右侧设有条形槽,右转轴的上端卡在条形槽内,条形槽的外端设有螺孔并螺合有螺杆,螺杆的前端向内延伸并顶靠在右转轴的上端的外侧。本实用新型结构合理,通过调节左、右压轮之间的间距来挤压出不同规格的P型管,降低了生产成本,提高了生产效率。

Description

P型管横向挤压模具
技术领域
    本实用新型涉及P型管加工设备领域,具体是一种P型管横向挤压模具。
背景技术
P型管是异型管的一种,异形管包括横断面轮廓非圆形的、等壁厚的、变壁厚的、沿长度方向变直径和变壁厚的、断面对称和不对称的等,如方形、矩形、锥形、梯形、螺旋形等。P型管更能适应使用条件的特殊性,节约金属和提高零部件制造的劳动生产率。其广泛应用在航空、汽车、造船、矿山机械、农业机械、建筑、轻纺以及锅炉制造等方面。
钢管经过纵向和横向设置的压轮后,被挤压成型为P型管,现有技术中,在横向挤压过程中,压轮的位置固定不动,所以一套模具只能挤压一种规格的P型管,增加了生产成本,降低了生产效率。
实用新型内容
本实用新型的目的是提供一种P型管横向挤压模具,通过调节左、右压轮之间的间距来达到挤压出不同规格的P型管的目的,以降低生产成本,提高生产效率。
本实用新型的技术方案如下:
一种P型管横向挤压模具,包括有支架和竖直的左、右转轴,所述左、右转轴上分别转动安装有左、右压轮,所述左、右压轮上设有环形凹槽,其特征在于:所述支架的两侧分别设有左、右导槽,左、右转轴的下端分别对应卡在左、右导槽内,所述左、右导槽的外端设有螺孔并螺合有顶杆,所述顶杆的前端分别向内延伸并分别对应顶靠在左、右转轴的下端的外侧;包括有连接板,所述连接板的左侧分别设有多个通孔,所述左转轴的上端位于多个通孔中的一个通孔内,所述连接板的右侧设有条形槽,所述右转轴的上端卡在条形槽内,所述条形槽的外端设有螺孔并螺合有螺杆,所述螺杆的前端向内延伸并顶靠在右转轴的上端的外侧。
所述的P型管横向挤压模具,其特征在于:所述的左、右压轮之间有钢管穿过。
本实用新型的有益效果:
本实用新型结构合理,通过顶杆和螺杆调节左、右转轴在导槽和条形孔内的位置,来调节左、右压轮之间的间距,从而能够挤压出不同规格的P型管,降低了生产成本,提高了生产效率。
附图说明
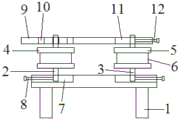
    图1为本实用新型结构示意图。
具体实施方式
参见图1,一种P型管横向挤压模具,包括有支架1和竖直的左、右转轴2、3,左、右转轴2、3上分别转动安装有左、右压轮4、5,左、右压轮4、5上设有环形凹槽6,支架1的两侧分别设有左、右导槽7,左、右转轴2、3的下端分别对应卡在左、右导槽7内,左、右导槽7的外端设有螺孔并螺合有顶杆8,顶杆8的前端分别向内延伸并分别对应顶靠在左、右转轴2、3的下端的外侧;包括有连接板9,连接板9的左侧分别设有多个通孔10,左转轴2的上端位于多个通孔10中的一个通孔内,连接板9的右侧设有条形槽11,右转轴3的上端卡在条形槽11内,条形槽11的外端设有螺孔并螺合有螺杆12,螺杆12的前端向内延伸并顶靠在右转轴3的上端的外侧。
本实用新型中,左、右压轮4、5之间有钢管穿过。

Claims (2)

1.一种P型管横向挤压模具,包括有支架和竖直的左、右转轴,所述左、右转轴上分别转动安装有左、右压轮,所述左、右压轮上设有环形凹槽,其特征在于:所述支架的两侧分别设有左、右导槽,左、右转轴的下端分别对应卡在左、右导槽内,所述左、右导槽的外端设有螺孔并螺合有顶杆,所述顶杆的前端分别向内延伸并分别对应顶靠在左、右转轴的下端的外侧;包括有连接板,所述连接板的左侧分别设有多个通孔,所述左转轴的上端位于多个通孔中的一个通孔内,所述连接板的右侧设有条形槽,所述右转轴的上端卡在条形槽内,所述条形槽的外端设有螺孔并螺合有螺杆,所述螺杆的前端向内延伸并顶靠在右转轴的上端的外侧。
2.根据权利要求1所述的P型管横向挤压模具,其特征在于:所述的左、右压轮之间有钢管穿过。
CN201320817378.1U 2013-12-11 2013-12-11 P型管横向挤压模具 Expired - Lifetime CN203635655U (zh)

Priority Applications (1)

Application Number Priority Date Filing Date Title
CN201320817378.1U CN203635655U (zh) 2013-12-11 2013-12-11 P型管横向挤压模具

Applications Claiming Priority (1)

Application Number Priority Date Filing Date Title
CN201320817378.1U CN203635655U (zh) 2013-12-11 2013-12-11 P型管横向挤压模具

Publications (1)

Publication Number Publication Date
CN203635655U true CN203635655U (zh) 2014-06-11

Family

ID=50866935

Family Applications (1)

Application Number Title Priority Date Filing Date
CN201320817378.1U Expired - Lifetime CN203635655U (zh) 2013-12-11 2013-12-11 P型管横向挤压模具

Country Status (1)

Country Link
CN (1) CN203635655U (zh)

Cited By (2)

* Cited by examiner, † Cited by third party
Publication number Priority date Publication date Assignee Title
CN105127236A (zh) * 2015-08-18 2015-12-09 马鞍山市华科实业有限公司 一种物流货架专用异型钢管的制造方法
CN111408672A (zh) * 2020-04-14 2020-07-14 中天智能装备有限公司 Icp等离子送丝校直机构

Cited By (2)

* Cited by examiner, † Cited by third party
Publication number Priority date Publication date Assignee Title
CN105127236A (zh) * 2015-08-18 2015-12-09 马鞍山市华科实业有限公司 一种物流货架专用异型钢管的制造方法
CN111408672A (zh) * 2020-04-14 2020-07-14 中天智能装备有限公司 Icp等离子送丝校直机构

Similar Documents

Publication Publication Date Title
CN203044595U (zh) 一种简易式折弯管装置
CN104324991A (zh) 一种金属管折弯设备
CN203635655U (zh) P型管横向挤压模具
CN204208953U (zh) 一种金属管折弯设备
CN202461335U (zh) 一种管端收口变径装置
CN203380236U (zh) 一种卷圈机
CN204770037U (zh) 一种角钢卷圆用固定装置
CN203370885U (zh) 灯杆折弯机
CN204564946U (zh) 一种变径管加工模具
CN204308280U (zh) 带钢裁切装置
CN203040649U (zh) 一种压糕机的模具机构
CN103447361A (zh) 一种简易式折弯管装置
CN207872983U (zh) 用于生产扭剪型螺栓的牙板模具
CN105013847B (zh) 不对称花键轴冷挤压设备
CN204724685U (zh) 一种多功能组合模具
CN204074842U (zh) 一种新型压槽机
CN203449590U (zh) 一种真空定型机的出料辊压定位机构
CN204503844U (zh) 一种金属管加工整圆装置
CN204526062U (zh) 一种塑料挤出机机头夹的快速提升装置
CN203565531U (zh) 液压制管机的辊模装置
CN204018610U (zh) 一种卷簧机
CN204412827U (zh) 一种矫直机上机架
CN204220865U (zh) 一种镦粗压柄和钢筋镦粗机
CN204526088U (zh) 一种管道挤塑机挤塑模
CN103506495A (zh) 汽车空心吊钩折弯成型模具

Legal Events

Date Code Title Description
C14 Grant of patent or utility model
GR01 Patent grant
PE01 Entry into force of the registration of the contract for pledge of patent right

Denomination of utility model: P-type pipe transverse extrusion die

Effective date of registration: 20151106

Granted publication date: 20140611

Pledgee: Ma'anshan Pubang financing Company Limited by Guarantee

Pledgor: MAANSHAN HUAKE INDUSTRY Co.,Ltd.

Registration number: 2015990000968

PLDC Enforcement, change and cancellation of contracts on pledge of patent right or utility model
PC01 Cancellation of the registration of the contract for pledge of patent right

Date of cancellation: 20160824

Granted publication date: 20140611

Pledgee: Ma'anshan Pubang financing Limited by Share Ltd.

Pledgor: MAANSHAN HUAKE INDUSTRY Co.,Ltd.

Registration number: 2015990000968

PLDC Enforcement, change and cancellation of contracts on pledge of patent right or utility model
PM01 Change of the registration of the contract for pledge of patent right

Change date: 20160824

Registration number: 2015990000968

Pledgee after: Ma'anshan Pubang financing Limited by Share Ltd.

Pledgee before: Ma'anshan Pubang financing Company Limited by Guarantee

PE01 Entry into force of the registration of the contract for pledge of patent right

Denomination of utility model: P-type pipe transverse extrusion die

Effective date of registration: 20160831

Granted publication date: 20140611

Pledgee: Ma'anshan Pubang financing Limited by Share Ltd.

Pledgor: MAANSHAN HUAKE INDUSTRY Co.,Ltd.

Registration number: 2016990000755

PLDC Enforcement, change and cancellation of contracts on pledge of patent right or utility model
CX01 Expiry of patent term
CX01 Expiry of patent term

Granted publication date: 20140611

PC01 Cancellation of the registration of the contract for pledge of patent right
PC01 Cancellation of the registration of the contract for pledge of patent right

Granted publication date: 20140611

Pledgee: Ma'anshan Pubang financing Limited by Share Ltd.

Pledgor: MAANSHAN HUAKE INDUSTRY Co.,Ltd.

Registration number: 2016990000755