CN202330075U - 液体容器旁路持续采样装置 - Google Patents

液体容器旁路持续采样装置 Download PDF

Info

Publication number
CN202330075U
CN202330075U CN201120450921XU CN201120450921U CN202330075U CN 202330075 U CN202330075 U CN 202330075U CN 201120450921X U CN201120450921X U CN 201120450921XU CN 201120450921 U CN201120450921 U CN 201120450921U CN 202330075 U CN202330075 U CN 202330075U
Authority
CN
China
Prior art keywords
solenoid valve
liquid
solenoid
valve
pipeline
Prior art date
Legal status (The legal status is an assumption and is not a legal conclusion. Google has not performed a legal analysis and makes no representation as to the accuracy of the status listed.)
Expired - Lifetime
Application number
CN201120450921XU
Other languages
English (en)
Inventor
林秀钦
赵卫民
吴沃生
张永良
姬黎波
梁湛原
Current Assignee (The listed assignees may be inaccurate. Google has not performed a legal analysis and makes no representation or warranty as to the accuracy of the list.)
Guangdong Weiheng Power Transmission and Distribution Co., Ltd.
Original Assignee
GUANGDONG WEIHENG ELECTRIC POWER TECHNOLOGY DEVELOPMENT CO LTD
Foshan Power Supply Bureau of Guangdong Power Grid Corp
Priority date (The priority date is an assumption and is not a legal conclusion. Google has not performed a legal analysis and makes no representation as to the accuracy of the date listed.)
Filing date
Publication date
Application filed by GUANGDONG WEIHENG ELECTRIC POWER TECHNOLOGY DEVELOPMENT CO LTD, Foshan Power Supply Bureau of Guangdong Power Grid Corp filed Critical GUANGDONG WEIHENG ELECTRIC POWER TECHNOLOGY DEVELOPMENT CO LTD
Priority to CN201120450921XU priority Critical patent/CN202330075U/zh
Application granted granted Critical
Publication of CN202330075U publication Critical patent/CN202330075U/zh
Anticipated expiration legal-status Critical
Expired - Lifetime legal-status Critical Current

Links

Images

Landscapes

  • Sampling And Sample Adjustment (AREA)

Abstract

本实用新型公开了一种液体容器旁路持续采样装置,安装在液体容器的出液阀门和进液阀门上,包括采样传感器和泵,它还包括第一电磁阀、第二电磁阀、第三电磁阀、第四电磁阀和设置有减压装置的集气室;所述泵的入口通过管路与第一电磁阀连通,所述泵的出口通过管路与集气室连通,所述采样传感器设置在所述泵和第一电磁阀之间,第一电磁阀与所述出液阀门连通;集气室底部通过管路依次与第二电磁阀、第三电磁阀和所述进液阀门连通;第二电磁阀和第三电磁阀之间的管路与所述泵和第一电磁阀之间的管路通过旁路管路连通,旁路管路上设置有第四电磁阀。本实用新型的优点:使得所采的液体样和容器中的液体不受空气污染,提高了采样的准确性和安全性。

Description

液体容器旁路持续采样装置
技术领域
本实用新型涉及一种液体容器旁路持续采样装置。
背景技术
现有技术中,需要从液体容器中(如大型储油罐、化学制剂储存罐、大型电力变压器等)持续采样。当持续采样装置少于需要取样的液体容器时,往往需要把持续采样装置从一个液体容器上拆下,再连接到另一个液体容器,在将持续采样装置拆下并再连接的过程中,无法避免地会在连接阀和法兰处产生空气柱,以及管路中、泵的间隙会存留空气。而空气不仅会污染所采的液体样,影响采样的准确性;甚至会进入容器,污染整个容器内的液体;某些液体接触到空气中的氧气,还有可能发生危险。
发明内容
本实用新型的目的在于克服现有技术的缺陷,提供一种液体容器旁路持续采样装置。
本实用新型是通过以下技术方案来实现的:一种液体容器旁路持续采样装置,安装在液体容器的出液阀门和进液阀门上,包括采样传感器和泵,其特征在于,它还包括第一电磁阀、第二电磁阀、第三电磁阀、第四电磁阀和设置有减压装置的集气室;所述泵的入口通过管路与第一电磁阀连通,所述泵的出口通过管路与集气室连通,所述采样传感器设置在所述泵和第一电磁阀之间,第一电磁阀与所述出液阀门连通;集气室底部通过管路依次与第二电磁阀、第三电磁阀和所述进液阀门连通;第二电磁阀和第三电磁阀之间的管路与所述泵和第一电磁阀之间的管路通过旁路管路连通,旁路管路上设置有第四电磁阀。
使用液体容器旁路持续采样装置前,先将装置的第一电磁阀、第三电磁阀通过管路分别与液体容器的出液阀门、进液阀门连通。
液体容器旁路持续采样装置开始工作时,第一步,关闭第一电磁阀和第二电磁阀,打开第三电磁阀和第四电磁阀,开启减压装置,液体容器内液体进入本装置,第三电磁阀与出液阀门连接处形成的空气柱,经管路向集气室移动,并经减压装置排出集气室。
第二步,关闭第二电磁阀、第三电磁阀和第四电磁阀,打开第一电磁阀,在泵的作用下,第一电磁阀与进液阀门连接处形成的空气柱也开始向集气室移动,并经减压装置排出集气室。
第三步,关闭第一电磁阀、第二电磁阀、第三电磁阀和第四电磁阀,保持减压装置处于开启状态,这时,第一电磁阀、第三电磁阀分别与出液阀门、进液阀门连接处形成的空气柱已经进入集气室,由于液体的流动,液体中仍混有细小的气泡,静置若干分钟,使空气从液体中逸出。
第四步,关闭第一电磁阀和第三电磁阀,打开第二电磁阀和第四电磁阀,保持减压装置处于开启状态,在泵的作用下,液体在管路中循环,分布在管路中各处的微小气泡向集气室集中,并经减压装置排出集气室。
第五步,关闭第四电磁阀,打开第一电磁阀、第二电磁阀和第三电磁阀,在泵的作用下,液体经出液阀门和第一电磁阀持续流经采样传感器,又从集气室的底部经第二电磁阀、第三电磁阀和进液阀门流回液体容器,液体容器旁路持续采样装置进入采样状态。
将持续采样装置从一个容器上拆下,再连接到另一个容器上过程中,连接阀和法兰处以及管路中无法避免地会产生空气柱,采用液体容器旁路持续采样装置,能够将此空气除去,使得所采的液体样和容器中的液体不受空气污染,提高了采样的准确性,增强了采样过程中的安全性。
所述减压装置为减压阀或真空泵。
所述集气室上设置有液位计。所设液位计便于监控集气室中液面高度,增强液体容器旁路持续采样装置的可控性。
本实用新型的优点:本液体容器旁路持续采样装置,能够将持续采样装置与液体容器连接处产生的空气除去,使得所采的液体样和容器中的液体不受空气污染,提高了采样的准确性,增强了采样过程中的安全性。
附图说明
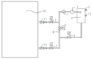
图1是本实用新型实施例的结构示意图;
1、采样传感器,2、泵,3、第一电磁阀,4、集气室,5、减压装置,6、第二电磁阀,7、第三电磁阀,8、旁路管路,9、第四电磁阀,10、液体容器,11、出液阀门,12、进液阀门,13、液位计。
具体实施方式
实施例:
参阅图1,一种液体容器旁路持续采样装置,安装在液体容器的出液阀门和进液阀门上,包括采样传感器1和泵2,它还包括第一电磁阀3、第二电磁阀6、第三电磁阀7、第四电磁阀9和设置有减压装置5的集气室4;所述泵2的入口通过管路与第一电磁阀3连通,所述泵2的出口通过管路与集气室4连通,所述采样传感器1设置在所述泵2和第一电磁阀3之间,第一电磁阀3与所述出液阀门11连通;集气室4底部通过管路依次与第二电磁阀6、第三电磁阀7和所述进液阀门12连通;第二电磁阀6和第三电磁阀7之间的管路与所述采样传感器1和第一电磁阀3之间的管路通过旁路管路8连通,旁路管路8上设置有第四电磁阀9。
第二电磁阀6和第三电磁阀7之间的管路也可以与所述采样传感器1和所述泵2之间的管路通过旁路管路8连通。
减压装置5为减压阀。集气室4上设置有液位计13。
使用液体容器旁路持续采样装置前,先将装置的第一电磁阀3、第三电磁阀7通过管路分别与液体容器10的出液阀门11、进液阀门12连通。
液体容器旁路持续采样装置开始工作时,第一步,关闭第一电磁阀3和第二电磁阀6,打开第三电磁阀7和第四电磁阀9,开启减压装置5,液体容器10内液体进入本装置,第三电磁阀7与出液阀门11连接处形成的空气柱,经管路向集气室4移动,并经减压装置5排出集气室4。
第二步,关闭第二电磁阀6、第三电磁阀7和第四电磁阀9,打开第一电磁阀3,在泵5的作用下,第一电磁阀3与进液阀门12连接处形成的空气柱也开始向集气室4移动,并经减压装置5排出集气室4。
第三步,关闭第一电磁阀3、第二电磁阀6、第三电磁阀7和第四电磁阀9,保持减压装置5处于开启状态,这时,第一电磁阀3、第三电磁阀7分别与出液阀门11、进液阀门12连接处形成的空气柱已经进入集气室4,由于液体的流动,液体中仍混有细小的气泡,静置若干分钟,使空气从液体中逸出。
第四步,关闭第一电磁阀3和第三电磁阀7,打开第二电磁阀6和第四电磁阀9,保持减压装置5处于开启状态,在泵2的作用下,液体在管路中循环,分布在管路中各处的微小气泡向集气室4集中,并经减压装置5排出集气室4。
第五步,关闭第四电磁阀9,打开第一电磁阀3、第二电磁阀6和第三电磁阀7,在泵2的作用下,液体经出液阀门11和第一电磁阀3持续流经采样传感器1,又从集气室4的底部经第二电磁阀6、第三电磁阀7和进液阀门12流回液体容器10,液体容器旁路持续采样装置进入采样状态。
上列详细说明是针对本实用新型之一可行实施例的具体说明,该实施例并非用以限制本实用新型的专利范围,凡未脱离本实用新型所为的等效实施或变更,均应包含于本案的专利范围中。

Claims (3)

1.一种液体容器旁路持续采样装置,安装在液体容器的出液阀门和进液阀门上,包括采样传感器和泵,其特征在于,它还包括第一电磁阀、第二电磁阀、第三电磁阀、第四电磁阀和设置有减压装置的集气室;所述泵的入口通过管路与第一电磁阀连通,所述泵的出口通过管路与集气室连通,所述采样传感器设置在所述泵和第一电磁阀之间,第一电磁阀与所述出液阀门连通;集气室底部通过管路依次与第二电磁阀、第三电磁阀和所述进液阀门连通;第二电磁阀和第三电磁阀之间的管路与所述泵和第一电磁阀之间的管路通过旁路管路连通,旁路管路上设置有第四电磁阀。
2.根据权利要求1所述的一种液体容器旁路持续采样装置,其特征在于,所述减压装置为减压阀或真空泵。
3.根据权利要求1所述的一种液体容器旁路持续采样装置,其特征在于,所述集气室上设置有液位计。
CN201120450921XU 2011-11-15 2011-11-15 液体容器旁路持续采样装置 Expired - Lifetime CN202330075U (zh)

Priority Applications (1)

Application Number Priority Date Filing Date Title
CN201120450921XU CN202330075U (zh) 2011-11-15 2011-11-15 液体容器旁路持续采样装置

Applications Claiming Priority (1)

Application Number Priority Date Filing Date Title
CN201120450921XU CN202330075U (zh) 2011-11-15 2011-11-15 液体容器旁路持续采样装置

Publications (1)

Publication Number Publication Date
CN202330075U true CN202330075U (zh) 2012-07-11

Family

ID=46442053

Family Applications (1)

Application Number Title Priority Date Filing Date
CN201120450921XU Expired - Lifetime CN202330075U (zh) 2011-11-15 2011-11-15 液体容器旁路持续采样装置

Country Status (1)

Country Link
CN (1) CN202330075U (zh)

Cited By (6)

* Cited by examiner, † Cited by third party
Publication number Priority date Publication date Assignee Title
CN103592199A (zh) * 2013-10-21 2014-02-19 中国中元国际工程公司 湿蒸汽中液相水含量检测装置及检测方法
CN103776663A (zh) * 2014-01-25 2014-05-07 国家电网公司 一种变压器真空有载分接开关带电取油样装置
CN104316360A (zh) * 2014-11-07 2015-01-28 上海愚工机械科技有限公司 原油定量取样装置
CN105806660A (zh) * 2015-06-07 2016-07-27 付世权 润滑油无污染无浪费在线自动采样装置
CN108362526A (zh) * 2018-04-26 2018-08-03 安策阀门(太仓)有限公司 一种航油取样装置
CN112881393A (zh) * 2021-01-22 2021-06-01 四川沃文特生物技术有限公司 样本检测过程中的吸液方法

Cited By (8)

* Cited by examiner, † Cited by third party
Publication number Priority date Publication date Assignee Title
CN103592199A (zh) * 2013-10-21 2014-02-19 中国中元国际工程公司 湿蒸汽中液相水含量检测装置及检测方法
CN103592199B (zh) * 2013-10-21 2015-11-25 中国中元国际工程有限公司 湿蒸汽中液相水含量在线检测装置及检测方法
CN103776663A (zh) * 2014-01-25 2014-05-07 国家电网公司 一种变压器真空有载分接开关带电取油样装置
CN104316360A (zh) * 2014-11-07 2015-01-28 上海愚工机械科技有限公司 原油定量取样装置
CN105806660A (zh) * 2015-06-07 2016-07-27 付世权 润滑油无污染无浪费在线自动采样装置
CN108362526A (zh) * 2018-04-26 2018-08-03 安策阀门(太仓)有限公司 一种航油取样装置
CN108362526B (zh) * 2018-04-26 2024-03-15 安策阀门(太仓)有限公司 一种航油取样装置
CN112881393A (zh) * 2021-01-22 2021-06-01 四川沃文特生物技术有限公司 样本检测过程中的吸液方法

Similar Documents

Publication Publication Date Title
CN202330075U (zh) 液体容器旁路持续采样装置
CN103410718B (zh) 一种液气射流泵性能及应用的多功能试验台
CN201589746U (zh) 一种用于疲劳性能试验的盐雾环境装置
CN201262079Y (zh) 无动力可控量加药装置
CN204646488U (zh) 一种燃油供给装置
CN202238756U (zh) 湿法清洗设备
CN205047584U (zh) 航空液压油净化装置
CN203155194U (zh) 一种气溶胶发生器
CN203758705U (zh) 地下管道试压检测装置
CN103114838B (zh) 高压自动排砂装置
CN202860271U (zh) 一种高效滤油机
CN110624702B (zh) 一种智能型离心式净油机
CN205154131U (zh) 模块化天然气除砂脱液回收系统
CN204877409U (zh) 一种泡沫排水系统
CN203145914U (zh) 高压自动排砂装置
CN112340689A (zh) 一种加油站油气回收用的三相分离、计量装置
CN202140295U (zh) 泵性能试验台
CN102383469B (zh) 给水装置及其给水方法
CN206683962U (zh) 一种可视化外压失稳实验装置
CN215647596U (zh) 一种线路板生产用药水自动投料装置
CN205607614U (zh) 一种压力容器快速漏气检测装置
CN206563692U (zh) 一种泡沫管流模拟及观测实验装置
CN203009415U (zh) 叉车液压油箱
CN212861908U (zh) 一种民用飞机燃油部件的气动防爆注油设备
CN202951477U (zh) 一种低压吸收加料反应釜

Legal Events

Date Code Title Description
C14 Grant of patent or utility model
GR01 Patent grant
CP01 Change in the name or title of a patent holder
CP01 Change in the name or title of a patent holder

Address after: 528000 No. 1 South Fenjiang Road, Chancheng District, Guangdong, Foshan

Co-patentee after: Guangdong Weiheng Electric Power Technology Development Co., Ltd.

Patentee after: FOSHAN POWER SUPPLY BUREAU OF GUANGDONG POWER GRID CORPORATION

Address before: 528000 No. 1 South Fenjiang Road, Chancheng District, Guangdong, Foshan

Co-patentee before: Guangdong Weiheng Electric Power Technology Development Co., Ltd.

Patentee before: Foshan Power Supply Bureau, Guangdong Power Grid Corporation

TR01 Transfer of patent right
TR01 Transfer of patent right

Effective date of registration: 20191101

Address after: 528000 No. 1 South Fenjiang Road, Chancheng District, Guangdong, Foshan

Co-patentee after: Guangdong Weiheng Power Transmission and Distribution Co., Ltd.

Patentee after: FOSHAN POWER SUPPLY BUREAU OF GUANGDONG POWER GRID CORPORATION

Address before: 528000 No. 1 South Fenjiang Road, Chancheng District, Guangdong, Foshan

Co-patentee before: Guangdong Weiheng Electric Power Technology Development Co., Ltd.

Patentee before: FOSHAN POWER SUPPLY BUREAU OF GUANGDONG POWER GRID CORPORATION

CX01 Expiry of patent term
CX01 Expiry of patent term

Granted publication date: 20120711