CN115339309A - 一种轻型商用车混合动力传动装置 - Google Patents

一种轻型商用车混合动力传动装置 Download PDF

Info

Publication number
CN115339309A
CN115339309A CN202211269439.5A CN202211269439A CN115339309A CN 115339309 A CN115339309 A CN 115339309A CN 202211269439 A CN202211269439 A CN 202211269439A CN 115339309 A CN115339309 A CN 115339309A
Authority
CN
China
Prior art keywords
gear
planetary mechanism
crcr
low
driving motor
Prior art date
Legal status (The legal status is an assumption and is not a legal conclusion. Google has not performed a legal analysis and makes no representation as to the accuracy of the status listed.)
Pending
Application number
CN202211269439.5A
Other languages
English (en)
Inventor
孙钦鹏
彭增雄
吴维
胡纪滨
Current Assignee (The listed assignees may be inaccurate. Google has not performed a legal analysis and makes no representation or warranty as to the accuracy of the list.)
Beijing Institute of Technology BIT
Original Assignee
Beijing Institute of Technology BIT
Priority date (The priority date is an assumption and is not a legal conclusion. Google has not performed a legal analysis and makes no representation as to the accuracy of the date listed.)
Filing date
Publication date
Application filed by Beijing Institute of Technology BIT filed Critical Beijing Institute of Technology BIT
Priority to CN202211269439.5A priority Critical patent/CN115339309A/zh
Publication of CN115339309A publication Critical patent/CN115339309A/zh
Pending legal-status Critical Current

Links

Images

Classifications

    • BPERFORMING OPERATIONS; TRANSPORTING
    • B60VEHICLES IN GENERAL
    • B60KARRANGEMENT OR MOUNTING OF PROPULSION UNITS OR OF TRANSMISSIONS IN VEHICLES; ARRANGEMENT OR MOUNTING OF PLURAL DIVERSE PRIME-MOVERS IN VEHICLES; AUXILIARY DRIVES FOR VEHICLES; INSTRUMENTATION OR DASHBOARDS FOR VEHICLES; ARRANGEMENTS IN CONNECTION WITH COOLING, AIR INTAKE, GAS EXHAUST OR FUEL SUPPLY OF PROPULSION UNITS IN VEHICLES
    • B60K6/00Arrangement or mounting of plural diverse prime-movers for mutual or common propulsion, e.g. hybrid propulsion systems comprising electric motors and internal combustion engines
    • B60K6/20Arrangement or mounting of plural diverse prime-movers for mutual or common propulsion, e.g. hybrid propulsion systems comprising electric motors and internal combustion engines the prime-movers consisting of electric motors and internal combustion engines, e.g. HEVs
    • B60K6/22Arrangement or mounting of plural diverse prime-movers for mutual or common propulsion, e.g. hybrid propulsion systems comprising electric motors and internal combustion engines the prime-movers consisting of electric motors and internal combustion engines, e.g. HEVs characterised by apparatus, components or means specially adapted for HEVs
    • BPERFORMING OPERATIONS; TRANSPORTING
    • B60VEHICLES IN GENERAL
    • B60KARRANGEMENT OR MOUNTING OF PROPULSION UNITS OR OF TRANSMISSIONS IN VEHICLES; ARRANGEMENT OR MOUNTING OF PLURAL DIVERSE PRIME-MOVERS IN VEHICLES; AUXILIARY DRIVES FOR VEHICLES; INSTRUMENTATION OR DASHBOARDS FOR VEHICLES; ARRANGEMENTS IN CONNECTION WITH COOLING, AIR INTAKE, GAS EXHAUST OR FUEL SUPPLY OF PROPULSION UNITS IN VEHICLES
    • B60K6/00Arrangement or mounting of plural diverse prime-movers for mutual or common propulsion, e.g. hybrid propulsion systems comprising electric motors and internal combustion engines
    • B60K6/20Arrangement or mounting of plural diverse prime-movers for mutual or common propulsion, e.g. hybrid propulsion systems comprising electric motors and internal combustion engines the prime-movers consisting of electric motors and internal combustion engines, e.g. HEVs
    • B60K6/22Arrangement or mounting of plural diverse prime-movers for mutual or common propulsion, e.g. hybrid propulsion systems comprising electric motors and internal combustion engines the prime-movers consisting of electric motors and internal combustion engines, e.g. HEVs characterised by apparatus, components or means specially adapted for HEVs
    • B60K6/36Arrangement or mounting of plural diverse prime-movers for mutual or common propulsion, e.g. hybrid propulsion systems comprising electric motors and internal combustion engines the prime-movers consisting of electric motors and internal combustion engines, e.g. HEVs characterised by apparatus, components or means specially adapted for HEVs characterised by the transmission gearings
    • B60K6/365Arrangement or mounting of plural diverse prime-movers for mutual or common propulsion, e.g. hybrid propulsion systems comprising electric motors and internal combustion engines the prime-movers consisting of electric motors and internal combustion engines, e.g. HEVs characterised by apparatus, components or means specially adapted for HEVs characterised by the transmission gearings with the gears having orbital motion
    • BPERFORMING OPERATIONS; TRANSPORTING
    • B60VEHICLES IN GENERAL
    • B60KARRANGEMENT OR MOUNTING OF PROPULSION UNITS OR OF TRANSMISSIONS IN VEHICLES; ARRANGEMENT OR MOUNTING OF PLURAL DIVERSE PRIME-MOVERS IN VEHICLES; AUXILIARY DRIVES FOR VEHICLES; INSTRUMENTATION OR DASHBOARDS FOR VEHICLES; ARRANGEMENTS IN CONNECTION WITH COOLING, AIR INTAKE, GAS EXHAUST OR FUEL SUPPLY OF PROPULSION UNITS IN VEHICLES
    • B60K6/00Arrangement or mounting of plural diverse prime-movers for mutual or common propulsion, e.g. hybrid propulsion systems comprising electric motors and internal combustion engines
    • B60K6/20Arrangement or mounting of plural diverse prime-movers for mutual or common propulsion, e.g. hybrid propulsion systems comprising electric motors and internal combustion engines the prime-movers consisting of electric motors and internal combustion engines, e.g. HEVs
    • B60K6/22Arrangement or mounting of plural diverse prime-movers for mutual or common propulsion, e.g. hybrid propulsion systems comprising electric motors and internal combustion engines the prime-movers consisting of electric motors and internal combustion engines, e.g. HEVs characterised by apparatus, components or means specially adapted for HEVs
    • B60K6/38Arrangement or mounting of plural diverse prime-movers for mutual or common propulsion, e.g. hybrid propulsion systems comprising electric motors and internal combustion engines the prime-movers consisting of electric motors and internal combustion engines, e.g. HEVs characterised by apparatus, components or means specially adapted for HEVs characterised by the driveline clutches
    • BPERFORMING OPERATIONS; TRANSPORTING
    • B60VEHICLES IN GENERAL
    • B60KARRANGEMENT OR MOUNTING OF PROPULSION UNITS OR OF TRANSMISSIONS IN VEHICLES; ARRANGEMENT OR MOUNTING OF PLURAL DIVERSE PRIME-MOVERS IN VEHICLES; AUXILIARY DRIVES FOR VEHICLES; INSTRUMENTATION OR DASHBOARDS FOR VEHICLES; ARRANGEMENTS IN CONNECTION WITH COOLING, AIR INTAKE, GAS EXHAUST OR FUEL SUPPLY OF PROPULSION UNITS IN VEHICLES
    • B60K6/00Arrangement or mounting of plural diverse prime-movers for mutual or common propulsion, e.g. hybrid propulsion systems comprising electric motors and internal combustion engines
    • B60K6/20Arrangement or mounting of plural diverse prime-movers for mutual or common propulsion, e.g. hybrid propulsion systems comprising electric motors and internal combustion engines the prime-movers consisting of electric motors and internal combustion engines, e.g. HEVs
    • B60K6/42Arrangement or mounting of plural diverse prime-movers for mutual or common propulsion, e.g. hybrid propulsion systems comprising electric motors and internal combustion engines the prime-movers consisting of electric motors and internal combustion engines, e.g. HEVs characterised by the architecture of the hybrid electric vehicle
    • BPERFORMING OPERATIONS; TRANSPORTING
    • B60VEHICLES IN GENERAL
    • B60KARRANGEMENT OR MOUNTING OF PROPULSION UNITS OR OF TRANSMISSIONS IN VEHICLES; ARRANGEMENT OR MOUNTING OF PLURAL DIVERSE PRIME-MOVERS IN VEHICLES; AUXILIARY DRIVES FOR VEHICLES; INSTRUMENTATION OR DASHBOARDS FOR VEHICLES; ARRANGEMENTS IN CONNECTION WITH COOLING, AIR INTAKE, GAS EXHAUST OR FUEL SUPPLY OF PROPULSION UNITS IN VEHICLES
    • B60K6/00Arrangement or mounting of plural diverse prime-movers for mutual or common propulsion, e.g. hybrid propulsion systems comprising electric motors and internal combustion engines
    • B60K6/20Arrangement or mounting of plural diverse prime-movers for mutual or common propulsion, e.g. hybrid propulsion systems comprising electric motors and internal combustion engines the prime-movers consisting of electric motors and internal combustion engines, e.g. HEVs
    • B60K6/42Arrangement or mounting of plural diverse prime-movers for mutual or common propulsion, e.g. hybrid propulsion systems comprising electric motors and internal combustion engines the prime-movers consisting of electric motors and internal combustion engines, e.g. HEVs characterised by the architecture of the hybrid electric vehicle
    • B60K6/46Series type
    • BPERFORMING OPERATIONS; TRANSPORTING
    • B60VEHICLES IN GENERAL
    • B60KARRANGEMENT OR MOUNTING OF PROPULSION UNITS OR OF TRANSMISSIONS IN VEHICLES; ARRANGEMENT OR MOUNTING OF PLURAL DIVERSE PRIME-MOVERS IN VEHICLES; AUXILIARY DRIVES FOR VEHICLES; INSTRUMENTATION OR DASHBOARDS FOR VEHICLES; ARRANGEMENTS IN CONNECTION WITH COOLING, AIR INTAKE, GAS EXHAUST OR FUEL SUPPLY OF PROPULSION UNITS IN VEHICLES
    • B60K6/00Arrangement or mounting of plural diverse prime-movers for mutual or common propulsion, e.g. hybrid propulsion systems comprising electric motors and internal combustion engines
    • B60K6/20Arrangement or mounting of plural diverse prime-movers for mutual or common propulsion, e.g. hybrid propulsion systems comprising electric motors and internal combustion engines the prime-movers consisting of electric motors and internal combustion engines, e.g. HEVs
    • B60K6/50Architecture of the driveline characterised by arrangement or kind of transmission units
    • B60K6/54Transmission for changing ratio
    • B60K6/547Transmission for changing ratio the transmission being a stepped gearing
    • YGENERAL TAGGING OF NEW TECHNOLOGICAL DEVELOPMENTS; GENERAL TAGGING OF CROSS-SECTIONAL TECHNOLOGIES SPANNING OVER SEVERAL SECTIONS OF THE IPC; TECHNICAL SUBJECTS COVERED BY FORMER USPC CROSS-REFERENCE ART COLLECTIONS [XRACs] AND DIGESTS
    • Y02TECHNOLOGIES OR APPLICATIONS FOR MITIGATION OR ADAPTATION AGAINST CLIMATE CHANGE
    • Y02TCLIMATE CHANGE MITIGATION TECHNOLOGIES RELATED TO TRANSPORTATION
    • Y02T10/00Road transport of goods or passengers
    • Y02T10/60Other road transportation technologies with climate change mitigation effect
    • Y02T10/62Hybrid vehicles

Landscapes

  • Engineering & Computer Science (AREA)
  • Chemical & Material Sciences (AREA)
  • Combustion & Propulsion (AREA)
  • Transportation (AREA)
  • Mechanical Engineering (AREA)
  • Structure Of Transmissions (AREA)

Abstract

本发明公开一种轻型商用车混合动力传动装置,包括:输入轴、模式切换离合器、驱动电机、电机驱动器、发电机、两挡动力换挡变速机构和输出轴组成;本发明发电机、驱动电机、模式切换离合器、两挡动力换挡变速机构均同轴布置,结构和工艺简单,有利于商用车的空间布置;模式切换离合器布置在发电机和驱动电机之间,能充分利用两台电机绕组端部的空间,提高传动装置的功率密度;本发明的混合动力传动装置具备纯电驱动工况、混合动力工况、发动机直驱工况、制动能量回收工况,满足轻型商用车的大转矩起步和宽传动范围的要求,保证发动机工作在常用高效区间,提高燃油经济性,提高混合动力传动的效率,提高整车经济性。

Description

一种轻型商用车混合动力传动装置
技术领域
本发明涉及动力传动技术领域,特别是涉及一种轻型商用车混合动力传动装置。
背景技术
混合动力传动技术为汽车节能减排的重要手段,随着环保压力的增大,商用车混合动力传动系统将得到越来越多的重视。目前,轻型商用车,例如皮卡、轻客等,混合动力系统多采用并联的方式,利用电机与自动变速箱(AT)的组合,如在原来8AT变速器的前面取消液力变矩器,增加一台电机和离合器,实现并联形式的混合动力传动系统。
但是,在现有的混合动力方案中大多为采用多个单行星排进行并联的混合动力方案,节油效率较低。因此,整车节油效率更高、更适用于混合动力车辆的传动装置是当前的一个主要研究课题。
而相比于并联形式的混合动力传动系统,串并联形式更具有节油的潜力,为此提出一种能够进行串联和并联模式切换的轻型商用车混合动力传动装置。
发明内容
本发明的目的是提供一种轻型商用车混合动力传动装置,以解决上述现有技术存在的问题。
为实现上述目的,本发明提供了如下方案:本发明提供一种轻型商用车混合动力传动装置,包括:
输入轴,所述输入轴用于接入发动机的动力输出;
模式切换离合器,所述模式切换离合器用于切换混合动力传动装置的输出模式,所述模式切换离合器的输入端与所述输入轴传动连接;
驱动电机,所述驱动电机用于动力输出;
电机驱动器,所述电机驱动器用于为所述驱动电机输送电力,所述电机驱动器连接有电力供给装置;
发电机,所述发电机与所述输入轴传动配合,所述发电机通过所述输入轴接入的发动机动力进行发电,且所述发电机与所述电机驱动器通过电缆连接;
两挡动力换挡变速机构,所述两挡动力换挡变速机构用于实现动力换挡,且所述驱动电机输出的动力通过所述两挡动力换挡变速机构进行动力传动;
输出轴,所述输出轴与所述两挡动力换挡变速机构传动连接,所述驱动电机输出的动力、所述输入轴接入的动力均通过所述输出轴进行输出。
优选的,所述模式切换离合器设置于所述发电机与所述驱动电机之间,所述两挡动力换挡变速机构设置于所述驱动电机远离所述模式切换离合器的一侧;所述模式切换离合器的被动端传动连接有第一中间轴,所述输出轴与所述第一中间轴传动连接,且所述输入轴、所述第一中间轴、所述输出轴依次沿动力传动方向同轴设置。
优选的,所述两挡动力换挡变速机构由拉维娜行星机构、高挡制动器和低挡制动器组成;所述低挡制动器制动,所述高挡制动器松开,实现低速挡位;所述低挡制动器松开,所述高挡制动器制动,实现高速挡位。
优选的,所述拉维娜行星机构包括拉维娜行星机构小太阳轮、拉维娜行星机构行星架、拉维娜行星机构齿圈和拉维娜行星机构大太阳轮;
所述驱动电机的输出端传动连接有驱动电机轴,所述驱动电机轴空套在所述第一中间轴上,所述拉维娜行星机构小太阳轮通过所述驱动电机轴与所述驱动电机传动连接,且所述拉维娜行星机构小太阳轮与所述拉维娜行星机构行星架的内侧传动连接;所述拉维娜行星机构大太阳轮空套在所述驱动电机轴上,且所述拉维娜行星机构大太阳轮与所述拉维娜行星机构行星架的内侧传动连接;所述拉维娜行星机构齿圈与所述拉维娜行星机构行星架的外侧传动连接,所述拉维娜行星机构齿圈固定套设在所述输出轴上;所述高挡制动器与所述拉维娜行星机构大太阳轮限位配合,所述低挡制动器与所述拉维娜行星机构行星架限位配合。
优选的,所述两挡动力换挡变速机构由CRCR行星机构、高挡制动器和低挡制动器组成;所述低挡制动器制动,所述高挡制动器松开,实现低速挡位;所述低挡制动器松开,所述高挡制动器制动,实现高速挡位。
优选的,所述CRCR行星机构包括CRCR行星机构大太阳轮、CRCR行星机构小太阳轮、CRCR行星机构大行星架、CRCR行星机构小行星架、CRCR行星机构大齿圈和CRCR行星机构小齿圈;
所述驱动电机的输出端传动连接有驱动电机轴,所述驱动电机轴空套在所述第一中间轴上,所述CRCR行星机构小太阳轮通过所述驱动电机轴与所述驱动电机传动连接,且所述CRCR行星机构小太阳轮与所述CRCR行星机构小行星架传动连接;所述CRCR行星机构小齿圈与所述CRCR行星机构大行星架一端连接,所述CRCR行星机构大行星架通过所述CRCR行星机构小齿圈与所述CRCR行星机构小行星架传动连接;所述CRCR行星机构大齿圈安装在所述CRCR行星机构小行星架上,所述CRCR行星机构大行星架的另一端通过所述CRCR行星机构大齿圈与所述CRCR行星机构小行星架传动连接;所述CRCR行星机构大太阳轮空套在所述驱动电机轴上,且所述CRCR行星机构大太阳轮通过所述CRCR行星机构大行星架与所述CRCR行星机构大齿圈传动连接;所述高挡制动器与所述CRCR行星机构大太阳轮限位配合,所述低挡制动器与所述CRCR行星机构大行星架限位配合。
优选的,所述两挡动力换挡变速机构包括驱动电机主动齿轮、传动齿轮、第二中间轴、高挡主动齿轮、高挡被动齿轮、高挡离合器、低挡主动齿轮、低挡被动齿轮和低挡离合器;
所述驱动电机的输出端传动连接有驱动电机轴,所述驱动电机轴空套在所述第一中间轴上,所述驱动电机主动齿轮通过所述驱动电机轴与所述驱动电机传动连接;所述传动齿轮、所述高挡离合器的被动端和所述低挡主动齿轮依次固定套设在所述第二中间轴上,所述传动齿轮与所述驱动电机主动齿轮传动连接;所述高挡主动齿轮空套在所述第二中间轴上,所述高挡主动齿轮设置于所述传动齿轮与所述高挡离合器之间,且所述高挡主动齿轮与所述高挡离合器的主动端传动连接;所述高挡被动齿轮和所述低挡离合器的被动端依次固定套设在所述第一中间轴上,所述高挡被动齿轮设置于所述驱动电机主动齿轮与所述低挡离合器之间,所述高挡被动齿轮与所述高挡主动齿轮啮合;所述低挡被动齿轮空套在所述第一中间轴上,所述低挡被动齿轮设置于所述高挡被动齿轮与所述低挡离合器之间,所述低挡被动齿轮与所述低挡离合器的主动端传动连接,且所述低挡被动齿轮与所述低挡主动齿轮啮合;所述低挡离合器的被动端与所述输出轴连接。
优选的,所述电力供给装置包括所述发电机和电池组,所述发电机和所述电池组均用于为所述电机驱动器提供电力,且所述发电机能够对所述电池组进行充电。
与现有技术相比,本发明公开了以下技术效果:
1、发电机、驱动电机、模式切换离合器、两挡动力换挡变速机构均同轴布置,结构和工艺简单,有利于商用车的空间布置。
2、模式切换离合器布置在发电机和驱动电机之间,能充分利用两台电机绕组端部的空间,提高传动装置的功率密度。
3、两挡动力换挡变速机构布置在驱动电机远离模式切换离合器的一侧,可以大大减小驱动电机的额定转矩,提高驱动电机的额定转速,从而提高驱动电机的功率密度。
4、串联混合动力工况,保证发动机工作在常用高效区间,提高燃油经济性。
5、发动机直驱工况,可提高混合动力传动的效率。
6、驱动电机可全程进行制动能量回收,提高整车经济性。
7、采用湿式离合器进行高低挡位的切换,保证平顺性,提高换挡机构的可靠性,降低了控制难度。
附图说明
为了更清楚地说明本发明实施例或现有技术中的技术方案,下面将对实施例中所需要使用的附图作简单地介绍,显而易见地,下面描述中的附图仅仅是本发明的一些实施例,对于本领域普通技术人员来讲,在不付出创造性劳动的前提下,还可以根据这些附图获得其他的附图。
图1为实施例一中本发明轻型商用车混合动力传动装置的结构示意图;
图2为实施例二中本发明轻型商用车混合动力传动装置的结构示意图;
图3为实施例三中本发明轻型商用车混合动力传动装置的结构示意图;
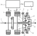
其中,输入轴-1、发电机-2、模式切换离合器-3、驱动电机-4、第一中间轴-5、驱动电机轴-6、高挡制动器-7、低挡制动器-8、输出轴-9、拉维娜行星机构小太阳轮-10、拉维娜行星机构行星架-11、拉维娜行星机构齿圈-12、拉维娜行星机构大太阳轮-13、CRCR行星机构大太阳轮-14、CRCR行星机构小太阳轮-15、CRCR行星机构大行星架-16、CRCR行星机构小行星架-17、CRCR行星机构大齿圈-18、CRCR行星机构小齿圈-19、驱动电机主动齿轮-20、传动齿轮-21、第二中间轴-22、高挡主动齿轮-23、高挡被动齿轮-24、高挡离合器-25、低挡主动齿轮-26、低挡被动齿轮-27、低挡离合器-28、电机驱动器-30、电池组-31。
具体实施方式
下面将结合本发明实施例中的附图,对本发明实施例中的技术方案进行清楚、完整地描述,显然,所描述的实施例仅仅是本发明一部分实施例,而不是全部的实施例。基于本发明中的实施例,本领域普通技术人员在没有做出创造性劳动前提下所获得的所有其他实施例,都属于本发明保护的范围。
为使本发明的上述目的、特征和优点能够更加明显易懂,下面结合附图和具体实施方式对本发明作进一步详细的说明。
本发明提供一种轻型商用车混合动力传动装置,包括:
输入轴1,输入轴1用于接入发动机的动力输出;
模式切换离合器3,模式切换离合器3用于切换混合动力传动装置的输出模式,模式切换离合器3的输入端与输入轴1传动连接;
驱动电机4,驱动电机4用于动力输出;
电机驱动器30,电机驱动器30用于为驱动电机4输送电力,电机驱动器30连接有电力供给装置;
发电机2,发电机2与输入轴1传动配合,发电机2通过输入轴1接入的发动机动力进行发电,且发电机2与电机驱动器30通过电缆连接;
两挡动力换挡变速机构,两挡动力换挡变速机构用于实现动力换挡,且驱动电机4输出的动力通过两挡动力换挡变速机构进行动力传动;
输出轴9,输出轴9与两挡动力换挡变速机构传动连接,驱动电机4输出的动力、输入轴1接入的动力均通过输出轴9进行输出。
电力供给装置包括发电机2和电池组31,发电机2和电池组31均用于为电机驱动器30提供电力,且发电机2能够对电池组31进行充电。
进一步的,模式切换离合器3设置于发电机2与驱动电机4之间,两挡动力换挡变速机构设置于驱动电机4远离模式切换离合器3的一侧;模式切换离合器3的被动端传动连接有第一中间轴5,输出轴9与第一中间轴5传动连接,且输入轴1、第一中间轴5、输出轴9依次沿动力传动方向同轴设置。
实施例一
参见图1,本发明的动力换挡混合动力传动装置具体实施方式如下:
两挡动力换挡变速机构由拉维娜行星机构、高挡制动器7和低挡制动器8组成;拉维娜行星机构包括拉维娜行星机构小太阳轮10、拉维娜行星机构行星架11、拉维娜行星机构齿圈12和拉维娜行星机构大太阳轮13;
驱动电机4的输出端传动连接有驱动电机轴6,驱动电机轴6空套在第一中间轴5上,拉维娜行星机构小太阳轮10通过驱动电机轴6与驱动电机4传动连接,且拉维娜行星机构小太阳轮10与拉维娜行星机构行星架11的内侧传动连接;拉维娜行星机构大太阳轮13空套在驱动电机轴6上,且拉维娜行星机构大太阳轮13与拉维娜行星机构行星架11的内侧传动连接;拉维娜行星机构齿圈12与拉维娜行星机构行星架11的外侧传动连接,拉维娜行星机构齿圈12固定套设在输出轴9上;高挡制动器7与拉维娜行星机构大太阳轮13限位配合,低挡制动器8与拉维娜行星机构行星架11限位配合。
发电机2和驱动电机4同轴布置,两挡动力换挡变速机构布置在驱动电机4后面;模式切换离合器3在发电机2和驱动电机4之间,充分利用两台电机绕组端部的空间,缩短轴向空间,提高传动装置的功率密度。两挡动力换挡变速机构可以大大减小驱动电机4的额定转矩,减小驱动电机4的体积重量,从而提高驱动电机4的功率密度。
两挡动力换挡变速机构由拉维娜行星机构、高挡制动器7和低挡制动器8组成,实现两个挡位,低挡制动器8制动,高挡制动器7松开,实现低速挡位;低挡制动器8松开,高挡制动器7制动,实现高速挡位。在实际应用中,低速挡位传动比约为4,高速挡位传动比约为2。
本发明的混合动力传动装置具备纯电驱动工况、混合动力工况、发动机直驱工况、制动能量回收工况。
起步、低速工况可采用纯电驱动,驱动电机4通过两挡动力换挡变速机构驱动车辆行驶,根据驱动电机4的转速和负荷进行换挡。由于具备纯电动行驶工况,可通过增大电池的容量,方便实现插电混合动力传动系统的功能。
中速工况、大负荷功率需求工况或者电池的电量不足时,采用串联混合动力工况,发动机的动力输入到发电机2,一部分功率经过发电机2传递给驱动电机4,剩余的功率给电池组31充电。相当于工作在串联混合动力模式,通过发电机2的功率调控,发动机可以工作在最优经济区间,可提高燃油经济性能。通过调整发电机2的负荷,给驱动电机4供电和电池组31充电。在急加速工况下,发电机2和电池组31可同时给驱动电机4供电,增大驱动电机4的输出功率。
在串联混合动力工况,较低速度或者重载工况下需要大输出转矩时,两挡动力换挡变速机构处于低挡,驱动电机4的转矩经过减速后,可获得更大的输出转矩。当车速增大后或者所需较小的输出转矩时,两挡动力换挡变速机构处于高挡。抵挡和高挡切换时,通过湿式离合器进行挡位的切换,保证动力的不中断,可提高换挡舒适性。
发动机直驱工况,在高速工况,例如车速大于70km/h时,模式切换离合器3接合,发动机的功率通过第一中间轴5、输出轴9直接输出。在发动机直驱工况,驱动电机4可根据工况进行辅助加速、能量回收等。
倒车,采用纯电动方式,驱动电机4反转实现。
制动能量回收工况,驱动电机4在纯电动或者混合动力工况下均可以实现制动能量回收,从而提高整车的燃油经济性。利用驱动电机4进行能量回收,可提高整车燃油经济性。
实施例二
参见图2,本实施例与实施例一的区别在于:拉维娜行星机构变为CRCR行星机构。
两挡动力换挡变速机构由CRCR行星机构、高挡制动器7和低挡制动器8组成;CRCR行星机构包括CRCR行星机构大太阳轮14、CRCR行星机构小太阳轮15、CRCR行星机构大行星架16、CRCR行星机构小行星架17、CRCR行星机构大齿圈18和CRCR行星机构小齿圈19;
驱动电机4的输出端传动连接有驱动电机轴6,驱动电机轴6空套在第一中间轴5上,CRCR行星机构小太阳轮15通过驱动电机轴6与驱动电机4传动连接,且CRCR行星机构小太阳轮15与CRCR行星机构小行星架17传动连接;CRCR行星机构小齿圈19与CRCR行星机构大行星架16一端连接,CRCR行星机构大行星架16通过CRCR行星机构小齿圈19与CRCR行星机构小行星架17传动连接;CRCR行星机构大齿圈18安装在CRCR行星机构小行星架17上,CRCR行星机构大行星架16的另一端通过CRCR行星机构大齿圈18与CRCR行星机构小行星架17传动连接;CRCR行星机构大太阳轮14空套在驱动电机轴6上,且CRCR行星机构大太阳轮14通过CRCR行星机构大行星架16与CRCR行星机构大齿圈18传动连接;高挡制动器7与CRCR行星机构大太阳轮14限位配合,低挡制动器8与CRCR行星机构大行星架16限位配合。
实施例三
参见图3,本实施例与实施例一的区别在于:拉维娜行星机构变为两挡固定轴齿轮传动。
两挡动力换挡变速机构包括驱动电机主动齿轮20、传动齿轮21、第二中间轴22、高挡主动齿轮23、高挡被动齿轮24、高挡离合器25、低挡主动齿轮26、低挡被动齿轮27和低挡离合器28;
驱动电机4的输出端传动连接有驱动电机轴6,驱动电机轴6空套在第一中间轴5上,驱动电机主动齿轮20通过驱动电机轴6与驱动电机4传动连接;传动齿轮21、高挡离合器25的被动端和低挡主动齿轮26依次固定套设在第二中间轴22上,传动齿轮21与驱动电机主动齿轮20传动连接;高挡主动齿轮23空套在第二中间轴22上,高挡主动齿轮23设置于传动齿轮21与高挡离合器25之间,且高挡主动齿轮23与高挡离合器25的主动端传动连接;高挡被动齿轮24和低挡离合器28的被动端依次固定套设在第一中间轴5上,高挡被动齿轮24设置于驱动电机主动齿轮20与低挡离合器28之间,高挡被动齿轮24与高挡主动齿轮23啮合;低挡被动齿轮27空套在第一中间轴5上,低挡被动齿轮27设置于高挡被动齿轮24与低挡离合器28之间,低挡被动齿轮27与低挡离合器28的主动端传动连接,且低挡被动齿轮27与低挡主动齿轮26啮合;低挡离合器28的被动端与输出轴9连接。
在本发明的描述中,需要理解的是,术语“纵向”、“横向”、“上”、“下”、“前”、“后”、“左”、“右”、“竖直”、“水平”、“顶”、“底”、“内”、“外”等指示的方位或位置关系为基于附图所示的方位或位置关系,仅是为了便于描述本发明,而不是指示或暗示所指的装置或元件必须具有特定的方位、以特定的方位构造和操作,因此不能理解为对本发明的限制。
以上所述的实施例仅是对本发明的优选方式进行描述,并非对本发明的范围进行限定,在不脱离本发明设计精神的前提下,本领域普通技术人员对本发明的技术方案做出的各种变形和改进,均应落入本发明权利要求书确定的保护范围内。

Claims (8)

1.一种轻型商用车混合动力传动装置,其特征在于,包括:
输入轴(1),所述输入轴(1)用于接入发动机的动力输出;
模式切换离合器(3),所述模式切换离合器(3)用于切换混合动力传动装置的输出模式,所述模式切换离合器(3)的输入端与所述输入轴(1)传动连接;
驱动电机(4),所述驱动电机(4)用于动力输出;
电机驱动器(30),所述电机驱动器(30)用于为所述驱动电机(4)输送电力,所述电机驱动器(30)连接有电力供给装置;
发电机(2),所述发电机(2)与所述输入轴(1)传动配合,所述发电机(2)通过所述输入轴(1)接入的发动机动力进行发电,且所述发电机(2)与所述电机驱动器(30)通过电缆连接;
两挡动力换挡变速机构,所述两挡动力换挡变速机构用于实现动力换挡,且所述驱动电机(4)输出的动力通过所述两挡动力换挡变速机构进行动力传动;
输出轴(9),所述输出轴(9)与所述两挡动力换挡变速机构传动连接,所述驱动电机(4)输出的动力、所述输入轴(1)接入的动力均通过所述输出轴(9)进行输出。
2.根据权利要求1所述的轻型商用车混合动力传动装置,其特征在于,所述模式切换离合器(3)设置于所述发电机(2)与所述驱动电机(4)之间,所述两挡动力换挡变速机构设置于所述驱动电机(4)远离所述模式切换离合器(3)的一侧;所述模式切换离合器(3)的被动端传动连接有第一中间轴(5),所述输出轴(9)与所述第一中间轴(5)传动连接,且所述输入轴(1)、所述第一中间轴(5)、所述输出轴(9)依次沿动力传动方向同轴设置。
3.根据权利要求2所述的轻型商用车混合动力传动装置,其特征在于,所述两挡动力换挡变速机构由拉维娜行星机构、高挡制动器(7)和低挡制动器(8)组成;所述低挡制动器(8)制动,所述高挡制动器(7)松开,实现低速挡位;所述低挡制动器(8)松开,所述高挡制动器(7)制动,实现高速挡位。
4.根据权利要求3所述的轻型商用车混合动力传动装置,其特征在于,所述拉维娜行星机构包括拉维娜行星机构小太阳轮(10)、拉维娜行星机构行星架(11)、拉维娜行星机构齿圈(12)和拉维娜行星机构大太阳轮(13);
所述驱动电机(4)的输出端传动连接有驱动电机轴(6),所述驱动电机轴(6)空套在所述第一中间轴(5)上,所述拉维娜行星机构小太阳轮(10)通过所述驱动电机轴(6)与所述驱动电机(4)传动连接,且所述拉维娜行星机构小太阳轮(10)与所述拉维娜行星机构行星架(11)的内侧传动连接;所述拉维娜行星机构大太阳轮(13)空套在所述驱动电机轴(6)上,且所述拉维娜行星机构大太阳轮(13)与所述拉维娜行星机构行星架(11)的内侧传动连接;所述拉维娜行星机构齿圈(12)与所述拉维娜行星机构行星架(11)的外侧传动连接,所述拉维娜行星机构齿圈(12)固定套设在所述输出轴(9)上;所述高挡制动器(7)与所述拉维娜行星机构大太阳轮(13)限位配合,所述低挡制动器(8)与所述拉维娜行星机构行星架(11)限位配合。
5.根据权利要求2所述的轻型商用车混合动力传动装置,其特征在于,所述两挡动力换挡变速机构由CRCR行星机构、高挡制动器(7)和低挡制动器(8)组成;所述低挡制动器(8)制动,所述高挡制动器(7)松开,实现低速挡位;所述低挡制动器(8)松开,所述高挡制动器(7)制动,实现高速挡位。
6.根据权利要求5所述的轻型商用车混合动力传动装置,其特征在于,所述CRCR行星机构包括CRCR行星机构大太阳轮(14)、CRCR行星机构小太阳轮(15)、CRCR行星机构大行星架(16)、CRCR行星机构小行星架(17)、CRCR行星机构大齿圈(18)和CRCR行星机构小齿圈(19);
所述驱动电机(4)的输出端传动连接有驱动电机轴(6),所述驱动电机轴(6)空套在所述第一中间轴(5)上,所述CRCR行星机构小太阳轮(15)通过所述驱动电机轴(6)与所述驱动电机(4)传动连接,且所述CRCR行星机构小太阳轮(15)与所述CRCR行星机构小行星架(17)传动连接;所述CRCR行星机构小齿圈(19)与所述CRCR行星机构大行星架(16)一端连接,所述CRCR行星机构大行星架(16)通过所述CRCR行星机构小齿圈(19)与所述CRCR行星机构小行星架(17)传动连接;所述CRCR行星机构大齿圈(18)安装在所述CRCR行星机构小行星架(17)上,所述CRCR行星机构大行星架(16)的另一端通过所述CRCR行星机构大齿圈(18)与所述CRCR行星机构小行星架(17)传动连接;所述CRCR行星机构大太阳轮(14)空套在所述驱动电机轴(6)上,且所述CRCR行星机构大太阳轮(14)通过所述CRCR行星机构大行星架(16)与所述CRCR行星机构大齿圈(18)传动连接;所述高挡制动器(7)与所述CRCR行星机构大太阳轮(14)限位配合,所述低挡制动器(8)与所述CRCR行星机构大行星架(16)限位配合。
7.根据权利要求2所述的轻型商用车混合动力传动装置,其特征在于,所述两挡动力换挡变速机构包括驱动电机主动齿轮(20)、传动齿轮(21)、第二中间轴(22)、高挡主动齿轮(23)、高挡被动齿轮(24)、高挡离合器(25)、低挡主动齿轮(26)、低挡被动齿轮(27)和低挡离合器(28);
所述驱动电机(4)的输出端传动连接有驱动电机轴(6),所述驱动电机轴(6)空套在所述第一中间轴(5)上,所述驱动电机主动齿轮(20)通过所述驱动电机轴(6)与所述驱动电机(4)传动连接;所述传动齿轮(21)、所述高挡离合器(25)的被动端和所述低挡主动齿轮(26)依次固定套设在所述第二中间轴(22)上,所述传动齿轮(21)与所述驱动电机主动齿轮(20)传动连接;所述高挡主动齿轮(23)空套在所述第二中间轴(22)上,所述高挡主动齿轮(23)设置于所述传动齿轮(21)与所述高挡离合器(25)之间,且所述高挡主动齿轮(23)与所述高挡离合器(25)的主动端传动连接;所述高挡被动齿轮(24)和所述低挡离合器(28)的被动端依次固定套设在所述第一中间轴(5)上,所述高挡被动齿轮(24)设置于所述驱动电机主动齿轮(20)与所述低挡离合器(28)之间,所述高挡被动齿轮(24)与所述高挡主动齿轮(23)啮合;所述低挡被动齿轮(27)空套在所述第一中间轴(5)上,所述低挡被动齿轮(27)设置于所述高挡被动齿轮(24)与所述低挡离合器(28)之间,所述低挡被动齿轮(27)与所述低挡离合器(28)的主动端传动连接,且所述低挡被动齿轮(27)与所述低挡主动齿轮(26)啮合;所述低挡离合器(28)的被动端与所述输出轴(9)连接。
8.根据权利要求1所述的轻型商用车混合动力传动装置,其特征在于,所述电力供给装置包括所述发电机(2)和电池组(31),所述发电机(2)和所述电池组(31)均用于为所述电机驱动器(30)提供电力,且所述发电机(2)能够对所述电池组(31)进行充电。
CN202211269439.5A 2022-10-18 2022-10-18 一种轻型商用车混合动力传动装置 Pending CN115339309A (zh)

Priority Applications (1)

Application Number Priority Date Filing Date Title
CN202211269439.5A CN115339309A (zh) 2022-10-18 2022-10-18 一种轻型商用车混合动力传动装置

Applications Claiming Priority (1)

Application Number Priority Date Filing Date Title
CN202211269439.5A CN115339309A (zh) 2022-10-18 2022-10-18 一种轻型商用车混合动力传动装置

Publications (1)

Publication Number Publication Date
CN115339309A true CN115339309A (zh) 2022-11-15

Family

ID=83957185

Family Applications (1)

Application Number Title Priority Date Filing Date
CN202211269439.5A Pending CN115339309A (zh) 2022-10-18 2022-10-18 一种轻型商用车混合动力传动装置

Country Status (1)

Country Link
CN (1) CN115339309A (zh)

Cited By (1)

* Cited by examiner, † Cited by third party
Publication number Priority date Publication date Assignee Title
CN119348405A (zh) * 2024-08-22 2025-01-24 中国第一汽车股份有限公司 一种多挡动力传递装置及方法

Citations (7)

* Cited by examiner, † Cited by third party
Publication number Priority date Publication date Assignee Title
CN102785564A (zh) * 2012-08-24 2012-11-21 北京理工大学 一种前驱双模式四挡混合动力传动装置
CN102815197A (zh) * 2012-08-24 2012-12-12 北京理工大学 一种后驱双模式四挡混合动力传动装置
CN104648115A (zh) * 2015-03-07 2015-05-27 合肥工业大学 集成式单驱动电机的插电式混合动力汽车的两挡变速驱动系统
CN107215201A (zh) * 2017-05-02 2017-09-29 北京理工大学 商用车串并联混合动力传动装置
CN110039989A (zh) * 2017-05-02 2019-07-23 北京理工大学 带缓速功能的商用车混合动力传动装置
CN114312270A (zh) * 2022-02-14 2022-04-12 北京理工华创电动车技术有限公司 一种双电机耦合驱动系统及其控制方法
US20220274583A1 (en) * 2019-09-03 2022-09-01 Schaeffler Technologies AG & Co. KG Powertrain unit having electrical machine and internal combuation engine; and method for operating a powertrain unit

Patent Citations (7)

* Cited by examiner, † Cited by third party
Publication number Priority date Publication date Assignee Title
CN102785564A (zh) * 2012-08-24 2012-11-21 北京理工大学 一种前驱双模式四挡混合动力传动装置
CN102815197A (zh) * 2012-08-24 2012-12-12 北京理工大学 一种后驱双模式四挡混合动力传动装置
CN104648115A (zh) * 2015-03-07 2015-05-27 合肥工业大学 集成式单驱动电机的插电式混合动力汽车的两挡变速驱动系统
CN107215201A (zh) * 2017-05-02 2017-09-29 北京理工大学 商用车串并联混合动力传动装置
CN110039989A (zh) * 2017-05-02 2019-07-23 北京理工大学 带缓速功能的商用车混合动力传动装置
US20220274583A1 (en) * 2019-09-03 2022-09-01 Schaeffler Technologies AG & Co. KG Powertrain unit having electrical machine and internal combuation engine; and method for operating a powertrain unit
CN114312270A (zh) * 2022-02-14 2022-04-12 北京理工华创电动车技术有限公司 一种双电机耦合驱动系统及其控制方法

Cited By (1)

* Cited by examiner, † Cited by third party
Publication number Priority date Publication date Assignee Title
CN119348405A (zh) * 2024-08-22 2025-01-24 中国第一汽车股份有限公司 一种多挡动力传递装置及方法

Similar Documents

Publication Publication Date Title
CN104648115B (zh) 集成式单驱动电机的插电式混合动力汽车的两挡变速驱动系统
CN106004407B (zh) 一种混合动力驱动总成及设有该总成的汽车
CN112297820B (zh) 混合动力系统
CN110962577A (zh) 混合动力变速箱及混合动力变速传动系统
CN110126605A (zh) 一种变速装置、动力总成及车辆
CN110978989A (zh) 一种新型混合动力变速器
CN111071025A (zh) 一种双电机混合动力变速驱动系统
CN116176256A (zh) 纵置前驱两档混合动力驱动系统、车辆及车辆的控制方法
CN113263905A (zh) 动力驱动系统和控制方法
CN110816253B (zh) 无齿圈行星轮系混合动力系统
CN111688470A (zh) 一种串并联构型插电式混合动力系统及其控制方法
CN112248790A (zh) 一种多模式混合动力传动装置及其控制方法
CN111469652A (zh) 混合动力驱动系统、控制方法及汽车
CN115339309A (zh) 一种轻型商用车混合动力传动装置
CN221188118U (zh) 混合动力系统及车辆
CN211519235U (zh) 一种双电机混合动力变速驱动系统
CN110789328B (zh) 混合动力驱动系统
CN114905948A (zh) 混合动力耦合系统及车辆
CN117021925A (zh) 一种多工作模式混联式混合动力耦合系统
CN215552501U (zh) 动力系统及汽车
CN113580907B (zh) 电动动力传递系统及控制方法
CN216861169U (zh) 双电机混合动力系统
CN111717017A (zh) 混合动力驱动系统及车辆
CN212400883U (zh) 混合动力驱动系统及汽车
CN115027248A (zh) 一种机电耦合系统及混合动力汽车

Legal Events

Date Code Title Description
PB01 Publication
PB01 Publication
SE01 Entry into force of request for substantive examination
SE01 Entry into force of request for substantive examination