CN114932183A - Die casting equipment with protection device for automobile forging - Google Patents

Die casting equipment with protection device for automobile forging Download PDF

Info

Publication number
CN114932183A
CN114932183A CN202210265329.5A CN202210265329A CN114932183A CN 114932183 A CN114932183 A CN 114932183A CN 202210265329 A CN202210265329 A CN 202210265329A CN 114932183 A CN114932183 A CN 114932183A
Authority
CN
China
Prior art keywords
wall
fixedly connected
hammer
rod
arc
Prior art date
Legal status (The legal status is an assumption and is not a legal conclusion. Google has not performed a legal analysis and makes no representation as to the accuracy of the status listed.)
Granted
Application number
CN202210265329.5A
Other languages
Chinese (zh)
Other versions
CN114932183B (en
Inventor
刘兵
Current Assignee (The listed assignees may be inaccurate. Google has not performed a legal analysis and makes no representation or warranty as to the accuracy of the list.)
Jiangsu Zhongxiang Auto Parts Co ltd
Original Assignee
Jiangsu Zhongxiang Auto Parts Co ltd
Priority date (The priority date is an assumption and is not a legal conclusion. Google has not performed a legal analysis and makes no representation as to the accuracy of the date listed.)
Filing date
Publication date
Application filed by Jiangsu Zhongxiang Auto Parts Co ltd filed Critical Jiangsu Zhongxiang Auto Parts Co ltd
Priority to CN202210265329.5A priority Critical patent/CN114932183B/en
Publication of CN114932183A publication Critical patent/CN114932183A/en
Application granted granted Critical
Publication of CN114932183B publication Critical patent/CN114932183B/en
Active legal-status Critical Current
Anticipated expiration legal-status Critical

Links

Images

Classifications

    • BPERFORMING OPERATIONS; TRANSPORTING
    • B21MECHANICAL METAL-WORKING WITHOUT ESSENTIALLY REMOVING MATERIAL; PUNCHING METAL
    • B21JFORGING; HAMMERING; PRESSING METAL; RIVETING; FORGE FURNACES
    • B21J7/00Hammers; Forging machines with hammers or die jaws acting by impact
    • B21J7/02Special design or construction
    • B21J7/04Power hammers
    • BPERFORMING OPERATIONS; TRANSPORTING
    • B08CLEANING
    • B08BCLEANING IN GENERAL; PREVENTION OF FOULING IN GENERAL
    • B08B5/00Cleaning by methods involving the use of air flow or gas flow
    • B08B5/02Cleaning by the force of jets, e.g. blowing-out cavities
    • BPERFORMING OPERATIONS; TRANSPORTING
    • B21MECHANICAL METAL-WORKING WITHOUT ESSENTIALLY REMOVING MATERIAL; PUNCHING METAL
    • B21JFORGING; HAMMERING; PRESSING METAL; RIVETING; FORGE FURNACES
    • B21J13/00Details of machines for forging, pressing, or hammering
    • BPERFORMING OPERATIONS; TRANSPORTING
    • B21MECHANICAL METAL-WORKING WITHOUT ESSENTIALLY REMOVING MATERIAL; PUNCHING METAL
    • B21JFORGING; HAMMERING; PRESSING METAL; RIVETING; FORGE FURNACES
    • B21J13/00Details of machines for forging, pressing, or hammering
    • B21J13/06Hammers tups; Anvils; Anvil blocks
    • BPERFORMING OPERATIONS; TRANSPORTING
    • B21MECHANICAL METAL-WORKING WITHOUT ESSENTIALLY REMOVING MATERIAL; PUNCHING METAL
    • B21JFORGING; HAMMERING; PRESSING METAL; RIVETING; FORGE FURNACES
    • B21J7/00Hammers; Forging machines with hammers or die jaws acting by impact
    • B21J7/20Drives for hammers; Transmission means therefor
    • B21J7/22Drives for hammers; Transmission means therefor for power hammers
    • B21J7/32Drives for hammers; Transmission means therefor for power hammers operated by rotary drive, e.g. by electric motor
    • FMECHANICAL ENGINEERING; LIGHTING; HEATING; WEAPONS; BLASTING
    • F16ENGINEERING ELEMENTS AND UNITS; GENERAL MEASURES FOR PRODUCING AND MAINTAINING EFFECTIVE FUNCTIONING OF MACHINES OR INSTALLATIONS; THERMAL INSULATION IN GENERAL
    • F16FSPRINGS; SHOCK-ABSORBERS; MEANS FOR DAMPING VIBRATION
    • F16F15/00Suppression of vibrations in systems; Means or arrangements for avoiding or reducing out-of-balance forces, e.g. due to motion
    • F16F15/02Suppression of vibrations of non-rotating, e.g. reciprocating systems; Suppression of vibrations of rotating systems by use of members not moving with the rotating systems
    • F16F15/04Suppression of vibrations of non-rotating, e.g. reciprocating systems; Suppression of vibrations of rotating systems by use of members not moving with the rotating systems using elastic means
    • F16F15/06Suppression of vibrations of non-rotating, e.g. reciprocating systems; Suppression of vibrations of rotating systems by use of members not moving with the rotating systems using elastic means with metal springs
    • F16F15/067Suppression of vibrations of non-rotating, e.g. reciprocating systems; Suppression of vibrations of rotating systems by use of members not moving with the rotating systems using elastic means with metal springs using only wound springs

Landscapes

  • Engineering & Computer Science (AREA)
  • Mechanical Engineering (AREA)
  • General Engineering & Computer Science (AREA)
  • Physics & Mathematics (AREA)
  • Acoustics & Sound (AREA)
  • Aviation & Aerospace Engineering (AREA)
  • Forging (AREA)

Abstract

本发明公开了一种有保护装置用于汽车锻件的压铸设备,涉及汽车锻件生产技术领域,包括台体,所述台体顶部外壁两侧处均固定连接有支座,两个所述支座顶部外壁固定连接有支架,所述支架顶部外壁开设有圆孔,所述圆孔弧形内壁滑动连接有压铸组件,所述压铸组件包括滑动连接在圆孔弧形内壁的锤杆,所述锤杆底部外壁开设有多边形槽,所述多边形槽一侧内壁滑动连接有棱柱,所述棱柱底部外壁固定连接有锻锤,所述锤杆弧形外壁底部固定连接有第一缓冲组件。本发明在工作过程中,当锻锤接触锻件后,锤杆通过多边形槽沿着锻锤上的棱柱下降,配合第一缓冲组件,实现对锤杆的缓冲,随着本装置使用时间的增加,锤杆依旧可以保持较高的强度。

Figure 202210265329

The invention discloses a die-casting equipment with a protection device for automobile forgings, which relates to the technical field of automobile forgings production. The outer wall of the top is fixedly connected with a bracket, the outer wall of the top of the bracket is provided with a circular hole, the arc-shaped inner wall of the circular hole is slidably connected with a die-casting component, and the die-casting component includes a hammer rod slidably connected to the arc-shaped inner wall of the circular hole. The outer wall of the bottom of the rod is provided with a polygonal groove, the inner wall of one side of the polygonal groove is slidably connected with a prism, the outer wall of the bottom of the prism is fixedly connected with a forging hammer, and the bottom of the arc-shaped outer wall of the hammer rod is fixedly connected with a first buffer component. During the working process of the present invention, when the forging hammer contacts the forging piece, the hammer rod descends along the prism on the forging hammer through the polygonal groove, and cooperates with the first buffer component to realize the buffering of the hammer rod. The hammer rod can still maintain a high strength.

Figure 202210265329

Description

Die casting equipment with protection device for automobile forge piece
Technical Field
The invention relates to the technical field of automobile forging production, in particular to a die casting device with a protection device for automobile forgings.
Background
The forging has the advantages of high quality, light weight under the same strength, raw material saving and high production efficiency, and is widely applied to the field of automobile manufacturing, the occupancy rate of the automobile forging reaches eighty percent of the mass of the forging, and a protection device for the die-casting equipment of the automobile forging is needed in order to ensure the safety degree in the production process of the automobile forging.
The utility model discloses a chinese utility model with publication number CN210966801U discloses a die casting equipment that has protection device for automobile forging, includes the organism, the bottom fixed mounting of organism has the base, the top fixed mounting of base has the chopping block, the top fixed mounting of organism has the hammer stem, the bottom fixed connection of hammer stem has the forging hammer, the top fixed mounting of forging hammer has the semicircle ring, the outside fixed connection of semicircle ring has the metal chain, this equipment, through the accurate location of forging hammer and chopping block, the hammer stem drives the forging hammer to move at the uniform velocity from top to bottom, the metal chain pulls the forging hammer, guarantees that the forging hammer can not pound the chopping block, the dust catcher in time will produce smoke and crushed aggregates to suck away, through metal chain pulling pivot rotation, when the hammer stem breaks, the forging hammer descends violently, the metal chain is dragged and is led to the cam skew, tooth on the circumference blocks with the tooth on the ratchet, the forging hammer is pulled promptly, thereby achieving the effect of reducing the danger when an accident occurs.
In the technical scheme, the following problems exist:
when the hammer stem is broken, the high-speed decline of forging hammer is prevented through the restriction of cam and ratchet, and then realize protect function, but unable realization carries out protection work to the hammer stem, along with operating time's increase, the intensity of hammer stem can constantly descend, inevitable needs are maintained and are changed the hammer stem, lead to the device practicality lower, in addition, tooth through on the cam circumference dies with the tooth card on the ratchet, the cooperation metal chain restricts the forging hammer, after long-time use, inevitable can lead to the tooth of cam and the tooth of ratchet to produce deformation, cause the protecting effect to reduce, the maintenance frequency of device has been increased, the practicality of device has further been reduced.
Disclosure of Invention
The invention aims to provide die-casting equipment with a protection device for automobile forgings, and aims to solve the technical problems that the protection work and the high maintenance frequency of a hammer rod cannot be realized in the prior art.
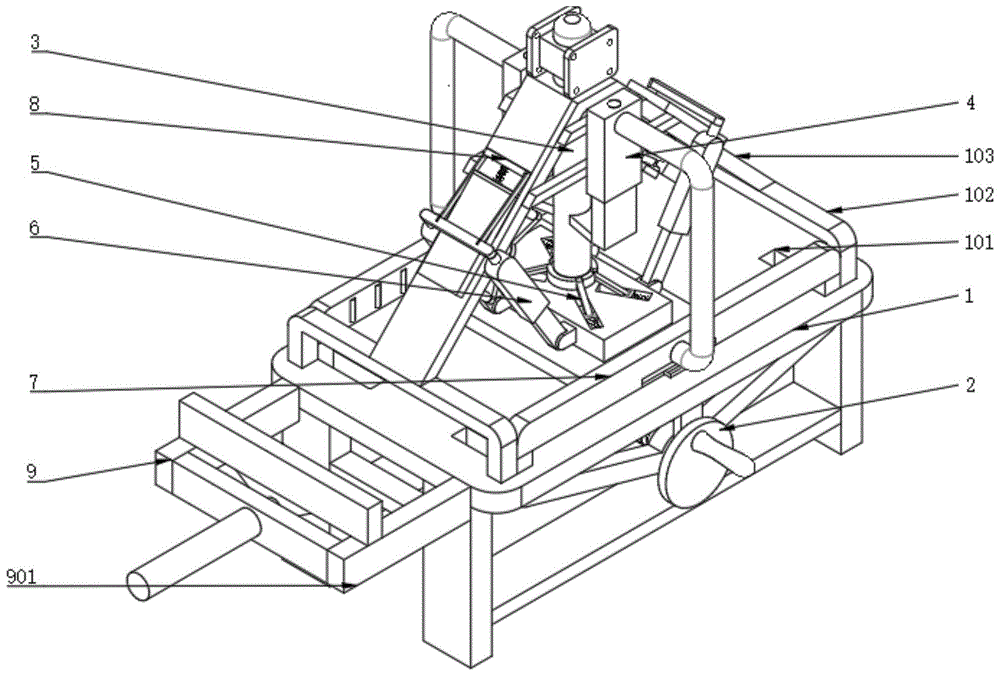
The invention provides a die casting device with a protection device for an automobile forging, which comprises a table body and is characterized in that: the table body is characterized in that the two sides of the outer wall of the top of the table body are fixedly connected with supports, the outer wall of the top of the two supports is fixedly connected with a support, the outer wall of the top of the support is provided with a round hole, the arc-shaped inner wall of the round hole is connected with a die-casting assembly in a sliding manner, the outer wall of the bottom of the hammer rod is provided with a polygonal groove, the inner wall of one side of the polygonal groove is connected with a prism in a sliding manner, the outer wall of the bottom of the prism is fixedly connected with a forging hammer, the bottom of the arc-shaped outer wall of the hammer rod is fixedly connected with a first buffer assembly, the two ends of the outer wall of the two sides of the forging hammer are fixedly connected with two connecting seats, the outer wall of one side of the four connecting seats is rotatably connected with a second buffer assembly, the second buffer assembly is rotatably connected with the outer wall of one side of the support, the outer wall of the top of the table body is fixedly connected with an anvil block near the forging hammer, and the top of the arc-shaped outer wall of the hammer rod is fixedly connected with a fixed seat, the device comprises a table body, a detection assembly, clamping assemblies, a transmission assembly, a negative pressure assembly and a feeding assembly, wherein the detection assembly is connected to the outer wall on one side of the support in a sliding mode, the clamping assemblies are arranged on two sides of the outer wall on the top of the table body, the transmission assembly is fixedly connected to the outer wall on the bottom of the table body, the negative pressure assembly is fixedly connected to the outer walls on two sides of the support, and the feeding assembly is fixedly connected to the outer wall on one side of the table body.
Preferably, first buffering subassembly includes the go-between of fixed connection in hammer stem arc outer wall bottom, go-between arc outer wall rotates and is connected with a plurality of first connecting rods, first connecting rod one side outer wall all rotates and is connected with the slider, the spout has all been seted up near first connecting rod department to the outer wall in forging hammer top, and slider and spout bottom inner wall sliding connection, the equal first spring of fixedly connected with of spout one side inner wall, and first spring and slider fixed connection.
Preferably, the second buffering subassembly is including rotating the loop bar of connecting at connecting seat one side outer wall, loop bar one side outer wall sliding connection has the sleeve, and sleeve and support rotate to be connected, loop bar one side outer wall fixedly connected with transfer line is in anvil with two of one side transfer line top outer wall fixedly connected with connecting plate, support one side outer wall is close to connecting plate department and has all seted up the connecting hole, two the equal sliding connection of connecting hole arc inner wall has the restriction subassembly.
Preferably, the limiting component comprises a limiting column which is connected with the arc-shaped inner wall of the connecting hole in a sliding manner, a rectangular hole is formed in the arc-shaped outer wall of the limiting column, two limiting blocks are connected with the inner wall of one side of the rectangular hole in a sliding manner, a circular groove is formed in the inner wall of one side of the rectangular hole, an electromagnet is fixedly connected with the inner wall of one side of the circular groove, a third spring is fixedly connected with the outer wall of one side of the electromagnet, an iron block is connected with the arc-shaped inner wall of the circular groove in a sliding manner, the iron block is fixedly connected with the third spring, two second connecting rods are rotatably connected with the outer wall of one side of the iron block, the two second connecting rods are respectively rotatably connected with the adjacent limiting blocks, a connecting frame is fixedly connected with the outer wall of one side of the limiting column, a second spring is fixedly connected with the outer wall of the connecting frame and the outer wall of the opposite side of the support, supporting rods are fixedly connected with supporting rods at the four corners of the outer wall of one side of the limiting column far away from the connecting frame, and the four supporting rods penetrate through the outer wall of one side of the support and are fixedly connected with the buffer plate.
Preferably, the negative pressure subassembly includes the negative pressure case of fixed connection at support one side outer wall, negative pressure case one side inner wall sliding connection has the piston board, piston board bottom outer wall fixedly connected with driving plate, and driving plate and hammer stem fixed connection, negative pressure roof portion outer wall fixedly connected with solenoid valve, negative pressure case one side outer wall top fixedly connected with check valve.
Preferably, the detection subassembly includes the detection piece of sliding connection at support one side outer wall, it all rotates and is connected with the third connecting rod to detect a both sides outer wall, and two third connecting rods all rotate with the connecting plate and be connected, detect a one side outer wall fixedly connected with fourth spring, support one side outer wall fixedly connected with fixed plate, fixed plate one side outer wall fixedly connected with pressure sensor, and pressure sensor and fourth spring fixed connection, pressure sensor has the controller through the signal line connection, and controller and solenoid valve and electro-magnet electric connection.
Preferably, the centre gripping subassembly is including seting up two through-holes at stage body top outer wall, two through-hole one side inner wall sliding connection has the driving frame, driving frame top outer wall fixedly connected with grip slipper, the collecting vat has been seted up to grip slipper one side outer wall, collecting vat bottom inner wall one side fixedly connected with grid, grip slipper one side outer wall is in collecting vat both sides department and all rotates the rubber roller that is connected with a plurality of equidistance and distributes, the fixed orifices has been seted up to collecting vat one side inner wall, fixed orifices arc inner wall fixedly connected with filter screen, grip slipper one side outer wall is close to the hose of fixed orifices fixedly connected with and solenoid valve intercommunication, collecting vat bottom inner wall sliding connection has the slide.
Preferably, the transmission assembly comprises support plates fixedly connected to two sides of the outer wall of the bottom of the table body, two support plates are rotatably connected to the outer walls of the opposite sides of the support plates, threaded holes for the bidirectional screw rods to penetrate through are formed in the outer wall of one side of each of the two transmission frames, a hand wheel is rotatably connected to the outer wall of one side of one of the support plates, and the hand wheel is fixedly connected with the bidirectional screw rods.
Preferably, the inner walls of the tops of the two collecting grooves are fixedly connected with a plurality of obliquely arranged guide plates at equal distances.
Preferably, the feeding assembly comprises a supporting frame fixedly connected to the outer wall of one side of the table body, a mounting hole is formed in the outer wall of one side of the supporting frame, a hydraulic rod is fixed to the arc-shaped inner wall of the mounting hole, a fixing block is fixedly connected to the output end of the hydraulic rod, and a push plate is fixedly connected to the outer wall of the top of the fixing block.
Compared with the prior art, the invention has the beneficial effects that:
(1) according to the invention, through the arrangement of the first buffer component, the prism, the hammer rod and the fixed seat, the hammer rod and the die-casting power equipment are connected through the fixed seat during working, the power equipment drives the hammer rod to move up and down at a constant speed, the hammer rod drives the forging hammer to descend during die-casting working, after the forging hammer contacts a forging piece, the hammer rod descends along the prism on the forging hammer through the polygonal groove, and the first buffer component is matched to buffer the hammer rod.
(2) According to the invention, through the arrangement of the negative pressure box, the electromagnetic valve, the one-way valve, the piston plate and the transmission plate, the electromagnetic valve is closed by the controller when the hammer rod is broken in the die-casting process, the electromagnetic valve is closed, and then the space formed by the negative pressure box and the piston plate is sealed, at the moment, the broken hammer rod drives the piston plate to descend through the transmission plate, and the piston plate is buffered under the action of air pressure, so that the hammer rod is prevented from being broken through the transmission plate, and workers are prevented from being injured.
(3) According to the invention, through the arrangement of the first buffer component and the second buffer component, the motion state of the forging hammer and the hammer rod can be prevented from being forcibly stopped in a rigid limiting mode when the forging hammer and the hammer rod are buffered, the damage degree of the first buffer component and the second buffer component is greatly reduced, and the maintenance frequency of the device is further reduced.
Drawings
In order to more clearly illustrate the embodiments of the present invention or the technical solutions in the prior art, the drawings used in the description of the embodiments or the prior art will be briefly described below, and it is obvious that the drawings in the following description are some embodiments of the present invention, and other drawings can be obtained by those skilled in the art without creative efforts.
FIG. 1 is a schematic perspective view of the present invention;
FIG. 2 is a schematic view of the structure of the transmission frame and the bidirectional screw rod of the invention;
FIG. 3 is a schematic cross-sectional view of the negative pressure tank of the present invention;
FIG. 4 is a schematic view of a first cushioning assembly according to the present invention;
FIG. 5 is an exploded view of the cartridge and slide of the present invention;
FIG. 6 is an enlarged schematic view of the present invention;
FIG. 7 is a schematic view of the connecting plate, the third connecting rod and the detecting block of the present invention;
FIG. 8 is a schematic view of the connecting frame, restraining post, strut and bumper of the present invention;
FIG. 9 is a schematic cross-sectional view of a restraining post according to the present invention;
fig. 10 is a schematic view of the structure of the hydraulic rod, the fixed block and the push plate of the present invention.
Reference numerals:
1. a table body; 101. a through hole; 102. a support; 103. a support; 2. a transmission assembly; 201. a transmission frame; 202. a hand wheel; 203. a bidirectional screw rod; 204. a support plate; 3. a die cast assembly; 301. a hammer lever; 302. a fixed seat; 303. a prism; 304. a connecting ring; 305. forging a hammer; 306. a connecting seat; 307. an anvil block; 4. a negative pressure assembly; 401. a negative pressure tank; 402. a one-way valve; 403. an electromagnetic valve; 404. a piston plate; 405. a drive plate; 406. a hose; 5. a first buffer assembly; 501. a first spring; 502. a slider; 503. a first link; 6. a second buffer assembly; 601. a sleeve; 602. a loop bar; 603. a transmission rod; 604. a connecting plate; 605. a buffer plate; 606. a strut; 607. a connecting frame; 608. a restraining post; 609. a second spring; 610. a limiting block; 611. a second link; 612. a ferrous mass; 613. a third spring; 614. an electromagnet; 7. a clamping assembly; 701. a clamping seat; 702. a rubber roller; 703. a grid; 704. filtering with a screen; 705. a slide plate; 706. a guide plate; 8. a detection component; 801. a detection block; 802. a fourth spring; 803. a pressure sensor; 804. a fixing plate; 805. a third link; 9. a feeding assembly; 901. a support frame; 902. pushing the plate; 903. a fixed block; 904. a hydraulic rod.
Detailed Description
The technical solutions of the present invention will be described clearly and completely with reference to the accompanying drawings, and it should be understood that the described embodiments are some, but not all embodiments of the present invention.
The components of embodiments of the present invention generally described and illustrated in the figures herein may be arranged and designed in a wide variety of different configurations. Thus, the following detailed description of the embodiments of the present invention, presented in the figures, is not intended to limit the scope of the invention, as claimed, but is merely representative of selected embodiments of the invention.
All other embodiments, which can be derived by a person skilled in the art from the embodiments given herein without making any creative effort, shall fall within the protection scope of the present invention.
In the description of the present invention, it should be noted that the terms "center", "upper", "lower", "left", "right", "vertical", "horizontal", "inner", "outer", etc., indicate orientations or positional relationships based on the orientations or positional relationships shown in the drawings, and are only for convenience of description and simplicity of description, but do not indicate or imply that the device or element being referred to must have a particular orientation, be constructed and operated in a particular orientation, and thus, should not be construed as limiting the present invention. Furthermore, the terms "first," "second," and "third" are used for descriptive purposes only and are not to be construed as indicating or implying relative importance.
In the description of the present invention, it should be noted that, unless otherwise explicitly specified or limited, the terms "mounted," "connected," and "connected" are to be construed broadly, e.g., as meaning either a fixed connection, a removable connection, or an integral connection; can be mechanically or electrically connected; they may be connected directly or indirectly through intervening media, or they may be interconnected between two elements. The specific meanings of the above terms in the present invention can be understood in specific cases to those skilled in the art.
Referring to fig. 1 to 10, the embodiment of the invention provides a die casting device with a protection device for automobile forgings, which comprises a table body 1, wherein two sides of the outer wall of the top of the table body 1 are fixedly connected with supports 102, the outer wall of the top of the two supports 102 is fixedly connected with a support 103, the outer wall of the top of the support 103 is provided with a round hole, the arc inner wall of the round hole is slidably connected with a die casting component 3, the die casting component 3 comprises a hammer rod 301 slidably connected with the arc inner wall of the round hole, the outer wall of the bottom of the hammer rod 301 is provided with a polygonal groove, the inner wall of one side of the polygonal groove is slidably connected with a prism 303, the outer wall of the bottom of the prism 303 is fixedly connected with a forging hammer 305, the bottom of the arc outer wall of the hammer rod 301 is fixedly connected with a first buffer component 5, two ends of the outer walls of two sides of the forging hammer 305 are fixedly connected with two connecting seats 306, the outer wall of one side of the four connecting seats 306 is rotatably connected with a second buffer component 6, and the second buffer component 6 is rotatably connected with the outer wall of one side of the support 103, an anvil block 307 is fixedly connected to the outer wall of the top of the table body 1 close to the forging hammer 305, a fixed seat 302 is fixedly connected to the top of the arc-shaped outer wall of the hammer rod 301, a detection assembly 8 is slidably connected to the outer wall of one side of the support 103, clamping assemblies 7 are arranged on two sides of the outer wall of the top of the table body 1, a transmission assembly 2 is fixedly connected to the outer wall of the bottom of the table body 1, negative pressure assemblies 4 are fixedly connected to the outer walls of two sides of the support 103, and a feeding assembly 9 is fixedly connected to the outer wall of one side of the table body 1; by means of the structure, the die-casting work can be completed after the forging hammer 305 contacts the forging piece, under the action of inertia, the hammer rod 301 still has a downward movement trend with high strength, at the moment, the hammer rod 301 descends along the prism 303 on the forging hammer 305 through the polygonal groove, the rigid contact between the hammer rod 301 and the forging piece is avoided, and the buffer effect on the hammer rod 301 is achieved.
Further, the first buffer assembly 5 comprises a connecting ring 304 fixedly connected to the bottom of the arc-shaped outer wall of the hammer rod 301, the arc-shaped outer wall of the connecting ring 304 is rotatably connected with a plurality of first connecting rods 503, the outer wall of one side of each first connecting rod 503 is rotatably connected with a slide block 502, the outer wall of the top of the forging hammer 305, which is close to the first connecting rod 503, is provided with a slide groove, the slide block 502 is slidably connected with the inner wall of the bottom of the slide groove, the inner wall of one side of the slide groove is fixedly connected with a first spring 501, and the first spring 501 is fixedly connected with the slide block 502; by means of the structure, the first springs 501 provide buffering for the hammer rod 301, damage degree of the first springs 501 is greatly reduced, and maintenance frequency of the device is reduced.
Further, the second buffer assembly 6 comprises a loop bar 602 which is rotatably connected to the outer wall of one side of the connecting base 306, the outer wall of one side of the loop bar 602 is slidably connected with a sleeve 601, the sleeve 601 is rotatably connected with the support 103, the outer wall of one side of the loop bar 602 is fixedly connected with a transmission rod 603, the outer walls of the tops of the two transmission rods 603 on the same side of the anvil 307 are fixedly connected with a connecting plate 604, the outer wall of one side of the support 103, which is close to the connecting plate 604, is provided with connecting holes, and the arc-shaped inner walls of the two connecting holes are slidably connected with limiting assemblies; by means of the structure, in the moving process of the forging hammer 305, the connecting seat 306 and the sleeve rod 602 drive the sleeve 601 to rotate, and under the support of the sleeve 601, the transmission rod 603 swings, and then the connecting plate 604 swings.
Further, the limiting component comprises a limiting column 608 which is slidably connected to the arc-shaped inner wall of the connecting hole, a rectangular hole is formed in the arc-shaped outer wall of the limiting column 608, two limiting blocks 610 are slidably connected to the inner wall of one side of the rectangular hole, a circular groove is formed in the inner wall of one side of the rectangular hole, an electromagnet 614 is fixedly connected to the inner wall of one side of the circular groove, a third spring 613 is fixedly connected to the outer wall of one side of the electromagnet 614, an iron block 612 is slidably connected to the arc-shaped inner wall of the circular groove, the iron block 612 and the third spring 613 are fixedly connected, two second connecting rods 611 are rotatably connected to the outer wall of one side of the iron block 612, the two second connecting rods 611 are rotatably connected to the adjacent limiting blocks 610 respectively, a connecting frame 607 is fixedly connected to the outer wall of one side of the limiting column 608, a second spring 609 is fixedly connected to the outer walls of the opposite sides of the connecting frame 607 and the support 103, supporting rods 606 are fixedly connected to the four corners of the outer wall of one side of the connecting frame 607, a buffering plate 605 is fixedly connected to the outer wall of the limiting column 608 far away from the connecting frame 607, the four support rods 606 penetrate through the outer wall of one side of the support 103 and are fixedly connected with the buffer plate 605; by means of the structure, the switch of the electromagnet 614 can be switched on, the electromagnet 614 generates magnetism, the iron block 612 is adsorbed, the two limiting blocks 610 are driven to contract into the rectangular holes under the action of the second connecting rod 611, and at the moment, the buffer plate 605 is pushed to leave the bracket 103 through the connecting frame 607, the limiting columns 608 and the supporting rods 606 under the action of the second spring 609, so that the buffer plate 605 moves.
Further, the negative pressure assembly 4 comprises a negative pressure tank 401 fixedly connected to the outer wall of one side of the support 103, the inner wall of one side of the negative pressure tank 401 is slidably connected with a piston plate 404, the outer wall of the bottom of the piston plate 404 is fixedly connected with a transmission plate 405, the transmission plate 405 is fixedly connected with the hammer rod 301, the outer wall of the top of the negative pressure tank 401 is fixedly connected with an electromagnetic valve 403, and the top of the outer wall of one side of the negative pressure tank 401 is fixedly connected with a one-way valve 402; by means of the structure, in the process that the hammer rod 301 ascends, the driving plate 405 drives the piston plate 404 to ascend, at the moment, the switch of the electromagnetic valve 403 is closed, and therefore the purpose that air in the negative pressure box 401 is pressed into the hose 406 through the one-way valve 402 in the motion process of the piston plate 404 is achieved, air flow is generated at the grid 703 on the clamping seat 701, and chips on the surface of a forged piece are blown away through the guiding of the guide plate 706.
Further, the detection assembly 8 comprises a detection block 801 slidably connected to the outer wall of one side of the bracket 103, the outer walls of two sides of the detection block 801 are rotatably connected with third connecting rods 805, the two third connecting rods 805 are rotatably connected with a connecting plate 604, the outer wall of one side of the detection block 801 is fixedly connected with a fourth spring 802, the outer wall of one side of the bracket 103 is fixedly connected with a fixing plate 804, the outer wall of one side of the fixing plate 804 is fixedly connected with a pressure sensor 803, the pressure sensor 803 is fixedly connected with the fourth spring 802, the pressure sensor 803 is connected with a controller through a signal line, and the controller is electrically connected with the electromagnetic valve 403 and the electromagnet 614; by means of the structure, the third connecting rod 805 can drive the detection block 801 to slide along the bracket 103 in the swinging process of the connecting plate 604, and the pressure sensor 803 generates a signal under the action of the fourth spring 802, so that the state of the hammer lever 301 can be detected.
Further, the clamping assembly 7 comprises two through holes 101 formed in the outer wall of the top of the table body 1, the inner wall of one side of each of the two through holes 101 is connected with a transmission frame 201 in a sliding manner, the outer wall of the top of the transmission frame 201 is fixedly connected with a clamping seat 701, the outer wall of one side of the clamping seat 701 is provided with a collecting tank, one side of the inner wall of the bottom of the collecting tank is fixedly connected with a grid 703, the outer wall of one side of the clamping seat 701, which is positioned at two sides of the collecting tank, is rotatably connected with a plurality of rubber rollers 702 distributed equidistantly, the inner wall of one side of the collecting tank is provided with a fixing hole, the arc-shaped inner wall of the fixing hole is fixedly connected with a filter screen 704, the outer wall of one side of the clamping seat 701, which is close to the fixing hole, is fixedly connected with a first hose 406 communicated with the solenoid valve 403, and the inner wall of the bottom of the collecting tank is connected with a sliding plate 705 in a sliding manner; by the above structure, the filter 704 can prevent debris from entering the hose 406, thereby protecting the hose 406.
Further, the transmission assembly 2 comprises support plates 204 fixedly connected to two sides of the outer wall of the bottom of the table body 1, two-way screw rods 203 are rotatably connected to the outer walls of the two opposite sides of the two support plates 204, threaded holes for the two-way screw rods 203 to pass through are formed in the outer wall of one side of each of the two transmission frames 201, a hand wheel 202 is rotatably connected to the outer wall of one side of one of the support plates 204, and the hand wheel 202 is fixedly connected with the two-way screw rods 203; by means of the structure, the bidirectional screw rod 203 can be driven to rotate through the hand wheel 202, and the two clamping seats 701 are driven to be close to each other by matching with the threaded holes in the transmission frame 201, so that the clamping work of the forge piece is realized.
Further, a plurality of obliquely arranged guide plates 706 are fixedly connected to the inner walls of the tops of the two collecting tanks at equal distances; by means of the structure, when the airflow passes through the guide plates 706, the direction of the airflow can be changed, and the surface of the forging is comprehensively cleaned through the two groups of guide plates 706.
Further, the feeding assembly 9 comprises a support frame 901 fixedly connected to the outer wall of one side of the table body 1, a mounting hole is formed in the outer wall of one side of the support frame 901, a hydraulic rod 904 is fixed to the arc-shaped inner wall of the mounting hole, the output end of the hydraulic rod 904 is fixedly connected with a fixing block 903, and a push plate 902 is fixedly connected to the outer wall of the top of the fixing block 903; by means of the structure, the switch of the hydraulic rod 904 can be switched on, the hydraulic rod 904 and the fixing block 903 push the push plate 902 to move, so that the forge piece is pushed to move, and the feeding work of the forge piece is realized by matching with the rubber roller 702.
The specific working method comprises the following steps: during operation, the hammer lever 301 is connected with die-casting power equipment through the fixed seat 302, the second spring 609 is ensured to be in a stretching state, then a forged piece is placed on the anvil block 307, the bidirectional screw rod 203 is driven to rotate through the hand wheel 202, the two clamping seats 701 are driven to mutually approach through matching with the threaded hole on the transmission frame 201, clamping work of the forged piece is realized, the hammer lever 301 is driven to move up and down at a constant speed through the die-casting power equipment, in the die-casting work process, the hammer lever 301 drives the forging hammer 305 to descend, the forging hammer 305 smashes the forged piece on the anvil block 307, after the forging hammer 305 contacts the forged piece, the die-casting work is completed, under the inertia effect, the hammer lever 301 still has a downward movement trend with high strength, at the moment, the hammer lever 301 descends along the prism 303 on the forging hammer 305 through the polygonal groove, at the moment, the hammer lever 301 drives the sliding block 502 to move in the sliding groove through the connecting ring 304 and the first connecting rod 503, and buffering of the sliding block 502 is realized through the first spring 501 in the sliding groove, further realizing the buffering of the hammer lever 301, as the service life of the device increases, the hammer lever 301 can still maintain higher strength, further fundamentally reducing the risk of breaking the hammer lever 301, improving the safety degree of the device, after the die casting is completed, the hammer lever 301 is driven to ascend through power equipment, in the process of ascending the hammer lever 301, the piston plate 404 is driven to ascend through the driving plate 405, at the moment, the switch of the electromagnetic valve 403 is closed, the gas in the negative pressure box 401 is pressed into the hose 406 through the one-way valve 402 in the motion process of the piston plate 404, so that the grid 703 on the clamping seat 701 generates airflow, the debris on the surface of the forging piece is blown away through the guide of the guide plate 706, in the process of moving the forging hammer 305, the sleeve 601 is driven to rotate through the connecting seat 306 and the sleeve 602, under the support of the sleeve 601, the driving rod 603 swings, and further drives the connecting plate 604 to swing, the detection block 801 is driven to slide along the support 103 by the third connecting rod 805 in the process of swinging of the connecting plate 604, the pressure sensor 803 generates a signal under the action of the fourth spring 802, the signal intensity of the pressure sensor 803 is linearly changed at the moment because the forging hammer 305 is in a constant speed state during normal operation, the descending speed of the forging hammer 305 is increased after the hammer rod 301 is broken, the signal intensity of the pressure sensor 803 is exponentially changed at the moment, after the controller receives the signal of the pressure sensor 803, the switch of the electromagnet 614 is firstly switched on, the electromagnet 614 is made to generate magnetism, the iron block 612 is adsorbed, the two limiting blocks 610 are driven to contract into the rectangular hole under the action of the second connecting rod 611, at the moment, under the action of the second spring 609, the buffer plate 605 is pushed to leave the support 103 by the connecting frame 607, the limiting columns 608 and the supporting rods 606, and the buffer plate 605 moves, contact buffer plate 605 in the rotatory in-process of connecting plate 604, realize the buffering to connecting plate 604 through second spring 609, and then realize the buffering to forging hammer 305 through the transfer line 603, sleeve 601, loop bar 602 and connecting seat 306, the controller closes solenoid valve 403 simultaneously, after solenoid valve 403 closed, make the space that negative pressure case 401 and piston plate 404 are constituteed form sealed, make piston plate 404 descend required strength more, therefore, under the effect of transfer line 405, realize the buffering to hammer stem 301, avoid cracked hammer stem 301 to pound to the forging and break out, the safety degree has further been improved.
Finally, it should be noted that: the above embodiments are only used to illustrate the technical solution of the present invention, and not to limit the same; while the invention has been described in detail and with reference to the foregoing embodiments, it will be understood by those skilled in the art that: the technical solutions described in the foregoing embodiments may still be modified, or some or all of the technical features may be equivalently replaced; and the modifications or the substitutions do not make the essence of the corresponding technical solutions depart from the scope of the technical solutions of the embodiments of the present invention.

Claims (10)

1.一种有保护装置用于汽车锻件的压铸设备,包括台体(1),其特征在于:所述台体(1)顶部外壁两侧处均固定连接有支座(102),两个所述支座(102)顶部外壁固定连接有支架(103),所述支架(103)顶部外壁开设有圆孔,所述圆孔弧形内壁滑动连接有压铸组件(3),所述压铸组件(3)包括滑动连接在圆孔弧形内壁的锤杆(301),所述锤杆(301)底部外壁开设有多边形槽,所述多边形槽一侧内壁滑动连接有棱柱(303),所述棱柱(303)底部外壁固定连接有锻锤(305),所述锤杆(301)弧形外壁底部固定连接有第一缓冲组件(5),所述锻锤(305)两侧外壁两端均固定连接有两个连接座(306),四个所述连接座(306)一侧外壁均转动连接有第二缓冲组件(6),且第二缓冲组件(6)和支架(103)一侧外壁转动连接,所述台体(1)顶部外壁靠近锻锤(305)处固定连接有砧座(307),所述锤杆(301)弧形外壁顶部固定连接有固定座(302),所述支架(103)一侧外壁滑动连接有检测组件(8),所述台体(1)顶部外壁两侧处均开设有夹持组件(7),所述台体(1)底部外壁固定连接有传动组件(2),所述支架(103)两侧外壁均固定连接有负压组件(4),所述台体(1)一侧外壁固定连接有送料组件(9)。1. A die-casting equipment with a protective device for automobile forgings, comprising a table body (1), characterized in that: the two sides of the top outer wall of the table body (1) are fixedly connected with supports (102), and two A bracket (103) is fixedly connected to the top outer wall of the support (102), a circular hole is opened on the top outer wall of the bracket (103), and a die-casting component (3) is slidably connected to the arc-shaped inner wall of the circular hole, and the die-casting component (3) comprising a hammer rod (301) slidably connected to the arc-shaped inner wall of the circular hole, the bottom outer wall of the hammer rod (301) is provided with a polygonal groove, and the inner wall of one side of the polygonal groove is slidably connected with a prism (303), the A forging hammer (305) is fixedly connected to the bottom outer wall of the prism (303), and a first buffer component (5) is fixedly connected to the bottom of the arc-shaped outer wall of the hammer rod (301). Two connecting seats (306) are fixedly connected, and the outer walls of one side of the four connecting seats (306) are rotatably connected with a second buffer assembly (6), and the second buffer assembly (6) is connected to one side of the bracket (103) The outer wall is rotatably connected, an anvil (307) is fixedly connected to the top outer wall of the table body (1) near the forging hammer (305), and a fixing seat (302) is fixedly connected to the top of the arc-shaped outer wall of the hammer rod (301), so A detection assembly (8) is slidably connected to the outer wall of one side of the bracket (103), clamping assemblies (7) are provided on both sides of the outer wall of the top of the table body (1), and the outer wall of the bottom of the table body (1) is fixedly connected There is a transmission assembly (2), a negative pressure assembly (4) is fixedly connected to the outer walls on both sides of the bracket (103), and a feeding assembly (9) is fixedly connected to the outer wall of one side of the table body (1). 2.根据权利要求1所述的一种有保护装置用于汽车锻件的压铸设备,其特征在于:所述第一缓冲组件(5)包括固定连接在锤杆(301)弧形外壁底部的连接环(304),所述连接环(304)弧形外壁转动连接有多个第一连杆(503),所述第一连杆(503)一侧外壁均转动连接有滑块(502),所述锻锤(305)顶部外壁靠近第一连杆(503)处均开设有滑槽,且滑块(502)和滑槽底部内壁滑动连接,所述滑槽一侧内壁均固定连接有第一弹簧(501),且第一弹簧(501)和滑块(502)固定连接。2. A die-casting equipment with a protective device for automobile forgings according to claim 1, characterized in that: the first buffer assembly (5) comprises a connection fixedly connected to the bottom of the arc-shaped outer wall of the hammer rod (301) A ring (304), the arc-shaped outer wall of the connecting ring (304) is rotatably connected with a plurality of first connecting rods (503), and the outer wall of one side of the first connecting rod (503) is rotatably connected with a slider (502), The outer wall of the top of the forging hammer (305) is provided with a chute near the first connecting rod (503), and the slider (502) is slidably connected to the inner wall of the bottom of the chute. A spring (501) is fixedly connected with the first spring (501) and the slider (502). 3.根据权利要求1所述的一种有保护装置用于汽车锻件的压铸设备,其特征在于:所述第二缓冲组件(6)包括转动连接在连接座(306)一侧外壁的套杆(602),所述套杆(602)一侧外壁滑动连接有套筒(601),且套筒(601)和支架(103)转动连接,所述套杆(602)一侧外壁固定连接有传动杆(603),处于砧座(307)同一侧的两个所述传动杆(603)顶部外壁固定连接有连接板(604),所述支架(103)一侧外壁靠近连接板(604)处均开设有连接孔,两个所述连接孔弧形内壁均滑动连接有限制组件。3. A die-casting equipment with a protective device for automobile forgings according to claim 1, wherein the second buffer assembly (6) comprises a sleeve rod rotatably connected to the outer wall of one side of the connecting seat (306) (602), a sleeve (601) is slidably connected to the outer wall of one side of the sleeve rod (602), and the sleeve (601) and the bracket (103) are rotatably connected, and the outer wall of one side of the sleeve rod (602) is fixedly connected with a A transmission rod (603), the top outer walls of the two transmission rods (603) on the same side of the anvil (307) are fixedly connected with a connecting plate (604), and the outer wall of one side of the bracket (103) is close to the connecting plate (604) Connecting holes are opened at the two connecting holes, and limiting components are slidably connected to the arc-shaped inner walls of the two connecting holes. 4.根据权利要求3所述的一种有保护装置用于汽车锻件的压铸设备,其特征在于:所述限制组件包括滑动连接在连接孔弧形内壁的限制柱(608),所述限制柱(608)弧形外壁开设有矩形孔,所述矩形孔一侧内壁滑动连接有两个限制块(610),所述矩形孔一侧内壁开设有圆槽,所述圆槽一侧内壁固定连接有电磁铁(614),所述电磁铁(614)一侧外壁固定连接有第三弹簧(613),所述圆槽弧形内壁滑动连接有铁质块(612),且铁质块(612)和第三弹簧(613)固定连接,所述铁质块(612)一侧外壁转动连接有两个第二连杆(611),且两个第二连杆(611)分别和就近的限制块(610)转动连接,所述限制柱(608)一侧外壁固定连接有连接架(607),所述连接架(607)和支架(103)相对侧外壁固定连接有第二弹簧(609),所述连接架(607)一侧外壁四角处均固定连接有支杆(606),所述限制柱(608)远离连接架(607)处一侧外壁固定连接有缓冲板(605),且四个支杆(606)均穿过支架(103)一侧外壁和缓冲板(605)固定连接。4. A die-casting equipment with a protective device for automobile forgings according to claim 3, wherein the limiting component comprises a limiting column (608) slidably connected to the arc-shaped inner wall of the connecting hole, the limiting column (608) A rectangular hole is formed on the arc-shaped outer wall, two limiting blocks (610) are slidably connected to the inner wall of one side of the rectangular hole, a circular groove is formed on the inner wall of one side of the rectangular hole, and the inner wall of one side of the circular groove is fixedly connected There is an electromagnet (614), the outer wall of one side of the electromagnet (614) is fixedly connected with a third spring (613), the arc-shaped inner wall of the circular groove is slidably connected with an iron block (612), and the iron block (612) ) and the third spring (613) are fixedly connected, and two second connecting rods (611) are rotatably connected to the outer wall of one side of the iron block (612), and the two second connecting rods (611) are respectively connected to the nearest limit The block (610) is rotatably connected, a connecting frame (607) is fixedly connected to the outer wall of one side of the limiting column (608), and a second spring (609) is fixedly connected to the outer wall of the opposite side of the connecting frame (607) and the bracket (103). , the four corners of the outer wall of the connecting frame (607) are fixedly connected with struts (606), and the limiting column (608) is fixedly connected to the outer wall of the connecting frame (607) away from the one side of the outer wall (605) is fixedly connected with a buffer plate (605), and The four struts (606) are fixedly connected to the buffer plate (605) through one side outer wall of the bracket (103). 5.根据权利要求4所述的一种有保护装置用于汽车锻件的压铸设备,其特征在于:所述负压组件(4)包括固定连接在支架(103)一侧外壁的负压箱(401),所述负压箱(401)一侧内壁滑动连接有活塞板(404),所述活塞板(404)底部外壁固定连接有传动板(405),且传动板(405)和锤杆(301)固定连接,所述负压箱(401)顶部外壁固定连接有电磁阀(403),所述负压箱(401)一侧外壁顶部固定连接有单向阀(402)。5. A die-casting equipment with a protection device for automobile forgings according to claim 4, characterized in that: the negative pressure component (4) comprises a negative pressure box ( 401), a piston plate (404) is slidably connected to the inner wall of one side of the negative pressure box (401), a transmission plate (405) is fixedly connected to the bottom outer wall of the piston plate (404), and the transmission plate (405) and the hammer rod (301) Fixed connection, a solenoid valve (403) is fixedly connected to the top outer wall of the negative pressure box (401), and a check valve (402) is fixedly connected to the top of one side outer wall of the negative pressure box (401). 6.根据权利要求5所述的一种有保护装置用于汽车锻件的压铸设备,其特征在于:所述检测组件(8)包括滑动连接在支架(103)一侧外壁的检测块(801),所述检测块(801)两侧外壁均转动连接有第三连杆(805),且两个第三连杆(805)均和连接板(604)转动连接,所述检测块(801)一侧外壁固定连接有第四弹簧(802),所述支架(103)一侧外壁固定连接有固定板(804),所述固定板(804)一侧外壁固定连接有压力传感器(803),且压力传感器(803)和第四弹簧(802)固定连接,所述压力传感器(803)通过信号线接有控制器,且控制器与电磁阀(403)和电磁铁(614)电性连接。6. A die-casting equipment with a protection device for automobile forgings according to claim 5, characterized in that: the detection assembly (8) comprises a detection block (801) slidably connected to the outer wall of one side of the bracket (103) , the outer walls on both sides of the detection block (801) are rotatably connected with a third connecting rod (805), and the two third connecting rods (805) are rotatably connected with the connecting plate (604), and the detection block (801) A fourth spring (802) is fixedly connected to the outer wall of one side, a fixing plate (804) is fixedly connected to the outer wall of one side of the bracket (103), and a pressure sensor (803) is fixedly connected to the outer wall of the fixing plate (804), The pressure sensor (803) and the fourth spring (802) are fixedly connected, the pressure sensor (803) is connected with a controller through a signal line, and the controller is electrically connected with the solenoid valve (403) and the electromagnet (614). 7.根据权利要求5所述的一种有保护装置用于汽车锻件的压铸设备,其特征在于:所述夹持组件(7)包括开设在台体(1)顶部外壁的两个通孔(101),两个所述通孔(101)一侧内壁滑动连接有传动架(201),所述传动架(201)顶部外壁固定连接有夹持座(701),所述夹持座(701)一侧外壁开设有收集槽,所述收集槽底部内壁一侧固定连接有格栅(703),所述夹持座(701)一侧外壁处于收集槽两侧处均转动连接有多个等距离分布的橡胶辊(702),所述收集槽一侧内壁开设有固定孔,所述固定孔弧形内壁固定连接有滤网(704),所述夹持座(701)一侧外壁靠近固定孔处固定连接有和电磁阀(403)连通的软管(406),所述收集槽底部内壁滑动连接有滑板(705)。7. A die-casting equipment with a protective device for automobile forgings according to claim 5, characterized in that: the clamping assembly (7) comprises two through holes ( 101), a transmission frame (201) is slidably connected to the inner wall of one side of the two through holes (101), a clamping seat (701) is fixedly connected to the top outer wall of the transmission frame (201), and the clamping seat (701) ) one side outer wall is provided with a collection tank, one side of the inner wall of the bottom of the collection tank is fixedly connected with a grill (703), and one side of the outer wall of the clamping seat (701) is rotatably connected to both sides of the collection tank with a plurality of etc. A rubber roller (702) with a distance distribution, a fixing hole is opened on the inner wall of one side of the collecting tank, a filter screen (704) is fixedly connected to the arc-shaped inner wall of the fixing hole, and the outer wall of the clamping seat (701) is close to the fixing hole. A hose (406) communicating with the solenoid valve (403) is fixedly connected to the hole, and a sliding plate (705) is slidably connected to the inner wall of the bottom of the collecting tank. 8.根据权利要求7所述的一种有保护装置用于汽车锻件的压铸设备,其特征在于:所述传动组件(2)包括固定连接在台体(1)底部外壁两侧处的支板(204),两个所述支板(204)相对侧外壁转动连接有双向丝杆(203),两个所述传动架(201)一侧外壁均开设有供双向丝杆(203)穿过的螺纹孔,其中一个所述支板(204)一侧外壁转动连接有手轮(202),且手轮(202)和双向丝杆(203)固定连接。8. A die-casting equipment with a protective device for automobile forgings according to claim 7, wherein the transmission assembly (2) comprises support plates fixedly connected to both sides of the bottom outer wall of the table body (1). (204), two-way screw rods (203) are rotatably connected to the outer walls on opposite sides of the two support plates (204), and two-way screw rods (203) are provided on the outer walls of one side of the two transmission frames (201) for passing through the two-way screw rods (203). A hand wheel (202) is rotatably connected to the outer wall of one side of the support plate (204), and the hand wheel (202) is fixedly connected with the two-way screw (203). 9.根据权利要求7所述的一种有保护装置用于汽车锻件的压铸设备,其特征在于:两个所述收集槽顶部内壁均等距离固定连接有多个倾斜设置的导向板(706)。9 . The die-casting equipment with protective device for automobile forgings according to claim 7 , wherein a plurality of inclined guide plates ( 706 ) are fixedly connected to the inner walls of the tops of the two collecting grooves at equal distances. 10 . 10.根据权利要求1所述的一种有保护装置用于汽车锻件的压铸设备,其特征在于:所述送料组件(9)包括固定连接在台体(1)一侧外壁的支撑架(901),所述支撑架(901)一侧外壁开设有安装孔,所述安装孔弧形内壁固定有液压杆(904),所述液压杆(904)的输出端固定连接有固定块(903),所述固定块(903)顶部外壁固定连接有推板(902)。10. A die-casting equipment with a protective device for automobile forgings according to claim 1, characterized in that: the feeding assembly (9) comprises a support frame (901) fixedly connected to the outer wall of one side of the table body (1). ), an outer wall of one side of the support frame (901) is provided with a mounting hole, the arc-shaped inner wall of the mounting hole is fixed with a hydraulic rod (904), and the output end of the hydraulic rod (904) is fixedly connected with a fixing block (903) , a push plate (902) is fixedly connected to the top outer wall of the fixing block (903).
CN202210265329.5A 2022-03-17 2022-03-17 Die casting equipment with protection device for automobile forgings Active CN114932183B (en)

Priority Applications (1)

Application Number Priority Date Filing Date Title
CN202210265329.5A CN114932183B (en) 2022-03-17 2022-03-17 Die casting equipment with protection device for automobile forgings

Applications Claiming Priority (1)

Application Number Priority Date Filing Date Title
CN202210265329.5A CN114932183B (en) 2022-03-17 2022-03-17 Die casting equipment with protection device for automobile forgings

Publications (2)

Publication Number Publication Date
CN114932183A true CN114932183A (en) 2022-08-23
CN114932183B CN114932183B (en) 2023-09-01

Family

ID=82862278

Family Applications (1)

Application Number Title Priority Date Filing Date
CN202210265329.5A Active CN114932183B (en) 2022-03-17 2022-03-17 Die casting equipment with protection device for automobile forgings

Country Status (1)

Country Link
CN (1) CN114932183B (en)

Cited By (1)

* Cited by examiner, † Cited by third party
Publication number Priority date Publication date Assignee Title
CN116550922A (en) * 2023-06-19 2023-08-08 浙江技佳五金制造有限公司 High-precision fool-proof cold forging forming device for production of multi-series jump buckle shaft

Citations (8)

* Cited by examiner, † Cited by third party
Publication number Priority date Publication date Assignee Title
GB171964A (en) * 1920-11-23 1922-02-02 Det Tekniske Forsogsaktieselsk Improvements in mechanical hammers
GB400402A (en) * 1932-03-04 1933-10-26 Beche & Grohs G M B H Improvements in and relating to swaging hammers
CN106001350A (en) * 2016-05-29 2016-10-12 德清恒丰机械有限公司 High-stability noise reduction type forging hammer
CN208613643U (en) * 2018-07-03 2019-03-19 鞍山市台安县支重轮制造有限公司 A kind of pneumatic hammer device of good damping effect
CN209716342U (en) * 2019-01-21 2019-12-03 新昌县云大农业有限公司 A kind of forging hammer that stability is high
CN212598630U (en) * 2020-06-10 2021-02-26 江西中信航空设备制造有限公司 Forging equipment with high forging uniformity
CN112536409A (en) * 2020-10-29 2021-03-23 德清县杰创机械有限公司 Adjustable copper-aluminum forging and pressing stable mechanical equipment
CN215879717U (en) * 2021-09-06 2022-02-22 天津市宽福自行车有限公司 Forging device is used in frame processing

Patent Citations (8)

* Cited by examiner, † Cited by third party
Publication number Priority date Publication date Assignee Title
GB171964A (en) * 1920-11-23 1922-02-02 Det Tekniske Forsogsaktieselsk Improvements in mechanical hammers
GB400402A (en) * 1932-03-04 1933-10-26 Beche & Grohs G M B H Improvements in and relating to swaging hammers
CN106001350A (en) * 2016-05-29 2016-10-12 德清恒丰机械有限公司 High-stability noise reduction type forging hammer
CN208613643U (en) * 2018-07-03 2019-03-19 鞍山市台安县支重轮制造有限公司 A kind of pneumatic hammer device of good damping effect
CN209716342U (en) * 2019-01-21 2019-12-03 新昌县云大农业有限公司 A kind of forging hammer that stability is high
CN212598630U (en) * 2020-06-10 2021-02-26 江西中信航空设备制造有限公司 Forging equipment with high forging uniformity
CN112536409A (en) * 2020-10-29 2021-03-23 德清县杰创机械有限公司 Adjustable copper-aluminum forging and pressing stable mechanical equipment
CN215879717U (en) * 2021-09-06 2022-02-22 天津市宽福自行车有限公司 Forging device is used in frame processing

Cited By (2)

* Cited by examiner, † Cited by third party
Publication number Priority date Publication date Assignee Title
CN116550922A (en) * 2023-06-19 2023-08-08 浙江技佳五金制造有限公司 High-precision fool-proof cold forging forming device for production of multi-series jump buckle shaft
CN116550922B (en) * 2023-06-19 2024-01-26 浙江技佳五金制造有限公司 High-precision fool-proof cold forging forming device for production of multi-series jump buckle shaft

Also Published As

Publication number Publication date
CN114932183B (en) 2023-09-01

Similar Documents

Publication Publication Date Title
CN101885128B (en) Automatic axial turnover mechanism for fixtures
CN111760954A (en) High hydraulic pressure stamping equipment of security
CN107081401A (en) A kind of mechanical bottom ejection device of punching machine pinion and-rack
CN114932183A (en) Die casting equipment with protection device for automobile forging
CN211101024U (en) Turnover equipment for producing stamping die
CN210528345U (en) Two-column lifter convenient for adjusting distance between two columns
CN215279612U (en) A stamping device with protective function
CN113369357B (en) Metal section stamping device
CN212426570U (en) Fastener dismounting and recycling device capable of achieving self-positioning
CN216234433U (en) Outer straining device of bucket elevator afterbody
CN112647370A (en) Self-positioning fastener disassembling and recovering device and operating method thereof
CN103451740B (en) A kind of LED alloying furnace Jin Zhou mechanism
CN203002547U (en) Rocker with tension spring pulley structure
CN216899583U (en) Be used for helmet fixing device stability testing arrangement
CN214108506U (en) Continuous quick automatic stamping die with long-life anticollision roof beam
CN214059800U (en) Vertical lifting mechanism for large bolt
CN212285469U (en) Die press-fitting device
CN212886216U (en) Numerical control machining center aircraft nose lift counter weight device
CN219986012U (en) A punching and riveting assembly and automatic assembly and riveting device
CN208276102U (en) Automatic impact forging equipment
CN217193181U (en) Return stroke device of continuous casting flame cutter
CN217492476U (en) Punch forming device for bottom fork mounting plate
CN219971736U (en) Synchronous lifting structure
CN223833344U (en) An overload protection device for forging punches
CN218708652U (en) Crane for casting and forging workshop

Legal Events

Date Code Title Description
PB01 Publication
PB01 Publication
SE01 Entry into force of request for substantive examination
SE01 Entry into force of request for substantive examination
GR01 Patent grant
GR01 Patent grant
PE01 Entry into force of the registration of the contract for pledge of patent right
PE01 Entry into force of the registration of the contract for pledge of patent right

Denomination of invention: A casting equipment with a protective device for automobile forgings

Granted publication date: 20230901

Pledgee: Jiangsu Jingjiang Rural Commercial Bank Co.,Ltd. Dajue Branch

Pledgor: JIANGSU ZHONGXIANG AUTO PARTS Co.,Ltd.

Registration number: Y2025980060809