CN113465362A - 一种烘干设备热能回收系统 - Google Patents
一种烘干设备热能回收系统 Download PDFInfo
- Publication number
- CN113465362A CN113465362A CN202110677882.5A CN202110677882A CN113465362A CN 113465362 A CN113465362 A CN 113465362A CN 202110677882 A CN202110677882 A CN 202110677882A CN 113465362 A CN113465362 A CN 113465362A
- Authority
- CN
- China
- Prior art keywords
- waste gas
- fresh air
- new trend
- pipe
- heat exchanger
- Prior art date
- Legal status (The legal status is an assumption and is not a legal conclusion. Google has not performed a legal analysis and makes no representation as to the accuracy of the status listed.)
- Pending
Links
- 238000001035 drying Methods 0.000 title claims abstract description 46
- 238000011084 recovery Methods 0.000 title claims abstract description 18
- 239000002912 waste gas Substances 0.000 claims abstract description 116
- 238000010438 heat treatment Methods 0.000 claims abstract description 18
- 239000007789 gas Substances 0.000 claims description 16
- 230000008676 import Effects 0.000 claims description 11
- 238000005265 energy consumption Methods 0.000 abstract description 5
- 238000001914 filtration Methods 0.000 abstract description 5
- 238000004134 energy conservation Methods 0.000 abstract description 4
- 230000009467 reduction Effects 0.000 abstract description 4
- 230000000694 effects Effects 0.000 abstract description 2
- 239000000779 smoke Substances 0.000 abstract 1
- 238000004519 manufacturing process Methods 0.000 description 5
- UGFAIRIUMAVXCW-UHFFFAOYSA-N Carbon monoxide Chemical compound [O+]#[C-] UGFAIRIUMAVXCW-UHFFFAOYSA-N 0.000 description 3
- 239000011248 coating agent Substances 0.000 description 3
- 238000000576 coating method Methods 0.000 description 3
- 239000003546 flue gas Substances 0.000 description 3
- 238000000034 method Methods 0.000 description 3
- 230000008569 process Effects 0.000 description 3
- 230000004075 alteration Effects 0.000 description 1
- 230000009286 beneficial effect Effects 0.000 description 1
- 238000002485 combustion reaction Methods 0.000 description 1
- 238000010586 diagram Methods 0.000 description 1
- 238000005516 engineering process Methods 0.000 description 1
- 238000012986 modification Methods 0.000 description 1
- 230000004048 modification Effects 0.000 description 1
- 238000000746 purification Methods 0.000 description 1
- 238000006467 substitution reaction Methods 0.000 description 1
- 239000002918 waste heat Substances 0.000 description 1
- 239000002699 waste material Substances 0.000 description 1
- 238000003466 welding Methods 0.000 description 1
Images
Classifications
-
- F—MECHANICAL ENGINEERING; LIGHTING; HEATING; WEAPONS; BLASTING
- F26—DRYING
- F26B—DRYING SOLID MATERIALS OR OBJECTS BY REMOVING LIQUID THEREFROM
- F26B25/00—Details of general application not covered by group F26B21/00 or F26B23/00
- F26B25/005—Treatment of dryer exhaust gases
-
- F—MECHANICAL ENGINEERING; LIGHTING; HEATING; WEAPONS; BLASTING
- F26—DRYING
- F26B—DRYING SOLID MATERIALS OR OBJECTS BY REMOVING LIQUID THEREFROM
- F26B21/00—Arrangements or duct systems, e.g. in combination with pallet boxes, for supplying and controlling air or gases for drying solid materials or objects
- F26B21/001—Drying-air generating units, e.g. movable, independent of drying enclosure
- F26B21/002—Drying-air generating units, e.g. movable, independent of drying enclosure heating the drying air indirectly, i.e. using a heat exchanger
-
- F—MECHANICAL ENGINEERING; LIGHTING; HEATING; WEAPONS; BLASTING
- F26—DRYING
- F26B—DRYING SOLID MATERIALS OR OBJECTS BY REMOVING LIQUID THEREFROM
- F26B21/00—Arrangements or duct systems, e.g. in combination with pallet boxes, for supplying and controlling air or gases for drying solid materials or objects
- F26B21/003—Supply-air or gas filters
-
- F—MECHANICAL ENGINEERING; LIGHTING; HEATING; WEAPONS; BLASTING
- F26—DRYING
- F26B—DRYING SOLID MATERIALS OR OBJECTS BY REMOVING LIQUID THEREFROM
- F26B21/00—Arrangements or duct systems, e.g. in combination with pallet boxes, for supplying and controlling air or gases for drying solid materials or objects
- F26B21/06—Controlling, e.g. regulating, parameters of gas supply
- F26B21/10—Temperature; Pressure
-
- Y—GENERAL TAGGING OF NEW TECHNOLOGICAL DEVELOPMENTS; GENERAL TAGGING OF CROSS-SECTIONAL TECHNOLOGIES SPANNING OVER SEVERAL SECTIONS OF THE IPC; TECHNICAL SUBJECTS COVERED BY FORMER USPC CROSS-REFERENCE ART COLLECTIONS [XRACs] AND DIGESTS
- Y02—TECHNOLOGIES OR APPLICATIONS FOR MITIGATION OR ADAPTATION AGAINST CLIMATE CHANGE
- Y02P—CLIMATE CHANGE MITIGATION TECHNOLOGIES IN THE PRODUCTION OR PROCESSING OF GOODS
- Y02P70/00—Climate change mitigation technologies in the production process for final industrial or consumer products
- Y02P70/10—Greenhouse gas [GHG] capture, material saving, heat recovery or other energy efficient measures, e.g. motor control, characterised by manufacturing processes, e.g. for rolling metal or metal working
Landscapes
- Engineering & Computer Science (AREA)
- Mechanical Engineering (AREA)
- General Engineering & Computer Science (AREA)
- Drying Of Solid Materials (AREA)
Abstract
本发明公开了一种烘干设备热能回收系统,包括烘干室和换热器,所述换热器上连接有废气风管和新风风管,所述废气风管的废气进入端位于烘干室内,所述废气风管的废气排出端连接有废气处理装置,所述新风风管的新气进入端连接有新风过滤装置,所述新风风管的新气排出端将热风送入烘干室,所述废气风管上设置有电动风阀,所述新风风管上设置有新风风机和新风加热装置。本系统的作用是把废气的热能转化为新风的热能,从而起到节能减排的作用,废气经过换热器后把新风加热,可以将新风温度加热至50℃左右,节约了新风加热装置的热能消耗,能够保证废气排放温度控制在120℃左右,防止了废气产生冷凝液,能够把RTO排烟温度控制在150℃左右。
Description
技术领域
本发明涉及汽车涂装生产线烘干室废气处理技术领域,具体领域为一种烘干设备热能回收系统。
背景技术
在汽车生产过程中,涂装线生产线中烘干室是生产能耗大户,其能耗占正常生产线总耗能的20%以上,直接影响车间的生产成本,国内大型汽车涂装线大都采用废气焚烧炉处理烘干产生的废气,燃烧后产生的烟气通过换热后直接排放至车间外,烟气排放温度一般在200℃左右,烘干室排出的废气温度再140-180℃之间,烟气带走大量余热,造成极大的能源浪费。
发明内容
本发明的目的在于提供一种烘干设备热能回收系统,以解决上述背景技术中提出的问题。
为实现上述目的,本发明提供如下技术方案:一种烘干设备热能回收系统,包括烘干室和换热器,所述换热器上连接有废气风管和新风风管,所述废气风管的废气进入端位于烘干室内,所述废气风管的废气排出端连接有废气处理装置,所述新风风管的新气进入端连接有新风过滤装置,所述新风风管的新气排出端将热风送入烘干室,所述废气风管上设置有电动风阀,所述新风风管上设置有新风风机和新风加热装置。
优选的,所述换热器包括废气进口、废气出口、新气进口和新气出口,所述废气进口和废气出口与废气风管相连,所述新气进口和新气出口与新风风管相连。
优选的,所述废气风管包括废气主管道、废气进口管道和废气出口管道,所述废气主管道的一端位于烘干室的内部、另一端与废气处理装置相连,所述废气进口管道的一端与废气主管道相连、另一端与换热器的废气进口相连,所述废气出口管道的一端与换热器的废气出口相连、另一端与废气主管道相连。
优选的,所述电动风阀的数量为两个,其中一个所述电动风阀安装于废气主管道上且位于废气进口管道和废气出口管道之间,另一个所述电动风阀安装于废气进口管道上。
优选的,所述新风风管包括新风进口管道、新风出口管道和新风支管道,所述新风进口管道的一端与新风过滤装置相连、另一端连接于换热器的新气进口,所述新风出口管道的一端与换热器的新风出口相连、另一端连接于新风支管道的一端、所述新风支管道的另一端为烘干室送入热风,所述新风风机安装于新风进口管道上,所述新风加热装置安装于新风出口管道上。
优选的,所述新风支管道的数量为两个,两个所述新风支管道的一端均与新风出口管道相连、另一端分别为烘干室的进口和出口送风。
优选的,所述新风过滤装置包括压差计和新风过滤器,所述压差计连接于所述新风过滤器的两端,所述新风过滤器与新风风管的新气进入端相连。
优选的,所述烘干室安装在所述换热器、新风风机和新风加热装置的下面。
优选的,所述废气处理装置为RTO废气处理设备。
与现有技术相比,本发明的有益效果是:一种烘干设备热能回收系统,本系统的废气经过换热器后把新风加热,保证了废气排放温度控制在120℃左右,新风温度加热至50℃左右,节约了新风加热装置的热能,能够把RTO排烟温度控制在150℃左右;本发明的热能回收系统的作用是把废气的热能转化为新风的热能,从而起到节能减排的作用,为了防止废气产生冷凝液将废气换热后的温度控制埃120℃以上,整个过程完全是受电控风阀自动控制。
附图说明
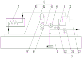
图1为本发明的系统框图。
图中:1-烘干室、2-换热器、3-废气风管、31-废气主管道、32-废气进口管道、33-废气出口管道、4-新风风管、41-新风进口管道、42-新风出口管道、43-新风支管道、5-电动风阀、6-新风风机、7-新风加热装置、8-压差计、9-新风过滤器。
具体实施方式
下面将结合本发明实施例中的附图,对本发明实施例中的技术方案进行清楚、完整地描述,显然,所描述的实施例仅仅是本发明一部分实施例,而不是全部的实施例。基于本发明中的实施例,本领域普通技术人员在没有做出创造性劳动前提下所获得的所有其他实施例,都属于本发明保护的范围。
请参阅图1,本发明提供一种技术方案:一种烘干设备热能回收系统,包括烘干室1和换热器2,所述换热器2上连接有废气风管3和新风风管4,所述废气风管3的废气进入端位于烘干室1内,所述废气风管3的废气排出端连接有废气处理装置,所述废气处理装置用于废气净化,所述新风风管4的新气进入端连接有新风过滤装置,所述新风过滤装置用于对新风进行加热,所述新风风管4的新气排出端将热风送入烘干室1,所述废气风管3上设置有电动风阀5,所述新风风管4上设置有新风风机6和新风加热装置7,所述电动风阀5用于控制管路的通断,所述新风风机6用于引入新风,所述新风加热装置7用于对新风进行加热,本系统的废气经过换热器2后把新风加热,减少了新风加热装置7的热能消耗,从而起到节能减排的作用。
具体而言,所述换热器2包括废气进口、废气出口、新气进口和新气出口,所述废气进口和废气出口与废气风管3相连,所述新气进口和新气出口与新风风管4相连,经由热换气2,废气风管3的废气对新风风管4内的新气进行加热。
具体而言,所述废气风管3包括废气主管道31、废气进口管道32和废气出口管道33,所述废气主管道31的一端位于烘干室1的内部、另一端与废气处理装置相连,所述废气进口管道32的一端与废气主管道31相连、另一端与换热器2的废气进口相连,所述废气出口管道33的一端与换热器2的废气出口相连、另一端与废气主管道31相连。
具体而言,所述电动风阀5的数量为两个,其中一个所述电动风阀5安装于废气主管道31上且位于废气进口管道32和废气出口管道33之间,另一个所述电动风阀5安装于废气进口管道32上,通过两个电动风阀5配合工作,将废气换热后的温度控制埃120℃以上,从而防止废气产生冷凝液。
具体而言,所述新风风管4包括新风进口管道41、新风出口管道42和新风支管道43,所述新风进口管道41的一端与新风过滤装置相连、另一端连接于换热器2的新气进口,所述新风出口管道42的一端与换热器2的新风出口相连、另一端连接于新风支管道43的一端、所述新风支管道43的另一端为烘干室1送入热风,所述新风风机6安装于新风进口管道41上,所述新风加热装置7安装于新风出口管道42上。
具体而言,所述新风支管道43的数量为两个,两个所述新风支管道43的一端均与新风出口管道42相连、另一端分别为烘干室1的进口和出口送风,从而将热风输送至烘干室1的进口处和出口处。
具体而言,所述新风过滤装置包括压差计8和新风过滤器9,所述压差计8连接于所述新风过滤器9的两端,所述新风过滤器9与新风风管4的新气进入端相连,所述压差计8用于测量新风过滤器9两端的压力差,所述新风过滤器9用来完成新风过滤工作。
具体而言,所述烘干室1安装在所述换热器2、新风风机6和新风加热装置7的下面。
具体而言,所述废气处理装置为RTO废气处理设备,具有热效率高、运行成本低、能处理大风量中低浓度废气等优点。
工作原理:本发明在实际应用过程中,系统的废气经过换热器2后把新风加热,可以将新风温度加热至50℃左右,从而节约新风加热装置7的热能,保证了废气排放温度控制在120℃左右,RTO废气处理设备的排烟温度控制在150℃左右;本发明的作用是把废气的热能转化为新风的热能,从而起到节能减排的作用;为了防止废气产生冷凝液将废气换热后的温度控制埃120℃以上,整个过程完全由电动风阀5自动控制。
在本发明的描述中,除非另有明确的规定和限定,术语“安装”、“相连”、“连接”、“固定”应做广义理解,例如,可以是固定连接,也可以是可拆卸连接,或成一体;可以是机械连接,也可以是电连接;可以是直接相连,也可以通过中间媒介间接相连,可以是两个元件内部的连通或两个元件的相互作用关系。对于本领域的普通技术人员而言,可以具体情况理解上述术语在本发明中的具体含义。
本发明使用到的标准零件均可以从市场上购买,异形件根据说明书和附图的记载均可以进行订制,各个零件的具体连接方式均采用现有技术中成熟的螺栓、铆钉、焊接等常规手段,机械、零件和设备均采用现有技术中常规的型号,加上电路连接采用现有技术中常规的连接方式,在此不再详述。
尽管已经示出和描述了本发明的实施例,对于本领域的普通技术人员而言,可以理解在不脱离本发明的原理和精神的情况下可以对这些实施例进行多种变化、修改、替换和变型,本发明的范围由所附权利要求及其等同物限定。
Claims (9)
1.一种烘干设备热能回收系统,包括烘干室(1)和换热器(2),其特征在于:所述换热器(2)上连接有废气风管(3)和新风风管(4),所述废气风管(3)的废气进入端位于烘干室(1)内,所述废气风管(3)的废气排出端连接有废气处理装置,所述新风风管(4)的新气进入端连接有新风过滤装置,所述新风风管(4)的新气排出端将热风送入烘干室(1),所述废气风管(3)上设置有电动风阀(5),所述新风风管(4)上设置有新风风机(6)和新风加热装置(7)。
2.根据权利要求1所述的一种烘干设备热能回收系统,其特征在于:所述换热器(2)包括废气进口、废气出口、新气进口和新气出口,所述废气进口和废气出口与废气风管(3)相连,所述新气进口和新气出口与新风风管(4)相连。
3.根据权利要求2所述的一种烘干设备热能回收系统,其特征在于:所述废气风管(3)包括废气主管道(31)、废气进口管道(32)和废气出口管道(33),所述废气主管道(31)的一端位于烘干室(1)的内部、另一端与废气处理装置相连,所述废气进口管道(32)的一端与废气主管道(31)相连、另一端与换热器(2)的废气进口相连,所述废气出口管道(33)的一端与换热器(2)的废气出口相连、另一端与废气主管道(31)相连。
4.根据权利要求3所述的一种烘干设备热能回收系统,其特征在于:所述电动风阀(5)的数量为两个,其中一个所述电动风阀(5)安装于废气主管道(31)上且位于废气进口管道(32)和废气出口管道(33)之间,另一个所述电动风阀(5)安装于废气进口管道(32)上。
5.根据权利要求2所述的一种烘干设备热能回收系统,其特征在于:所述新风风管(4)包括新风进口管道(41)、新风出口管道(42)和新风支管道(43),所述新风进口管道(41)的一端与新风过滤装置相连、另一端连接于换热器(2)的新气进口,所述新风出口管道(42)的一端与换热器(2)的新风出口相连、另一端连接于新风支管道(43)的一端、所述新风支管道(43)的另一端为烘干室(1)送入热风,所述新风风机(6)安装于新风进口管道(41)上,所述新风加热装置(7)安装于新风出口管道(42)上。
6.根据权利要求5所述的一种烘干设备热能回收系统,其特征在于:所述新风支管道(43)的数量为两个,两个所述新风支管道(43)的一端均与新风出口管道(42)相连、另一端分别为烘干室(1)的进口和出口送风。
7.根据权利要求1所述的一种烘干设备热能回收系统,其特征在于:所述新风过滤装置包括压差计(8)和新风过滤器(9),所述压差计(8)连接于所述新风过滤器(9)的两端,所述新风过滤器(9)与新风风管(4)的新气进入端相连。
8.根据权利要求1所述的一种烘干设备热能回收系统,其特征在于:所述烘干室(1)安装在所述换热器(2)、新风风机(6)和新风加热装置(7)的下面。
9.根据权利要求1所述的一种烘干设备热能回收系统,其特征在于:所述废气处理装置为RTO废气处理设备。
Priority Applications (1)
| Application Number | Priority Date | Filing Date | Title |
|---|---|---|---|
| CN202110677882.5A CN113465362A (zh) | 2021-06-18 | 2021-06-18 | 一种烘干设备热能回收系统 |
Applications Claiming Priority (1)
| Application Number | Priority Date | Filing Date | Title |
|---|---|---|---|
| CN202110677882.5A CN113465362A (zh) | 2021-06-18 | 2021-06-18 | 一种烘干设备热能回收系统 |
Publications (1)
| Publication Number | Publication Date |
|---|---|
| CN113465362A true CN113465362A (zh) | 2021-10-01 |
Family
ID=77868598
Family Applications (1)
| Application Number | Title | Priority Date | Filing Date |
|---|---|---|---|
| CN202110677882.5A Pending CN113465362A (zh) | 2021-06-18 | 2021-06-18 | 一种烘干设备热能回收系统 |
Country Status (1)
| Country | Link |
|---|---|
| CN (1) | CN113465362A (zh) |
Citations (10)
| Publication number | Priority date | Publication date | Assignee | Title |
|---|---|---|---|---|
| US3757427A (en) * | 1970-10-30 | 1973-09-11 | B & K Machinery Int Ltd | Method and apparatus for drying solvents |
| CN101162123A (zh) * | 2007-07-27 | 2008-04-16 | 杭州泰欣实业有限公司 | 一种彩涂废气热回收方法 |
| CN103453751A (zh) * | 2013-08-30 | 2013-12-18 | 合肥禾盛新型材料有限公司 | 一种高热废气能源利用系统 |
| DE102013004136A1 (de) * | 2013-03-09 | 2014-09-11 | Volkswagen Aktiengesellschaft | Vorrichtung zum Trocknen eines Werkstücks und Verfahren zum Betrieb einer derartigen Vorrichtung |
| CN105214921A (zh) * | 2015-10-14 | 2016-01-06 | 迈赫机器人自动化股份有限公司 | 一种汽车涂装烘干室高温烟气利用系统及利用工艺 |
| CN205718515U (zh) * | 2016-06-24 | 2016-11-23 | 安徽江淮汽车股份有限公司 | 一种喷涂烘干炉控制系统 |
| CN206131033U (zh) * | 2016-08-26 | 2017-04-26 | 河南华谱新能源科技有限公司 | 一种汽车涂装闪干炉用余热回收装置 |
| CN207222272U (zh) * | 2017-07-27 | 2018-04-13 | 东风本田汽车有限公司 | 汽车涂装车间rto二级余热回收系统 |
| CN208712137U (zh) * | 2018-07-30 | 2019-04-09 | 青岛安悦节能技术有限公司 | 一种油漆烘房烟气余热回收系统 |
| CN210718577U (zh) * | 2019-08-15 | 2020-06-09 | 昆山钛研环保科技有限公司 | 一种烘干生产线及废气处理热回收系统 |
-
2021
- 2021-06-18 CN CN202110677882.5A patent/CN113465362A/zh active Pending
Patent Citations (10)
| Publication number | Priority date | Publication date | Assignee | Title |
|---|---|---|---|---|
| US3757427A (en) * | 1970-10-30 | 1973-09-11 | B & K Machinery Int Ltd | Method and apparatus for drying solvents |
| CN101162123A (zh) * | 2007-07-27 | 2008-04-16 | 杭州泰欣实业有限公司 | 一种彩涂废气热回收方法 |
| DE102013004136A1 (de) * | 2013-03-09 | 2014-09-11 | Volkswagen Aktiengesellschaft | Vorrichtung zum Trocknen eines Werkstücks und Verfahren zum Betrieb einer derartigen Vorrichtung |
| CN103453751A (zh) * | 2013-08-30 | 2013-12-18 | 合肥禾盛新型材料有限公司 | 一种高热废气能源利用系统 |
| CN105214921A (zh) * | 2015-10-14 | 2016-01-06 | 迈赫机器人自动化股份有限公司 | 一种汽车涂装烘干室高温烟气利用系统及利用工艺 |
| CN205718515U (zh) * | 2016-06-24 | 2016-11-23 | 安徽江淮汽车股份有限公司 | 一种喷涂烘干炉控制系统 |
| CN206131033U (zh) * | 2016-08-26 | 2017-04-26 | 河南华谱新能源科技有限公司 | 一种汽车涂装闪干炉用余热回收装置 |
| CN207222272U (zh) * | 2017-07-27 | 2018-04-13 | 东风本田汽车有限公司 | 汽车涂装车间rto二级余热回收系统 |
| CN208712137U (zh) * | 2018-07-30 | 2019-04-09 | 青岛安悦节能技术有限公司 | 一种油漆烘房烟气余热回收系统 |
| CN210718577U (zh) * | 2019-08-15 | 2020-06-09 | 昆山钛研环保科技有限公司 | 一种烘干生产线及废气处理热回收系统 |
Similar Documents
| Publication | Publication Date | Title |
|---|---|---|
| CN216337762U (zh) | 一种热风炉换炉废气相互充压系统 | |
| CN202482387U (zh) | 退火炉用烟气余热回收系统 | |
| CN101829649A (zh) | 一种喷涂烘干炉 | |
| CN105214921A (zh) | 一种汽车涂装烘干室高温烟气利用系统及利用工艺 | |
| CN201915124U (zh) | 一种退火炉余热回收系统 | |
| CN112161282A (zh) | 一种rto焚烧炉烟气余热回收利用系统 | |
| CN201684712U (zh) | 一种喷涂烘干炉 | |
| CN113465362A (zh) | 一种烘干设备热能回收系统 | |
| CN215063963U (zh) | 一种电泳烘干炉烟气余热回收装置 | |
| CN218821856U (zh) | 一种废气余热回收系统 | |
| CN216711930U (zh) | 用于光纤预制棒ovd沉积的废气处理系统 | |
| CN207738458U (zh) | 一种用于磷铵生产线的余能回收装置 | |
| CN208920038U (zh) | 一种火电厂组合式双循环烟气余热高效利用系统 | |
| CN107726354A (zh) | 一种烟气余热回收系统 | |
| CN206131029U (zh) | 一种汽车涂装辐射区加热炉余热回收装置 | |
| CN211025691U (zh) | 一种吸附剂热再生系统 | |
| CN110779006A (zh) | 一种垃圾焚烧余热锅炉控制排烟温度的装置 | |
| CN214371825U (zh) | 一种新型的开式mggh系统 | |
| CN212431847U (zh) | 利用凝结水热循环加热冷风的烟气余热利用系统 | |
| CN213686851U (zh) | 一种rto焚烧炉烟气余热回收利用系统 | |
| CN203798205U (zh) | 工业废气余热回收换热装置 | |
| CN110628978B (zh) | 一种欧冶炉顶煤气降温余热回收装置 | |
| CN209893428U (zh) | 一种换热器漆包机废气处理设备 | |
| CN222761026U (zh) | 末端分布式变频节能余热供热系统 | |
| CN110652835A (zh) | 一种吸附剂热再生系统 |
Legal Events
| Date | Code | Title | Description |
|---|---|---|---|
| PB01 | Publication | ||
| PB01 | Publication | ||
| SE01 | Entry into force of request for substantive examination | ||
| SE01 | Entry into force of request for substantive examination | ||
| CB02 | Change of applicant information |
Address after: No. 1958, Chuangye street, Changchun automobile economic and Technological Development Zone, Changchun City, Jilin Province, 130011 Applicant after: The Ninth Design and Research Institute of Machinery Industry Co.,Ltd. Address before: No. 1958, Chuangye street, Changchun automobile economic and Technological Development Zone, Changchun City, Jilin Province, 130011 Applicant before: Machinery Industry Ninth Design and Research Institute Co.,Ltd. |
|
| CB02 | Change of applicant information | ||
| RJ01 | Rejection of invention patent application after publication |
Application publication date: 20211001 |
|
| RJ01 | Rejection of invention patent application after publication |