CN113446754A - 带全热回收的双冷源空气源热泵 - Google Patents
带全热回收的双冷源空气源热泵 Download PDFInfo
- Publication number
- CN113446754A CN113446754A CN202110657755.9A CN202110657755A CN113446754A CN 113446754 A CN113446754 A CN 113446754A CN 202110657755 A CN202110657755 A CN 202110657755A CN 113446754 A CN113446754 A CN 113446754A
- Authority
- CN
- China
- Prior art keywords
- water
- heat
- air
- valve
- temperature
- Prior art date
- Legal status (The legal status is an assumption and is not a legal conclusion. Google has not performed a legal analysis and makes no representation as to the accuracy of the status listed.)
- Granted
Links
- 238000011084 recovery Methods 0.000 title claims abstract description 63
- XLYOFNOQVPJJNP-UHFFFAOYSA-N water Substances O XLYOFNOQVPJJNP-UHFFFAOYSA-N 0.000 claims abstract description 283
- 239000000498 cooling water Substances 0.000 claims abstract description 117
- 238000000034 method Methods 0.000 claims abstract description 117
- 230000008569 process Effects 0.000 claims abstract description 105
- 239000007788 liquid Substances 0.000 claims abstract description 72
- 238000010438 heat treatment Methods 0.000 claims abstract description 55
- 238000001816 cooling Methods 0.000 claims abstract description 52
- 238000005057 refrigeration Methods 0.000 claims abstract description 34
- 238000004378 air conditioning Methods 0.000 claims description 113
- 239000003507 refrigerant Substances 0.000 claims description 101
- 239000002131 composite material Substances 0.000 claims description 63
- 230000005494 condensation Effects 0.000 claims description 50
- 238000009833 condensation Methods 0.000 claims description 50
- 239000008236 heating water Substances 0.000 claims description 13
- 238000010257 thawing Methods 0.000 claims description 8
- 239000007789 gas Substances 0.000 description 51
- 230000007547 defect Effects 0.000 description 3
- 239000002918 waste heat Substances 0.000 description 3
- 238000010586 diagram Methods 0.000 description 2
- 239000000463 material Substances 0.000 description 2
- 238000012986 modification Methods 0.000 description 2
- 230000004048 modification Effects 0.000 description 2
- 230000000630 rising effect Effects 0.000 description 2
- 238000012546 transfer Methods 0.000 description 2
- 238000004891 communication Methods 0.000 description 1
- 150000001875 compounds Chemical class 0.000 description 1
- 238000010276 construction Methods 0.000 description 1
- 230000003247 decreasing effect Effects 0.000 description 1
- 230000009977 dual effect Effects 0.000 description 1
- 230000000694 effects Effects 0.000 description 1
- 238000005265 energy consumption Methods 0.000 description 1
- 230000007613 environmental effect Effects 0.000 description 1
- 238000003912 environmental pollution Methods 0.000 description 1
- 230000003993 interaction Effects 0.000 description 1
- 238000012423 maintenance Methods 0.000 description 1
- 239000000155 melt Substances 0.000 description 1
- 230000007704 transition Effects 0.000 description 1
Images
Classifications
-
- F—MECHANICAL ENGINEERING; LIGHTING; HEATING; WEAPONS; BLASTING
- F25—REFRIGERATION OR COOLING; COMBINED HEATING AND REFRIGERATION SYSTEMS; HEAT PUMP SYSTEMS; MANUFACTURE OR STORAGE OF ICE; LIQUEFACTION SOLIDIFICATION OF GASES
- F25B—REFRIGERATION MACHINES, PLANTS OR SYSTEMS; COMBINED HEATING AND REFRIGERATION SYSTEMS; HEAT PUMP SYSTEMS
- F25B29/00—Combined heating and refrigeration systems, e.g. operating alternately or simultaneously
- F25B29/003—Combined heating and refrigeration systems, e.g. operating alternately or simultaneously of the compression type system
-
- F—MECHANICAL ENGINEERING; LIGHTING; HEATING; WEAPONS; BLASTING
- F24—HEATING; RANGES; VENTILATING
- F24F—AIR-CONDITIONING; AIR-HUMIDIFICATION; VENTILATION; USE OF AIR CURRENTS FOR SCREENING
- F24F12/00—Use of energy recovery systems in air conditioning, ventilation or screening
-
- F—MECHANICAL ENGINEERING; LIGHTING; HEATING; WEAPONS; BLASTING
- F25—REFRIGERATION OR COOLING; COMBINED HEATING AND REFRIGERATION SYSTEMS; HEAT PUMP SYSTEMS; MANUFACTURE OR STORAGE OF ICE; LIQUEFACTION SOLIDIFICATION OF GASES
- F25B—REFRIGERATION MACHINES, PLANTS OR SYSTEMS; COMBINED HEATING AND REFRIGERATION SYSTEMS; HEAT PUMP SYSTEMS
- F25B30/00—Heat pumps
- F25B30/02—Heat pumps of the compression type
-
- F—MECHANICAL ENGINEERING; LIGHTING; HEATING; WEAPONS; BLASTING
- F25—REFRIGERATION OR COOLING; COMBINED HEATING AND REFRIGERATION SYSTEMS; HEAT PUMP SYSTEMS; MANUFACTURE OR STORAGE OF ICE; LIQUEFACTION SOLIDIFICATION OF GASES
- F25B—REFRIGERATION MACHINES, PLANTS OR SYSTEMS; COMBINED HEATING AND REFRIGERATION SYSTEMS; HEAT PUMP SYSTEMS
- F25B41/00—Fluid-circulation arrangements
- F25B41/20—Disposition of valves, e.g. of on-off valves or flow control valves
-
- F—MECHANICAL ENGINEERING; LIGHTING; HEATING; WEAPONS; BLASTING
- F25—REFRIGERATION OR COOLING; COMBINED HEATING AND REFRIGERATION SYSTEMS; HEAT PUMP SYSTEMS; MANUFACTURE OR STORAGE OF ICE; LIQUEFACTION SOLIDIFICATION OF GASES
- F25B—REFRIGERATION MACHINES, PLANTS OR SYSTEMS; COMBINED HEATING AND REFRIGERATION SYSTEMS; HEAT PUMP SYSTEMS
- F25B41/00—Fluid-circulation arrangements
- F25B41/30—Expansion means; Dispositions thereof
-
- Y—GENERAL TAGGING OF NEW TECHNOLOGICAL DEVELOPMENTS; GENERAL TAGGING OF CROSS-SECTIONAL TECHNOLOGIES SPANNING OVER SEVERAL SECTIONS OF THE IPC; TECHNICAL SUBJECTS COVERED BY FORMER USPC CROSS-REFERENCE ART COLLECTIONS [XRACs] AND DIGESTS
- Y02—TECHNOLOGIES OR APPLICATIONS FOR MITIGATION OR ADAPTATION AGAINST CLIMATE CHANGE
- Y02B—CLIMATE CHANGE MITIGATION TECHNOLOGIES RELATED TO BUILDINGS, e.g. HOUSING, HOUSE APPLIANCES OR RELATED END-USER APPLICATIONS
- Y02B30/00—Energy efficient heating, ventilation or air conditioning [HVAC]
- Y02B30/52—Heat recovery pumps, i.e. heat pump based systems or units able to transfer the thermal energy from one area of the premises or part of the facilities to a different one, improving the overall efficiency
-
- Y—GENERAL TAGGING OF NEW TECHNOLOGICAL DEVELOPMENTS; GENERAL TAGGING OF CROSS-SECTIONAL TECHNOLOGIES SPANNING OVER SEVERAL SECTIONS OF THE IPC; TECHNICAL SUBJECTS COVERED BY FORMER USPC CROSS-REFERENCE ART COLLECTIONS [XRACs] AND DIGESTS
- Y02—TECHNOLOGIES OR APPLICATIONS FOR MITIGATION OR ADAPTATION AGAINST CLIMATE CHANGE
- Y02B—CLIMATE CHANGE MITIGATION TECHNOLOGIES RELATED TO BUILDINGS, e.g. HOUSING, HOUSE APPLIANCES OR RELATED END-USER APPLICATIONS
- Y02B30/00—Energy efficient heating, ventilation or air conditioning [HVAC]
- Y02B30/56—Heat recovery units
Landscapes
- Engineering & Computer Science (AREA)
- Mechanical Engineering (AREA)
- General Engineering & Computer Science (AREA)
- Physics & Mathematics (AREA)
- Thermal Sciences (AREA)
- Chemical & Material Sciences (AREA)
- Combustion & Propulsion (AREA)
- Other Air-Conditioning Systems (AREA)
- Compression-Type Refrigeration Machines With Reversible Cycles (AREA)
Abstract
本发明属于热泵机械技术领域,尤其涉及带全热回收的双冷源空气源热泵。本发明公开的带全热回收的双冷源空气源热泵包括连接在制冷循环中的压缩机、四通换向阀、复合式水冷冷凝器、壳管式换热器、翅片式换热器、第一单向阀、第二单向阀、第一电磁阀、第二电磁阀、第一节流阀、第二节流阀、气液分离器、冷却塔、冷却水泵、水路单向阀、水路阀门组。本发明通过四通换向阀、第一电磁阀、第二电磁阀、水路阀门组状态的控制以及复合式水冷冷凝器、壳管式换热器中水流动状态的控制,可实现制冷、制冷加全热回收、制热、热水、制热加热水五种功能及运行模式之间的切换。通过全热回收解决常规楼宇建筑或工业行业项目全年制冷、采暖、卫生或工艺热水需求。
Description
技术领域
本发明属于热泵机械技术领域,尤其涉及带全热回收的双冷源空气源热泵。
背景技术
常规中央空调主机一般采用以下两种方式:
1水冷冷水机组
制冷时,由水冷冷水机组向风机盘管等空调末端提供7℃冷冻水以对房间空气进行冷却,水冷冷凝器将高温高压制冷剂的冷凝热量传递给冷却水,冷却水再被冷却水泵输送到冷却塔将热量排放给室外大气。通常水冷冷水机组放置在室内,冷却塔放置在室外,二者之间有较长的冷却水循环管道,需要大功率大扬程冷却水泵驱动冷却水循环;且主机与冷却塔、冷却水泵联动性能差,导致整个空调系统功耗较高,能效较低。
冬季及过渡季节采暖时,需另外配置锅炉等采暖设备,能源效率低,环境污染大,且操作维护复杂。
配套的土建及室内空间的占用,致使工程造价较高。
2风冷冷热水机组
夏季制冷时,风冷冷热水机组通过翅片换热器将经压缩机压缩后的高温高压气体在冷凝过程中释放的大量热量排放给室外空气,空气比热容和密度较低,其温升一般高达10℃左右,故进出风平均温度较高;同时,空气侧传热系数较低,所需的换热温差较大。因此,风冷冷热水机组的冷凝温度很高,制冷能效通常仅在2.6~3.0之间,系统能耗过大,不符合国家节能减排政策。
常规风冷冷热水机组夏季制冷运行时,从空调水侧换热器出来的低压制冷剂气体,一般需先后经过四通阀、气液分离器后再进入压缩机,低压吸气管路的沿程阻力和局部阻力较大,引起压缩机吸气压力和机组制冷能效的下降。
无论是水冷冷水机组还是风冷冷热水机组,夏季均需向室外大气环境排放大量冷凝废热,引起室外气温的明显上升,造成城市热岛效应。
发明内容
为了克服水冷冷水机组无法实现冬季制热功能,需配置锅炉以解决冬季供热,而风冷冷热水机组夏季制冷能效太低的缺陷,本发明提供一种带全热回收的双冷源空气源热泵,夏天采用水冷,且集成了由冷却塔、冷却水泵组成的冷却水系统,以大幅提高制冷量和制冷能效;冬季则采用空气源热泵,以提供空调制热功能。同时,夏季制冷时可利用冷凝废热来产生免费的工艺/卫生热水,其余季节则可通过翅片式换热器来吸收室外空气热量,再通过制冷循环和压缩机做功来制取工艺/卫生热水,以解决全年空调制冷、空调制热及工艺/卫生热水。
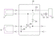
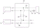
在本发明的第一方面,本发明提出了一种带全热回收的双冷源空气源热泵机组,包括连接在制冷循环回路中的压缩机1,所述压缩机1高压出口连接四通换向阀2接口d,连接所述四通换向阀2接口c的复合式水冷冷凝器3,连接所述四通换向阀2接口e的翅片式换热器5,连接所述四通换向阀2接口s的气液分离器12,连接所述复合式水冷冷凝器3出口的第一单向阀6,连接所述第一单向阀6出口的第二单向阀7、第一电磁阀8、第二电磁阀9,连接所述第一电磁阀8出口的第一节流阀10,连接所述第二电磁阀9出口的第二节流阀11,连接所述第二节流阀11出口的壳管式换热器4;所述第一节流阀10出口和第二单向阀7进口以及翅片式换热器5液侧接口相互连接;所述气液分离器12的出口和壳管式换热器4的出口以及压缩机1的吸气口相互连接;所述机组具备夏季制冷和冬季制热功能,同时还具有全热回收功能,可全年提供工艺或卫生热水;夏季制冷时采用水冷冷凝方式,冷凝温度较风冷热泵可降低14℃左右,可显著提高机组的制冷量和制冷能效,且从壳管式换热器4出来的低压气体直接进入压缩机吸气口,提高机组制冷量和制冷能效。
另外,根据本发明上述实施例,还可以具有如下附加的技术特征:
具体的,本发明的热泵机组还包括连接所述复合式水冷冷凝器3冷却水出水口的第一三通阀16,连接所述第一三通阀16接口q的冷却塔13,连接所述冷却塔13出水口的冷却水泵14,连接所述冷却水泵14出口的水路单向阀15,连接所述的复合式水冷冷凝器3工艺/卫生热水进水口的热水泵20,连接所述壳管式换热器4进水口的第二三通阀17;所述第一三通阀16接口m与壳管式换热器4的出水口相连;所述第二三通阀17接口i与所述连接复合式水冷冷凝器3冷却水进水口、水路单向阀15出水口相连。
具体的,复合式水冷冷凝器3,其上部设置了全热回收换热管束,所述换热管内侧的工艺/卫生热水可吸收换热管外侧高温高压气体制冷剂在冷凝过程中所排放的热量,温度升高后离开复合式水冷冷凝器3,通向用户需热末端;下部则设置了冷却水换热管束,其换热管内侧的冷却水可吸收换热管外侧高温高压气体制冷剂在冷凝过程中所排放的热量,温度升高后离开复合式水冷冷凝器3;所述全热回收换热管束换热管内侧的工艺/卫生热水回路与冷却水换热管束换热管内侧的冷却水回路相互独立,而进入复合式水冷冷凝器3顶部的高温高压气体制冷剂则先流经全热回收换热管束,再流经冷却水换热管束,将热量排放给工艺/卫生热水或冷却水后被冷凝成高压液体。
具体的,第一三通阀16接口p接复合式水冷冷凝器3冷却水出口,接口q接冷却塔入口,接口m接壳管式换热器4空调水出口,第二三通阀17接口j接流自空调末端的空调回水,接口h接壳管式换热器4空调水入口,接口i接复合式水冷冷凝器3冷却水入口,所述的第一三通阀16和第二三通阀17及其冷却水、空调水连接的管段组成水路阀门组18可以用若干个二通阀和三通阀组合的方式来替代;所述的三通阀、二通阀可以采用电动或气动或手动的阀门。
使用上述热泵机组的制冷模式控制方法,四通换向阀2、第一电磁阀8断电,第二电磁阀9通电,第一三通阀16接口p与接口q导通,接口p和接口q均不与接口m导通,第二三通阀17接口h与接口j导通,接口h和接口j均不与接口i导通,冷却塔13和冷却水泵14处于运转状态,壳管式换热器4内的空调水路处于运转状态,翅片式换热器5风机停止运转,复合式水冷冷凝器3上部全热回收换热管束换热管内侧的工艺/卫生热水水路不运转;所述压缩机1排出的高温高压气体制冷剂经过四通换向阀2的接口d、接口c进入复合式水冷冷凝器3,流经全热回收换热管束换热管外侧,在冷却水换热管束换热管外侧与温度相对较低的换热管内侧的冷却水进行换热,将冷凝热量排放给冷却水后被冷凝为高压液体;高压液体依次经第一单向阀6、第二电磁阀9后进入第二节流阀11,被节流降压为低温低压气液混合制冷剂进入壳管式换热器4,吸收空调冷冻水热量对其进行降温冷却后蒸发为低压气体,最终回到压缩机1吸气口,被压缩机1压缩成高温高压气体制冷剂,如此反复循环;吸收高温高压气体制冷剂冷凝热量温度上升后的冷却水,经过第一三通阀16接口p、接口q进入冷却塔13,在冷却塔13内将热量排放给室外空气后温度下降,之后又被冷却水泵14经水路单向阀15输送至复合式水冷冷凝器3下部冷却水换热管束的换热管内侧,吸收换热管外侧的高温高压气体制冷剂所排放的冷凝热量温度上升后离开复合式水冷冷凝器3,如此反复循环;从壳管式换热器4出来的温度较低的空调冷冻水则流向用户空调末端,对流经空调末端的循环空气进行冷却释放出冷量后温度升高,再由空调水泵经三通阀接口j、接口h,输送回到壳管式换热器4,与被节流阀6节流后的低温低压气液混合制冷剂进行换热,被制冷剂冷却温度下降后离开壳管式换热器4,此反复循环。
使用上述热泵机组的制冷加热水模式控制方法,四通换向阀2、第一电磁阀8断电,第二电磁阀9通电,第一三通阀16接口p与接口q导通,接口p和接口q均不与接口m导通,第二三通阀17接口h与接口j导通,接口h和接口j均不与接口i导通,冷却塔13和冷却水泵14停止运转,复合式水冷冷凝器3上部全热回收换热管束换热管内侧的工艺/卫生热水水路运转,壳管式换热器4内的空调水路处于运转状态,翅片式换热器5风机停止运转;所述压缩机1排出的高温高压气体制冷剂经过四通换向阀2的接口d、接口c进入复合式水冷冷凝器3,在全热回收换热管束换热管外侧与温度相对较低的换热管内侧的工艺/卫生热水进行换热,将冷凝热量排放给工艺/卫生热水后被冷凝为高压液体;高压液体流经冷却水换热管束管外侧后离开复合式水冷冷凝器3,之后依次经第一单向阀6、第二电磁阀9后进入第二节流阀11,被节流降压为低温低压气液混合制冷剂后进入壳管式蒸发器4,吸收空调冷冻水热量对其进行降温冷却后蒸发为低压气体,最终回到压缩机1吸气口,被压缩机1压缩成高温高压气体制冷剂,如此反复循环;吸收高温高压气体制冷剂的冷凝热量温度上升后的工艺/卫生热水则被输送至用户需热末端,将热量排放给需热末端后温度下降,之后又被输送至复合式水冷冷凝器3上部全热回收换热管束的换热管内侧,吸收换热管外侧的高温高压气体制冷剂所排放的冷凝热量温度上升后离开复合式水冷冷凝器3,如此反复循环;从壳管式换热器4出来的温度较低的空调冷冻水则流向用户空调末端,对流经空调末端的循环空气进行冷却释放出冷量后温度升高,再由空调水泵经三通阀接口j、接口h,输送回到壳管式换热器4,与被节流阀6节流后的低温低压气液混合制冷剂进行换热,被制冷剂冷却温度下降后离开壳管式换热器4,此反复循环。
使用上述热泵机组的制热模式控制方法,四通换向阀2、第二电磁阀9断电,第一电磁阀8通电,第一三通阀16接口p与接口m导通,接口p和接口m均不与接口q导通,第二三通阀17接口j与接口i导通,接口j和接口i均不与接口h导通,冷却塔13和冷却水泵14停止运转,工艺/卫生热水水路停止运转,翅片式换热器5风机处于运转状态,空调热水进入复合式水冷冷凝器3下部冷却水换热管束的换热管内侧;所述压缩机1排出的高温高压气体制冷剂经过四通换向阀2的接口d、接口c进入复合式水冷冷凝器3,流经全热回收换热管束换热管外侧,在冷却水换热管束换热管外侧与温度相对较低的换热管内侧的空调热水进行换热,将冷凝热量排放给空调热水后被冷凝为高压液体,之后经第一单向阀6、第一电磁阀8进入第一节流阀10,被节流降压为低温低压气液混合制冷剂后进入翅片式换热器5,与温度相对较高的室外空气进行换热,吸收室外空气热量后蒸发为低压气体制冷剂,之后依次经过四通换向阀2的接口e及接口s、气液分离器12后最终回到压缩机1吸气口,被压缩机1压缩成高温高压气体制冷剂,如此反复循环;温度较低的空调热水进入复合式水冷冷凝器3下部的冷却水换热管束的换热管内侧,吸收换热管外侧高温高压气体制冷剂所排放的冷凝热量温度升高后离开复合式水冷冷凝器3,之后被输送到用户空调末端,将热量排放给流经空调末端的循环空气温度下降后再被空调水泵输送回到冷却水换热管束,如此反复循环;当翅片式换热器表面结霜或结冰时,第一电磁阀8断电,四通换向阀2、第二电磁阀9通电,第一三通阀16接口p与接口m导通,接口p和接口m均不与接口q导通,第二三通阀17接口j与接口h完全导通或大部分导通,冷却塔13和冷却水泵14停止运转,翅片式换热器5风机停止运转,工艺/卫生热水水路停止运转;所述压缩机1排出的高温高压气体经过四通换向阀2的接口d、接口e进入翅片式换热器5,将大量的冷凝热量传递给翅片表面的霜或冰,使其吸热融化成水脱离翅片表面从而实现除霜功能,高压气体制冷剂则被冷凝成高压液体,之后经第二单向阀7、第二电磁阀9进入第二节流阀11,被节流降压为低温低压气液混合制冷剂后进入壳管式换热器4,与温度较高的空调热水进行换热,吸收空调热水热量后蒸发为低压气体,最终回到压缩机1吸气口,被压缩机1压缩成高温高压气体制冷剂,如此反复循环,直到除霜结束。
使用上述热泵机组的热水模式控制方法,四通换向阀2、第二电磁阀9断电,第一电磁阀8通电,第一三通阀16、第二三通阀17各接口通断保持上一次制冷或制热运行时的状态,冷却塔13和冷却水泵14停止运转,壳管式换热器4内的空调水路停止运转,复合式水冷冷凝器3上部全热回收换热管束换热管内侧的工艺/卫生热水水路运转,翅片式换热器5风机处于运转状态;所述压缩机1排出的高温高压气体经过四通换向阀2的接口d、接口c进入复合式水冷冷凝器3,在全热回收换热管束的换热管外侧与温度相对较低的工艺/卫生热水进行换热,将大量的冷凝热量排放给工艺/卫生热水,对其进行加热升温后被冷凝成高压液体,之后流经复合式水冷冷凝器3下部冷却水换热管束后离开复合式水冷冷凝器3,再依次经过第一单向阀6、第一电磁阀8进入第一节流阀10,被节流降压为低温低压气液混合制冷剂后进入翅片式换热器5,与温度相对较高的室外空气进行换热,吸收室外空气热量后蒸发为低压气体,再依次经过四通换向阀2的接口e及接口s、气液分离器12最终回到压缩机1吸气口,被压缩机1压缩成高温高压气体制冷剂,如此反复循环;温度较低的工艺/卫生热水进入复合式水冷冷凝器3上部的全热回换热管束的换热管内侧,吸收换热管外侧高温高压气体制冷剂所排放的冷凝热量温度升高后离开复合式水冷冷凝器3,之后被输送至用户需热末端,将热量排放给需热末端温度下降后再被输送至复合式水冷冷凝器3上部全热回收换热管束的换热管内侧,如此反复循环;当翅片式换热器表面结霜或结冰时,第一电磁阀8断电,四通换向阀2、第二电磁阀9通电,第一三通阀16接口p与接口m导通,接口p和接口m均不与接口q导通,第二三通阀17接口j与接口h完全导通或部分导通,冷却塔13和冷却水泵14停止运转,翅片式换热器5风机停止运转,壳管式换热器4内的空调水路运转;所述压缩机1排出的高温高压气体制冷剂依次经过四通换向阀2的接口d、接口e进入翅片式换热器5,将大量的冷凝热量排放给翅片表面的霜或冰,使其吸热融化成水脱离翅片表面从而实现除霜功能,高压气体则被冷凝成高压液体,之后经第二单向阀7、第二电磁阀9进入第二节流阀11,被节流降压为低温低压气液混合制冷剂后进入壳管式换热器4,吸收空调水热量后蒸发为低压气体,最终回到压缩机1吸气口,被压缩机1压缩成高温高压气体制冷剂,如此反复循环;进入壳管式换热器4的空调水,向节流后的低温低压气液混合制冷剂释放热量温度下降后离开壳管式换热器4,再由空调水泵驱动经过空调末端和空调水环路后回到壳管式换热器4,此反复循环直到除霜结束。
使用上述热泵机组的制热加热水模式控制方法,四通换向阀2、第二电磁阀9断电,第一电磁阀8通电,第一三通阀16接口p与接口m导通,接口p和接口m均不与接口q导通,第二三通阀17接口j与接口i导通,接口j和接口i均不与接口h导通,冷却塔13和冷却水泵14停止运转,翅片式换热器5风机处于运转状态;工艺/卫生热水水路和空调热水水路可根据需要同时运转,或仅工艺/卫生热水水路运转,或仅空调热水水路运转。当选择工艺/卫生热水为优化加热对象时,空调热水水路的可先停止运转,待工艺/卫生热水水温达到设置值后工艺/卫生热水水路停止运转,空调热水水路投入运转状态;当选择空调热水为优化加热对象时,工艺/卫生热水水路可先停止运转,待空调热水水温达到设置值后空调热水水路停止运转,工艺/卫生热水水路投入运转状态;空调热水水路投入运转时空调热水将进入复合式冷凝器3下部冷却水换热管束的换热管内侧;所述压缩机1排出的高温高压气体制冷剂经过四通换向阀2的接口d、接口c进入复合式水冷冷凝器3,先后流经全热回收换热管束换热管外侧和冷却水换热管束换热管外侧,与温度相对较低的工艺/卫生热水或空调热水进行换热,将冷凝热量排放给工艺/卫生热水或空调热水后被冷凝为高压液体,之后经第一单向阀6、第一电磁阀8进入第一节流阀10,被节流降压为低温低压气液混合制冷剂后进入翅片式换热器5,与温度相对较高的室外空气进行换热,吸收室外空气热量后蒸发为低压气体制冷剂,之后依次经过四通换向阀2的接口e及接口s、气液分离器12后最终回到压缩机1吸气口,被压缩机1压缩成高温高压气体制冷剂,如此反复循环;温度较低的空调热水或工艺/卫生热水进入复合式水冷冷凝器3,吸收换热管外侧高温高压气体制冷剂所排放的冷凝热量温度升高后离开复合式水冷冷凝器3,之后被输送到用户空调末端或需热末端,将热量排放给空调末端或需热末端温度下降后再被输送回到复合式水冷冷凝器3,如此反复循环。
具体的,复合式水冷冷凝器3内的工艺/卫生热水水路的运转,可通过热水泵进行启停控制,也可通过电动或气动阀门进行切换控制,电动及气动阀门可采用二通阀,也可采用三通阀;连接冷却水泵14出口的水路单向阀15可以使用第一二通阀22第一二通阀22替代,第一二通阀22第一二通阀22可以采用电动或气动或手动的阀门。
本发明具备制冷、制热、制冷加全热回收、热水、制热加热水共五种功能及运行模式,达到余热回收、一机多用、环保节能的目的,亳无疑问有效的提高了能源利用效率。
附图说明
图1是本发明一个实施例的示意图。
图2是本发明另一个实施例的示意图。
图3是本发明一个实施例的第一种水路阀门组示意图。
图4是本发明一个实施例的第二种水路阀门组示意图。
图5是本发明一个实施例的第三种水路阀门组示意图。
图6是本发明一个实施例的第四种水路阀门组示意图。
图7是本发明一个实施例的第五种水路阀门组示意图。
其中;1-压缩机;2-四通换向阀;3-复合式水冷冷凝器;4-壳管式换热器;5-翅片式换热器;6-第一单向阀;7-第二单向阀;8-第一电磁阀;9-第二电磁阀;10-第一节流阀;11-第二节流阀;12-气液分离器;13-冷却塔;14-冷却水泵;15-水路单向阀;16-第一三通阀;17-第二三通阀、18-水路阀门组;19-第三节流阀;20-热水泵;21-热水三通阀;22-第一二通阀、23-第二二通阀、24-第三二通阀、25-第四二通阀、26-第五二通阀、27-第六二通阀、28-第七二通阀、29-第八二通阀;30-第三三通阀;32-第三单向阀。
具体实施方式
下面详细描述本发明的实施例,所述实施例的示例在附图中示出,其中自始至终相同或类似的标号表示相同或类似的元件或具有相同或类似功能的元件。下面通过参考附图描述的实施例是示例性的,旨在用于解释本发明,而不能理解为对本发明的限制。
在本发明的描述中,需要理解的是,术语“第一”、“第二”仅用于描述目的,而不能理解为指示或暗示相对重要性或者隐含指明所指示的技术特征的数量。由此,限定有“第一”、“第二”的特征可以明示或者隐含地包括一个或者更多个该特征。在本发明的描述中,“多个”的含义是两个或两个以上,例如两个、三个等,除非另有明确具体的限定。
在本发明中,除非另有明确的规定和限定,术语“相连”、“连通”等应做广义理解,例如,可以是固定连接、可拆卸连接,或成一体;可以是机械连接、电连接;可以是直接相连、通过中间媒介间接相连;可以是两个元件内部的连通或两个元件的相互作用关系,除非另有明确的限定。对于本领域的普通技术人员而言,可以根据具体情况理解上述术语在本发明中的具体含义。
在本发明中,除非另有明确的规定和限定,第一特征在第二特征“之上”、“之下”或“上面”,可以是第一和第二特征直接接触,或第一和第二特征通过中间媒介间接接触。而且,第一特征在第二特征“之上”、“上方”或“上面”可是第一特征在第二特征正上方或斜上方,或仅仅表示第一特征水平高度高于第二特征。第一特征在第二特征“之下”、“下方”或“下面”,可以是第一和第二特征直接接触,或第一和第二特征通过中间媒介间接接触。而且,第一特征在第二特征“之下”、“下方”或“下面”可是第一特征在第二特征正下方或斜下方,或仅仅表示第一特征水平高度小于第二特征。
在本说明书的描述中,需要理解的是,术语“一个实施例”或“具体实施例”等的描述意指结合该实施例或示例描述的具体特征、结构、材料或者特点包含于本发明的至少一个实施例或示例中。在本说明书中,对上述术语的示意性表述不必须针对的是相同的实施例或示例。而且,描述的具体特征、结构、材料或者特点可以在任一个或多个实施例或示例中以合适的方式结合。此外,在不相互矛盾的情况下,本领域的技术人员可以将本说明书中描述的不同实施例或示例以及不同实施例或示例的特征进行结合和组合。
如图1所示,在本发明的一个方面提出了一种带全热回收的双冷源空气源热泵,包括连接在制冷循环回路中的压缩机1,所述压缩机1高压出口连接四通换向阀2接口d,连接所述四通换向阀2接口c的复合式水冷冷凝器3,连接所述四通换向阀2接口e的翅片式换热器5,连接所述四通换向阀2接口s的气液分离器12,连接所述复合式水冷冷凝器3出口的第一单向阀6,连接所述第一单向阀6出口的第二单向阀7、第一电磁阀8、第二电磁阀9,连接所述第一电磁阀8出口的第一节流阀10,连接所述第二电磁阀9出口的第二节流阀11,连接所述第二节流阀11出口的壳管式换热器4;所述第一节流阀10出口和第二单向阀7进口以及翅片式换热器5液侧接口相互连接;所述气液分离器12的出口和壳管式换热器4的出口以及压缩机1的吸气口相互连接。夏季制冷采用水冷,冷凝温度较风冷热泵可降低14℃左右,可显著提高机组的制冷量和制冷能效,且从壳管式换热器4出来的低压气体直接进入压缩机吸气口,可有效克服常规风冷热泵机组需先后流经四通阀、气液分离器再进入压缩机吸气口,引起低压吸气侧部件和管路压降过大,导致机组制冷量和制冷能效衰减的缺陷。
所述带全热回收的双冷源空气源热泵,还包括连接所述复合式水冷冷凝器3冷却水出水口的第一三通阀16,连接所述第一三通阀16接口q的冷却塔13,连接所述冷却塔13出水口的冷却水泵14,连接所述冷却水泵14出口的水路单向阀15,连接所述的复合式水冷冷凝器3工艺/卫生热水进水口的热水泵20,连接所述壳管式换热器4进水口的第二三通阀17;所述第一三通阀16接口m与壳管式换热器4的出水口相连;所述第二三通阀17接口i与所述连接复合式水冷冷凝器3冷却水进水口以及水路单向阀15出水口相连。
所述的复合式水冷冷凝器3的上部设置了全热回收换热管束,热水模式、制冷加热水模式、制热加热水模式时,其换热管内侧的工艺/卫生热水吸收了换热管外侧高温高压气体制冷剂在冷凝过程中所排放的热量,温度升高后离开复合式水冷冷凝器3,通向用户需热末端;下部则设置了冷却水换热管束,其换热管内侧的冷却水制冷模式时或空调热水制热模式或制热加热水模式时吸收了换热管外侧高温高压气体制冷剂在冷凝过程中所排放的热量后,温度升高后离开复合式水冷冷凝器3通向冷却塔制冷模式时或空调末端制热模式或制热加热水模式时。全热回收换热管束换热管内侧的工艺/卫生热水回路与冷却水换热管束换热管内侧的冷却水回路相互独立,而进入复合式水冷冷凝器3顶部的高温高压气体制冷剂则先流经全热回收换热管束,再流经冷却水换热管束,将热量排放给工艺/卫生热水或冷却水后被冷凝成高压液体。
第一三通阀16、第二三通阀17可以是电动阀门或气动阀门,也可以是手动阀门或其它类型阀门。
本实施例的带全热回收的双冷源空气源热泵具体工作过程如下:
(一)制冷模式时,各部件工作状态:四通换向阀2、第一电磁阀8断电,第二电磁阀9通电,第一三通阀16接口p与接口q导通不与接口m导通,第二三通阀17接口h与接口j导通不与接口i导通,冷却塔13和冷却水泵14处于运转状态,壳管式换热器4内的空调水路处于运转状态,翅片式换热器5风机停止运转,复合式水冷冷凝器3上部全热回收换热管束换热管内侧的工艺/卫生热水水路不运转,壳管式换热器4内的空调水路运转。
制冷剂流程:压缩机1->四通换向阀2的接口d->四通换向阀2的接口c->复合式水冷冷凝器3->第一单向阀6->第二电磁阀9->第二节流阀11->壳管式换热器4->压缩机1。
根据壳管式换热器4气侧出口过热度或压缩机1低压进口的吸气过热度,或压缩机1高压出口的排气过热度来控制第二节流阀11开度。
(二)制冷加热水模式,各部件工作状态:四通换向阀2、第一电磁阀8断电,第二电磁阀9通电,第一三通阀16接口p与接口q导通不与接口m导通,第二三通阀17接口h与接口j导通不与接口i导通,冷却塔13和冷却水泵14停止运转,复合式水冷冷凝器3上部全热回收换热管束换热管内侧的工艺/卫生热水水路运转,壳管式换热器4内的空调水路处于运转状态,翅片式换热器5风机停止运转,壳管式换热器4内的空调水路运转;
制冷剂流程:压缩机1->四通换向阀2的接口d->四通换向阀2的接口c->复合式水冷冷凝器3->第一单向阀6->第二电磁阀9->第二节流阀11->壳管式换热器4->压缩机1。
根据壳管式换热器4气侧出口过热度或压缩机1低压进口的吸气过热度,或压缩机1高压出口的排气过热度来控制第二节流阀11开度。
(三)制热模式,各部件工作状态:四通换向阀2、第二电磁阀9断电,第一电磁阀8通电,第一三通阀16接口p与接口m导通而不与接口q导通,第二三通阀17接口j与接口i导通而不与接口h导通,冷却塔13和冷却水泵14停止运转,工艺/卫生热水水路停止运转,翅片式换热器5风机处于运转状态,热水泵20停止运转,空调热水进入复合式水冷冷凝器3下部中冷却水换热管束的换热管内侧。
制冷剂流程:压缩机1->四通换向阀2的接口d->四通换向阀2的接口c->复合式水冷冷凝器3->第一单向阀6->第一电磁阀8->第一节流阀10->翅片式换热器5->四通换向阀2的接口e ->四通换向阀2的接口s->气液分离器12->压缩机1。
根据翅片式换热器5气侧出口过热度或压缩机1低压进口的吸气过热度,或压缩机1高压出口的排气过热度来控制第一节流阀10开度。
(四)热水模式,各部件工作状态:四通换向阀2、第二电磁阀9断电,第一电磁阀8通电,第一三通阀16、第二三通阀17保持上一次制冷或制热运行时的状态,冷却塔13和冷却水泵14停止运转,壳管式换热器4内的空调水路停止运转,复合式水冷冷凝器3上部全热回收换热管束换热管内侧的工艺/卫生热水水路运转,翅片式换热器5风机处于运转状态。
制冷剂流程:压缩机1->四通换向阀2的接口d->四通换向阀2的接口c->复合式水冷冷凝器3->第一单向阀6->第一电磁阀8->第一节流阀10->翅片式换热器5->四通换向阀2的接口e ->四通换向阀2的接口s->气液分离器12->压缩机1。
根据翅片式换热器5气侧出口过热度或压缩机1低压进口的吸气过热度,或压缩机1高压出口的排气过热度来控制第一节流阀10开度。
(五)制热加热水模式,各部件工作状态:四通换向阀2、第二电磁阀9断电,第一电磁阀8通电,第一三通阀16接口p与接口m导通,接口p和接口m均不与接口q导通,第二三通阀17接口j与接口i导通,接口j和接口i均不与接口h导通,冷却塔13和冷却水泵14停止运转,翅片式换热器5风机处于运转状态。工艺/卫生热水水路和空调热水水路可根据需要同时运转,或仅工艺/卫生热水水路运转,或仅空调热水水路运转。当选择工艺/卫生热水为优化加热对象时,空调热水水路的可先停止运转,待工艺/卫生热水水温达到设置值后工艺/卫生热水水路停止运转,同时将空调热水水路投入运转;当选择空调热水为优化加热对象时,工艺/卫生热水水路可先停止运转,待空调热水水温达到设置值后空调热水水路停止运转,同时将工艺/卫生热水水路投入运转;空调热水水路投入运转时空调热水将进入复合式冷凝器3下部冷却水换热管束的换热管内侧。
制冷剂流程:压缩机1->四通换向阀2的接口d->四通换向阀2的接口c->复合式水冷冷凝器3->第一单向阀6->第一电磁阀8->第一节流阀10->翅片式换热器5->四通换向阀2的接口e ->四通换向阀2的接口s->气液分离器12->压缩机1。
如图2所示,本发明提出的另一种带全热回收的双冷源空气源热泵,包括连接在制冷循环回路中的压缩机1,所述压缩机1高压出口连接四通换向阀2接口d,连接所述四通换向阀2接口c的复合式水冷冷凝器3,连接所述四通换向阀2接口e的翅片式换热器5,连接所述四通换向阀2接口s的气液分离器12,连接所述复合式水冷冷凝器3出口的第一单向阀6,连接所述第一单向阀6出口的第二单向阀7、第三节流阀19,连接所述第三节流阀19出口的第一电磁阀8、第二电磁阀9,连接所述第一电磁阀8出口的第三单向阀32,连接所述第二电磁阀9出口的壳管式换热器4;所述第三单向阀32出口和第二单向阀7进口以及翅片式换热器5液侧接口相互连接;所述气液分离器12的出口和壳管式换热器4的出口以及压缩机1的吸气口相互连接。夏季制冷采用水冷,冷凝温度较风冷热泵可降低14℃左右,可显著提高机组的制冷量和制冷能效,且从壳管式换热器4出来的低压气体直接进入压缩机吸气口,可有效克服常规风冷热泵机组需先后流经四通阀、气液分离器再进入压缩机吸气口,引起低压吸气侧部件和管路压降过大,导致机组制冷量和制冷能效衰减的缺陷。
所述的带全热回收的双冷源空气源热泵,还包括连接所述复合式水冷冷凝器3冷却水出水口的第一三通阀16,连接所述第一三通阀16接口q的冷却塔13,连接所述冷却塔13出水口的冷却水泵14,连接所述冷却水泵14出口的第一二通阀22,连接所述的复合式水冷冷凝器3工艺/卫生热水进水口的热水三通阀21,连接所述壳管式换热器4进水口的第二三通阀17;所述第一三通阀16接口m与壳管式换热器4的出水口相连;所述第二三通阀17接口i与所述连接复合式水冷冷凝器3冷却水进水口和第一二通阀22出水口相连,所述热水三通阀21接口o与复合式水冷冷凝器3工艺/卫生热水的出水口相连。
所述的复合式水冷冷凝器3,其上部设置了全热回收换热管束,热水模式、制冷加热水模式、制热加热水模式时,其换热管内侧的工艺/卫生热水吸收了换热管外侧高温高压气体制冷剂在冷凝过程中所排放的热量,温度升高后离开复合式水冷冷凝器3,通向用户需热末端;下部则设置了冷却水换热管束,其换热管内侧的冷却水制冷模式或空调热水制热模式或制热加热水模式吸收了换热管外侧高温高压气体制冷剂在冷凝过程中所排放的热量,温度升高后离开复合式水冷冷凝器3通向冷却塔制冷模式或空调末端制热模式或制热加热水模式。全热回收换热管束换热管内侧的工艺/卫生热水回路与冷却水换热管束换热管内侧的冷却水回路相互独立,而进入复合式水冷冷凝器3顶部的高温高压气体制冷剂则先流经全热回收换热管束,再流经冷却水换热管束,将热量排放给工艺/卫生热水或冷却水后被冷凝成高压液体。
本实施例的带全热回收的双冷源空气源热泵具体工作过程如下:
(一)制冷模式时,各部件工作状态:四通换向阀2、第一电磁阀8断电,第二电磁阀9通电,第一三通阀16接口p与接口q导通,接口p和接口q均不与接口m导通,第二三通阀17接口h与接口j导通,接口h和接口j均不与接口i导通,冷却塔13和冷却水泵14处于运转状态,壳管式换热器4内的空调水路运转,翅片式换热器5风机停止运转,热水三通阀21接口n与接口o导通而不与接口r导通。
制冷剂流程:压缩机1->四通换向阀2的接口d->四通换向阀2的接口c->复合式水冷冷凝器3->第一单向阀6->第三节流阀19->第二电磁阀9->壳管式换热器4->压缩机1。
根据壳管式换热器4气侧出口过热度或压缩机1低压进口的吸气过热度,或压缩机1高压出口的排气过热度来控制第三节流阀19开度。
(二)制冷加热水模式,各部件工作状态:四通换向阀2、第一电磁阀8断电,第二电磁阀9通电,第一三通阀16接口p与接口q导通,接口p和接口q均不与接口m导通,第二三通阀17接口h与接口j导通,接口h和接口j均不与接口i导通,冷却塔13和冷却水泵14停止运转,热水三通阀21接口n与接口r全部或部分导通,翅片式换热器5风机停止运转,壳管式换热器4内的空调水路运转。
制冷剂流程:压缩机1->四通换向阀2的接口d->四通换向阀2的接口c->复合式水冷冷凝器3->第一单向阀6->第三节流阀19->第二电磁阀9->壳管式换热器4->压缩机1。
根据壳管式换热器4气侧出口过热度或压缩机1低压进口的吸气过热度,或压缩机1高压出口的排气过热度来控制第三节流阀19开度。
(三)制热模式,各部件工作状态:四通换向阀2、第二电磁阀9断电,第一电磁阀8通电,第一三通阀16接口p与接口m导通不与q导通,第二三通阀17接口j与接口i导通不与h导通,冷却塔13和冷却水泵14停止运转,热水三通阀21接口n与接口o导通而不与接口r导通,翅片式换热器5风机处于运转状态,空调热水进入复合式水冷冷凝器3下部中冷却水换热管束的换热管内侧。
制冷剂流程:压缩机1->四通换向阀2的接口d->四通换向阀2的接口c->壳管式换热器4->第一单向阀6->第三节流阀19->第一电磁阀8->第三单向阀32->翅片式换热器5->四通换向阀2的接口e ->四通换向阀2的接口s->气液分离器12->压缩机1。
根据翅片式换热器5气侧出口过热度或压缩机1低压进口的吸气过热度,或压缩机1高压出口的排气过热度来控制第三节流阀19开度。
(四)热水模式,各部件工作状态:四通换向阀2、第二电磁阀9断电,第一电磁阀8通电,第一三通阀16、第二三通阀17保持上一次制冷或制热运行时的状态,冷却塔13和冷却水泵14停止运转,壳管式换热器4内的空调水路停止运转,热水三通阀21接口n与接口r全部或大部分导通,翅片式换热器5风机处于运转状态。
制冷剂流程:压缩机1->四通换向阀2的接口d->四通换向阀2的接口c->壳管式换热器4->第一单向阀6->第三节流阀19->第一电磁阀8->第三单向阀32->翅片式换热器5->四通换向阀2的接口e ->四通换向阀2的接口s->气液分离器12->压缩机1。
(五)制热加热水模式,各部件工作状态:四通换向阀2、第二电磁阀9断电,第一电磁阀8通电,第一三通阀16接口p与接口m导通,接口p和接口m均不与接口q导通,第二三通阀17接口j与接口i导通,接口j和接口i均不与接口h导通,冷却塔13和冷却水泵14停止运转,翅片式换热器5风机处于运转状态。工艺/卫生热水水路和空调热水水路可根据需要同时运转,或仅工艺/卫生热水水路运转,或仅空调热水水路运转。当选择工艺/卫生热水为优化加热对象时,空调热水水路的可先停止运转,待工艺/卫生热水水温达到设置值后工艺/卫生热水水路停止运转,同时将空调热水水路投入运转;当选择空调热水为优化加热对象时,工艺/卫生热水水路可先停止运转,待空调热水水温达到设置值后空调热水水路停止运转,同时将工艺/卫生热水水路投入运转;空调热水水路投入运转时空调热水将进入复合式冷凝器3下部冷却水换热管束的换热管内侧。
制冷剂流程:压缩机1->四通换向阀2的接口d->四通换向阀2的接口c->复合式水冷冷凝器3->第一单向阀6->第三节流阀19->第一电磁阀8->第三单向阀32->翅片式换热器5->四通换向阀2的接口e ->四通换向阀2的接口s->气液分离器12->压缩机1。
根据翅片式换热器5气侧出口过热度或压缩机1低压进口的吸气过热度,或压缩机1高压出口的排气过热度来控制第三节流阀19开度。
如图3-7所示,本发明的另一方面,提出了五种水路阀门组的变换方式。
第一种,水路阀门组18中使用第二二通阀23、第三二通阀24代替第一三通阀16,制冷或制冷加热水时,第二三通阀17接口j与接口h导通而不与接口i导通,第二二通阀23打开,第三二通阀24关闭;制热或制热加热水时,第二三通阀17接口j与接口i导通而不与h导通,第三二通阀24打开,第二二通阀23关闭。
第二种,水路阀门组18中使用第四二通阀25、第五二通阀26代替第二三通阀17,制冷或制冷加热水时,第一三通阀16接口p与接口q导通而不与接口m导通,第五二通阀26打开,第四二通阀25关闭;制热或制热加热水时,第一三通阀16接口p与接口m导通而不与接口q导通,第四二通阀25打开,第五二通阀26关闭。
第三种,水路阀门组18中使用第二二通阀23、第三二通阀24代替第一三通阀16,使用第四二通阀25、第五二通阀26代替第二三通阀17,制冷或制冷加热水时,第二二通阀23、第五二通阀26打开,第三二通阀24、第四二通阀25关闭;制热或制热加热水时,第二二通阀23、第五二通阀26关闭,第三二通阀24、第四二通阀25打开。
第四种,水路阀门组18中使用第二二通阀23、第三二通阀24代替第一三通阀16,使用第六二通阀27、第七二通阀28、第八二通阀29代替第二三通阀17,制冷或制冷加热水时,第二二通阀23、第七二通阀28打开,第三二通阀24、第六二通阀27、第八二通阀29关闭;制热或制热加热水时,第二二通阀23、第七二通阀28关闭,第三二通阀24、第六二通阀27打开,第八二通阀29可根据需要打开或关闭。
第五种,水路阀门组18中使用第二二通阀23、第三二通阀24代替第一三通阀16,使用第八二通阀29、第三三通阀30代替第二三通阀17,制冷或制冷加热水时,第二二通阀23打开,第三二通阀24、第八二通阀29关闭,第三三通阀30接口x与接口y导通而不与接口z导通;制热或制热加热水时,第二二通阀23关闭,第三二通阀24打开, 第三三通阀30接口x与接口z导通而不与接口y导通,第八二通阀29可根据需要打开或关闭。
尽管上面已经示出和描述了本发明的实施例,可以理解的是,上述实施例是示例性的,不能理解为对本发明的限制。在不脱离本发明精神和范围的前提下,本发明还会有各种变化和改进,这些变化和改进都落入要求保护的本发明范围内。
Claims (10)
1.一种带全热回收的双冷源空气源热泵机组,其特征在于:包括连接在制冷循环回路中的压缩机(1),所述压缩机(1)高压出口连接四通换向阀(2)接口d,连接所述四通换向阀(2)接口c的复合式水冷冷凝器(3),连接所述四通换向阀(2)接口e的翅片式换热器(5),连接所述四通换向阀(2)接口s的气液分离器(12),连接所述复合式水冷冷凝器(3)出口的第一单向阀(6),连接所述第一单向阀(6)出口的第二单向阀(7)、第一电磁阀(8)、第二电磁阀(9),连接所述第一电磁阀(8)出口的第一节流阀(10),连接所述第二电磁阀(9)出口的第二节流阀(11),连接所述第二节流阀(11)出口的壳管式换热器(4);所述第一节流阀(10)出口和第二单向阀(7)进口以及翅片式换热器(5)液侧接口相互连接;所述气液分离器(12)的出口和壳管式换热器(4)的出口以及压缩机(1)的吸气口相互连接;所述机组具备夏季制冷和冬季制热功能,同时还具有全热回收功能,可全年提供工艺或卫生热水;夏季制冷时采用水冷冷凝方式,冷凝温度较风冷热泵可降低14℃左右,可显著提高机组的制冷量和制冷能效,且从壳管式换热器(4)出来的低压气体直接进入压缩机吸气口,提高机组制冷量和制冷能效。
2.根据权利要求1所述的带全热回收的双冷源空气源热泵机组,其特征在于:还包括连接所述复合式水冷冷凝器(3)冷却水出水口的第一三通阀(16),连接所述第一三通阀(16)接口q的冷却塔(13),连接所述冷却塔(13)出水口的冷却水泵(14),连接所述冷却水泵(14)出口的水路单向阀(15),连接所述的复合式水冷冷凝器(3)工艺/卫生热水进水口的热水泵(20),连接所述壳管式换热器(4)进水口的第二三通阀(17);所述第一三通阀(16)接口m与壳管式换热器(4)的出水口相连;所述第二三通阀(17)接口i与所述连接复合式水冷冷凝器(3)冷却水进水口、水路单向阀(15)出水口相连。
3.根据权利要求2所述的带全热回收的双冷源空气源热泵机组,其特征在于:所述的复合式水冷冷凝器(3),其上部设置了全热回收换热管束,所述换热管内侧的工艺/卫生热水可吸收换热管外侧高温高压气体制冷剂在冷凝过程中所排放的热量,温度升高后离开复合式水冷冷凝器(3),通向用户需热末端;下部则设置了冷却水换热管束,其换热管内侧的冷却水可吸收换热管外侧高温高压气体制冷剂在冷凝过程中所排放的热量,温度升高后离开复合式水冷冷凝器(3);所述全热回收换热管束换热管内侧的工艺/卫生热水回路与冷却水换热管束换热管内侧的冷却水回路相互独立,而进入复合式水冷冷凝器(3)顶部的高温高压气体制冷剂则先流经全热回收换热管束,再流经冷却水换热管束,将热量排放给工艺/卫生热水或冷却水后被冷凝成高压液体。
4.根据权利要求3所述的带全热回收的双冷源空气源热泵机组,其特征在于: 第一三通阀(16)接口p接复合式水冷冷凝器(3)冷却水出口,接口q接冷却塔入口,接口m接壳管式换热器(4)空调水出口,第二三通阀(17)接口j接流自空调末端的空调回水,接口h接壳管式换热器(4)空调水入口,接口i接复合式水冷冷凝器(3)冷却水入口,所述的第一三通阀(16)和第二三通阀(17)及其冷却水、空调水连接的管段组成水路阀门组(18)可以用若干个二通阀和三通阀组合的方式来替代;所述的三通阀、二通阀可以采用电动或气动或手动的阀门。
5.根据权利要求4所述的带全热回收的双冷源空气源热泵机组的制冷模式控制方法,其特征在于:所述压缩机(1)排出的高温高压气体制冷剂经过四通换向阀(2)的接口d、接口c进入复合式水冷冷凝器(3),流经全热回收换热管束换热管外侧,在冷却水换热管束换热管外侧与温度相对较低的换热管内侧的冷却水进行换热,将冷凝热量排放给冷却水后被冷凝为高压液体;高压液体依次经第一单向阀(6)、第二电磁阀(9)后进入第二节流阀(11),被节流降压为低温低压气液混合制冷剂进入壳管式换热器(4),吸收空调冷冻水热量对其进行降温冷却后蒸发为低压气体,最终回到压缩机(1)吸气口,被压缩机(1)压缩成高温高压气体制冷剂,如此反复循环;吸收高温高压气体制冷剂冷凝热量温度上升后的冷却水,经过第一三通阀(16)接口p、接口q进入冷却塔(13),在冷却塔(13)内将热量排放给室外空气后温度下降,之后又被冷却水泵(14)经水路单向阀(15)输送至复合式水冷冷凝器(3)下部冷却水换热管束的换热管内侧,吸收换热管外侧的高温高压气体制冷剂所排放的冷凝热量温度上升后离开复合式水冷冷凝器(3),如此反复循环;从壳管式换热器(4)出来的温度较低的空调冷冻水则流向用户空调末端,对流经空调末端的循环空气进行冷却释放出冷量后温度升高,再由空调水泵经三通阀接口j、接口h,输送回到壳管式换热器(4),与被节流阀(6)节流后的低温低压气液混合制冷剂进行换热,被制冷剂冷却温度下降后离开壳管式换热器(4),此反复循环。
6.根据权利要求4所述的带全热回收的双冷源空气源热泵机组的制冷加热水模式控制方法,其特征在于:所述压缩机(1)排出的高温高压气体制冷剂经过四通换向阀(2)的接口d、接口c进入复合式水冷冷凝器(3),在全热回收换热管束换热管外侧与温度相对较低的换热管内侧的工艺/卫生热水进行换热,将冷凝热量排放给工艺/卫生热水后被冷凝为高压液体;高压液体流经冷却水换热管束管外侧后离开复合式水冷冷凝器(3),之后依次经第一单向阀(6)、第二电磁阀(9)后进入第二节流阀(11),被节流降压为低温低压气液混合制冷剂后进入壳管式蒸发器(4),吸收空调冷冻水热量对其进行降温冷却后蒸发为低压气体,最终回到压缩机(1)吸气口,被压缩机(1)压缩成高温高压气体制冷剂,如此反复循环;吸收高温高压气体制冷剂的冷凝热量温度上升后的工艺/卫生热水则被输送至用户需热末端,将热量排放给需热末端后温度下降,之后又被输送至复合式水冷冷凝器(3)上部全热回收换热管束的换热管内侧,吸收换热管外侧的高温高压气体制冷剂所排放的冷凝热量温度上升后离开复合式水冷冷凝器(3),如此反复循环;从壳管式换热器(4)出来的温度较低的空调冷冻水则流向用户空调末端,对流经空调末端的循环空气进行冷却释放出冷量后温度升高,再由空调水泵经三通阀接口j、接口h,输送回到壳管式换热器(4),与被节流阀(6)节流后的低温低压气液混合制冷剂进行换热,被制冷剂冷却温度下降后离开壳管式换热器(4),此反复循环。
7.根据权利要求4所述的带全热回收的双冷源空气源热泵机组的制热模式控制方法,其特征在于:所述压缩机(1)排出的高温高压气体制冷剂经过四通换向阀(2)的接口d、接口c进入复合式水冷冷凝器(3),流经全热回收换热管束换热管外侧,在冷却水换热管束换热管外侧与温度相对较低的换热管内侧的空调热水进行换热,将冷凝热量排放给空调热水后被冷凝为高压液体,之后经第一单向阀(6)、第一电磁阀(8)进入第一节流阀(10),被节流降压为低温低压气液混合制冷剂后进入翅片式换热器(5),与温度相对较高的室外空气进行换热,吸收室外空气热量后蒸发为低压气体制冷剂,之后依次经过四通换向阀(2)的接口e及接口s、气液分离器(12)后最终回到压缩机(1)吸气口,被压缩机(1)压缩成高温高压气体制冷剂,如此反复循环;温度较低的空调热水进入复合式水冷冷凝器(3)下部的冷却水换热管束的换热管内侧,吸收换热管外侧高温高压气体制冷剂所排放的冷凝热量温度升高后离开复合式水冷冷凝器(3),之后被输送到用户空调末端,将热量排放给流经空调末端的循环空气温度下降后再被空调水泵输送回到冷却水换热管束,如此反复循环;当翅片式换热器表面结霜或结冰时,所述压缩机(1)排出的高温高压气体经过四通换向阀(2)的接口d、接口e进入翅片式换热器(5),将大量的冷凝热量传递给翅片表面的霜或冰,使其吸热融化成水脱离翅片表面从而实现除霜功能,高压气体制冷剂则被冷凝成高压液体,之后经第二单向阀(7)、第二电磁阀(9)进入第二节流阀(11),被节流降压为低温低压气液混合制冷剂后进入壳管式换热器(4),与温度较高的空调热水进行换热,吸收空调热水热量后蒸发为低压气体,最终回到压缩机(1)吸气口,被压缩机(1)压缩成高温高压气体制冷剂,如此反复循环,直到除霜结束。
8.根据权利要求4所述的带全热回收的双冷源空气源热泵机组的热水模式控制方法,其特征在于:所述压缩机(1)排出的高温高压气体经过四通换向阀(2)的接口d、接口c进入复合式水冷冷凝器(3),在全热回收换热管束的换热管外侧与温度相对较低的工艺/卫生热水进行换热,将大量的冷凝热量排放给工艺/卫生热水,对其进行加热升温后被冷凝成高压液体,之后流经复合式水冷冷凝器(3)下部冷却水换热管束后离开复合式水冷冷凝器(3),再依次经过第一单向阀(6)、第一电磁阀(8)进入第一节流阀(10),被节流降压为低温低压气液混合制冷剂后进入翅片式换热器(5),与温度相对较高的室外空气进行换热,吸收室外空气热量后蒸发为低压气体,再依次经过四通换向阀(2)的接口e及接口s、气液分离器(12)最终回到压缩机(1)吸气口,被压缩机(1)压缩成高温高压气体制冷剂,如此反复循环;温度较低的工艺/卫生热水进入复合式水冷冷凝器(3)上部的全热回换热管束的换热管内侧,吸收换热管外侧高温高压气体制冷剂所排放的冷凝热量温度升高后离开复合式水冷冷凝器(3),之后被输送至用户需热末端,将热量排放给需热末端温度下降后再被输送至复合式水冷冷凝器(3)上部全热回收换热管束的换热管内侧,如此反复循环;当翅片式换热器表面结霜或结冰时,所述压缩机(1)排出的高温高压气体制冷剂依次经过四通换向阀(2)的接口d、接口e进入翅片式换热器(5),将大量的冷凝热量排放给翅片表面的霜或冰,使其吸热融化成水脱离翅片表面从而实现除霜功能,高压气体则被冷凝成高压液体,之后经第二单向阀(7)、第二电磁阀(9)进入第二节流阀(11),被节流降压为低温低压气液混合制冷剂后进入壳管式换热器(4),吸收空调水热量后蒸发为低压气体,最终回到压缩机(1)吸气口,被压缩机(1)压缩成高温高压气体制冷剂,如此反复循环;进入壳管式换热器(4)的空调水,向节流后的低温低压气液混合制冷剂释放热量温度下降后离开壳管式换热器(4),再由空调水泵驱动经过空调末端和空调水环路后回到壳管式换热器(4),此反复循环直到除霜结束。
9.根据权利要求4所述的带全热回收的双冷源空气源热泵机组的制热加热水模式控制方法,其特征在于:工艺/卫生热水水路和空调热水水路可根据需要同时运转,或仅工艺/卫生热水水路运转,或仅空调热水水路运转;当选择工艺/卫生热水为优化加热对象时,空调热水水路的可先停止运转,待工艺/卫生热水水温达到设置值后工艺/卫生热水水路停止运转,空调热水水路投入运转状态;当选择空调热水为优化加热对象时,工艺/卫生热水水路可先停止运转,待空调热水水温达到设置值后空调热水水路停止运转,工艺/卫生热水水路投入运转状态;空调热水水路投入运转时空调热水将进入复合式冷凝器(3)下部冷却水换热管束的换热管内侧;所述压缩机(1)排出的高温高压气体制冷剂经过四通换向阀(2)的接口d、接口c进入复合式水冷冷凝器(3),先后流经全热回收换热管束换热管外侧和冷却水换热管束换热管外侧,与温度相对较低的工艺/卫生热水或空调热水进行换热,将冷凝热量排放给工艺/卫生热水或空调热水后被冷凝为高压液体,之后经第一单向阀(6)、第一电磁阀(8)进入第一节流阀(10),被节流降压为低温低压气液混合制冷剂后进入翅片式换热器(5),与温度相对较高的室外空气进行换热,吸收室外空气热量后蒸发为低压气体制冷剂,之后依次经过四通换向阀(2)的接口e及接口s、气液分离器(12)后最终回到压缩机(1)吸气口,被压缩机(1)压缩成高温高压气体制冷剂,如此反复循环;温度较低的空调热水或工艺/卫生热水进入复合式水冷冷凝器(3),吸收换热管外侧高温高压气体制冷剂所排放的冷凝热量温度升高后离开复合式水冷冷凝器(3),之后被输送到用户空调末端或需热末端,将热量排放给空调末端或需热末端温度下降后再被输送回到复合式水冷冷凝器(3),如此反复循环。
10.根据权利要求1所述的带全热回收的双冷源空气源热泵机组,其特征在于:复合式水冷冷凝器(3)内的工艺/卫生热水水路的运转,可通过热水泵进行启停控制,也可通过电动或气动阀门进行切换控制,电动及气动阀门可采用二通阀,也可采用三通阀;连接冷却水泵(14)出口的水路单向阀(15)可以使用第一二通阀(22)第一二通阀(22)替代,第一二通阀(22)第一二通阀(22)可以采用电动或气动或手动的阀门。
Priority Applications (2)
| Application Number | Priority Date | Filing Date | Title |
|---|---|---|---|
| CN202110657755.9A CN113446754B (zh) | 2021-06-14 | 2021-06-14 | 带全热回收的双冷源空气源热泵机组 |
| PCT/CN2022/098392 WO2022262674A1 (zh) | 2021-06-14 | 2022-06-13 | 带全热回收的双冷源空气源热泵机组 |
Applications Claiming Priority (1)
| Application Number | Priority Date | Filing Date | Title |
|---|---|---|---|
| CN202110657755.9A CN113446754B (zh) | 2021-06-14 | 2021-06-14 | 带全热回收的双冷源空气源热泵机组 |
Publications (2)
| Publication Number | Publication Date |
|---|---|
| CN113446754A true CN113446754A (zh) | 2021-09-28 |
| CN113446754B CN113446754B (zh) | 2022-05-20 |
Family
ID=77811457
Family Applications (1)
| Application Number | Title | Priority Date | Filing Date |
|---|---|---|---|
| CN202110657755.9A Active CN113446754B (zh) | 2021-06-14 | 2021-06-14 | 带全热回收的双冷源空气源热泵机组 |
Country Status (2)
| Country | Link |
|---|---|
| CN (1) | CN113446754B (zh) |
| WO (1) | WO2022262674A1 (zh) |
Cited By (5)
| Publication number | Priority date | Publication date | Assignee | Title |
|---|---|---|---|---|
| CN114777238A (zh) * | 2022-05-06 | 2022-07-22 | 南京天加环境科技有限公司 | 一种低温燃气热泵冷热水机组 |
| CN114872446A (zh) * | 2022-04-12 | 2022-08-09 | 东南大学 | 热敏打印机群的蓄能热回收系统 |
| CN115264690A (zh) * | 2022-07-22 | 2022-11-01 | 珠海格力电器股份有限公司 | 旁通换热结构、四管制热回收系统、空调机组及控制方法 |
| WO2022262674A1 (zh) * | 2021-06-14 | 2022-12-22 | 浙江国祥股份有限公司 | 带全热回收的双冷源空气源热泵机组 |
| CN117053435A (zh) * | 2023-08-11 | 2023-11-14 | 浙江国祥股份有限公司 | 磁浮和螺杆复合式双冷源空气源热泵及其控制方法 |
Families Citing this family (11)
| Publication number | Priority date | Publication date | Assignee | Title |
|---|---|---|---|---|
| CN115930313B (zh) * | 2022-12-23 | 2024-06-04 | 上海交通大学 | 一种低温余热驱动的新风除湿系统及其运行方法 |
| CN116066396A (zh) * | 2022-12-26 | 2023-05-05 | 苏州洁畅环保科技有限公司 | 一种用于风机节能的系统及其节能方法 |
| CN116182369B (zh) * | 2023-01-17 | 2025-11-18 | 青岛海尔空调器有限总公司 | 用于控制空调出风温度的方法及装置、空调、存储介质 |
| CN115956693B (zh) * | 2023-02-09 | 2024-05-10 | 安徽中科自动化股份有限公司 | 一种用于雪茄烟晾晒房的供热系统及其控制方式 |
| CN116147229A (zh) * | 2023-03-15 | 2023-05-23 | 北京动力康环保科技有限公司 | 一种空气源热泵 |
| CN116202156B (zh) * | 2023-03-28 | 2025-10-21 | 南京天加环境科技有限公司 | 一种高效双源一体式热泵装置 |
| CN116697325A (zh) * | 2023-06-09 | 2023-09-05 | 中国建筑西南设计研究院有限公司 | 一种高温空气源热泵蒸汽机组及其控制方法 |
| CN116624995B (zh) * | 2023-06-09 | 2024-01-12 | 中鸿泰(北京)科技工程有限公司 | 一种可再生能源与建筑一体化综合利用系统 |
| CN119532857A (zh) * | 2023-08-31 | 2025-02-28 | 海信(广东)空调有限公司 | 空调器和空调器的控制方法 |
| CN118463426B (zh) * | 2024-04-16 | 2025-07-22 | 中信建筑设计研究总院有限公司 | 一种多功能蒸发冷热泵装置 |
| CN119196350B (zh) * | 2024-09-27 | 2025-10-31 | 奇瑞汽车股份有限公司 | 多通道冷却水阀、热管理系统及车辆 |
Citations (8)
| Publication number | Priority date | Publication date | Assignee | Title |
|---|---|---|---|---|
| CN201259350Y (zh) * | 2008-06-24 | 2009-06-17 | 唐小卫 | 冷暖空调与卫生热水一体化的模块式制冷机组 |
| DE102012208139A1 (de) * | 2011-05-20 | 2012-11-22 | Denso Corporation | Wärmepumpenvorrichtung |
| CN103615836A (zh) * | 2013-11-30 | 2014-03-05 | 金国达科技(湖南)有限公司 | 一种螺杆式全热回收风冷热泵空调机组 |
| CN103791654A (zh) * | 2014-03-12 | 2014-05-14 | 无锡职业技术学院 | 一种风冷热泵机组热回收制冷系统及其热回收制冷方法 |
| CN107339821A (zh) * | 2017-01-16 | 2017-11-10 | 上海悠太节能科技中心(有限合伙) | 带热回收装置的空气源热泵系统 |
| CN108375235A (zh) * | 2018-01-25 | 2018-08-07 | 珠海格力电器股份有限公司 | 空气源热泵系统及控制方法 |
| CN110513795A (zh) * | 2019-08-06 | 2019-11-29 | 广东申菱环境系统股份有限公司 | 一种制冷供热多功能复合式空调热泵系统及工作方法 |
| CN112146301A (zh) * | 2020-09-22 | 2020-12-29 | 浙江国祥股份有限公司 | 一种带全热回收的蒸发冷螺杆冷热水机组 |
Family Cites Families (4)
| Publication number | Priority date | Publication date | Assignee | Title |
|---|---|---|---|---|
| US20100000709A1 (en) * | 2008-07-02 | 2010-01-07 | Tsung-Che Chang | Heating and heat recovery unit for an air conditioning system |
| CN101504213B (zh) * | 2009-03-17 | 2010-12-08 | 贝莱特空调有限公司 | 一种四合一风冷热泵机组 |
| CN209689228U (zh) * | 2019-03-28 | 2019-11-26 | 空调国际(上海)有限公司 | 余热回收式热泵装置 |
| CN113446754B (zh) * | 2021-06-14 | 2022-05-20 | 浙江国祥股份有限公司 | 带全热回收的双冷源空气源热泵机组 |
-
2021
- 2021-06-14 CN CN202110657755.9A patent/CN113446754B/zh active Active
-
2022
- 2022-06-13 WO PCT/CN2022/098392 patent/WO2022262674A1/zh not_active Ceased
Patent Citations (8)
| Publication number | Priority date | Publication date | Assignee | Title |
|---|---|---|---|---|
| CN201259350Y (zh) * | 2008-06-24 | 2009-06-17 | 唐小卫 | 冷暖空调与卫生热水一体化的模块式制冷机组 |
| DE102012208139A1 (de) * | 2011-05-20 | 2012-11-22 | Denso Corporation | Wärmepumpenvorrichtung |
| CN103615836A (zh) * | 2013-11-30 | 2014-03-05 | 金国达科技(湖南)有限公司 | 一种螺杆式全热回收风冷热泵空调机组 |
| CN103791654A (zh) * | 2014-03-12 | 2014-05-14 | 无锡职业技术学院 | 一种风冷热泵机组热回收制冷系统及其热回收制冷方法 |
| CN107339821A (zh) * | 2017-01-16 | 2017-11-10 | 上海悠太节能科技中心(有限合伙) | 带热回收装置的空气源热泵系统 |
| CN108375235A (zh) * | 2018-01-25 | 2018-08-07 | 珠海格力电器股份有限公司 | 空气源热泵系统及控制方法 |
| CN110513795A (zh) * | 2019-08-06 | 2019-11-29 | 广东申菱环境系统股份有限公司 | 一种制冷供热多功能复合式空调热泵系统及工作方法 |
| CN112146301A (zh) * | 2020-09-22 | 2020-12-29 | 浙江国祥股份有限公司 | 一种带全热回收的蒸发冷螺杆冷热水机组 |
Cited By (8)
| Publication number | Priority date | Publication date | Assignee | Title |
|---|---|---|---|---|
| WO2022262674A1 (zh) * | 2021-06-14 | 2022-12-22 | 浙江国祥股份有限公司 | 带全热回收的双冷源空气源热泵机组 |
| CN114872446A (zh) * | 2022-04-12 | 2022-08-09 | 东南大学 | 热敏打印机群的蓄能热回收系统 |
| CN114777238A (zh) * | 2022-05-06 | 2022-07-22 | 南京天加环境科技有限公司 | 一种低温燃气热泵冷热水机组 |
| CN114777238B (zh) * | 2022-05-06 | 2024-03-08 | 南京天加环境科技有限公司 | 一种低温燃气热泵冷热水机组 |
| CN115264690A (zh) * | 2022-07-22 | 2022-11-01 | 珠海格力电器股份有限公司 | 旁通换热结构、四管制热回收系统、空调机组及控制方法 |
| CN115264690B (zh) * | 2022-07-22 | 2024-05-14 | 珠海格力电器股份有限公司 | 旁通换热结构、四管制热回收系统、空调机组及控制方法 |
| CN117053435A (zh) * | 2023-08-11 | 2023-11-14 | 浙江国祥股份有限公司 | 磁浮和螺杆复合式双冷源空气源热泵及其控制方法 |
| CN117053435B (zh) * | 2023-08-11 | 2024-04-09 | 浙江国祥股份有限公司 | 磁浮和螺杆复合式双冷源空气源热泵及其控制方法 |
Also Published As
| Publication number | Publication date |
|---|---|
| WO2022262674A1 (zh) | 2022-12-22 |
| CN113446754B (zh) | 2022-05-20 |
Similar Documents
| Publication | Publication Date | Title |
|---|---|---|
| CN113446754B (zh) | 带全热回收的双冷源空气源热泵机组 | |
| CN105299987B (zh) | 基于超疏水翅片管换热器的空气源热泵喷淋除霜装置 | |
| CN101713599B (zh) | 空调热泵装置 | |
| CN111237928B (zh) | 一种双温双闪发空调制冷系统 | |
| CN205747570U (zh) | 蒸发式冷凝空调热泵系统 | |
| CN115289714A (zh) | 一种带水力模块的蒸发冷凝热泵机组及其控制方法 | |
| CN113446756A (zh) | 一种带变速压缩机的四管制空气源热泵机组 | |
| CN105276861A (zh) | 一种补偿式双源热泵冷热风空调机组 | |
| CN110779081B (zh) | 一种具快速除湿结构的恒温恒湿空调机组及其工作方法 | |
| CN117053435B (zh) | 磁浮和螺杆复合式双冷源空气源热泵及其控制方法 | |
| CN112146301B (zh) | 一种带全热回收的蒸发冷螺杆冷热水机组 | |
| CN216744986U (zh) | 一种避免除霜期间冷热抵消的空气源热泵机组 | |
| CN216048111U (zh) | 带全热回收的双源一体式空气源热泵机组 | |
| CN113446755B (zh) | 带全热回收的双源一体式空气源热泵机组 | |
| CN113847747A (zh) | 双级压缩多蒸发器交替化霜热泵机组及其运行控制方法 | |
| CN213687346U (zh) | 一种蒸发冷热泵机组 | |
| CN208901677U (zh) | 一种耦合型机房空调系统 | |
| CN216048112U (zh) | 带全热回收的双冷源空气源热泵机组 | |
| CN217900220U (zh) | 一种带水力模块的蒸发冷凝热泵机组 | |
| CN111998581B (zh) | 自除霜式空气源热量采集装置及其运行方法 | |
| CN205174922U (zh) | 一种空气源冷热水机组 | |
| CN2393048Y (zh) | 双壳管式冷温水空调机 | |
| CN213687345U (zh) | 带全热回收的蒸发冷螺杆冷热水机组 | |
| CN220524390U (zh) | 磁浮和螺杆复合式双冷源空气源热泵 | |
| CN112146302B (zh) | 一种蒸发冷热泵机组 |
Legal Events
| Date | Code | Title | Description |
|---|---|---|---|
| PB01 | Publication | ||
| PB01 | Publication | ||
| SE01 | Entry into force of request for substantive examination | ||
| SE01 | Entry into force of request for substantive examination | ||
| GR01 | Patent grant | ||
| GR01 | Patent grant |