CN112051443B - 一种用于测量电功率的装置 - Google Patents

一种用于测量电功率的装置 Download PDF

Info

Publication number
CN112051443B
CN112051443B CN202011184057.3A CN202011184057A CN112051443B CN 112051443 B CN112051443 B CN 112051443B CN 202011184057 A CN202011184057 A CN 202011184057A CN 112051443 B CN112051443 B CN 112051443B
Authority
CN
China
Prior art keywords
measuring
amplifier
reactive power
resistor
power
Prior art date
Legal status (The legal status is an assumption and is not a legal conclusion. Google has not performed a legal analysis and makes no representation as to the accuracy of the status listed.)
Expired - Fee Related
Application number
CN202011184057.3A
Other languages
English (en)
Other versions
CN112051443A (zh
Inventor
杨兴宇
程伦
王瑞欣
高泽明
赵自刚
孙章岭
赵春雷
郑雄伟
王鹏
汤磊
Current Assignee (The listed assignees may be inaccurate. Google has not performed a legal analysis and makes no representation or warranty as to the accuracy of the list.)
State Grid Hebei Electric Power Co Ltd
Beijing King Star Hi Tech System Control Co Ltd
State Grid Corp of China SGCC
Original Assignee
State Grid Hebei Electric Power Co Ltd
Beijing King Star Hi Tech System Control Co Ltd
State Grid Corp of China SGCC
Priority date (The priority date is an assumption and is not a legal conclusion. Google has not performed a legal analysis and makes no representation as to the accuracy of the date listed.)
Filing date
Publication date
Application filed by State Grid Hebei Electric Power Co Ltd, Beijing King Star Hi Tech System Control Co Ltd, State Grid Corp of China SGCC filed Critical State Grid Hebei Electric Power Co Ltd
Priority to CN202011184057.3A priority Critical patent/CN112051443B/zh
Publication of CN112051443A publication Critical patent/CN112051443A/zh
Application granted granted Critical
Publication of CN112051443B publication Critical patent/CN112051443B/zh
Expired - Fee Related legal-status Critical Current
Anticipated expiration legal-status Critical

Links

Images

Classifications

    • GPHYSICS
    • G01MEASURING; TESTING
    • G01RMEASURING ELECTRIC VARIABLES; MEASURING MAGNETIC VARIABLES
    • G01R21/00Arrangements for measuring electric power or power factor
    • G01R21/133Arrangements for measuring electric power or power factor by using digital technique

Landscapes

  • Engineering & Computer Science (AREA)
  • Power Engineering (AREA)
  • Physics & Mathematics (AREA)
  • General Physics & Mathematics (AREA)
  • Amplifiers (AREA)

Abstract

本发明公开了一种用于测量电功率的装置,涉及电子检测技术领域;其包括用于测量有功的放大器、第一至第四电阻和乘法器,用于测量有功的放大器的正相输入端连接至用于测量有功的第三电阻,用于测量有功的放大器的正相输入端经过用于测量有功的第四电阻连接至地,用于测量有功的放大器的反相输入端经过用于测量有功的第一电阻连接至地,用于测量有功的第二电阻连接在用于测量有功的放大器的反相输入端与输出端之间,用于测量有功的放大器的输出端与用于测量有功的乘法器的第二输入端连接;其通过用于测量有功的放大器、第一至第四电阻和乘法器等,实现提供了分析电网输电线路工作中用于测量电功率的装置。

Description

一种用于测量电功率的装置
技术领域
本发明涉及电子检测技术领域,尤其涉及一种用于测量电功率的装置。
背景技术
电网的系统或设备仿真技术目前主要有RTDS、交直流电磁暂态仿真平台和电网系统动模等三种。分别叙述如下:
RTDS全称是实时数字仿真仪(Real Time Digital Simulator),由加拿大托尼巴RTDS公司开发制造,是一种专门设计用于研究电力系统中电磁暂态现象的装置。RTDS已广泛应用于28个国家(地区)的电力企业和研究机构,装机数量超过140台。RTDS的电网模型、发电机、负载和控制器模型均是数字式,通过软件来模拟。该系统具备软件模拟的电流、电压量,通过数模转换转变成实际的电流、电压量。这些输出的电流、电压量可以用来驱动保护、自动装置等,用于测试保护、自动装置的可靠性及算法的合理性。
RTDS模型是数字化软件模拟的,仅在输出端采用数模转换技术输出了真实的电流、电压量,RTDS工作在50Hz。
交直流电磁暂态仿真平台是中国电科院自主研制的数字模拟混合仿真和数字混合仿真系统,仿真能力与技术位于国际最先进水平,已应用于中国电科院、各省电科院。平台集成了电网潮流计算、稳态分析、电磁暂态分析、模数数模转换、硬件输出电流、电压的功能。模拟范围可以涵盖整个中国的超大型电网,模拟的时间尺度从小时级的稳态现象一直到微秒级的电磁暂态现象。主要特点是不仅与RTDS一样具备通过数模转换输出真实的电流、电压量,还具备多种数字模拟手段的有效融合衔接,仿真规模在时间尺度和空间尺度上都得到极大扩展。
交直流电磁暂态仿真平台与RTDS基本相同,交直流电磁暂态仿真平台的模型也是数字化软件模拟的,仅在输出端采用数模转换技术输出了真实的电流、电压量,交直流电磁暂态仿真平台的模拟对象工作频率为50Hz,交直流电磁暂态仿真平台要获得整个中国电网范围内从小时级时间尺度一直细分的毫秒级时间尺度的仿真,投资规模巨大。
电网系统动模是电网仿真的经典系统。在数字计算机还不十分普及的60、70年代,是用于研究电力系统的重要设备。当时在中国电科院及各大专院校电力系统专业均有装备。一般模拟规模为两到四台发电机以及相应的负荷,为电力系统电磁、机械动态的研究服务。是根据相似性原理建立起来的电力系统物理模拟模型,它把实际的电力系统的各个部分按照相似条件设计并建造,组成一个比较小规模的电力系统,用这种模型代替实际电力系统进行各种正常与故障状态的实验研究。目前动模系统引入了现代的信息和电子技术,可以实现分布式数字化网络测量,并能与RTDS等系统密切结合,相互补充。
电网系统动模将输电线看作一个整体部件,并且电网系统动模工作在50Hz,无法研究输电线内部尺寸、布局等参数对其电气性质的影响。
电功率包括有功电功率即有功和无功电功率即无功。
现有技术问题及思考:
如何解决提供分析电网输电线路工作中用于测量电功率的装置的技术问题。
发明内容
本发明所要解决的技术问题是提供一种用于测量电功率的装置,其通过用于测量有功的放大器、第一至第四电阻和乘法器等,实现提供了分析电网输电线路工作中用于测量电功率的装置。
为解决上述技术问题,本发明所采取的技术方案是:一种用于测量电功率的装置包括用于测量有功的放大器、第一至第四电阻和乘法器,所述用于测量有功的放大器的正相输入端连接至用于测量有功的第三电阻,用于测量有功的放大器的正相输入端经过用于测量有功的第四电阻连接至地,用于测量有功的放大器的反相输入端经过用于测量有功的第一电阻连接至地,用于测量有功的第二电阻连接在用于测量有功的放大器的反相输入端与输出端之间,用于测量有功的放大器的输出端与用于测量有功的乘法器的第二输入端连接,所述用于测量有功的放大器、第一至第四电阻和乘法器形成有功测量单元。
进一步的技术方案在于:所述用于测量有功的放大器的正相输入端经过用于测量有功的第三电阻连接至待测电压端,所述用于测量有功的乘法器的第一输入端连接至待测电流端;用于测量有功的放大器为运算放大器,用于测量有功的乘法器为模拟乘法器,用于测量有功的第一电阻为阻值范围为0.5千欧姆~10千欧姆的电阻,用于测量有功的第二电阻为阻值范围为0.5千欧姆~10千欧姆的电阻,用于测量有功的第三电阻为阻值范围为1千欧姆~50千欧姆的电阻,用于测量有功的第四电阻为阻值范围为0.1千欧姆~5千欧姆的电阻。
进一步的技术方案在于:用于测量有功的第一电阻为阻值1千欧姆的电阻,用于测量有功的第二电阻为阻值1千欧姆的电阻,用于测量有功的第三电阻为阻值9千欧姆的电阻,用于测量有功的第四电阻为阻值1千欧姆的电阻。
进一步的技术方案在于:还包括用于测量无功的放大器、第一至第三电阻、电容和乘法器,所述用于测量无功的放大器的正相输入端连接至用于测量无功的第三电阻,用于测量无功的放大器的正相输入端经过用于测量无功的电容连接至地,用于测量无功的放大器的反相输入端经过用于测量无功的第一电阻连接至地,用于测量无功的第二电阻连接在用于测量无功的放大器的反相输入端与输出端之间,用于测量无功的放大器的输出端与用于测量无功的乘法器的第二输入端连接,所述用于测量无功的放大器、第一至第三电阻、电容和乘法器形成无功测量单元。
一种用于测量电功率的装置包括用于测量无功的放大器、第一至第三电阻、电容和乘法器,所述用于测量无功的放大器的正相输入端连接至用于测量无功的第三电阻,用于测量无功的放大器的正相输入端经过用于测量无功的电容连接至地,用于测量无功的放大器的反相输入端经过用于测量无功的第一电阻连接至地,用于测量无功的第二电阻连接在用于测量无功的放大器的反相输入端与输出端之间,用于测量无功的放大器的输出端与用于测量无功的乘法器的第二输入端连接,所述用于测量无功的放大器、第一至第三电阻、电容和乘法器形成无功测量单元。
一种用于测量电功率的装置包括电流电压测量单元和有功无功测量单元,所述有功无功测量单元包括有功测量单元和无功测量单元,所述电流电压测量单元的输出端分别与有功测量单元的输入端和无功测量单元的输入端连接;所述无功测量单元包括用于测量无功的放大器、第一至第三电阻、电容和乘法器,所述用于测量无功的放大器的正相输入端连接至用于测量无功的第三电阻,用于测量无功的放大器的正相输入端经过用于测量无功的电容连接至地,用于测量无功的放大器的反相输入端经过用于测量无功的第一电阻连接至地,用于测量无功的第二电阻连接在用于测量无功的放大器的反相输入端与输出端之间,用于测量无功的放大器的输出端与用于测量无功的乘法器的第二输入端连接。
进一步的技术方案在于:所述电流电压测量单元包括用于测量电流电压的第一电压放大器、第二电压放大器和电流采样电阻,所述用于测量电流电压的第一电压放大器的正相输入端与信号源的输出端连接,用于测量电流电压的第一电压放大器的反相输入端与用于测量电流电压的第二电压放大器的正相输入端连接,用于测量电流电压的第二电压放大器的反相输入端接地,用于测量电流电压的电流采样电阻连接在用于测量电流电压的第一电压放大器的正相输入端与反相输入端之间,所述用于测量电流电压的第一电压放大器的输出端为电流输出端分别与有功测量单元的电流输入端和无功测量单元的电流输入端连接,所述用于测量电流电压的第二电压放大器的输出端为电压输出端分别与有功测量单元的电压输入端和无功测量单元的电压输入端连接。
进一步的技术方案在于:所述用于测量无功的放大器的正相输入端经过用于测量无功的第三电阻连接至待测电压端,所述用于测量无功的乘法器的第一输入端连接至待测电流端;用于测量无功的放大器为运算放大器,用于测量无功的乘法器为模拟乘法器,用于测量无功的第一电阻为阻值范围为0.5千欧姆至10千欧姆的电阻,用于测量无功的第二电阻为阻值范围为0.5千欧姆至10千欧姆的电阻,用于测量无功的第三电阻为阻值范围为1千欧姆至50千欧姆的电阻,用于测量无功的电容为容值范围为20皮法至200皮法的电容。
进一步的技术方案在于:用于测量无功的第一电阻为阻值1千欧姆的电阻,用于测量无功的第二电阻为阻值1千欧姆的电阻,用于测量无功的第三电阻为阻值3千欧姆的电阻,用于测量无功的电容为容值100皮法的电容。
进一步的技术方案在于:所述用于测量电流电压的第一电压放大器和第二电压放大器均为差分运算放大器,用于测量电流电压的电流采样电阻为阻值范围为1欧姆~20欧姆的电阻。
采用上述技术方案所产生的有益效果在于:
其通过用于测量有功的放大器、第一至第四电阻和乘法器等,实现提供了分析电网输电线路工作中用于测量电功率的装置。
详见具体实施方式部分描述。
附图说明
图1是本发明实施例1的原理框图;
图2是本发明应用于电网输电线路分析系统的原理框图;
图3是本发明中信号源、测量仪表和台架模型的原理框图;
图4是本发明中信号源的电路原理图;
图5是本发明中第一线路A相电流电压测量单元的电路原理图;
图6是本发明中第一线路B相电流电压测量单元的电路原理图;
图7是本发明中第一线路C相电流电压测量单元的电路原理图;
图8是本发明中第二线路A相电流电压测量单元的电路原理图;
图9是本发明中第二线路B相电流电压测量单元的电路原理图;
图10是本发明中第二线路C相电流电压测量单元的电路原理图;
图11是本发明中台架模型的电路原理图。
具体实施方式
下面将结合本申请实施例中的附图,对本申请实施例中的技术方案进行清楚、完整地描述,显然,所描述的实施例仅仅是本申请一部分实施例,而不是全部的实施例。以下对至少一个示例性实施例的描述实际上仅仅是说明性的,决不作为对本申请及其应用或使用的任何限制。基于本申请中的实施例,本领域普通技术人员在没有做出创造性劳动前提下所获得的所有其他实施例,都属于本申请保护的范围。
在下面的描述中阐述了很多具体细节以便于充分理解本申请,但是本申请还可以采用其他不同于在此描述的其它方式来实施,本领域技术人员可以在不违背本申请内涵的情况下做类似推广,因此本申请不受下面公开的具体实施例的限制。
实施例1:
如图1所示,本发明公开了一种用于测量电功率的装置包括有功测量单元和无功测量单元,所述有功测量单元包括用于测量有功的放大器、第一至第四电阻和乘法器,所述无功测量单元包括用于测量无功的放大器、第一至第三电阻、电容和乘法器。所述用于测量有功的放大器的正相输入端连接至用于测量有功的第三电阻,用于测量有功的放大器的正相输入端经过用于测量有功的第四电阻连接至地,用于测量有功的放大器的反相输入端经过用于测量有功的第一电阻连接至地,用于测量有功的第二电阻连接在用于测量有功的放大器的反相输入端与输出端之间,用于测量有功的放大器的输出端与用于测量有功的乘法器的第二输入端连接,所述用于测量有功的放大器、第一至第四电阻和乘法器形成有功测量单元。
所述用于测量无功的放大器的正相输入端连接至用于测量无功的第三电阻,用于测量无功的放大器的正相输入端经过用于测量无功的电容连接至地,用于测量无功的放大器的反相输入端经过用于测量无功的第一电阻连接至地,用于测量无功的第二电阻连接在用于测量无功的放大器的反相输入端与输出端之间,用于测量无功的放大器的输出端与用于测量无功的乘法器的第二输入端连接,所述用于测量无功的放大器、第一至第三电阻、电容和乘法器形成无功测量单元。
所述用于测量有功的放大器的正相输入端经过用于测量有功的第三电阻连接至待测电压端,所述用于测量有功的乘法器的第一输入端连接至待测电流端。所述用于测量无功的放大器的正相输入端经过用于测量无功的第三电阻连接至待测电压端,所述用于测量无功的乘法器的第一输入端连接至待测电流端。
实施例2:
本发明公开了一种用于测量电功率的装置包括用于测量有功的放大器、第一至第四电阻和乘法器,所述用于测量有功的放大器的正相输入端连接至用于测量有功的第三电阻,用于测量有功的放大器的正相输入端经过用于测量有功的第四电阻连接至地,用于测量有功的放大器的反相输入端经过用于测量有功的第一电阻连接至地,用于测量有功的第二电阻连接在用于测量有功的放大器的反相输入端与输出端之间,用于测量有功的放大器的输出端与用于测量有功的乘法器的第二输入端连接,所述用于测量有功的放大器、第一至第四电阻和乘法器形成有功测量单元。所述用于测量有功的放大器的正相输入端经过用于测量有功的第三电阻连接至待测电压端,所述用于测量有功的乘法器的第一输入端连接至待测电流端。
实施例3:
本发明公开了一种用于测量电功率的装置包括用于测量无功的放大器、第一至第三电阻、电容和乘法器,所述用于测量无功的放大器的正相输入端连接至用于测量无功的第三电阻,用于测量无功的放大器的正相输入端经过用于测量无功的电容连接至地,用于测量无功的放大器的反相输入端经过用于测量无功的第一电阻连接至地,用于测量无功的第二电阻连接在用于测量无功的放大器的反相输入端与输出端之间,用于测量无功的放大器的输出端与用于测量无功的乘法器的第二输入端连接,所述用于测量无功的放大器、第一至第三电阻、电容和乘法器形成无功测量单元。所述用于测量无功的放大器的正相输入端经过用于测量无功的第三电阻连接至待测电压端,所述用于测量无功的乘法器的第一输入端连接至待测电流端。
应用说明:
如图2所示,搭建电网输电线路分析系统,电网输电线路分析系统包括计算机、控制器、信号源、基于电网输电线路缩小后的台架模型、用于测量电压和电流的测量仪表和低通滤波器,所述计算机与控制器电连接并双向通信,所述控制器与信号源电连接并双向通信,所述信号源的输出端口与测量仪表的输入端口电连接,所述测量仪表的第一输出端口与台架模型的输入端口电连接,测量仪表的第二输出端口与低通滤波器的第一输入端口电连接,测量仪表的第三输出端口与低通滤波器的第二输入端口电连接,所述低通滤波器的输出端与控制器的输入端连接并单向通信,获得台架模型的电压、电流、有功和无功,详述如下。
信号源:
如图4所示,信号源包括信号发生器U1-1、用于形成信号源的第一至第四电压放大器U2-1~U5-1、第一至第四电流放大器U6-1~U9-1和第一至第四输出端子A_OUT-1~C_OUT-1、O_OUT-1,所述用于形成信号源的第一至第四电压放大器U2-1~U5-1和第一至第四电流放大器U6-1~U9-1形成四条结构相同的用于形成信号源的放大电路。
所述信号发生器U1-1的第一输出端D0_OUT与用于形成信号源的第一电压放大器U2-1的正相输入端连接,用于形成信号源的第一电压放大器U2-1的反相输入端接地GND,用于形成信号源的第一电压放大器U2-1的输出端与用于形成信号源的第一电流放大器U6-1的输入端连接,用于形成信号源的第一电流放大器U6-1的输出端与用于形成信号源的第一输出端子A_OUT-1连接,用于形成信号源的第一输出端子A_OUT-1处为A相输出,所述用于形成信号源的第一电压放大器U2-1和第一电流放大器U6-1形成用于形成信号源的第一放大电路。
所述信号发生器U1-1的第二输出端D1_OUT与用于形成信号源的第二电压放大器U3-1的正相输入端连接,用于形成信号源的第二电压放大器U3-1的反相输入端接地GND,用于形成信号源的第二电压放大器U3-1的输出端与用于形成信号源的第二电流放大器U7-1的输入端连接,用于形成信号源的第二电流放大器U7-1的输出端与用于形成信号源的第二输出端子B_OUT-1连接,用于形成信号源的第二输出端子B_OUT-1处为B相输出,所述用于形成信号源的第二电压放大器U3-1和第二电流放大器U7-1形成用于形成信号源的第二放大电路。
所述信号发生器U1-1的第三输出端D2_OUT与用于形成信号源的第三电压放大器U4-1的正相输入端连接,用于形成信号源的第三电压放大器U4-1的反相输入端接地GND,用于形成信号源的第三电压放大器U4-1的输出端与用于形成信号源的第三电流放大器U8-1的输入端连接,用于形成信号源的第三电流放大器U8-1的输出端与用于形成信号源的第三输出端子C_OUT-1连接,用于形成信号源的第三输出端子C_OUT-1处为C相输出,所述用于形成信号源的第三电压放大器U4-1和第三电流放大器U8-1形成用于形成信号源的第三放大电路。
所述信号发生器U1-1的第四输出端D3_OUT与用于形成信号源的第四电压放大器U5-1的正相输入端连接,用于形成信号源的第四电压放大器U5-1的反相输入端接地GND,用于形成信号源的第四电压放大器U5-1的输出端与用于形成信号源的第四电流放大器U9-1的输入端连接,用于形成信号源的第四电流放大器U9-1的输出端与用于形成信号源的第四输出端子O_OUT-1连接,用于形成信号源的第四输出端子O_OUT-1处为参考信号输出,所述用于形成信号源的第四电压放大器U5-1和第四电流放大器U9-1形成用于形成信号源的第四放大电路。
如图3和图4所示,所述用于形成信号源的第一输出端子A_OUT-1、第二输出端子B_OUT-1、第三输出端子C_OUT-1和第四输出端子O_OUT-1形成信号源的输出端口。
其中,信号发生器U1-1为高速DDS芯片,型号为AD9959,用于形成信号源的第一至第四电压放大器U2-1~U5-1均为高速差分运算放大器,型号为AD8130,第一至第四电流放大器U6-1~U9-1均为高速缓冲器,型号为BUF634T,信号发生器、电压放大器和电流放大器本身以及相应的通信连接技术为现有技术在此不再赘述。
测量仪表:
如图2所示,测量仪表包括用于测量电流和电压的第一测量单元和用于测量有功和无功的第二测量单元,所述第一测量单元为电流电压测量单元,所述第二测量单元测量为有功无功测量单元。
如图5~图10所示,所述电流电压测量单元包括六个结构相同的电流电压测量单元分别为第一线路A相电流电压测量单元、第一线路B相电流电压测量单元、第一线路C相电流电压测量单元、第二线路A相电流电压测量单元、第二线路B相电流电压测量单元和第二线路C相电流电压测量单元,六个结构相同的电流电压测量单元形成两组三相电流电压测量单元,两组三相电流电压测量单元分别是结构相同的第一线路三相电流电压测量单元和第二线路三相电流电压测量单元,第一线路A~C相电流电压测量单元形成第一线路三相电流电压测量单元,第二线路A~C相电流电压测量单元形成第二线路三相电流电压测量单元。
如图5所示,第一线路A相电流电压测量单元包括用于测量第一线路A相电流电压的第一电压放大器U1-2、第二电压放大器U2-2、信号源端子1_A_IN-2、电流采集输出端子1_A_i_OUT-2、电压采集输出端子1_A_u_OUT-2、激励端子1_A_OUT-2和电流采样电阻R1-2,用于测量第一线路A相电流电压的信号源端子1_A_IN-2与用于测量第一线路A相电流电压的第一电压放大器U1-2的正相输入端连接,用于测量第一线路A相电流电压的第一电压放大器U1-2的反相输入端与用于测量第一线路A相电流电压的第二电压放大器U2-2的正相输入端连接,用于测量第一线路A相电流电压的第二电压放大器U2-2的反相输入端接地GND,用于测量第一线路A相电流电压的电流采样电阻R1-2连接在用于测量第一线路A相电流电压的第一电压放大器U1-2的正相输入端与反相输入端之间,用于测量第一线路A相电流电压的激励端子1_A_OUT-2连接在用于测量第一线路A相电流电压的第一电压放大器U1-2的反相输入端与用于测量第一线路A相电流电压的第二电压放大器U2-2的正相输入端的连接处,用于测量第一线路A相电流电压的电流采集输出端子1_A_i_OUT-2与用于测量第一线路A相电流电压的第一电压放大器U1-2的输出端连接,用于测量第一线路A相电流电压的电压采集输出端子1_A_u_OUT-2与用于测量第一线路A相电流电压的第二电压放大器U2-2的输出端连接。用于测量第一线路A相电流电压的电流采样电阻R1-2为阻值5欧姆的电阻。
如图6所示,第一线路B相电流电压测量单元包括用于测量第一线路B相电流电压的第一电压放大器U3-2、第二电压放大器U4-2、信号源端子1_B_IN-2、电流采集输出端子1_B_i_OUT-2、电压采集输出端子1_B_u_OUT-2、激励端子1_B_OUT-2和电流采样电阻R2-2。
如图7所示,第一线路C相电流电压测量单元包括用于测量第一线路C相电流电压的第一电压放大器U5-2、第二电压放大器U6-2、信号源端子1_C_IN-2、电流采集输出端子1_C_i_OUT-2、电压采集输出端子1_C_u_OUT-2、激励端子1_C_OUT-2和电流采样电阻R3-2。
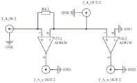
如图8所示,第二线路A相电流电压测量单元包括用于测量第二线路A相电流电压的第一电压放大器U7-2、第二电压放大器U8-2、信号源端子2_A_IN-2、电流采集输出端子2_A_i_OUT-2、电压采集输出端子2_A_u_OUT-2、激励端子2_A_OUT-2和电流采样电阻R4-2。
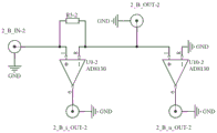
如图9所示,第二线路B相电流电压测量单元包括用于测量第二线路B相电流电压的第一电压放大器U9-2、第二电压放大器U10-2、信号源端子2_B_IN-2、电流采集输出端子2_B_i_OUT-2、电压采集输出端子2_B_u_OUT-2、激励端子2_B_OUT-2和电流采样电阻R5-2。
如图10所示,第二线路C相电流电压测量单元包括用于测量第二线路C相电流电压的第一电压放大器U11-2、第二电压放大器U12-2、信号源端子2_C_IN-2、电流采集输出端子2_C_i_OUT-2、电压采集输出端子2_C_u_OUT-2、激励端子2_C_OUT-2和电流采样电阻R6-2。
其中,每一电流电压测量单元的第一电压放大器和第二电压放大器均为高速差分运算放大器,型号为AD8130,每一电流电压测量单元的电流采样电阻均为阻值5欧姆的电阻,电压放大器本身以及相应的通信连接技术为现有技术在此不再赘述。
所述有功无功测量单元包括六个结构相同的有功无功测量单元分别为第一线路A相有功无功测量单元、第一线路B相有功无功测量单元、第一线路C相有功无功测量单元、第二线路A相有功无功测量单元、第二线路B相有功无功测量单元和第二线路C相有功无功测量单元,六个结构相同的有功无功测量单元形成两组三相有功无功测量单元,两组三相有功无功测量单元分别是结构相同的第一线路三相有功无功测量单元和第二线路三相有功无功测量单元,第一线路A~C相有功无功测量单元形成第一线路三相有功无功测量单元,第二线路A~C相有功无功测量单元形成第二线路三相有功无功测量单元。
如图1所示,第一线路A相有功无功测量单元包括用于测量第一线路A相有功的放大器U1-3、第一至第四电阻R1_1-3~R1_4-3、乘法器U3-3和有功输出端子1_A_P_OUT-3、用于测量第一线路A相无功的放大器U2-3、第一至第三电阻R2_1-3~R2_3-3、电容C2_1-3、乘法器U4-3和无功输出端子1_A_Q_OUT-3以及用于测量第一线路A相有功和无功的电压输入端子1_A_u_IN-3和电流输入端子1_A_i_IN-3,所述用于测量第一线路A相有功的放大器U1-3的正相输入端经过用于测量第一线路A相有功的第三电阻R1_3-3连接至用于测量第一线路A相有功和无功的电压输入端子1_A_u_IN-3,用于测量第一线路A相有功的放大器U1-3的正相输入端经过用于测量第一线路A相有功的第四电阻R1_4-3连接至地GND,用于测量第一线路A相有功的放大器U1-3的反相输入端经过用于测量第一线路A相有功的第一电阻R1_1-3连接至地GND,用于测量第一线路A相有功的第二电阻R1_2-3连接在用于测量第一线路A相有功的放大器U1-3的反相输入端与输出端之间,用于测量第一线路A相有功和无功的电流输入端子1_A_i_IN-3与用于测量第一线路A相有功的乘法器U3-3的第一输入端连接,用于测量第一线路A相有功的放大器U1-3的输出端与用于测量第一线路A相有功的乘法器U3-3的第二输入端连接,用于测量第一线路A相有功的乘法器U3-3的输出端与用于测量第一线路A相有功的有功输出端子1_A_P_OUT-3连接。
所述用于测量第一线路A相无功的放大器U2-3的正相输入端经过用于测量第一线路A相无功的第三电阻R2_3-3连接至用于测量第一线路A相有功和无功的电压输入端子1_A_u_IN-3,用于测量第一线路A相无功的放大器U2-3的正相输入端经过用于测量第一线路A相无功的电容C2_1-3连接至地GND,用于测量第一线路A相无功的放大器U2-3的反相输入端经过用于测量第一线路A相无功的第一电阻R2_1-3连接至地GND,用于测量第一线路A相无功的第二电阻R2_2-3连接在用于测量第一线路A相无功的放大器U2-3的反相输入端与输出端之间,用于测量第一线路A相有功和无功的电流输入端子1_A_i_IN-3与用于测量第一线路A相无功的乘法器U4-3的第一输入端连接,用于测量第一线路A相无功的放大器U2-3的输出端与用于测量第一线路A相无功的乘法器U4-3的第二输入端连接,用于测量第一线路A相无功的乘法器U4-3的输出端与用于测量第一线路A相无功的无功输出端子1_A_Q_OUT-3连接。
第一线路B相有功无功测量单元包括用于测量第一线路B相有功的放大器、第一至第四电阻、乘法器和有功输出端子1_B_P_OUT-3、用于测量第一线路B相无功的放大器、第一至第三电阻、电容、乘法器和无功输出端子1_B_Q_OUT-3以及用于测量第一线路B相有功和无功的电压输入端子1_B_u_IN-3和电流输入端子1_B_i_IN-3,第一线路C相有功无功测量单元包括用于测量第一线路C相有功的放大器、第一至第四电阻、乘法器和有功输出端子1_C_P_OUT-3、用于测量第一线路C相无功的放大器、第一至第三电阻、电容、乘法器和无功输出端子1_C_Q_OUT-3以及用于测量第一线路C相有功和无功的电压输入端子1_C_u_IN-3和电流输入端子1_C_i_IN-3,第二线路A相有功无功测量单元包括用于测量第二线路A相有功的放大器、第一至第四电阻、乘法器和有功输出端子2_A_P_OUT-3、用于测量第二线路A相无功的放大器、第一至第三电阻、电容、乘法器和无功输出端子2_A_Q_OUT-3以及用于测量第二线路A相有功和无功的电压输入端子2_A_u_IN-3和电流输入端子2_A_i_IN-3,第二线路B相有功无功测量单元包括用于测量第二线路B相有功的放大器、第一至第四电阻、乘法器和有功输出端子2_B_P_OUT-3、用于测量第二线路B相无功的放大器、第一至第三电阻、电容、乘法器和无功输出端子2_B_Q_OUT-3以及用于测量第二线路B相有功和无功的电压输入端子2_B_u_IN-3和电流输入端子2_B_i_IN-3,第二线路C相有功无功测量单元包括用于测量第二线路C相有功的放大器、第一至第四电阻、乘法器和有功输出端子2_C_P_OUT-3、用于测量第二线路C相无功的放大器、第一至第三电阻、电容、乘法器和无功输出端子2_C_Q_OUT-3以及用于测量第二线路C相有功和无功的电压输入端子2_C_u_IN-3和电流输入端子2_C_i_IN-3。
其中,每一有功无功测量单元的放大器均为高速运算放大器,型号为AD8017,每一有功无功测量单元的乘法器均为高速模拟乘法器,型号为AD835,每一有功无功测量单元的用于测量有功的第一电阻均为阻值1千欧姆的电阻,每一有功无功测量单元的用于测量有功的第二电阻均为阻值1千欧姆的电阻,每一有功无功测量单元的用于测量有功的第三电阻均为阻值9千欧姆的电阻,每一有功无功测量单元的用于测量有功的第四电阻均为阻值1千欧姆的电阻,每一有功无功测量单元的用于测量无功的第一电阻均为阻值1千欧姆的电阻,每一有功无功测量单元的用于测量无功的第二电阻均为阻值1千欧姆的电阻,每一有功无功测量单元的用于测量无功的第三电阻均为阻值3千欧姆的电阻,每一有功无功测量单元的用于测量无功的电容均为容值100皮法的电容,放大器本身以及相应的通信连接技术为现有技术在此不再赘述。
如图3所示,用于测量第一线路A相电流电压的信号源端子1_A_IN-2、用于测量第一线路B相电流电压的信号源端子1_B_IN-2、用于测量第一线路C相电流电压的信号源端子1_C_IN-2、用于测量第二线路A相电流电压的信号源端子2_A_IN-2、用于测量第二线路B相电流电压的信号源端子2_B_IN-2和用于测量第二线路C相电流电压的信号源端子2_C_IN-2形成电流电压测量单元的输入端口即测量仪表的输入端口,用于测量第一线路A相电流电压的激励端子1_A_OUT-2、用于测量第一线路B相电流电压的激励端子1_B_OUT-2、用于测量第一线路C相电流电压的激励端子1_C_OUT-2、用于测量第二线路A相电流电压的激励端子2_A_OUT-2、用于测量第二线路B相电流电压的激励端子2_B_OUT-2、用于测量第二线路C相电流电压的激励端子2_C_OUT-2形成电流电压测量单元的第一输出端口即测量仪表的第一输出端口,用于测量第一线路A相电流电压的电流采集输出端子1_A_i_OUT-2和电压采集输出端子1_A_u_OUT-2、用于测量第一线路B相电流电压的电流采集输出端子1_B_i_OUT-2和电压采集输出端子1_B_u_OUT-2、用于测量第一线路C相电流电压的电流采集输出端子1_C_i_OUT-2和电压采集输出端子1_C_u_OUT-2、用于测量第二线路A相电流电压的电流采集输出端子2_A_i_OUT-2和电压采集输出端子2_A_u_OUT-2、用于测量第二线路B相电流电压的电流采集输出端子2_B_i_OUT-2和电压采集输出端子2_B_u_OUT-2、用于测量第二线路C相电流电压的电流采集输出端子2_C_i_OUT-2和电压采集输出端子2_C_u_OUT-2形成电流电压测量单元的第二输出端口即测量仪表的第二输出端口,用于测量第一线路A相有功和无功的电流输入端子1_A_i_IN-3和电压输入端子1_A_u_IN-3、用于测量第一线路B相有功和无功的电流输入端子1_B_i_IN-3和电压输入端子1_B_u_IN-3、用于测量第一线路C相有功和无功的电流输入端子1_C_i_IN-3和电压输入端子1_C_u_IN-3、用于测量第二线路A相有功和无功的电流输入端子2_A_i_IN-3和电压输入端子2_A_u_IN-3、用于测量第二线路B相有功和无功的电流输入端子2_B_i_IN-3和电压输入端子2_B_u_IN-3、用于测量第二线路C相有功和无功的电流输入端子2_C_i_IN-3和电压输入端子2_C_u_IN-3形成有功无功测量单元的输入端口,用于测量第一线路A相有功的有功输出端子1_A_P_OUT-3、用于测量第一线路A相无功的无功输出端子1_A_Q_OUT-3、用于测量第一线路B相有功的有功输出端子1_B_P_OUT-3、用于测量第一线路B相无功的无功输出端子1_B_Q_OUT-3、用于测量第一线路C相有功的有功输出端子1_C_P_OUT-3、用于测量第一线路C相无功的无功输出端子1_C_Q_OUT-3、用于测量第二线路A相有功的有功输出端子2_A_P_OUT-3、用于测量第二线路A相无功的无功输出端子2_A_Q_OUT-3、用于测量第二线路B相有功的有功输出端子2_B_P_OUT-3、用于测量第二线路B相无功的无功输出端子2_B_Q_OUT-3、用于测量第二线路C相有功的有功输出端子2_C_P_OUT-3和用于测量第二线路C相无功的无功输出端子2_C_Q_OUT-3形成有功无功测量单元的输出端口即测量仪表的第三输出端口。
台架模型:
如图11所示,台架模型包括台架和固定在台架上的两组三相输电线路,所述两组三相输电线路包括台架模型的六条相线和六个信号接入端子,六条相线分别为台架模型的第一线路A相线1A-4、第一线路B相线1B-4、第一线路C相线1C-4、第二线路A相线2A-4、第二线路B相线2B-4和第二线路C相线2C-4,六个信号接入端子分别为台架模型的第一线路A相输入端子1_A_IN-4、第一线路B相输入端子1_B_IN-4、第一线路C相输入端子1_C_IN-4、第二线路A相输入端子2_A_IN-4、第二线路B相输入端子2_B_IN-4和第二线路C相输入端子2_C_IN-4。
所述台架模型的第一线路A相线1A-4的一端与台架模型的第一线路A相输入端子1_A_IN-4连接并形成台架模型A相的第一支路,台架模型的第一线路A相线1A-4的另一端经台架模型的A相负载阻抗A_Load-4接地GND,台架模型的A相负载阻抗A_Load-4为根据分析需要将实际情况的电阻、电容和电感组合后的负载阻抗。所述台架模型的第二线路A相线2A-4的一端与台架模型的第二线路A相输入端子2_A_IN-4连接并形成台架模型A相的第二支路,台架模型的第二线路A相线2A-4的另一端经台架模型的A相负载阻抗A_Load-4接地GND。所述台架模型A相的第一支路和第二支路形成台架模型的A相电路。
所述台架模型的第一线路B相线1B-4的一端与台架模型的第一线路B相输入端子1_B_IN-4连接并形成台架模型B相的第一支路,台架模型的第一线路B相线1B-4的另一端经台架模型的B相负载阻抗B_Load-4接地GND,台架模型的B相负载阻抗B_Load-4为根据分析需要将实际情况的电阻、电容和电感组合后的负载阻抗。所述台架模型的第二线路B相线2B-4的一端与台架模型的第二线路B相输入端子2_B_IN-4连接并形成台架模型B相的第二支路,台架模型的第二线路B相线2B-4的另一端经台架模型的B相负载阻抗B_Load-4接地GND。所述台架模型B相的第一支路和第二支路形成台架模型的B相电路。
所述台架模型的第一线路C相线1C-4的一端与台架模型的第一线路C相输入端子1_C_IN-4连接并形成台架模型C相的第一支路,台架模型的第一线路C相线1C-4的另一端经台架模型的C相负载阻抗C_Load-4接地GND,台架模型的C相负载阻抗C_Load-4为根据分析需要将实际情况的电阻、电容和电感组合后的负载阻抗。所述台架模型的第二线路C相线2C-4的一端与台架模型的第二线路C相输入端子2_C_IN-4连接并形成台架模型C相的第二支路,台架模型的第二线路C相线2C-4的另一端经台架模型的C相负载阻抗C_Load-4接地GND。所述台架模型C相的第一支路和第二支路形成台架模型的C相电路。
所述台架模型A相的第一支路、台架模型B相的第一支路、台架模型C相的第一支路形成台架模型A~C相的第一电路,即台架模型A~C相的第一线路,所述台架模型A相的第二支路、台架模型B相的第二支路、台架模型C相的第二支路形成台架模型A~C相的第二电路,即台架模型A~C相的第二线路。
如图3和11所示,所述台架模型的第一线路A相输入端子1_A_IN-4、第一线路B相输入端子1_B_IN-4、第一线路C相输入端子1_C_IN-4、第二线路A相输入端子2_A_IN-4、第二线路B相输入端子2_B_IN-4和第二线路C相输入端子2_C_IN-4形成台架模型的输入端口即两组三相输电线路的输入端,台架模型的第一线路A相输入端子1_A_IN-4为台架模型的第一输入端。
低通滤波器是搭建的阻容式滤波器,电阻选1千欧,电容选100纳法。
接线说明:
如图2和图3所示,所述计算机与控制器电连接并双向通信,所述控制器与信号源电连接并双向通信,所述信号源的输出端口与电流电压测量单元的输入端口电连接,所述电流电压测量单元的第一输出端口与台架模型的输入端口连接,电流电压测量单元的第二输出端口与有功无功测量单元的输入端口连接,电流电压测量单元的第二输出端口与低通滤波器的第一输入端口电连接,有功无功测量单元的输出端口与低通滤波器的第二输入端口电连接,所述低通滤波器的输出端与控制器的输入端连接并单向通信。
相对于上述实施例,每一有功无功测量单元的用于测量有功的第一电阻的阻值范围为0.5千欧姆至10千欧姆,每一有功无功测量单元的用于测量有功的第二电阻的阻值范围为0.5千欧姆至10千欧姆,每一有功无功测量单元的用于测量有功的第三电阻的阻值范围为1千欧姆至50千欧姆,每一有功无功测量单元的用于测量有功的第四电阻的阻值范围为0.1千欧姆至5千欧姆,每一有功无功测量单元的用于测量无功的第一电阻的阻值范围为0.5千欧姆至10千欧姆,每一有功无功测量单元的用于测量无功的第二电阻的阻值范围为0.5千欧姆至10千欧姆,每一有功无功测量单元的用于测量无功的第三电阻的阻值范围为1千欧姆至50千欧姆,每一有功无功测量单元的用于测量无功的电容的容值范围为20皮法至200皮法。
发明构思:
1、采用提高频率研究电力输电线的工作特性规律。经过实践初步确定采用5MHz频率来仿真研究50Hz频率下输电线的工作特性规律,但不仅限于5MHz频率,本发明人认为采用0.5MHz至50MHz范围内的频率都能够达到较好的效果,并且随着频率的调整,所表现出的各种优点会有所变化。
2、采用差分运算放大器测量电流。在实践过程种试验过许多种测量电流的方法,用于测量电流确是经过筛选的结果。
3、采用模拟乘法器测量有功。采用模拟乘法器直接相乘电流与电压测量有功,具有成本低结构简单且测量精度满足要求的特点。
4、采用模拟乘法器测量无功。采用先将电压量向前移相90度,然后通过模拟乘法器与电流相乘测量无功,具有成本低结构简单且测量精度满足要求的特点。
技术贡献:
1、与RTDS的区别在于:RTDS模型是数字化软件模拟的,仅在输出端采用数模转换技术输出了真实的电流、电压量,本申请中的模型是模拟的实际电磁规律,而不是软件模拟产生的,本申请中的电流、电压量全部是真实的量。另一个区别是RTDS工作在50Hz,本申请中的设备工作在5MHz。
2、与交直流电磁暂态仿真平台的区别与RTDS基本相同,交直流电磁暂态仿真平台的模型也是数字化软件模拟的,仅在输出端采用数模转换技术输出了真实的电流、电压量,本申请中的模型是模拟的实际电磁规律,而不是软件模拟产生的,交直流电磁暂态仿真平台的模拟对象工作频率为50Hz,本申请中的设备工作在5MHz。另外本申请追求的目标是低成本局部仿真,交直流电磁暂态仿真平台要获得整个中国电网范围内从小时级时间尺度一直细分的毫秒级时间尺度的仿真,投资规模巨大,因而造价差别十分明显。
3、与电网系统动模的区别在于:电网系统动模将输电线看作一个整体部件,本申请的重点是研究输电线内部尺寸、布局等参数对其电气性质的影响,研究方向不同。并且电网系统动模工作在50Hz,本申请中的设备工作在5MHz。
技术方案说明:
该系统由五部分组成,分别是信号源、测量仪表、台架模型、控制器以及计算机组成。
信号源产生三相高频信号,作用于台架模型,它的信号称为激励,台架模型的反应称为响应。信号源输出第四路基准信号,用于测量仪表的锁相放大、精确测量相位等功能。本次申请范围内,第四路基准信号没有使用。测量仪表用来采集信号源的激励和台架模型的响应的电流、电压量,计算分析出有功、无功、电阻、电抗等有用信息。
三相高频信号源,附加一路参考信号,共四路输出。模拟电网三相交流电,设计制作三相高频信号源,以5MHz三相高频信号仿真电网50Hz交流电。信号源共有四路输出,分别是A相输出、B相输出、C相输出和参考信号输出。A相输出、B相输出、C相输出是信号源的主要输出,产生幅值相等相位差120度的正弦信号,参考信号输出可单独调节幅值与相位,作为备用输出,用于后续测量的辅助,该系统中此路信号没有使用。
三相高频信号源由信号产生芯片U1-1,电压放大芯片U2-1~U5-1,电流放大芯片U6-1~U9-1组成。芯片U1-1采用AD9959。AD9959由四个直接数字频率合成器(DDS)构成,在内存中写入波形的数字描述,再顺序读取该描述,经过数模转换,变成电压输出。可以合成四路频率、幅值、相位相关联的任意波形,用来合成三路5MHz正弦三相电压,外加一路参考信号。此芯片输出端分别是D0_OUT、D1_OUT、D2_OUT和D3_OUT,在50欧姆负载下,正弦波信号最大输出峰峰值为300mV。
本申请需要的信号的电压和电流幅值大于U1-1芯片能提供的值,因此设计了电压和电流放大环节。电压放大由U2-1~U5-1芯片提供,放大倍数60,最大峰峰值达到18V,电流放大由U6-1~U9-1芯片提供,最大输出电流可达300mA。
使用过程:向U1-1芯片发出控制信号,设定D0_OUT的信号频率为5MHz正弦波,输出幅度为300mV峰峰值,相位为0度,在A相输出端子获得峰峰值18V,相位0度的A相交流正弦信号;设定D1_OUT的信号频率为5MHz正弦波,输出幅度为300mV峰峰值,相位为120度,在B相输出端子获得峰峰值18V,相位120度的B相交流正弦信号;设定D2_OUT的信号频率为5MH在正弦波,输出幅度为300mV峰峰值,相位为240度,在C相输出端子获得峰峰值18V,相位240度的C相交流正弦信号;设定D3_OUT的信号频率为5MH在正弦波,输出幅度为50mV峰峰值,相位为90度,在参考信号输出端获得峰峰值3V,相位90度的正弦参考信号。
测量仪表含有电流电压测量单元与有功无功测量单元。
1、电流电压测量单元
为了精确测量每一相的电流和电压,采用专门设计的电流电压测量单元。实验共有两组线路需要测量,分别是第一线路和第二线路,每组线路需要测量ABC三相,共六相,需要六组结构相同的电流电压测量单元。
以一组电流电压测量单元,即第一线路A相电流电压测量单元为例,说明工作原理:
由三相高频信号源A相经分配器接入第一线路A相电流电压测量单元的第一线路A相信号源端子1_A_IN-2,其电流经过第一线路A相电流电压测量单元的第一线路A相电流采样电阻R1-2后从第一线路A相电流电压测量单元的第一线路A相激励端子1_A_OUT-2流出,电流在阻值5欧姆的第一线路A相电流采样电阻R1-2上产生电压,经差分运算放大器U1-2放大,得到与电流值幅值、相位对应的输出电压,由第一线路A相电流电压测量单元的第一线路A相电流采集输出端子1_A_i_OUT-2输出。
第一线路A相电流电压测量单元的差分运算放大器U2-2通过第一线路A相电流电压测量单元的第一线路A相激励端子1_A_OUT-2采集台架模型的第一线路A相端子1_A_IN-4的电压并形成与该电压幅值、相位相对应的输出电压,通过第一线路A相电流电压测量单元的第一线路A相电压采集输出端子1_A_u_OUT-2输出。
第一线路A相电流电压测量单元的差分运算放大器U1-2和差分运算放大器U2-2的放大倍数均设为1的情况下,1mA电流将会在差分运算放大器U1-2上输出5mV电压,即第一线路A相电流电压测量单元的第一线路A相电流采集输出端子1_A_i_OUT-2输出5mV电压。第一线路A相电流电压测量单元的第一线路A相激励端子1_A_OUT-2上的1mV电压将在差分运算放大器U2-2上输出1mV电压,即第一线路A相电流电压测量单元的第一线路A相电压采集输出端子1_A_u_OUT-2输出1mV电压。
工作过程:
输入端接法:三相高频信号源产生三相信号,三相高频信号源的A相输出经分配器同时接入第一线路A相电流电压测量单元的第一线路A相信号源端子1_A_IN-2和第二线路A相测量单元的第二线路A相信号源端子2_A_IN-2,三相高频信号源的B相输出经分配器同时接入第一线路B相测量单元的第一线路B相信号源端子1_B_IN-2和第二线路B相测量单元的第二线路B相信号源端子2_B_IN-2,三相高频信号源的C相输出经分配器同时接入第一线路C相测量单元的第一线路C相信号源端子1_C_IN-2和第二线路C相测量单元的第二线路C相信号源端子2_C_IN-2。
输出端接法:第一线路A相电流电压测量单元的第一线路A相激励端子1_A_OUT-2与台架模型的第一线路A相端子1_A_IN-4连接,第二线路A相电流电压测量单元的第二线路A相激励端子2_A_OUT-2与台架模型的第二线路A相端子2_A_IN-4连接。第一线路B相电流电压测量单元的第一线路B相激励端子1_B_OUT-2与台架模型的第一线路B相端子1_B_IN-4连接,第二线路B相电流电压测量单元的第二线路B相激励端子2_B_OUT-2与台架模型的第二线路B相端子2_B_IN-4连接。第一线路C相电流电压测量单元的第一线路C相激励端子1_C_OUT-2与台架模型的第一线路C相端子1_C_IN-4连接,第二线路C相电流电压测量单元的第二线路C相激励端子2_C_OUT-2与台架模型的第二线路C相端子2_C_IN-4连接。将第一线路A相电流电压测量单元的第一线路A相电流采集输出端子1_A_i_OUT-2和第一线路A相电流电压测量单元的第一线路A相电压采集输出端子1_A_u_OUT-2分别接入示波器并观察信号的幅值与相位,若第一线路A相电流电压测量单元的第一线路A相电流采集输出端子1_A_i_OUT-2输出为750mV,则对应电流为150mA,若第一线路A相电流电压测量单元的第一线路A相电压采集输出端子1_A_u_OUT-2输出4V,则对应电压为4V。其余五相依此类推。第一线路A相电流电压测量单元的第一线路A相电流采集输出端子1_A_i_OUT-2和第一线路A相电流电压测量单元的第一线路A相电压采集输出端子1_A_u_OUT-2的输出也用作有功无功测量单元的输入。
2、有功无功测量单元
该部分提供了测量有功、无功的方法。有功由电压与电流相乘获得,无功由电压超前移相90度与电流相乘获得。
如图1所示,表述了有功无功测量单元的工作原理。
第一线路A相有功无功测量单元的第一运算放大器U1-3和第二运算放大器U2-3是高速运算放大器,用于电压信号的整理、移相与放大。第一线路A相有功无功测量单元的第一乘法器U3-3和第二乘法器U4-3是高速模拟乘法器芯片,用于信号相乘获得有功、无功信号。
有功信号获取,有功信号由特别制备过的电压信号与电流信号通过模拟乘法器相乘后获得。有功信号的电压信号制备过程是,首先第一线路A相有功无功测量单元的第一运算放大器U1-3旁边的电阻R1_3-3和电阻R1_4-3将电压信号衰减10倍,幅值降低到原始电压信号的1/10并保持相位不变,电阻R1_1-3和电阻R1_2-3控制第一线路A相有功无功测量单元的第一运算放大器U1-3的放大倍数,采用两倍的放大倍数,第一线路A相有功无功测量单元的第一运算放大器U1-3的输出端获得与原始电压信号1/5幅值并保持相位不变的电压信号。制备好的电压信号与电流信号通过第一线路A相有功无功测量单元的第一乘法器U3-3乘法器相乘,获得有功信号,经过第一线路A相有功无功测量单元的有功输出端子1_A_P_OUT-3输出。
无功信号获取,无功信号由特别制备的无功电压信号与电流信号通过模拟乘法器相乘后获得。无功信号的电压信号制备过程是,首先第一线路A相有功无功测量单元的第二运算放大器U2-3旁边的电阻R2_3-3和电容C2_1-3将电压信号衰减10倍,并使信号的相位向前移动90度,电阻R2_1-3和电阻R2_2-3控制第一线路A相有功无功测量单元的第二运算放大器U2-3的放大倍数,采用两倍的放大倍数,第一线路A相有功无功测量单元的第二运算放大器U2-3的输出端获得与原始电压信号1/5幅值并相位超前90度的电压信号,就是无功电压信号。制备好的无功电压信号与电流信号通过第一线路A相有功无功测量单元的第二乘法器U4-3相乘,获得无功信号,经过第一线路A相有功无功测量单元的无功输出端子1_A_Q_OUT-3输出。
在第一线路A相有功无功测量单元的有功输出端子1_A_P_OUT-3将获得第一线路A相的有功测量值,在第一线路A相有功无功测量单元的无功输出端子1_A_Q_OUT-3将获得第一线路A相的无功测量值。
台架模型根据电磁规律,依照频率升高波长变短的原理,以1:100000比例制作,仿真电网输电线的运行规律。由信号源产出的5MHz三相高频信号经过测量仪表加载在台架模型上,台架模型的电磁规律通过电流电压的幅值与相位反映出来,这些特征最终被测量仪表捕捉,完成对电网输电线运行规律的模拟研究。
控制器为STM32单片机,控制信号频率、幅值、相位,控制测量仪表工作模式,收集仪表所获得的电流、电压的相位、幅值等信息。控制器从计算机获得指令向信号源发送信号的频率、幅值、相位命令,分别控制信号源的A相输出、B相输出、C相输出,使信号源产生5MHz三相高频正弦信号。从测量仪表收集以下信息:第一线路A相电流、电压的幅值和相位、有功和无功,第一线路B相电流、电压的幅值和相位、有功和无功,第一线路C相电流、电压的幅值和相位、有功和无功,第二线路A相电流、电压的幅值和相位、有功和无功,第二线路B相电流、电压的幅值和相位、有功和无功,第二线路C相电流、电压的幅值和相位、有功和无功。并将这些信息传送给计算机。
计算机是该系统的控制中心,通过串口、网线等与控制器交换信息,实现整体的数据采集与控制。计算机向控制器发送信号的频率、幅值、相位指令,经控制器翻译成信号源指令后控制其产生5MHz三相高频正弦信号。计算机接收控制器发来的电流、电压幅值和相位信号,以及有功无功信号,将这些信号综合分析,完成全部仿真功能。
该系统保密运行一段时间后,技术人员反馈如下:
信号源:
1、信号源在AD9959这种四路DDS之后增加电压放大和电流放大环节,提高输出信号的电压幅值与功率,以抵消台架模型的损耗。
2、信号源由三路主信号加一路参考信号构成。
3、三路主信号的频率、幅值、相位独立可调。
4、三路主信号一般按照三相正弦交流电的模式设置成同频率、幅值相等的正弦波信号,A、B、C相的相位分别滞后120度的状态。
5、三路主信号还能设置成负序的三相正弦交流电模式,具体方法是设置成同频率、幅值相等的正弦信号,A、C、B相的相位分别滞后120度的状态。
6、三路主信号还能设置成零序的三相正弦交流电模式,具体方法是设置成同频率、幅值相等的正弦信号,A、B、C相的相位完全相同。
7、三路主信号还能设置成同时含有正序、负序、零序的三相正弦交流电模式,在这种模式下,具体方式是设置成同频率,但A、B、C相的幅值不再相同,各相的相位也不再是120度状态。
8、参考信号用法是,设置频率与主信号相同,幅值为主信号的0.01至0.5倍,相位按一定的规律从0度至360度扫描。
用于测量电流的装置:
1、为了尽量减少采样电阻回路内电感的影响,在电路布线时采样电阻尽量靠近差分运算放大器的输入端,使采样电阻、电阻引线、线路板引线、差分放大器引线之间围成的面积尽可能小,同时采样电阻、差分运算放大器均采样小型贴片封装的元件。
2、采样电阻阻值选取综合考虑了采样灵敏度和对仿真实验插入的误差尽可能小两方面的因素。阻值大则采样灵敏度高,但插入误差大影响仿真结果可信度。阻值小则采样灵敏度低,虽然插入误差小,但灵敏度太低杂波干扰升高,也不容易取得可信的结果。
3、选择高速差分运算放大器,配合采样电阻获得电流测量,高速差分运算放大器的放大倍数太高会影响幅值与相位的放大精度,放大倍数是1至10倍,典型值是1倍。
用于测量有功无功的装置:
1、采用有源的衰减器调理电压信号,有源衰减器可以隔离信号,使测量装置的输入电阻增加,减少测量装置对台架模型的干扰。
2、测量装置的有源衰减器的衰减倍数是首先衰减10倍,高速运算放大器放大2倍,总衰减5倍。
3、测量无功的有源衰减器由电阻和电容构成,可形成5倍的幅值衰减和超前90度的相位移相。
4、采用高速模拟乘法器,将电流测量与有源衰减器输出的电压测量相乘,获得有功或无功测量,具有体积小,投入器件少、成本低,精度满足要求的特点。对比采用高速AD采样的常规方案,体积约减少80%,器件数量约减少70%,成本约减少90%。
5、测量有功无功的装置是两个独立的部件,可以分别独立工作。由于缩微仿真实验一般需要同时测量有功和无功,为了减少繁复,将两个装置集成在一起设计。
6、测量用功的有源衰减器的电阻网络采样9比1设计,且电阻阻值要适中,太大在电阻内部噪声还有电感因素升高,会引入干扰,太小不能起到隔离信号源作用。
7、测量无功的有源衰减前的阻容衰减移相网络采样10比1设计。

Claims (10)

1.一种用于测量电功率的装置,其特征在于:包括用于测量有功的放大器、第一至第四电阻和乘法器,所述用于测量有功的放大器的正相输入端连接至用于测量有功的第三电阻,用于测量有功的放大器的正相输入端经过用于测量有功的第四电阻连接至地,用于测量有功的放大器的反相输入端经过用于测量有功的第一电阻连接至地,用于测量有功的第二电阻连接在用于测量有功的放大器的反相输入端与输出端之间,用于测量有功的放大器的输出端与用于测量有功的乘法器的第二输入端连接,所述用于测量有功的放大器、第一至第四电阻和乘法器形成有功测量单元;有功测量单元用于获得台架模型上的模拟信号,进而获得50Hz频率下输电线的工作特性规律,该模拟信号由频率范围为0.5MHz~50MHz的信号源加载在台架模型上后获得,模拟信号包括电流和电压的幅值以及相位。
2.根据权利要求1所述的一种用于测量电功率的装置,其特征在于:所述用于测量有功的放大器的正相输入端经过用于测量有功的第三电阻连接至待测电压端,所述用于测量有功的乘法器的第一输入端连接至待测电流端;用于测量有功的放大器为运算放大器,用于测量有功的乘法器为模拟乘法器,用于测量有功的第一电阻为阻值范围为0.5千欧姆~10千欧姆的电阻,用于测量有功的第二电阻为阻值范围为0.5千欧姆~10千欧姆的电阻,用于测量有功的第三电阻为阻值范围为1千欧姆~50千欧姆的电阻,用于测量有功的第四电阻为阻值范围为0.1千欧姆~5千欧姆的电阻。
3.根据权利要求2所述的一种用于测量电功率的装置,其特征在于:用于测量有功的第一电阻为阻值1千欧姆的电阻,用于测量有功的第二电阻为阻值1千欧姆的电阻,用于测量有功的第三电阻为阻值9千欧姆的电阻,用于测量有功的第四电阻为阻值1千欧姆的电阻。
4.根据权利要求1所述的一种用于测量电功率的装置,其特征在于:还包括用于测量无功的放大器、第一至第三电阻、电容和乘法器,所述用于测量无功的放大器的正相输入端连接至用于测量无功的第三电阻,用于测量无功的放大器的正相输入端经过用于测量无功的电容连接至地,用于测量无功的放大器的反相输入端经过用于测量无功的第一电阻连接至地,用于测量无功的第二电阻连接在用于测量无功的放大器的反相输入端与输出端之间,用于测量无功的放大器的输出端与用于测量无功的乘法器的第二输入端连接,所述用于测量无功的放大器、第一至第三电阻、电容和乘法器形成无功测量单元。
5.一种用于测量电功率的装置,其特征在于:包括用于测量无功的放大器、第一至第三电阻、电容和乘法器,所述用于测量无功的放大器的正相输入端连接至用于测量无功的第三电阻,用于测量无功的放大器的正相输入端经过用于测量无功的电容连接至地,用于测量无功的放大器的反相输入端经过用于测量无功的第一电阻连接至地,用于测量无功的第二电阻连接在用于测量无功的放大器的反相输入端与输出端之间,用于测量无功的放大器的输出端与用于测量无功的乘法器的第二输入端连接,所述用于测量无功的放大器、第一至第三电阻、电容和乘法器形成无功测量单元;无功测量单元用于获得台架模型上的模拟信号,进而获得50Hz频率下输电线的工作特性规律,该模拟信号由频率范围为0.5MHz~50MHz的信号源加载在台架模型上后获得,模拟信号包括电流和电压的幅值以及相位。
6.一种用于测量电功率的装置,其特征在于:包括电流电压测量单元和有功无功测量单元,所述有功无功测量单元包括有功测量单元和无功测量单元,所述电流电压测量单元的输出端分别与有功测量单元的输入端和无功测量单元的输入端连接;所述无功测量单元包括用于测量无功的放大器、第一至第三电阻、电容和乘法器,所述用于测量无功的放大器的正相输入端连接至用于测量无功的第三电阻,用于测量无功的放大器的正相输入端经过用于测量无功的电容连接至地,用于测量无功的放大器的反相输入端经过用于测量无功的第一电阻连接至地,用于测量无功的第二电阻连接在用于测量无功的放大器的反相输入端与输出端之间,用于测量无功的放大器的输出端与用于测量无功的乘法器的第二输入端连接;有功测量单元和无功测量单元均用于获得台架模型上的模拟信号,进而获得50Hz频率下输电线的工作特性规律,该模拟信号由频率范围为0.5MHz~50MHz的信号源加载在台架模型上后获得,模拟信号包括电流和电压的幅值以及相位。
7.根据权利要求6所述的一种用于测量电功率的装置,其特征在于:所述电流电压测量单元包括用于测量电流电压的第一电压放大器、第二电压放大器和电流采样电阻,所述用于测量电流电压的第一电压放大器的正相输入端与信号源的输出端连接,用于测量电流电压的第一电压放大器的反相输入端与用于测量电流电压的第二电压放大器的正相输入端连接,用于测量电流电压的第二电压放大器的反相输入端接地,用于测量电流电压的电流采样电阻连接在用于测量电流电压的第一电压放大器的正相输入端与反相输入端之间,所述用于测量电流电压的第一电压放大器的输出端为电流输出端分别与有功测量单元的电流输入端和无功测量单元的电流输入端连接,所述用于测量电流电压的第二电压放大器的输出端为电压输出端分别与有功测量单元的电压输入端和无功测量单元的电压输入端连接。
8.根据权利要求4、5或6所述的一种用于测量电功率的装置,其特征在于:所述用于测量无功的放大器的正相输入端经过用于测量无功的第三电阻连接至待测电压端,所述用于测量无功的乘法器的第一输入端连接至待测电流端;用于测量无功的放大器为运算放大器,用于测量无功的乘法器为模拟乘法器,用于测量无功的第一电阻为阻值范围为0.5千欧姆至10千欧姆的电阻,用于测量无功的第二电阻为阻值范围为0.5千欧姆至10千欧姆的电阻,用于测量无功的第三电阻为阻值范围为1千欧姆至50千欧姆的电阻,用于测量无功的电容为容值范围为20皮法至200皮法的电容。
9.根据权利要求8所述的一种用于测量电功率的装置,其特征在于:用于测量无功的第一电阻为阻值1千欧姆的电阻,用于测量无功的第二电阻为阻值1千欧姆的电阻,用于测量无功的第三电阻为阻值3千欧姆的电阻,用于测量无功的电容为容值100皮法的电容。
10.根据权利要求7所述的一种用于测量电功率的装置,其特征在于:所述用于测量电流电压的第一电压放大器和第二电压放大器均为差分运算放大器,用于测量电流电压的电流采样电阻为阻值范围为1欧姆~20欧姆的电阻。
CN202011184057.3A 2020-10-29 2020-10-29 一种用于测量电功率的装置 Expired - Fee Related CN112051443B (zh)

Priority Applications (1)

Application Number Priority Date Filing Date Title
CN202011184057.3A CN112051443B (zh) 2020-10-29 2020-10-29 一种用于测量电功率的装置

Applications Claiming Priority (1)

Application Number Priority Date Filing Date Title
CN202011184057.3A CN112051443B (zh) 2020-10-29 2020-10-29 一种用于测量电功率的装置

Publications (2)

Publication Number Publication Date
CN112051443A CN112051443A (zh) 2020-12-08
CN112051443B true CN112051443B (zh) 2023-05-30

Family

ID=73606422

Family Applications (1)

Application Number Title Priority Date Filing Date
CN202011184057.3A Expired - Fee Related CN112051443B (zh) 2020-10-29 2020-10-29 一种用于测量电功率的装置

Country Status (1)

Country Link
CN (1) CN112051443B (zh)

Citations (10)

* Cited by examiner, † Cited by third party
Publication number Priority date Publication date Assignee Title
GB2031166A (en) * 1978-09-08 1980-04-16 Cgs Apparecch An indicating instrument for measuring electric power, comprising a static measurement converter
EP0044528A1 (fr) * 1980-07-22 1982-01-27 CGEE ALSTHOM Société anonyme dite: Dispositif de mesure de la puissance réactive monophasée d'un réseau électrique
US4454471A (en) * 1980-11-17 1984-06-12 Siemens Aktiengesellschaft Electronic arrangement for determination of reactive power
DE4115418A1 (de) * 1990-05-15 1991-11-21 Elin Energieversorgung Schaltungsanordnung zur messung elektrischer leistung
CN1453591A (zh) * 2002-04-27 2003-11-05 北京中星微电子有限公司 功率计量的一种简单乘法计算电路
CN200979564Y (zh) * 2006-12-04 2007-11-21 常浩 便携式电表
CN105021883A (zh) * 2015-06-15 2015-11-04 南京普朗医疗设备有限公司 一种功率因数测量装置
EP2993812A1 (en) * 2014-09-04 2016-03-09 MediaTek, Inc Power detector and associated method for eliminating the difference of i-v phase difference between transmission path and detection path
CN106324336A (zh) * 2015-06-30 2017-01-11 展讯通信(上海)有限公司 一种功率检测电路、功率放大器模块及功率校准电路
CN111751612A (zh) * 2020-07-31 2020-10-09 福建工程学院 一种高频功率测量装置与方法

Family Cites Families (7)

* Cited by examiner, † Cited by third party
Publication number Priority date Publication date Assignee Title
CN2703260Y (zh) * 2003-12-31 2005-06-01 上海贝岭股份有限公司 实现九十度移相的无功功率测量电路
CN101995514A (zh) * 2009-08-27 2011-03-30 北京兴中芯电子科技有限公司 一种无功功率的测量装置及方法
CN203133161U (zh) * 2012-12-28 2013-08-14 深圳Tcl新技术有限公司 灯条功率测量装置
CN104122438B (zh) * 2014-08-20 2016-08-03 高玉琴 一种无功功率测量电路
CN109581032B (zh) * 2018-12-17 2024-05-07 浙江大维高新技术股份有限公司 一种高压脉冲测量电路
CN209419207U (zh) * 2019-03-14 2019-09-20 青岛贝斯克电子有限公司 直流电源功率输出限定保护电路
CN111722008B (zh) * 2020-06-29 2023-02-21 国网山东省电力公司营销服务中心(计量中心) 基于模拟乘法器原理的三相交流充电桩测试方法、装置及设备

Patent Citations (11)

* Cited by examiner, † Cited by third party
Publication number Priority date Publication date Assignee Title
GB2031166A (en) * 1978-09-08 1980-04-16 Cgs Apparecch An indicating instrument for measuring electric power, comprising a static measurement converter
EP0044528A1 (fr) * 1980-07-22 1982-01-27 CGEE ALSTHOM Société anonyme dite: Dispositif de mesure de la puissance réactive monophasée d'un réseau électrique
ES8206042A1 (es) * 1980-07-22 1982-06-16 Alsthom Cgee Dispositivo de medida de la potencia reactiva monofasica de una red electrica
US4454471A (en) * 1980-11-17 1984-06-12 Siemens Aktiengesellschaft Electronic arrangement for determination of reactive power
DE4115418A1 (de) * 1990-05-15 1991-11-21 Elin Energieversorgung Schaltungsanordnung zur messung elektrischer leistung
CN1453591A (zh) * 2002-04-27 2003-11-05 北京中星微电子有限公司 功率计量的一种简单乘法计算电路
CN200979564Y (zh) * 2006-12-04 2007-11-21 常浩 便携式电表
EP2993812A1 (en) * 2014-09-04 2016-03-09 MediaTek, Inc Power detector and associated method for eliminating the difference of i-v phase difference between transmission path and detection path
CN105021883A (zh) * 2015-06-15 2015-11-04 南京普朗医疗设备有限公司 一种功率因数测量装置
CN106324336A (zh) * 2015-06-30 2017-01-11 展讯通信(上海)有限公司 一种功率检测电路、功率放大器模块及功率校准电路
CN111751612A (zh) * 2020-07-31 2020-10-09 福建工程学院 一种高频功率测量装置与方法

Also Published As

Publication number Publication date
CN112051443A (zh) 2020-12-08

Similar Documents

Publication Publication Date Title
Yildirim et al. FPGA-based online power quality monitoring system for electrical distribution network
Dell'Aquila et al. New power-quality assessment criteria for supply systems under unbalanced and nonsinusoidal conditions
CN105403810A (zh) 一种小电流接地系统选线装置通用测试系统及方法
Simić et al. Design and evaluation of computer-based electrical power quality signal generator
CN106526521A (zh) 一种容型设备在线监测装置校验系统
CN112051443B (zh) 一种用于测量电功率的装置
CN102323478A (zh) 灵活的广域电网谐波同步监测系统
CN112213553B (zh) 一种用于测量电流的装置
CN107204133B (zh) 一种自动教学及考核验收机器人
CN112098914B (zh) 一种基于实功率环境的计量用低压电流互感器运行质量测试系统及评价方法
CN102081150B (zh) 基于“虚拟复阻抗法”实现的工频线路参数测试仪检定装置及其检定方法
Gonzalez-Nakazawa et al. Transient processes and noise in a tomography system: An analytical case study
CN107219492B (zh) 中压电网电能计量高压一体化半物理仿真试验装置
CN112257371B (zh) 一种电网输电线路分析系统
Mitolo Simulation-based Labs for Circuit Analysis: Discovering Circuits with Multisim Live and Tinkercad
CN112213535A (zh) 一种信号源
CN111505376B (zh) 一种产生标准非线性失真度的装置及方法
CN117491768A (zh) 一种基于多能互补型能源路由器的电磁兼容测试平台
Aristoy et al. Measuring system for calibrating high voltage instrument transformers at distorted waveforms
CN113447717B (zh) 变流设备工频耦合阻抗和导纳模型的获取方法及测试平台
Ding et al. Research on dynamic parameter testing of 24-bit ADC based on V93000 test system
CN119902148B (zh) 一种电流互感器校验仪的谐波校准装置及方法
CN206563779U (zh) 容性设备智能综合标准试验装置
Gallo et al. A voltage transducer for electrical grid disturbance monitoring over a wide frequency range
CN201903638U (zh) 基于“虚拟复阻抗法”实现的工频线路参数测试仪检定装置

Legal Events

Date Code Title Description
PB01 Publication
PB01 Publication
SE01 Entry into force of request for substantive examination
SE01 Entry into force of request for substantive examination
GR01 Patent grant
GR01 Patent grant
CF01 Termination of patent right due to non-payment of annual fee

Granted publication date: 20230530

CF01 Termination of patent right due to non-payment of annual fee