CN111904221A - 一种具有称量功能的流利架 - Google Patents
一种具有称量功能的流利架 Download PDFInfo
- Publication number
- CN111904221A CN111904221A CN202010423632.4A CN202010423632A CN111904221A CN 111904221 A CN111904221 A CN 111904221A CN 202010423632 A CN202010423632 A CN 202010423632A CN 111904221 A CN111904221 A CN 111904221A
- Authority
- CN
- China
- Prior art keywords
- weighing
- division board
- stand
- fluent
- electric telescopic
- Prior art date
- Legal status (The legal status is an assumption and is not a legal conclusion. Google has not performed a legal analysis and makes no representation as to the accuracy of the status listed.)
- Pending
Links
- 238000005303 weighing Methods 0.000 title claims abstract description 54
- 230000007246 mechanism Effects 0.000 claims abstract description 57
- 230000000903 blocking effect Effects 0.000 claims abstract description 9
- 230000000694 effects Effects 0.000 claims description 6
- 238000003466 welding Methods 0.000 claims 1
- 238000005192 partition Methods 0.000 abstract description 47
- 238000000034 method Methods 0.000 abstract description 6
- 230000008569 process Effects 0.000 abstract description 6
- 230000009471 action Effects 0.000 description 6
- 230000003028 elevating effect Effects 0.000 description 6
- 230000005484 gravity Effects 0.000 description 3
- 238000007373 indentation Methods 0.000 description 3
- 238000010586 diagram Methods 0.000 description 2
- 230000004075 alteration Effects 0.000 description 1
- 230000009286 beneficial effect Effects 0.000 description 1
- 230000004048 modification Effects 0.000 description 1
- 238000012986 modification Methods 0.000 description 1
- 238000006467 substitution reaction Methods 0.000 description 1
Images
Classifications
-
- A—HUMAN NECESSITIES
- A47—FURNITURE; DOMESTIC ARTICLES OR APPLIANCES; COFFEE MILLS; SPICE MILLS; SUCTION CLEANERS IN GENERAL
- A47F—SPECIAL FURNITURE, FITTINGS, OR ACCESSORIES FOR SHOPS, STOREHOUSES, BARS, RESTAURANTS OR THE LIKE; PAYING COUNTERS
- A47F5/00—Show stands, hangers, or shelves characterised by their constructional features
- A47F5/0018—Display racks with shelves or receptables
-
- A—HUMAN NECESSITIES
- A47—FURNITURE; DOMESTIC ARTICLES OR APPLIANCES; COFFEE MILLS; SPICE MILLS; SUCTION CLEANERS IN GENERAL
- A47F—SPECIAL FURNITURE, FITTINGS, OR ACCESSORIES FOR SHOPS, STOREHOUSES, BARS, RESTAURANTS OR THE LIKE; PAYING COUNTERS
- A47F5/00—Show stands, hangers, or shelves characterised by their constructional features
- A47F5/10—Adjustable or foldable or dismountable display stands
Landscapes
- Handcart (AREA)
Abstract
本发明公开了一种具有称量功能的流利架,所述具有称量功能的流利架包括货架机构、升降机构、称量机构和阻挡机构,所述货架机构一端固定安装有升降机构,所述货架机构内腔一端固定设置有称量机构,所述称量机构一侧固定安装有阻挡机构所述货架机构由一号立柱、二号立柱、分隔板、护栏和万向轮组成,所述分隔板共设置有三组,且分隔板一端均通过转动与一号立柱活动相连。本发明在使用过程中,可根据使用需求对货架的坡度进行调节,从而可在对商品进行摆放或挪动时,更加的便捷和省力,且在对商品进行储放的过程中,可进行称重,使用更加的便捷。
Description
技术领域
本发明涉及货架设备技术领域,具体为一种具有称量功能的流利架。
背景技术
流利架是流利式货架的简称,是在使用过程中逐渐形成的一种叫法。流利架最大的特点就是安装有流利条,同时货架呈现一定的坡度,使货物在下滑过程中能够利用货物的自重,提高工作效率。
但是,现有的流利架在使用过程中存在以下缺点:
现有的流利架在使用过程货架的坡度无法进行调节,从而在摆放或挪动商品时,需要施加更大的推力,且无法对商品的重量进行称量,使用非常的不方便。
发明内容
本发明的目的在于提供一种具有称量功能的流利架,以解决上述背景技术中现有的流利架在使用过程货架的坡度无法进行调节,从而在摆放或挪动商品时,需要施加更大的推力,且无法对商品的重量进行称量,使用非常的不方便的问题。
为实现上述目的,本发明提供如下技术方案:一种具有称量功能的流利架,所述具有称量功能的流利架包括货架机构、升降机构、称量机构和阻挡机构,所述货架机构一端固定安装有升降机构,所述货架机构内腔一端固定设置有称量机构,所述称量机构一侧固定安装有阻挡机构。
优选的,所述货架机构由一号立柱、二号立柱、分隔板、护栏和万向轮组成,所述分隔板共设置有三组,且分隔板一端均通过转动与一号立柱活动相连,所述分隔板另一端活动连接有二号立柱,且二号立柱高度高于一号立柱,所述分隔板侧壁均固定焊接有护栏,所述分隔板表面均固定安装有万向轮,且万向轮和分隔板组成流利条,一号立柱、二号立柱和分隔板之间相互配合,可方便使用者对商品进行摆放,且万向轮和分隔板组成流利条,从而可使对商品进行挪动时更加的省力,分隔板两端固定焊接有护栏,通过护栏可对商品进行阻挡,从而可有效避免商品从分隔板上滑落,使用更加的安全。
优选的,所述升降机构由电池组、电动伸缩杆、连架、引导轮和弧形引导槽组成,电池组、电动伸缩杆、连架、引导轮和弧形引导槽组成升降机构。
优选的,所述电池组固定安装在二号立柱一侧,所述电池组顶部固定安装有电动伸缩杆,且电动伸缩杆与电池组电性相连,所述电动伸缩杆顶部固定连接有连架,且连架一侧分别与分隔板另一端活动相连,所述一号立柱一侧表面均开设有弧形引导槽,所述分隔板另一端均活动连接有引导轮,且引导轮和弧形引导槽相互配合,通过电池组对电动伸缩杆进行供电,使电动伸缩杆进行收缩,分隔板一端引导轮可在弧形引导槽的引导作用下降落,从而使分隔板呈水平状态,且分隔板表面设置有万向轮,从而在挪动商品时更加的省力,商品摆放完成后,电动伸缩杆通过连架带动分隔板一端进行上升,从而使分隔板一端高于另一端,这样商品可在重量作用下滑向低处。
优选的,所述称量机构由托板、称重感应器和重量显示器组成,所述托板均固定镶嵌在分隔板一端表面,所述托板底部均固定安装有称重感应器,所述重量显示器固定安装在一号立柱一侧,且重量显示器和称重感应器电性相连,当商品放置到称量机构上时,通过托板和称重感应器相互配合,可对商品进称量,商品的重量可在重量显示器上进行显示,使用更加的便捷,且分隔板此时处在水平状态,可有效提升对商品称量的准确性,使用更加的便捷。
优选的,所述阻挡机构由凹槽、支撑弹簧和挡板组成,所述凹槽固定均开设在分隔板一端,所述凹槽内腔均固定设置有支撑弹簧,所述支撑弹簧顶部均固定连接有挡板,通过阻挡机构进行商品进行阻挡,当商品需要取出时,对挡板进行下压,使挡板缩进凹槽内腔,从而使商品在重力作用下滑出,商品取出后,挡板在支撑弹簧的支撑作用下升起,从而对下个商品进行阻挡,使用更加的便捷。
本发明提供了一种具有称量功能的流利架,具备以下有益效果:
(1)、本发明通过电池组对电动伸缩杆进行供电,使电动伸缩杆进行收缩,分隔板一端引导轮可在弧形引导槽的引导作用下降落,从而使分隔板呈水平状态,且分隔板表面设置有万向轮,从而在挪动商品时更加的省力,电动伸缩杆通过连架带动分隔板一端进行上升,从而使分隔板一端高于另一端,这样商品可在重量作用下滑向低处,通过对分隔板的倾斜角度进行调节,从而可使对商品的摆放和拿取更加的便捷和省力。
(2)、本发明当商品放置到称量机构上时,通过托板和称重感应器相互配合,可对商品进称量,商品的重量可在重量显示器上进行显示,使用更加的便捷,且分隔板此时处在水平状态,可有效提升对商品称量的准确性,使用更加的便捷。
附图说明
图1为本发明的整体结构示意图;
图2为本发明的二号立柱结构示意图;
图3为本发明的分隔板结构示意图;
图4为本发明的称量机构结构示意图。
图中:1、货架机构;101、一号立柱;102、二号立柱;103、分隔板;104、护栏;105、万向轮;2、升降机构;201、电池组;202、电动伸缩杆;203、连架;204、引导轮;205、弧形引导槽;3、称量机构;301、托板;302、称重感应器;303、重量显示器;4、阻挡机构;401、凹槽;402、支撑弹簧;403、挡板。
具体实施方式
下面将结合本发明实施例中的附图,对本发明实施例中的技术方案进行清楚、完整地描述。
如图1-4所示,本发明提供一种技术方案:一种具有称量功能的流利架,所述具有称量功能的流利架包括货架机构1、升降机构2、称量机构3和阻挡机构4,所述货架机构1一端固定安装有升降机构2,所述货架机构1内腔一端固定设置有称量机构3,所述称量机构3一侧固定安装有阻挡机构4。
所述货架机构1由一号立柱101、二号立柱102、分隔板103、护栏104和万向轮105组成,所述分隔板103共设置有三组,且分隔板103一端均通过转动与一号立柱101活动相连,所述分隔板103另一端活动连接有二号立柱102,且二号立柱102高度高于一号立柱101,所述分隔板103侧壁均固定焊接有护栏104,所述分隔板103表面均固定安装有万向轮105,且万向轮105和分隔板103组成流利条,一号立柱101、二号立柱102和分隔板103之间相互配合,可方便使用者对商品进行摆放,且万向轮105和分隔板103组成流利条,从而可使对商品进行挪动时更加的省力,分隔板103两端固定焊接有护栏104,通过护栏104可对商品进行阻挡,从而可有效避免商品从分隔板103上滑落,使用更加的安全。
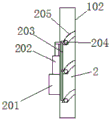
所述升降机构2由电池组201、电动伸缩杆202、连架203、引导轮204和弧形引导槽205组成,电池组201、电动伸缩杆202、连架203、引导轮204和弧形引导槽205组成升降机构2。
所述电池组201固定安装在二号立柱102一侧,所述电池组201顶部固定安装有电动伸缩杆202,且电动伸缩杆202与电池组201电性相连,所述电动伸缩杆202顶部固定连接有连架203,且连架203一侧分别与分隔板103另一端活动相连,所述一号立柱101一侧表面均开设有弧形引导槽205,所述分隔板103另一端均活动连接有引导轮204,且引导轮204和弧形引导槽205相互配合,通过电池组201对电动伸缩杆202进行供电,使电动伸缩杆202进行收缩,分隔板103一端引导轮204可在弧形引导槽205的引导作用下降落,从而使分隔板呈水平状态,且分隔板103表面设置有万向轮105,从而在挪动商品时更加的省力,商品摆放完成后,电动伸缩杆202通过连架203带动分隔板103一端进行上升,从而使分隔板103一端高于另一端,这样商品可在重量作用下滑向低处。
所述称量机构3由托板301、称重感应器302和重量显示器303组成,所述托板301均固定镶嵌在分隔板103一端表面,所述托板301底部均固定安装有称重感应器302,所述重量显示器303固定安装在一号立柱101一侧,且重量显示器303和称重感应器302电性相连,当商品放置到称量机构3上时,通过托板301和称重感应器302相互配合,可对商品进称量,商品的重量可在重量显示器303上进行显示,使用更加的便捷,且分隔板103此时处在水平状态,可有效提升对商品称量的准确性,使用更加的便捷。
所述阻挡机构4由凹槽401、支撑弹簧402和挡板403组成,所述凹槽401固定均开设在分隔板103一端,所述凹槽401内腔均固定设置有支撑弹簧402,所述支撑弹簧402顶部均固定连接有挡板403,通过阻挡机构4进行商品进行阻挡,当商品需要取出时,对挡板403进行下压,使挡板403缩进凹槽401内腔,从而使商品在重力作用下滑出,商品取出后,挡板403在支撑弹簧402的支撑作用下升起,从而对下个商品进行阻挡,使用更加的便捷。
需要说明的是,一种具有称量功能的流利架,在工作时,一号立柱101、二号立柱102和分隔板103之间相互配合,可方便使用者对商品进行摆放,其中货架机构1一端固定安装有升降机构2,通过电池组201对电动伸缩杆202进行供电,使电动伸缩杆202进行收缩,分隔板103一端引导轮204可在弧形引导槽205的引导作用下降落,从而使分隔板呈水平状态,且分隔板103表面设置有万向轮105,从而在挪动商品时更加的省力,同时分隔板103一端均镶嵌有称量机构3,当商品放置到称量机构3上时,通过托板301和称重感应器302相互配合,可对商品进称量,商品的重量可在重量显示器303上进行显示,使用更加的便捷,且分隔板103此时处在水平状态,可有效提升对商品称量的准确性,使用更加的便捷,分隔板103两侧均焊接有护栏104,通过护栏104可对商品进行阻挡,避免商品在分隔板103上滑落,使用更加的安全,商品摆放完成后,电动伸缩杆202通过连架203带动分隔板103一端进行上升,从而使分隔板103一端高于另一端,这样商品可在重量作用下滑向低处,并通过阻挡机构4进行商品进行阻挡,当商品需要取出时,对挡板403进行下压,使挡板403缩进凹槽401内腔,从而使商品在重力作用下滑出,商品取出后,挡板403在支撑弹簧402的支撑作用下升起,从而对下个商品进行阻挡,使用更加的便捷。
PXTL-30型的电动伸缩杆202和KG3T5T型的称重感应器302采用现有成熟技术产品,在此不再进行详细的阐述。
尽管已经示出和描述了本发明的实施例,对于本领域的普通技术人员而言,可以理解在不脱离本发明的原理和精神的情况下可以对这些实施例进行多种变化、修改、替换和变型,本发明的范围由所附权利要求及其等同物限定。
Claims (6)
1.一种具有称量功能的流利架,其特征在于:所述具有称量功能的流利架包括货架机构(1)、升降机构(2)、称量机构(3)和阻挡机构(4),所述货架机构(1)一端固定安装有升降机构(2),所述货架机构(1)内腔一端固定设置有称量机构(3),所述称量机构(3)一侧固定安装有阻挡机构(4)。
2.根据权利要求1所述的一种具有称量功能的流利架,其特征在于:所述货架机构(1)由一号立柱(101)、二号立柱(102)、分隔板(103)、护栏(104)和万向轮(105)组成,所述分隔板(103)共设置有三组,且分隔板(103)一端均通过转动与一号立柱(101)活动相连,所述分隔板(103)另一端活动连接有二号立柱(102),且二号立柱(102)高度高于一号立柱(101),所述分隔板(103)侧壁均固定焊接有护栏(104),所述分隔板(103)表面均固定安装有万向轮(105),且万向轮(105)和分隔板(103)组成流利条。
3.根据权利要求1所述的一种具有称量功能的流利架,其特征在于:所述升降机构(2)由电池组(201)、电动伸缩杆(202)、连架(203)、引导轮(204)和弧形引导槽(205)组成。
4.根据权利要求3所述的一种具有称量功能的流利架,其特征在于:所述电池组(201)固定安装在二号立柱(102)一侧,所述电池组(201)顶部固定安装有电动伸缩杆(202),且电动伸缩杆(202)与电池组(201)电性相连,所述电动伸缩杆(202)顶部固定连接有连架(203),且连架(203)一侧分别与分隔板(103)另一端活动相连,所述一号立柱(101)一侧表面均开设有弧形引导槽(205),所述分隔板(103)另一端均活动连接有引导轮(204),且引导轮(204)和弧形引导槽(205)相互配合。
5.根据权利要求1所述的一种具有称量功能的流利架,其特征在于:所述称量机构(3)由托板(301)、称重感应器(302)和重量显示器(303)组成,所述托板(301)均固定镶嵌在分隔板(103)一端表面,所述托板(301)底部均固定安装有称重感应器(302),所述重量显示器(303)固定安装在一号立柱(101)一侧,且重量显示器(303)和称重感应器(302)电性相连。
6.根据权利要求1所述的一种具有称量功能的流利架,其特征在于:所述阻挡机构(4)由凹槽(401)、支撑弹簧(402)和挡板(403)组成,所述凹槽(401)固定均开设在分隔板(103)一端,所述凹槽(401)内腔均固定设置有支撑弹簧(402),所述支撑弹簧(402)顶部均固定连接有挡板(403)。
Priority Applications (1)
| Application Number | Priority Date | Filing Date | Title |
|---|---|---|---|
| CN202010423632.4A CN111904221A (zh) | 2020-05-18 | 2020-05-18 | 一种具有称量功能的流利架 |
Applications Claiming Priority (1)
| Application Number | Priority Date | Filing Date | Title |
|---|---|---|---|
| CN202010423632.4A CN111904221A (zh) | 2020-05-18 | 2020-05-18 | 一种具有称量功能的流利架 |
Publications (1)
| Publication Number | Publication Date |
|---|---|
| CN111904221A true CN111904221A (zh) | 2020-11-10 |
Family
ID=73237442
Family Applications (1)
| Application Number | Title | Priority Date | Filing Date |
|---|---|---|---|
| CN202010423632.4A Pending CN111904221A (zh) | 2020-05-18 | 2020-05-18 | 一种具有称量功能的流利架 |
Country Status (1)
| Country | Link |
|---|---|
| CN (1) | CN111904221A (zh) |
Cited By (1)
| Publication number | Priority date | Publication date | Assignee | Title |
|---|---|---|---|---|
| CN114789869A (zh) * | 2022-04-28 | 2022-07-26 | 江苏经贸职业技术学院 | 一种冷鲜仓储用机械升降式储存平台 |
Citations (11)
| Publication number | Priority date | Publication date | Assignee | Title |
|---|---|---|---|---|
| GB400455A (en) * | 1933-01-05 | 1933-10-26 | Toyoharu Teraoka | Automatic balances or weighing machines |
| AU2004222833A1 (en) * | 2003-10-23 | 2005-05-19 | Sanden Corporation | Shelf structure of showcase |
| JP3118413U (ja) * | 2005-11-08 | 2006-01-26 | 河淳株式会社 | 商品陳列棚 |
| CN105118158A (zh) * | 2015-09-16 | 2015-12-02 | 丁峰 | 一种生鲜自提机 |
| CN107224155A (zh) * | 2017-07-12 | 2017-10-03 | 杨智勇 | 一种智能货架 |
| CN207640026U (zh) * | 2017-06-28 | 2018-07-24 | 新疆岐峰农副产品交易市场(有限公司) | 一种具有称重功能的货架 |
| CN108722887A (zh) * | 2018-06-22 | 2018-11-02 | 武汉泛征科技有限公司 | 一种全品规条烟分拣机 |
| CN208547997U (zh) * | 2018-08-02 | 2019-02-26 | 天津雷云峰科技有限公司 | 一种售货机升降梯称重结构 |
| CN109602220A (zh) * | 2018-11-27 | 2019-04-12 | 珠海广通汽车有限公司邯郸分公司 | 货架 |
| CN209691010U (zh) * | 2019-03-14 | 2019-11-26 | 湖南中谷科技股份有限公司 | 一种自动售货机称重式出货机构和自动售货机 |
| CN209947012U (zh) * | 2019-03-29 | 2020-01-14 | 济南洋泰电子科技有限公司 | 一种自动售药机用带有称重功能的取货装置 |
-
2020
- 2020-05-18 CN CN202010423632.4A patent/CN111904221A/zh active Pending
Patent Citations (11)
| Publication number | Priority date | Publication date | Assignee | Title |
|---|---|---|---|---|
| GB400455A (en) * | 1933-01-05 | 1933-10-26 | Toyoharu Teraoka | Automatic balances or weighing machines |
| AU2004222833A1 (en) * | 2003-10-23 | 2005-05-19 | Sanden Corporation | Shelf structure of showcase |
| JP3118413U (ja) * | 2005-11-08 | 2006-01-26 | 河淳株式会社 | 商品陳列棚 |
| CN105118158A (zh) * | 2015-09-16 | 2015-12-02 | 丁峰 | 一种生鲜自提机 |
| CN207640026U (zh) * | 2017-06-28 | 2018-07-24 | 新疆岐峰农副产品交易市场(有限公司) | 一种具有称重功能的货架 |
| CN107224155A (zh) * | 2017-07-12 | 2017-10-03 | 杨智勇 | 一种智能货架 |
| CN108722887A (zh) * | 2018-06-22 | 2018-11-02 | 武汉泛征科技有限公司 | 一种全品规条烟分拣机 |
| CN208547997U (zh) * | 2018-08-02 | 2019-02-26 | 天津雷云峰科技有限公司 | 一种售货机升降梯称重结构 |
| CN109602220A (zh) * | 2018-11-27 | 2019-04-12 | 珠海广通汽车有限公司邯郸分公司 | 货架 |
| CN209691010U (zh) * | 2019-03-14 | 2019-11-26 | 湖南中谷科技股份有限公司 | 一种自动售货机称重式出货机构和自动售货机 |
| CN209947012U (zh) * | 2019-03-29 | 2020-01-14 | 济南洋泰电子科技有限公司 | 一种自动售药机用带有称重功能的取货装置 |
Cited By (1)
| Publication number | Priority date | Publication date | Assignee | Title |
|---|---|---|---|---|
| CN114789869A (zh) * | 2022-04-28 | 2022-07-26 | 江苏经贸职业技术学院 | 一种冷鲜仓储用机械升降式储存平台 |
Similar Documents
| Publication | Publication Date | Title |
|---|---|---|
| CN207472413U (zh) | 一种智能仓储用智能称重装置 | |
| CN111904221A (zh) | 一种具有称量功能的流利架 | |
| CN110840177A (zh) | 一种计算机配件销售用可调高度式货架 | |
| CN202980114U (zh) | 一种双液压系统烟叶称重打包机 | |
| CN218113867U (zh) | 一种托盘摆放架 | |
| CN210456137U (zh) | 一种仓储货架 | |
| CN216629021U (zh) | 一种保健科用多功能手推车 | |
| CN109084878A (zh) | 一种便于残疾人使用的可调式便捷轮椅称 | |
| CN213443688U (zh) | 一种智能仓储用立式货物架 | |
| CN215853223U (zh) | 一种数字化立体仓储搬运装置 | |
| CN220694898U (zh) | 五谷杂粮展示货架 | |
| CN209956706U (zh) | 一种易于存放的旧仓库货架 | |
| CN210913942U (zh) | 一种物流仓库的产品升降储物架 | |
| CN210064114U (zh) | 一种便于对货物进行固定的仓库用起落架 | |
| CN210863983U (zh) | 一种蓄电池容量浅放电检测装置 | |
| CN213355746U (zh) | 一种国际货物仓储多层立体货架装置 | |
| CN113800179A (zh) | 一种四足机器人及智能货架 | |
| CN114604551A (zh) | 一种基于高层物料仓储用存取设备及其控制方法 | |
| CN112456112A (zh) | 一种安全式低位储棒上棒装置 | |
| CN217867976U (zh) | 一种用于医院库房管理的升降车 | |
| CN214778417U (zh) | 一种存放量大的仓库货架 | |
| CN215484497U (zh) | 一种安全稳定的建筑施工架 | |
| CN220639892U (zh) | 餐盘转移装置 | |
| CN214667175U (zh) | 一种电子称重式挂面定量秤 | |
| CN213075194U (zh) | 一种网格展示架 |
Legal Events
| Date | Code | Title | Description |
|---|---|---|---|
| PB01 | Publication | ||
| PB01 | Publication | ||
| SE01 | Entry into force of request for substantive examination | ||
| SE01 | Entry into force of request for substantive examination | ||
| RJ01 | Rejection of invention patent application after publication |
Application publication date: 20201110 |
|
| RJ01 | Rejection of invention patent application after publication |