CN110006183B - 一种太阳能热水器集热管水垢清洗设备 - Google Patents

一种太阳能热水器集热管水垢清洗设备 Download PDF

Info

Publication number
CN110006183B
CN110006183B CN201910266208.0A CN201910266208A CN110006183B CN 110006183 B CN110006183 B CN 110006183B CN 201910266208 A CN201910266208 A CN 201910266208A CN 110006183 B CN110006183 B CN 110006183B
Authority
CN
China
Prior art keywords
pipe
heat collecting
groove
collecting tube
cleaning
Prior art date
Legal status (The legal status is an assumption and is not a legal conclusion. Google has not performed a legal analysis and makes no representation as to the accuracy of the status listed.)
Active
Application number
CN201910266208.0A
Other languages
English (en)
Other versions
CN110006183A (zh
Inventor
李颖
Current Assignee (The listed assignees may be inaccurate. Google has not performed a legal analysis and makes no representation or warranty as to the accuracy of the list.)
Xi'an Xinsheng Runda Industrial Co ltd
Original Assignee
Jiangsu Tianhong New Energy Technology Co ltd
Priority date (The priority date is an assumption and is not a legal conclusion. Google has not performed a legal analysis and makes no representation as to the accuracy of the date listed.)
Filing date
Publication date
Application filed by Jiangsu Tianhong New Energy Technology Co ltd filed Critical Jiangsu Tianhong New Energy Technology Co ltd
Priority to CN201910266208.0A priority Critical patent/CN110006183B/zh
Publication of CN110006183A publication Critical patent/CN110006183A/zh
Application granted granted Critical
Publication of CN110006183B publication Critical patent/CN110006183B/zh
Active legal-status Critical Current
Anticipated expiration legal-status Critical

Links

Images

Classifications

    • YGENERAL TAGGING OF NEW TECHNOLOGICAL DEVELOPMENTS; GENERAL TAGGING OF CROSS-SECTIONAL TECHNOLOGIES SPANNING OVER SEVERAL SECTIONS OF THE IPC; TECHNICAL SUBJECTS COVERED BY FORMER USPC CROSS-REFERENCE ART COLLECTIONS [XRACs] AND DIGESTS
    • Y02TECHNOLOGIES OR APPLICATIONS FOR MITIGATION OR ADAPTATION AGAINST CLIMATE CHANGE
    • Y02EREDUCTION OF GREENHOUSE GAS [GHG] EMISSIONS, RELATED TO ENERGY GENERATION, TRANSMISSION OR DISTRIBUTION
    • Y02E10/00Energy generation through renewable energy sources
    • Y02E10/40Solar thermal energy, e.g. solar towers

Landscapes

  • Cleaning In General (AREA)

Abstract

本发明公开了一种太阳能热水器集热管水垢清洗设备,包括底座、设于所述底座右侧的第一竖板、设于所述第一竖板顶部的支板、设于所述底座左侧的第二竖板、设于所述底座上的第一固定装置、设于所述支板上的通孔、设于所述通孔内的第二固定装置及用于对集热管内部进行清洗的第一清洁装置,所述第二固定装置包括设于通孔侧壁的第三凹槽、一端与所述第三凹槽相连的第三弹性件、与所述第三弹性件另一端相连的第二固定件及与所述第二固定件相配合的压紧组件。本发明在集热管清洗的过程中可对集热管进行稳定的固定,可对集热管进行有效的保护,有效避免集热管摔碎,同时可使得集热管与清洁装置形成紧密配合,可提高对集热管的清洗效果。

Description

一种太阳能热水器集热管水垢清洗设备
技术领域
本发明属于光伏发电设备技术领域,尤其是涉及一种太阳能热水器集热管水垢清洗设备。
背景技术
目前市场上的太阳能热水器在使用时间很长后,容易导致集热管内集聚水垢,水垢会影响水的加热效果,且影响水质,所以需要定期对集热管和水箱进行清洗,从而将水垢去除,传统方法是人工进行水垢清理,人工清理的方法不仅十分耗时,并且集热管内部较为狭长,清理难度大,容易残留水垢;另外在对集热管进行清理的过程中对集热管的固定效果较差,导致集热管发生晃动,不仅易导致集热管损坏,且影响对集热管的清洁效果;因此急需研发一种清洁效率高、清洗效果好,清洗过程中可对集热管进行稳定固定的,且适用于专业从事于集热管清理服务行业的人员使用的太阳能热水器集热管的清洁设备;
现有技术如公告号为CN108801040A的中国专利,该专利为一种太阳能集热管水垢清洗装置,包括支撑组件和清洗组件,支撑组件包括底座、电机、转轮、转筒、夹板、弹簧和T形杆,底座固定连接于电机,电机位于底座的上方,电机的输出轴传动连接于转轮;启动电机,此时集热管开始转动,毛刷对水垢进行清理,摇动摇把来控制毛刷的位置,从而对整个集热管的内部进行清理,相比较手工清洗的方法,新型的太阳能集热管水垢清洗装置能够通过机械化的手段进行水垢清洗,使用起来简单方便,但是,该专利对集热管清洗单纯通过毛刷对集热管进行清理,清理效果较差,另外在对集热管进行清理的过程中固定不稳定。
发明内容
本发明为了克服现有技术的不足,提供一种清洗效果好、且清洗过程中可对集热管进行稳定固定的太阳能热水器集热管清洗设备。
为了实现上述目的,本发明采用以下技术方案:一种太阳能热水器集热管水垢清洗设备,包括底座、设于所述底座右侧的第一竖板、设于所述第一竖板顶部的支板、设于所述底座左侧的第二竖板、设于所述底座上的第一固定装置、设于所述支板上的通孔、设于所述通孔内的第二固定装置及用于对集热管内部进行清洗的第一清洁装置,其特征在于:所述第二固定装置包括设于通孔侧壁的第三凹槽、一端与所述第三凹槽相连的第三弹性件、与所述第三弹性件另一端相连的第二固定件及与所述第二固定件相配合的压紧组件;
本发明中第一清洁装置的设置可对集热管内部的水垢进行清理,保证水质的清洁,提高加热效果;通过第一固定装置和第二固定装置可在集热管清洗的过程中对集热管进行稳定的固定,一方面可防止集热管摔碎破碎,另一方面可使得集热管与所述第一清洁装置进行紧密配合,有利于提高对集热管的清洁效果;其中第一固定装置可对集热管的下端进行稳定的固定,第三弹性件以及第二固定件之间的相互配合可对集热管的上端进行稳定的固定,压紧组件的设置可进一步提高集热管的稳定性,便于第一清洁装置可对集热管进行有效的清洁操作。
所述压紧组件包括一端与所述第二固定件相连的伸缩杆、设于所述第三凹槽底部的第四凹槽及用于驱动所述伸缩杆动作的推动结构,所述伸缩杆的另一端伸入至所述第四凹槽内;推动结构可推动伸缩杆移动,进而伸缩杆可带动第二固定件移动,使得第二固定件可与集热管外壁进行紧密接触,进而提高集热管的稳定性。
所述推动结构包括与所述第四凹槽相连通的第五凹槽及设于所述第五凹槽内的压紧件;压缩件可在第五凹槽内移动,当压缩件的下端从第五凹槽移动至第四凹槽时可挤推伸缩杆的端部,使得伸缩杆发生移动,该推动结构设置简单,便于操作。
所述压紧件与一支撑结构相配合;该支撑结构的设置可对压紧件进行支撑,便于压紧件在第五凹槽内的伸缩运动。
所述支撑结构包括设于所述支板上的支撑件、设于所述支撑件内的凹部及一端与所述凹部顶部的第四弹性件,所述第四弹性件的另一端与所述压紧件相连;在第四弹性件的作用下,压紧件可在所述支撑件内上下运动,进而使得压紧件可在第五凹槽内上下移动,既可实现压紧件对伸缩杆的挤推,又可实现压紧件的快速复位。
所述第一清洁装置包括设于所述支板上的支架、设于所述支架上的第一丝杆、用于驱动所述第一丝杆转动的第一驱动件及与所述第一丝杆相配合的第一清洗组件;第一驱动件可驱动第一丝杆转动,第一丝杆转动的过程中可使得第一清洗组件运动至集热管中对集热管进行清洗,整个清洗过程自动、高效,不仅清洗效果好,还极大程度节省力人力物力。
所述第一清洗组件包括可插入至集热管内的外管和与所述外管相配合的冲洗结构,所述外管通过一第一传动结构与所述第一丝杆相配合;通过第一传动结构的设置可使得第一丝杆转动的过程中带动外管上下运动,当需要对集热管进行清洗时,外管带动冲洗结构向下运动至集热管内对集热管进行清洗,伸入至集热管的冲洗结构可对整个集热管进行彻底清洗,可有效避免残留水垢。
所述第一传动结构包括套设与所述第一丝杆上的第一丝杆螺母和一端与所述第一丝杆螺母相连的第一连接板,所述第一连接板与所述外管相连;第一丝杆转动的过程中可带动第一丝杆螺母上下移动,进而第一丝杆螺母通过第一连接板带动外管上下运动,该第一传动结构设置简单,运动稳定,可提高外管上下运动的稳定性。
所述冲洗结构包括套设于所述外管上的封堵件、设于所述封堵件上的环形管及设于所述环形管上的喷头,所述喷头出水口朝向集热管内壁的方向;当外管运动至集热管内后,封堵件可对集热管口进行封堵,可有效避免清洗液从集热管中溢出,清洗液进入环形管后可通过喷头喷出,该喷头出水口朝向集热管内壁的方向,可使得清洗液沿着集热管的内壁流下,进而可提高对集热管的清洗效率。
所述冲洗结构还包括与所述环形管相连通的进水管、设于所述外管内的内管及设于所述内管顶部的的出水管,所述内管底部设有一阀门;清洗液从进水管进入环形管中,并通过环形管上的喷头进入集热管中,在对集热管进行清洗后清洗液可通过内管流出,无需人为转动集热管将液体排出,既节省了人力,又大大简化了清洗过程。
本发明的有益效果是:本发明在集热管清洗的过程中可对集热管进行稳定的固定,可对集热管进行有效的保护,有效避免集热管摔碎,同时可使得集热管与清洁装置形成紧密配合,可提高对集热管的清洗效果。
附图说明
图1为本发明的结构示意图。
图2为图1中A处的放大图。
图3为图1的俯视图。
图4为图3中A-A处的剖面结构示意图。
图5为图4中B处的放大图。
图6为图4中C处的放大图。
图7为图4中D处的放大图。
图8为图4中E处的放大图。
图9为图3中B-B处的部分剖面结构示意图。
图10为图9中F处的放大图。
图11为图1的正视图。
图12为图11中C-C处的部分剖面结构示意图。
具体实施方式
如图1-12所示的一种太阳能热水器集热管水垢清洗设备,包括底座1、第一竖板2、支板3、第二竖板4、第一固定装置、第二固定装置及第一清洁装置,所述底座1为一金属座,所述支板3为一金属板,该支板3设于所述底座1的上方,所述第一竖板2为一金属板,该第一竖板2的下端焊接在所述底座1的右侧,该第一竖板2的上端焊接在所述支板3的右侧,所述第二竖板4为一金属板,该第二竖板4的下端焊接在所述底座1的左侧,该第二竖板4的上端焊接在所述支板3的左侧;优选的,为了提高对集热管的清洁效率,共设置了三组第一固定装置和第二固定装置,清洗的过程中可同时对三根集热管进行同时清洗;
所述第一固定装置设于所述底座1上,该第一固定装置用于对集热管下端进行固定,具体的,所述第一固定装置包括第一凹槽51、弹性组件、卡件53及第一固定组件,所述第一凹槽51设于所述底座1上,所述弹性组件52设于所述第一凹槽51内,优选的,该弹性组件共设有4组,具体的,所述弹性组件包括第一弹性件521、支杆522及连接块523,所述第一弹性件521为一弹簧,该第一弹性件521的一端与所述第一凹槽51的底部相连,该第一弹性件521的另一端与所述连接块523相连,该连接块523为一金属圆块,该连接块523与所述卡件53相连,该卡件53为一金属件,该卡件53上设有一圆孔,集热管的端部可插入至该圆孔内,进而可对集热管起到固定作用,所述支杆522为金属杆,该支杆522穿设于所述第一弹性件521内,该支杆522的一端焊接在所述第一凹槽51的内底部,所述支杆522的另一端穿过所述连接块523和卡件53伸入至所述卡件53的上方,优选的,该支杆522的这一端设有一橡胶块524,该橡胶块524可进一步提高集热管的稳固性;安装集热管时,集热管可带动卡件和连接块沿着所述支杆向下运动;
所述第一固定组件用于对集热管的侧壁进行固定,优选的,该第一固定组件设于所述第一凹槽51的两侧,具体的,所述第一固定组件包括第二凹槽541、第二弹性件542、第一伸缩件543、第一固定件544及滑动组件,所述第二凹槽541设于所述第一年凹槽51的侧壁上,该第二弹性件542为一弹簧,该第二弹性件542的一端与所述第二凹槽541的底壁相连,该第二弹性件542的另一端与所述第一伸缩件543的一端相连,该第一伸缩件543为金属件,该第一伸缩件543的另一端与所述第一固定件544相连,该第一固定件544为一弧形板,这样设置可与集热管外壁进行紧密配合,进而可提高第一固定组件对集热管的固定作用;优选的,该第二固定件与集热管接触的一侧设有橡胶片,可减小对集热管的损坏;
优选的,为了提高第一伸缩件的运动稳定性,设置了所述滑动组件,具体的,所述滑动组件包括第一滑槽551和第一滑块552,所述第一滑槽551设于所述第二凹槽541的侧壁上,所述第一滑块552为一金属块,该第一滑块552焊接在所述第一伸缩件的底部,该第一滑块552与所述第一滑槽551相配合,第一伸缩件在运动的过程中,第一滑块可在所述第一滑槽中滑动,通过第一滑块与第一滑槽之间的相互配合,可大大提高第一伸缩件运动的稳定性;
优选的,为了避免损坏集热管上密封嘴,在所述第一凹槽51的底部设有一海绵块511,当集热管位于所述第一凹槽51内时,集热管上的密封嘴正好位于所述海绵块511的上方;在对集热管拆装时,该海绵块的设置可对密封嘴进行有效的保护;
所述支板3上设有通孔31,优选的,该通孔31共设置了三个,在对集热管进行清洗时,该集热管的上端位于该通孔31内,所述第二固定装置设于所述通孔31上,该第二固定装置用于对所述集热管的上端进行固定,具体的,所述第二固定装置包括第三凹槽61、第三弹性件62及第二固定件63,所述第三凹槽61设于所述通孔31的侧壁上,所述第三弹性件62为一弹簧,该第三弹性件62的一端与所述第三凹槽61的底部相连,该第三弹性件62的另一端与所述第二固定件63相连,该第二固定件63为一弧形件,这样设置便于第二固定件63与集热管的接触,进而起到较好的固定作用,优选的,该第二固定件与集热管接触的一侧设有橡胶片,可减小对集热管的损坏;
所述第一清洁装置用于对集热管内部进行清洗,该清洗装置设于所述支板3上,具体的,所述清洗装置包括支架71、第一丝杆72、第一驱动件及第一清洗组件,所述支架71为一金属架,该支架71焊接在所述支板3上,所述第一丝杆72为市面上可直接购买的双向丝杆,具体结构和原理在此不再进行赘述,所述第一丝杆72的一端通过轴承与所述支板3相配合,所述第一丝杆72的另一端穿过所述支架71与所述第一驱动件相连,所述第一驱动件为市面上可直接购买的电机,具体结构和原理在此不再进行赘述;附图中并未将第一驱动件画出;优选的,该第一丝杆共设置了两个,分别位于所述支架71的两端,所述第二驱动件相应的设置了两个;
所述第一清洗组件与所述第一丝杆72相配合,具体的,所述第一清洗组件包括外管731、冲洗结构及多个毛刷结构,所述外管731为金属管,优选的,该外管731共设置三个,其中位于两端的外管通过第一传动结构与所述第一丝杆72相配合,在该第一传动结构75的传动作用下,该第一丝杆72可带动外管731进入集热管中对集热管进行清洗,具体的,所述第一传动结构包括第一丝杆螺母751和第一连接板752,所述第一丝杆螺母751套设在所述第一丝杆72上,该第一连接板752为一金属板,该第一连接板752的一端与所述第一丝杆螺母751相连,该第一丝杆螺母751的另一端与所述外管731相连;第一驱动件带动第一丝杆转动,第一丝杆转动的过程中可带动第一丝杆螺母上下运动,进而第一丝杆螺母通过第一连接板带动外管进出集热管中;优选的,位于中间位置处的外管通过第二连接板753与位于端部的外管相连;通过第二连接板的设置,位于中间的外管可跟随这位于端部的外管一同运动;
所述冲洗结构与所述外管731相配合,具体的,所述冲洗结构包括封堵件741、环形管742、喷头743、进水管744、内管745、出水管746及阀门747,所述封堵件741为一金属环,该封堵件741套设在所述外管731上,所述环形管742为一塑料管,该环形管742设于所述封堵件741上,所述喷头743为市面上可直接购买的普通喷头,该喷头743共设有多个,多个喷头间隔均匀的设于所述环形管742上,优选的,该喷头743的出水口方向朝向集热管的内壁;
所述进水管744为一塑料管,该进水管744的一端穿过所述封堵件741与所述环形管742相连通,该进水管744的另一端,所述内管745设于所述外管731内,该内管745为金属管,该内管745的上端与所述外管相连,所述出水管746为一塑料管,该出水管746设于所述内管745上,该出水管746的一端与所述内管745的相连通,所述内管745的上端设有一第一水泵,该第一水泵为市面上可直接购买的普通水泵,具体结构和原理在此不再进行赘述,附图中并未将第一水泵画出,在第一水泵的作用下,清洗液可通过内管排出;所述阀门747设于所述内管745的底部,该阀门747为一市面上可直接购买的单向阀,具体结构和原理在此不再进行赘述;当需要排处清洗液时可将该阀门747打开,集热管内的清洗液可通过该阀门进入内管中;
优选的,所述进水管744与一供水组件相配合,具体的,所述供水组件包括供水箱791、第一输水管792、第二输水管793及废水箱,所述供水箱791位于所述底座1上,该供水箱791内设有一水泵794,该水泵为市面上可直接购买的普通水泵,具体结构和原理在此不再进行赘述,附图中并未将水泵画出,所述第一输水管792为一塑料软管,该第一输水管792的一端与所述水泵794相连,该第一输水管792的另一端可与所述进水管相连,当需要向集热管中输入清洗液时可手动将该第一输水管与所述进水管相连,所述第二输水管793为塑料软管,该第二输水管793的一端可与所述出水管746相连,当需要排出清洗液时可手动将该第二输水管与所述出水管相连;
该第二输水管793的另一端与所述废水箱相连通,所述废水箱位于所述供水箱791的上端,清洗液可从内管通过第二输水管排入至废水箱中进行暂时存放;
为了进一步提高对集热管的清洗效果,在所述集热管的外壁设有多个毛刷组件,多个毛刷组件沿所述外管731的周向方向上间隔均匀的设于所述外管731的外壁上,毛刷结构的设置可将附着在集热管内壁上的顽固水垢等其他污渍去除,可大大提高对集热管的清洁效率,具体的,所述毛刷结构包括固定件781和毛刷782,所述固定件781为塑料件,该固定件781粘接在所述外管731上,所述毛刷782为一塑料毛刷,该毛刷782设于所述固定件781上;毛刷稳固的设于固定件上可便于毛刷与集热管内壁进行接触,使得毛刷可对集热管内壁进行有效的清洗;
所述外管731上套设有一齿环732,该齿环732为金属齿环,该齿环732与一第二驱动组件76相配合,该第二驱动组件76可驱动所述齿环732进行转动,进而齿环转动的过程中可带动外管进行转动,可增大外管上的毛刷结构对集热管内壁清洁的面积,进而提高毛刷结构对集热管的清洗效果;当外管进行转动时,将第一输水管与进水管分开,第二输水管与出水管分来,防止第一输水管与第二输送管随着外管一同转动;
具体的,所述第二驱动组件包括第一齿轮761、第一转轴762、第二驱动件763及第二传动组件,所述第一齿轮761为金属齿轮,该第一齿轮761的齿面可与所述齿环732的齿面相啮合,所述第一转轴762为一金属轴,该第一转轴762的一端与所述第一齿轮761相连,该第一转轴762的另一端通过轴承与所述支板3相配合;
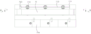
所述第二传动结构设置简单、传动稳定,具体的,所述第二传动结构包括第一斜齿轮771、第二斜齿轮772及第二转轴773,所述第一斜齿轮771设于所述第一转轴762上,所述第二斜齿轮773的齿面与所述第一斜齿轮771的齿面相啮合,所述第二转轴773为一金属轴,所述第二斜齿轮772套设在所述第二转轴 773上,所述第二转轴773的一端与所述第二驱动件763相连,该第二转轴773的另一端通过轴承与一立板774相配合,该立板774为一金属板,该立板774焊接在所述支板3上,该第二驱动件763为市面上可直接购买的电机,具体结构和原理在此不再进行赘述;第二驱动件带动第二转轴转动,第二转轴转动的过程中可带动第二斜齿轮进行转动,进而第二挟齿轮通过第一斜齿轮带动第一转轴进行转动,第一转轴转动的过程中可带动第一齿轮转动,进而当第一齿轮与齿环相啮合时,第一齿轮可带动齿环转动,齿环转动的过程中可带动外管转动,整个结构配合稳定,可带动外管进行稳定的转动,可进一步提高可清洗效率;
为了进一步提高第二固定件63对集热管的固定,设置可压紧组件,该压紧组件与所述第二固定件63相配合,具体的,所述压紧组件包括伸缩杆641、第四凹槽642及推动结构,所述推动结构包括第五凹槽643和压紧件644,所述伸缩杆641为一金属杆,该伸缩杆64的一端与所述第二固定件63相连,该伸缩杆64的另一端伸入至所述第四凹槽642中,所述第四凹槽642设于所述第三凹槽的底部,优选的,所述伸入至所述第四凹槽642内的伸缩杆的这一端连接有一圆台件645,该圆台件645为一金属件,该圆台件645焊接在所述伸缩件641上,所述第五凹槽643与所述第四凹槽642相连通,所述压紧件644为一金属件,该压紧件可在所述第五凹槽643内上下伸缩,当压紧件伸入至第四凹槽内时,该压紧件可挤压伸缩杆向前运动,进而伸缩杆可推动第二固定件对集热管进行稳定的固定;
优选的,所述压紧件644与一支撑结构相配合,优选的,该支撑结构共设有两组,分别位于所述压紧件644的两侧,具体的,所述支撑结构包括支撑件651和第四弹性件652,所述支撑件651为一金属件,该支撑件651设于所述支板3上,所述第四弹性件652为一压簧,该第四弹性件652的一端与所述压紧件644相连,该第四弹性件652的另一端与所述支撑件651相连,优选的,与所述压紧几件644相配合设有凸块653,该凸块653设置有多个,其中一些设置在第一连接板752上,另外一些设置在第二连接板753上,该凸块653为一金属块,当外管进入集热管内后,第一连接板或第二连接板上的凸块可对向下挤压压紧件,进而压紧件可推动伸缩杆使得第二固定件与集热管稳固接触,进而提高对集热管的固定作用,当外管离开集热管后,第一连接板上的凸起与压紧件分离,在第四弹性件的作用下压紧件复位至原位。

Claims (4)

1.一种太阳能热水器集热管水垢清洗设备,包括底座(1)、设于所述底座(1)右侧的第一竖板(2)、设于所述第一竖板(2)顶部的支板(3)、设于所述底座(1)左侧的第二竖板(4)、设于所述底座(1)上的第一固定装置、设于所述支板(3)上的通孔(31)、设于所述通孔(31)内的第二固定装置及用于对集热管内部进行清洗的第一清洁装置,其特征在于:所述第二固定装置包括设于通孔(31)侧壁的第三凹槽(61)、一端与所述第三凹槽(61)相连的第三弹性件(62)、与所述第三弹性件(62)另一端相连的第二固定件(63)及与所述第二固定件(63)相配合的压紧组件;
所述第一清洁装置包括设于所述支板(3)上的支架(71)、设于所述支架(71)上的第一丝杆(72)、用于驱动所述第一丝杆(72)转动的第一驱动件及与所述第一丝杆(72)相配合的第一清洗组件;
所述第一清洗组件包括可插入至集热管内的外管(731)和与所述外管(731)相配合的冲洗结构,所述外管(731)通过一第一传动结构与所述第一丝杆(72)相配合;
所述第一传动结构包括套设与所述第一丝杆(72)上的第一丝杆螺母(751)和一端与所述第一丝杆螺母(751)相连的第一连接板(752),所述第一连接板(752)通过与所述外管(731)相连;
所述冲洗结构包括套设于所述外管(731)上的封堵件(741)、设于所述封堵件(741)上的环形管(742)及设于所述环形管(742)上的喷头(743),所述喷头(743)出水口朝向集热管内壁的方向;
所述冲洗结构还包括与所述环形管(742)相连通的进水管(744)、设于所述外管(731)内的内管(745)及设于所述内管(745)顶部的出水管(746),所述内管(745)底部设有一阀门(747);
所述压紧组件包括一端与所述第二固定件(63)相连的伸缩杆(641)、设于所述第三凹槽(61)底部的第四凹槽(642)及用于驱动所述伸缩杆(641)动作的推动结构,所述伸缩杆(641)的另一端伸入至所述第四凹槽(642)内。
2.根据权利要求1所述的一种太阳能热水器集热管水垢清洗设备,其特征在于:所述推动结构包括与所述第四凹槽(642)相连通的第五凹槽(643)及设于所述第五凹槽(643)内的压紧件(644)。
3.根据权利要求2所述的一种太阳能热水器集热管水垢清洗设备,其特征在于:所述压紧件(644)与一支撑结构相配合。
4.根据权利要求3所述的一种太阳能热水器集热管水垢清洗设备,其特征在于:所述支撑结构包括设于所述支板(3)上的支撑件(651)、设于所述支撑件(651)内的凹部(652)及一端与所述凹部(652)顶部的第四弹性件(653),所述第四弹性件(653)的另一端与所述压紧件(644)相连。
CN201910266208.0A 2019-04-03 2019-04-03 一种太阳能热水器集热管水垢清洗设备 Active CN110006183B (zh)

Priority Applications (1)

Application Number Priority Date Filing Date Title
CN201910266208.0A CN110006183B (zh) 2019-04-03 2019-04-03 一种太阳能热水器集热管水垢清洗设备

Applications Claiming Priority (1)

Application Number Priority Date Filing Date Title
CN201910266208.0A CN110006183B (zh) 2019-04-03 2019-04-03 一种太阳能热水器集热管水垢清洗设备

Publications (2)

Publication Number Publication Date
CN110006183A CN110006183A (zh) 2019-07-12
CN110006183B true CN110006183B (zh) 2021-04-23

Family

ID=67169715

Family Applications (1)

Application Number Title Priority Date Filing Date
CN201910266208.0A Active CN110006183B (zh) 2019-04-03 2019-04-03 一种太阳能热水器集热管水垢清洗设备

Country Status (1)

Country Link
CN (1) CN110006183B (zh)

Families Citing this family (2)

* Cited by examiner, † Cited by third party
Publication number Priority date Publication date Assignee Title
CN111006406B (zh) * 2019-12-13 2021-11-12 杭州雅洲智能科技有限公司 一种太阳能真空管的清洁设备
CN111536702B (zh) * 2020-06-17 2020-12-22 江苏光芒新能源股份有限公司 一种能够清洗内侧水垢和外侧壁体的太阳能热水器

Citations (8)

* Cited by examiner, † Cited by third party
Publication number Priority date Publication date Assignee Title
CN201658986U (zh) * 2010-03-17 2010-12-01 珠海倍健电子科技有限公司 一种试管固定装置
CN206747191U (zh) * 2017-05-24 2017-12-15 刘世龙 一种试管清洗装置
CN108224814A (zh) * 2018-03-30 2018-06-29 谭令华 一种太阳能热水器集热管清洗设备
CN108212986A (zh) * 2017-12-22 2018-06-29 陈达健 一种太阳能管清洗设备
CN208050524U (zh) * 2018-01-23 2018-11-06 陈永津 一种石油管道清洁器
CN109282509A (zh) * 2018-10-13 2019-01-29 崔洋 一种环保型太阳能管清洗装置
CN109323467A (zh) * 2018-08-09 2019-02-12 湖州景盛新能源有限公司 一种具备夹块连接形式的太阳能集热管
CN208613563U (zh) * 2018-05-24 2019-03-19 吉林华明管业有限公司 一种圆管折弯机

Patent Citations (8)

* Cited by examiner, † Cited by third party
Publication number Priority date Publication date Assignee Title
CN201658986U (zh) * 2010-03-17 2010-12-01 珠海倍健电子科技有限公司 一种试管固定装置
CN206747191U (zh) * 2017-05-24 2017-12-15 刘世龙 一种试管清洗装置
CN108212986A (zh) * 2017-12-22 2018-06-29 陈达健 一种太阳能管清洗设备
CN208050524U (zh) * 2018-01-23 2018-11-06 陈永津 一种石油管道清洁器
CN108224814A (zh) * 2018-03-30 2018-06-29 谭令华 一种太阳能热水器集热管清洗设备
CN208613563U (zh) * 2018-05-24 2019-03-19 吉林华明管业有限公司 一种圆管折弯机
CN109323467A (zh) * 2018-08-09 2019-02-12 湖州景盛新能源有限公司 一种具备夹块连接形式的太阳能集热管
CN109282509A (zh) * 2018-10-13 2019-01-29 崔洋 一种环保型太阳能管清洗装置

Also Published As

Publication number Publication date
CN110006183A (zh) 2019-07-12

Similar Documents

Publication Publication Date Title
CN110142264A (zh) 一种石油管道内壁清洗设备
CN108554953B (zh) 汽车零部件清洗装置
CN110006183B (zh) 一种太阳能热水器集热管水垢清洗设备
CN115654475B (zh) 一种锅炉表面的去除灰垢装置
CN109931713B (zh) 一种太阳能热水器集热管自动清洗设备
CN217041579U (zh) 一种煤焦化污水处理用除杂装置
CN211726879U (zh) 一种高效洗瓶装置
CN217141595U (zh) 一种多晶硅储罐类设备清洗装置
CN218014536U (zh) 一种方便出料的超声波清洗机
CN218835456U (zh) 一种液压油管内部自动化清洁装置
CN111006406B (zh) 一种太阳能真空管的清洁设备
CN217369641U (zh) 一种化学实验用的试管内壁清洗装置
CN214980086U (zh) 一种水利工程管道外表面除锈装置
CN110227664B (zh) 一种便于安装的太阳能电池板清洗设备
CN212349649U (zh) 一种低温循环谷物干燥机外部清洗设备
CN211384062U (zh) 一种油田滤芯用清洗装置
CN219630641U (zh) 一种真空蒸馏炉
CN114887947A (zh) 一种电力巡检专用云台相机用的保护装置
CN222339342U (zh) 一种便于维护的太阳能供电装置
CN222183649U (zh) 一种污水雨水管道清理装置收集组件
CN215889103U (zh) 一种雨水收集自清洁铝单板
CN218692357U (zh) 一种农药试剂管测试清洗装置
CN113057547A (zh) 一种基于人工智能的拖地系统
CN222001156U (zh) 一种液氮罐清理装置
CN218684178U (zh) 一种公共装饰工程用除尘装置

Legal Events

Date Code Title Description
PB01 Publication
PB01 Publication
SE01 Entry into force of request for substantive examination
SE01 Entry into force of request for substantive examination
TA01 Transfer of patent application right

Effective date of registration: 20210406

Address after: 223400 north of Weiyi Road, West District, Lianshui Economic Development Zone, Huai'an City, Jiangsu Province

Applicant after: JIANGSU TIANHONG NEW ENERGY TECHNOLOGY Co.,Ltd.

Address before: 310052 1, -11 5, No. 11, Ju Gong Road, Binjiang District Xi Xing street, Hangzhou, Zhejiang.

Applicant before: HANGZHOU LESHOU TECHNOLOGY Co.,Ltd.

TA01 Transfer of patent application right
GR01 Patent grant
GR01 Patent grant
TR01 Transfer of patent right

Effective date of registration: 20250616

Address after: Room 11206, Unit 1, Building 1, No. 558 Baihuayuan, Taihua North Road, Weiyang District, Xi'an City, Shaanxi Province 710000

Patentee after: Xi'an Xinsheng Runda Industrial Co.,Ltd.

Country or region after: China

Address before: 223400 north of Weiyi Road, West District, Lianshui Economic Development Zone, Huai'an City, Jiangsu Province

Patentee before: JIANGSU TIANHONG NEW ENERGY TECHNOLOGY CO.,LTD.

Country or region before: China

TR01 Transfer of patent right