CN107874454B - Multi-station rotary table and its method for drilling and planting - Google Patents
Multi-station rotary table and its method for drilling and planting Download PDFInfo
- Publication number
- CN107874454B CN107874454B CN201711314329.5A CN201711314329A CN107874454B CN 107874454 B CN107874454 B CN 107874454B CN 201711314329 A CN201711314329 A CN 201711314329A CN 107874454 B CN107874454 B CN 107874454B
- Authority
- CN
- China
- Prior art keywords
- station
- workbench
- plate
- rotary
- brush
- Prior art date
- Legal status (The legal status is an assumption and is not a legal conclusion. Google has not performed a legal analysis and makes no representation as to the accuracy of the status listed.)
- Active
Links
Images
Classifications
-
- A—HUMAN NECESSITIES
- A46—BRUSHWARE
- A46D—MANUFACTURE OF BRUSHES
- A46D3/00—Preparing, i.e. Manufacturing brush bodies
- A46D3/06—Machines for both drilling bodies and inserting bristles
-
- A—HUMAN NECESSITIES
- A46—BRUSHWARE
- A46D—MANUFACTURE OF BRUSHES
- A46D3/00—Preparing, i.e. Manufacturing brush bodies
- A46D3/08—Parts of brush-making machines
-
- B—PERFORMING OPERATIONS; TRANSPORTING
- B25—HAND TOOLS; PORTABLE POWER-DRIVEN TOOLS; MANIPULATORS
- B25H—WORKSHOP EQUIPMENT, e.g. FOR MARKING-OUT WORK; STORAGE MEANS FOR WORKSHOPS
- B25H1/00—Work benches; Portable stands or supports for positioning portable tools or work to be operated on thereby
Landscapes
- Engineering & Computer Science (AREA)
- Manufacturing & Machinery (AREA)
- Mechanical Engineering (AREA)
- Finish Polishing, Edge Sharpening, And Grinding By Specific Grinding Devices (AREA)
Abstract
本发明公开了一种多工位回转工作台及其进行钻植加工的方法,工作台中心筒顶部安装有环形导轨,沿环形导轨的圆周设有多个工位,各工位上分别安装有工位回转顶板,各工位回转顶板的外侧分别连接有向下延伸的工位回转竖板,各工位回转竖板的下端分别连接有向外侧水平伸出的工位回转底板,各工位回转底板的下方分别安装有工作台支架板,各工作台支架板上分别安装有刷体工作台。刷体在第一工位完成上料,然后回转180°到至第二工位进行钻孔,钻孔后继续回转90°至第三工位进行植毛,植毛完毕后继续回转90°至第一工位进行下料,接着在第一工位完成新刷体的上料,如此循环。各工位的操作同步进行且互不干涉,自动化程度及生产效率高。
The invention discloses a multi-station rotary workbench and a method for drilling and planting thereof. An annular guide rail is installed on the top of the central cylinder of the workbench, and a plurality of stations are arranged along the circumference of the ring guide rail, and each station is respectively equipped with The station rotary top plate, the outer side of each station rotary top plate is respectively connected with the station rotary vertical plate extending downward, and the lower end of each station rotary vertical plate is respectively connected with the station rotary bottom plate protruding outward horizontally, each station A workbench support plate is respectively installed under the rotary bottom plate, and a brush body workbench is respectively installed on each workbench support plate. The brush body finishes loading at the first station, and then rotates 180° to the second station for drilling. After drilling, it continues to rotate 90° to the third station for hair planting. After the hair planting, it continues to rotate 90° to the first station. The station performs blanking, and then completes the feeding of the new brush body at the first station, and the cycle is like this. The operation of each station is carried out synchronously without interfering with each other, and the degree of automation and production efficiency are high.
Description
技术领域technical field
本发明涉及一种毛刷的制造设备,特别涉及一种多工位回转工作台;本发明还涉及一种多工位回转工作台进行钻植加工的方法,可以完成在刷板上同步完成上料、钻孔、植毛和下料,属于毛刷加工设备及加工方法技术领域。The invention relates to a brush manufacturing equipment, in particular to a multi-station rotary table; the invention also relates to a method for drilling and planting on a multi-station rotary table, which can be completed synchronously on the brush board. Material, drilling, hair planting and blanking belong to the technical field of brush processing equipment and processing methods.
背景技术Background technique
植毛机广泛应用于在日用刷具、工业刷具等刷体上的钻孔及植毛。对平面刷的加工而言,传统植毛机的钻植工作台位于下方,平面刷的刷板被夹持钻植工作台上,平面刷刷板的长度方向沿钻植工作台的宽度方向延伸,平面刷刷板的钻孔植毛面朝上,机头位于钻植工作台上方,机头上设有钻孔机构和植毛机构,机头的后侧连接在机座上,机座向下延伸与钻植工作台连接在共同的底座上。The tufting machine is widely used in drilling and tufting on brush bodies such as daily brushes and industrial brushes. For the processing of flat brushes, the drilling and planting worktable of the traditional tufting machine is located below, the brush plate of the flat brush is clamped on the drilling and planting workbench, and the length direction of the flat brush brush plate extends along the width direction of the drilling and planting workbench. The drilling and hair-planting surface of the flat brushing board faces upward, and the machine head is located above the drilling and planting workbench. The machine head is equipped with a drilling mechanism and a hair-planting mechanism. The rear side of the machine head is connected to the base, and the base extends downwards to The drilling and planting workbench is connected on a common base.
当平面刷比较长时,由于钻植工作台较宽,机头需要向前探出比较长的距离,悬臂结构导致整体植毛机体积及重量很大,而且钻植工作台上方的空间被钻孔机构和植毛机构占据,无法布置自动上料和下料装置,刷板的上料和下料均由人工辅助完成,劳动强度大,并且有一定的危险性。一旦操作工出现失误,例如没有及时将已完成植毛的刷板取下,将导致植毛嘴与刷板干涉,导致设备损坏。When the plane brush is relatively long, the machine head needs to protrude forward for a relatively long distance due to the wide drilling and planting workbench. The cantilever structure leads to a large volume and weight of the overall tufting machine, and the space above the drilling and planting workbench is drilled. Mechanism and tufting mechanism are occupied, and automatic loading and unloading devices cannot be arranged. The loading and unloading of brush plates are all completed by manual assistance, which is labor-intensive and has certain risks. Once the operator makes a mistake, such as failing to remove the brush plate that has been planted in time, it will cause interference between the planting nozzle and the brush plate, resulting in equipment damage.
发明内容Contents of the invention
本发明的首要目的在于,提供一种多工位回转工作台,各工位可以分别进行上料、钻孔、植毛和下料,各工位的操作同步进行且互不干涉,自动化程度及生产效率高。The primary purpose of the present invention is to provide a multi-station rotary workbench, each station can carry out feeding, drilling, hair planting and unloading respectively, and the operation of each station is carried out synchronously without interfering with each other, the degree of automation and production efficient.
为实现以上目的,本发明的一种多工位回转工作台,包括工作台中心筒,所述工作台中心筒的顶部安装有顶部环形导轨,沿所述顶部环形导轨的圆周依次设有多个工位,所述顶部环形导轨的各工位上分别安装有水平状的工位回转顶板,各工位回转顶板的外侧分别连接有向下延伸的工位回转竖板,各所述工位回转竖板的下端分别连接有向外侧水平伸出的工位回转底板,各工位回转底板的下方分别安装有工作台支架板,各工作台支架板上分别安装有刷体工作台。In order to achieve the above purpose, a multi-station rotary workbench of the present invention includes a workbench central cylinder, a top circular guide rail is installed on the top of the workbench central cylinder, and a plurality of Stations, each station of the top circular guide rail is respectively equipped with a horizontal station rotary top plate, and the outer side of each station rotary top plate is respectively connected with a downwardly extending station rotary vertical plate, and each station rotary The lower ends of the vertical plates are respectively connected with the station rotary bottom plates protruding horizontally to the outside, and the bottom of each station rotary bottom plate is respectively equipped with a workbench support plate, and each workbench support plate is respectively equipped with a brush body workbench.
相对于现有技术,本发明取得了以下有益效果:每个工位的工作台支架板悬吊在工位回转底板的下方,再通过工位回转竖板和工位回转顶板悬挂在顶部环形导轨上,各工位可以沿顶部环形导轨回转以实现工位之间的转换。以三工位为例,刷体可以在第一工位完成上料,然后回转180°到至第二工位进行钻孔,钻孔后继续回转90°至第三工位进行植毛,植毛完毕后继续回转90°至第一工位进行下料,如此循环。当某个刷板在第三工位进行植毛时,下一个刷板正在第二工位进行钻孔,两者同步进行,同步完成后进行切换,第一工位利用第二、三工位钻孔、植毛的时间完成成品刷板的下料和新刷板的上料,各工位同步工作,互不干涉。由于各工位位于不同的相位上,便于在各工位外侧分别布置钻孔装置、植毛装置及上下料机械手;而且由于刷体工作台为立式布置,刷体加工面朝外,直接面对钻头和植毛嘴,避免了钻孔装置及植毛装置的悬臂布置及传动的形式,提高生产效率的同时,降低了设备的总体重量。Compared with the prior art, the present invention achieves the following beneficial effects: the workbench support plate of each station is suspended under the rotary bottom plate of the station, and then suspended on the top circular guide rail through the rotary vertical plate of the station and the rotary top plate of the station On the top, each station can turn around along the top circular guide rail to realize the conversion between stations. Taking the three stations as an example, the brush body can be loaded at the first station, then rotate 180° to the second station for drilling, and then continue to rotate 90° to the third station for hair planting after drilling. Then continue to turn 90° to the first station for blanking, and so on. When a brush plate is planting wool at the third station, the next brush plate is drilling at the second station, and the two are carried out synchronously. After the synchronization is completed, switch. The first station uses the second and third stations to drill. The blanking of the finished brush plate and the loading of the new brush plate are completed at the time of hole and hair planting, and each station works synchronously without interfering with each other. Since each station is located in a different phase, it is convenient to arrange the drilling device, the hair planting device and the loading and unloading manipulator on the outside of each station; and because the brush body workbench is arranged vertically, the brush body processing surface faces outwards, directly facing The drill bit and the tufting nozzle avoid the cantilever arrangement and transmission form of the drilling device and the tufting device, which improves the production efficiency and reduces the overall weight of the equipment.
作为本发明的改进,所述顶部环形导轨的内外圆周面均设有尖部向外突出的顶部V形环,各工位回转顶板上分别固定连接有向下延伸的顶部滚轮轴,各顶部滚轮轴的下端分别通过轴承安装有顶部滚轮,各顶部滚轮的外周中部分别设有向内凹陷的顶部滚轮V形槽,各顶部滚轮V形槽分别嵌装在所述顶部环形导轨内外两侧的顶部V形环上;所述顶部环形导轨的下端面安装有环形齿圈,各工位回转顶板的上端面中心分别安装有工位转换伺服电机,各工位转换伺服电机的输出轴分别向下穿过工位回转顶板且下端头安装有工位转换驱动齿轮,各工位转换驱动齿轮分别与所述环形齿圈相啮合。工位转换伺服电机驱动工位转换驱动齿轮转动,工位转换驱动齿轮与环形齿圈的啮合使得工位转换驱动齿轮沿环形齿圈前进,工位回转顶板通过顶部滚轮与顶部V形环的配合,带动整个回转工作台沿顶部环形导轨回转实现工位转换。顶部V形环嵌于顶部滚轮V形槽中,既保证了回转的精度,又可以很好地承受侧向及垂直方向的负载,使顶部滚轮与顶部环形导轨的配合摩擦良好,高速运转时噪音小。As an improvement of the present invention, the inner and outer circumferential surfaces of the top circular guide rail are provided with top V-shaped rings with pointed parts protruding outward, and top roller shafts extending downward are fixedly connected to the rotary top plates of each station, and each top roller The lower end of the shaft is respectively equipped with top rollers through bearings, and the middle part of the outer periphery of each top roller is respectively provided with an inwardly concave top roller V-shaped groove, and each top roller V-shaped groove is respectively embedded in the top of the inner and outer sides of the top circular guide rail. On the V-shaped ring; the lower end surface of the top annular guide rail is equipped with an annular ring gear, and the center of the upper end surface of each station rotary top plate is respectively equipped with a station conversion servo motor, and the output shafts of each station conversion servo motor are respectively passed through downwards. The top plate is rotated through the station and the lower end is equipped with a station conversion drive gear, and each station conversion drive gear is respectively meshed with the annular ring gear. The station conversion servo motor drives the station conversion drive gear to rotate. The meshing of the station conversion drive gear and the ring gear makes the station conversion drive gear advance along the ring gear. , to drive the entire rotary table to rotate along the top circular guide rail to realize station conversion. The V-shaped ring on the top is embedded in the V-shaped groove of the top roller, which not only ensures the precision of the rotation, but also can well bear the load in the lateral and vertical directions, so that the friction between the top roller and the top circular guide rail is good, and there is no noise when running at high speed. Small.
作为本发明的进一步改进,所述环形齿圈的下方设有侧向支撑环轨,所述侧向支撑环轨固定在所述工作台中心筒的上部;各所述工位回转竖板的内端面分别连接有水平向内伸出的侧向支撑板,所述侧向支撑板上分别固定有向下延伸的支撑滚轮轴,各支撑滚轮轴的下方分别安装有支撑滚轮,所述支撑滚轮分别夹在所述侧向支撑环轨的内外圆周面上。侧向支撑板下方的支撑滚轮分别夹在侧向支撑环轨的内外两侧,一方面起到扶正的作用,确保刷体工作台的竖向轴线平行于工作台中心筒的轴线;另一方面当回转工作台沿顶部环形导轨回转时,支撑滚轮可以承受回转工作台的倾覆力,以及高速回转产生的离心力,确保工位转换平稳、且速度快效率高。As a further improvement of the present invention, a lateral support ring rail is provided below the annular ring gear, and the lateral support ring rail is fixed on the upper part of the central cylinder of the worktable; The end faces are respectively connected with lateral support plates protruding horizontally inward, and support roller shafts extending downward are respectively fixed on the lateral support plates, and support rollers are respectively installed under each support roller shaft, and the support rollers are respectively Clamped on the inner and outer circumferential surfaces of the lateral support ring rail. The support rollers under the lateral support plate are respectively clamped on the inner and outer sides of the lateral support ring rail, on the one hand, it plays a role of righting, ensuring that the vertical axis of the brush body worktable is parallel to the axis of the central cylinder of the worktable; on the other hand When the rotary table rotates along the top circular guide rail, the supporting rollers can withstand the overturning force of the rotary table and the centrifugal force generated by high-speed rotation, ensuring stable station conversion, high speed and high efficiency.
作为本发明的进一步改进,各所述工作台支架板分别呈开口向外的U形,所述刷体工作台分别安装在工作台支架板的中部凹陷处,各工作台支架板的顶部分别连接在工位旋转减速机的输出轴下端,所述工位旋转减速机分别固定在所述工位回转底板的上端面,各工位旋转减速机的输入端分别与工位旋转伺服电机的输出端相连接。工位旋转伺服电机通过工位旋转减速机驱动工作台支架板旋转,使得刷体工作台可以在各工位旋转360°,刷体工作台的旋转其一可以满足在水平方向存在弧面的刷板上钻孔、植毛的需要,刷体工作台的转动可以使刷板的弧形面始终针对钻头或植毛嘴,以便各部位的刷毛均垂直于刷板;其二可以在平面刷板上钻出倾斜的孔眼,使植毛后的刷毛与刷板呈一定角度倾斜;其三刷体工作台的旋转与钻孔、植毛机构的配合,可以改变刷板加工面与工作台中心筒轴线之间的垂直距离,起到沿Y向移动的效果;其四刷体工作台的360°旋转可以避免上一排孔眼加工完成后反向旋转回到下一排孔眼的头端进行加工,可以通过连续旋转进入下一排孔眼的加工,降低控制的难度。As a further improvement of the present invention, each of the workbench support plates is U-shaped with an opening outward, and the brush body workbenches are respectively installed in the depressions in the middle of the workbench support plates, and the tops of each workbench support plates are respectively connected to At the lower end of the output shaft of the station rotary reducer, the station rotary reducer is respectively fixed on the upper end surface of the station rotary bottom plate, and the input end of each station rotary reducer is respectively connected with the output end of the station rotary servo motor. connected. The station rotation servo motor drives the worktable support plate to rotate through the station rotation reducer, so that the brush body worktable can rotate 360° at each station. For the needs of drilling and hair planting on the board, the rotation of the brush body worktable can make the arc surface of the brush board always point to the drill bit or the hair planting nozzle, so that the bristles of each part are perpendicular to the brush board; secondly, it can be drilled on the flat brush board The inclined holes make the bristles and the brush board tilt at a certain angle after the bristles are planted; the rotation of the three-brush worktable and the cooperation of the drilling and bristle planting mechanism can change the distance between the processing surface of the brush board and the axis of the central cylinder of the workbench. The vertical distance has the effect of moving along the Y direction; the 360° rotation of the four-brush worktable can prevent the previous row of holes from being reversely rotated back to the head of the next row of holes for processing, and can be processed through continuous rotation Enter the processing of the next row of holes, reducing the difficulty of control.
作为本发明的进一步改进,各工作台支架板的底部下方分别安装有工位回转托板,各工作台支架板的底部中心分别设有向下突出形成工作台支架板铰接轴,所述工作台支架板铰接轴通过托板轴承支撑在所述工位回转托板中;所述工作台中心筒的下部连接有底部环形导轨,所述底部环形导轨的内外圆周面均设有尖部向外突出的底部V形环;各所述工位回转托板的内侧分别向所述工作台中心筒的方向伸出,各工位回转托板上分别固定连接有向下延伸的底部滚轮轴,各底部滚轮轴的下端分别通过轴承安装有底部滚轮,各底部滚轮的外周中部分别设有向内凹陷的底部滚轮V形槽,各底部滚轮V形槽分别嵌装在所述底部环形导轨内外两侧的底部V形环上。由于刷体工作台在竖向的长度比较长,下方容易出现晃动;本发明将刷体工作台底部铰接在工位回转托板上,工位回转托板通过底部滚轮与底部环形导轨的底部V形环的配合,对回转工作台的下端进行支撑,使整个回转工作台在回转及工作过程中十分稳定。底部V形环嵌于底部滚轮V形槽中,既保证了回转的精度,又可以很好地承受侧向及垂直方向的负载,使底部滚轮与底部环形导轨的配合摩擦良好,高速运转时噪音小。As a further improvement of the present invention, the bottom of each workbench support plate is respectively equipped with a station rotary support plate, and the center of the bottom of each workbench support plate is respectively provided with a hinge shaft protruding downward to form a workbench support plate. The hinged shaft of the support plate is supported in the rotary pallet of the station through the pallet bearing; the bottom circular guide rail is connected to the lower part of the central cylinder of the workbench, and the inner and outer circumferential surfaces of the bottom circular guide rail are provided with pointed parts protruding outward The bottom V-shaped ring of the bottom; the inner sides of the rotating pallets of each station protrude toward the direction of the central cylinder of the workbench respectively, and the rotating pallets of each station are respectively fixedly connected with bottom roller shafts extending downward, and each bottom The lower ends of the roller shafts are respectively equipped with bottom rollers through bearings, and the middle part of the outer periphery of each bottom roller is respectively provided with an inwardly recessed bottom roller V-shaped groove, and each bottom roller V-shaped groove is respectively embedded in the inner and outer sides of the bottom circular guide rail. on the bottom V-ring. Since the vertical length of the brush body workbench is relatively long, it is easy to shake at the bottom; in the present invention, the bottom of the brush body workbench is hinged on the rotary pallet of the station, and the rotary pallet of the station passes through the bottom roller and the bottom V of the bottom circular guide rail. With the cooperation of the ring, the lower end of the rotary table is supported, so that the entire rotary table is very stable during the rotation and working process. The V-shaped ring at the bottom is embedded in the V-shaped groove of the bottom roller, which not only ensures the accuracy of the rotation, but also can well bear the load in the lateral and vertical directions, so that the friction between the bottom roller and the bottom circular guide rail is good, and there is no noise when running at high speed. Small.
作为本发明的进一步改进,各所述刷体工作台的底座分别固定在升降滑板的外端面上,所述升降滑板的内端面分别通过升降滑块支撑在升降导轨上,所述升降导轨固定在所述工作台支架板上,所述工作台支架板的外侧面上部安装有升降驱动伺服电机,所述升降驱动伺服电机的输出端连接有向下延伸的升降丝杠,所述升降丝杠的上下两端分别通过丝杠轴承支撑在所述工作台支架板上,所述升降丝杠的中部旋接有丝杠螺母,所述丝杠螺母固定连接在所述升降滑板的背面。升降驱动伺服电机驱动升降丝杠转动,丝杠螺母带动升降滑板沿升降导轨上下滑动,刷体工作台带动刷板作升降运动,在钻头及植毛嘴高度不变的情况下,可以在回转工作台的高度方向即刷板的宽度方向加工出多排孔眼并植毛。As a further improvement of the present invention, the bases of each brush workbench are respectively fixed on the outer end surfaces of the lifting slides, and the inner end surfaces of the lifting slides are respectively supported on the lifting guide rails by the lifting sliders, and the lifting guide rails are fixed on On the support plate of the workbench, a lifting drive servo motor is installed on the outer surface of the support plate of the workbench, and the output end of the lift drive servo motor is connected with a lifting lead screw extending downwards. The upper and lower ends are respectively supported on the support plate of the workbench by screw bearings. The middle part of the lifting screw is screwed with a screw nut, and the screw nut is fixedly connected to the back of the lifting slide. The lifting drive servo motor drives the lifting lead screw to rotate, the lead screw nut drives the lifting slide plate to slide up and down along the lifting guide rail, and the brush body worktable drives the brush plate to move up and down. In the height direction, that is, the width direction of the brush plate, multiple rows of holes are processed and hairs are planted.
作为本发明的进一步改进,所述刷体工作台底座的外端面上下两端分别设有向外突出的刷体支架,各所述刷体支架的顶部分别安装有刷体安装板,所述刷体安装板沿水平面延伸且下侧分别设有下夹爪,所述刷体安装板的上侧分别设有上夹爪,所述下夹爪和上夹爪的内端头分别固定在夹爪气缸的两端,所述夹爪气缸安装在刷体安装板的背面。将刷板放置在刷体安装板上,夹爪气缸的活塞杆收缩驱动上夹爪和下夹爪同步相向运动,将刷板夹紧;在刷体工作台的上下两端各自夹持有一块刷板,与双头钻植配套,可以同时对上下两个刷板进行同步钻孔和植毛,生产效率提高一倍。As a further improvement of the present invention, the upper and lower ends of the outer end surface of the brush body workbench base are respectively provided with outwardly protruding brush body brackets, and the tops of each of the brush body brackets are respectively installed with brush body mounting plates. The body mounting plate extends along the horizontal plane and the lower side is respectively provided with lower jaws, and the upper side of the brush body mounting plate is respectively provided with upper jaws, and the inner ends of the lower jaws and upper jaws are respectively fixed on the The two ends of the cylinder, the jaw cylinder is installed on the back of the brush body mounting plate. Place the brush plate on the brush body mounting plate, and the piston rod of the jaw cylinder shrinks to drive the upper jaw and the lower jaw to move towards each other synchronously to clamp the brush plate; each of the upper and lower ends of the brush body workbench holds a The brush plate is matched with the double-head drilling and planting, which can simultaneously drill and plant wool on the upper and lower brush plates, and the production efficiency is doubled.
作为本发明的进一步改进,各所述刷体支架的顶部分别铰接有刷板摇摆臂,各刷板摇摆臂的顶部分别固定有所述刷体安装板,各所述刷板摇摆臂的自由端向刷体工作台底座方向伸出且分别铰接在竖向连接板上,所述刷体工作台底座的中部安装有刷板摇摆伺服电机,所述刷板摇摆伺服电机的输出端安装有偏心轮,所述偏心轮的圆周上铰接有连杆,所述连杆的另一端与所述竖向连接板的中部相铰接。刷板摇摆伺服电机通过减速机驱动偏心轮转动,偏心轮驱动连杆的一端作圆周运动,连杆的另一端拉动竖向连接板上下摆动,竖向连接板同时驱动两刷板摇摆臂的内端头摆动,刷板摇摆臂带动刷板同步在竖向作摇摆动作,如果刷板在宽度方向即回转工作台的高度方向存在中间高两边低的弧面,这样的摇摆可以保证在刷板弧形面的上下方向的钻孔及植毛深度相同。As a further improvement of the present invention, the top of each brush body bracket is respectively hinged with a brush board swing arm, and the top of each brush board swing arm is respectively fixed with the brush body mounting plate, and the free end of each brush board swing arm Protrude toward the base of the brush body workbench and are respectively hinged on the vertical connecting plate. A brush plate swing servo motor is installed in the middle of the brush body workbench base, and an eccentric wheel is installed at the output end of the brush plate swing servo motor. , the circumference of the eccentric wheel is hinged with a connecting rod, and the other end of the connecting rod is hinged with the middle part of the vertical connecting plate. The brush plate swing servo motor drives the eccentric wheel to rotate through the reducer. The eccentric wheel drives one end of the connecting rod to make a circular motion. The other end of the connecting rod pulls the vertical connecting plate to swing up and down. The end swings, and the brush plate swing arm drives the brush plate to swing synchronously in the vertical direction. If the brush plate has an arc surface with a high middle and low sides in the width direction, that is, the height direction of the rotary table, such a swing can ensure that the brush plate arc The drilling and flocking depths in the upper and lower directions of the shape surface are the same.
作为本发明的进一步改进,所述第一工位位于所述工作台中心筒的前侧,第二工位位于所述工作台中心筒的后侧,第三工位位于所述工作台中心筒的右侧。第一工位可以作为上料下料工位,第二工位可以作为钻孔工位,第三工位可以作为植毛工位,由于上料下料工位的时间比较充裕,从上料下料工位到达钻孔工位行走180°,从钻孔工位到达植毛工位、从植毛工位到达下料工位只行走90°,以减少空行程占据的时间,提高生产效率。As a further improvement of the present invention, the first station is located at the front side of the workbench central cylinder, the second station is located at the rear side of the workbench central cylinder, and the third station is located at the workbench central cylinder to the right of the . The first station can be used as the loading and unloading station, the second station can be used as the drilling station, and the third station can be used as the flocking station. Since the time for the loading and unloading station is relatively sufficient, it is possible to start from the loading and unloading station. The material station travels 180° to the drilling station, and only travels 90° from the drilling station to the wool planting station, and from the wool planting station to the cutting station, so as to reduce the time occupied by idle travel and improve production efficiency.
本发明的另一个目的在于,提供一种多工位回转工作台进行钻植加工的方法,各工位可以分别进行上料、钻孔、植毛和下料,各工位的操作同步进行且互不干涉,生产效率高。Another object of the present invention is to provide a method for drilling and planting on a multi-station rotary workbench. Each station can perform feeding, drilling, hair planting and unloading respectively, and the operations of each station are carried out synchronously and mutually. Non-interference, high production efficiency.
为实现以上目的,本发明多工位回转工作台进行钻植加工的方法,依次包括如下步骤:刷体在第一工位完成上料,然后回转180°到至第二工位进行钻孔,钻孔后继续回转90°至第三工位进行植毛,植毛完毕后继续回转90°至第一工位进行下料,接着在第一工位完成新刷体的上料,如此循环。In order to achieve the above objectives, the method for drilling and planting on a multi-station rotary workbench of the present invention includes the following steps in sequence: the brush body completes loading at the first station, and then rotates 180° to the second station for drilling, After drilling, continue to turn 90° to the third station for wool planting. After the wool planting is completed, continue to turn 90° to the first station for unloading, and then complete the feeding of new brush bodies at the first station, and so on.
相对于现有技术,本发明取得了以下有益效果:每个工位的工作台支架板悬吊在工位回转底板的下方,再通过工位回转竖板和工位回转顶板悬挂在顶部环形导轨上,各工位可以沿顶部环形导轨回转以实现工位之间的转换。当某个刷板在第三工位进行植毛时,下一个刷板正在第二工位进行钻孔,两者同步进行,同步完成后进行切换,第一工位利用第二、三工位钻孔、植毛的时间完成成品刷板的下料和新刷板的上料,各工位同步工作,互不干涉。由于各工位位于不同的相位上,便于在各工位外侧分别布置钻孔装置、植毛装置及上下料机械手;而且由于刷体工作台为立式布置,刷体加工面朝外,直接面对钻头和植毛嘴,避免了钻孔装置及植毛装置的悬臂布置及传动的形式,提高生产效率的同时,降低了设备的总体重量。Compared with the prior art, the present invention achieves the following beneficial effects: the workbench support plate of each station is suspended under the rotary bottom plate of the station, and then suspended on the top circular guide rail through the rotary vertical plate of the station and the rotary top plate of the station On the top, each station can turn around along the top circular guide rail to realize the conversion between stations. When a brush plate is planting wool at the third station, the next brush plate is drilling at the second station, and the two are carried out synchronously. After the synchronization is completed, switch. The first station uses the second and third stations to drill. The blanking of the finished brush plate and the loading of the new brush plate are completed at the time of hole and hair planting, and each station works synchronously without interfering with each other. Since each station is located in a different phase, it is convenient to arrange the drilling device, the hair planting device and the loading and unloading manipulator on the outside of each station; and because the brush body workbench is arranged vertically, the brush body processing surface faces outwards, directly facing The drill bit and the tufting nozzle avoid the cantilever arrangement and transmission form of the drilling device and the tufting device, which improves the production efficiency and reduces the overall weight of the equipment.
附图说明Description of drawings
图1为本发明多工位回转工作台的主视图。Fig. 1 is the front view of the multi-station rotary table of the present invention.
图2为图1的俯视图。FIG. 2 is a top view of FIG. 1 .
图3为图2中沿A-A的剖视图。Fig. 3 is a sectional view along A-A in Fig. 2 .
图4为图1的立体图。FIG. 4 is a perspective view of FIG. 1 .
图5为图1中某工位去掉刷体工作台后的主视图。Fig. 5 is a front view of a station in Fig. 1 after the brush body workbench is removed.
图6为图5的后视图。FIG. 6 is a rear view of FIG. 5 .
图7为图5中沿B-B的剖视图。Fig. 7 is a sectional view along B-B in Fig. 5 .
图8为图5的立体图一。FIG. 8 is a first perspective view of FIG. 5 .
图9为图5的立体图二。FIG. 9 is a second perspective view of FIG. 5 .
图10为图5的立体图三。FIG. 10 is the third perspective view of FIG. 5 .
图11为图1中顶部环形导轨与顶部滚轮的装配关系图。Fig. 11 is an assembly relationship diagram between the top circular guide rail and the top roller in Fig. 1 .
图中:1.工作台中心筒;2.顶部环形导轨;2a.顶部V形环;3a.工位回转顶板;3b.工位回转竖板;3c.工位回转底板;3d.侧向支撑板;4.顶部滚轮;4a.顶部滚轮轴;5.环形齿圈;6.工位转换伺服电机;6a.工位转换驱动齿轮;7.侧向支撑环轨;8.支撑滚轮;8a.支撑滚轮轴;9.工位旋转伺服电机;9a.工位旋转减速机;10.工作台支架板;10a.升降导轨;11.底部环形导轨;12.工位回转托板;12a.托板轴承;13.底部滚轮;13a.底部滚轮轴;14.升降滑板;15.升降驱动伺服电机;15a.升降丝杠;15b.丝杠轴承;15c.丝杠螺母;16.刷体工作台;16a.刷体安装板;16b.下夹爪;16c.上夹爪;16d.夹爪气缸;16e.刷板摇摆臂;16f.竖向连接板;16g.刷板摇摆伺服电机;16h.连杆。In the figure: 1. Worktable center tube; 2. Top circular guide rail; 2a. Top V-shaped ring; 3a. Station rotary top plate; 3b. Station rotary vertical plate; 3c. Station rotary bottom plate; 3d. Side support Plate; 4. Top roller; 4a. Top roller shaft; 5. Ring gear; 6. Station conversion servo motor; 6a. Station conversion drive gear; 7. Lateral support ring rail; 8. Support roller; 8a. Support roller shaft; 9. Station rotary servo motor; 9a. Station rotary reducer; 10. Workbench support plate; 10a. Lifting guide rail; Bearing; 13. Bottom roller; 13a. Bottom roller shaft; 14. Lifting skateboard; 15. Lifting drive servo motor; 15a. Lifting screw; 15b. Lead screw bearing; 15c. Lead screw nut; 16a. Brush body mounting plate; 16b. Lower jaw; 16c. Upper jaw; 16d. Gripper cylinder; 16e. Brush plate swing arm; 16f. Vertical connecting plate; pole.
具体实施方式Detailed ways
在本发明的以下描述中,术语 “上”、“下”、“前”、“后”、“左”、“右”、“内”、“外”等指示的方位或位置关系为基于附图所示的方位或位置关系,仅是为了便于描述本发明和简化描述,而不是指装置必须具有特定的方位。In the following description of the present invention, the orientation or positional relationship indicated by the terms "upper", "lower", "front", "rear", "left", "right", "inner", "outer" etc. are based on the attached The orientation or positional relationship shown in the figure is only for the convenience of describing the present invention and simplifying the description, and does not mean that the device must have a specific orientation.
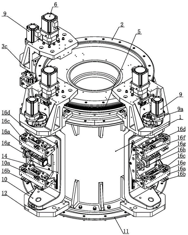
如图1至图4所示,本发明的多工位回转工作台包括工作台中心筒1,工作台中心筒1的顶部安装有顶部环形导轨2,沿顶部环形导轨2的圆周依次设有多个工位,顶部环形导轨2的各工位上分别安装有水平状的工位回转顶板3a,各工位回转顶板3a的外侧分别连接有向下延伸的工位回转竖板3b,各工位回转竖板3b的下端分别连接有向外侧水平伸出的工位回转底板3c,各工位回转底板3c的下方分别安装有工作台支架板10,各工作台支架板10上分别安装有刷体工作台16。As shown in Figures 1 to 4, the multi-station rotary workbench of the present invention includes a workbench center cylinder 1, a top
每个工位的工作台支架板10悬吊在工位回转底板3c的下方,再通过工位回转竖板3b和工位回转顶板3a悬挂在顶部环形导轨2上,各工位可以沿顶部环形导轨2回转以实现工位之间的转换。以三工位为例,刷体可以在第一工位完成上料,然后回转180°到至第二工位进行钻孔,钻孔后继续回转90°至第三工位进行植毛,植毛完毕后继续回转90°至第一工位进行下料,如此循环。当某个刷板在第三工位进行植毛时,下一个刷板正在第二工位进行钻孔,两者同步进行,同步完成后进行切换,第一工位利用第二、三工位钻孔、植毛的时间完成成品刷板的下料和新刷板的上料,各工位同步工作,互不干涉。由于各工位位于不同的相位上,便于在各工位外侧分别布置钻孔装置、植毛装置及上下料机械手;而且由于刷体工作台16为立式布置,刷体加工面朝外,直接面对钻头和植毛嘴,避免了钻孔装置及植毛装置的悬臂布置及传动的形式,提高生产效率的同时,降低了设备的总体重量。The
如图5至图11所示,顶部环形导轨2的内外圆周面均设有尖部向外突出的顶部V形环2a,各工位回转顶板3a上分别固定连接有向下延伸的顶部滚轮轴4a,各顶部滚轮轴4a的下端分别通过轴承安装有顶部滚轮4,各顶部滚轮4的外周中部分别设有向内凹陷的顶部滚轮V形槽,各顶部滚轮V形槽分别嵌装在顶部环形导轨2内外两侧的顶部V形环2a上;顶部环形导轨2的下端面安装有环形齿圈5,各工位回转顶板3a的上端面中心分别安装有工位转换伺服电机6,各工位转换伺服电机6的输出轴分别向下穿过工位回转顶板3a且下端头安装有工位转换驱动齿轮6a,各工位转换驱动齿轮6a分别与环形齿圈5相啮合。工位转换伺服电机6驱动工位转换驱动齿轮6a转动,工位转换驱动齿轮6a与环形齿圈5的啮合使得工位转换驱动齿轮6a沿环形齿圈5前进,工位回转顶板3a通过顶部滚轮4与顶部V形环2a的配合,带动整个回转工作台沿顶部环形导轨2回转实现工位转换。顶部V形环2a嵌于顶部滚轮V形槽中,既保证了回转的精度,又可以很好地承受侧向及垂直方向的负载,使顶部滚轮4与顶部环形导轨2的配合摩擦良好,高速运转时噪音小。As shown in Figures 5 to 11, the inner and outer circumferential surfaces of the top
环形齿圈5的下方设有侧向支撑环轨7,侧向支撑环轨7固定在工作台中心筒1的上部;各工位回转竖板3b的内端面分别连接有水平向内伸出的侧向支撑板3d,侧向支撑板3d上分别固定有向下延伸的支撑滚轮轴8a,各支撑滚轮轴8a的下方分别安装有支撑滚轮8,支撑滚轮8分别夹在侧向支撑环轨7的内外圆周面上。侧向支撑板3d下方的支撑滚轮8分别夹在侧向支撑环轨7的内外两侧,一方面起到扶正的作用,确保刷体工作台16的竖向轴线平行于工作台中心筒1的轴线;另一方面当回转工作台沿顶部环形导轨2回转时,支撑滚轮8可以承受回转工作台的倾覆力,以及高速回转产生的离心力,确保工位转换平稳、且速度快效率高。The side
各工作台支架板10分别呈开口向外的U形,刷体工作台16分别安装在工作台支架板10的中部凹陷处,各工作台支架板10的顶部分别连接在工位旋转减速机9a的输出轴下端,工位旋转减速机9a分别固定在工位回转底板3c的上端面,各工位旋转减速机9a的输入端分别与工位旋转伺服电机9的输出端相连接。工位旋转伺服电机9通过工位旋转减速机9a驱动工作台支架板10旋转,使得刷体工作台16可以在各工位旋转360°,刷体工作台16的旋转其一可以满足在水平方向存在弧面的刷板上钻孔、植毛的需要,刷体工作台16的转动可以使刷板的弧形面始终针对钻头或植毛嘴,以便各部位的刷毛均垂直于刷板;其二可以在平面刷板上钻出倾斜的孔眼,使植毛后的刷毛与刷板呈一定角度倾斜;其三刷体工作台16的旋转与钻孔、植毛机构的配合,可以改变刷板加工面与工作台中心筒1轴线之间的垂直距离,起到沿Y向移动的效果;其四刷体工作台16的360°旋转可以避免上一排孔眼加工完成后反向旋转回到下一排孔眼的头端进行加工,可以通过连续旋转进入下一排孔眼的加工,降低控制的难度。Each
各工作台支架板10的底部下方分别安装有工位回转托板12,各工作台支架板10的底部中心分别设有向下突出形成工作台支架板铰接轴,工作台支架板铰接轴通过托板轴承12a支撑在工位回转托板12中;工作台中心筒1的下部连接有底部环形导轨11,底部环形导轨11的内外圆周面均设有尖部向外突出的底部V形环;各工位回转托板12的内侧分别向工作台中心筒1的方向伸出,各工位回转托板12上分别固定连接有向下延伸的底部滚轮轴13a,各底部滚轮轴13a的下端分别通过轴承安装有底部滚轮13,各底部滚轮13的外周中部分别设有向内凹陷的底部滚轮V形槽,各底部滚轮V形槽分别嵌装在底部环形导轨11内外两侧的底部V形环上。由于刷体工作台16在竖向的长度比较长,下方容易出现晃动;本发明将刷体工作台16底部铰接在工位回转托板12上,工位回转托板12通过底部滚轮13与底部环形导轨11的底部V形环的配合,对回转工作台的下端进行支撑,使整个回转工作台在回转及工作过程中十分稳定。底部V形环嵌于底部滚轮V形槽中,既保证了回转的精度,又可以很好地承受侧向及垂直方向的负载,使底部滚轮13与底部环形导轨11的配合摩擦良好,高速运转时噪音小。The bottom of each
各刷体工作台16的底座分别固定在升降滑板14的外端面上,升降滑板14的内端面分别通过升降滑块支撑在升降导轨10a上,升降导轨10a固定在工作台支架板10上,工作台支架板10的外侧面上部安装有升降驱动伺服电机15,升降驱动伺服电机15的输出端连接有向下延伸的升降丝杠15a,升降丝杠15a的上下两端分别通过丝杠轴承15b支撑在工作台支架板10上,升降丝杠15a的中部旋接有丝杠螺母15c,丝杠螺母15c固定连接在升降滑板14的背面。升降驱动伺服电机15驱动升降丝杠15a转动,丝杠螺母15c带动升降滑板14沿升降导轨10a上下滑动,刷体工作台16带动刷板作升降运动,在钻头及植毛嘴高度不变的情况下,可以在回转工作台的高度方向即刷板的宽度方向加工出多排孔眼并植毛。The bases of each
刷体工作台16底座的外端面上下两端分别设有向外突出的刷体支架,各刷体支架的顶部分别安装有刷体安装板16a,刷体安装板16a沿水平面延伸且下侧分别设有下夹爪16b,刷体安装板16a的上侧分别设有上夹爪16c,下夹爪16b和上夹爪16c的内端头分别固定在夹爪气缸16d的两端,夹爪气缸16d安装在刷体安装板16a的背面。将刷板放置在刷体安装板16a上,夹爪气缸16d的活塞杆收缩驱动上夹爪16c和下夹爪16b同步相向运动,将刷板夹紧;在刷体工作台16的上下两端各自夹持有一块刷板,与双头钻植配套,可以同时对上下两个刷板进行同步钻孔和植毛,生产效率提高一倍。The upper and lower ends of the outer end surface of the
各刷体支架的顶部分别铰接有刷板摇摆臂16e,各刷板摇摆臂16e的顶部分别固定有刷体安装板16a,各刷板摇摆臂16e的自由端向刷体工作台底座方向伸出且分别铰接在竖向连接板16f上,刷体工作台底座的中部安装有刷板摇摆伺服电机16g,刷板摇摆伺服电机16g的输出端安装有偏心轮,偏心轮的圆周上铰接有连杆16h,连杆16h的另一端与竖向连接板16f的中部相铰接。刷板摇摆伺服电机16g通过减速机驱动偏心轮转动,偏心轮驱动连杆16h的一端作圆周运动,连杆16h的另一端拉动竖向连接板16f上下摆动,竖向连接板16f同时驱动两刷板摇摆臂16e的内端头摆动,刷板摇摆臂16e带动刷板同步在竖向作摇摆动作,如果刷板在宽度方向即回转工作台的高度方向存在中间高两边低的弧面,这样的摇摆可以保证在刷板弧形面的上下方向的钻孔及植毛深度相同。The top of each brush body bracket is respectively hinged with a brush
第一工位位于工作台中心筒1的前侧,第二工位位于工作台中心筒1的后侧,第三工位位于工作台中心筒1的右侧。第一工位可以作为上料下料工位,第二工位可以作为钻孔工位,第三工位可以作为植毛工位,由于上料下料工位的时间比较充裕,从上料下料工位到达钻孔工位行走180°,从钻孔工位到达植毛工位、从植毛工位到达下料工位只行走90°,以减少空行程占据的时间,提高生产效率。The first station is located at the front side of the central cylinder 1 of the workbench, the second station is located at the rear of the central cylinder 1 of the workbench, and the third station is located at the right side of the central cylinder 1 of the workbench. The first station can be used as the loading and unloading station, the second station can be used as the drilling station, and the third station can be used as the flocking station. Since the time for the loading and unloading station is relatively sufficient, it is possible to start from the loading and unloading station. The material station travels 180° to the drilling station, and only travels 90° from the drilling station to the wool planting station, and from the wool planting station to the cutting station, so as to reduce the time occupied by idle travel and improve production efficiency.
本发明多工位回转工作台进行钻植加工的方法,依次包括如下步骤:刷体在第一工位完成上料,然后回转180°到至第二工位进行钻孔,钻孔后继续回转90°至第三工位进行植毛,植毛完毕后继续回转90°至第一工位进行下料,接着在第一工位完成新刷体的上料,如此循环。The method for drilling and planting on a multi-station rotary workbench of the present invention includes the following steps in sequence: the brush body completes loading at the first station, then rotates 180° to the second station for drilling, and continues to rotate after drilling 90° to the third station for wool planting, after the wool planting is completed, continue to turn 90° to the first station for unloading, and then complete the feeding of new brush bodies at the first station, and so on.
每个工位的工作台支架板10悬吊在工位回转底板3c的下方,再通过工位回转竖板3b和工位回转顶板3a悬挂在顶部环形导轨2上,各工位可以沿顶部环形导轨2回转以实现工位之间的转换。当某个刷板在第三工位进行植毛时,下一个刷板正在第二工位进行钻孔,两者同步进行,同步完成后进行切换,第一工位利用第二、三工位钻孔、植毛的时间完成成品刷板的下料和新刷板的上料,各工位同步工作,互不干涉。由于各工位位于不同的相位上,便于在各工位外侧分别布置钻孔装置、植毛装置及上下料机械手;而且由于刷体工作台16为立式布置,刷体加工面朝外,直接面对钻头和植毛嘴,避免了钻孔装置及植毛装置的悬臂布置及传动的形式,提高生产效率的同时,降低了设备的总体重量。The
以上仅为本发明之较佳可行实施例而已,非因此局限本发明的专利保护范围。除上述实施例外,本发明还可以有其他实施方式。凡采用等同替换或等效变换形成的技术方案,均落在本发明要求的保护范围内。本发明未经描述的技术特征可以通过或采用现有技术实现,在此不再赘述。The above are only preferred feasible embodiments of the present invention, and are not intended to limit the scope of patent protection of the present invention. In addition to the above-mentioned embodiments, the present invention can also have other implementations. All technical solutions formed by equivalent replacement or equivalent transformation fall within the scope of protection required by the present invention. The undescribed technical features of the present invention can be realized by or adopting existing technologies, and will not be repeated here.
Claims (10)
Priority Applications (1)
| Application Number | Priority Date | Filing Date | Title |
|---|---|---|---|
| CN201711314329.5A CN107874454B (en) | 2017-12-12 | 2017-12-12 | Multi-station rotary table and its method for drilling and planting |
Applications Claiming Priority (1)
| Application Number | Priority Date | Filing Date | Title |
|---|---|---|---|
| CN201711314329.5A CN107874454B (en) | 2017-12-12 | 2017-12-12 | Multi-station rotary table and its method for drilling and planting |
Publications (2)
| Publication Number | Publication Date |
|---|---|
| CN107874454A CN107874454A (en) | 2018-04-06 |
| CN107874454B true CN107874454B (en) | 2023-07-07 |
Family
ID=61773772
Family Applications (1)
| Application Number | Title | Priority Date | Filing Date |
|---|---|---|---|
| CN201711314329.5A Active CN107874454B (en) | 2017-12-12 | 2017-12-12 | Multi-station rotary table and its method for drilling and planting |
Country Status (1)
| Country | Link |
|---|---|
| CN (1) | CN107874454B (en) |
Families Citing this family (5)
| Publication number | Priority date | Publication date | Assignee | Title |
|---|---|---|---|---|
| CN107928103B (en) * | 2017-12-13 | 2019-04-02 | 扬州市海星数控制刷设备有限公司 | Horizontal annular drilling and planting integrated machine and method for drilling and planting processing |
| CN109363343B (en) * | 2018-11-20 | 2024-01-19 | 扬州市海星数控制刷设备有限公司 | Multi-station rotary hair-planting control system and control method thereof |
| CN111084484B (en) * | 2020-01-22 | 2023-07-25 | 扬州颖特休闲日用制品有限公司 | Automatic production machine for brush heads of painting brushes |
| CN116616555A (en) * | 2023-05-29 | 2023-08-22 | 扬州市海星数控制刷设备有限公司 | Horizontal drilling and leveling integrated machine and method for processing brushes |
| CN118577837B (en) * | 2024-05-17 | 2024-12-06 | 江苏悦铮精密制造有限公司 | Drilling machine and drilling process for electromechanical equipment processing |
Citations (11)
| Publication number | Priority date | Publication date | Assignee | Title |
|---|---|---|---|---|
| JPH0912001A (en) * | 1995-06-30 | 1997-01-14 | Josuke Ishimaru | Circulating device for table |
| CN2482336Y (en) * | 2001-06-22 | 2002-03-20 | 中国科学院合肥智能机械研究所 | Multi-station drilling and hair planting machine |
| CN103433568A (en) * | 2013-08-05 | 2013-12-11 | 河南科技大学 | Gear milling machine for forming inner gear ring |
| CN203557120U (en) * | 2013-10-18 | 2014-04-23 | 宁波海天精工股份有限公司 | Numerically-controlled rotary workbench |
| CN105196426A (en) * | 2015-09-24 | 2015-12-30 | 湖北新三友数控机床有限公司 | Numerical-controlled four-station diamond drilling machine |
| CN105692060A (en) * | 2014-11-25 | 2016-06-22 | 中国科学院沈阳自动化研究所 | Multi-station cycle operation circular line |
| CN205343455U (en) * | 2015-11-19 | 2016-06-29 | 海克力斯(上海)自动化设备有限公司 | Automatic three station device of input or output material |
| CN205659144U (en) * | 2016-05-05 | 2016-10-26 | 成都杰仕德科技有限公司 | Rotary type dispensing device of xiLin bottle |
| CN106263499A (en) * | 2016-09-30 | 2017-01-04 | 南京信息职业技术学院 | Rotary six-station automatic bristle embedding equipment for hairbrushes |
| CN107173984A (en) * | 2017-05-17 | 2017-09-19 | 湖北智丰数控机械有限公司 | The three-in-one drilling and hair-planting all-in-one of heavy duty disc, flat board, rod brush |
| CN207604631U (en) * | 2017-12-12 | 2018-07-13 | 扬州市海星数控制刷设备有限公司 | Multi-station turning workbench |
-
2017
- 2017-12-12 CN CN201711314329.5A patent/CN107874454B/en active Active
Patent Citations (11)
| Publication number | Priority date | Publication date | Assignee | Title |
|---|---|---|---|---|
| JPH0912001A (en) * | 1995-06-30 | 1997-01-14 | Josuke Ishimaru | Circulating device for table |
| CN2482336Y (en) * | 2001-06-22 | 2002-03-20 | 中国科学院合肥智能机械研究所 | Multi-station drilling and hair planting machine |
| CN103433568A (en) * | 2013-08-05 | 2013-12-11 | 河南科技大学 | Gear milling machine for forming inner gear ring |
| CN203557120U (en) * | 2013-10-18 | 2014-04-23 | 宁波海天精工股份有限公司 | Numerically-controlled rotary workbench |
| CN105692060A (en) * | 2014-11-25 | 2016-06-22 | 中国科学院沈阳自动化研究所 | Multi-station cycle operation circular line |
| CN105196426A (en) * | 2015-09-24 | 2015-12-30 | 湖北新三友数控机床有限公司 | Numerical-controlled four-station diamond drilling machine |
| CN205343455U (en) * | 2015-11-19 | 2016-06-29 | 海克力斯(上海)自动化设备有限公司 | Automatic three station device of input or output material |
| CN205659144U (en) * | 2016-05-05 | 2016-10-26 | 成都杰仕德科技有限公司 | Rotary type dispensing device of xiLin bottle |
| CN106263499A (en) * | 2016-09-30 | 2017-01-04 | 南京信息职业技术学院 | Rotary six-station automatic bristle embedding equipment for hairbrushes |
| CN107173984A (en) * | 2017-05-17 | 2017-09-19 | 湖北智丰数控机械有限公司 | The three-in-one drilling and hair-planting all-in-one of heavy duty disc, flat board, rod brush |
| CN207604631U (en) * | 2017-12-12 | 2018-07-13 | 扬州市海星数控制刷设备有限公司 | Multi-station turning workbench |
Also Published As
| Publication number | Publication date |
|---|---|
| CN107874454A (en) | 2018-04-06 |
Similar Documents
| Publication | Publication Date | Title |
|---|---|---|
| CN107874454B (en) | Multi-station rotary table and its method for drilling and planting | |
| CN107928103A (en) | Horizontal ring, which bores, plants all-in-one machine and its carries out boring the method for planting processing | |
| CN101758411B (en) | Tool change for machine tools | |
| CN106475841B (en) | A kind of self-feeding having upender and reclaimer device | |
| CN108620974B (en) | Multistation wheel burring equipment | |
| CN105690223A (en) | Mobile phone shell polishing robot | |
| CN107874455B (en) | Horizontal Rolling Brush Disk Brush Drilling and Planting Machine | |
| CN109483381A (en) | A kind of Novel five-axis polishing machine | |
| CN103963071A (en) | Mechanical arm | |
| CN207604631U (en) | Multi-station turning workbench | |
| CN108674973A (en) | A kind of movable mechanical hand feeding platform | |
| CN107928102B (en) | Rolling brush disk brush integrated workbench | |
| CN109894408A (en) | A kind of spray type cleaning machine | |
| CN114619254A (en) | High-speed drilling and tapping machine capable of adjusting drilling depth | |
| CN206066438U (en) | A kind of six axle furred ceiling type mechanical hand mobile devices | |
| CN205342481U (en) | Cantilever lathe with rotary type workstation | |
| CN206066416U (en) | A kind of six shaft vertical type mechanical hand mobile devices | |
| CN104029183B (en) | The four parallel rotary tables of station | |
| CN207604632U (en) | Horizontal ring, which bores, plants all-in-one machine | |
| CN116616555A (en) | Horizontal drilling and leveling integrated machine and method for processing brushes | |
| CN111070014B (en) | A crank connecting rod chamfering machine | |
| CN211516129U (en) | Radial drilling machine workbench for machining shell of rotary fan | |
| CN116548725A (en) | Long brush body four-station drilling and planting integrated machine and hair planting method thereof | |
| CN208343787U (en) | A kind of finishing impression processing unit (plant) | |
| CN215038358U (en) | Suspension type tenon processingequipment |
Legal Events
| Date | Code | Title | Description |
|---|---|---|---|
| PB01 | Publication | ||
| PB01 | Publication | ||
| SE01 | Entry into force of request for substantive examination | ||
| SE01 | Entry into force of request for substantive examination | ||
| GR01 | Patent grant | ||
| GR01 | Patent grant | ||
| PE01 | Entry into force of the registration of the contract for pledge of patent right |
Denomination of invention: Multi-station rotary table and method for drilling and planting processing Granted publication date: 20230707 Pledgee: Yangzhou Guangling Branch of Bank of China Ltd. Pledgor: YANGZHOU HAIXING CNC BRUSH MACHINERY Co.,Ltd. Registration number: Y2025980058852 |
|
| PE01 | Entry into force of the registration of the contract for pledge of patent right |
