CN101640407A - 电源转换装置与方法 - Google Patents

电源转换装置与方法 Download PDF

Info

Publication number
CN101640407A
CN101640407A CN200810134768A CN200810134768A CN101640407A CN 101640407 A CN101640407 A CN 101640407A CN 200810134768 A CN200810134768 A CN 200810134768A CN 200810134768 A CN200810134768 A CN 200810134768A CN 101640407 A CN101640407 A CN 101640407A
Authority
CN
China
Prior art keywords
voltage
power conversion
coupled
circuit
conversion device
Prior art date
Legal status (The legal status is an assumption and is not a legal conclusion. Google has not performed a legal analysis and makes no representation as to the accuracy of the status listed.)
Granted
Application number
CN200810134768A
Other languages
English (en)
Other versions
CN101640407B (zh
Inventor
柯俊伟
Current Assignee (The listed assignees may be inaccurate. Google has not performed a legal analysis and makes no representation or warranty as to the accuracy of the list.)
Pegatron Corp
Original Assignee
Pegatron Corp
Priority date (The priority date is an assumption and is not a legal conclusion. Google has not performed a legal analysis and makes no representation as to the accuracy of the date listed.)
Filing date
Publication date
Application filed by Pegatron Corp filed Critical Pegatron Corp
Publication of CN101640407A publication Critical patent/CN101640407A/zh
Application granted granted Critical
Publication of CN101640407B publication Critical patent/CN101640407B/zh
Active legal-status Critical Current
Anticipated expiration legal-status Critical

Links

Images

Classifications

    • HELECTRICITY
    • H02GENERATION; CONVERSION OR DISTRIBUTION OF ELECTRIC POWER
    • H02HEMERGENCY PROTECTIVE CIRCUIT ARRANGEMENTS
    • H02H7/00Emergency protective circuit arrangements specially adapted for specific types of electric machines or apparatus or for sectionalised protection of cable or line systems, and effecting automatic switching in the event of an undesired change from normal working conditions
    • H02H7/10Emergency protective circuit arrangements specially adapted for specific types of electric machines or apparatus or for sectionalised protection of cable or line systems, and effecting automatic switching in the event of an undesired change from normal working conditions for converters; for rectifiers
    • H02H7/12Emergency protective circuit arrangements specially adapted for specific types of electric machines or apparatus or for sectionalised protection of cable or line systems, and effecting automatic switching in the event of an undesired change from normal working conditions for converters; for rectifiers for static converters or rectifiers
    • H02H7/125Emergency protective circuit arrangements specially adapted for specific types of electric machines or apparatus or for sectionalised protection of cable or line systems, and effecting automatic switching in the event of an undesired change from normal working conditions for converters; for rectifiers for static converters or rectifiers for rectifiers
    • H02H7/1252Emergency protective circuit arrangements specially adapted for specific types of electric machines or apparatus or for sectionalised protection of cable or line systems, and effecting automatic switching in the event of an undesired change from normal working conditions for converters; for rectifiers for static converters or rectifiers for rectifiers responsive to overvoltage in input or output, e.g. by load dump
    • HELECTRICITY
    • H02GENERATION; CONVERSION OR DISTRIBUTION OF ELECTRIC POWER
    • H02HEMERGENCY PROTECTIVE CIRCUIT ARRANGEMENTS
    • H02H7/00Emergency protective circuit arrangements specially adapted for specific types of electric machines or apparatus or for sectionalised protection of cable or line systems, and effecting automatic switching in the event of an undesired change from normal working conditions
    • H02H7/16Emergency protective circuit arrangements specially adapted for specific types of electric machines or apparatus or for sectionalised protection of cable or line systems, and effecting automatic switching in the event of an undesired change from normal working conditions for capacitors

Landscapes

  • Engineering & Computer Science (AREA)
  • Power Engineering (AREA)
  • Dc-Dc Converters (AREA)
  • Rectifiers (AREA)
  • Inverter Devices (AREA)

Abstract

一种电源转换装置与方法,转换交流电压为直流电压而提供予负载,该电源转换方法包含下列步骤:接收交流电压,滤波交流电压而产生滤波电压;接收滤波电压,整流滤波电压而产生整流电压;提供大型电容,接收整流电压而产生输出电压;提供具有一次侧与二次侧的变压器,一次侧耦接大型电容而接收输出电压,二次侧产生直流电压并耦接负载;侦测交流电压,当交流电压的电压值大于预设值,使大型电容与交流电压之间呈现断路。

Description

电源转换装置与方法
技术领域
本发明有关一种电源转换装置与方法,特别是一种具有过电压保护的电源转换装置与方法。
背景技术
具有电源转换装置(adapter)的电脑系统(如:笔记本电脑),通过电源转换装置接收交流电后,将属于交流电压的交流电转换为电脑系统所需的直流电压。先前技术中,电子产品销售市场的反应,经常有电脑系统中电源转换装置因损坏而遭退回的情况发生。经分析发现,大多为电源转换装置中的大型电容(bulk capacitor)烧毁,且大多数发生的地点,集中在配电系统较不稳定且交流电较高的区域,例如:中国、印度等。由于电源转换装置须接收交流电,因此当交流电不稳定时,若所接收的交流电的电压值突然升高,而超过大型电容所能承受的耐压,便会造成大型电容的烧毁,进而使电源转换装置损坏。
此外,当电源转换装置的电源插头与交流电插座连接时,由于插电的瞬间,大型电容处于短路状态,因此会有很高的侵入电流(inrush current)产生。由于插电瞬间产生了大电流值的侵入电流,因此使得火花于瞬间产生。如此,不仅容易令使用者感到危险,且电源转换装置的电源插头更会因火花而造成锈蚀,而损坏其电源插头。
发明内容
有鉴于此本发明提出一种电源转换装置与方法。利用本发明所提出的装置与方法,当交流电电压过大时,停止交流电供应至电源转换装置,如此可解决因交流电的电压过高而造成大型电容(bulk capacitor)的烧毁。再者,当电源转换装置与交流电连接的一瞬间,避免让交流电于瞬间直接进入大型电容,如此可解决瞬间产生火花的问题。
本发明提出一种电源转换装置(adapter),转换交流电压为直流电压而提供予负载,该电源转换装置包含:滤波电路、整流电路、大型电容、变压器及过电压保护电路。滤波电路接收交流电压,滤波交流电压而产生滤波电压。整流电路耦接滤波电路,接收滤波电压,整流滤波电压而产生整流电压。大型电容耦接整流电路,接收整流电压而产生输出电压。变压器具有一次侧与二次侧,一次侧耦接大型电容而接收输出电压,二次侧产生直流电压并耦接负载。过电压保护电路耦接于滤波电路与大型电容之间,当交流电压的电压值大于预设值,过电压保护电路关闭,使大型电容与交流电压之间呈现断路。
本发明亦提出一种电源转换方法,转换交流电压为直流电压而提供予负载,包含下列步骤:接收交流电压,滤波交流电压而产生滤波电压;接收滤波电压,整流滤波电压而产生整流电压;提供大型电容,接收整流电压而产生输出电压;提供具有一次侧与二次侧的一变压器,一次侧耦接大型电容而接收输出电压,二次侧产生直流电压并耦接负载;侦测交流电压,当交流电压的电压值大于预设值,使大型电容与交流电压之间呈现断路。
有关本发明的较佳实施例及其功效,兹配合附图说明如后。
附图说明
图1所示为电源转换装置的第一实施例示意图。
图2所示为电源转换装置的第二实施例示意图。
图3所示为电源转换装置的第三实施例示意图。
图4所示为电源转换装置的第四实施例示意图。
图5所示为电源转换装置的第五实施例示意图。
图6所示电源转换方法的流程图。
具体实施方式
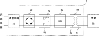
请参照图1,该图所示为电源转换装置的第一实施例示意图。本发明所提出的电源转换装置1转换交流电压为直流电压而提供予负载60,电源转换装置1包含:滤波电路10、整流电路20、大型电容30、变压器40、过电压保护电路50。
滤波电路10接收交流电所提供的交流电压,将交流电压滤波后产生滤波电压。其中,滤波电路10可为RC滤波器或LC滤波器等,但不以此为限。整流电路20耦接滤波电路10,接收滤波电路10所传送的滤波电压,经整流滤波电压后产生整流电压。其中,整流电路20可分为半波整流与全波整流,可利用二极管顺向电压导通而逆向电压截止的特性,达到整流的目的,但不以为限。
大型电容(bulk capacitor)30耦接整流电路20,接收整流电路20所传送的整流电压,而产生输出电压。由于电容为储能元件,在整流电路20整流期间,亦即当整流电路20的二极管导通时,大型电容30会同时充电并储存电荷,此时若没有设置大型电容30,当整流电路20的二极管截止或电压降低时,所产生的电压便会随之降低,形成所谓的涟波电压而非平稳的直流电压。因此,通过大型电容30,当整流电路20的二极管截止或电压降低时,大型电容30便会进行放电,如此可减缓电压的下降。所以,电源转换装置(adapter)1中设置大型电容30,可用以减少涟波(ripple)对电路的影响,而获得平稳的输出电压,进而使传送至负载60的电压为一稳定的直流电压。
变压器40具有一次侧42与二次侧44,一次侧42耦接大型电容30,二次侧44耦接负载60。变压器40接收大型电容30所产生的输出电压而产生负载60所需的直流电压。
过电压保护电路(over voltage protection,OVP)50耦接滤波电路10与大型电容30之间,当交流电压的电压值大于预设值,过电压保护电路50便会关闭,使大型电容30与交流电压之间呈现断路。由此可知,过电压保护电路50位于变压器40的一次侧42,且主要用以保护大型电容30,使大型电容30不会因为交流电压的不稳定而突然升高,造成大型电容30的烧毁。此与一般已知技术中,过电压保护电路大多位于变压器的二次侧,而用以保护负载的方式有所不同。
请参照图2为电源转换装置的第二实施例示意图。于此,过电压保护电路50可包含MOS晶体管开关52。其中,MOS晶体管开关52可为高压型MOS晶体管,如此可承受较高的电压,进而保护大型电容30。当交流电压的电压值小于预设值时,也就是处于正常状态下,MOS晶体管开关52为导通(turn on),因此交流电压可顺利转换直流电压而提供给负载60。相对的,当交流电压突然升高使电压值大于预设值时,MOS晶体管开关52便会关闭(turnoff),如此过高的交流电压便不会流至大型电容30,可确保大型电容30不会因过高的电压而被烧毁。其中,预设值可为大型电容30的最大耐压值,因此在交流电压的电压值超过大型电容30的最大耐压值之前,即可通过过电压保护电路50使大型电容30与交流电压之间呈现断路,达到保护大型电容30的功能。
请参照图3为电源转换装置的第三实施例示意图。由于过电压保护电路50可耦接于滤波电路10与大型电容30之间,因此同时参照图1可知,于图1中过电压保护电路50一端耦接于整流电路20,另一端耦接于大型电容30。而于图3中过电压保护电路50一端耦接于滤波电路10,另一端耦接于整流电路20。上述两种不同的耦接方式,皆可达到由过电压保护电路50保护大型电容30的功能。
请参照图4为电源转换装置的第四实施例示意图。于第四实施例中,还可包含:软启动电路70。于此,软启动电路70可耦接于滤波电路10与大型电容30之间,用以缓升交流电压。
电源转换装置1连接交流电压的瞬间,所产生的输入电流等于交流电压除以输入路径上的等效阻抗(I=V/R)。由于大型电容30在电源转换装置1连接交流电压的瞬间,几乎呈现短路状态,加上滤波电路10、整流电路20的阻抗值均很小,所以造成瞬间的输入电流很大,因而当电源转换装置1的电源插头与交流电插座(交流电压)连接时,容易在瞬间产生火花。因此,本发明提出在电源转换装置1中设置软启动电路70,于交流电压进入瞬间,其电压值能和缓的慢慢上升,如此便不会造成过大的输入电流于瞬间产生,进而可防止火花的发生。
请参照图5为电源转换装置的第五实施例示意图。为了节省成本的支出,可将软启动电路70与过电压保护电路50互相耦合,简单的作法便是将MOS晶体管开关52耦合电容器72。由于MOS晶体管开关52如前所述,可在适当状态下完成导通与关闭两者间的切换,因此可达到过电压保护的功能。加上电容器72具有储存电荷的功能,在交流电压输入瞬间便会对电容器72进行缓慢的充电,配合MOS晶体管开关52,即可达到交流电压软启动(soft start)的功能,使交流电压平缓的上升。此外,于图5中也可发现整流电路20可为桥式整流器。
请参照图6,该图所示为电源转换方法的流程图,该电源转换方法,转换交流电压为直流电压而提供予负载,包含下列步骤。
步骤S10:接收交流电压,滤波交流电压而产生滤波电压。
步骤S20:接收滤波电压,整流滤波电压而产生整流电压。
步骤S30:提供大型电容,接收整流电压而产生输出电压。
步骤S40:提供具有一次侧与二次侧的变压器,一次侧耦接大型电容而接收输出电压,二次侧产生直流电压并耦接负载。
步骤S50:侦测交流电压,当交流电压的电压值大于预设值,使大型电容与交流电压之间呈现断路。于此步骤中还可包含下列步骤:提供MOS晶体管开关,耦接于交流电压与大型电容之间。当交流电压的电压值小于预设值时,MOS晶体管开关导通(turn on);相对的,当交流电压的电压值大于预设值时,MOS晶体管开关闭(turn off)。于此,预设值可为大型电容的最大耐压值。
除了上述步骤之外,还包含下列步骤:当交流电压启动初期,缓升交流电压。也就是说,让交流电压可以平缓的上升,而非启动初期就立刻爬升至额定值,如此可解决交流电压输入瞬间,容易产生火花的问题。
虽然本发明的技术内容已经以较佳实施例揭露如上,然其并非用以限定本发明,任何熟习此技术人员,在不脱离本发明的精神所作些许的更动与润饰,都应涵盖于本发明的范畴内,因此本发明的保护范围当依权利要求书所界定的为准。

Claims (15)

1.一种电源转换装置,转换交流电压为直流电压而提供予负载,其特征是,上述电源转换装置包含:
滤波电路,接收上述交流电压,滤波上述交流电压而产生滤波电压;
整流电路,耦接上述滤波电路,接收上述滤波电压,整流上述滤波电压而产生整流电压;
大型电容,耦接上述整流电路,接收上述整流电压而产生输出电压;
变压器,具有一次侧与二次侧,上述一次侧耦接上述大型电容而接收上述输出电压,上述二次侧产生上述直流电压并耦接上述负载;及
过电压保护电路,耦接于上述滤波电路与上述大型电容之间,当上述交流电压的电压值大于预设值,上述过电压保护电路关闭,使上述大型电容与上述交流电压之间呈现断路。
2.根据权利要求1所述的电源转换装置,其特征是,上述过电压保护电路包含MOS晶体管开关。
3.根据权利要求2所述的电源转换装置,其特征是,上述MOS晶体管开关于上述交流电压的电压值小于上述预设值时导通,于上述交流电压的电压值大于上述预设值时关闭。
4.根据权利要求1所述的电源转换装置,其特征是,上述预设值为上述大型电容的最大耐压值。
5.根据权利要求1所述的电源转换装置,其特征是,上述过电压保护电路一端耦接于上述滤波电路,另一端耦接于上述整流电路。
6.根据权利要求1所述的电源转换装置,其特征是,上述过电压保护电路一端耦接于上述整流电路,另一端耦接于上述大型电容。
7.根据权利要求1所述的电源转换装置,其特征是,上述电源转换装置还包含:
软启动电路,耦接于上述滤波电路与上述大型电容之间,用以缓升上述交流电压。
8.根据权利要求7所述的电源转换装置,其特征是,上述软启动电路包含电容器。
9.根据权利要求7所述的电源转换装置,其特征是,上述软启动电路与上述过电压保护电路互相耦合,包含MOS晶体管开关耦合电容器。
10.根据权利要求1所述的电源转换装置,其特征是,上述整流电路为桥式整流器。
11.一种电源转换方法,转换交流电压为直流电压而提供予负载,其特征是,上述电源转换方法包含下列步骤:
接收上述交流电压,滤波上述交流电压而产生滤波电压;
接收上述滤波电压,整流上述滤波电压而产生整流电压;
提供大型电容,接收上述整流电压而产生输出电压;
提供具有一次侧与二次侧的变压器,上述一次侧耦接上述大型电容而接收上述输出电压,上述二次侧产生上述直流电压并耦接上述负载;及
侦测上述交流电压,当上述交流电压的电压值大于预设值,使上述大型电容与上述交流电压之间呈现断路。
12.根据权利要求11所述的电源转换方法,其特征是,断开上述交流电压与上述大型电容间的线路的步骤,还包含下列步骤:
提供MOS晶体管开关,耦接于上述交流电压与上述大型电容之间。
13.根据权利要求12所述的电源转换方法,其特征是,上述电源转换方法还包含下列步骤:
当上述交流电压的电压值小于上述预设值时,上述MOS晶体管开关导通;及
当上述交流电压的电压值大于上述预设值时,上述MOS晶体管开关闭。
14.根据权利要求11所述的电源转换方法,其特征是,上述预设值为上述大型电容的最大耐压值。
15.根据权利要求11所述的电源转换方法,其特征是,上述电源转换方法还包含下列步骤:
当上述交流电压启动初期,缓升上述交流电压。
CN2008101347682A 2008-07-29 2008-07-29 电源转换装置与方法 Active CN101640407B (zh)

Applications Claiming Priority (1)

Application Number Priority Date Filing Date Title
TW097128704A TWI393339B (zh) 2008-07-29 2008-07-29 電源轉換裝置與方法

Publications (2)

Publication Number Publication Date
CN101640407A true CN101640407A (zh) 2010-02-03
CN101640407B CN101640407B (zh) 2012-06-20

Family

ID=41568507

Family Applications (1)

Application Number Title Priority Date Filing Date
CN2008101347682A Active CN101640407B (zh) 2008-07-29 2008-07-29 电源转换装置与方法

Country Status (3)

Country Link
US (1) US20100020574A1 (zh)
CN (1) CN101640407B (zh)
TW (1) TWI393339B (zh)

Cited By (2)

* Cited by examiner, † Cited by third party
Publication number Priority date Publication date Assignee Title
CN102419626A (zh) * 2010-09-27 2012-04-18 和硕联合科技股份有限公司 电脑系统、电源供应器及其电源管理方法
CN106357131A (zh) * 2015-07-14 2017-01-25 睿能机电有限公司 一种电动工具的电源装置

Families Citing this family (1)

* Cited by examiner, † Cited by third party
Publication number Priority date Publication date Assignee Title
WO2013150417A1 (en) * 2012-04-03 2013-10-10 Koninklijke Philips N.V. A lamp device and a method for operating a lamp device

Family Cites Families (10)

* Cited by examiner, † Cited by third party
Publication number Priority date Publication date Assignee Title
US5933342A (en) * 1998-06-02 1999-08-03 Ford Motor Company Rectifier with alternative path for freewheeling current
US6272025B1 (en) * 1999-10-01 2001-08-07 Online Power Supply, Inc. Individual for distributed non-saturated magnetic element(s) (referenced herein as NSME) power converters
JP4651832B2 (ja) * 2001-03-05 2011-03-16 富士通セミコンダクター株式会社 電源システムの過電圧保護装置
JP3899984B2 (ja) * 2002-04-09 2007-03-28 富士電機デバイステクノロジー株式会社 過電圧保護回路
WO2005008868A1 (en) * 2003-07-17 2005-01-27 Koninklijke Philips Electronics N.V. Power converter
JP2005110486A (ja) * 2003-08-06 2005-04-21 Sony Corp スイッチング電源回路
US7724546B2 (en) * 2005-03-15 2010-05-25 Mitsubishi Electric Corporation Converter
WO2007042517A2 (en) * 2005-10-10 2007-04-19 Commergy Technologies Limited A power converter
TWM330679U (en) * 2007-10-15 2008-04-11 Eng Electric Co Ltd Improved structure for circuit of switch mode power adapter
CN201087939Y (zh) * 2007-10-19 2008-07-16 英格尔科技股份有限公司 交换式电源转换器电路的改良构造

Cited By (2)

* Cited by examiner, † Cited by third party
Publication number Priority date Publication date Assignee Title
CN102419626A (zh) * 2010-09-27 2012-04-18 和硕联合科技股份有限公司 电脑系统、电源供应器及其电源管理方法
CN106357131A (zh) * 2015-07-14 2017-01-25 睿能机电有限公司 一种电动工具的电源装置

Also Published As

Publication number Publication date
US20100020574A1 (en) 2010-01-28
CN101640407B (zh) 2012-06-20
TWI393339B (zh) 2013-04-11
TW201006113A (en) 2010-02-01

Similar Documents

Publication Publication Date Title
CN104795876B (zh) 基于多谐振拓扑的智能充电装置
TWI523359B (zh) 過電壓保護裝置及其操作方法
CN204761146U (zh) 一种双模供电电源
CN113285425B (zh) 一种具有保护功能的整流器
JP2012196109A (ja) スイッチング電源装置の制御回路及びスイッチング電源装置
CN106026626A (zh) 一种基于rc延时电路的浪涌电流抑制器
CN211321213U (zh) 集过零检测及x电容泄放为一体的高压启动电路
CN107591783B (zh) 一种三相电源保护电路及三相电源保护电路的控制方法
TWI413338B (zh) 充電裝置
CN107800117A (zh) 一种具有上电浪涌电流抑制功能的输入过压保护电路
CN207504562U (zh) 一种具有上电浪涌电流抑制功能的输入过压保护电路
CN101640407A (zh) 电源转换装置与方法
CN103795277B (zh) 具有输出保护功能的电源供应器及其控制方法
CN102299508A (zh) 一种带双重过温保护电路的电源
CN102403697B (zh) 一种开关电源过压过流保护电路及保护方法
CN202997964U (zh) 具有输入过流和掉电保护的双端反激式开关电源
WO2017099768A1 (en) Short circuit protection for data interface charging
CN204992533U (zh) 一种开关电源保护电路、保护装置及开关电源
CN201466986U (zh) 具防止突波功能的交换式电源供应器
CN213469919U (zh) 一种逆变焊机保护电路及电焊机
WO2018220495A1 (en) A charging circuit for a socket and the socket thereof
CN1175540C (zh) 启动电流防护电路
CN208971130U (zh) 一种防ac过压欠压的电源电路
JP2010074928A (ja) インバータ装置
CN206640297U (zh) 一种具有断电停机功能的电动工具的电源装置

Legal Events

Date Code Title Description
C06 Publication
PB01 Publication
C10 Entry into substantive examination
SE01 Entry into force of request for substantive examination
C14 Grant of patent or utility model
GR01 Patent grant