RU2385238C1 - Электромобиль - Google Patents
Электромобиль Download PDFInfo
- Publication number
- RU2385238C1 RU2385238C1 RU2008151016/11A RU2008151016A RU2385238C1 RU 2385238 C1 RU2385238 C1 RU 2385238C1 RU 2008151016/11 A RU2008151016/11 A RU 2008151016/11A RU 2008151016 A RU2008151016 A RU 2008151016A RU 2385238 C1 RU2385238 C1 RU 2385238C1
- Authority
- RU
- Russia
- Prior art keywords
- inlet
- torque amplifier
- shaft
- lower vertical
- linear motor
- Prior art date
Links
- 230000007246 mechanism Effects 0.000 claims abstract description 14
- 229910000831 Steel Inorganic materials 0.000 claims abstract description 4
- 239000010959 steel Substances 0.000 claims abstract description 4
- 239000000725 suspension Substances 0.000 claims abstract description 4
- 230000008878 coupling Effects 0.000 claims abstract description 3
- 238000010168 coupling process Methods 0.000 claims abstract description 3
- 238000005859 coupling reaction Methods 0.000 claims abstract description 3
- 230000005520 electrodynamics Effects 0.000 claims description 17
- 230000003014 reinforcing effect Effects 0.000 claims description 5
- 229910001021 Ferroalloy Inorganic materials 0.000 claims description 3
- 239000000696 magnetic material Substances 0.000 claims description 2
- 238000010292 electrical insulation Methods 0.000 claims 1
- 239000000126 substance Substances 0.000 abstract 1
- 238000010586 diagram Methods 0.000 description 3
- 238000005265 energy consumption Methods 0.000 description 2
- 238000005516 engineering process Methods 0.000 description 2
- 240000007594 Oryza sativa Species 0.000 description 1
- 235000007164 Oryza sativa Nutrition 0.000 description 1
- 230000001133 acceleration Effects 0.000 description 1
- 239000000654 additive Substances 0.000 description 1
- 230000000712 assembly Effects 0.000 description 1
- 238000000429 assembly Methods 0.000 description 1
- 230000005540 biological transmission Effects 0.000 description 1
- 230000015556 catabolic process Effects 0.000 description 1
- 239000003638 chemical reducing agent Substances 0.000 description 1
- 238000006731 degradation reaction Methods 0.000 description 1
- 230000007613 environmental effect Effects 0.000 description 1
- 239000002803 fossil fuel Substances 0.000 description 1
- 239000000463 material Substances 0.000 description 1
- 229910052761 rare earth metal Inorganic materials 0.000 description 1
- 235000009566 rice Nutrition 0.000 description 1
- 230000000630 rising effect Effects 0.000 description 1
Images
Classifications
-
- Y—GENERAL TAGGING OF NEW TECHNOLOGICAL DEVELOPMENTS; GENERAL TAGGING OF CROSS-SECTIONAL TECHNOLOGIES SPANNING OVER SEVERAL SECTIONS OF THE IPC; TECHNICAL SUBJECTS COVERED BY FORMER USPC CROSS-REFERENCE ART COLLECTIONS [XRACs] AND DIGESTS
- Y02—TECHNOLOGIES OR APPLICATIONS FOR MITIGATION OR ADAPTATION AGAINST CLIMATE CHANGE
- Y02T—CLIMATE CHANGE MITIGATION TECHNOLOGIES RELATED TO TRANSPORTATION
- Y02T10/00—Road transport of goods or passengers
- Y02T10/60—Other road transportation technologies with climate change mitigation effect
- Y02T10/70—Energy storage systems for electromobility, e.g. batteries
-
- Y—GENERAL TAGGING OF NEW TECHNOLOGICAL DEVELOPMENTS; GENERAL TAGGING OF CROSS-SECTIONAL TECHNOLOGIES SPANNING OVER SEVERAL SECTIONS OF THE IPC; TECHNICAL SUBJECTS COVERED BY FORMER USPC CROSS-REFERENCE ART COLLECTIONS [XRACs] AND DIGESTS
- Y02—TECHNOLOGIES OR APPLICATIONS FOR MITIGATION OR ADAPTATION AGAINST CLIMATE CHANGE
- Y02T—CLIMATE CHANGE MITIGATION TECHNOLOGIES RELATED TO TRANSPORTATION
- Y02T10/00—Road transport of goods or passengers
- Y02T10/60—Other road transportation technologies with climate change mitigation effect
- Y02T10/7072—Electromobility specific charging systems or methods for batteries, ultracapacitors, supercapacitors or double-layer capacitors
Landscapes
- Electric Propulsion And Braking For Vehicles (AREA)
- Arrangement Or Mounting Of Propulsion Units For Vehicles (AREA)
Abstract
Изобретение относится в области электротранспорта и может быть использовано при конструировании электромобилей. Электромобиль содержит несущий кузов, ходовую часть с элементами подвески, управляемыми и ведущими колесами, отсек аккумуляторных батарей, тяговые электродвигатели с колесными редукторами, механизмы управления. На электромобиле дополнительно установлены усилитель крутящего момента, генератор постоянного тока и тормозные реостаты. Усилитель крутящего момента содержит корпус, закрытый передней и задней крышками. Внутри корпуса соосно друг другу установлены ведущий и ведомый валы. Оба вала связаны между собой посредством муфты, соединенной с ручкой управления. Внутри корпуса установлено несколько усилительных элементов, связанных с ведущим валом, каждый из которых содержит постоянный магнит, выполненный в форме прямоугольного бруска, и электродинамический линейный двигатель, щетки которого соединены с аккумуляторными батареями, зубчатую шестерню, закрепленную на ведущем валу и размещенную в круглом корпусе. Корпус зубчатой шестерни заполнен стальными шариками. Ведомый вал усилителя крутящего момента соединен с валом генератора постоянного тока, выход которого через механизмы управления соединен с тяговыми электродвигателями и аккумуляторными батареями. Тормозные реостаты включаются в цепь тяговых электродвигателей, когда последние работают в режиме генераторов. Технический результат заключается в экономичном расходовании энергии аккумуляторных батарей, увеличении пробега между их зарядками. 10 ил.
Description
Настоящее изобретение относится к области электротранспорта и может найти применение при конструировании электромобилей.
В наcтощее время в связи с растущими ценами и увеличивающимися трудностями получения органического топлива, а также ухудшением экологической обстановки в крупных городах намечается тенденция по переходу на энергосберегающие технологии и созданию экономичных двигателей, новых источников электрического тока. Ведутся также работы по созданию устройств, позволяющих при небольших затратах энергии на входе, получать более значительные мощности на выходе /http://www.energi.21.ru, http://www.ntpo.com, http://www.strocon.ru, http://www.senav.get, http://torch.kosmopoisk.ru).
Предлагаемое изобретение относится к энергосберегающим технологиям.
Известен электрокар, содержащий раму, ходовую часть с моторными и управляемыми колесами, площадку водителя, грузовую платформу, отсек аккумуляторных батарей, механизмы управления. Грузоподъемность 5 т, скорость движения 15-20 нм/час, запас хода в пределах заводской территории.
/Политехнический словарь, изд.2, гл. ред. акад. А.Ю.Ишлинский, Советская энциклопедия, М., 1980, с.612-613/.
Недостатками известного электрокара являются небольшое расстояние перемещения груза, малая скорость движения, большой расход электроэнергии, частые зарядки аккумуляторных батарей, большой собственный вес.
Указанные недостатки обусловлены конструкцией электрокара.
Известен также электромобиль японской фирмы "Ниссан", содержащий несущий кузов, ходовую часть с элементами подвески, управляемыми и ведущими колесами, отсек аккумуляторных батарей, тяговые электродвигатели с колесными редукторами, механизмы управления. Масса 3,5 т, грузоподъемность 1 т, мощность двигателя 27 кВт, скорость 85 км/час, запас хода при скорости движения 40 нм/час 220 км. /Там же, с.614, рис на с.616/.
Известный электромобиль японской фирмы "Ниссан" как наиболее близкий по технической сущности и достигаемому полезному результату принят за прототип.
Недостатками известного электромобиля фирмы "Ниссан", принятого за прототип, являются большой собственный вес, большой расход электроэнергии, частые зарядки аккумуляторных батарей, небольшая скорость движения при поездке на максимальную дальность.
Указанные недостатки обусловлены конструкцией электромобиля.
Целью настоящего изобретения является повышение технических характеристик электромобиля.
Указанная цель согласно изобретению обеспечивается тем, что на электромобиле дополнительно установлены: усилитель крутящего момента, генератор постоянного тока и тормозные реостаты, причем усилитель крутящего момента представляет собой корпус, закрытый передней и задней крышками, внутри которого установлены в подшипниках задней и передней крышек соответственно ведущий и ведомый валы, передний конец первого из которых вставлен в задний торец ведомого вала, причем оба зала связаны друг с другом посредством муфты, которая кинематически соединена с ручкой управления, установленной снаружи корпуса, кроме того, ведущий вал связан с несколькими усилительными элементами, одинаковыми по конструкции, каждый из которых содержит постоянный магнит, выполненный в форме прямоугольного бруска, установленного вертикально, внутри которого выполнены верхний и нижний вертикальные каналы, входное отверстие верхнего вертикального канала открывается на торцевую поверхность одного магнитного полюса, а входное отверстие нижнего вертикального канала открывается на торцевую поверхность другого магнитного полюса, причем выходные отверстия верхнего и нижнего вертикальных каналов выходят на среднюю часть постоянного магнита, на противоположные стороны, где напряженность магнитного поля самая минимальная, кроме того, каждый усилительный элемент имеет электродинамический линейный двигатель, состоящий из С-образного магнита, между полюсами которого установлена электроизоляционная трубка, имеющая сквозные соосные пазы, в которые вставлены две щетки, подключенные к клеммам клеммовой коробки, причем выходное отверстие верхнего вертикального канала соединено трубопроводом с входным отверстием электроизоляционной трубки электродинамического линейного двигателя, а входное отверстие упомянутого канала соединено трубопроводом с выходным отверстием нижнего вертикального канала, кроме того, зубчатая шестерня усилительного элемента закреплена на ведущем валу и размещена в круглом корпусе, входное отверстие которого трубопроводом соединено с выходным отверстием электроизоляционной трубки электродинамического линейного двигателя, а выходное отверстие круглого корпуса соединено трубопроводом с входным отверстием нижнего вертикального канала, кроме того, верхний и нижний вертикальные каналы, трубопроводы, электроизоляционная трубка электродинамического линейного двигателя, круглый корпус зубчатой шестерни заполнены стальными шариками, контактирующими друг с другом и с щетками электродинамического линейного двигателя, причем каждый шестой шарик выполнен из ферросплава, не проводящего электрический ток, а все трубопроводы выполнены из немагнитного материала, кроме того, вал генератора постоянного тока связан с ведомым валом усилителя крутящего момента, а электрически соединен через механизмы управления с тяговыми электродвигателями и аккумуляторными батареями, которые соединены с клеммами клеммовой коробки усилителя крутящего момента, причем тормозные реостаты через механизмы управления включены в цепь тяговых электродвигателей.
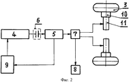
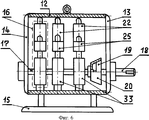
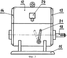
Сущность изобретения поясняется чертежами, где на фиг.1 изображен общий вид электромобиля, на фиг.2 - схема силовой передачи, на фиг.3 - общий вид усилителя крутящего момента, на фиг.4 - вид сзади на усилитель крутящего момента, на фиг.5 - вид опереди на усилитель крутящего момента, на фиг.6 - расположение деталей и узлов в корпусе усилителя крутящего момента, на фиг.7 - схема усилительного элемента, на фиг.8 - картина магнитного поля прямоугольного магнита, на фиг.9 - устройство электродинамического линейного двигателя, на фиг.10 - схема принципа действия усилительного элемента.
Электромобиль содержит несущий кузов 1, ходовую часть с элементами подвески, управляемыми 2 и ведущими 3 колесами. В моторном отсеке размещены усилитель крутящего момента 4, генератор постоянного тока 5, вал которого посредством соединительной муфты 6 связан с валом усилителя крутящего момента. Там же размещены механизмы управления 7, тормозные реостаты 8, а в задней части несущего кузова расположен отсек аккумуляторных батарей 9, которые через механизмы управления подключены к клеммам усилителя крутящего момента и через зарядное устройство, не показанное на чертежах, к генератору постоянного тока. Ведущие колеса через колесные редукторы 10 соединены с тяговыми электродвигателями 11, в цепь которых через механизмы управления включены тормозные реостаты. Усилитель крутящего момента содержит корпус 12, закрытый передней 13 и задней 14 крышками, имеющий в нижней части опорную плиту 15. Внутри корпуса размещено несколько усилительных элементов 16, одинаковых по конструкции, ведущий вал 17, один конец которого установлен в подшипнике задней крышки, а другой вставлен в торец ведомого вала 18, свободный конец которого пропущен в отверстие передней крышки. На заднем конце ведомого вала закреплен ведомый элемент 19 разобщительной муфты, ведущий элемент которой установлен на шлицах ведущего вала с возможностью продольного перемещения. Ведущий элемент 20 разобщительной муфты кинематически связан с ручкой управления 21, установленной снаружи корпуса. Каждый усилительный элемент содержит постоянный магнит 22, выполненный в форме прямоугольного бруска, установленного вертикально, внутри которого выполнены верхний 23 и нижний 24 вертикальные каналы. Входное отверстие верхнего вертикального канала открывается на торцевую поверхность одного магнитного полюса, а входное отверстие нижнего вертикального канала открывается на торцевую поверхность другого магнитного полюса. Выходные отверстия верхнего и нижнего вертикальных каналов выходят на среднюю часть постоянного магнита, на противоположные стороны, где напряженность магнитного поля самая минимальная или вовсе отсутствует. Каждый усилительный элемент имеет электродинамический линейный двигатель 25, состоящий из С-образного постоянного магнита 26, между полюсами которого установлена электроизоляционная трубка 27, имеющая сквозные пазы, в которые вставлены две щетки 28, одна напротив другой, подключенные к клеммам клеммовой коробки 29. Выходное отверстие верхнего вертикального канала соединено трубопроводом 30 с входным отверстием электроизоляционной трубки электродинамического линейного двигателя, а входное отверстие упомянутого канала трубопроводом 31 соединено с выходным отверстием нижнего вертикального канала. Зубчатая шестерня 32 (звездочка) усилительного элемента закреплена на ведущем валу и размещена в круглом корпусе 33, входное отверстие которого трубопроводом 34 соединено с выходным отверстием электроизоляционной трубки электродинамического линейного двигателя, а выходное отверстие круглого корпуса трубопроводом 35 соединено с входным отверстием нижнего вертикального канала. Все трубопроводы, электроизоляционная трубка, круглый корпус, верхний и нижний вертикальные каналы заполнены стальными шариками 36, контактирующими друг с другом и с щетками электродинамического линейного двигателя. Чтобы предотвратить действие электрического тока на шарики, находящиеся вне электроизоляционной трубки электродинамического линейного двигателя, каждый шестой из них выполнен из ферросплава, не проводящего электрический ток. Вал генератора постоянного тока соединен с валом усилителя крутящего момента, выход которого через механизмы управления соединен с тяговыми электродвигателями, в цепь которых также через механизмы управления включены тормозные реостаты.
Работа электромобиля
Перед началом движения электромобиля необходимо передвинуть ручку управления 21 и отключить разобщительную муфту, отсоединив ведущий вал 17 от ведомого вала 18 усилителя крутящего момента. После этого усилитель крутящего момента 4 подключается к аккумуляторным батареям 9. Постоянный ток через клеммы клеммовой коробки 29 подается на щетки 28 всех электродинамических линейных двигателей 25 усилительных элементов 16, при этом щетки 28 должны контактировать не менее чем с пятью шариками 36. Ток J проходит через шарика 36, находящиеся в магнитном поле С-образного магнита 26, и на них действует сила F (фит.10), которая заставляет их перемещаться со скоростью V. В результате все шарики перемещаются и через зубья шестерни 32 вращают ведущий вал 17. Если посмотреть на фиг.8, где представлена картина магнитного поля магнита 22, то видно, что максимальная магнитная напряженность сосредоточена на полюсах, а в средней части, показано пунктирными линиями, оно отсутствует. Поэтому при движении шариков 36 через трубопроводы 31, 35 они попадают в верхний 23 и нижний 24 вертикальные каналы и под действием магнитного поля втягиваютcя с ускорением внутрь магнита 22 силами F1 и F2. Те шарики 36, которые находятся в средней части, будут без всякого сопротивления выходить из магнита 22, так как магнитное поле в том месте отсутствует, и двигатьcя дальше. В результате непрерывного втягивания магнитным полем магнита 22 движение шариков 36 будет происходить под действием равнодействующей силы Fp, которая складывается из сил F+F1+F2, и возрастать до определенного момента. Как только зубчатая шестерня 32 и ведущий вал 17 достигнут максимальной частоты вращения и необходимой мощности, поворачивается ручка управления 21. Ведущий элемент 20 разобщительной муфты соединится с ведомым элементом 19, ведомый вал 18 начнет вращаться и вращать вал генератора постоянного тока 5, который через механизмы управления 7 подаст ток на тяговые электродвигатели 11, и электромобиль придет в движение. Скорость движения электромобиля может изменяться путем изменения величины тока, подаваемого на тяговые электродвигатели 11. Торможение осуществляется обычными тормозами и дополнительно путем включения в цепь тяговых электродвигателей 11 тормозных реостатов 8 в моменты, когда тяговые электродвигатели работают в режиме генераторов постоянного тока. Для того чтобы мощность на валу усилителя крутящего момента была максимальной, магниты 22 должны иметь большую магнитную напряженность и быть изготовленными из материалов, имеющих добавки редкоземельных элементов. При небольшой скорости движения на спусках, на остановках неиспользованная энергия генератора постоянного тока 5 направляется на подзарядку аккумуляторных батарей 9. По прибытии к месту назначения усилитель крутящего момента 4 отключается от аккумуляторных батарей 9, а ручкой управления 21 ведущий вал 17 отключается от ведомого вала 18.
Положительный аффект: меньший расход энергии аккумуляторных батарей, увеличение пробега между зарядками аккумуляторных батарей.
Claims (1)
- Электромобиль, содержащий несущий кузов, ходовую часть с элементами подвески, управляемые и ведущие колеса, отсек аккумуляторных батарей, тяговые электродвигатели с колесными редукторами, механизмы управления, отличающийся тем, что на электромобиле дополнительно установлены: усилитель крутящего момента, генератор постоянного тока и тормозные реостаты, причем усилитель крутящего момента представляет собой корпус, закрытый передней и задней крышками, внутри которого установлены в подшипниках задней и передней крышек соответственно ведущий и ведомый валы, передний конец первого из которых вставлен в задний торец ведомого вала, причем оба вала связаны друг с другом посредством муфты, которая кинематически соединена с ручкой управления, установленной снаружи корпуса, кроме того, ведущий вал связан с несколькими усилительными элементами, одинаковыми по конструкции, каждый из которых содержит постоянный магнит, выполненный в форме прямоугольного бруска, установленного вертикально, внутри которого выполнены верхний и нижний вертикальные каналы, входное отверстие верхнего вертикального канала открывается на торцевую поверхность одного магнитного полюса, а входное отверстие нижнего вертикального канала открывается на торцевую поверхность другого магнитного полюса, причем выходные отверстия верхнего и нижнего вертикальных каналов выходят на среднюю часть постоянного магнита, на противоположные стороны, где напряженность магнитного поля самая минимальная, кроме того, каждый усилительный элемент имеет электродинамический линейный двигатель, состоящий из С-образного магнита, между полюсами которого установлена электроизоляционная трубка, имеющая сквозные соосные пазы, в которые вставлены две щетки, подключенные в клеммам клеммовой коробки, причем выходное отверстие верхнего вертикального канала соединено трубопроводом с входным отверстием электроизоляционной трубки электродинамического линейного двигателя, а входное отверстие упомянутого канала соединено трубопроводом с выходным отверстием нижнего вертикального канала, кроме того, зубчатая шестерня усилительного элемента закреплена на ведущем валу и размещена в круглом корпусе, входное отверстие которого трубопроводом соединено с выходным отверстием электроизоляционной трубки электродинамического линейного двигателя, а выходное отверстие круглого корпуса соединено трубопроводом с входным отверстием нижнего вертикального канала, кроме того, верхний и нижний вертикальные каналы, трубопроводы, электроизоляционная трубка электродинамического линейного двигателя, круглый корпус зубчатой шестерни заполнены стальными шариками, контактирующими друг с другом и с щетками электродинамического линейного двигателя, причем каждый шестой шарик выполнен из ферросплава, не проводящего электрический ток, а все трубопроводы выполнены из немагнитного материала, кроме того, вал генератора постоянного тока связан с ведомым валом усилителя крутящего момента, а электрически соединен через механизмы управления с тяговыми электродвигателями и аккумуляторными батареями, которые соединены с клеммами клеммной коробки усилителя крутящего момента, причем тормозные реостаты через механизмы управления включены в цепь тяговых электродвигателей.
Priority Applications (1)
| Application Number | Priority Date | Filing Date | Title |
|---|---|---|---|
| RU2008151016/11A RU2385238C1 (ru) | 2008-12-22 | 2008-12-22 | Электромобиль |
Applications Claiming Priority (1)
| Application Number | Priority Date | Filing Date | Title |
|---|---|---|---|
| RU2008151016/11A RU2385238C1 (ru) | 2008-12-22 | 2008-12-22 | Электромобиль |
Publications (1)
| Publication Number | Publication Date |
|---|---|
| RU2385238C1 true RU2385238C1 (ru) | 2010-03-27 |
Family
ID=42138344
Family Applications (1)
| Application Number | Title | Priority Date | Filing Date |
|---|---|---|---|
| RU2008151016/11A RU2385238C1 (ru) | 2008-12-22 | 2008-12-22 | Электромобиль |
Country Status (1)
| Country | Link |
|---|---|
| RU (1) | RU2385238C1 (ru) |
Cited By (3)
| Publication number | Priority date | Publication date | Assignee | Title |
|---|---|---|---|---|
| RU2481969C2 (ru) * | 2011-05-16 | 2013-05-20 | Матвеев Владимир Анатольевич | Гибридный автомобиль |
| RU2510338C2 (ru) * | 2011-06-14 | 2014-03-27 | Мицубиси Дзидося Когио Кабусики Кайся | Устройство управления прогревом для транспортного средства |
| RU2659307C2 (ru) * | 2014-03-19 | 2018-06-29 | Тойота Дзидося Кабусики Кайся | Транспортное средство и способ управления транспортным средством |
Citations (3)
| Publication number | Priority date | Publication date | Assignee | Title |
|---|---|---|---|---|
| US4339015A (en) * | 1978-02-16 | 1982-07-13 | Lucas Industries Limited | Electrically driven vehicles |
| EP0067755A1 (en) * | 1981-05-27 | 1982-12-22 | Larry T. Jamison | Energy source employing electrical energizer |
| RU2048309C1 (ru) * | 1992-11-02 | 1995-11-20 | Иван Федорович Маслянцев | Электромобиль |
-
2008
- 2008-12-22 RU RU2008151016/11A patent/RU2385238C1/ru not_active IP Right Cessation
Patent Citations (3)
| Publication number | Priority date | Publication date | Assignee | Title |
|---|---|---|---|---|
| US4339015A (en) * | 1978-02-16 | 1982-07-13 | Lucas Industries Limited | Electrically driven vehicles |
| EP0067755A1 (en) * | 1981-05-27 | 1982-12-22 | Larry T. Jamison | Energy source employing electrical energizer |
| RU2048309C1 (ru) * | 1992-11-02 | 1995-11-20 | Иван Федорович Маслянцев | Электромобиль |
Cited By (3)
| Publication number | Priority date | Publication date | Assignee | Title |
|---|---|---|---|---|
| RU2481969C2 (ru) * | 2011-05-16 | 2013-05-20 | Матвеев Владимир Анатольевич | Гибридный автомобиль |
| RU2510338C2 (ru) * | 2011-06-14 | 2014-03-27 | Мицубиси Дзидося Когио Кабусики Кайся | Устройство управления прогревом для транспортного средства |
| RU2659307C2 (ru) * | 2014-03-19 | 2018-06-29 | Тойота Дзидося Кабусики Кайся | Транспортное средство и способ управления транспортным средством |
Similar Documents
| Publication | Publication Date | Title |
|---|---|---|
| US9187001B2 (en) | Electromagnetic braking device | |
| JP2001519139A (ja) | 電気自動車 | |
| CN102386734A (zh) | 一种增程式电动汽车用永磁同步电机 | |
| CA2730566C (en) | Drive system for electric vehicles | |
| RU2385238C1 (ru) | Электромобиль | |
| JP5815847B2 (ja) | 車両用モータ発電機装置 | |
| CN201970848U (zh) | 轮毂驱动装置和采用该装置的轮毂驱动电动车 | |
| CN101648517A (zh) | 一种用于电动汽车的无刷轮毂电机四驱动装置 | |
| CN201553026U (zh) | 混合动力车轮边驱动装置 | |
| CN101277043B (zh) | 一种混合动力车用变频调速电机及发电机组 | |
| CN201761371U (zh) | 自发电电动车 | |
| CN101108591A (zh) | 自充电式电动车 | |
| CN201038901Y (zh) | 一种混合动力车用变频调速电机及发电机组 | |
| RU2741404C2 (ru) | Схема привода автомобиля с ДВС, позволяющая оборудовать транспортное средство электрическим двигателем | |
| CN202541304U (zh) | 一种半自动挡增程式电动汽车 | |
| CN101920650A (zh) | 装有无刷行驶制动蓄能同步发电机的机动车 | |
| RU2400378C2 (ru) | Электромобиль | |
| Karthi et al. | Design and fabrication of an electric bike | |
| CN104842763A (zh) | 汽车油电两用动力传动系统 | |
| WO2018157220A1 (pt) | Kit de propulsão elétrica para instalação em veículo automotor | |
| CN103921687B (zh) | 一种并联电动汽车动力系统 | |
| CN201784790U (zh) | 一种油电一体混合双动力三、四轮车 | |
| CN223355384U (zh) | 车辆及其驱动系统 | |
| CN201808436U (zh) | 一种新型的动力前后驱动电动汽车 | |
| WO2007032693A1 (en) | A magnetic levitation toy vehicle and the propulsion system thereof |
Legal Events
| Date | Code | Title | Description |
|---|---|---|---|
| MM4A | The patent is invalid due to non-payment of fees |
Effective date: 20131223 |