RU2327103C2 - Способ измерения длины и скорости ферромагнитных изделий - Google Patents
Способ измерения длины и скорости ферромагнитных изделий Download PDFInfo
- Publication number
- RU2327103C2 RU2327103C2 RU2006108617/28A RU2006108617A RU2327103C2 RU 2327103 C2 RU2327103 C2 RU 2327103C2 RU 2006108617/28 A RU2006108617/28 A RU 2006108617/28A RU 2006108617 A RU2006108617 A RU 2006108617A RU 2327103 C2 RU2327103 C2 RU 2327103C2
- Authority
- RU
- Russia
- Prior art keywords
- marks
- length
- magnetic
- product
- electromagnet
- Prior art date
Links
- 238000000034 method Methods 0.000 title claims abstract description 23
- 230000005294 ferromagnetic effect Effects 0.000 title claims abstract description 10
- 238000005259 measurement Methods 0.000 title abstract description 13
- 230000005291 magnetic effect Effects 0.000 claims abstract description 58
- 230000000694 effects Effects 0.000 abstract 2
- 239000000126 substance Substances 0.000 abstract 1
- 238000004804 winding Methods 0.000 description 4
- 241000566515 Nedra Species 0.000 description 2
- TWXHOCQWENATIA-UHFFFAOYSA-N SNNS Chemical compound SNNS TWXHOCQWENATIA-UHFFFAOYSA-N 0.000 description 2
- 229910000831 Steel Inorganic materials 0.000 description 2
- 238000012937 correction Methods 0.000 description 2
- 238000006073 displacement reaction Methods 0.000 description 2
- 230000006698 induction Effects 0.000 description 2
- 238000000691 measurement method Methods 0.000 description 2
- 239000010959 steel Substances 0.000 description 2
- 244000309464 bull Species 0.000 description 1
- 238000010586 diagram Methods 0.000 description 1
- 239000012634 fragment Substances 0.000 description 1
- 238000009434 installation Methods 0.000 description 1
- 230000005415 magnetization Effects 0.000 description 1
- 239000000463 material Substances 0.000 description 1
- 238000011160 research Methods 0.000 description 1
- 238000012360 testing method Methods 0.000 description 1
- 230000001052 transient effect Effects 0.000 description 1
Images
Landscapes
- Measurement Of Length, Angles, Or The Like Using Electric Or Magnetic Means (AREA)
- Length Measuring Devices With Unspecified Measuring Means (AREA)
Abstract
Изобретение относится к измерительной технике, в частности к измерениям длины и скорости перемещения протяженных ферромагнитных изделий методом магнитных меток. Технический результат: уменьшение влияния изменения скорости движения изделия на точность измерения его длины. Сущность: наносят на движущееся изделие импульсным электромагнитом магнитные метки. Считывают эти метки расположенным на фиксированном расстоянии от электромагнита магнитным преобразователем. Каждую последующую метку наносят в момент считывания предыдущей. Подсчитывают число считанных магнитных меток. Измеряют временной интервал между соседними метками. Скорость V изделия и длину Lx изделия определяют по формулам:
где N - число подсчитанных магнитных меток; t - временной интервал между соседними метками; L0 - базовое расстояние, определяемое для случая V→0; k - экспериментально определенная величина, имеющая размерность времени. 4 ил.
Description
Изобретение относится к измерительной технике, в частности к измерениям длины и скорости перемещения протяженных ферромагнитных изделий методом магнитных меток.
Известен способ измерения длины методом магнитных меток, реализованный в устройстве для измерения длины ферромагнитных изделий (авт. свид. СССР №326434, МПК G01B 7/04, опубл. 22.11.1972 г.). Способ заключается в нанесении на движущееся изделие импульсным электромагнитом магнитных меток, считывании этих меток расположенным на фиксированном расстоянии от электромагнита магнитным преобразователем, нанесении каждой последующей метки в момент считывания предыдущей, подсчете числа считанных магнитным преобразователем магнитных меток и определении длины изделия путем умножения числа посчитанных магнитных меток на базовое расстояние.
Недостатком известного способа измерения является низкая точность измерения при высоких и непостоянных скоростях движения изделия, что обусловлено увеличением при повышении скорости движения фактического (отличающегося от базового) расстояния между магнитными метками.
Наиболее близким по технической сущности к предлагаемому изобретению является способ измерения длины и скорости ферромагнитных изделий, реализованный в устройстве для измерения длины ферромагнитных изделий (патент РФ №2082078, МПК 6 G01 B7/04, опубл. 20.06.1997). Способ заключается в нанесении на движущееся изделие импульсным электромагнитом магнитных меток, считывании этих меток расположенным на фиксированном расстоянии от электромагнита магнитомодуляционным преобразователем, нанесении каждой последующей метки в момент считывания предыдущей, подсчете числа считанных магнитомодуляционным преобразователем магнитных меток, измерении временного интервала между соседними метками и определении длины изделия путем умножения числа посчитанных магнитных меток на базовое расстояние, а скорости изделия путем деления базового расстояния на временной интервал между соседними метками.
Недостатком такого технического решения является, как и в предыдущем случае, зависимость результатов измерения длины изделия от скорости изделия. Изменение скорости движения изделия приводит к деформации и смещению магнитной метки в продольном направлении. При увеличении скорости движения увеличивается расстояние между соседними метками (метки наносятся реже), что приводит к получению заниженного результата измерения по сравнению с действительным значением измеряемой величины.
Техническим результатом при использовании предлагаемого решения является повышение точности измерения за счет уменьшения влияния на результат измерения изменения скорости движения изделия.
Указанный результат достигается тем, что согласно способу измерения длины и скорости ферромагнитных изделий, заключающемуся в нанесении на движущееся изделие импульсным электромагнитом магнитных меток, считывании этих меток расположенным на фиксированном расстоянии от электромагнита магнитным преобразователем, нанесении каждой последующей метки в момент считывания предыдущей, подсчете числа считанных магнитным преобразователем магнитных меток, измерении временного интервала между соседними метками и определении длины изделия путем умножения числа посчитанных магнитных меток на базовое расстояние, а скорости изделия путем деления базового расстояния на временной интервал между соседними метками, базовое расстояние корректируется в зависимости от скорости путем его увеличения на величину, пропорциональную скорости движения.
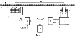
На фиг.1 и 2 изображены электромагнит, с помощью которого осуществляется нанесение магнитной метки, и фрагмент изделия, находящийся в поле электромагнита, соответственно для случаев неподвижного и движущегося изделия; на фиг.3 - вид сигнала от магнитной метки при различных скоростях движения; на фиг.4 - структурная схема устройства, реализующего предлагаемый способ.
Главным фактором, обуславливающим влияние скорости движения изделия на результат измерения его длины методом магнитных меток, является смещение магнитной метки в продольном направлении при изменении скорости движения. Физически это объясняется следующим. В известных устройствах, реализующих метод магнитных меток, для считывания магнитных меток используется магнитомодуляционный измерительный преобразователь. В этом случае на изделие наносятся магнитные метки вида (полярности) SNNS либо NSSN. В частности, для разметки каротажного кабеля в геофизике в качестве стандартной принята магнитная метка вида SNNS [3-5]. По сути дела при нанесении такой магнитной метки осуществляется намагничивание двух соседних участков изделия (каротажного кабеля, троса) в противоположных направлениях. Такое намагничивание применяется для усиления и локализации пространственной составляющей магнитного поля метки поперечного относительно продольной оси изделия направления. Именно эта составляющая магнитного поля метки определяет значение выходного сигнала магнитомодуляционного преобразователя. Нанесение магнитной метки указанного вида осуществляется путем воздействия на изделие магнитным полем электромагнита с Ш-образным магнитопроводом (фиг.1). На чертеже видно, что силовые линии магнитного поля электромагнита 1 пронизывают соседние участки изделия 2 в противоположных направлениях. В результате такого воздействия упомянутые участки изделия оказываются намагниченными в противоположных направлениях. В первом приближении можно считать, что длина намагниченных участков в случае неподвижного изделия примерно равна межполюсному расстоянию магнитопровода а (фиг.1). В случае движения изделия в продольном направлении со скоростью V длина намагниченных участков становится неодинаковой. На фиг.2 показан вид намагниченных участков в момент окончания импульса электрического тока, подаваемого на электромагнит для записи магнитной метки. Первый по ходу движения намагниченный участок изделия оказывается длиннее второго на величину b. Значение b определяется скоростью V движения изделия и длительностью Т импульса записи магнитной метки:
Минимальная длительность импульса записи определяется длительностью переходного процесса в цепи обмотки электромагнита, зависящей, в свою очередь, от индуктивности обмотки электромагнита. Поскольку при нанесении магнитных меток требуется обеспечить значение индукции, близкое значению индукции насыщения материала изделия, а поперечный размер изделия может достигать значений порядка нескольких десятков мм (например, при решении задачи измерения длины стальных канатов), то во многих реальных случаях длительность импульса записи не может быть менее единиц - десятков миллисекунд. При скоростях движения порядка нескольких м/с величина b достигает значений порядка единиц - десятков мм.
На фиг.3 приведены зависимости поперечной составляющей напряженности магнитного поля Ну метки от относительного значения продольной координаты x/а для разных значений b. Значение координаты x=0 соответствует местоположению проекции оси симметрии электромагнита на движущееся изделие в момент начала импульса записи. Анализ кривых фиг.3 показывает, что в случае неподвижного изделия (V=0 и соответственно b=0) магнитное поле метки симметрично относительно оси x=0. В случае наличия движения (V≠0, b≠0) поле магнитной метки деформируется. При этом нарушается симметрия и происходит смещение магнитной метки вдоль продольной оси. Магнитные метки наносятся реже (возрастает расстояние между соседними метками), что при реализации метода измерения длины по способу-прототипу приводит к заниженному значению результата измерения по сравнению с истинным значением измеряемой длины.
Количественно степень влияния скорости движения на расстояние между соседними метками определяется расстоянием Δ между передними фронтами кривых фиг.3 по уровню порога срабатывания устройства считывания магнитных меток. В случае выполнения условия b<<а можно ориентировочно принять, что Δ≈b. Невыполнение условия b<<a нецелесообразно, поскольку приводит к резкому возрастанию значения Δ (так, при достижении b значения а/2 расстояние Δ≈2·b).
Относительная погрешность измерения длины по способу-прототипу, определяемая соотношением значений Δ и базового расстояния L0, имеющего значение порядка нескольких метров, может достигать порядка единиц - десятков процентов, что во многих случаях не удовлетворяет требованиям к точности измерения.
Суть предлагаемого технического решения заключается в коррекции результата измерения длины с учетом возрастания расстояния между наносимыми на изделие магнитными метками при увеличении скорости движения. Измеряемое значение длины Lx при скорости движения изделия V согласно предлагаемому способу измерения находится по формуле:
где N - число подсчитанных магнитных меток; L0 - базовое расстояние, определяемое для случая V→0; k - постоянный множитель.
Произведение k·V=Δ - пропорциональная скорости движения величина поправки, на которую в соответствии с предлагаемым изобретением корректируется базовое расстояние L0. Величина k, имеющая размерность единицы времени - секунды, определяется прежде всего длительностью Т импульса записи магнитной метки, но также зависит от геометрических параметров используемого для записи метки электромагнита, зазора между электромагнитом и изделием и ряда других менее значимых факторов. Поэтому для достижения высокой точности измерений длины значение k целесообразно определять экспериментально. Для приблизительной оценки значения k может быть использовано приведенное ранее равенство Δ≈b, из которого с учетом (1) вытекает, что k≈Т.
Предлагаемый способ измерения длины может быть реализован с использованием устройства (фиг.4). Устройство содержит электромагнит 1, магнитомодуляционный преобразователь 3, схему включения магнитомодуляционного преобразователя 4, пороговое устройство 5, формирователь импульса записи 6, вычислительный блок 7. Магнитомодуляционный преобразователь 3 подключен к схеме включения магнитомодуляционного преобразователя 4. Выход схемы 4 соединен с первым входом порогового устройства 5, на второй вход которого подается пороговое напряжение Uпорог. Выход порогового устройства соединен со входом вычислительного блока и первым входом формирователя импульса записи 6, второй вход которого служит для подачи сигнала "Старт" записи первой метки. К выходу формирователя импульса записи 6 подключен электромагнит 1.
Процесс измерения длины и скорости движения изделия начинается с момента подачи сигнала "Старт" на вход формирователя импульса записи 6, формирующего в обмотке электромагнита 1 импульс тока заданной длительности T. Возникающим при этом магнитным полем электромагнита осуществляется запись на движущемся изделии 2 первой магнитной метки. Записанная магнитная метка перемещается вместе с изделием и достигает магнитомодуляционного преобразователя 3, обмотки которого соединены со схемой включения магнитомодуляционного преобразователя 4. Выходной сигнал схемы 4, возникающий при прохождении магнитной метки, близок по форме соответствующей кривой фиг.3. При достижении этим сигналом установленного порогового значения Uпорог происходит срабатывание порогового устройства 5 и формирование на его выходе импульса "Метка", поступающего на входы формирователя импульса записи 6 и вычислительного блока 7. Формирователем 6 генерируется в обмотке электромагнита импульс тока заданной длительности и описанный выше процесс записи - считывания магнитных меток продолжается. Вычислительным блоком осуществляется подсчет числа магнитных меток N, определение временного интервала между соседними метками t, вычисление значений скорости V и длины Lx.
Искомое значение скорости движения с учетом поправки на увеличение расстояния между метками определяется по формуле:
Значение длины находится по формуле (2).
Испытания опытного образца устройства фиг.4 в технологической линии производства стальных канатов показали, что при использовании предлагаемого способа измерения длины может быть достигнута высокая точность измерения даже при малых значениях базового расстояния L0 и большом диапазоне изменений скорости движения V. Так, для случая L0=0,5м; V=0,2÷2,5 м/с максимальная погрешность измерения длины составила 0,3%.
Источники информации
1. Авторское свидетельство СССР №326434, М. кл. G01B 7/04. Устройство для измерения длины ферромагнитных изделий / O.З.Панич, В.М.Никитин. - Опубл. Бюл. изобр., 1972, №4. - 2 с.: Ил.
2. Патент РФ №2082078, М. кл. G01B 7/04. Устройство для измерения длины ферромагнитных изделий / АО "Черногорнефть". - Опубл. 20.06.1997, www.fips.ru. - 5 с.: Ил.
3. Кривко Н.Н. Аппаратура геофизических исследований скважин: Учеб. для вузов. - М.: Недра, 1991. - 384 с.: Ил.
4. Техническая инструкция по проведению геофизических исследований в скважинах. - М.: Недра, 1985.
5. КарСар УРП-01. Установка разметочная портативная. - Web site НПП "Геофизтехника" - http://www.geoft.ru.
Claims (1)
- Способ измерения длины и скорости ферромагнитных изделий, заключающийся в нанесении на движущееся изделие импульсным электромагнитом магнитных меток, считывании этих меток расположенным на фиксированном расстоянии от электромагнита магнитным преобразователем, нанесении каждой последующей метки в момент считывания предыдущей, подсчете числа считанных магнитным преобразователем магнитных меток, измерении временного интервала между соседними метками и определении скорости изделия и длины изделия, отличающийся тем, что скорость V изделия и длину Lx изделия определяют по формулам:где N - число подсчитанных магнитных меток; t - временной интервал между соседними метками; L0 - базовое расстояние, определяемое для случая V→0; k - экспериментально определенная величина, имеющая размерность времени.
Priority Applications (1)
| Application Number | Priority Date | Filing Date | Title |
|---|---|---|---|
| RU2006108617/28A RU2327103C2 (ru) | 2006-03-20 | 2006-03-20 | Способ измерения длины и скорости ферромагнитных изделий |
Applications Claiming Priority (1)
| Application Number | Priority Date | Filing Date | Title |
|---|---|---|---|
| RU2006108617/28A RU2327103C2 (ru) | 2006-03-20 | 2006-03-20 | Способ измерения длины и скорости ферромагнитных изделий |
Publications (2)
| Publication Number | Publication Date |
|---|---|
| RU2006108617A RU2006108617A (ru) | 2007-10-20 |
| RU2327103C2 true RU2327103C2 (ru) | 2008-06-20 |
Family
ID=38924935
Family Applications (1)
| Application Number | Title | Priority Date | Filing Date |
|---|---|---|---|
| RU2006108617/28A RU2327103C2 (ru) | 2006-03-20 | 2006-03-20 | Способ измерения длины и скорости ферромагнитных изделий |
Country Status (1)
| Country | Link |
|---|---|
| RU (1) | RU2327103C2 (ru) |
Cited By (1)
| Publication number | Priority date | Publication date | Assignee | Title |
|---|---|---|---|---|
| RU199648U1 (ru) * | 2020-03-24 | 2020-09-11 | Федеральное государственное бюджетное образовательное учреждение высшего образования "Череповецкий государственный университет" | Устройство для измерения длины ферромагнитных движущихся материалов |
Citations (2)
| Publication number | Priority date | Publication date | Assignee | Title |
|---|---|---|---|---|
| GB1257678A (ru) * | 1969-02-20 | 1971-12-22 | ||
| RU2082078C1 (ru) * | 1994-03-29 | 1997-06-20 | Акционерное общество "Черногорнефть" | Устройство для измерения длины ферромагнитных изделий |
-
2006
- 2006-03-20 RU RU2006108617/28A patent/RU2327103C2/ru not_active IP Right Cessation
Patent Citations (2)
| Publication number | Priority date | Publication date | Assignee | Title |
|---|---|---|---|---|
| GB1257678A (ru) * | 1969-02-20 | 1971-12-22 | ||
| RU2082078C1 (ru) * | 1994-03-29 | 1997-06-20 | Акционерное общество "Черногорнефть" | Устройство для измерения длины ферромагнитных изделий |
Cited By (1)
| Publication number | Priority date | Publication date | Assignee | Title |
|---|---|---|---|---|
| RU199648U1 (ru) * | 2020-03-24 | 2020-09-11 | Федеральное государственное бюджетное образовательное учреждение высшего образования "Череповецкий государственный университет" | Устройство для измерения длины ферромагнитных движущихся материалов |
Also Published As
| Publication number | Publication date |
|---|---|
| RU2006108617A (ru) | 2007-10-20 |
Similar Documents
| Publication | Publication Date | Title |
|---|---|---|
| US10965224B2 (en) | Method for levitation control of a linear motor, method for measuring a position of a linear motor, inductive sensing device, and elevator system | |
| US3873912A (en) | Method and apparatus for forming on a moving magnetic material a magnetized mark of prescribed width regardless of variations of speed of moving magnetic body | |
| DE60118616D1 (de) | Messung von spannungen in einem ferromagnetischen material | |
| CN103630066A (zh) | 一种高速位移和速度测量装置和方法 | |
| GB2383417A (en) | Sensing method and apparatus | |
| Wu et al. | Research on the effect of relative movement on the output characteristic of inductive sensors | |
| RU2327103C2 (ru) | Способ измерения длины и скорости ферромагнитных изделий | |
| US3432747A (en) | Spot recording and pickup methods and apparatus for the determination of hardness of relatively moving magnetic material without contacting the same | |
| US4061966A (en) | Method and apparatus for generating a continuous magnetic field determining the position of an inductive sensing element therein | |
| Norhisam et al. | Consideration of theoretical equation for output voltage of linear displacement sensor using meander coil and pattern guide | |
| RU2172832C2 (ru) | Способ промера глубины спуска скважинного прибора при каротажных исследованиях в скважинах | |
| KR860002757A (ko) | 문자도형의 분할(segmentation) 장치 | |
| RU2526520C2 (ru) | Способ и устройство для измерения кажущегося электрического сопротивления пород в условиях обсаженных скважин | |
| RU2082078C1 (ru) | Устройство для измерения длины ферромагнитных изделий | |
| Bazhenov et al. | Method of induction control of iron weight fraction in magnetite ore | |
| JPH03243801A (ja) | 非接触型距離計 | |
| RU199648U1 (ru) | Устройство для измерения длины ферромагнитных движущихся материалов | |
| RU2521728C1 (ru) | Магниторезистивная головка-градиометр | |
| SU998848A1 (ru) | Устройство дл измерени перемещени реверсивно движущихс ферромагнитных изделий | |
| RU108639U1 (ru) | Устройство для определения коэрцитивной силы ферромагнитных изделий | |
| KR830001566B1 (ko) | 계척(計尺)장치 | |
| EP0363517A1 (en) | Distance measuring apparatus and method | |
| RU2238572C2 (ru) | Приставной ферромагнитный коэрцитиметр | |
| SU1096564A1 (ru) | Способ контрол движущихс ферромагнитных объектов прот женной формы | |
| Brownell et al. | Detailed measurements of slow magnetization processes in tape-wound cores |
Legal Events
| Date | Code | Title | Description |
|---|---|---|---|
| MM4A | The patent is invalid due to non-payment of fees |
Effective date: 20090321 |