RU2024964C1 - Устройство магнитной записи с динамическим подмагничиванием - Google Patents
Устройство магнитной записи с динамическим подмагничиванием Download PDFInfo
- Publication number
- RU2024964C1 RU2024964C1 SU4927510A RU2024964C1 RU 2024964 C1 RU2024964 C1 RU 2024964C1 SU 4927510 A SU4927510 A SU 4927510A RU 2024964 C1 RU2024964 C1 RU 2024964C1
- Authority
- RU
- Russia
- Prior art keywords
- input
- output
- adder
- amplifier
- recording
- Prior art date
Links
- 230000005415 magnetization Effects 0.000 claims description 11
- 230000000694 effects Effects 0.000 abstract 1
- 239000000126 substance Substances 0.000 abstract 1
- 230000007423 decrease Effects 0.000 description 7
- 238000010586 diagram Methods 0.000 description 6
- 238000012935 Averaging Methods 0.000 description 2
- 230000005540 biological transmission Effects 0.000 description 2
- 239000003990 capacitor Substances 0.000 description 1
- 238000006243 chemical reaction Methods 0.000 description 1
- 230000003247 decreasing effect Effects 0.000 description 1
- 230000005669 field effect Effects 0.000 description 1
- 230000014509 gene expression Effects 0.000 description 1
- 238000000034 method Methods 0.000 description 1
- 230000010355 oscillation Effects 0.000 description 1
- 230000008092 positive effect Effects 0.000 description 1
- 230000003595 spectral effect Effects 0.000 description 1
Images
Landscapes
- Digital Magnetic Recording (AREA)
Abstract
Использование: в аппаратуре аналоговой магнитной записи и в аппаратуре точной магнитной записи. Цель - повышение точности записи информации. Сущность изобретения: устройство содержит 1 усилитель записи (1), 1 фильтр низких частот (2), 2 сумматора (3), 1 преобразователь напряжение - ток (4), 1 головку записи (5), 1 усилитель с управляемым коэффициентом усиления (6), 1 амплитудный детектор (7), 1 двухполупериодный выпрямитель (9), 1 источник опорного напряжения (10), 1 генератор подмагничивания (11). Положительный эффект на низких частотах увеличивается остаточная намагниченность на 5-6 дб и снижаются искажения в 2-3 раза, на высоких частотах снижаются динамические искажения в 2,5-3 раза и динамический диапазон расширяется на 5-7 дБ. 1-3-4-5, 11-6-3-4-5, 1-2-9-8-6, 10-8-6, 11-6-7-8-6. 4 ил.
Description
Изобретение относится к технике магнитной записи и может быть использовано в аппаратуре аналоговой магнитной записи и в аппаратуре точной магнитной записи.
Известные устройства содержат как минимум фильтр высоких частот, вход которого подключен к выходу усилителя записи, амплитудный детектор, подключенный к выходу фильтра высоких частот, и узел управления подмагничиванием, управляющий вход которого подключен к выходу амплитудного детектора. В данных устройствах динамическое изменение (уменьшение) тока высокочастотного подмагничивания пропорционально амплитуде высокочастотной составляющей информационного сигнала, что наряду с положительным эффектом - расширением динамического диапазона для высокочастотных составляющих информационного сигнала имеет и недостаток - снижение тока подмагничивания приводит к частотным, гармоническим и интермодуляционным искажениям низкочастотных составляющих информационного сигнала.
Из известных устройств наиболее близким к заявляемому является устройство, работающее следующим образом. При поступлении на вход информационного сигнала уровень высокочастотных составляющих в котором выше определенного значения, заданного источником опорного напряжения, напряжение подмагничивания уменьшается, а уровень низкочастотных составляющих, выделенных фильтром низких частот, увеличивается по определенному закону в соответствии с амплитудой и спектральным составом высокочастотных составляющих информационного сигнала. Затем низко- и высокочастотные составляющие суммируются и подаются в головку записи.
Таким образом, в данном устройстве скомпенсированы лишь частотные искажения низкочастотных составляющих, обусловленные снижением подмагничивания (снижение подмагничивания происходит примерно на величину амплитуды высокочастотной составляющей).
Целью изобретения является повышение точности записи информации при магнитной записи с динамическим подмагничиванием за счет уменьшения частотных, гармонических и интермодуляционных искажений для низкочастотных составляющих и расширения динамического диапазона для высокочастотных составляющих информационного сигнала.
Цель достигается тем, что в заявляемом устройстве, содержащем последовательно соединенные входную шину, усилитель записи и фильтр высоких частот, последовательно соединенные первый сумматор, преобразователь напряжения в ток и головку записи, сопряженную с магнитным носителем, генератор подмагничивания, выходом подключенный через управляемый усилитель к одному входу первого сумматора, источник опорного напряжения, выходом подключенный к первому входу второго сумматора, новым является то, что в него дополнительно введены двухполупериодный выпрямитель, включенный между выходом фильтра высоких частот и вторым входом второго сумматора, и амплитудный детектор, подключенный между выходом управляемого усилителя и третьим входом второго сумматора, выход которого соединен с управляющим входом управляемого усилителя, а выход усилителя записи подключен к другому входу первого сумматора.
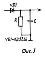
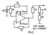
На фиг.1 показана структурная схема заявляемого устройства; на фиг.2 - схема источника опорного напряжения; на фиг.3 - схема амплитудного детектора; на фиг.4 - диаграмма напряжения на головке записи в стационарном режиме в заявляемом устройстве.
Устройство (фиг. 1) содержит последовательно соединенные усилитель записи 1 и фильтр высоких частот 2, последовательно соединенные первый сумматор 3, преобразователь напряжения в ток 4 и головку записи 5, сопряженную с магнитным носителем, генератор подмагничивания 11, выходом подключенный через управляемый усилитель 6 к одному входу первого сумматора, источник опорного напряжения 10, выходом подключенный к первому входу второго сумматора 8, а также двухполупериодный выпрямитель 9, включенный между выходом фильтра высоких частот и вторым входом второго сумматора амплитудный детектор 7, подключенный между выходом управляемого усилителя и третьим входом второго сумматора, выход которого соединен с управляющим входом управляемого усилителя, а выход усилителя записи подключен к другому входу первого сумматора.
При разработке заявляемого устройства могут быть использованы: усилитель записи от любого серийно выпускаемого магнитофона без токостабилизирующих цепей, генератор подмагничивания - от любого серийно выпускаемого магнитофона с частотой генерации не менее 105 кГц, головка записи - любая универсальная или записывающая головка. Фильтр высоких частот выполнен по УИН-схеме управляемый усилитель - на основе операционного усилителя в неинвертирующем включении с полевым транзистором в заземленном плече делителя обратной связи; управляемый усилитель имеет линейно-спадающую зависимость коэффициента усиления от управляющего напряжения. Сумматор 3 выполнен по типовой резистивной схеме, сумматор 8 собран на операционном усилителе в неинвертирующем включении по типовой схеме; в случае применения управляемого усилителя с возрастающей зависимостью коэффициента усиления от управляющего напряжения сумматор 8 должен быть инвертирующим. Преобразователь напряжение-ток представляет собой резистор с сопротивлением, значительно превышающим полное сопротивление головки записи на максимальной рабочей частоте. Схема источника опорного напряжения приведена на фиг.2. В нем могут быть применены стабилитрон VD1-Д818Е, операционный усилитель DA1 - интегральная микросхема К140УД6, резистор R5 предназначен для регулировки выходного напряжения. Схема амплитудного детектора приведена на фиг.3. В нем может быть применен диод VD1-КД522Б. Номиналы резистора R и конденсатора С выбираются таким образом, чтобы выполнялись условия
; где Rпр.д - прямое сопротивление диода VD1; fподм. - частота подмагничивания; fв - верхняя рабочая частота.
; где Rпр.д - прямое сопротивление диода VD1; fподм. - частота подмагничивания; fв - верхняя рабочая частота.
Рассмотрена работа заявляемого устройства в стационарном режиме (при постоянной частоте и амплитуде входного информационного сигнала). Введены обозначения:
Uгсп - амплитуда напряжения подмагничивания на информационном входе управляемого усилителя (выходе генератора подмагничивания);
Uс - напряжение высокочастотной составляющей информационного сигнала на входе фильтра высоких частот (выходе усилителя записи);
Uоп - напряжение на выходе опорного источника;
Uподм - значение огибающей напряжения подмагничивания на выходе управляемого усилителя;
Ко - произведение коэффициента передачи фильтра высоких частот и коэффициента преобразования двухполупериодного выпрямителя для высокочастотной составляющей информационного сигнала записи.
Uгсп - амплитуда напряжения подмагничивания на информационном входе управляемого усилителя (выходе генератора подмагничивания);
Uс - напряжение высокочастотной составляющей информационного сигнала на входе фильтра высоких частот (выходе усилителя записи);
Uоп - напряжение на выходе опорного источника;
Uподм - значение огибающей напряжения подмагничивания на выходе управляемого усилителя;
Ко - произведение коэффициента передачи фильтра высоких частот и коэффициента преобразования двухполупериодного выпрямителя для высокочастотной составляющей информационного сигнала записи.
Коэффициент передачи управляемого усилителя 6 может быть записан в виде K1 - K2Uупр, где К1, К2 - константы.
Напряжение на выходе сумматора 8 (на управляющем входе усилителя 6) может быть записано следующим образом:
Uупр = U Ko+ Uподм+ Uоп . С другой стороны,
Uподм=Uгсп(K1-K2Uупр). Объединяя эти выражения, получают
Uподм = Uгсп K1-KUKo+ Uподм + U. Или
Uподм(1+UгспK2) + UUгспK2K0= Uгсп(K1- K2Uоп). На практике нетрудно добиться, чтобы выполнялось условие
1+UгспК2=UгспК2Ко, тогда
Uподм+U = . Из последнего равенства видно, что в заявляемом устройстве сумма значения огибающей напряжения подмагничивания (или пропорционального ему тока подмагничивания) и абсолютной величины мгновенного значения высокочастотной составляющей напряжения (или тока) информационного сигнала есть величина постоянная.
Uупр = U Ko+ Uподм+ Uоп . С другой стороны,
Uподм=Uгсп(K1-K2Uупр). Объединяя эти выражения, получают
Uподм = Uгсп K1-KUKo+ Uподм + U. Или
Uподм(1+UгспK2) + UUгспK2K0= Uгсп(K1- K2Uоп). На практике нетрудно добиться, чтобы выполнялось условие
1+UгспК2=UгспК2Ко, тогда
Uподм+U = . Из последнего равенства видно, что в заявляемом устройстве сумма значения огибающей напряжения подмагничивания (или пропорционального ему тока подмагничивания) и абсолютной величины мгновенного значения высокочастотной составляющей напряжения (или тока) информационного сигнала есть величина постоянная.
Диаграмма напряжения на головке записи в стационарном режиме представлена на фиг.4. Для огибающей напряжения подмагничивания можно записать
=U-U , Uподм> 0
; T; Эффективное значение напряжения подмагничивания для низкочастотной составляющей можно найти усреднением значения огибающей по периоду времени Т >> Тс, однако вследствие большого числа осцилляций гармонической функции в течение Т, усреднение можно провести по Тс:
U = U м - Uс sin dt + = U м - Из написанного видно, что снижение напряжения подмагничивания для низкочастотных составляющих информационного сигнала в π раз меньше, чем в прототипе, что приводит к уменьшению искажений низкочастотных составляющих.
=U-U , Uподм> 0
; T; Эффективное значение напряжения подмагничивания для низкочастотной составляющей можно найти усреднением значения огибающей по периоду времени Т >> Тс, однако вследствие большого числа осцилляций гармонической функции в течение Т, усреднение можно провести по Тс:
U
Кроме того, из диаграммы видно, что диапазон динамического изменения напряжения подмагничивания в заявляемом устройстве в два раза больше, чем в прототипе, что приводит к расширению динамического диапазона для высокочастотных составляющих сигнала записи примерно на 6 дБ.
Claims (1)
- УСТРОЙСТВО МАГНИТНОЙ ЗАПИСИ С ДИНАМИЧЕСКИМ ПОДМАГНИЧИВАНИЕМ, содержащее последовательно соединенные входную шину, усилитель записи и фильтр высоких частот, последовательно соединенные первый сумматор, преобразователь напряжения в ток и головку записи, сопряженную с магнитным носителем, генератор подмагничивания, выходом подключенный через управляемый усилитель к одному входу первого сумматора, источник опорного напряжения, выходом подключенный к первому входу второго сумматора, отличающееся тем, что, с целью повышения точности записи, в него введены двухполупериодный выпрямитель, включенный между выходом фильтра высоких частот и вторым входом второго сумматора, и амплитудный детектор, подключенный между выходом управляемого усилителя и третьим входом второго сумматора, выход которого соединен с управляющим входом управляемого усилителя, а выход усилителя записи подключен к другому входу первого сумматора.
Priority Applications (1)
| Application Number | Priority Date | Filing Date | Title |
|---|---|---|---|
| SU4927510 RU2024964C1 (ru) | 1991-04-18 | 1991-04-18 | Устройство магнитной записи с динамическим подмагничиванием |
Applications Claiming Priority (1)
| Application Number | Priority Date | Filing Date | Title |
|---|---|---|---|
| SU4927510 RU2024964C1 (ru) | 1991-04-18 | 1991-04-18 | Устройство магнитной записи с динамическим подмагничиванием |
Publications (1)
| Publication Number | Publication Date |
|---|---|
| RU2024964C1 true RU2024964C1 (ru) | 1994-12-15 |
Family
ID=21569758
Family Applications (1)
| Application Number | Title | Priority Date | Filing Date |
|---|---|---|---|
| SU4927510 RU2024964C1 (ru) | 1991-04-18 | 1991-04-18 | Устройство магнитной записи с динамическим подмагничиванием |
Country Status (1)
| Country | Link |
|---|---|
| RU (1) | RU2024964C1 (ru) |
-
1991
- 1991-04-18 RU SU4927510 patent/RU2024964C1/ru active
Non-Patent Citations (3)
| Title |
|---|
| Авторское свидетельство СССР N 1185377, кл. G 11B 5/027, 1985. * |
| Авторское свидетельство СССР N 1539830, кл. G 11B 5/03, 20/00, 1986. * |
| Авторское свидетельство СССР N 1589317, кл. G 11B 5/027, 1987. * |
Similar Documents
| Publication | Publication Date | Title |
|---|---|---|
| US4180707A (en) | Distortion sound effects circuit | |
| US4014237A (en) | Musical note detecting apparatus | |
| US3971984A (en) | Wide-range logarithmic responding translation circuit | |
| RU2024964C1 (ru) | Устройство магнитной записи с динамическим подмагничиванием | |
| JPS6351565B2 (ru) | ||
| Campbell et al. | Noise from current-carrying resistors 20 to 500 kc | |
| US4187478A (en) | Noise reduction system having specific encoder circuitry | |
| Prestigiacomo | Amplitude contour display of sound spectrograms | |
| JP3336089B2 (ja) | 信号処理装置 | |
| KR950012417A (ko) | 자기기록헤드의 교류 바이어스 제어장치 | |
| US2882352A (en) | D. c. amplifier system | |
| KR830002643B1 (ko) | 오디오 주파수 잡음억제회로 | |
| Duncan | Energy processing techniques for stress wave emission signals | |
| JP3147986B2 (ja) | 伸長回路 | |
| Middlebrook | Optimum noise performance of transistor input circuits | |
| US3161730A (en) | Ultra-low frequency recording | |
| GB2136254A (en) | Impulse noise reduction by linear interpolation having a deemphasis characteristic | |
| SU1229807A1 (ru) | Устройство дл магнитной записи | |
| Grimwood | Volume compressors for sound recording | |
| SU1086495A1 (ru) | Компенсатор погрешности трансформатора тока | |
| SU1539830A1 (ru) | Устройство магнитной записи с адаптивным подмагничиванием | |
| US3330966A (en) | Logarithmic converter circuit | |
| KR940008903B1 (ko) | 변류기의 보상장치 | |
| RU1798746C (ru) | Устройство дл измерени характеристик магнитных материалов | |
| KR830000872B1 (ko) | 자기매체를 사용한 아날로그 녹음기 |




