RU2024930C1 - Вычислительное устройство кромонова для анализа надежности банка - Google Patents
Вычислительное устройство кромонова для анализа надежности банка Download PDFInfo
- Publication number
- RU2024930C1 RU2024930C1 RU94022323A RU94022323A RU2024930C1 RU 2024930 C1 RU2024930 C1 RU 2024930C1 RU 94022323 A RU94022323 A RU 94022323A RU 94022323 A RU94022323 A RU 94022323A RU 2024930 C1 RU2024930 C1 RU 2024930C1
- Authority
- RU
- Russia
- Prior art keywords
- output
- input
- inputs
- bank
- adder
- Prior art date
Links
- 238000004458 analytical method Methods 0.000 title claims abstract description 18
- 230000000694 effects Effects 0.000 claims abstract description 9
- 238000000034 method Methods 0.000 abstract 1
- 239000000126 substance Substances 0.000 abstract 1
- 238000007405 data analysis Methods 0.000 description 3
- 230000015572 biosynthetic process Effects 0.000 description 1
- 239000007788 liquid Substances 0.000 description 1
- 230000001360 synchronised effect Effects 0.000 description 1
Images
Landscapes
- Information Retrieval, Db Structures And Fs Structures Therefor (AREA)
- Debugging And Monitoring (AREA)
Abstract
Изобретение относится к вычислительной технике и может быть использовано для анализа деятельности коммерческих и других субъектов, а также объектов со множеством отчетных и других показателей. Устройство содержит блок ввода опорных признаков, блок ввода отчетных данных, блок памяти опорных признаков, блок памяти отчетных данных, дешифратор опорных признаков, дешифратор отчетных данных, блок анализа, блок памяти выходных данных, шифратор, блок вывода, блок синхронизации. 1 ил.
Description
Изобретение относится к вычислительным устройствам для решения специальных задач, а именно к устройствам для анализа банковской деятельности, например надежности банка, и может быть использовано для анализа деятельности коммерческих и других субъектов, а также объектов со множеством отчетных и других показателей и критериев, характеризующих их состояние.
Известно устройство для обработки отчетных данных, принятое за прототип, содержащее блок ввода, блок памяти и дешифратор опорных признаков, соединенные последовательно; блок ввода, блок памяти и дешифратор отчетных данных, соединенные последовательно: блок анализа данных; блок синхронизации, состоящий из последовательно включенных генератора тактов, регистра адреса и дешифратора адреса, а также последовательно соединенные блок памяти выходных данных, шифратор выходных данных и блок вывода, при этом выходы дешифраторов опорных признаков и отчетных данных подключены ко входам блока анализа, выход блока синхронизации ко входам синхронизации блоков памяти опорных признаков, отчетных данных и выходных данных.
Предлагаемое устройство по сравнению с известным обладает более широкими функциональными возможностями, обеспечивает обработку, а также сопоставление результатов обработки с заданными критериями и формирование единого показателя, характеризующего состояние объекта анализа.
Блок анализа содержит первый, второй и третий сумматоры счетов, первый, второй и третий сумматоры пассивов, первый, второй и третий сумматоры активов, первый, второй, третий, четвертый, пятый и шестой формирователи коэффициентов эффективности деятельности банка, шесть блоков масштабирования и формирователь данных анализа.
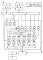
Устройство поясняется чертежом, где: 1 - блок ввода опорных признаков, 2 - блок ввода отчетных данных, 3 - блок памяти опорных признаков, 4 - блок памяти отчетных данных, 5 - дешифратор опорных признаков, 6 - дешифратор отчетных данных, 7 - блок анализа данных, 8 - блок памяти выходных данных, 9 - шифратор выходных данных, 10 - блок вывода, 11 - блок синхронизации, 12 - первый сумматор счетов, 13 - второй сумматор счетов, 14 - третий сумматор счетов, 15 - первый сумматор пассивов, 16 - второй сумматор пассивов, 17 - третий сумматор пассивов, 18 - первый сумматор активов, 19 - второй сумматор активов, 20 - третий сумматор активов, 21 - первый формирователь коэффициента эффективности деятельности банка, 22 - второй формирователь коэффициента эффективности деятельности банка, 23 - третий формирователь коэффициента эффективности деятельности банка, 24 - четвертый формирователь коэффициента эффективности деятельности банка, 25 - первый формирователь коэффициента эффективности деятельности банка, 26 - шестой формирователь коэффициента эффективности деятельности банка, 27-32 - блоки масштабирования, 33 - формирователь данных анализа, 34 - генератор тактовых импульсов, 35 - регистр адреса, 36 - шифратор адреса.
Блоки ввода опорных признаков 1 и отчетных данных 2 выполнены в виде обычных пультов с клавиатурой, выдающих вводимую информацию в кодах соответственно в блоки памяти опорных признаков 3 и отчетных данных 4, которые могут быть реализованы, например на элементах 558РР3 - блок памяти 3 и 541РУ2 или 541РУ4 или 132РУ10 - блок памяти 4. Информация с блоков памяти, синхронизируемая сигналами с блока синхронизации 11, поступает в блок анализа 7, где происходит ее группировка и соответственно суммирование по группам параметров, определяемых заданием счета, вычисление коэффициентов эффективности объекта анализа, их масштабирование с последующим суммированием в формирователе выходных данных, с выхода которого выходные данные поступают в блок памяти выходных данных 8, который может быть выполнен аналогично блоку памяти 4, а с него через шифратор выходных данных 9 на блок вывода 10. Блок синхронизации 11 состоит из последовательно соединенных генератора тактовых импульсов 33, регистра адреса 34 и шифратора адреса 35, с выхода которого сигналы синхронизации поступают на синхровходы блоков памяти 3, 4 и 8.
Блок синхронизации 11, шифратор выходных данных 9 и блок вывода 10, а также блоки ввода 1 и 2 могут быть выполнены по широкоизвестным схемам и конструкциям, например как в прототипе.
В блок анализа 7 информационные сигналы, выдаваемые с шифратора отчетных данных 2, поступают на входы сумматоров счетов 12, 13 и 14, пассивов 15, 16 и 17 и активов 18, 19 и 20. Выходы сумматоров счетов 12, 13 и 14 подключены ко входам первого сумматора пассивов 15, а выход первого сумматора счетов еще и ко входу шестого блока коэффициента эффективности 26. Выход первого сумматора пассивов 15 подключен ко входам первого 21, пятого 25 и шестого 26 формирователей, выход второго сумматора пассивов 16 - ко входам третьего 23 и четвертого 24 формирователей, выход третьего сумматора пассивов 17 - ко входу второго 22 формирователя, выход первого сумматора активов 18 - ко входам первого 21 и третьего 23 формирователей, выход второго сумматора активов 19 - ко входам второго 22 и четвертого 24 формирователей, выход третьего сумматора активов 20 - ко входам четвертого 24 и пятого 25 формирователей. Выходы формирователей подключены каждый ко входу своего блока масштабирования 27...32, вторые входы которых подключены к выходу дешифратора опорных данных 5, а выходы блоков - ко входам формирователя 33, выход которого соединен со входом блока памяти 8.
Все элементы блока анализа данных 7 могут быть выполнены на широкоприменяемых логических элементах или микропроцессорах, например типа 588ВС2.
Работу устройства можно пояснить на частном примере анализа деятельности некоего банка.
Через блок ввода опорных данных 1 вводятся:
- значения коэффициентов К10-К60, соответствующие их оптимальным значениям, обеспечивающие оптимальную эффективность деятельности банка;
- значения весовых коэффициентов α1 - α6 ,обеспечивающих оптимальную долю каждого из коэффициентов в обобщенном показателе эффективности деятельности банка N.
- значения коэффициентов К10-К60, соответствующие их оптимальным значениям, обеспечивающие оптимальную эффективность деятельности банка;
- значения весовых коэффициентов α1 - α6 ,обеспечивающих оптимальную долю каждого из коэффициентов в обобщенном показателе эффективности деятельности банка N.
Указанные данные далее поступают в блок памяти опорных признаков 3 и по командам с блока синхронизатора 11 через дешифратор 5 вводятся в блоки масштабирования 25-30, входящие в блок анализа 7.
Через блок ввода отчетных данных 2 вводятся отчетные данные (активы и пассивы), которые далее поступают в блок памяти отчетных данных 4 и по командам с блока синхронизации 11 через дешифратор отчетных данных 6 в блок анализа данных 7, где они группируются и суммируются:
- в первом сумматоре счетов 12 суммируются данные, составляющие уставной фонд УФ;
- во втором сумматоре счетов 13 суммируются данные, составляющие прочие фонды ПФ;
- в третьем сумматоре счетов 14 суммируются данные, составляющие иммобилизацию;
- в первом сумматоре пассивов 15 суммируются данные сумматоров счетов и текущая прибыль банка К;
- во втором сумматоре пассивов 16 суммируются данные по суммарным обязательствам СО;
- в третьем сумматоре пассивов 17 суммируются данные по обязательствам до востребования G ОВ;
- в первом сумматоре активов 18 суммируются данные по работающим (рискованным) активам АР;
- во втором сумматоре активов 19 суммируются данные по ликвидным активам ЛА;
- в третьем сумматоре активов 20 суммируются данные по защищенному капиталу ЗК.
- в первом сумматоре счетов 12 суммируются данные, составляющие уставной фонд УФ;
- во втором сумматоре счетов 13 суммируются данные, составляющие прочие фонды ПФ;
- в третьем сумматоре счетов 14 суммируются данные, составляющие иммобилизацию;
- в первом сумматоре пассивов 15 суммируются данные сумматоров счетов и текущая прибыль банка К;
- во втором сумматоре пассивов 16 суммируются данные по суммарным обязательствам СО;
- в третьем сумматоре пассивов 17 суммируются данные по обязательствам до востребования G ОВ;
- в первом сумматоре активов 18 суммируются данные по работающим (рискованным) активам АР;
- во втором сумматоре активов 19 суммируются данные по ликвидным активам ЛА;
- в третьем сумматоре активов 20 суммируются данные по защищенному капиталу ЗК.
На основании суммарных показателей определяются фактические значения эффективности данного банка в формирователях коэффициентов эффективности:
в первом 21 К1 = К:АР;
во втором 22 К2 = ЛА:ОВ;
в третьем 23 К3 = СО:АР;
в четвертом 24 К4 = (ЛА + ЗК) : СО;
в пятом 25 К5 = ЗК:К;
в шестом 26 К6 = К:УФ.
в первом 21 К1 = К:АР;
во втором 22 К2 = ЛА:ОВ;
в третьем 23 К3 = СО:АР;
в четвертом 24 К4 = (ЛА + ЗК) : СО;
в пятом 25 К5 = ЗК:К;
в шестом 26 К6 = К:УФ.
Вычисленные значения фактических коэффициентов эффективности далее поступают каждый в свой блок масштабирования 27-32, где каждый из коэффициентов эффективности Кi сравнивается с его нормативным значением Kio и масштабируются в соответствии с его весовым значением αi в оценке общей эффективности банка
αi Ki/Kio
Полученные значения приведенных коэффициентов эффективности суммируются в формирователе 33, где определяется обобщенный показатель эффективности
N = Σ αi Ki/Kio,
который через блок памяти выходных данных 8, шифратор выходных данных 9 и устройство вывода 10 выдается на внешнее информационное устройство: монитор, принтер и др.
αi Ki/Kio
Полученные значения приведенных коэффициентов эффективности суммируются в формирователе 33, где определяется обобщенный показатель эффективности
N = Σ αi Ki/Kio,
который через блок памяти выходных данных 8, шифратор выходных данных 9 и устройство вывода 10 выдается на внешнее информационное устройство: монитор, принтер и др.
Предложенное техническое решение позволяет с высокой степенью вероятности определить эффективность такой сложной системы, как банк, показатели которого складываются из сотен исходных показателей и данных, что подтверждено на экспериментальных исследованиях подобных объектов.
Claims (1)
- ВЫЧИСЛИТЕЛЬНОЕ УСТРОЙСТВО КРОМОНОВА ДЛЯ АНАЛИЗА НАДЕЖНОСТИ БАНКА, содержащее блок ввода опорных признаков, вход которого является первым информационным входам устройства, а выход подключен к информационному входу блока памяти опорных признаков, блок ввода отчетных данных, вход которого является вторым информационным входом устройства, а выход подключен к информационному входу блока памяти отчетных данных, выходы блоков памяти опорных признаков и отчетных данных подключены к входам соответственно дешифратора опорных признаков и дешифратора отчетных данных, блок памяти выходных данных, выход которого соединен с информационным входом шифратора, выход которого соединен с входом блока вывода, блок синхронизации, выход которого подключен к адресным входам блоков памяти опорных признаков, отчетных данных и выходных данных, и блок анализа, отличающееся тем, что блок анализа содержит с первого по третий сумматоры счетов, с первого по третий сумматоры пассивов, с первого по третий сумматоры активов, с первого по шестой формирователи коэффициентов эффективности деятельности банка, шесть блоков масштабирования и формирователь данных анализа, выход которого соединен с информационным входом блока памяти выходных данных, а входы - с выходами блоков масштабирования, информационные входы которых подключены к выходам соответствующих формирователей коэффициентов эффективности деятельности банка, а управляющие входы - к выходу дешифратора опорных признаков, выходы дешифратора отчетных данных подключены соответственно ко входам сумматоров счетов, первому входу первого сумматора пассивов, входам второго и третьего сумматоров пассивов и входам сумматоров активов, выход первого сумматора счетов соединен с вторым входом первого сумматора пассивов и первым входом шестого формирователя коэффициентов эффективности деятельности банка, выходы второго и третьего сумматоров счетов соединены с третьим и четвертым входами первого сумматора пассивов, выход которого подключен к первым входам первого и пятого и второму входу шестого формирователей коэффициентов эффективности деятельности банка, выход второго сумматора пассивов соединен с первыми входами третьего и четвертого формирователей коэффициентов эффективности деятельности банка, выход третьего сумматора пассивов подключен к первому входу второго формирователя коэффициентов эффективности деятельности банка, выход первого сумматора активов соединен с вторыми входами первого и третьего формирователей коэффициентов эффективности деятельности банка, вторые входы второго и четвертого формирователей коэффициентов эффективности деятельности банка соединены с выходом второго сумматора активов, выход третьего сумматора активов подключен к третьему входу четвертого и второму входу пятого формирователей коэффициентов эффективности деятельности банка.
Priority Applications (1)
| Application Number | Priority Date | Filing Date | Title |
|---|---|---|---|
| RU94022323A RU2024930C1 (ru) | 1994-06-28 | 1994-06-28 | Вычислительное устройство кромонова для анализа надежности банка |
Applications Claiming Priority (1)
| Application Number | Priority Date | Filing Date | Title |
|---|---|---|---|
| RU94022323A RU2024930C1 (ru) | 1994-06-28 | 1994-06-28 | Вычислительное устройство кромонова для анализа надежности банка |
Publications (2)
| Publication Number | Publication Date |
|---|---|
| RU2024930C1 true RU2024930C1 (ru) | 1994-12-15 |
| RU94022323A RU94022323A (ru) | 1997-04-27 |
Family
ID=20157157
Family Applications (1)
| Application Number | Title | Priority Date | Filing Date |
|---|---|---|---|
| RU94022323A RU2024930C1 (ru) | 1994-06-28 | 1994-06-28 | Вычислительное устройство кромонова для анализа надежности банка |
Country Status (1)
| Country | Link |
|---|---|
| RU (1) | RU2024930C1 (ru) |
Cited By (17)
| Publication number | Priority date | Publication date | Assignee | Title |
|---|---|---|---|---|
| RU2136042C1 (ru) * | 1994-04-28 | 1999-08-27 | Ситибанк, Н.А. | Доверенные агенты для открытого электронного бизнеса |
| RU2145437C1 (ru) * | 1995-08-30 | 2000-02-10 | Ситибэнк, Н.А. | Система и способ осуществления коммерческих платежей с использованием доверенных агентов |
| RU2145439C1 (ru) * | 1995-06-07 | 2000-02-10 | Ситибэнк, Н.А. | Доверенные агенты для открытого распределения электронных денег |
| RU2145436C1 (ru) * | 1994-09-25 | 2000-02-10 | Кардис Энтерпрайз Интернэшнл Н.В. | Устройства и способы розничной торговли |
| RU2159467C2 (ru) * | 1996-08-30 | 2000-11-20 | Жемплюс С.С.А. | Система и способ загрузки прикладных задач на интеллектуальную карточку |
| RU2161819C2 (ru) * | 1995-04-27 | 2001-01-10 | Оптимарк Технолоджис, Инк. | Сводный сетевой график плотности удовлетворения потребительских заявок |
| RU2165101C2 (ru) * | 1991-11-15 | 2001-04-10 | Ситибанк Н.А. | Электронная денежная система (варианты), электронная банкнота, способ предъявления пароля сети электронной денежной системы, способ изъятия денег с банковского счета, способ внесения депозита, способ произведения платежа, способ обмена иностранной валюты |
| RU2176817C2 (ru) * | 1996-09-17 | 2001-12-10 | Верджил Л. ДОТЕРИ | Устройство обработки данных, способ проведения сделок по бессрочным опционам (варианты) |
| RU2182726C2 (ru) * | 1995-05-15 | 2002-05-20 | Мондекс Интернэшнл Лимитед | Восстановление операции в системе переноса денежных средств |
| RU2187150C2 (ru) * | 1997-04-01 | 2002-08-10 | Кардис Энтерпрайз Интернэшнл Н.В. (Nl-An) | Контролируемая электронная денежная система и способ организации, хранения и перевода электронных денежных средств |
| RU2190876C2 (ru) * | 1997-09-29 | 2002-10-10 | Эрикссон, Инк. | Агент визитной карточки и ее применения |
| RU2191428C2 (ru) * | 1995-09-14 | 2002-10-20 | Ситибанк Акциенгезелльшафт | Вычислительная система для управления данными и способ эксплуатации упомянутой системы |
| RU2217793C2 (ru) * | 1997-09-08 | 2003-11-27 | Бисии Имеджиз Текнолоджиз, Инк. | Автоматизированная электронная система (варианты) и способ выставления счета и осуществления платежей (варианты), электронный интерфейс авторизации удаленного клиента |
| RU2231117C2 (ru) * | 1997-08-27 | 2004-06-20 | Си Эс Пи Холдингс, Ллс | Дистанционный ввод изображения с централизованной обработкой и хранением |
| RU2242050C1 (ru) * | 2003-03-27 | 2004-12-10 | Приходько Владимир Федорович | Способ формирования и принятия документа |
| US7024384B2 (en) | 1994-07-29 | 2006-04-04 | Daughtery Iii Vergil L | Apparatus and process for calculating an option |
| US7536334B1 (en) * | 1994-07-29 | 2009-05-19 | Daughtery Iii Vergil L | Apparatuses and processes for calculating options |
-
1994
- 1994-06-28 RU RU94022323A patent/RU2024930C1/ru active
Non-Patent Citations (1)
| Title |
|---|
| Авторское свидетельство СССР N 1151984, кл. G 06F 15/21, 15/40, 1985. * |
Cited By (17)
| Publication number | Priority date | Publication date | Assignee | Title |
|---|---|---|---|---|
| RU2165101C2 (ru) * | 1991-11-15 | 2001-04-10 | Ситибанк Н.А. | Электронная денежная система (варианты), электронная банкнота, способ предъявления пароля сети электронной денежной системы, способ изъятия денег с банковского счета, способ внесения депозита, способ произведения платежа, способ обмена иностранной валюты |
| RU2136042C1 (ru) * | 1994-04-28 | 1999-08-27 | Ситибанк, Н.А. | Доверенные агенты для открытого электронного бизнеса |
| US7536334B1 (en) * | 1994-07-29 | 2009-05-19 | Daughtery Iii Vergil L | Apparatuses and processes for calculating options |
| US7024384B2 (en) | 1994-07-29 | 2006-04-04 | Daughtery Iii Vergil L | Apparatus and process for calculating an option |
| RU2145436C1 (ru) * | 1994-09-25 | 2000-02-10 | Кардис Энтерпрайз Интернэшнл Н.В. | Устройства и способы розничной торговли |
| RU2161819C2 (ru) * | 1995-04-27 | 2001-01-10 | Оптимарк Технолоджис, Инк. | Сводный сетевой график плотности удовлетворения потребительских заявок |
| RU2182726C2 (ru) * | 1995-05-15 | 2002-05-20 | Мондекс Интернэшнл Лимитед | Восстановление операции в системе переноса денежных средств |
| RU2145439C1 (ru) * | 1995-06-07 | 2000-02-10 | Ситибэнк, Н.А. | Доверенные агенты для открытого распределения электронных денег |
| RU2145437C1 (ru) * | 1995-08-30 | 2000-02-10 | Ситибэнк, Н.А. | Система и способ осуществления коммерческих платежей с использованием доверенных агентов |
| RU2191428C2 (ru) * | 1995-09-14 | 2002-10-20 | Ситибанк Акциенгезелльшафт | Вычислительная система для управления данными и способ эксплуатации упомянутой системы |
| RU2159467C2 (ru) * | 1996-08-30 | 2000-11-20 | Жемплюс С.С.А. | Система и способ загрузки прикладных задач на интеллектуальную карточку |
| RU2176817C2 (ru) * | 1996-09-17 | 2001-12-10 | Верджил Л. ДОТЕРИ | Устройство обработки данных, способ проведения сделок по бессрочным опционам (варианты) |
| RU2187150C2 (ru) * | 1997-04-01 | 2002-08-10 | Кардис Энтерпрайз Интернэшнл Н.В. (Nl-An) | Контролируемая электронная денежная система и способ организации, хранения и перевода электронных денежных средств |
| RU2231117C2 (ru) * | 1997-08-27 | 2004-06-20 | Си Эс Пи Холдингс, Ллс | Дистанционный ввод изображения с централизованной обработкой и хранением |
| RU2217793C2 (ru) * | 1997-09-08 | 2003-11-27 | Бисии Имеджиз Текнолоджиз, Инк. | Автоматизированная электронная система (варианты) и способ выставления счета и осуществления платежей (варианты), электронный интерфейс авторизации удаленного клиента |
| RU2190876C2 (ru) * | 1997-09-29 | 2002-10-10 | Эрикссон, Инк. | Агент визитной карточки и ее применения |
| RU2242050C1 (ru) * | 2003-03-27 | 2004-12-10 | Приходько Владимир Федорович | Способ формирования и принятия документа |
Also Published As
| Publication number | Publication date |
|---|---|
| RU94022323A (ru) | 1997-04-27 |
Similar Documents
| Publication | Publication Date | Title |
|---|---|---|
| RU2024930C1 (ru) | Вычислительное устройство кромонова для анализа надежности банка | |
| Gass | Linear programming: methods and applications | |
| Gilkes | The dying lion: Feudalism and modernization in Ethiopia | |
| Helfand | Numerical integration of stochastic differential equations | |
| Dougherty et al. | Introduction to real-time imaging | |
| US4495593A (en) | Multiple bit encoding technique for combinational multipliers | |
| CA1103373A (en) | Parallel decoding system and method for converting binary data to video form | |
| US6173304B1 (en) | Joint optimization of modified-booth encoder and partial product generator | |
| EP0650128B1 (en) | Discrete cosine transform processor | |
| Browne | The economic case for reparations to Black America | |
| US3758760A (en) | Error detection for arithmetic and logical unit modules | |
| US4841469A (en) | Matrix times matrix multiplier | |
| RU2022337C1 (ru) | Преобразователь параллельного знакоразрядного кода в дополнительный двоичный код | |
| Ryabinin | A suggestion of a new measure of system components importance by means of a Boolean difference | |
| EP1178398A1 (en) | Arithmetic unit | |
| López et al. | Lagrangean methods and optimal stopping | |
| Abdullah et al. | A Review of Business Failure Prediction Models Used on Financial Distressed Companies | |
| SU1160399A1 (ru) | Устройство дл умножени в избыточной четверичной системе счислени | |
| SU981992A1 (ru) | Сумматор в коде "М из N | |
| US3333243A (en) | Detection and correction of transposition errors | |
| GWAD | A safety licensable computing architecture Wolfgang A. Halang Soon-Key Jung Bernd J. Kramer Johan J. Scheepstra World Scientific Publishing Company Limited 73, Lynton Mead, Totteridge, London, N20 8DH, England.£ 63.00 (hardback)£ 35.00 (softback)(ISBN 981-02-1628-9) published 1993 | |
| Dummer et al. | Banking Automation: Data Processing Systems and Associated Equipment | |
| SU1280620A1 (ru) | Веро тностный распределитель импульсов | |
| SU1735845A1 (ru) | Устройство дл вычислени гиперболических функций у = @ и у = с @ | |
| Hobson | Robust hedging via coupling |