RU2016373C1 - Устройство для контроля положения - Google Patents

Устройство для контроля положения Download PDF

Info

Publication number
RU2016373C1
RU2016373C1 SU4875242A RU2016373C1 RU 2016373 C1 RU2016373 C1 RU 2016373C1 SU 4875242 A SU4875242 A SU 4875242A RU 2016373 C1 RU2016373 C1 RU 2016373C1
Authority
RU
Russia
Prior art keywords
magnetoresistors
bridge
magnetic field
permanent magnet
field source
Prior art date
Application number
Other languages
English (en)
Inventor
Алексей Сергеевич Юров
Вольдемар Зигмундович Осман
Владимир Васильевич Маслов
Надежда Ивановна Федюкович
Original Assignee
Алексей Сергеевич Юров
Вольдемар Зигмундович Осман
Владимир Васильевич Маслов
Надежда Ивановна Федюкович
Priority date (The priority date is an assumption and is not a legal conclusion. Google has not performed a legal analysis and makes no representation as to the accuracy of the date listed.)
Filing date
Publication date
Application filed by Алексей Сергеевич Юров, Вольдемар Зигмундович Осман, Владимир Васильевич Маслов, Надежда Ивановна Федюкович filed Critical Алексей Сергеевич Юров
Priority to SU4875242 priority Critical patent/RU2016373C1/ru
Application granted granted Critical
Publication of RU2016373C1 publication Critical patent/RU2016373C1/ru

Links

Images

Landscapes

  • Measurement Of Length, Angles, Or The Like Using Electric Or Magnetic Means (AREA)
  • Measuring Magnetic Variables (AREA)

Abstract

Изобретение относится к измерительной технике и имеет целью повышение помехоустойчивости и температурной стабильности устройства для контроля положения различных объектов, содержащего магниторезистивный датчик, чувствительный к положению постоянного магнита, закрепляемого в процессе измерения на контролируемом объекте. Датчик выполнен в виде четырех магниторезисторов, имеющих форму плоских меандров и размещенных на общей диэлектрической подложке, в одной плоскости с которой размещен подвижный постоянный магнит. Магниторезисторы выполнены из пермаллоевой пленки. Магниторезисторы, включенные в одну из ветвей моста, могут быть расположены перпендикулярно относительно магниторезисторов другой ветви. Магниторезисторы хотя бы в одной ветви размещены на расстоянии один от другого, выбираемом в зависимости от их габаритных размеров и магнитных параметров пермаллоевой пленки и постоянного магнита. 2 з.п. ф-лы, 5 ил.

Description

Изобретение относится к измерительной технике и может быть использовано для контроля положения различных объектов, например в системах управления автоматическими линиями или в промышленных роботах.
Известны гальваномагнитные датчики положения, основанные на использовании элементов Холла, которые однако обладают значительной температурной зависимостью чувствительности и внутреннего сопротивления, что снижает их точность [1].
Ближайшим техническим решением к изобретению является устройство для контроля положения, содержащее источник постоянного магнитного поля, установленный с возможностью перемещения, магниторезистивный датчик, выполненный в виде четырех магниторезисторов, имеющих форму плоских меандров, размещенных на общей диэлектрической подложке и включенных в плечи измерительного моста, подключенный к одной диагонали моста источник питания постоянного тока и подключенный к другой его диагонали блок обработки сигналов [2] . Недостатком этого устройства является невысокая помехоустойчивость, поскольку магниторезисторы мостовой схемы одинаково реагируют как на полезный сигнал, так и на помеху, что в условиях сильных помех может привести к ложным срабатываниям датчика. Кроме того, используемые в этом устройстве полупроводниковые магниторезисторы обладают невысокой термостабильностью.
Целью изобретения является повышение помехоустойчивости и температурной стабильности устройства для контроля положения.
Для достижения цели в устройстве для контроля положения, содержащем источник постоянного магнитного поля, установленный с возможностью перемещения, магниторезистивный датчик, выполненный в виде четырех магниторезисторов, имеющих форму плоских меандров, размещенных на общей диэлектрической подложке и включенных в плечи измерительного моста, подключенный к одной диагонали моста источник питания постоянного тока и подключенный к другой его диагонали блок обработки сигналов, магниторезисторы выполнены из пермаллоевой пленки, источник магнитного поля размещен в общей плоскости с подложкой, магниторезисторы хотя бы в одной из ветвей моста размещены на расстоянии один от другого, выбираемом в зависимости от их габаритных размеров и магнитных параметров пленки и источника магнитного поля, а блок обработки сигналов выполнен в виде пороговой схемы. Кроме того, магниторезисторы, включенные во вторую ветвь моста, могут быть расположены перпедикулярно к магниторезисторам первой ветви, а присоединенные к одному и тому же полюсу источника питания магниторезисторы могут быть размещены парами в непосредственной близости один от другого.
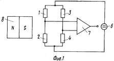
На фиг. 1 изображена схема устройства для контроля положения; на фиг. 2-5 схематически показаны варианты размещения магниторезисторов на общей диэлектрической подложке.
Устройство содержит четыре магниторезистора 1-4, размещенные на общей диэлектрической подложке 5 и включенные в плечи измерительного моста. К одной диагонали моста подключен источник 6 питания постоянного тока, а к другой его диагонали присоединен блок 7 обработки его сигналов. Магниторезисторы выполнены из пермаллоевой пленки в виде плоских меандров, а источник магнитного поля - постоянный магнит 8 расположен в общей плоскости с подложкой 5, на которой размещены магниторезисторы. Магнит 8 закрепляется на объекте контроля в процессе измерений.
Магниторезисторы хотя бы в одной из ветвей моста, например 1 и 2, ориентированы одинаково относительно магнита 8 и расположены на расстоянии L один от другого, выбираемом в зависимости от их габаритных размеров и магнитных параметров пленки и источника магнитного поля.
В варианте исполнения магниторезисторы 3 и 4 второй пары, могут быть расположены идентично положению магниторезисторов первой пары (фиг. 3). В другом варианте исполнения магниторезисторы 3 и 4 второй пары могут быть ориентированы перпендикулярно относительно магниторезисторов первой пары (фиг. 4), что ослабляет их чувствительность к воздействию источника магнитного поля. Наиболее предпочтительным вариантом с точки зрения повышения температурной стабильности устройства является вариант, в котором присоединенные к одному и тому же полюсу источника 6 питания магниторезисторы, например 1, 3 и 2, 4 (фиг. 5), размещены парами в непосредственной близости один от другого.
Устройство для контроля положения работает следующим образом.
При отсутствии источника 8 в его регистрируемом положении мостовая схема сбалансирована и ее выходное напряжение равно нулю. В зависимости от конкретного использования устройства на выходе блока 7 формируется выходной сигнал. При воздействии магнитного поля помехи, которое создается чаще всего удаленным и геометрически протяженным (в сравнении с геометрическими размерами датчика) источником, помеха не вызывает разбаланса моста, одинаково воздействует на оба магниторезистора каждой ветви моста.
При появлении источника 8 в его детектируемом положении под воздействием создаваемого им магнитного поля изменяется величина сопротивления магниторезистора 1, а величина сопротивления магниторезистора 2 остается практически без изменения, так как этот магниторезистор смещен на расстояние L от магниторезистора 1. Величины сопротивлений магниторезисторов 3 и 4 изменяются одинаково, не влияя на разбаланс моста, а в случае поворота на 90о (фиг. 4) не изменяются вовсе. Появившееся напряжение разбаланса мостовой схемы подается на блок 7, а затем на внешнее регистрирующее или исполнительное устройство.

Claims (3)

1. УСТРОЙСТВО ДЛЯ КОНТРОЛЯ ПОЛОЖЕНИЯ, содержащее установленный с возможностью перемещения источник постоянного магнитного поля, магниторезистивный датчик, выполненный в виде четырех магниторезисторов, имеющих форму плоских меандров и размещенных на общей диэлектрической подложке, измерительный мост, в плечи которого включены магниторезисторы, присоединенный к одной диагонали моста источник питания постоянного тока и подключенный к другой его диагонали блок обработки сигналов, отличающееся тем, что, с целью повышения помехоустойчивости, магниторезисторы выполнены из пермаллоевой пленки, источник магнитного поля размещен в общей плоскости с подложкой, магниторезисторы хотя бы в одной из ветвей моста размещены на расстоянии один от другого, выбранном в зависимости от их габаритных размеров, магнитных параметров пленки и источника магнитного поля, а блок обработки сигналов выполнен в виде пороговой схемы.
2. Устройство по п.1, отличающееся тем, что дорожки магниторезисторов, включенных во вторую ветвь моста, расположены перпендикулярно к дорожкам магниторезисторов в первой ветви.
3. Устройство по пп. 1 и 2, отличающееся тем, что, с целью повышения температурной стабильности, присоединенные к одному и тому же полюсу источника питания магниторезисторы размещены парами рядом один около другого.
SU4875242 1990-10-16 1990-10-16 Устройство для контроля положения RU2016373C1 (ru)

Priority Applications (1)

Application Number Priority Date Filing Date Title
SU4875242 RU2016373C1 (ru) 1990-10-16 1990-10-16 Устройство для контроля положения

Applications Claiming Priority (1)

Application Number Priority Date Filing Date Title
SU4875242 RU2016373C1 (ru) 1990-10-16 1990-10-16 Устройство для контроля положения

Publications (1)

Publication Number Publication Date
RU2016373C1 true RU2016373C1 (ru) 1994-07-15

Family

ID=21541134

Family Applications (1)

Application Number Title Priority Date Filing Date
SU4875242 RU2016373C1 (ru) 1990-10-16 1990-10-16 Устройство для контроля положения

Country Status (1)

Country Link
RU (1) RU2016373C1 (ru)

Cited By (1)

* Cited by examiner, † Cited by third party
Publication number Priority date Publication date Assignee Title
RU2553740C1 (ru) * 2014-03-25 2015-06-20 Федеральное государственное бюджетное образовательное учреждение высшего профессионального образования "Уфимский государственный авиационный технический университет" Способ повышения показателя чувствительности магниторезистивных датчиков

Non-Patent Citations (2)

* Cited by examiner, † Cited by third party
Title
1. Хомерики О.К. Гальваномагнитные элементы устройств автоматики и вычислительной техники. М.: Энергия, 1975, с.174. *
2. Авторское свидетельство СССР N 1027657, кл. G 01R 33/06, 1981. *

Cited By (1)

* Cited by examiner, † Cited by third party
Publication number Priority date Publication date Assignee Title
RU2553740C1 (ru) * 2014-03-25 2015-06-20 Федеральное государственное бюджетное образовательное учреждение высшего профессионального образования "Уфимский государственный авиационный технический университет" Способ повышения показателя чувствительности магниторезистивных датчиков

Similar Documents

Publication Publication Date Title
US5477143A (en) Sensor with magnetoresistors disposed on a plane which is parallel to and displaced from the magnetic axis of a permanent magnet
JP3028377B2 (ja) 磁気抵抗近接センサ
US6304078B1 (en) Linear position sensor
US5610518A (en) Method and apparatus for detecting small magnetizable particles and flaws in nonmagnetic conductors
ATE322670T1 (de) Messung von spannungen in einem ferromagnetischen material
CN113917216A (zh) 一种电流测量器件
US4255708A (en) Magnetoresistive position transducer with invariable peak signal
US20050140363A1 (en) Sensor for detection of the orientation of a magnetic field
RU2016373C1 (ru) Устройство для контроля положения
US12146928B2 (en) Magnetic field sensor with overcurrent detection
US12078695B2 (en) Magnetic field sensor with overcurrent detection
US7019607B2 (en) Precision non-contact digital switch
RU202681U1 (ru) Магнитный структуроскоп
SU1516745A1 (ru) Гальваномагнитное устройство дл измерени перемещений
RU2216822C1 (ru) Магниторезистивный датчик
SU386353A1 (ru) УСТРОЙСТВО дл ИЗМЕРЕНИЯ КОЭРЦИТИВНОЙ силыпосто нных МАГНИТОВ
JPH02194316A (ja) 変位検出装置
RU97113301A (ru) Устройство для локального измерения ферромагнитной фазы аустенитных сталей
SU678411A1 (ru) Токовихревой датчик дл бесконтактного измерени скорости движени
US3379969A (en) Magnetic bridge means for detecting the electrical properties of substances
RU2152046C1 (ru) Способ уменьшения воздействия гистерезиса на результаты измерения магнитного поля
JPH04271425A (ja) 非接触型位置検出装置
JPH09197030A (ja) 磁気センサの出力特性計測装置、および磁気センサの出力特性調整方法
JPH02136773A (ja) 磁気センサ
KR900000980B1 (ko) 자기저항소자를 이용한 각도 측정 장치 및 패턴 형성 방법