JP6074693B2 - アクティブノイズ制御装置およびその制御方法 - Google Patents

アクティブノイズ制御装置およびその制御方法 Download PDF

Info

Publication number
JP6074693B2
JP6074693B2 JP2013023828A JP2013023828A JP6074693B2 JP 6074693 B2 JP6074693 B2 JP 6074693B2 JP 2013023828 A JP2013023828 A JP 2013023828A JP 2013023828 A JP2013023828 A JP 2013023828A JP 6074693 B2 JP6074693 B2 JP 6074693B2
Authority
JP
Japan
Prior art keywords
control
frequency
sound
signal
control target
Prior art date
Legal status (The legal status is an assumption and is not a legal conclusion. Google has not performed a legal analysis and makes no representation as to the accuracy of the status listed.)
Active
Application number
JP2013023828A
Other languages
English (en)
Other versions
JP2014153571A (ja
Inventor
俊介 石光
俊介 石光
一紀 吉田
一紀 吉田
恵介 滑川
恵介 滑川
Current Assignee (The listed assignees may be inaccurate. Google has not performed a legal analysis and makes no representation or warranty as to the accuracy of the list.)
Suzuki Motor Corp
Hiroshima City University
Original Assignee
Suzuki Motor Corp
Hiroshima City University
Priority date (The priority date is an assumption and is not a legal conclusion. Google has not performed a legal analysis and makes no representation as to the accuracy of the date listed.)
Filing date
Publication date
Application filed by Suzuki Motor Corp, Hiroshima City University filed Critical Suzuki Motor Corp
Priority to JP2013023828A priority Critical patent/JP6074693B2/ja
Publication of JP2014153571A publication Critical patent/JP2014153571A/ja
Application granted granted Critical
Publication of JP6074693B2 publication Critical patent/JP6074693B2/ja
Active legal-status Critical Current
Anticipated expiration legal-status Critical

Links

Images

Landscapes

  • Fittings On The Vehicle Exterior For Carrying Loads, And Devices For Holding Or Mounting Articles (AREA)
  • Soundproofing, Sound Blocking, And Sound Damping (AREA)

Description

本発明は、動力源の駆動制御信号から制御対象音の周波数特性を推定し、推定周波数に制御対象を絞り込んで追従性および騒音低減効果を向上させ、音質調整機能を備えたマイクロフォンのようなセンサーレスのアクティブノイズ制御装置およびその制御方法に関する。
動力源から発生する音の騒音対策技術の1つに、アクティブノイズコントロール(ANC)技術がある。このANC技術は、取り除きたい音に同振幅・逆位相の波長を干渉させることにより騒音低減を図る技術である。
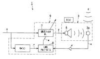
既存のANC技術にFiltered−X LMS(Least Mean Square)アルゴリズムを備えたアクティブノイズ制御装置がある。このアクティブノイズ制御装置は、図1に示すように、DSP(Digital Signal Processor)1を備え、エンジン2側マイクロフォン2aと制御対象領域3側のエラーマイクロフォン3aの間に、DSP1で生成された出力信号(制御信号)yを増幅させる増幅器5と制御音zを発生させるアクチュエータ・スピーカ6とから構成される。
そして、エンジン2側マイクロフォン2aから得た参照信号(入力信号)xを用いて適応フィルタ7でフィルタ係数Wiを変えてフィルタリングし、制御信号yを生成している。適応フィルタ7のフィルタ係数Wiは、LMS(Least Mean Square)アルゴリズム8を用いて自動的に最適化している。LMSアルゴリズム8には、制御対象領域3にあるエラーマイクロフォン3aで得られる誤差信号eがA/D変換されて入力され、収束係数μを用いたLMSアルゴリズム8を用いて誤差信号eが小さくなるように最適化してADF7を構成する係数Wiを更新している。
DSP1のADF7でフィルタリングされ、出力された制御信号yは、D/A変換され、アナログ波形信号となって増幅器5で増幅され、アクチュエータ・スピーカ6から制御音zを制御対象領域3に出力される。この制御音zはエンジン騒音からの制御対象音dと干渉することにより、結果的に騒音低減を行なうことになる。
このように、ANC技術は、エンジン騒音からの制御対象音dに対して、アクチュエータ・スピーカ6から同振幅・逆位相の制御音zを出力し、制御対象領域3での騒音を低減させている。
ANC技術は、図2に示すように、制御対象領域3のエラーマイクロフォン3aによって制御対象音dと制御音zとから検出された誤差信号eがDSP1にANCフィードバック制御され、誤差信号eが小さくなるように収束係数μを用いてLMSアルゴリズム8で信号処理し、発生したフィルタ信号Wで適応フィルタ7のフィルタ係数Wiを最適に変化させ、制御している。ANC技術では、スピーカ6からマイク3aに至る誤差経路の伝達関数G(z)をモデル化したプラントモデルG(z)を予め配慮した「Filtered−X」LMSアルゴリズム9の制御が行なわれており、この「Filtered−X」LMSアルゴリズム9の制御で、入力信号xを適応フィルタ7でフィルタリングしている。
特開平8−286675号公報 特開平6−259083号公報 特開平3−275917号公報
特許文献1および2には、DSPの適応フィルタを備えたアクティブ騒音制御装置が記載されている。この騒音制御装置は、制御対象領域に誤差(エラー)信号を観測するエラーマイクロフォンを備えている。
しかし、エラーマイクロフォンは、熱や水に弱く、熱劣化が生じ易く、設置場所の制約も大きく、コストや耐久性の問題もある。
また、従来のアクティブ騒音制御装置では、制御対象音に対して全周波数範囲で低減させる制御を行なっているが、全帯域に対して収束係数を1つに設定しなければならず、制御対象音に対して騒音低減効果を発揮する周波数が周波数領域で最も大きいピーク値に影響され限定的であり、騒音低減効果が限定的になっていた。
さらに、特許文献3には、フィードバックループを持たないマイクレスのアクティブ消音システムが記載されているが、フィードバック系を持たないマイクレスのアクティブ消音システムでは、センサ一で制御対象領域の制御対象音の位置推定が極めて重要な技術となるが、このセンサ位置における制御対象領域の位置推定技術に関して一切考慮されていない。
本発明は、上述した事情を考慮してなされたもので、動力源からの駆動制御信号により、制御対象音の周波数特性を推定し、この推定周波数を制御対象に絞り込んで、制御の高速化を図り、追従性および騒音低減効果を向上させたマイクレスのアクティブノイズ制御装置およびその制御方法を提供することを目的とする。
また、本発明の他の目的は、制御対象音の周波数特性を動力源の駆動制御信号から推定し、推定された制御対象周波数毎に周波数ピークを分解して音量調整して音質を調整し、聴覚的な違和感を防止できるアクティブノイズ制御装置およびその制御方法を提供するにある。
本発明に係るアクティブノイズ制御装置は、上述した課題を解決するために、動力源を駆動制御する駆動源の制御装置と、前記動力源からの発生音が制御対象音として伝達される制御対象領域と、前記動力源の駆動制御信号を入力信号として信号処理するDSPと、このDSPからの出力信号を増幅させる増幅器と、増幅された出力信号から制御音を前記制御対象領域に出力するアクチュエータ・スピーカとを有するマイクレスのアクティブノイズ制御装置であって、前記DSPは、前記入力信号から前記制御対象音の周波数特性を推測し、基本周波数と基本周波数から推定される次数成分の制御対象周波数を算出する信号処理回路と、算出された制御対象周波数の次数成分の周波数毎に個別の収束係数を用いてANC制御を行なうADF・LMSアルゴリズムと、前記動力源からの制御対象音と前記アクチュエータ・スピーカからの制御音との誤差信号を、前記動力源の駆動制御信号から推定して生成する振幅位相推定部とを備え、前記振幅位相推定部で生成された誤差信号は各次数成分毎の収束係数が個別に設定されて前記ADF・LMSアルゴリズムに送られ、前記ADF・LMSアルゴリズムからの出力信号を受けて前記アクチュエータ・スピーカは制御音を前記制御対象領域に出力することを特徴とするものである。
また、本発明に係るアクティブノイズ制御方法、上述した課題を解決するために、動力源からの発生音を制御対象音として制御対象領域に伝達し、前記動力源の駆動制御信号を入力信号としてDSPで信号処理し、前記DSPからの出力信号を増幅してアクチュエータ・スピーカに入力し、前記アクチュエータ・スピーカから前記制御対象領域の制御対象音に制御音として出力する、マイクレスのアクティブノイズ制御方法であって、前記動力源の駆動制御信号から制御対象音の周波数特性を推測して前記制御対象音の基本(一次)周波数および次数成分周波数の制御対象周波数を信号処理回路で算出し、算出された次数成分制御対象周波数を次数毎に分配してADF・LMSアルゴリズムにそれぞれ入力させてANC制御を行ない、さらに、前記動力源の駆動制御信号からDSPの振幅位相推定部により動力源からの制御対象音とアクチュエータ・スピーカからの制御音との誤差信号を推定し、前記振幅位相推定部からの誤差信号を用いてLMSアルゴリズムは前記誤差信号を最小にする適応フィルタのフィルタ係数を求め、前記ADF・LMSアルゴリズムのANC制御により出力された制御信号を前記DSPからの出力信号としてアクチュエータ・スピーカに入力しており、前記ADF・LMSアルゴリズムは、前記次数成分制御対象周波数から各次数毎に適応フィルタでフィルタリング処理することを特徴とする制御方法である。
本発明に係るアクティブノイズ制御装置およびその制御方法は、発生源の駆動制御信号から制御対象音の基本周波数を推定し、この基本周波数の次数成分の制御対象周波数を算出し、次数成分の制御対象周波数を各次数成分毎に分配してADF・LMSアルゴリズムにより、ANC制御が行なわれ、制御対象周波数の周波数領域が減少してANC制御が高速化して追従性が向上するとともに、ADF・LMSアルゴリズムは次数成分の制御対象周波数を各次数成分毎に最適収束係数を設定してフィルタリング処理するために、騒音低減効果が向上する。また、各次数成分の制御対象周波数は、ADF・LMSアルゴリズムにより各次数毎に減音・増音の設定が可能となるために、音量・音質制御が可能となる。
さらに、アクティブノイズ制御装置およびその制御方法は、動力源の駆動制御信号から振幅位相推定部で制御対象音と制御音の誤差信号を予測することにより、マイクロフォンを不要としてマイクレスのアクティブノイズ制御装置を提供することができ、熱や温度に弱く耐久性の低いマイクロフォンを不要にしてコストダウンを図ることができる。
「Filtered−X LMSアルゴリズム」を備えた既存のアクティブノイズ制御装置を示す構成図。 既存のアクティブノイズ制御装置に備えられる「Filtered−X LMSアルゴリズム」の概略図。 本発明に係るアクティブノイズ制御装置の第1の実施形態を示す構成図。 本発明に係るアクティブノイズ制御装置の作用例を説明するフローチャート。 (A)は本発明に係るアクティブノイズ制御装置におけるANC制御の騒音低減効果を示すグラフ、(B)は既存のアクティブノイズ制御装置におけるANC制御の騒音低減効果を示すグラフ。 本発明に係るアクティブノイズ制御装置と既存のアクティブノイズ制御装置における追従性を比較して示すグラフ。 (A)は本発明に係るアクティブノイズ制御装置を搭載した車両の定常走行時のANC制御ON/OFF時における音質・音量制御例を示すグラフ、(B)は同じく車両加速時におけるANC制御ON/OFF時における音質・音量制御例を示すグラフ。 本発明に係るアクティブノイズ制御装置の第2の実施形態を示す構成図。
以下、本発明の実施形態について添付図面を参照して説明する。
図3は、アクティブノイズ制御装置の第1の実施形態を示す構成図である。このアクティブノイズ制御装置10は、動力源の制御装置11で駆動制御されるエンジン12と、動力源の駆動制御信号として、エンジン12の状態をセンシングするエンジンセンサ信号を入力信号xとして信号処理するDSP(Digital Signal Processor)13と、DSP13からの出力信号yを増幅する増幅器14と、増幅された出力信号yの制御信号から制御音zを発生させて出力するアクチュエータ・スピーカ15とから主に構成される。アクチュエータ・スピーカ15は制御対象領域16に配置され、この制御対象領域16でエンジン12からのエンジン騒音である制御対象音dに制御音zを干渉音として出力している。
DSP13は、動力源の駆動制御信号であるエンジン12からエンジンセンサ信号(波形信号、パルス信号)を入力してA/D変換器17でデジタル信号に変換されて信号処理回路18の基本周波数(基本周期)抽出部19に送られる。基本周期抽出部19では、制御対象音dの基本(一次)周波数xが演算による信号処理で抽出され、制御対象音d(n)の基本(一次)周波数xが推定される。推定された基本周波数xから任意の信号分である基本周波数の任意のn次(nは整数以外の倍数も含む)の次数成分周波数(x,x,…,x)が算出される。この基本(一次)周波数と次数成分周波数信号x,x,…,xは分配されて各次数分のADF・LMSアルゴリズム20(20,20,…,20)にそれぞれ入力される。エンジンの種類によっては、Vツインエンジン等のように次数成分nは整数以外、例えば0.5次数成分等も存在する。
このように、基本周期抽出部19は、基本周波数xを抽出し、この基本周波数xから次数成分周波数x,x,…,xを計算している。基本周波数xは点火パルスなどのエンジンセンサ信号から計算でき、また、次数成分周波数x,x,…,xは基本周波数をn倍することにより容易に求めることができる。いずれにしても、次数成分周波数x,x,…,xの信号は正弦波信号を生成している。
ADF・LMSアルゴリズム20(20,20,…,20)は、適応フィルタ(ADF)21(21,21,…,21)とLMSアルゴリズム22(22,22,…,22)とを組み合せて構成され、各次数分周波数の入力信号x,x,…,xを適応フィルタ21(21,21,…,21)のフィルタ係数を用いてフィルタリング処理し、各次数分の周波数成分の入力信号x,x,…,xをx,x,…,xに対応する各次数成分周波数毎の出力信号y,y,…,yをそれぞれ出力している。適応フィルタ21(21,21,…,21)は、ADF(Adaptive Digital Filter)であり、LMS(Least Mean Square)アルゴリズム22(22,22,…,22)を用いて、フィルタ係数w,w,…,wを時々刻々と更新してゆく。適応フィルタ21(21,21,…,21)では、各次数成分周波数の入力信号x,x,…,xが時々刻々と更新されるフィルタ係数と積和演算されてフィルタリング信号処理され、処理結果が各次数分周波数の出力信号(制御信号)y,y,…,yとして個々に出力される。
また、LMSアルゴリズム22(22,22,…,22)は、既知の最適化手法の1つであり、最急降下法の演算量低減のために、勾配ベクトルの瞬時値を用いたアルゴリズムである。LMSアルゴリズム22(22,22,…,22)では、適応フィルタ21(21,21,…,21)に最適フィルタ係数を付与するために、振幅位相推定部30でエンジンセンサ信号から制御対象音dの周波数特性が推測され、エンジン騒音からの制御対象音dとアクチュエータ・スピーカ15からの制御音zとの間の誤差信号eに、各次数分毎の収束係数μ,μ,…,μが個別に設定されてLMSアルゴリズム22(22,22,…,22)に送られる。
このLMSアルゴリズム22(22,22,…,22)では、誤差信号eが最小となるようフィルタ信号w,w,…,wを更新し、適応フィルタ21(21,21,…,21)の新しい係数としてセットされ、畳み込み演算を行なうことにより、ANC制御される。フィルタ信号w,w,…,wを入力する適応フィルタ21(21,21,…,21)では時々刻々変化する最適フィルタ係数が与えられてフィルタリング信号処理される。このようにして、ADF・LMSアルゴリズム20(20,20,…,20)は、適応フィルタ21(21,21,…,21)でそれぞれ最適フィルタ係数を用いて各次数成分周波数の入力信号x,x,…,xをフィルタリング処理して入力信号x,x,…,xに応じた各次数成分周波数の出力信号y,y,…,yが制御信号yとして出力される。
ADF・LMSアルゴリズム20(20,20,…,20)で生成された各次数成分の制御信号(出力信号)y,y,…,yは加算器25で加算されて1つの制御信号yとなり、D/A変換器26により、アナログ波形信号となってDSP13から出力される。DSP13から出力されたアナログ波形信号(制御信号y)は、増幅器14で増幅された後、アクチュエータ・スピーカ15から制御音zとして制御対象領域16に出力される。制御音zはエンジン騒音の制御対象音dに対して干渉音として干渉させられる。
また、アクティブノイズ制御装置10では、エンジン12からのエンジンセンサ信号は誤差(エラー)信号eを取得するために、A/D変換器29を経て振幅位相推定部30に入力され、この振幅位相推定部30でエンジン騒音の制御対象音dとアクチュエータ・スピーカ15からの制御音dとの差に相当する誤差信号eが得られる。この誤差信号eは既存のアクティブノイズ制御装置のエラーマイクロフォン3a(図1,2参照)で得られた誤差信号eに相当するものである。
第1の実施形態のアクティブノイズ制御装置10は、DSP13に振幅位相推定部30を備えて、エンジン12の状態をセンシングするエンジンセンサ信号を入力する振幅位相推定部30で制御対象音dの周波数特性を推定し、誤差信号eを取得している。この推定によりエラーマイクロフォンを用いることなく、マイクロフォンを不要にしたマイクレスの騒音制御が可能となった。
また、振幅位相推定部30で既存のエラーマイクロフォンからの信号eに相当する誤差信号eを取得している。振幅位相推定部30からの誤差信号e各次数成分毎の収束係数μ,μ,…,μ個別に設定されてLMSアルゴリズム22(22,22,…,22)に入力され、このLMSアルゴリズム22(22,22,…,22)で誤差信号eが小さくなるように収束係数μ,μ,…,μを用いて信号処理され、適応フィルタ21(21,21,…,21)で時々刻々変化する最適なフィルタ信号w,w,…,wがそれぞれ更新される。
一方、DSP13は、各次数成分周波数の振幅を調整し、音質を調整する音質調整回路33(33,33,…,33)が備えられる。音質調整回路33(33,33,…,33)は、各次数分の周波数入力信号x,x…,xに増幅値a,a…,aを付与する増幅器34(34,34,…,34)と、増幅値a,a…,aが付与された各次数分の周波数入力信号x,x…,xを振幅位相推定部30からの誤差信号eに加算する加算器35(35,35,…,35)とを備えて構成される。
音質調整回路33(33,33,…,33)は、増幅値aが付与された各次数分周波数の入力信号x,x…,xが加算器35(35,35,…,35)で振幅位相推定部30からの誤差信号eに加算され、各次数成分の周波数を所望の誤差信号eが小さくなる振幅に制御することができる。
DSP13では、制御対象音の周波数特性をエンジンセンサ信号を入力した基本周期抽出部19で基本(一次)周波数を抽出し、周波数ピークを分解し、各次数成分の周波数を制御対象周波数としている。そして、各次数成分の周波数信号x,x…,x毎に、音質調整回路33(33,33,…,33)に案内して、制御対象周波数毎に減音や増音といった増幅値a,a…,aを付与することができる。これにより、制御対象周波数の音量調整を制御対象周波数毎や制御対象次数毎に行なうことができ、音質調整を行なうことができる。
[第1の実施形態の作用]
図4は、アクティブノイズ制御装置10の作用を説明するフローチャートである。
このアクティブノイズ制御装置10は、エンジン12から配線を用いてDSP(Digital Signal Processor)13がエンジンセンサ信号(パルス信号)をステップ1で取得しており、取得されたエンジンセンサ信号は、DSP13の基本周期抽出部19で基本となる周波数成分が算出される(ステップ2)。制御対象音dは、基本周波数のn倍数、例えば、この基本周波数と次数成分周波数で発生することが知られている。つまり、制御対象音dは、次数成分の周波数x,x…,xで発生することが分かっている。
そこで、制御対象音dの制御したい次数成分周波数が正弦波(Sin波)をステップ3で入力信号として生成する。各次数成分のSin波の入力信号をADF・LMSアルゴリズム20(20,20,…,20)の適応フィルタ21(21,21,…,21)に入力させて、フィルタリング処理する(ステップ4)。
一方、エンジンセンサ信号は、制御対象領域16において、エンジン騒音からの制御対象音dとアクチュエータ・スピーカ15からの制御音zとの間の誤差信号を取得するために、DSP13の振幅位相推定部30に入力される。振幅位相推定部30は、エンジンセンサ信号を取得して各次数成分周波数の振幅位相を推定し、制御対象領域16における誤差信号を取得するものである(ステップ5)。振幅位相推定部30で取得された誤差信号eは、ステップ6で音質調整回路33(33,33,…,33)で増幅値a,a…,aが各次数成分の周波数の入力信号に加算されてLMSアルゴリズム22(22,22,…,22)に送られ、このLMSアルゴリズム22(22,22,…,22)で誤差信号eが小さくなり、音量や音質を調整するための信号を用いて、適応フィルタ21(21,21,…,21)のフィルタ係数w,w,…,wを変化させ、最適値となるようにANC制御される。
DSP13の振幅位相推定は、適応フィルタ21によって行なわれる。適応フィルタ21は誤差(エラー)信号eが最小とするようにフィルタ係数を求めている。適応フィルタ21によるフィルタ係数の最適化は、最急降下法を用いたLMSアルゴリズム22により、振幅位相推定が最適に行なわれることが保証されている。
このようにして、DSP13は、各次数成分の周波数のSin波が入力信号x,x…,xとして各適応フィルタ21,21,…,21に1つ1つ入力され、各適応フィルタ21,21,…,21は、各次数成分の周波数毎に適した収束係数μ,μ,…,μ を用いたLMSアルゴリズム22,22,…,22によりフィルタ係数wiが最適化され、フィルタリング処理され、各次数成分の周波数の入力信号x,x,…,xに応じた各次数成分の出力信号y,y,…,yから制御信号yが生成される(ステップ7)。
ステップ7で生成されたADF・LMSアルゴリズム20の各適応フィルタ21,21,…,21からの出力信号(各制御信号)y,y,…,yは、加算器25で加算され、加算された制御信号yが出力信号としてD/A変換器26に出力される(ステップ8)。
D/A変換器26では、制御信号はアナログ波形信号にステップ9で変換される。
変換されたアナログ波形信号は増幅器14で増幅され(ステップ10)、アクチュエータ・スピーカ15から制御音zとして制御対象領域16に出力される(ステップ11)。
アクチュエータ・スピーカ15から出力される制御音zは、制御対象領域16においてエンジン騒音からの制御対象音dが所望音となるように調整された制御干渉音である。
また、DSP13のADF・LMSアルゴリズム20は、各ADF・LMSアルゴリズム20,20,…,20の適応フィルタ21,21,…,21が、各次数毎に最も適した収束係数μ,μ,…,μを用いたLMSアルゴリズム22,22,…,22により作成されたフィルタ信号によりフィルタ係数が設定されるため、制御対象領域16において、制御対象音dの騒音制御効果を向上させることができる。
なお、図4に付設された左右の波形例の図は、各ステップ1〜8でそれぞれ取得された信号波形例を一例として例示するものである。
本実施形態のアクティブノイズ制御装置10では、制御対象音dの周波数特性をエンジンセンサ信号から推測し、周波数ピークを分解してそれぞれを基本(一次)周波数や次数成分周波数として制御対象周波数としている。この制御対象周波数は各周波数毎に個別に収束係数を設定することができ、制御対象周波数の各周波数毎に、DSP13でANC制御を行なうことができる。
このため、アクティブノイズ制御装置10でDSP13を用いてANC制御することが、図5(A)に実線Aで示すように、DSP13を用いてANC制御するANCのON時には、破線Bで示すANCのOFF時に示すように、各次数成分周波数のピークがそれぞれ低減され、広い周波数範囲に亘って、高い騒音低減効果が得られる。
これに対し、図5(B)は、図1に示す既存のアクティブノイズ制御装置により得られる騒音低減効果を示すものである。図5(B)に示すように、既存のアクティブノイズ制御装置では、DSP13の全周波数帯域で1つの収束係数μを設定しなければならないため、ANCのON時にも、実線Cで示すように、ANCのOFF時に破線Dで示すように、制御対象音dに対し騒音低減効果を発揮する周波数は狭く、限定的である。
また、本実施形態のアクティブノイズ制御装置10では、制御対象音dの振幅や位相の周波数特性をエンジンセンサ信号から推測し、DSP13の基本周波数抽出部19で抽出し、基本(一次)周波数やn次数の周波数を求め、周波数ピークを分解して制御対象周波数とした。このことにより、各成分毎に収束係数μを設定することができ、DSP13のADF・LMSアルゴリズム20によるANC制御を図6に符号Eで示すように高速化させることができた。図6において、符号Fは既存のDSP13によるANC制御を示すもので、既存のANC制御Fで騒音レベルを一定レベルまで減少させるのに、約1.3secかかっていたものが、本実施形態のDSP13によるADF・LMSアルゴリズム20のANC制御では約0.25secと5倍の速度分高速化させることができ、高い追従性が得られる。
さらに、本実施形態のアクティブノイズ制御装置10では、制御対象音dの振幅と位相の周波数特性をエンジン12のエンジンセンサ信号から推定し、基本周波数と基本周波数から推定される次数成分周波数を制御対象周波数とし、制御対象周波数毎に減音や増音を設定することができる。
このアクティブノイズ制御装置路10では、基本(一次)周波数およびn次数の周波数である制御対象周波数毎に、音質調整回路33(33,33,…,33)により減音か増音という音量・音質調整を行なうことができる。
図7(A)は、例えば50km/時の一定速度走行時における車両を、アクティブノイズ制御装置10を用いて音質調整制御を行なったものである。この音質調整制御では、DSP13のLMSアルゴリズム22,22,…,22に、制御対象周波数毎に減音かか増音の設定が可能となるように、音質調整回路33(33,33,…,33)の増幅器34,34,…,34で増幅値a,a,…,aを設定し、減音や増音に適したアルゴリズムを作成している。そして、図7(A)は、ADF・LMSアルゴリズム20(20,20,…,20)で一定速度走行時における音質制御を行なっている状態(実線G)と音質制御を行なっていない状態(破線H)との周波数特性を比較して示すグラフである。実線Gで示すように、音質制御を行なうと、制御対象音dは、広い周波数範囲に亘り、目標の所要音圧となるように、制御対象音dを減音あるいは増音して音圧レベルをほぼ一定となるように制御できる。
また、図7(B)は、スクータ車両の加速時における音質制御(音質評価テスト)の一例を示すものである。この音質制御をエンジン回転数に応じて行なうことにより、加速時に、エンジン騒音調整をエンジン回転数の上昇に応じて、実線Iで示すように音圧変動が少なく、滑らかな心地よい連続音で繋がるように音量・音質制御している。また、破線Jに示すように、音質制御を行なわない時には、エンジン回転数が上昇するに伴い音圧変動が大きく、うなり音が発生し、聴感(聴覚)的な違和音が発生しているが、音質制御を行なうことにより、加速時には振幅変動を防ぎ、心地よい滑らかな連続音で繋がり、聴感的な違和感を防止することができる。
さらに、既存のアクティブノイズ制御装置のエラーマイクロフォン3a(図1参照)位置で取得される制御対象音dは,参照信号xの線形変形された信号となることが予測される.そうすると誤差信号eは制御対象信号dから適応フィルタ出力に伝達関数G(z)をたたみ込んだ信号との差分をとることにより求めることができる。つまり、図3における制御対象音dの信号は、エンジンセンサ信号の各次数成分の信号に伝達関数を畳み込むことにより得られるセンサ入力信号であると表現できる。正弦波すなわち1つの周波数成分に着目すると,その伝達関数はエンジンセンサ信号と制御対象領域16の制御対象音dの音信号との振幅比と位相差によって表現される。(便宜上、エンジンセンサ信号xとエラーセンサ位置の制御対象信号dとの伝達関数を伝達関数H(z)と呼称する。)このため、エンジンセンサ信号から生成された正弦波信号と伝達関数H(z)を用いて作成された誤差信号を用いることによりセンサレスのアクティブノイズ制御装置10を得るものである。
伝達関数H(z)はエンジンセンサ信号を入力、制御対象音の信号を出力とすると、入出力間は1対1の線形出力関係になり一意に定めることができる。伝達関数H(z)はインパルス応答からなる伝達関数データをしての予め用意された値を持つことにより、エンジンセンサ信号から制御対象音dの音信号を推定することができる。
したがって、エンジン騒音の制御対象音の周波数特性を推測することにより、マイクロフォンのような物理的なセンサを用いないセンサレスのアクティブノイズ制御装置を得ることができる。
また、アクティブノイズ制御装置10のDSP13における音質制御は、エンジン回転に同期する高長波騒音成分の振幅が時間的に変動し過ぎないことや、車両加速時の適応音質制御における低次の騒音次数成分が小さいことが心地よい快音の1つの指標となっていることを本発明者等は知見した(日本音響学会2010年春季研究発表会講演論文集CDROM P895−P896参照。)。基本(一次)周波数や二次周波数成分の増幅値a=a=0とし、三次以上の次数成分の増幅値a=a=a=…=a=定数となるように、音質制御することが考えられる。そこで、制御目的信号として、三次以上の次数成分の増幅値a,…,aを得ることにより、より好ましい音質制御を行なうことができる。
[第2の実施形態]
図8は、アクティブノイズ制御装置の第2の実施形態を示す構成図である。
第2の実施形態に示されたアクティブノイズ制御装置10Aは、騒音低減が必要な周波数はエンジンセンサ信号によって決定されるだけでなく、エンジンセンサ信号に依存しない音も存在することに着目したもので、第1の実施形態に示されたアクティブノイズ制御装置10と同じ構成・作用には同一符号を付し、重複説明を省略ないし簡略化する。
第2の実施形態に示されたアクティブノイズ制御装置10Aは、第1の実施形態のアクティブノイズ制御装置10に加えて、一定周波数で発生する音も騒音低減対策に加えたもので、一定周波数音の制御も目的としている。
このアクティブノイズ制御装置10Aは、DSP13Aに第1の実施形態で説明したDSP13に、一定周波数音を制御するADF・LMSアルゴリズム40を加え、このADF・LMSアルゴリズム40は一定周波数音をフィルタリングする適応フィルタ(ADF)43とLMSアルゴリズム44とを組み合せて構成される。LMSアルゴリズム44は、振幅位相推定部30からの誤差信号e から収束係数μaが設定されて入力され、誤差信号eが小さくなるように信号処理したフィルタ信号waを適応フィルタ43に送り、適応フィルタ43のフィルタ係数を制御している。適応フィルタ43は、このフィルタ係数で一定周波数音のフィルタリングを行なっている。適応フィルタ43でフィルタリングされた出力信号(制御信号)yは加算器25で加算され、制御信号y(y+y)となってD/A変換器26でアナログ波形信号に変換される。アナログ波形(制御)信号は続いて増幅器14で増幅され、制御対象領域16に制御音zとなって出力される。
[第2の実施形態の作用]
第2の実施形態に示されたアクティブノイズ制御装置10Aは、第1の実施形態に示されたアクティブノイズ制御装置10と同様な作用、機能を奏する他、エンジンセンサ信号に依存しない音、例えば経路長さにより強められる一定周波数の音も発生している。
このため、アクティブノイズ制御装置10Aは、騒音低減が必要な周波数だけでなく、エンジンセンサ信号に依存しない一定周波数も騒音低減対策の対象音としている。このアクティブノイズ制御装置10Aで追設されたADF・LMSアルゴリズム40の適応フィルタ(ADF)43で一定周波数音の信号をフィルタリングした出力信号(制御信号)yは加算器25で加算され、制御信号y(y+y)となって出力され、アナログ波形(制御)信号に変換され、増幅されてアクチュエータ・スピーカ15から制御音zとなって出力される。この制御音zは、エンジン騒音の制御対象音dに、例えば経路長さにより強められる一定周波数音への騒音低減対策も含めて干渉音として出力される。
第2の実施形態に示すアクティブノイズ制御装置10Aでは、エンジン騒音からの制御対象音dに一定周波数の発生音も対象とし、制御対象周波数を一定とし、位相および振幅のみをエンジンセンサ信号から制御対象音dとして算出して推定し、一定周波数音への騒音低減対策も対象として実施するものである。
[その他]
本発明の実施形態では、エンジンからのエンジンセンサ信号を入力信号とし、DSPのANC技術で信号処理して騒音低減を図る例について説明したが、入力信号としてエンジンのエンジンセンサ信号は、イグニッションパルス信号(点火信号)やスロットルバルブのスロットル開度信号などの動力源の駆動制御信号を入力信号としてもよい。また、制御対象音として動力源の駆動制御信号の影響を受けない、環境中に存在する一定周波数の発生音を含ませてもよい。
さらに、実施形態では、動力源として内燃機関からの騒音低減制御を対象としたアクティブノイズ制御装置の例を示したが、動力源は、所定の駆動制御入力信号を付与した場合に、再現性のある音響特性を示す音を出力する動力発生源であればよい。例えば、エンジン(内燃機関)の動力発生源だけでなく、電気モータ等の回転電機や、内燃機関と回転電機とを組み合せたハイブリッド車両を動力発生源としてもよい。
付け加えて、本発明は音を制御することを目的としているが、物体の振動抑制制御にも転用して適用可能である。制御対象のエンジン騒音dをエンジン振動に、アクチュエータ・スピーカ15を振動子に置き換えることで騒音制御と同様に、振動制御することが可能である。よって、所定の駆動制御入力信号を付与した場合に対して再現性のある振動特性を示す構造物に対する振動低減制御を本発明の目的としてもよい。
加えて、制御対象領域には、車室や、エンジンルーム、モータ室のみならず、さらに吸気系配管や排気系配管、エンジンの周辺機器を制御対象領域に加えてもよい。
10,10A アクティブノイズ制御装置
11 動力源の制御装置
12 エンジン
13,13A DSP
14 増幅器
15 アクチュエータ・スピーカ
16 制御対象領域
17 A/D変換器
18 信号処理回路
19 基本周期(周波数)抽出部
20(20,20,…,20) ADF・LMSアルゴリズム
21(21,21,…,21) 適応フィルタ(ADF)
22(22,22,…,22) LMSアルゴリズム
25 加算器
26 D/A変換器
29 A/D変換器
30 振幅位相推定部
33(33,33,…,33) 音質調整回路
34(34,34,…,34) 増幅器
35(35,35,…,35) 加算器
40 ADF・LMSアルゴリズム
43 適応フィルタ(ADF)
44 LMSアルゴリズム

Claims (12)

  1. 動力源を駆動制御する駆動源の制御装置と、
    前記動力源からの発生音が制御対象音として伝達される制御対象領域と、
    前記動力源の駆動制御信号を入力信号として信号処理するDSPと、
    このDSPからの出力信号を増幅させる増幅器と、
    増幅された出力信号から制御音を前記制御対象領域に出力するアクチュエータ・スピーカとを有するマイクレスのアクティブノイズ制御装置であって、
    前記DSPは、前記入力信号から前記制御対象音の周波数特性を推測し、基本周波数と基本周波数から推定される次数成分の制御対象周波数を算出する信号処理回路と、
    算出された制御対象周波数の次数成分の周波数毎に個別の収束係数を用いてANC制御を行なうADF・LMSアルゴリズムと、
    前記動力源からの制御対象音と前記アクチュエータ・スピーカからの制御音との誤差信号を、前記動力源の駆動制御信号から推定して生成する振幅位相推定部とを備え、
    前記振幅位相推定部で生成された誤差信号は各次数成分毎の収束係数が個別に設定されて前記ADF・LMSアルゴリズムに送られ、
    前記ADF・LMSアルゴリズムからの出力信号を受けて前記アクチュエータ・スピーカは制御音を前記制御対象領域に出力することを特徴とするアクティブノイズ制御装置。
  2. 前記信号処理回路は、前記動力源の駆動制御信号から前記制御対象音の周波数特性を推測し、その基本周波数を推定するとともに次数成分周波数とを算出する基本周期算出部を備え、
    この基本周期算出部で算出された基本(一次)周波数および次数成分周波数から制御対象周波数をそれぞれ分配して前記ADF・LMSアルゴリズムに入力させる請求項1に記載のアクティブノイズ制御装置。
  3. 前記ADF・LMSアルゴリズムは、前記制御対象周波数を次数成分毎に入力させる各次数毎のADF・LMSアルゴリズムを備え、
    各次数毎のADF・LMSアルゴリズムは、前記制御対象周波数が次数成分毎個別にANC制御された請求項1または2に記載のアクティブノイズ制御装置。
  4. 前記ADF・LMSアルゴリズムは、各次数毎のADF・LMSアルゴリズムが最適フィルタとLMSアルゴリズムを組み合せてそれぞれ構成され、
    前記各LMSアルゴリズムは個々の収束係数が用いられて収束環境が調整されて前記各適応フィルタのフィルタ係数がそれぞれ最適化される請求項3に記載のアクティブノイズ制御装置。
  5. 前記DSPは、前記動力源からの駆動制御信号を入力して前記信号処理回路で得られた制御対象音の基本(一次)周波数および次数成分の制御対象周波数を前記各次数成分毎のADF・LMSアルゴリズムに入力させる一方、
    前記次数成分のADF・LMSアルゴリズムから出力される各次数成分毎の出力信号を加算器で加算し、加算された出力信号を増幅器に送るように構成した請求項1に記載のアクティブノイズ制御装置。
  6. 前記DSPは、前記信号処理回路で処理された基本(一次)周波数および次数成分周波数の制御対象周波数から各次数成分の制御対象周波数を個々に案内する音質調整回路を各次数成分毎にそれぞれ備え、
    各次数成分の音質調整回路は、各次数成分の制御対象周波数毎に音量・音質を調整する増幅値を個別に付与して加算器にて前記振幅位相推定部からの誤差信号に加算される請求項1に記載のアクティブノイズ制御装置。
  7. 前記DSPは、制御対象音の基本周波数の次数成分以外の一定周波数音の信号をANC制御する追加のADF・LMSアルゴリズムを備え、
    この追加のADF・LMSアルゴリズムに前記振幅位相推定部からの誤差信号に収束係数を乗じて適応フィルタのフィルタ係数を最適化させる請求項1または6に記載のアクティブノイズ制御装置。
  8. 動力源からの発生音を制御対象音として制御対象領域に伝達し、
    前記動力源の駆動制御信号を入力信号としてDSPで信号処理し、
    前記DSPからの出力信号を増幅してアクチュエータ・スピーカに入力し、
    前記アクチュエータ・スピーカから前記制御対象領域の制御対象音に制御音として出力する、マイクレスのアクティブノイズ制御方法であって、
    前記動力源の駆動制御信号から制御対象音の周波数特性を推測して前記制御対象音の基本(一次)周波数および次数成分周波数の制御対象周波数を信号処理回路で算出し、
    算出された次数成分制御対象周波数を次数毎に分配してADF・LMSアルゴリズムにそれぞれ入力させてANC制御を行ない、
    さらに、前記動力源の駆動制御信号からDSPの振幅位相推定部により動力源からの制御対象音とアクチュエータ・スピーカからの制御音との誤差信号を推定し、
    前記振幅位相推定部からの誤差信号を用いてLMSアルゴリズムは前記誤差信号を最小にする適応フィルタのフィルタ係数を求め、
    前記ADF・LMSアルゴリズムのANC制御により出力された制御信号を前記DSPからの出力信号としてアクチュエータ・スピーカに入力しており、
    前記ADF・LMSアルゴリズムは、前記次数成分制御対象周波数から各次数毎に適応フィルタでフィルタリング処理することを特徴とするアクティブノイズ制御方法。
  9. 前記ADF・LMSアルゴリズムは各次数成分制御対象周波数から分配される次数成分毎のADF・LMSアルゴリズムをそれぞれ備え、
    前記次数成分毎のADF・LMSアルゴリズムは収束係数を個別に備えたLMSアルゴリズムにより適応フィルタのフィルタ係数が個別に最適化される請求項8に記載のアクティブノイズ制御方法。
  10. 前記次数成分のADF・LMSアルゴリズムから各次数成分の出力信号が加算され、制御信号となってアクチュエータ・スピーカに送られる請求項9に記載のアクティブノイズ制御方法。
  11. 前記信号処理回路から制御対象音の基本(一次)周波数および次数成分制御対象周波数を分配して各次数分の音質調整回路に入力し、
    前記次数分の音質調整回路は、前記次数成分制御対象周波数の各次数成分毎に音量・音質を調整する増幅値を用いて前記振幅位相推定部からの誤差信号に加算する請求項8に記載のアクティブノイズ制御方法。
  12. 前記制御対象音の基本周波数の次数成分以外の一定周波数音の信号を追加のADF・LMSアルゴリズムでANC制御を行ない、
    前記振幅位相推定部からの誤差信号に収束係数を乗じて、前記一定周波数音における適応フィルタにフィルタ係数を最適化制御する請求項8または11に記載のアクティブノイズ制御方法。
JP2013023828A 2013-02-08 2013-02-08 アクティブノイズ制御装置およびその制御方法 Active JP6074693B2 (ja)

Priority Applications (1)

Application Number Priority Date Filing Date Title
JP2013023828A JP6074693B2 (ja) 2013-02-08 2013-02-08 アクティブノイズ制御装置およびその制御方法

Applications Claiming Priority (1)

Application Number Priority Date Filing Date Title
JP2013023828A JP6074693B2 (ja) 2013-02-08 2013-02-08 アクティブノイズ制御装置およびその制御方法

Publications (2)

Publication Number Publication Date
JP2014153571A JP2014153571A (ja) 2014-08-25
JP6074693B2 true JP6074693B2 (ja) 2017-02-08

Family

ID=51575479

Family Applications (1)

Application Number Title Priority Date Filing Date
JP2013023828A Active JP6074693B2 (ja) 2013-02-08 2013-02-08 アクティブノイズ制御装置およびその制御方法

Country Status (1)

Country Link
JP (1) JP6074693B2 (ja)

Cited By (1)

* Cited by examiner, † Cited by third party
Publication number Priority date Publication date Assignee Title
KR20210003047A (ko) * 2019-07-01 2021-01-11 하만인터내셔날인더스트리스인코포레이티드 드라이브 모드 최적화 엔진 오더 상쇄

Families Citing this family (6)

* Cited by examiner, † Cited by third party
Publication number Priority date Publication date Assignee Title
JP6737142B2 (ja) * 2016-11-18 2020-08-05 スズキ株式会社 騒音制御装置、騒音制御方法及び動力機械
CN106382143B (zh) * 2016-12-01 2019-04-05 吉林大学 一种基于发动机转速的主动降噪装置及方法
JP6782946B2 (ja) * 2017-08-23 2020-11-11 公立大学法人広島市立大学 音質制御システム、音質制御方法及び動力機械
CN109961773B (zh) * 2019-01-15 2023-03-21 华南理工大学 一种针对旋转机械阶次噪声的主动降噪方法
KR102663217B1 (ko) * 2019-10-17 2024-05-03 현대자동차주식회사 차량의 실내 음향 제어 방법 및 시스템
JP7241118B2 (ja) * 2021-03-18 2023-03-16 本田技研工業株式会社 能動型騒音制御装置

Family Cites Families (6)

* Cited by examiner, † Cited by third party
Publication number Priority date Publication date Assignee Title
JP2827374B2 (ja) * 1989-12-29 1998-11-25 日産自動車株式会社 能動型騒音制御装置
JPH06266374A (ja) * 1993-03-17 1994-09-22 Alpine Electron Inc 騒音キャンセル方式
JPH06266367A (ja) * 1993-03-17 1994-09-22 Hitachi Ltd 車室内騒音の能動消音装置
JPH07210173A (ja) * 1994-01-25 1995-08-11 Hitachi Ltd 能動型騒音制御装置
JP3572444B2 (ja) * 1999-01-20 2004-10-06 日産自動車株式会社 能動型騒音振動制御装置
JP2001295622A (ja) * 2000-04-18 2001-10-26 Fuji Xerox Co Ltd 能動型消音装置

Cited By (2)

* Cited by examiner, † Cited by third party
Publication number Priority date Publication date Assignee Title
KR20210003047A (ko) * 2019-07-01 2021-01-11 하만인터내셔날인더스트리스인코포레이티드 드라이브 모드 최적화 엔진 오더 상쇄
KR102906504B1 (ko) * 2019-07-01 2025-12-30 하만인터내셔날인더스트리스인코포레이티드 드라이브 모드 최적화 엔진 오더 상쇄

Also Published As

Publication number Publication date
JP2014153571A (ja) 2014-08-25

Similar Documents

Publication Publication Date Title
JP6074693B2 (ja) アクティブノイズ制御装置およびその制御方法
EP2597638B1 (en) Tunable active noise control
Zhang et al. Deep MCANC: A deep learning approach to multi-channel active noise control
US10373600B2 (en) Active noise control system
Elliott et al. Performance of feedforward and feedback systems for active control
JP3365774B2 (ja) 雑音整形のための能動制御装置
JP4742226B2 (ja) 能動消音制御装置及び方法
JP5255087B2 (ja) 適応性ノイズコントロール
KR102557002B1 (ko) 대각화 필터 행렬을 이용한 능동 잡음 소거 시스템
Buck et al. Performance evaluation of an active headrest considering non-stationary broadband disturbances and head movement
Das et al. Nonlinear active noise control for headrest using virtual microphone control
US20080317256A1 (en) Method for Reproducing a Secondary Path in an Active Noise Reduction System
KR101696597B1 (ko) 소음제어방법
Wu et al. Direct adaptive cancellation of periodic disturbances for multivariable plants
JP3646809B2 (ja) 時間領域適応制御システム
JP2015169915A (ja) アクティブノイズ制御装置およびアクティブノイズ制御方法
JPH06266374A (ja) 騒音キャンセル方式
KR100902954B1 (ko) Co-FXLMS 알고리즘을 이용한 3차원 밀폐계의능동소음제어시스템 및 방법
JP2019514059A (ja) 音に能動的に影響を与えるためのシステムおよび方法
JPH0533625A (ja) 騒音制御装置
de Diego et al. Performance comparison of multichannel active noise control equalizers
JPH0719157B2 (ja) 騒音制御装置
Lian et al. A coherence-based robust frequency-dependent variable step size method for active road noise control
Mori Active noise control in a tractor cabin
Elliott Active noise and vibration control

Legal Events

Date Code Title Description
A621 Written request for application examination

Free format text: JAPANESE INTERMEDIATE CODE: A621

Effective date: 20150909

A521 Written amendment

Free format text: JAPANESE INTERMEDIATE CODE: A821

Effective date: 20150909

A977 Report on retrieval

Free format text: JAPANESE INTERMEDIATE CODE: A971007

Effective date: 20160414

A131 Notification of reasons for refusal

Free format text: JAPANESE INTERMEDIATE CODE: A131

Effective date: 20160419

A521 Written amendment

Free format text: JAPANESE INTERMEDIATE CODE: A523

Effective date: 20160620

TRDD Decision of grant or rejection written
A01 Written decision to grant a patent or to grant a registration (utility model)

Free format text: JAPANESE INTERMEDIATE CODE: A01

Effective date: 20161206

A61 First payment of annual fees (during grant procedure)

Free format text: JAPANESE INTERMEDIATE CODE: A61

Effective date: 20161214

R150 Certificate of patent or registration of utility model

Ref document number: 6074693

Country of ref document: JP

Free format text: JAPANESE INTERMEDIATE CODE: R150

S111 Request for change of ownership or part of ownership

Free format text: JAPANESE INTERMEDIATE CODE: R313117

R350 Written notification of registration of transfer

Free format text: JAPANESE INTERMEDIATE CODE: R350