JP5407953B2 - 定着装置及び画像形成装置 - Google Patents
定着装置及び画像形成装置 Download PDFInfo
- Publication number
- JP5407953B2 JP5407953B2 JP2010057420A JP2010057420A JP5407953B2 JP 5407953 B2 JP5407953 B2 JP 5407953B2 JP 2010057420 A JP2010057420 A JP 2010057420A JP 2010057420 A JP2010057420 A JP 2010057420A JP 5407953 B2 JP5407953 B2 JP 5407953B2
- Authority
- JP
- Japan
- Prior art keywords
- fixing
- fixing device
- fixing member
- standby mode
- temperature
- Prior art date
- Legal status (The legal status is an assumption and is not a legal conclusion. Google has not performed a legal analysis and makes no representation as to the accuracy of the status listed.)
- Expired - Fee Related
Links
Images
Landscapes
- Fixing For Electrophotography (AREA)
Description
本発明は、トナー像を担持した記録媒体を通紙して熱等によりトナー像を記録媒体に定着する定着装置及び該定着装置を備える複写機、プリンタ、ファクシミリまたはそれらの複合機などの画像形成装置に関するものである。
従来、プリンタ、複写機、ファクシミリ等の画像形成装置にあっては、用紙等の記録媒体に形成されたトナー像を圧力下において加熱溶融することにより、画像を定着させる定着装置を用いることが知られている。一般的に、トナー像として形成された電子写真画像を記録媒体に定着する定着装置は、加熱手段であるヒータに電力を供給して定着ローラ、定着ベルト等の定着部材を加熱させ、この熱でトナー像を加熱溶融して記録媒体に定着する処理を行う。
このような定着装置として近年では、定着可能状態への昇温時間(ウォームアップ時間)の短縮化や、消費電力の低減化の観点から、定着部材には、薄肉ローラや図6に示すような定着ベルト51を用いたものが提案されている。そして、特許文献1(図5等)にはさらなる低熱量化にすることを目的としてヒータ内包するパイプに薄肉のベルトを摺動させながらベルトを加熱し、加圧部材とのニップに記録材を送り込み挟持搬送しながら定着を行う定着装置が記載されている。
ところで、定着装置では機械を立ち上げた後やJOBの終了後の待機時において次の作像の開始を短時間で可能にするため、定着部材の温度を予め定めた待機設定温度に維持し、作像の開始時に直ちに定着可能温度まで立ち上げるような待機モードが設定されている。
かかる待機モードの制御を行う際、定着ベルトが2軸以上に緊張状態で巻き掛けられている形式の装置では問題が発生しないが、上記したヒータ内包するパイプに薄肉のベルトを摺動させながらベルトを加熱する定着装置の場合、ベルトにテンションが掛かっていないため、次に述べるような問題が発生する。
上記定着装置において、定着ベルト非回転時にヒータを点灯させると、薄肉のパイプ部材の一部が局所的に加熱されて温度が上昇し、それによって定着ベルトは加熱されたパイプ部材と近接又は接触することにより間接的に加熱される。しかし、パイプ部材のうち周方向の一部が局所的に加熱されると、加熱されない部分との間で温度差が大きくなり紙幅方向である軸方向においてパイプ部材の形状が変形し、軸方向において定着ベルトとパイプ部材との接触ムラが生じる。
具体的には、パイプ部材の局所的に加熱された部分が、熱膨張により軸方向において中央部が凸となる形状に変形し、中央部ではパイプ部材と定着ベルトが接触するが、軸方向の端部側ではパイプ部材と定着ベルトとが非接触となっていしまう現象が発生する。
この接触ムラに起因して、定着ベルトの軸方向において温度ムラが非常に大きくなり、パイプ部材のうちベルトと接触しない部分では、熱をベルトに渡すことができなくなってしまう。その結果、接触していない部分のベルトは熱をもらえず定着動作時において定着品質の低下を招く恐れがあるとともに、パイプ部材のベルトと接触しない部分は熱がたまってしまい、パイプ部材の寿命低下を招く恐れがある。
本発明は、上記した従来の問題に鑑み、ヒータ内包するパイプ部材に定着ベルトを摺動させる構成の定着装置であっても、待機時の局所的に加熱による熱膨張による定着品質の低下やパイプ部材の寿命低下を招くを防止することができる定着装置及び画像形成装置を提供することを目的としている。
この目的を達成するために、本発明は、可撓性を有する無端状の定着部材と、該定着部材と少なくとも一部に隙間を持って回転可能に支持するパイプ部材と、前記定着部材と接してニップを形成する加圧回転体と、加熱範囲が前記定着部材の一部分である加熱手段とを有し、未定着トナー像を担持した記録媒体が前記ニップを通過することにより、未定着トナー像を記録媒体に定着する定着装置において、待機時に前記定着部材を停止し、かつ、前記加熱手段を制御して前記定着部材を予め定めた待機設定温度に維持する待機モードが備えられ、該待機モードが開始されてからの前記加熱手段に供給された電力の積を算出し、該電力供給がある値を以上になったことを検出したとき、前記定着部材を回転することを特徴とする定着装置を提案する。
なお、本発明は、前記加熱手段の出力がDUTY制御により制御されており、前記待機モード時には該待機モードが開始してから制御周期とその制御周期における加熱手段の出力の積の和を積算し、その積算値がある値を以上になったとき、前記定着部材を回転すると有利である。
さらに、本発明は、前記加熱手段の出力がON・OFF制御により制御されており、前記待機モード時には該待機モードが開始してから前記加熱手段をONする時間を積算し、その積算値がある値を以上になったとき、前記定着部材を回転すると有利である。
さらにまた、本発明は、前記定着部材の回転速度が可変であると有利である。
さらにまた、本発明は、前記待機モードが開始されてから加熱手段に対し一定以上の出力を続けて所定回数に達したとき、前記定着部材を回転すると有利である。
さらにまた、本発明は、前記待機モードが開始されてから加熱手段に対し一定以上の出力を続けて所定回数に達したとき、前記定着部材を回転すると有利である。
さらにまた、本発明は、前記待機モード時において待機設定温度より一定以上温度が下がったとき、前記定着部材を回転すると有利である。
また、この目的を達成するために、本発明は、請求項1ないし5の何れかに1つに記載の定着装置を備えることを特徴とする画像形成装置を提案する。
また、この目的を達成するために、本発明は、請求項1ないし5の何れかに1つに記載の定着装置を備えることを特徴とする画像形成装置を提案する。
本発明によれば、定着部材にテンションが掛かっていない構成の定着装置であっても停止時のパイプ部材の局所的に加熱による熱膨張を防止することができ、パイプ部材の変形によるベルト軸方向における定着部材との接触ムラが抑えられるので、それに起因して発生する定着品質の低下やパイプ部材の寿命を低下させることを防止することができる。
以下、本発明を実施する形態を添付図面に従って説明する。
図1は、本発明の定着装置が設けられるカラープリンタとしての画像形成装置の一例を示す概略断面図である。ここに示される画像形成装置は、後述する定着装置50と電子写真方式の画像形成部とを備えており、その画像形成部には複数の(図示した例では4つの)画像形成手段1a、1b、1c及び1dが設けられている。この第1ないし第4の画像形成手段1a、1b、1c及び1dは、それぞれ同一の構成ではあるが、対応するトナー色だけが異なっており、これら画像形成手段において、例えばブラックトナー像、マゼンタトナー像、シアントナー像及びイエロートナー像がそれぞれ形成される。なお、これら画像形成手段は現像剤(トナー)色の違い以外はそれぞれ同一の構成であるため、以下の説明では、参照符号におけるa、b、c及びdの添え字を適宜省略して説明する。
図1は、本発明の定着装置が設けられるカラープリンタとしての画像形成装置の一例を示す概略断面図である。ここに示される画像形成装置は、後述する定着装置50と電子写真方式の画像形成部とを備えており、その画像形成部には複数の(図示した例では4つの)画像形成手段1a、1b、1c及び1dが設けられている。この第1ないし第4の画像形成手段1a、1b、1c及び1dは、それぞれ同一の構成ではあるが、対応するトナー色だけが異なっており、これら画像形成手段において、例えばブラックトナー像、マゼンタトナー像、シアントナー像及びイエロートナー像がそれぞれ形成される。なお、これら画像形成手段は現像剤(トナー)色の違い以外はそれぞれ同一の構成であるため、以下の説明では、参照符号におけるa、b、c及びdの添え字を適宜省略して説明する。
ここに図示した画像形成手段1には、静電潜像担持体であるドラム状の感光体2が配置されており、当該感光体2のまわりに、帯電部材3、現像装置4及びクリーニング手段5が設けられている。この感光体2は、時計回りに回転駆動することが可能であり、当該感光体2の表面には帯電部材3が圧接されていて、この帯電部材3は、感光体2の回転駆動に伴い従動回転させられる。また、この帯電部材3には、図示しない高圧電源により所定のバイアス電圧が印加され、回転駆動する感光体2の表面を一様に帯電できるようになっている。なお、ここに図示した帯電部材3は、感光体2に接触するローラ状部材を採用しているが、コロナ放電などを利用する非接触式のものを採用することも可能である。
また、図1に示される画像形成装置では、4つの画像形成手段に平行して、斜め下方に露光装置6が設けられている。この露光装置6は、光源、ポリゴンミラー、f−θレンズ、反射ミラーなどの適宜適切な構成部材を有しており、各色トナーの画像データに応じて形成された画像情報に基づいて、帯電部材3により帯電させられた各感光体2を露光し、それぞれの感光体2上に静電潜像を作り出すために設けられる。この露光装置6を用いて感光体2上に形成された静電潜像は、感光体2の回転により、現像装置4を通るときに各色トナーが付与されることで現像され、顕像化される。なお、当該画像形成装置の内部における上方には、ブラック、マゼンタ、シアン及びイエローの各色トナーが充填されたトナーボトル20a、20b、20c及び20dが配置されていて、このトナーボトル20a、20b、20c及び20dから図示しない搬送経路を介して、所定補給量のトナーがそれぞれ各色現像装置4a、4b、4c及び4dに補給されるようになっている。
さらに、この各画像形成手段の感光体2に対向して中間転写体として構成される、無端ベルト状の中間転写ベルト7が配置され、この中間転写ベルト7の表面には各感光体2が当接している。図1に示した中間転写ベルト7は、複数の支持ローラ(例えば、支持ローラ15a、15bなど)に巻きかけられて構成されており、図示した例では、支持ローラ15aが、図示しない駆動源としての駆動モータと連結されていて、この駆動モータを駆動させることで、中間転写ベルト7は、図中半時計回りに回転移動すると共に、従動回転可能な支持ローラ15bが回転させられる。また、中間転写ベルト7の裏面には、そのベルトを挟んで感光体2に対向して位置する一次転写ローラ8が配置されている。この一次転写ローラ8に図示しない高圧電源から一次転写バイアスが印加され、現像装置4により顕像化されたトナー像が中間転写ベルト7に一次転写されるようになっている。なお、一次転写されずに感光体2上に残された一次転写残トナーは、感光体2による次の画像形成動作に備えるためにクリーニング装置5により除去され、感光体2上におけるトナーが完全に除去される。
さらにまた、図示した画像形成装置1では、一次転写ローラ8らの、中間転写ベルト7の駆動方向下流側に、二次転写装置としての二次転写ローラ18が設けられている。この二次転写ローラ18は、中間転写ベルト7を挟んで支持ローラ15bと対向しており、当該二次転写ローラ18と支持ローラ15bとで中間転写ベルト7を介して二次転写ニップ部を形成している。また、当該画像形成装置は、記録媒体積載部としての給紙カセット30、給送コロ31に加え、レジストローラ対35などを備えると共に、二次転写ローラ18から見て、記録媒体の搬送方向下流側には、定着装置50及び排紙ローラ対36が設けられている。
次に、画像形成動作について説明する。この画像形成動作においても、各感光体2にトナー像を形成し、そのトナー像を中間転写ベルト7に転写する構成は、そのトナー像の色が異なるだけで、実質的に全て同一であるため、a,b,c及びdの添え字は必要に応じて割愛する。
まず、上記した感光体2が図示しない駆動源により時計回り方向に回転駆動され、このとき感光体2表面にやはり図示しない除電装置からの光が照射されて表面電位が初期化される。この表面電位を初期化された感光体2の表面が、今度は帯電部材3によって所定の極性に一様に帯電される。帯電された感光体2表面には、露光装置6からのレーザ光が照射され、これによって感光体2表面に静電潜像が形成される。このとき、各感光体2に露光される画像情報は所望のフルカラー画像をイエロー、シアン、マゼンタ及び黒の各トナー色情報に分解した単色の画像情報である。このように感光体2上に形成された静電潜像は、現像装置4を通る際に、現像装置4からの各色トナー(現像剤)が付与され、顕像化されたトナー像として可視化される。
また、中間転写ベルト7は、図中反時計回りに走行駆動させられるが、上記した一次転写ローラ8には、感光体1上に形成されたトナー像のトナー帯電極性と逆極性の一次転写電圧が印加される。これにより、感光体2と中間転写ベルト7との間に転写電界が形成され、感光体2上のトナー像が、その感光体2と同期して回転駆動される中間転写ベルト7上に静電的に一次転写される。このように、一次転写される各色トナー像は、中間転写ベルト7の搬送方向上流側から逐次タイミングを併せて中間転写ベルト7上に重ね合わされ、所望のフルカラー画像が形成される。
その一方で、画像を形成されるべき記録媒体は、給紙カセット30に積載された記録媒体束から給送ローラ31などの適宜適切な搬送部材の作用によりレジストローラ対35まで一枚ごとに分離されて給送されるが、その際には、未だ回転駆動を開始していないレジストローラ対35のニップ部に、搬送された記録媒体の先端が突き当たり、所謂ループを形成することで、記録媒体のレジストレーションが行われる。その後、中間転写ベルト7上に担持されたフルカラートナー像とのタイミングを図って、レジストローラ対35の回転駆動が開始され、支持ローラ15bと、これに中間転写ベルト7を介して対向する二次転写ローラ18とで構成される二次転写ニップ部に向けて記録媒体が送出される。本実施例では、二次転写ローラ18に中間転写ベルト7表面におけるトナー像のトナー帯電極性と逆極性の転写電圧が印加され、これによって中間転写ベルト7表面に形成されたフルカラートナー像が記録媒体上に一括して転写される。トナー像を転写された記録媒体は、定着装置50までさらに搬送され、当該定着装置50を通過するときに、この定着装置50で熱と圧力とを加えられ、永久画像としてトナー像が記録媒体に定着させられる。画像を定着させられた画像形成後の記録媒体は、排紙ローラ対36を介して排出トレイなどの記録媒体排出部に排出されることで画像形成動作が完了する。なお、二次転写ローラ18が配置される二次転写ニップ部で転写されずに中間転写ベルト7上に残留した残留トナーは、中間転写ベルトクリーニング手段19により取り除かれ回収される。
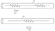
次に、図2及び図3を用いて定着装置50の構成と作用についてさらに説明する。図2は、本発明の定着装置50の一例を示す概略断面図であり、図3は、本発明にかかる定着装置50の加熱手段と非接触式温度センサ56との間の位置関係の一例を示す展開図である。ここに示される定着装置50は、可撓性を有する無端状の定着部材としての定着ベルト51が設けられ、この定着ベルト51はパイプ部材としての金属からなる薄肉パイプ52に回転可能に支持されている。薄肉パイプ52内には加熱手段として中央ヒータ53と端部ヒータ54と、薄肉パイプ52を固定支持する支持体57と、定着ベルト51と加圧回転体である加圧ローラ60と対向しニップ形成するためのニップ部形成部材としてのパッド58とが設けられ、これら部材は図示していないユニット側板に支持されている。
本実施形態の定着装置50は、定着ベルト51がDUTY制御される。DUTY制御とは、単位時間当たりのヒータへの供給電力を可変することにより制御するものである。例えば、DUTY50%というと、制御周期(「単位時間」に相当。例えば600msec)において、300msecだけ電力を供給することをいい、このDUTYの比率を可変しながら定着ベルト51が所定の温度になるように制御する。
定着装置50は、図3に示すように、中央ヒータ53と端部ヒータ54の発熱電気抵抗の部分に対応する外部位置に非接触型の温度センサ55,56を配置し、中央ヒータ53と端部ヒータ54をそれぞれ別の温度検知手段を用いて制御している。そして、記録媒体のサイズによって各ヒータの点灯DUTYを異ならせることによって端部温度上昇を抑制し、無駄な電力を省くことができる。また、一本ヒータでなく2本に分けることによりフリッカー対策としても有効である。大きなサイズの紙のときは中央ヒータと端部ヒータともに同じようなDUTYで使用するが、小サイズ記録媒体では端部ヒータのDUTYを著しく下げ、無駄な部分の加熱と消費電力の抑制になる。
なお、本実施形態の加熱手段は、ハロゲンヒータを用いているが、カーボンヒータやIHなどでもよく、加熱する方向も定着ベルト51の内側でなく、定着ベルト51の外側から非接触加熱する形式、例えばハロゲンヒータの輻射熱を利用したものであってもよい。また、加熱手段のヒータの数は2本としているが、回転停止時専用のヒータ等、さらに増加してもよい。さらにまた、本実施形態では温度センサ55としてサーモパイルを、温度センサ56として非接触サーミスタを採用しており、サーモパイルは熱電対を多数直列につないだ温接合部に対象物から放射される赤外線を集光することにより、冷接合部との温度差に応じた起電力を発生する、時間応答の良いセンサである。サーモパイル自身の温度(特に冷接合部の温度)変化を補うために雰囲気センサを持っている。また、非接触サーミスタは温度によって抵抗値が変化するサーミスタ対であり、対象物の温度を検出する検知センサと検知センサの周囲温度を検出する雰囲気センサからなっている。雰囲気センサの検出値によって検知センサの検出温度を補正できるようになっている。非接触サーミスタはサーモパイルよりも安価であるが、応答性が劣る。
本実施形態ではヒータを2本としているため温度センサも2つとしているが、ヒータをさらに増加させる場合は温度センサの数を増やしてもよい。またサーモパイルや非接触サーミスタでなくとも定着性を維持できるような温度センサがあればそれを用いてもよい。部品公差などによって定着部材と非接触センサの距離が変わってしまい、雰囲気温度の設定値からのズレが許容できない場合に、雰囲気温度が設定値に入るよう非接触センサと定着部材との距離を調整できるよう非接触センサのネジ止めの際にスペーサなどをかませてもよい。
上記パッド58は加圧ローラ60との適当な面圧とニップ幅を持つように、ゴムのような弾性体かスポンジなどの発泡体から作られている。本例ではパッド58を10mm幅のゴム部材とし、加圧ローラ60は表面に3mmほどの厚みのゴムを用いており、硬度が60Hs程度で径は30mm程度である。
定着ベルト51は、ニッケルやステンレスなどの金属ベルトかポリイミド樹脂などを用いた無端ベルトもしくはフィルムである。定着ベルト51の表面は離型性を持たせるためにPFAやPTFEなどのフッ素樹脂層がコーティングされている。
薄肉パイプ52は、アルミ,又は鉄,ステンレスなどの金属から作られている。図示した薄肉パイプ52は定着ベルト51の直径より1mm程度直径が小さい円筒形に形成されているが、角型であっても,その他の断面形状であってもよい。
上記のように構成された定着装置50は温度センサ55,56の出力に応じた中央ヒータ53と端部ヒータ54の点灯率を制御することにより、定着プロセスに必要な温度制御を行っている。そして、薄肉パイプ52と定着ベルト51には直径1mm分だけクリアランスがあるので、加圧ローラ60を回転駆動させると、定着ベルト51がそれに従動して回転する。この回転中はニップ上流が引っ張られるので薄肉パイプ52と定着ベルト51が密着し、ニップ下流は定着ベルト51に加圧ローラ60の駆動による張力が働かない弛み側であるため、定着ベルト51と薄肉パイプ52のクリアランスはニップ下流に位置している。つまりヒータ53,54は図2から明らかなように薄肉パイプ52の上部を加熱しており、この加熱位置からニップまでは薄肉パイプ52と定着ベルト51が密着し摺動しながら回転するため、加熱位置からニップ直前まで定着ベルト51と薄肉パイプ52の熱伝達がある。そして定着ベルト51と薄肉パイプ52の熱伝達とパイプ自身の熱伝導により薄肉パイプ52の周方向温度はほぼ一定に保たれている。
ところで、従来の画像形成装置では機械を立ち上げた後やJOBの終了後の待機状態に、次の画像形成指令が発せられたとき、素早く作動できるように、定着部材を予め定めた待機設定温度を維持するように加熱制御すること、すなわち待機中の温度制御を行う待機モードを備えている定着装置は既に知られている。
待機モード時に温度制御を行う場合、本発明のように、定着ベルト51にテンションが掛かっていない装置では薄肉パイプ52の局所的に加熱により一部が熱膨張し、それが起因してベルト軸方向において定着ベルト51と薄肉パイプ52とに接触ムラが生じ、定着品質の低下や薄肉パイプ52の寿命を低下させるという問題があることを先に説明した。
そこで、本発明は定着ベルト51にテンションが掛かっていない定着装置50において上記待機モードを実行しても定着ベルト51と薄肉パイプ52の接触ムラが軽減すべく次のように措置を講じている。
図4は、本発明の一実施形態を示す制御の流れを示すフローチャートである。
図4において、機械を立ち上げた後やJOBの終了等で定着ベルト51が停止し、ヒータがOFFすると(ステップ1)、待機中かが判断され(ステップ2)、待機中でなければ作像中である。待機中であるときには、ベルト温度を検知し(ステップ3)、そのベルト温度が予め定めた待機設定温度より小さいかを判断する(ステップ4)。なお、待機設定温度は、幅を持って設定しても良いし、一定でなく環境条件において上下に変更しても良い。
図4において、機械を立ち上げた後やJOBの終了等で定着ベルト51が停止し、ヒータがOFFすると(ステップ1)、待機中かが判断され(ステップ2)、待機中でなければ作像中である。待機中であるときには、ベルト温度を検知し(ステップ3)、そのベルト温度が予め定めた待機設定温度より小さいかを判断する(ステップ4)。なお、待機設定温度は、幅を持って設定しても良いし、一定でなく環境条件において上下に変更しても良い。
ステップ4にてベルト温度が待機設定温度より大きいときはステップ3に戻り、逆にベルト温度が待機設定温度より小さくなると、待機設定温度を維持するため、制御周期でのヒータDUYT出力でヒータをONする(ステップ5)。そして、そのときの制御周期とヒータDUYTの積を算出する(ステップ6)。次に、そのヒータDUYTの積が所定値以上かを判断する(ステップ7)。このときの所定値は、回転を停止してから薄肉パイプ52に対して投入された熱量が熱膨張を引き起こすおそれのある量に近づいたことを予測させる値であり、種々の実験を重ねて予め設定している。そして、ヒータDUYTの積が所定値以上のときには定着ベルト51を回転し(ステップ8)、回転で薄肉パイプ52の周方向の温度ムラを低減することで、軸方向の接触ムラが生ずる薄肉パイプ52の局所的に加熱による熱膨張を防止するようにしている。
かくして、定着ベルト51にテンションが掛かっていない定着装置50であっても上記のごとく制御することで、待機モードを実行しても薄肉パイプ52の熱膨張を防止することができる。
図4の制御例は、DUTY制御により定着ベルト51の温度を制御している定着装置50のフローチャートであるが、定着装置の制御としてはON・OFF制御もよく知られている。ここで言うON・OFF制御とは、定着ベルト51が所定の温度を超えたらOFFして、所定の温度未満ならONする簡単な制御であり、簡単な制御であるため「DUTY制御」に比べて温度リップル(オーバーシュート、アンダーシュート)が大きくなるというデメリットがある。つまり、「DUTY制御」の場合にはヒータに供給する電力を細かく可変できるため、温度リップルを小さくすることができる。
また、ヒータDUTYが高いときは薄肉パイプ52への単位時間当たりの熱の流入が多いからなるべく早く回転させて熱を移動させたいという要望があるが、ヒータDUTYが低いときには回転速度を遅くして単位時間当たりの走行距離を減らすなど最適な回転速度を得るため、回転速度を可変にするとなおよい。
図5は、ON・OFF制御の定着装置50における制御の流れを示すフローチャートであり、図4と相違点を重点的に説明する。
図5において、ステップ1〜4は図4と同じであり、その説明を省略する。ステップ5ではヒータをONし、ステップ6ではヒータへの供給電力を積算する。そして、ステップ7においてその積算値が所定値以上かを判断し、所定値以上であればその電力で加熱した薄肉パイプ52が熱膨張を引き起こすおそれがあるとして定着ベルト51を回転する(ステップ8)。
図5において、ステップ1〜4は図4と同じであり、その説明を省略する。ステップ5ではヒータをONし、ステップ6ではヒータへの供給電力を積算する。そして、ステップ7においてその積算値が所定値以上かを判断し、所定値以上であればその電力で加熱した薄肉パイプ52が熱膨張を引き起こすおそれがあるとして定着ベルト51を回転する(ステップ8)。
かくして、ON・OFF制御を行うの定着装置50であっても薄肉パイプ52の周方向の温度ムラの発生を抑えて薄肉パイプ52の局所的に加熱による熱膨張を防止することができる。
ところで、待機モード時において温度維持するために必要なヒータ出力は回転時に比べて非常に小さく、大きな出力が続けて計算されることはない。しかしながら、薄肉パイプ52と定着ベルト51が密着していない場合には薄肉パイプ52から定着ベルト51に熱が非常に伝わりづらくなっているので、大きな出力を続けて計算することがある。
その場合に薄肉パイプ52と定着ベルト51とが接触していないことをいち早く察知し変形量の少ないうちに定着ベルト51を回転させることにより、周方向温度ムラに起因する軸方向の接触ムラを軽減し薄肉パイプ52の変形を抑制することが可能である。
その場合に薄肉パイプ52と定着ベルト51とが接触していないことをいち早く察知し変形量の少ないうちに定着ベルト51を回転させることにより、周方向温度ムラに起因する軸方向の接触ムラを軽減し薄肉パイプ52の変形を抑制することが可能である。
さらに、待機設定温度よりも一定以上温度が下ることによりパイプ変形の兆候を察知することもできる。待機モード時には薄肉パイプ52のある一部分だけを温めているためヒータ出力が足りなくて温度が落ち込むことはない。ただし、薄肉パイプ52と定着ベルト51が密着していない場合には薄肉パイプ52から定着ベルト51に熱が非常に伝わりづらくなっているので、温度が落ち込むことがある。
そこで、目標温度、例えば待機設定温度よりも一定以上温度が下ったことを検知したら、定着ベルト51を回転させることにより周方向温度ムラに起因する軸方向の接触ムラを軽減し薄肉パイプ52の変形を抑制することが可能である。
そこで、目標温度、例えば待機設定温度よりも一定以上温度が下ったことを検知したら、定着ベルト51を回転させることにより周方向温度ムラに起因する軸方向の接触ムラを軽減し薄肉パイプ52の変形を抑制することが可能である。
上記した待機モード時の制御により温度検出手段とヒータDUTYを比較し薄肉パイプ52とベルト31が接触状態であるか、接触していない状態なのかを判断することができる。そこで、その制御を利用して定着ベルト51の回転速度を制御できるようにしておき、画像情報や記録紙のサイズなどのJOB情報の入手手段があれば、JOB情報毎に最適な制御をすることができる。すなわち、画像が端部まであれば端部が接触状態になるまで回転してから給紙をする。小サイズ紙もしくは軸方向中央部のみ画像であった場合には、端部が接触状態になっていなくても給紙を開始することにより待ち時間を低減するなど使いやすさを向上させる制御も可能である。
50 定着装置
51 定着ベルト
52 薄肉パイプ
53,53 ヒータ
55,56 温度センサ
60 加圧ローラ
51 定着ベルト
52 薄肉パイプ
53,53 ヒータ
55,56 温度センサ
60 加圧ローラ
Claims (7)
- 可撓性を有する無端状の定着部材と、該定着部材と少なくとも一部に隙間を持って回転可能に支持するパイプ部材と、前記定着部材と接してニップを形成する加圧回転体と、加熱範囲が前記定着部材の一部分である加熱手段とを有し、未定着トナー像を担持した記録媒体が前記ニップを通過することにより、未定着トナー像を記録媒体に定着する定着装置において、
待機時に前記定着部材を停止し、かつ、前記加熱手段を制御して前記定着部材を予め定めた待機設定温度に維持する待機モードが備えられ、
該待機モードが開始されてからの前記加熱手段に供給された電力の積を算出し、
該電力供給がある値を以上になったことを検出したとき、前記定着部材を回転することを特徴とする定着装置。 - 請求項1に記載の定着装置において、前記加熱手段の出力がDUTY制御により制御されており、前記待機モード時には該待機モードが開始してから制御周期とその制御周期における加熱手段の出力の積の和を積算し、その積算値がある値を以上になったとき、前記定着部材を回転することを特徴とする定着装置。
- 請求項1に記載の定着装置において、前記加熱手段の出力がON・OFF制御により制御されており、前記待機モード時には該待機モードが開始してから前記加熱手段をONする時間を積算し、その積算値がある値を以上になったとき、前記定着部材を回転することを特徴とする定着装置。
- 請求項1ないし3の何れかに1つに記載の定着装置において、前記定着部材の回転速度が可変であることを特徴とする定着装置。
- 請求項1ないし3の何れかに1つに記載の定着装置において、前記待機モードが開始されてから加熱手段に対し一定以上の出力を続けて所定回数に達したとき、前記定着部材を回転することを特徴とする定着装置。
- 請求項1ないし5の何れかに1つに記載の定着装置において、前記待機モード時において待機設定温度より一定以上温度が下がったとき、前記定着部材を回転することを特徴とする定着装置。
- 請求項1ないし6の何れかに1つに記載の定着装置を備えることを特徴とする画像形成装置。
Priority Applications (1)
| Application Number | Priority Date | Filing Date | Title |
|---|---|---|---|
| JP2010057420A JP5407953B2 (ja) | 2010-03-15 | 2010-03-15 | 定着装置及び画像形成装置 |
Applications Claiming Priority (1)
| Application Number | Priority Date | Filing Date | Title |
|---|---|---|---|
| JP2010057420A JP5407953B2 (ja) | 2010-03-15 | 2010-03-15 | 定着装置及び画像形成装置 |
Publications (2)
| Publication Number | Publication Date |
|---|---|
| JP2011191508A JP2011191508A (ja) | 2011-09-29 |
| JP5407953B2 true JP5407953B2 (ja) | 2014-02-05 |
Family
ID=44796511
Family Applications (1)
| Application Number | Title | Priority Date | Filing Date |
|---|---|---|---|
| JP2010057420A Expired - Fee Related JP5407953B2 (ja) | 2010-03-15 | 2010-03-15 | 定着装置及び画像形成装置 |
Country Status (1)
| Country | Link |
|---|---|
| JP (1) | JP5407953B2 (ja) |
Families Citing this family (4)
| Publication number | Priority date | Publication date | Assignee | Title |
|---|---|---|---|---|
| JP6347163B2 (ja) * | 2014-07-10 | 2018-06-27 | 株式会社リコー | 定着装置及び画像形成装置 |
| US9804546B2 (en) | 2015-07-15 | 2017-10-31 | Ricoh Company, Ltd. | Fixing device and image forming apparatus |
| JP2017090855A (ja) * | 2015-11-17 | 2017-05-25 | 株式会社東芝 | 定着装置 |
| US10474072B2 (en) * | 2018-03-15 | 2019-11-12 | Kabushiki Kaisha Toshiba | Fixing apparatus and image processing apparatus |
Family Cites Families (5)
| Publication number | Priority date | Publication date | Assignee | Title |
|---|---|---|---|---|
| JP2002056960A (ja) * | 2000-08-08 | 2002-02-22 | Canon Inc | 加熱装置及び画像形成装置 |
| JP2003098899A (ja) * | 2001-09-25 | 2003-04-04 | Hitachi Ltd | 電子写真装置 |
| JP2006039027A (ja) * | 2004-07-23 | 2006-02-09 | Canon Inc | 画像形成装置 |
| JP2007057672A (ja) * | 2005-08-23 | 2007-03-08 | Canon Inc | 像加熱装置および画像形成装置 |
| JP5365908B2 (ja) * | 2008-06-16 | 2013-12-11 | 株式会社リコー | 定着装置及び画像形成装置 |
-
2010
- 2010-03-15 JP JP2010057420A patent/JP5407953B2/ja not_active Expired - Fee Related
Also Published As
| Publication number | Publication date |
|---|---|
| JP2011191508A (ja) | 2011-09-29 |
Similar Documents
| Publication | Publication Date | Title |
|---|---|---|
| JP5454254B2 (ja) | 画像形成装置 | |
| JP6423994B2 (ja) | 定着装置及び画像形成装置 | |
| JP6201312B2 (ja) | 画像形成装置 | |
| JP6052598B2 (ja) | 定着装置および画像形成装置 | |
| JP6003619B2 (ja) | 定着装置及び画像形成装置 | |
| JP5948923B2 (ja) | 定着装置及び画像形成装置 | |
| JP5429553B2 (ja) | 定着装置及び画像形成装置 | |
| US7054573B2 (en) | Heating apparatus | |
| JP5407953B2 (ja) | 定着装置及び画像形成装置 | |
| US8295750B2 (en) | Fixing apparatus and image forming apparatus equipped therewith | |
| JP6897272B2 (ja) | 画像形成装置 | |
| JP6085941B2 (ja) | 定着装置および画像形成装置 | |
| JP5720341B2 (ja) | 温度サンプリング方法 | |
| JP5486770B2 (ja) | 画像形成装置 | |
| JP6962201B2 (ja) | 定着装置及び画像形成装置 | |
| JP2007101861A (ja) | 定着装置 | |
| JP5552850B2 (ja) | 定着制御方法、定着装置および画像形成装置 | |
| JP5516310B2 (ja) | 定着処理のための加熱制御方法と当該加熱制御方法を実施する定着装置並びに画像形成装置 | |
| JP2017083888A (ja) | 定着装置及び画像形成装置 | |
| JP6848371B2 (ja) | 定着装置及び画像形成装置 | |
| JP5190209B2 (ja) | 定着装置および画像形成装置 | |
| US10496018B2 (en) | Fixing apparatus | |
| JP5397234B2 (ja) | 定着装置、及び、画像形成装置 | |
| JP6617580B2 (ja) | 定着装置及び画像形成装置 | |
| JP2018151597A (ja) | 定着装置と画像形成装置 |
Legal Events
| Date | Code | Title | Description |
|---|---|---|---|
| A621 | Written request for application examination |
Free format text: JAPANESE INTERMEDIATE CODE: A621 Effective date: 20130118 |
|
| A977 | Report on retrieval |
Free format text: JAPANESE INTERMEDIATE CODE: A971007 Effective date: 20131003 |
|
| A01 | Written decision to grant a patent or to grant a registration (utility model) |
Free format text: JAPANESE INTERMEDIATE CODE: A01 Effective date: 20131008 |
|
| A61 | First payment of annual fees (during grant procedure) |
Free format text: JAPANESE INTERMEDIATE CODE: A61 Effective date: 20131021 |
|
| LAPS | Cancellation because of no payment of annual fees |