JP4487231B2 - 発電モジュール、電源システム及びデバイス - Google Patents

発電モジュール、電源システム及びデバイス Download PDF

Info

Publication number
JP4487231B2
JP4487231B2 JP2001309800A JP2001309800A JP4487231B2 JP 4487231 B2 JP4487231 B2 JP 4487231B2 JP 2001309800 A JP2001309800 A JP 2001309800A JP 2001309800 A JP2001309800 A JP 2001309800A JP 4487231 B2 JP4487231 B2 JP 4487231B2
Authority
JP
Japan
Prior art keywords
power
fuel
power generation
power supply
unit
Prior art date
Legal status (The legal status is an assumption and is not a legal conclusion. Google has not performed a legal analysis and makes no representation as to the accuracy of the status listed.)
Expired - Fee Related
Application number
JP2001309800A
Other languages
English (en)
Other versions
JP2002280035A (ja
Inventor
雅治 塩谷
Current Assignee (The listed assignees may be inaccurate. Google has not performed a legal analysis and makes no representation or warranty as to the accuracy of the list.)
Casio Computer Co Ltd
Original Assignee
Casio Computer Co Ltd
Priority date (The priority date is an assumption and is not a legal conclusion. Google has not performed a legal analysis and makes no representation as to the accuracy of the date listed.)
Filing date
Publication date
Application filed by Casio Computer Co Ltd filed Critical Casio Computer Co Ltd
Priority to JP2001309800A priority Critical patent/JP4487231B2/ja
Priority to US10/043,404 priority patent/US6824905B2/en
Priority to EP02729551A priority patent/EP1269602B1/en
Priority to CA002403123A priority patent/CA2403123C/en
Priority to KR10-2002-7012210A priority patent/KR100533350B1/ko
Priority to AU2002219596A priority patent/AU2002219596B2/en
Priority to HK04103319.4A priority patent/HK1062083B/xx
Priority to MXPA02008712A priority patent/MXPA02008712A/es
Priority to PCT/JP2002/000132 priority patent/WO2002056439A2/en
Priority to CNB028000927A priority patent/CN100555798C/zh
Priority to RU2002127724/09A priority patent/RU2239931C2/ru
Priority to DE60228523T priority patent/DE60228523D1/de
Priority to AT02729551T priority patent/ATE406683T1/de
Publication of JP2002280035A publication Critical patent/JP2002280035A/ja
Application granted granted Critical
Publication of JP4487231B2 publication Critical patent/JP4487231B2/ja
Anticipated expiration legal-status Critical
Expired - Fee Related legal-status Critical Current

Links

Images

Classifications

    • YGENERAL TAGGING OF NEW TECHNOLOGICAL DEVELOPMENTS; GENERAL TAGGING OF CROSS-SECTIONAL TECHNOLOGIES SPANNING OVER SEVERAL SECTIONS OF THE IPC; TECHNICAL SUBJECTS COVERED BY FORMER USPC CROSS-REFERENCE ART COLLECTIONS [XRACs] AND DIGESTS
    • Y02TECHNOLOGIES OR APPLICATIONS FOR MITIGATION OR ADAPTATION AGAINST CLIMATE CHANGE
    • Y02EREDUCTION OF GREENHOUSE GAS [GHG] EMISSIONS, RELATED TO ENERGY GENERATION, TRANSMISSION OR DISTRIBUTION
    • Y02E60/00Enabling technologies; Technologies with a potential or indirect contribution to GHG emissions mitigation
    • Y02E60/30Hydrogen technology
    • Y02E60/50Fuel cells

Landscapes

  • Fuel Cell (AREA)

Description

【0001】
【発明の属する技術分野】
本発明は、電源システムに関し、特に、エネルギー資源の有効利用が可能な発電モジュール発電モジュールを備えた可搬型の電源システム及びデバイスに関する。
【0002】
【従来の技術】
従来、民生用や産業用のあらゆる分野において、様々な化学電池が使用されている。例えば、アルカリ乾電池やマンガン乾電池等の一次電池は、時計やカメラ、玩具、携帯型の音響機器等に多用されており、我が国に限らず、世界的な観点からも最も生産数量が多く、安価かつ入手が容易という特徴を有している。
【0003】
一方、ニッケル・カドミウム蓄電池やニッケル・水素蓄電池、リチウムイオン電池等の二次電池は、近年普及が著しい携帯電話や携帯情報端末(PDA)、デジタルビデオカメラやデジタルスチルカメラ等の携帯機器に多用されており、繰り返し充放電ができることから経済性に優れた特徴を有している。また、二次電池のうち、鉛蓄電池は、車両や船舶の起動用電源、あるいは、産業設備や医療設備における非常用電源等として利用されている。
【0004】
ところで、近年、環境問題やエネルギー問題への関心の高まりに伴い、上述したような化学電池の使用後に生じる廃棄物に関する問題やエネルギー変換効率の問題がクローズアップされている。
特に、一次電池においては、上述したように、製品価格が安価で入手が容易なうえ、電源として利用する機器も多く、しかも、基本的に一度放電されると電池容量を回復することができない、一回限りの利用(いわゆる、使い捨て)しかできないため、年間の廃棄量が数百万トンに上っている。ここで、化学電池全体では、リサイクルにより回収される比率は、概ね20%程度に過ぎず、残りの80%程度が自然界に投棄、又は、埋め立て処理されている、とする統計資料もあり、このような未回収の電池に含まれる水銀やインジウム等の重金属による環境破壊や、自然環境の美観の悪化が懸念されている。
【0005】
また、エネルギー資源の利用効率の観点から上記化学電池を検証すると、一次電池においては、放電可能エネルギーの概ね300倍のエネルギーを使用して生産されているため、エネルギー利用効率が1%にも満たない。これに対して、繰り返し充放電が可能で経済性に優れた二次電池であっても、家庭用電源(コンセント)等から充電を行う場合、発電所における発電効率や送電損失等により、エネルギー利用効率が概ね12%程度にまで低下してしまうため、必ずしもエネルギー資源の有効利用が図られているとは言えなかった。
【0006】
そこで、近年、環境への影響(負担)が少なく、かつ、例えば、30〜40%程度の極めて高いエネルギー利用効率を実現することができる燃料電池をはじめとする各種の新たな電源システムや発電システム(以下、「電源システム」と総称する)が注目され、車両用の駆動電源や事業用の電源システム、家庭用のコジェネレーションシステム等への適用を目的として、あるいは、上述したような化学電池の代替えを目的として、実用化のための研究、開発が盛んに行われている。なお、燃料電池をはじめとする各種の電源システムの具体的な構成等については、発明の詳細な説明において詳述する。
【0007】
【発明が解決しようとする課題】
しかしながら、今後、燃料電池等のエネルギー利用効率が高い電源システムを小型軽量化して、可搬型又は携帯型のポータブル電源、例えば、上述したような化学電池の代替え(互換品)として適用するためには、次に示すような問題点を有している。
【0008】
具体的には、例えば、既存の化学電池においては、基本的に正極及び負極の端子を負荷に接続するだけで、所定の電圧及び電流が供給されて負荷を駆動することができるので、その取り扱いが極めて簡易であるという利点を有している。
これに対して、燃料電池をはじめとするエネルギー利用効率が高い電源システムのほとんどは、基本的に所定の燃料を用いた発電装置(例えば、燃料の化学エネルギーを直接的又は間接的に電力に変換する発電器)としての機能を有しているので、上述した化学電池とは構造や電気的特性の点で大きく異なる。
【0009】
すなわち、上記電源システムにおいては、汎用の化学電池の場合と同様に、電力を供給するための電極端子(汎用の化学電池における正極端子及び負極端子に相当する端子)を単に負荷に接続又は切り離しするだけでは、所定の電力を供給又は遮断することができないため、負荷の駆動又は停止を制御するための複雑な構成や制御を必要とするという問題を有している。また、負荷を適切かつ継続的に駆動させるためには、負荷の駆動状態に応じて電力の発生量(発電量)を随時制御する必要もある。さらに、このような電源システムをポータブル電源として適用する場合にあっては、搬送又は携帯可能な発電用燃料の量に制約があるため、より効率的に発電用燃料を消費するように制御して、電源としての寿命を長期化する必要もある。
【0010】
そこで、本発明は、上述した問題点に鑑み、汎用の化学電池を動作電力とする機器(デバイス)に対して、直接電極端子を接続することにより、機器を安定かつ良好に動作させることができるとともに、発電用燃料の浪費を抑制して、エネルギー資源の有効利用を図ることができる発電モジュール発電モジュールを備えた電源システム及びデバイスを提供することを目的とする。
【0011】
【課題を解決するための手段】
本発明に係る発電モジュールは、発電用燃料が封入された燃料封入部から供給される前記発電用燃料を用いて電力を発生する発電モジュールであって、前記発電用燃料を用いて負荷を駆動するための第1の電力を発生する第1の電源手段と、前記第1の電源手段を動作制御するとともに、前記負荷を有するデバイスに内蔵され且つ前記電力が供給される前記負荷の駆動状態を制御する負荷駆動制御手段に前記負荷を駆動制御するための第2の電力を発生する第2の電源手段と、前記第2の電力により動作するシステム制御手段と、を備え、前記システム制御手段は、少なくとも、前記第1の電源手段の動作状態を制御して、前記第1の電力の発生量を調整する出力制御部と、前記負荷の駆動状態に応じて変化する前記第1の電力及び前記第2の電力のいずれかの電圧成分を検出する電圧検出部と、前記発電用燃料の温度が所定のしきい値を超過して上昇することにより前記燃料封入部内の前記発電用燃料の送出を遮断する供給制御弁及び前記燃料封入部内の圧力を低下させる圧力制御弁の少なくとも一方を有し、前記燃料封入部に封入された前記発電用燃料の封入状態を検出して安定化させる燃料安定化手段と、前記電圧成分の変化に応じて、少なくとも前記出力制御部を制御し、第1の電源手段により生成される第1の電力の発生量を制御し、前記燃料安定化手段により検出される前記発電用燃料の封入状態を随時参照し、該封入状態に異常がある場合には、前記第1の電源手段の動作を停止させる停止動作を行う動作制御部と、を備えることを特徴としている。
【0012】
すなわち、燃料封入部(燃料パック)に充填、封入された液体又は気体からなる発電用燃料、又は、該発電用燃料から供給される特定の成分(例えば、水素)を用いて発電を行う発電モジュール(発電装置)を備えたポータブル型の電源システムに用いる発電モジュールにおいて、該発電モジュールから供給される電力より駆動する負荷を備えた機器(デバイス)の駆動状態を監視し、該駆動状態の変化に応じて、発電モジュールにおける発電状態(起動動作、停止動作、定常状態における発電量等)を制御するように構成されている。
【0013】
ここで、発電モジュールは、発電状態を制御する手法として、電源システムから負荷に対して供給される電力の電圧成分の変化を検出することにより、発電状態を制御することができ、特に、検出された電圧成分の変化に基づいて、定常状態における電力を所定の電圧範囲内に収束するようにフィードバック制御を行う制御方法を適用することができる。ここで、フィードバック制御に係る電圧範囲の規定値(例えば、上限値及び下限値、又は、中心値及び電圧幅等)は、例えば、負荷を備えた機器に設けられ、該負荷の駆動状態を制御する負荷駆動制御手段(コントローラ)から通知される電力要求に応じて、変更制御するものであってもよい。
【0014】
これにより、電源システムに接続される負荷に対して、所定の電極端子を介して供給される電力の電圧成分を監視することにより、負荷の駆動状態を検出することができ、該電圧成分の変化に応じて、発電モジュールにおける発電動作の起動制御、停止制御、フィードバック制御等を行うことができるので、本発明に係る電源システムを、所定の電極端子を介して、負荷を備えた機器に直接接続する簡易な取り扱い方法により、機器の駆動状態(消費電力)に応じた適切な電力を供給して、安定かつ良好な動作を実現することができるとともに、発電用燃料の浪費を抑制して、エネルギー資源の有効利用を図ることができる。
【0015】
このような特徴を実現するために、本発明に係る発電モジュールは第1の電源手段を動作制御するとともに、上記負荷駆動制御手段に前記負荷を駆動制御するための第2の電力(動作電力、負荷制御電力)を発生する第2の電源手段と、第2の電力により動作し、少なくとも、第1の電源手段における動作状態を制御するシステム制御手段と、を具備している
【0016】
ここで、システム制御手段は、少なくとも、第1の電源手段の動作状態を制御して、第1の電力の発生量を調整する出力制御部と、負荷の駆動状態に応じて変化する前記第1の電力及び前記第2の電力のいずれかの電圧成分を検出する電圧検出部と、を備え、前記動作制御部は、前記電圧成分の変化に応じて、少なくとも前記出力制御部を制御し、第1の電源手段により生成される第1の電力の発生量を制御することを特徴としている
そして、この出力制御部による第1の電力の調整は、前記電圧検出部により検出される電圧成分の変化及び前記負荷駆動制御手段から通知される電力要求のいずれかを前記動作制御部が参照することにより、前記出力制御部は、前記第1の電源手段への前記発電用燃料の供給量と前記第1の電源手段の加熱手段の温度との少なくとも何れか一方を制御することにより実行される。
【0017】
すなわち、第2の電源手段により生成される第2の電力に基づいてシステム制御手段(出力制御部、動作制御部等)が駆動され、発電モジュールから所定の電極端子を介して出力される電力(第1の電力及び第2の電力)の電圧成分の変化に応じて、第1の電源手段への発電用燃料の供給量等が制御される。これにより、第1の電源手段における発電状態(起動動作、停止動作、定常状態における第1の電力の発生量)が自立的に制御されるので、負荷の駆動状態に応じた適切な電力を発生、出力することができ、発電用燃料の浪費を抑制して、エネルギー資源の利用効率を高めた電源システムを提供することができる。
【0018】
そして、本発明に係る発電モジュールにおける発電状態の制御は、具体的には、次に示すような手法を適用することにより良好に実現することができる。
すなわち、動作制御部は、負荷が駆動していない状態において、上記電圧検出部により検出される電力の電圧成分を常時参照し、該電圧成分が所定の規定値を下回る電圧低下が発生した場合には、機器において負荷が駆動したものと判断して、起動制御手段を制御して第1の電源手段を所定の動作状態に移行させる起動動作を行う。
【0019】
これにより、本発明に係る発電モジュールを適用した電源システムを、汎用の化学電池と同様に、所定の電極端子を介して、負荷を備えた機器に接続する簡易な形態により、負荷の駆動に伴う負荷駆動制御電力(第2の電力)の電圧成分の変化に基づいて、発電モジュール(第1の電源手段)における発電動作を起動し、負荷の駆動状態に応じた電力(負荷駆動電力)の供給を開始することができるので、発電用燃料の効率的な消費を図りつつ、負荷を良好に駆動させることができる。
【0020】
また、本発明に係る発電モジュールを適用した電源システムにおける他の起動動作の手法としては、負荷が駆動していない状態において、動作制御部は、上記負荷駆動制御手段から負荷を駆動するための電力要求(電力供給要求)を受け取ったときには、該電力要求に基づく制御信号を起動制御手段に出力して、第1の電源手段を所定の動作状態に移行させる起動動作を行うとともに、該起動動作に伴って発電モジュールにおいて生成、出力される電力(負荷に供給される第1の電力)の電圧成分に関する情報(出力電圧データ)を電圧検出部により検出して、負荷駆動制御手段に通知するように制御するものであってもよい。ここで、動作制御部は、第1の電源手段の起動動作に際して、負荷に供給される電力の電圧成分が、負荷駆動制御手段からの電力要求に基づく電位に達した場合には、第1の電源手段の起動動作の終了情報を負荷駆動制御手段に通知する。
【0021】
これにより、本発明に係る発電モジュールを適用した電源システムを、所定の電極端子を介して、負荷及び負荷駆動制御手段を備えた機器に接続する簡易な形態により、負荷駆動制御手段からの電力供給要求に基づいて、発電モジュール(第1の電源手段)における発電動作を起動し、負荷の駆動状態に応じた電力(負荷駆動電力)の供給を開始することができるとともに、機器側(負荷駆動制御手段)に対して、電源システムにおける発電状態に関する情報を通知することができるので、電源システムの発電状態(起動動作)を確認しつつ、安定かつ良好に負荷を駆動させるように制御することができる。
【0022】
また、本発明に係る発電モジュールを適用した電源システムにおいて、動作制御部は、負荷に供給される電力の電圧成分が、上記フィードバック制御に関わらず、所定の電圧範囲を逸脱する状態、例えば、所定の規定値を上回る電圧上昇が所定時間以上継続した場合には、機器において負荷がなくなったものと判断して、第1の電源手段の動作を停止させる停止動作を行うものであってもよい。ここで、電源システムが接続される機器が負荷及び負荷駆動制御手段を備えた構成である場合には、該第1の電源手段の動作停止情報を、負荷駆動制御手段に通知する。
【0023】
これにより、負荷の駆動停止や消滅に伴う負荷駆動制御電力(第2の電力)の電圧成分の上昇変化に基づいて、発電モジュール(第1の電源手段)における発電動作を停止して、負荷の有無に応じた電力の供給制御を行うことができるので、発電用燃料の効率的な消費を図ることができる。また、負荷駆動制御手段を備えた機器に対して、電源システムにおける発電状態(停止動作)に関する情報(自動電源遮断(オートパワーオフ)情報)を通知することができるので、機器側で電源システムの発電状態を正確に把握することができる。
【0024】
また、本発明に係る発電モジュールを適用した電源システムにおいて、動作制御部は、負荷駆動制御手段から通知される負荷を停止する電力要求(電力遮断要求)に基づいて、第1の電源手段の動作を停止させる停止動作を行うとともに、該第1の電源手段の動作停止情報を、負荷駆動制御手段に通知するものであってもよい。
これにより、負荷駆動制御手段からの電力遮断要求に基づいて、発電モジュール(第1の電源手段)における発電動作を停止して、負荷の有無に応じた電力の供給制御を行うことができるとともに、機器側(負荷駆動制御手段)に対して、電源システムにおける発電状態(停止動作)に関する情報を通知することができるので、機器側で電源システムの発電状態を正確に把握することができる。
【0025】
さらに、本発明に係る発電モジュールを適用した電源システムにおける他の起動動作の手法としては、発電モジュールが、燃料封入部に封入された発電用燃料の残量を検出する残量検出手段を備え、動作制御部は、上記第1の電源手段の起動動作に先立って、残量検出部により検出した発電用燃料の残量を参照し、該残量に異常がある場合には、発電用燃料の異常情報(残量異常)を、負荷駆動制御手段に通知するものであってもよい。また、残量検出部により検出される発電用燃料の残量を随時参照し、該発電用燃料の残量に関する情報を、負荷駆動制御手段に通知するものであってもよく、このとき、該残量に異常がある場合には、第1の電源手段の動作を停止させる停止動作を行い、さらには、該発電用燃料の異常情報を、負荷駆動制御手段に通知するように制御するものであってもよい。
【0026】
これにより、燃料封入部に封入された発電用燃料の残量が常時検出され、残量に関する情報(残量データ)や残量不足等に伴う発電用燃料の異常を機器側(負荷駆動制御手段)に通知することができるので、機器側で発電用燃料の残量等を正確に把握して、発電用燃料の残量や機器の駆動可能推定時間、あるいは、電源システムの交換や発電用燃料の補充等を促す表示を行うことができ、汎用の化学電池を既存の機器の動作電力として適用した場合と同等の使用形態を実現することができる。
【0027】
また、本発明に係る発電モジュールを適用した電源システムにおける他の起動動作の手法としては、発電モジュールが、燃料封入部に封入された発電用燃料の封入状態を検出して安定化させる燃料安定化手段を備え、動作制御部は、上記第1の電源手段の起動動作に先立って、燃料安定化手段により検出した発電用燃料の封入状態を参照し、該封入状態に異常がある場合には、発電用燃料の異常情報(封入異常)を、負荷駆動制御手段に通知するものであってもよく、また、該発電用燃料の異常情報を、負荷駆動制御手段に通知するように制御するものであってもよい。
【0028】
これにより、燃料封入部に封入された発電用燃料の封入状態が常時検出され、封入圧力や温度の上昇等に伴う発電用燃料の異常を機器側(負荷駆動制御手段)に通知することができるので、機器側で発電用燃料の封入状態等を正確に把握して、機器の利用環境の改善や電源システムの交換等を促す表示を行うことができ、燃焼性や可燃性の発電用燃料を適用した電源システムにおける安全性や信頼性を良好に確保することができる。
【0029】
そして、上述したような発電モジュールを適用した電源システムにおいて、より好ましい態様は、第1の電源手段及び第2の電源手段が、共に燃料封入部から供給される発電用燃料を用いた電気化学反応により、第1の電力及び第2の電力を発生する燃料電池を有している構成であり、これにより、汎用の化学電池に比較して、極めてエネルギー利用効率の高い燃料電池を用いて、電源システムの動作電力及び負荷の駆動電力を生成することができるので、エネルギーの有効利用を図ることができるとともに、既存の化学電池と同等の電気的特性を得るために必要となる電源システム(発電モジュール及び燃料封入部)の規模を小型化することができる。
【0030】
また、上記発電モジュールを適用した電源システムにおいて、第1の電源手段のみを上記燃料電池により構成したものであってもよい。この場合、第1の電源手段は、発電用燃料を改質して、特定の成分を抽出する燃料改質器と、該特定の成分が供給される燃料極と、空気中の酸素が供給される空気極と、を備えた燃料改質型の燃料電池としての構成を適用することが好ましい。このような燃料改質型の燃料電池を適用した構成によれば、燃料電池に供給される発電用燃料の量を制御することにより、第1の電源手段により生成される第1の電力の量を簡易に制御することができるとともに、発電用燃料の有する化学エネルギーから極めて高いエネルギー変換効率で電力を生成することができる電源システムを実現することができる。
【0031】
なお、上記発電モジュールにおいて、第1の電源手段に適用可能な構成としては、上記燃料電池の他に、燃料封入部から供給される発電用燃料の燃焼エネルギーに基づいて、第1の電力を発生する発電装置(ガス燃焼タービン、ロータリーエンジン、スターリングエンジン、パルス燃焼エンジン等と、電磁誘導や圧電変換の原理を用いた発電器との組み合わせ)や、発電用燃料を用いた燃焼反応により生じる熱エネルギーによる高温と電源システム内外の他の領域における定温との温度差に基づいて、熱電変換により電力を発生する発電装置(温度差発電器)、発電用燃料を用いた熱音響効果による外力発生効果に基づいて、電力を発生する発電装置(熱音響効果発電器)、発電用燃料を用いた電磁流体発電により電力を発生する発電装置(電磁流体力学発電器)等であってもよい。
【0032】
また、上記発電モジュールにおいて、第2の電源手段のみを上記燃料電池により構成したものであってもよい。この場合、第2の電源手段は、発電用燃料が直接的に供給される燃料極と、空気中の酸素が供給される空気極と、を備えた燃料直接供給型の燃料電池としての構成を適用することが好ましい。このような燃料直接供給型の燃料電池を適用した構成によれば、簡易な構成の燃料電池に燃料封入部から発電用燃料を供給するだけで、自立的かつ継続的に高いエネルギー変換効率で所定の電力(第2の電力)を生成してシステム制御手段に動作電力として供給することができるので、特別な操作を必要とすることなく、負荷の駆動状態に応じて第1の電力を出力することができ、汎用の化学電池と同等の簡易な取り扱いが可能な電源システムを提供することができるとともに、第2の電源手段の規模を小型化することができる。
【0033】
なお、上記発電モジュールにおいて、第2の電源手段に適用可能な構成としては、上記燃料電池の他に、燃料封入部に封入された液体燃料又は高圧液化燃料からなる発電用燃料の気化反応により生じる圧力エネルギーに基づいて、第2の電力を発生する発電装置(ガスタービン、ロータリーエンジン等と、電磁誘導や圧電変換の原理を用いた発電器との組み合わせ)や、発電モジュールの周辺と内部における温度差、又は、発電用燃料を用いた触媒燃焼反応により生じる熱エネルギーによる高温と発電モジュール内外の他の領域における定温との温度差、もしくは、燃料封入部に封入され、液化された前記発電用燃料の気化反応により吸収される熱エネルギーによる低温と前記発電モジュール内外の他の領域における定温との温度差等に基づいて、熱電変換により電力を発生する発電装置(温度差発電器)、発電用燃料を用いた生物化学的反応に基づいて、前記第2の電力を発生する発電装置(生物電池)、発電用燃料の流体移動により生じる振動エネルギーに基づいて、前記第2の電力を発生する発電装置(振動発電器)、発電モジュールの外部から入射する光エネルギーに基づいて、光電変換により前記第2の電力を発生する発電装置(太陽電池)、電力の蓄積、放出が可能な蓄電装置(二次電池、コンデンサ等)等であってもよい。
【0034】
したがって、本発明に係る発電モジュールにおいては、第1及び第2の電源手段として、発電用燃料を用いて高いエネルギー変換効率で第1及び第2の電力を生成することができ、かつ、小型化や微細化が可能な構成を有する発電装置や蓄電装置の中から、発電モジュールの形状等の設定により電源システムの外形形状や電気的特性等に応じて適宜組み合わせた任意の構成を適用することができる。
【0035】
また、上記発電モジュールに適用される発電用燃料は、少なくとも、水素を主成分とする、又は、水素からなる液体燃料、液化燃料、及び気体燃料のいずれか、具体的には、メタノールやエタノール、ブタノール等のアルコール系の液体燃料や、ジメチルエーテルやイソブタン、天然ガス等の炭化水素からなる液化燃料、あるいは、水素ガス等の気体燃料であって、特に、燃料封入部から発電モジュールに供給される際の常温、常圧等の所定の環境条件の下で気体状態にあるものを良好に適用することができる。これにより、第1及び第2の電源手段における発電動作において、高いエネルギー変換効率で電力を生成することができるとともに、この発電動作に伴って電力以外に生成される副生成物を比較的簡易な処理で無毒化や難燃化することができ、自然環境等への影響を大幅に抑制することができる。
【0036】
また、上記発電モジュールを適用する電源システムは、第1の電源手段から出力される第1の電力により駆動する負荷に対して、システム全体が着脱可能な構成、もしくは、該負荷に対して、少なくとも燃料封入部が着脱可能な構成、又は、発電モジュールに対して、燃料封入部が着脱可能な構成を有していることが好ましい。これによれば、燃料封入部に封入された発電用燃料がなくなったときや少なくなったときに、燃料封入部を発電モジュールから取り外して新たな燃料封入部に交換、あるいは、燃料封入部に発電用燃料を注入して補充することができるので、発電モジュールを継続的に利用することができるとともに、電源システム全体又は燃料封入部をあたかも汎用の化学電池のように簡便に使用することができる。また、燃料封入部の交換や回収が可能となるので、電源システム自体の廃棄量を削減することができる。
【0037】
さらに、上記電源システムは、燃料封入部及び発電モジュールを組み合わせた物理的外形形状が、汎用の化学電池のうちの任意の1種、例えば、円形電池や単1型等のように日本工業規格で規格化された電池と同等の形状及び寸法を有するように構成されているものであってもよく、これによれば、上記電気的特性のみならず、外形形状においても、汎用の化学電池との高い互換性を実現することができるので、極めてエネルギー変換効率の高い電源システムを既存の化学電池の市場に支障なく普及させることができる。なお、本発明に係る電源システムは、燃料封入部及び発電モジュールを組み合わせた電源システム全体の外形形状を汎用の化学電池と同等の形状及び寸法とする場合に限らず、燃料封入部のみを汎用の化学電池と同等の形状及び寸法に構成するものであってもよい。
【0038】
本発明に係る他の発電モジュールは、発電用燃料が封入された燃料封入部から供給される前記発電用燃料を用いて電力を発生する発電モジュールであって、前記発電用燃料を用いて負荷を駆動するための第1の電力を発生する第1の電源手段と、前記第1の電源手段を動作制御するとともに、前記負荷を有するデバイスに内蔵され且つ前記電力が供給される前記負荷の駆動状態を制御する負荷駆動制御手段に前記負荷を駆動制御するための第2の電力を発生する第2の電源手段と、前記第2の電力により動作するシステム制御手段と、を備え、前記システム制御手段は、少なくとも、前記第1の電源手段の動作状態を制御して、前記第1の電力の発生量を調整する出力制御部と、前記負荷の駆動状態に応じて変化する前記第1の電力及び前記第2の電力のいずれかの電圧成分を検出する電圧検出部と、前記発電用燃料の温度が所定のしきい値を超過して上昇することにより前記燃料封入部内の前記発電用燃料の送出を遮断する供給制御弁及び前記燃料封入部内の圧力を低下させる圧力制御弁の少なくとも一方を有し、前記燃料封入部に封入された前記発電用燃料の封入状態を検出して安定化させる燃料安定化手段と、前記電圧成分の変化に応じて、少なくとも前記出力制御部を制御し、第1の電源手段により生成される第1の電力の発生量を制御し、前記第1の電源手段の起動動作に先立って、前記燃料安定化手段により検出した前記発電用燃料の封入状態を参照し、該封入状態に異常がある場合には、前記発電用燃料の異常情報を、前記負荷の駆動状態を制御する前記負荷駆動制御手段に通知する動作制御部と、を備えることを特徴としている。
本発明に係る他の発電モジュールは、発電用燃料が封入された燃料封入部から供給される前記発電用燃料を用いて電力を発生する発電モジュールであって、
前記発電用燃料を用いて負荷を駆動するための第1の電力を発生する第1の電源手段と、前記第1の電源手段を動作制御するとともに、前記負荷を有するデバイスに内蔵され且つ前記電力が供給される前記負荷の駆動状態を制御する負荷駆動制御手段に前記負荷を駆動制御するための第2の電力を発生する第2の電源手段と、前記第2の電力により動作するシステム制御手段と、を備え、前記システム制御手段は、少なくとも、前記第1の電源手段の動作状態を制御して、前記第1の電力の発生量を調整する出力制御部と、前記負荷の駆動状態に応じて変化する前記第1の電力及び前記第2の電力のいずれかの電圧成分を検出する電圧検出部と、前記発電用燃料の温度が所定のしきい値を超過して上昇することにより前記燃料封入部内の前記発電用燃料の送出を遮断する供給制御弁及び前記燃料封入部内の圧力を低下させる圧力制御弁の少なくとも一方を有し、前記電圧成分の変化に応じて、少なくとも前記出力制御部を制御し、第1の電源手段により生成される第1の電力の発生量を制御し、前記燃料封入部に封入された前記発電用燃料の封入状態を検出して安定化させる燃料安定化手段と、前記発電用燃料の封入状態の異常に基づいて、前記発電用燃料の異常情報を、前記負荷の駆動状態を制御する前記負荷駆動制御手段に通知する動作制御部と、を備えることを特徴としている。
本発明に係る他の発電モジュールは、発電用燃料により負荷を駆動するための第1の電力を発生するための第1の電源手段と、前記第1の電源手段を動作制御するとともに、前記負荷を有するデバイスに内蔵され且つ前記負荷の駆動状態を制御する負荷駆動制御手段に、充電された電荷による第2の電力を供給するための第2の電源手段と、前記第2の電力により動作するシステム制御手段と、を備え、前記システム制御手段は、少なくとも、前記第1の電源手段の動作状態を制御して、前記第1の電力の発生量を調整する出力制御部と、前記負荷の駆動状態に応じて変化する前記第1の電力及び前記第2の電力のいずれかの電圧成分を検出する電圧検出部と、前記電圧成分の変化に応じて、少なくとも前記出力制御部を制御し、第1の電源手段により生成される第1の電力の発生量を制御し、前記第1の電源手段が発生した電力により前記第2の電源手段を充電させるための動作制御と、前記発電用燃料の温度が所定のしきい値を超過して上昇することにより前記燃料封入部内の前記発電用燃料の送出を遮断する供給制御弁及び前記燃料封入部内の圧力を低下させる圧力制御弁の少なくとも一方を有し、前記燃料封入部に封入された前記発電用燃料の封入状態を検出して安定化させる燃料安定化手段と、を備え、前記燃料安定化手段により検出される前記発電用燃料の封入状態を随時参照し、該封入状態に異常がある場合には、前記第1の電源手段の動作を停止させる停止動作を行うことを特徴としている。
【0039】
負荷(負荷LD)が駆動していない状態から駆動している状態への移行を制御する前記負荷駆動制御手段(コントローラCNT)は、負荷が駆動していない状態であっても駆動されてなければならないが、上記発明にかかる発電モジュールによれば、第2の電源手段(電荷蓄積部182)がコントロール電力を前記負荷駆動制御手段に供給することができ、このような負荷の駆動待機状態に必ずしも第1の電源手段を駆動させて発電しなくてもよいだけでなく、第2の電源手段の充電量が少なくなれば必要に応じて第1の電源手段を駆動させて第2の電源手段を充電すればよいので、必要最小限に消費電力を抑えることが可能になる。このとき、動作制御手段は、第2の電源手段からの電力により動作するようにしてもよい。
【0040】
また、上記発電モジュールは、前記発電用燃料が封入された燃料封入部と着脱可能に構成されていてもよく、前記負荷と着脱可能に構成されていてもよく、さらには、前記発電モジュール及び前記発電モジュールに結合された前記燃料封入部からなる電源システムが、前記燃料封入部及び前記発電モジュールからなる物理的外形形状が、各種汎用の化学電池のうちの1種と同等の形状及び寸法を有して構成されているようにしてもよい。
【0041】
そして、前記第1の電源手段が発電していない間でも前記第1の電源手段を駆動するための電力を発生するために一定の燃料を消費している自己発電型の燃料直接方式の接燃料電池を第2の電源手段に適用した場合と比較して、上記発電モジュールの第2の電源手段は、所定の期間中電荷を保持することができるので、第2の電源手段での消費電力を抑制することができる。特に、第1の電源手段として燃料直接方式よりも発電効率のよい燃料改質型の燃料電池を採用すれば、効果的に第2の電源手段に充電することができ、長期にわたり低消費電力で第2の電源手段を駆動することができる。
【0042】
本発明に係るさらに他の発電モジュールは、発電用燃料により負荷を駆動するための第1の電力を発生するための第1の電源手段と、前記負荷を有するデバイスに内蔵され且つ前記負荷の駆動状態を制御する負荷駆動制御手段に、充電された第2の電力を供給するための第2の電源手段と、前記第2の電力により動作するシステム制御手段と、を備え、前記システム制御手段は、少なくとも、前記第1の電源手段の動作状態を制御して、前記第1の電力の発生量を調整する出力制御部と、前記負荷の駆動状態に応じて変化する前記第1の電力及び前記第2の電力のいずれかの電圧成分を検出する電圧検出部と、前記電圧成分の変化に応じて、少なくとも前記出力制御部を制御し、第1の電源手段により生成される第1の電力の発生量を制御し、前記第2の電源手段で充電された電荷による電力を前記第1の電源手段に供給させることにより前記第1の電源手段で発生させ、前記第1の電源手段で発生した電力で前記第2の電源手段を充電させるように制御する動作制御部と、前記発電用燃料の温度が所定のしきい値を超過して上昇することにより前記燃料封入部内の前記発電用燃料の送出を遮断する供給制御弁及び前記燃料封入部内の圧力を低下させる圧力制御弁の少なくとも一方を有し、前記燃料封入部に封入された前記発電用燃料の封入状態を検出して安定化させる燃料安定化手段と、を備え、前記燃料安定化手段により検出される前記発電用燃料の封入状態を随時参照し、該封入状態に異常がある場合には、前記第1の電源手段の動作を停止させる停止動作を行うことを特徴としている。
【0043】
上記発電モジュールによれば、第2の電源手段は、負荷の駆動状態を制御する負荷駆動制御手段に供給するとともに必要に応じて動作制御部の制御に応じて第1の電源手段に供給することができるが、必要に応じて第2の電源手段が充電された電荷により電力を出力するので、負荷駆動制御手段及び第1の電源手段を同時に駆動するのに必要な電力を常に発生させる必要がなく、第2の電源手段で消費される電力を抑制することができる。
【0044】
【発明の実施の形態】
以下、本発明に係る電源システムの実施の形態について、図面を参照しながら説明する。
まず、本発明に係る電源システムが適用される全体の概要について、図面を参照して説明する。
図1は、本発明に係る電源システムの適用形態を示す概念図である。
【0045】
本発明に係る電源システム1は、例えば、図1(a)、(b)に示すように、特定の電気・電子機器のほか、汎用の一次電池や二次電池により動作する既存の電気・電子機器(図1では、情報携帯端末を示す:以下、「デバイス」と総称する)DVCに対して、その全体もしくは一部が任意に装着及び取り外し(矢印P1参照)が可能であるとともに、該電源システム1の全体もしくはその一部が単独で携帯が可能なように構成され、かつ、電源システム1の所定の位置(例えば、後述するように、汎用の一次電池や二次電池と同等の位置)に、デバイスDVCに電力を供給するためのプラス(+)極及びマイナス(−)極からなる電極が設けられた構成を有している。
【0046】
次に、本発明に係る電源システムの基本構成について説明する。
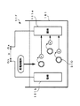
図2は、本発明に係る電源システムの基本構成を示すブロック図である。
本発明に係る電源システム1は、図2(a)に示すように、大別して、液体燃料又は液化燃料又は気体燃料からなる発電用燃料FLが封入された燃料パック(燃料封入部)20と、少なくとも、該燃料パック20から供給される発電用燃料FLに基づいて、上記デバイスDVCの駆動状態(負荷状態)に対応した電力EGを発生(発電)する発電モジュール10と、燃料パック20及び発電モジュール10相互を物理的に結合するとともに、燃料パック20に封入された発電用燃料FLを発電モジュール10に供給する燃料送出経路等を備えたインターフェース部(以下、「I/F部」と略記する)30と、を有し、各構成が相互に、もしくは、任意の形態で結合、分離(着脱)可能に、あるいは、一体的に構成されている。ここで、I/F部30は、図2(a)に示したように、上記燃料パック20及び発電モジュール10と独立した構成を有しているものであってもよいし、図2(b)、(c)に示すように、上記燃料パック20又は発電モジュール10のいずれかと一体的に、あるいは、燃料パック20及び発電モジュール10の双方に分割して構成されているものであってもよい。
【0047】
以下、各ブロックの構成について、具体的に説明する。
[第1の参考実施形態]
(A)発電モジュール
図3は、本発明に係る電源システムに適用される発電モジュールの第1の参考実施形態を示すブロック図であり、図4は、本実施形態に係る電源システム(発電モジュール)とデバイスとの電気的な接続関係を示す概略図である。
【0048】
図3に示すように、本実施形態に係る発電モジュール10Aは、大別して、I/F部30Aを介して燃料パック20Aから供給される発電用燃料を用いて、所定の電力(第2の電力)を、常時、自立的に発生して、少なくとも、電源システム1に接続されるデバイスDVCに内蔵され、負荷LD(デバイスDVCの各種機能を有する素子又はモジュール)の駆動制御を行うコントローラCNTの駆動電力(コントローラ電力)、及び、発電モジュール10A内に設けられた後述する動作制御部13の動作電力として出力する副電源部(第2の電源手段)11と、副電源部11から供給される電力により動作し、電源システム1全体の動作状態を制御する動作制御部13と、内部にヒータ(加熱手段)を有し、I/F部30Aを介して燃料パック20Aから供給される発電用燃料又は該発電用燃料から抽出された特定の燃料成分を用いて、所定の電力(第1の電力)を発生して、少なくとも、電源システム1に接続されるデバイスDVCの各種機能(負荷LD)を駆動する負荷駆動電力として出力する主発電部(第1の電源手段)12と、動作制御部13からの動作制御信号に基づいて、少なくとも、主発電部12への発電用燃料の供給量の制御及び/又は主発電部12のヒータの温度の制御を行う出力制御部14と、動作制御部13からの動作制御信号に基づいて、少なくとも、主発電部12を待機状態から発電可能な動作状態に移行(起動)するように制御する起動制御部15と、発電モジュール10A(副電源部11及び主発電部12)からデバイスDVCに出力される電力(コントロール電力又は負荷駆動電力)の電圧成分の変化を検出する電圧モニタ部(電圧検出部)16と、を有して構成されている。
【0049】
ここで、本実施形態に係る動作制御部13、出力制御部14、起動制御部15及び電圧モニタ部16は、本発明におけるシステム制御手段を構成する。また、本実施形態に係る電源システム1とデバイスDVCは、図4に示すように、後述する副電源部11及び主発電部12の各々から出力されるコントローラ電力及び負荷駆動電力からなる供給電力が、単一の電極端子ELを介してデバイスDVCのコントローラCNT及び負荷LDに共通に供給されるように構成されている。すなわち、本実施形態に係る電源システム1は、システムの外部(発電モジュール10A、燃料パック20A及びI/F部30A以外)からの燃料供給や制御に依存することなく、電源システム1に接続されるデバイスDVCに対して、所定の電力(負荷駆動電力)を出力可能なように構成されている。
【0050】
<副電源部11>
本実施形態に係る発電モジュールに適用される副電源部11は、図3に示したように、燃料パック20Aから供給される発電用燃料FLが有する物理的又は化学的エネルギー等を用いて、電源システム1の起動動作に必要な所定の電力(第2の電力)を、常時、自立的に発生する構成を有している。そして、この電力は、大別して、デバイスDVCに内蔵され、各種機能(負荷LD)の駆動状態を制御するコントローラCNTの駆動電力(コントローラ電力)、及び、発電モジュール10A全体の動作状態を制御する動作制御部13の動作電力として常時供給される電力E1と、発電モジュール10Aの起動時に、少なくとも、出力制御部14(構成によっては、主発電部12を含む)及び起動制御部15に対して、起動電力(電圧・電流)として供給される電力E2からなる。
【0051】
副電源部11の具体的な構成としては、例えば、燃料パック20Aから供給される発電用燃料FLを用いた電気化学反応によるもの(燃料電池)や触媒燃焼反応等に伴う熱エネルギーによるもの(温度差発電)を良好に適用することができるほか、燃料パック20Aに封入された発電用燃料FLの封入圧力や燃料の気化によって生じるガス圧力を用いて発電器を回転させて電力を発生する力学的なエネルギー変換作用等によるもの(ガスタービン発電等)、また、発電用燃料FLを栄養源とする微生物等による代謝(光合成、呼吸等)により生じる電子を捕獲し、直接電力へと変換するもの(生物化学発電)、上記封入圧力やガス圧力に基づく発電用燃料FLの流体エネルギーにより生じる振動エネルギーを電磁誘導の原理を利用して電力に変換するもの(振動発電)、二次電池(充電池)やコンデンサ等の電力蓄積手段単体からの放電によるもの、さらには、上述した発電を行う各構成により生成された電力を、電力蓄積手段(二次電池やコンデンサ等)に蓄積して放出(放電)させるようにしたもの等を適用することができる。
【0052】
以下に、各々の具体例について、図面を参照して簡単に説明する。
(副電源部の第1の構成例)
図5は、本実施形態に係る発電モジュールに適用可能な副電源部の第1の構成例を示す概略構成図である。ここでは、上述した電源システムの構成(図3)を適宜参照しながら説明する。
第1の構成例においては、副電源部の具体例として、燃料パック20Aから直接供給される発電用燃料FLを用い、電気化学反応により電力(第2の電力)を発生する燃料直接供給方式を採用した固体高分子型の燃料電池の構成を有している。
【0053】
図5に示すように、本構成例に係る副電源部11Aは、概略、所定の触媒微粒子が付着した炭素電極からなる燃料極(カソード)111と、所定の触媒微粒子が付着した炭素電極からなる空気極(アノード)112と、燃料極111と空気極112の間に介装されたイオン導電膜(交換膜)113と、を有して構成されている。ここで、燃料極111には、燃料パック20Aに封入された発電用燃料(例えば、メタノール等のアルコール類及び水)が直接供給され、一方、空気極112には大気中の酸素ガス(O)が供給される。
【0054】
この副電源部(燃料電池)11Aにおける電気化学反応の一例は、具体的には、メタノール(CHOH)及び水(HO)が燃料極111に直接供給されると、次の化学反応式(1)に示すように、触媒反応により電子(e)が分離して水素イオン(プロトン;H)が発生し、イオン導電膜113を介して空気極112側に通過するとともに、燃料極111を構成する炭素電極により電子(e)が取り出されて負荷114(電源システム内外の所定の構成;ここでは、デバイスDVCのコントローラCNT、動作制御部13、主発電部12、出力制御部14等)に供給される。なお、この触媒反応により生成される水素イオン以外の微量の二酸化炭素(CO)は、例えば、燃料極111側から大気中に排出される。
CHOH+HO → 6H+6e+CO ・・・(1)
【0055】
一方、空気極112に空気(酸素O)が供給されると、次の化学反応式(2)に示すように、触媒反応により負荷114を経由した電子(e)とイオン導電膜113を通過した水素イオン(H)と空気中の酸素ガス(O)が反応して水(HO)が生成される。
6H+(3/2)O+6e → 3HO ・・・(2)
【0056】
このような一連の電気化学反応(化学反応式(1)及び(2))は、概ね室温程度の比較的低温の環境下で進行する。ここで、空気極112で発生する副生成物である水(HO)を回収し、燃料極111側に必要量を供給することにより、上記化学反応式(1)に示した触媒反応の原料物質として再利用することができるとともに、燃料パック20Aに予め備蓄(封入)される水(HO)の量を大幅に減らすことができるので、燃料パック20Aの容積を大幅に縮小しつつ、副電源部11を長時間、継続的に動作させて、所定の電力を供給することが可能となる。なお、空気極112で発生する水(HO)等の副生成物を回収、再利用する副生成物回収手段の構成については、後述する主発電部12における同様の構成と併せて後述する。
【0057】
このような構成を有する燃料電池を副電源部に適用することにより、他の方式(例えば、後述する燃料改質型の燃料電池)に比較して周辺構成を必要としないので、副電源部11Aの構成を簡素化かつ小型化することができるとともに、例えば、発電モジュール10Aに対して燃料パック20Aを結合する極めて簡易な操作のみで、I/F部30Aに設けられた燃料輸送管を介して毛細管現象により所定量の発電用燃料が副電源部11A(燃料極111)に自動的に送入されて、上記化学反応式(1)及び(2)に基づく、発電動作を開始、継続することができる。
【0058】
したがって、燃料パック20Aからの発電用燃料の供給が継続する限り、副電源部11Aにより所定の電力が常時、自立的に生成され、デバイスDVCのコントローラ電力及び動作制御部13の動作電力、さらには、主発電部12又は出力制御部14に対する起動電力として供給することができる。また、上述したような燃料電池においては、発電用燃料を用いた電気化学反応を利用して直接電力を発生しているので、極めて高い発電効率を実現することができ、発電用燃料の有効利用や副電源部を含む発電モジュールの小型化を図ることができるとともに、振動や騒音が発生しないので、汎用の一次電池や二次電池と同様に、広範な機器への利用が可能となる。
【0059】
なお、本構成例における燃料電池においては、燃料パック20Aから供給される発電用燃料としてメタノールを適用した場合についてのみ示したが、本発明はこれに限定されるものではなく、少なくとも、水素元素を少なくとも有する液体燃料、液化燃料、及び気体燃料のいずれかであればよい。具体的には、上述したメタノールやエタノール、ブタノール等のアルコール系の液体燃料や、ジメチルエーテルやイソブタン、天然ガス(CNG)等の炭化水素からなる液化燃料、あるいは、水素ガス等の気体燃料であって、特に、燃料パック20Aから副電源部11Aに供給される際の常温、常圧等の所定の環境条件の下で気体状態にあるものを良好に適用することができる。
【0060】
(副電源部の第2の構成例)
図6は、本実施形態に係る発電モジュールに適用可能な副電源部の第2の構成例を示す概略構成図である。
第2の構成例においては、副電源部の具体例として、燃料パック20Aに封入された発電用燃料が有する圧力エネルギー(封入圧力やガス圧力)により圧力駆動機関(ガスタービン)を駆動し、その駆動エネルギーを電力に変換する発電装置としての構成を有している。
【0061】
図6(a)、(b)に示すように、本構成例に係る副電源部11Bは、概略、複数の羽根が円周の所定の方向に沿って湾曲しつつ、略放射状に配列され、かつ、自在に回転が可能なように構成された可動羽根122aと、可動羽根122aの回転中心に直結され、周知の電磁誘導あるいは圧電変換の原理に基づいて、可動羽根122aの回転エネルギーを電力に変換する発電器125と、複数の羽根が可動羽根122aの外周側に沿って、可動羽根122aとは逆方向に湾曲しつつ、略放射状に配列され、かつ、可動羽根122aに対して相対的に固定された固定羽根122bと、可動羽根122aと固定羽根122bとからなるガスタービン122への気化された発電用燃料(燃料ガス)の供給を制御する吸気制御部123と、ガスタービン122通過後の発電用燃料の排出を制御する排気制御部124と、を有して構成されている。ここで、ガスタービン122、吸気制御部123及び排気制御部124からなる副電源部11Bの構成は、半導体製造技術等により蓄積された微細加工技術をはじめとする、いわゆる、マイクロマシン製造技術を適用することにより、例えば、単一のシリコンチップ121上の微小空間に集積化して形成することができる。なお、図6(a)においては、ガスタービン122の構成を明確にするために、可動羽根122a及び固定羽根122bが便宜的に露出するように示した。
【0062】
このような副電源部11Bにおいて、例えば、図6(b)に示すように、吸気制御部123を介してガスタービン122の固定羽根122b側から可動羽根122a側に、燃料パック20内に封入された液体燃料が気化した高圧の燃料ガスを吸入(矢印P2参照)することにより、固定羽根122bの湾曲方向に沿って燃料ガスの渦流が生じ、該渦流によって、可動羽根122aが所定の方向に回転して、発電器125を駆動する。これにより、燃料ガスが有する圧力エネルギーがガスタービン122及び発電器125を介して電力に変換される。
【0063】
すなわち、本構成例に係る副電源部11Bに適用される発電用燃料は、少なくとも、吸気制御部123が開放されてガスタービン122に吸入される際に高圧気体の状態で吸入され、また、排気制御部124が開放されてガスタービン122内の気体が、気圧の低い方、例えば、常圧である外気に向けて排出されることに伴って生じる圧力差に基づく気体の流動により、可動羽根122aを所定の方向に所定の回転速度(又は、回転数)で回転させ、発電器125において所定の電力を発生する。
【0064】
そして、可動羽根122aの回転に寄与し、圧力が低下した(圧力エネルギーが消費された)燃料ガスは、排気制御部124を介して副電源部11Bの外部に排出される。なお、図3に示した発電モジュール10Aにおいては、副電源部11から排出された燃料ガス(排出ガス)をそのまま電源システム1の外部に排出する構成を示したが、本発明はこれに限定されるものではなく、後述する実施形態に示すように、主発電部12における発電用燃料として再度利用する構成を有するものであってもよい。
【0065】
したがって、本構成例に係る副電源部11Bにおいては、燃料パック20Aから供給される発電用燃料(燃料ガス)FLは、必ずしも燃焼性(あるいは、可燃性)を有している必要はなく、特に、電力の生成に利用された燃料ガスを、そのまま電源システム1の外部に排出する構成にあっては、発電用燃料FLを排出ガスとして排出することを考慮すれば、不燃性又は難燃性を有し、さらに、毒性がない方が望ましい。なお、発電用燃料が燃焼性又は毒性がある成分を含む物質からなる場合は、排出ガスを外部に排出する前に難燃化や無毒化する処理が必要となることはいうまでもない。
【0066】
なお、本構成例に係る副電源部11Bのように、燃料ガスの圧力エネルギーに基づいて、電力を発生する構成においては、燃料ガスが副電源部11B(ガスタービン122)内を通過するのみで、上述した燃料電池における電気化学反応のように、副生成物(水等)が発生することがないので、発電用燃料として不燃性又は難燃性であって、毒性がない物質を適用する場合や、燃焼性又は毒性を有する物質であっても、電源システム1の外部に排出する前に難燃化や無毒化する処理を行う構成を有している場合には、排出ガスを回収する手段を備える必要はない。
【0067】
このような構成を有する発電装置を副電源部に適用することにより、上述した第1の構成例と同様に、発電モジュール10Aに対して燃料パック20Aを結合する極めて簡易な操作のみで、I/F部30Aを介して高圧の発電用燃料(燃料ガス)FLが副電源部11B(ガスタービン122)に自動的に送入されて、上記発電動作を開始、継続することができ、さらに、発電用燃料FLの供給が継続する限り、副電源部11Bにより所定の電力を常時、自立的に生成して、電源システム1内外の所定の構成に供給することができる。
【0068】
(副電源部の第3の構成例)
図7は、本実施形態に係る発電モジュールに適用可能な副電源部の第3の構成例を示す概略構成図である。
第3の構成例においては、副電源部の具体例として、燃料パック20Aに封入された発電用燃料FLが有する圧力エネルギー(封入圧力やガス圧力)により圧力駆動機関(ロータリーエンジン)を駆動し、その駆動エネルギーを電力に変換する発電装置としての構成を有している。
【0069】
図7に示すように、第3の構成例に係る副電源部11Cは、外周が概略、楕円型の作動空間131aを有するハウジング131と、作動空間131aの内壁に沿って中心軸133の周囲を回転する略三角形状の断面を有するローター132と、中心軸133に直結された発電器(図示を省略)と、を有して構成されている。ここで、副電源部11Cの構成は、上述した各構成例と同様に、マイクロマシン製造技術を適用することにより、例えば、ミリメートルオーダーの微小空間に集積化して形成することができる。
【0070】
このような構成を有する副電源部11Cにおいて、作動空間131aはほぼ常温に保たれており、液体の状態で吸気口134aから作動空間131aに燃料を封入すると、気化膨張するとともに、排気口134b側を低圧、例えば、常圧に制御することにより、作動空間131aの内壁とローター132により形成される各作動室間に気圧差が生じ、図7(a)〜(c)に示すように、気化した燃料ガスが吸入口134aから排気口134b方向に流動することにより、燃料ガスの圧力によりローター132がその内周を中心軸133の外周に沿うように回転する(矢印P3)。これにより、燃料ガスが有する圧力エネルギーが中心軸133の回転エネルギーに変換されて、該中心軸133に接続された発電器により電力に変換される。
【0071】
ここで、本構成例に適用される発電器は、上述した第2の構成例と同様に、電磁誘導や圧電変換等の周知の原理を用いた発電器を良好に適用することができる。
また、本構成例においても、燃料ガスの圧力エネルギーに基づいて、電力を発生する構成を有しているので、燃料ガスは副電源部11C(ハウジング131内の作動空間131a)内を通過するのみで、電力が生成されるので、発電用燃料として必ずしも燃焼性(あるいは、可燃性)を有している必要はなく、少なくとも、副電源部11Cに供給される際の常温、常圧等の所定の環境条件の下で、気化して所定の体積に膨張されるような高圧の燃料ガスとなる物質であれば良好に適用することができる。
【0072】
したがって、このような構成を有する発電装置を副電源部に適用することにより、上述した各構成例と同様に、発電モジュール10Aに対して燃料パック20Aを結合する極めて簡易な操作のみで、I/F部30Aを介して高圧の発電用燃料(燃料ガス)FLが副電源部11C(作動空間131a)に自動的に送入されて、上記発電動作を開始、継続することができ、さらに、発電用燃料FLの供給が継続する限り、副電源部11Cにより所定の電力を常時、自立的に生成して、電源システム1内外の所定の構成に供給することができる。
【0073】
(副電源部の第4の構成例)
図8は、本実施形態に係る発電モジュールに適用可能な副電源部の第4の構成例を示す概略構成図である。
第4の構成例においては、副電源部の具体例として、燃料パック20Aに封入された発電用燃料FLの触媒燃焼反応に基づいて熱エネルギーを発生することにより生じる温度差を利用した熱電変換発電により電力を発生する発電装置としての構成を有している。
【0074】
図8(a)に示すように、第4の構成例に係る副電源部11Dは、概略、発電用燃料FLを触媒燃焼させて熱エネルギーを発生させる触媒燃焼部141と、概ね一定の温度を保持する定温部142と、触媒燃焼部141を第1の温度端、定温部142を第2の温度端として、該第1及び第2の温度端間に接続された熱電変換素子143と、を備えた温度差発電器の構成を有している。ここで、熱電変換素子143は、図8(b)に示すように、2種類の半導体又は金属(以下、便宜的に「金属等」という)MA、MBの端部相互が接合(例えば、金属等MAの両端部に、各々金属等MBが接合)され、各接合部N1、N2が上記触媒燃焼部141(第1の温度端)及び定温部142(第2の温度端)に各々接続された構成を有している。また、定温部142は、例えば、電源システム1が装着されるデバイスDVCに設けられた開口部等を介して、常時外気に晒され、略一定の温度を保持するように構成されている。なお、図8に示した温度差発電器からなる副電源部11Dの構成は、上述した各構成例と同様に、マイクロマシン製造技術を適用することにより、微小空間に集積化して形成することができる。
【0075】
このような構成を有する副電源部11Dにおいて、図8(c)に示すように、燃料パック20Aに封入された発電用燃料(燃焼ガス)FLがI/F部30Aを介して、触媒燃焼部141に供給されると、触媒燃焼反応により発熱して、触媒燃焼部141(第1の温度端)の温度が上昇する。一方、定温部142の温度は、ほぼ一定に保持されるように構成されているので、触媒燃焼部141と定温部142との間には温度差が発生する。そして、この温度差に基づいて、熱電変換素子143におけるゼーベック効果により、所定の起電力が発生して電力が生成される。
【0076】
具体的には、第1の温度端(接合部N1)における温度をTa、第2の温度端(接合部N2)における温度をTb(<Ta)と規定した場合、該温度Ta、Tb間の差が微小である場合には、図8(b)に示した出力端子Oa、Ob間に、Vab=Sab×(Ta−Tb)の電圧が生じる。ここで、Sabは、金属等MA、MBの相対ゼーベック係数である。
【0077】
したがって、このような構成を有する発電装置を副電源部に適用することにより、上述した各構成例と同様に、発電モジュール10Aに対して燃料パック20Aを結合する極めて簡易な操作のみで、I/F部30Aを介して発電用燃料(液体燃料又は液化燃料又は気体燃料)が副電源部11D(触媒燃焼部141)に自動的に送入されて、触媒燃焼反応に伴う熱エネルギーが発生し、上記温度差発電器による発電動作を開始、継続することができ、さらに、発電用燃料FLの供給が継続する限り、副電源部11Dにより所定の電力を常時、自立的に生成して、電源システム1内外の所定の構成に供給することができる。
【0078】
なお、本構成例においては、触媒燃焼部141と定温部142における温度差に基づいて、ゼーベック効果により電力を発生する温度差発電器について説明したが、本発明は、これに限定されるものではなく、金属の加熱により金属表面から自由電子が放出される熱電子放出現象に基づいて、電力を発生する構成を有するものであってもよい。
【0079】
(副電源部の第5の構成例)
図9は、本実施形態に係る発電モジュールに適用可能な副電源部の第5の構成例を示す概略構成図である。
第5の構成例においては、副電源部の具体例として、燃料パック20Aに封入された発電用燃料(液体燃料)FLが気化反応に基づいて熱エネルギーを吸収することにより生じる温度差を利用した熱電変換発電により電力を発生する発電装置としての構成を有している。
【0080】
図9(a)に示すように、第5の構成例に係る副電源部11Eは、概略、発電用燃料(特に、液化燃料)FLを気化させた場合に熱エネルギーを吸収することにより実現される冷熱を保持する冷熱保持部151と、概ね一定の温度を保持する定温部152と、冷熱保持部151を第1の温度端、定温部152を第2の温度端として、第1及び第2の温度端間に接続された熱電変換素子153と、を備えた温度差発電器の構成を有している。ここで、熱電変換素子153は、上述した第4の構成例(図8(b)参照)に示したものと同等の構成を有している。また、定温部152は、電源システム1内外の他の領域に接触又は晒されることにより、略一定の温度を保持するように構成されている。なお、図9に示した温度差発電器からなる副電源部11Eの構成も、上述した各構成例と同様に、微小空間に集積化して形成される。
【0081】
このような構成を有する副電源部11Eにおいて、図9(b)に示すように、例えば、燃料パック20Aに所定の圧力条件で封入された発電用燃料(液化燃料)FLがI/F部30Aを介して、副電源部11Eに供給され、常温、常圧等の所定の環境条件に移行することにより、発電用燃料FLが気化し、その際、周囲から熱エネルギーを吸収して、冷熱保持部151の温度が低下する。一方、定温部152の温度は、ほぼ一定に保持されるように構成されているので、冷熱保持部151と定温部152との間には温度差が発生する。そして、この温度差に基づいて、熱電変換素子153におけるゼーベック効果により、上述した第4の構成例に示したものと同様に、所定の起電力が発生して電力が生成される。
【0082】
したがって、このような構成を有する発電装置を副電源部に適用することにより、上述した各構成例と同様に、発電モジュール10Aに対して燃料パック20Aを結合する極めて簡易な操作のみで、I/F部30Aを介して発電用燃料(液化燃料)FLが副電源部11Eに自動的に送入されて、気化反応により熱エネルギーが吸収されて冷熱が生じ、上記温度差発電器による発電動作を開始、継続することができ、さらに、発電用燃料FLの供給が継続する限り、副電源部11Eにより所定の電力を常時、自立的に生成して、電源システム1内外の所定の構成に供給することができる。
なお、本構成例においては、冷熱保持部151と定温部152における温度差に基づいて、ゼーベック効果により電力を発生する温度差発電器について説明したが、本発明は、これに限定されるものではなく、熱電子放出現象に基づいて、電力を発生する構成を有するものであってもよい。
【0083】
(副電源部の第6の構成例)
図10は、本実施形態に係る発電モジュールに適用可能な副電源部の第6の構成例を示す概略構成図である。
第6の構成例においては、副電源部の具体例として、燃料パック20Aに封入された発電用燃料に対する生物化学的な反応を利用して電力を発生する発電装置としての構成を有している。
【0084】
図10に示すように、第6の構成例に係る副電源部11Fは、概略、発電用燃料を栄養源として成育する微生物や生体触媒(以下、便宜的に「微生物等」という)BIOが貯蔵された生体培養槽161と、該生体培養槽161内に設けられた陽極側電極161a及び陰極側電極161bと、を備えた構成を有している。このような構成において、燃料パック20AからI/F部30Aを介して発電用燃料FLを供給することにより、上記生体培養槽161内で微生物等BIOによる呼吸等の代謝等(生物化学的反応)が生じて電子(e)が生成される。そして、この電子を陽極側電極161aにより捕獲することにより、出力端子Oa、Obから所定の電力が得られる。
【0085】
したがって、このような構成を有する発電装置を副電源部に適用することにより、上述した各構成例と同様に、発電モジュール10Aに対して燃料パック20Aを結合する極めて簡易な操作のみで、I/F部30Aを介して微生物等BIOの栄養源となる発電用燃料FLが副電源部11F(生体培養槽161)に自動的に送入されて、微生物等BIOの生物化学的な反応による発電動作が開始され、さらに、発電用燃料の供給が継続する限り、所定の電力を常時、自立的に生成して、電源システム1内外の所定の構成に供給することができる。
なお、上記生物化学的反応において、微生物等BIOによる光合成を利用して電力の生成を行う場合にあっては、例えば、電源システム1が装着されるデバイスDVCに設けられた開口部等を介して、外光が入射するように構成することにより、所定の電力を常時自立的に生成して供給することができる。
【0086】
(副電源部の第7の構成例)
図11は、本実施形態に係る発電モジュールに適用可能な副電源部の第7の構成例を示す概略構成図である。
第7の構成例においては、副電源部の具体例として、燃料パック20Aから供給される発電用燃料の流体移動により生じる振動エネルギーを電力に変換する発電装置としての構成を有している。
【0087】
図11(a)に示すように、第7の構成例に係る副電源部11Gは、概略、液体又は気体からなる発電用燃料が所定方向に移動することにより、少なくとも一端側が振動可能なように構成され、その振動端171aに電磁コイル173が設けられた振動子171と、電磁コイル173に対向して永久磁石174が設けられ、発電用燃料の移動に対して振動を生じない固定子172と、を備えた振動発電器としての構成を有している。このような構成において、図11(b)に示すように、燃料パック20AからI/F部30Aを介して発電用燃料FLを供給することにより、発電用燃料FLの流動方向に対して概ね直交する方向(図中、矢印P4)に、固定子172に対して振動子171(振動端171a)が所定の振動数で振動を生じる。この振動により永久磁石174と電磁コイル173間の相対位置に変化が生じることにより、電磁誘導が発生して、電磁コイル173を通じて所定の電力が得られる。
【0088】
したがって、このような構成を有する発電装置を副電源部に適用することにより、上述した各構成例と同様に、発電モジュール10Aに対して燃料パック20Aを結合する極めて簡易な操作のみで、I/F部30Aを介して流体としての発電用燃料FLが副電源部11Gに自動的に送入されて、流体移動に伴う振動子171の振動エネルギーの変換による発電動作が開始され、さらに、発電用燃料FLの供給が継続する限り、所定の電力を常時、自立的に生成して、電源システム1内外の所定の構成に供給することができる。
【0089】
なお、上述した各構成例は、発電モジュール10Aに適用される副電源部11の一例を示したに過ぎず、本発明に係る電源システムの構成を何ら限定するものではない。要するに、本発明に適用される副電源部11は、燃料パック20Aに封入された液体燃料又は液化燃料又は気体燃料が直接的に供給されることにより、副電源部11内部で電気化学反応や電磁誘導、発熱、吸熱反応に伴う温度差等、エネルギーの変換作用に基づいて電力を発生することができるものであれば、他の構成を有するものであってもよく、例えば、ガスタービンやロータリーエンジン以外のガス圧力駆動エンジンと電磁誘導や圧電変換による発電器とを組み合わせたものであってもよいし、次に示すように、上述した各副電源部11と同等の発電装置に付加して、電力蓄積手段(蓄電装置)を備え、副電源部11により発電された電力(第2の電力)の一部を蓄電した後、電源システム1(主発電部12)の起動時に、主発電部12又は出力制御部14に対して起動電力として供給するように構成したものを適用することもできる。
【0090】
(副電源部の第8の構成例)
図12、図13〜図15、図16〜図18は、それぞれ本実施形態に係る発電モジュールに適用可能な副電源部の第8の構成例及び動作状態を示す概略構成図であり、図中の配線に沿った矢印は電流の流れる方向を示す。
図12に示すように、第8の構成例に係る副電源部11Hは、概略、燃料パック20Aに封入された発電用燃料(液体燃料又は液化燃料又は気体燃料)FLがI/F部30Aに設けられ燃料輸送管を介して毛細管現象により直接的に供給されることにより自立的に電力(第2の電力)を発生することができる発電装置(例えば、上述した各構成例に示した副電源部)181と、該発電装置181により生成された電力の一部を蓄積する2次電池又はコンデンサ等からなる電荷蓄積部182と、動作制御部13からの動作制御信号に基づいて、電荷蓄積部182への電力の蓄積、放出を切り換え設定するスイッチ183と、を備えた構成を有している。
【0091】
このような構成において、燃料パックからの発電用燃料の供給が持続している間、常時駆動している発電装置181により生成された電力は、デバイスDVCのコントローラ電力及び動作制御部13の動作電力として出力されるとともに、その一部がスイッチ183を介して電荷蓄積部182に適宜蓄積される。そして、例えば、動作制御部13が、電圧モニタ部16を介して供給電力の電圧変化を検出することにより、デバイスDVC(負荷LD)の駆動開始を検出した場合には、動作制御部13から出力される動作制御信号に基づいて、スイッチ183の接続状態が切り替わり、電荷蓄積部182に蓄積されていた電力が主発電部12又は出力制御部14に対して起動電力として供給される。
【0092】
ここで、デバイスDVCが長時間連続して駆動しているために主発電部12又は出力制御部14で消費される電荷蓄積部182のチャージがある程度の量まで減少した場合に、主発電部12が、デバイスDVC及び電荷蓄積部182に電力を供給するように切り替わることで電荷蓄積部182が放電しつくさないように制御することができる。また、主発電部12がデバイスDVCに電力を供給している間も発電装置181が継続的に電荷蓄積部182にチャージするようにしてもよい。なお、後述する第2の参考実施形態において、副電源部11として本構成例を適用する場合にあっては、動作制御部13は、デバイスDVCのコントローラCNTから出力される、負荷LDがオフ状態から起動してオン状態に切り替わる負荷駆動情報を端子部ELxを介して受け取ることにより、デバイスDVC(負荷LD)の駆動を検出して、上記スイッチ183の接続状態を切り替える動作制御信号を出力する。
【0093】
したがって、このような構成を有する副電源部によれば、発電装置181により単位時間当たりに生成される電力を駆動電力特性の低いもの(微弱な電力)に設定した場合であっても、電荷蓄積部182に蓄積された電力を瞬時に放出することにより、主発電部12又は出力制御部14に対して、十分に駆動電力特性が高い電力を供給することができる。よって、発電装置181の発電能力を十分小さいものに設定することができるので、副電源部11の構成を小型化することができる。
【0094】
なお、本構成例に係る副電源部として、図13〜図15に示すように、発電装置181を省略して、予めチャージアップされたコンデンサからなる電荷蓄積部182のみを備えた構成を適用してもよい。
図13〜図15において、電荷蓄積部182は、正極端子EL(+)及び負極端子EL(−)からデバイスDVCにコントローラCNTへのコントローラ電力及び負荷LDへの負荷駆動電力を常時供給できる機能に加え、必要に応じてスイッチ183aにより出力制御部14に電力を供給する機能を有する。
【0095】
また、コントローラCNTは、デバイスDVCの操作者の操作又は何らかの理由によりデバイスDVCが起動すると、スイッチLSがオンして負荷LDに電力を供給させる機能を有する。
動作制御部13は、電荷蓄積部182の電荷の蓄積状態を検知する機能を有し、負荷LDの駆動状態に関わらず、電荷蓄積部182の電荷の蓄積量が十分でない場合に限り、スイッチ183aをオンさせて出力制御部14を駆動させて主発電部12を起動させる。
【0096】
このような構成において、図13では、デバイスDVCの負荷LDが駆動せず待機状態のためにスイッチLSがオフし、電荷蓄積部182がコントローラCNTに電力を供給している状況を示している。このとき、電荷蓄積部182は、所定量の電力を供給できるだけの電荷を充電しているので、動作制御部13はスイッチ183aをオフさせている。
【0097】
また、図14では、同様に待機状態であるが、動作制御部13が電荷蓄積部182の充電量が所定の量より減ったことを検知して、スイッチ183aをオンした状況を示し、出力制御部14が、電荷蓄積部182からの電力で駆動を開始して、燃料パック20から主発電部12に所定の量の燃料等を供給するとともに、主発電部12のヒータを所定の時間中に所定の温度になるように主発電部12に電力を供給する。これにより、主発電部12は電力を発電し、電荷蓄積部182は、この電力により電荷を蓄積する充電モードになるとともに、コントローラCNTを駆動し続けるために待機電力放電モードを維持し続ける。そして、この状態から、電荷蓄積部182に所定量の電荷が蓄積された場合には、上述した図13に示したように、動作制御部13がスイッチ183aをオフ状態に切り替える。
【0098】
また、図15では、デバイスDVCの操作者の操作又はその他の何らかの理由によりデバイスDVCが起動することを検知したコントローラCNTにより、スイッチLSをオンした状況を示し、デバイスDVCの負荷LD及びコントローラCNTでの電力消費に伴い、動作制御部13が電荷蓄積部182に蓄積された電荷量が所定の量より減ったと検知すると、動作制御部13が起動制御部として機能するスイッチ183aをオンして、出力制御部14が駆動して主発電部12を発電させて電荷蓄積部182を充電する。そして、電荷蓄積部182に電荷が十分に蓄積されれば、動作制御部13がその状態を検知してスイッチ183aをオフして主発電部12の発電及び動作制御部13の駆動を停止させる。
【0099】
なお、動作制御部13がスイッチ183aをオンしなければならないと検知したときの電荷蓄積部182の充電量に相当するしきい値と、スイッチ183aをオフしなければならないと検知したときの電荷蓄積部182の充電量に相当するしきい値と、は互いにほぼ等しくなるように設定してもよく、また、スイッチ183aをオフするときのしきい値が大きくなるように設定してもよい。
【0100】
このような構成を有する電源システムにおいては、主に、副電源部自体が発電する機能を有していない点、主発電部12が負荷LDの駆動状況に関わらず電荷蓄積部182の充電状態に応じて発電する点、動作制御部13が電荷蓄積部182の充電状態を検知してスイッチ183aを制御している点、電荷蓄積部182がデバイスDVCに電力を供給する点で、図12に示した上述の電源システムとは構成及び機能動作が異なる。そして、このような構造を有していることにより、デバイスDVCのコントローラCNTから負荷駆動情報を得ることなく、電荷蓄積部182の電荷の蓄積状態のみで主発電部12が発電及び発電の停止を制御すればよいので、負荷駆動情報を入力するための端子部ELxが不要となり、二電極端子構造を採用することができるので、一般の電池との互換性に優れているという効果をもたらし、さらに、副電源部としての電荷蓄積部182は、主発電部12が停止している間、継続的に燃料パック20の燃料を消費して発電することがないので、無駄に燃料パック20の燃料を浪費しないという効果も有している。また、デバイスDVCもコントローラCNTから電源システムに対して負荷駆動情報を提供する回路を備える必要もないという利点を有している。
【0101】
次いで、本構成例に係る電荷蓄積型の副電源部を有するさらに別の電源システムを図16〜図18に示す。
図16〜図18において、電荷蓄積部182は、正極端子EL(+)及び負極端子EL(−)からデバイスDVCに対して、コントローラCNTへのコントローラ電力を常時供給する機能に加え、必要に応じてスイッチ183bを介して出力制御部14に電力を供給して、主発電部12を駆動させる機能を有する。
【0102】
また、コントローラCNTは、デバイスDVCの操作者の操作又は何らかの理由によりデバイスDVCが起動すると、スイッチLSがオンして負荷LDに電力を供給させる機能を有する。
動作制御部13は、電荷蓄積部182の電荷の蓄積状態を検知する機能を有し、負荷LDの駆動状態に関わらず、電荷蓄積部182の電荷の蓄積量が十分でない場合に限り、スイッチ183bをオンさせて出力制御部14を駆動させて主発電部12で発電させ、また、スイッチ183cをオンさせて主発電部12で発生した電力を電荷蓄積部182の電力とともに、コントローラCNTへのコントローラ電力及び負荷LDへの負荷駆動電力として出力させる。
【0103】
このような構成において、図16では、デバイスDVCが待機状態において、電荷蓄積部182が十分な電荷を蓄積していると動作制御部13が判断している場合に、動作制御部13がスイッチ183(スイッチ183b及びスイッチ183c)をオフして、主発電部12及び出力制御部14の駆動を停止させ、電荷蓄積部182がコントローラCNTに電力を供給している状況を示している。
【0104】
また、図17では、デバイスDVCが待機状態において、電荷蓄積部182に蓄積されている電荷が所定量まで減衰し、かつ、負荷LDが駆動していないために減衰の進行が緩やかであると動作制御部13が判断した場合に、動作制御部13がスイッチ183bをオンさせるとともにスイッチ183cをオンさせて、出力制御部14へ駆動電力を電荷蓄積部182から供給することにより、出力制御部14及び主発電部12を駆動させ、主発電部12で発生した電力で電荷蓄積部182に電荷を蓄積する状況を示している。このとき、出力制御部14は、電荷蓄積部182からの電力で駆動を開始して、燃料パック20から主発電部12に所定の量の燃料等を供給するとともに、主発電部12のヒータを所定の時間中に所定の温度になるように主発電部12に電力を供給する。また、この間、電荷蓄積部182は、常にコントローラCNTに電力を供給している。そして、この状態から電荷蓄積部182に所定量の電荷が蓄積され場合には、上述した図16に示したように、動作制御部13がスイッチ183(スイッチ183b及びスイッチ183c)をオフ状態に切り替える。
【0105】
また、図18では、コントローラCNTがスイッチLSをオンして負荷LDが駆動した状態において、電荷蓄積部182に蓄積されている電荷が所定量まで減衰し、かつ、負荷LDが駆動していているためにその減衰の進行が早いと動作制御部13が判断した場合に、動作制御部13は、スイッチ183bをオンさせて、出力制御部14を駆動させて主発電部12で発電させるとともに、スイッチ183cをオンさせて、主発電部12で発生した電力を電荷蓄積部182からの電力とともに、コントローラCNTへのコントローラ電力及び負荷LDへの負荷駆動電力として出力する状況を示している。このときの主発電部12での単位時間当たりに発生する電力量は、図17に示した電荷蓄積部182への電荷蓄積(充電)時より大きくなるように設定してもよい。
【0106】
<主発電部12>
本実施形態に係る発電モジュールに適用される主発電部12は、図3に示したように、動作制御部13による起動制御に基づいて、燃料パック20Aから供給される発電用燃料FLが有する物理的又は化学的エネルギー等を用いて、デバイスDVC(負荷LD)を駆動するために必要な所定の電力(第1の電力)を発生する構成を有している。主発電部12の具体的な構成としては、例えば、燃料パック20Aから供給される発電用燃料FLを用いた電気化学反応によるもの(燃料電池)や、燃焼反応に伴う熱エネルギーによるもの(温度差発電)、燃焼反応等に伴う圧力エネルギーを用いて発電器を回転させて電力を発生する力学的なエネルギー変換作用等によるもの(内燃、外燃機関発電)、また、発電用燃料FLの流体エネルギーや熱エネルギーを電磁誘導の原理等を利用して電力に変換するもの(電磁流体力学発電、熱音響効果発電等)等、種々の形態を適用することができる。
【0107】
ここで、主発電器12により生成される電力(第1の電力)は、デバイスDVC全体の各種機能(負荷LD)の駆動を行う主電源であるため、駆動電力特性が高く設定される。したがって、上述した副電源部11(電荷蓄積部182)が、デバイスDVCのコントローラ電力や動作制御部13、出力制御部14、主発電部12への動作電力等を供給するものであって、主発電部12が負荷LDへ負荷駆動電力を供給する場合において、副電源部11の供給するる電力(第2の電力)と、主発電部12の供給する電力とはその性質を互いに異にする。
【0108】
以下に、各々の具体例について、図面を参照して簡単に説明する。
(主発電部の第1の構成例)
図19は、本実施形態に係る発電モジュールに適用可能な主発電部の第1の構成例を示す概略構成図であり、図20は、本構成例に係る主発電部に適用される燃料改質部における水素生成過程を示す概念図である。ここでは、上述した電源システムの構成(図3)を適宜参照しながら説明する。
第1の構成例においては、主発電部の具体例として、燃料パック20Aから出力制御部14を介して供給される発電用燃料FLを用い、電気化学反応により電力を発生する燃料改質方式を採用した固体高分子型の燃料電池の構成を有している。
【0109】
図19に示すように、主発電部12Aは、大別して、燃料パック20Aから供給される発電用燃料FLに対して所定の改質反応を利用して、発電用燃料FLに含有される所定の燃料成分(水素)を抽出する燃料改質部(燃料改質器)210aと、燃料改質部210aにより抽出された燃料成分を利用して電気化学反応により、負荷214(デバイスDVC又は負荷LD)を駆動するための所定の電力(第1の電力)を発生する燃料電池本体210bと、を有して構成されている。
【0110】
燃料改質部210aは、図20(a)に示すように、概略、燃料パック20Aから出力制御部14を介して供給される発電用燃料FLに対して、蒸発及び水蒸気改質反応からなる各過程を介して、燃料成分を抽出し、燃料電池本体210bに供給する。例えば、メタノール(CHOH)及び水(HO)を発電用燃料FLとして、水素ガス(H)を生成する場合にあっては、まず、蒸発過程において、液体燃料であるメタノール及び水に対して出力制御部14により制御されたヒータで概ね沸点程度の温度条件の雰囲気に設定することにより、メタノール(CHOH)及び水(HO)を気化させる。
【0111】
次いで、水蒸気改質反応過程においては、上記気化したメタノール(CHOH)及び水(HO)に対してヒータで概ね300℃の温度条件の雰囲気を設定することにより、49.4kJ/molの熱エネルギーを吸熱して、次の化学反応式(3)に示すように、水素(H)と微量の二酸化炭素(CO)が生成される。なお、この水蒸気改質反応においては、水素(H)と二酸化炭素(CO)以外に副生成物として微量の一酸化炭素(CO)が生成される場合がある。
CHOH+HO → 3H+CO ・・・(3)
【0112】
ここで、図20(b)に示すように、水蒸気改質反応において副生成物として生成される一酸化炭素(CO)を除去するための選択酸化触媒部210cを燃料改質部210aの後段に付設して、水性シフト反応及び選択酸化反応からなる各過程を介して、一酸化炭素(CO)を二酸化炭素(CO)及び水素(H)に変換して、有害物質の排出を抑止するように構成してもよい。具体的には、水性シフト反応過程において、一酸化炭素(CO)に対して水(水蒸気;HO)を反応させることにより40.2kJ/molの熱エネルギーを発熱して、次の化学反応式(4)に示すように、二酸化炭素(CO)と水素(H)が生成される。
CO+HO →CO+H ・・・(4)
【0113】
さらに、選択酸化反応過程において、水性シフト反応により二酸化炭素(CO)と水素(H)に変換されなかった一酸化炭素(CO)に対して酸素(O)を反応させることにより283.5kJ/molの熱エネルギーを発熱して、次の化学反応式(5)に示すように、二酸化炭素(CO)が生成される。
CO+(1/2)O →CO ・・・(5)
【0114】
上記一連の燃料改質反応により生成される水素以外の微量の生成物(主に、二酸化炭素)は、発電モジュール10Aに設けられた排出孔(図示を省略;具体構成例において後述する)を介して、大気中に排出される。
なお、このような機能を有する燃料改質部の具体的な構成については、他の構成とともに、後述する具体構成例において詳しく説明する。
【0115】
燃料電池本体210bは、図19に示すように、上述した副電源部11に適用される燃料直接供給方式の燃料電池と同様に、概略、例えば、白金やパラジウム、さらには白金・ルテニウム等の触媒微粒子が付着した炭素電極からなる燃料極(カソード)211と、白金等の触媒微粒子が付着した炭素電極からなる空気極(アノード)212と、燃料極211と空気極212の間に介装されたフィルム状のイオン導電膜(交換膜)213と、を有して構成されている。ここで、燃料極211には、後述する出力制御部14により供給量が制御された発電用燃料FLから、上記燃料改質部210aにより抽出された水素ガス(H)が供給され、一方、空気極212には大気中の酸素ガス(O)が供給される。これにより、以下に示す電気化学反応により発電が行われ、負荷214(デバイスDVCの負荷LD)に対して所定の駆動電力(電圧・電流)となる電力が供給される。また、必要に応じて燃料電池本体210bで生成された電力の一部が燃料制御部14a及び/又はヒータ制御部14eに供給される。
【0116】
本構成例に係る主発電部12における電気化学反応の一例は、具体的には、燃料極211に水素ガス(H)が供給されると、次の化学反応式(6)に示すように、燃料極211における触媒反応により電子(e)が分離して水素イオン(プロトン;H)が発生し、イオン導電膜213を介して空気極212側に通過するとともに、燃料極211を構成する炭素電極により電子(e)が取り出されて負荷214に供給される。
3H → 6H+6e ・・・(6)
【0117】
一方、空気極212に空気が供給されると、次の化学反応式(7)に示すように、空気極212における触媒反応により負荷214を経由した電子(e)とイオン導電膜213を通過した水素イオン(H)と空気中の酸素ガス(O)が反応して水(HO)が生成される。
6H+(3/2)O+6e → 3HO ・・・(7)
【0118】
このような一連の電気化学反応(化学反応式(6)及び(7))は、概ね60〜80℃の比較的低温の環境下で進行し、電力(負荷駆動電力)以外の副生成物は、基本的に水(HO)のみとなる。ここで、空気極212において生成される副生成物である水(HO)を回収し、上述した燃料改質部210aに必要量を供給することにより、発電用燃料FLの燃料改質反応や水性シフト反応に再利用することができるとともに、燃料改質反応のために燃料パック20Aに予め備蓄(封入)される水(HO)の量を大幅に減らすことができ、さらには、燃料パック20内に設けられた副生成物を回収する副生成物回収手段への回収量を大幅に減らすことができる。なお、空気極212で発生する水(HO)等の副生成物を回収、再利用する副生成物回収手段の構成については、上述した副電源部11における副生成物回収手段とともに併せて後述する。
【0119】
なお、上述したような電気化学反応により生成され、負荷214に供給される電力は、主発電部12A(燃料電池本体210bの燃料極211)に供給される水素ガス(H)の量に依存する。したがって、出力制御部14を介して主発電部12に供給される発電用燃料(実質的には水素ガス)FLの量を制御することにより、デバイスDVCに供給される電力を任意に調整することができ、例えば、汎用の化学電池のうちの1種と同等になるように設定することができる。
【0120】
このような構成を有する燃料改質方式の燃料電池を主発電部に適用することにより、出力制御部14により発電用燃料FLの供給量を制御することにより、より効果的に任意の電力を発生することができるので、負荷駆動情報に基づいて、デバイスDVC(負荷LD)の駆動状態に応じた適切な発電動作を実現することができる。また、燃料電池としての構成を適用することにより、電気化学反応により発電用燃料FLから直接電力を発生することができるので、極めて高い発電効率を実現することができ、発電用燃料FLの有効利用や主発電部12を含む発電モジュール10Aの小型化を図ることができる。
【0121】
なお、上述した副電源部(第1の構成例参照)11と同様に、発電用燃料FLとしてメタノールを適用した場合についてのみ示したが、本発明はこれに限定されるものではなく、少なくとも、水素元素を少なくとも含む液体燃料又は液化燃料又は気体燃料であればよい。したがって、メタノールやエタノール、ブタノール等のアルコール系の液体燃料や、ジメチルエーテルやイソブタン、天然ガス等の常温常圧で気化される炭化水素からなる液化燃料、あるいは、水素ガス等の気体燃料等を良好に適用することができる。
【0122】
ここで、発電用燃料FLとして、液化された水素や水素ガスをそのまま利用する場合にあっては、本構成例に示したような燃料改質部210aを必要とすることなく、出力制御部14により供給量のみを制御した発電用燃料FLを、燃料電池本体210bに直接供給する構成を適用することができる。また、主発電部12の構成として、燃料改質方式の燃料電池のみを示したが、本発明はこれに限定されるものではなく、上述した副電源部(第1の構成例参照)11と同様に、電力発生効率は低いが燃料直接供給方式の燃料電池を適用して、上記液体燃料や液化燃料、気体燃料等を用いて電力を発生するものであってもよい。
【0123】
(主発電部の第2の構成例)
図21は、本実施形態に係る発電モジュールに適用可能な主発電部の第2の構成例を示す概略構成図である。
第2の構成例においては、主発電部の具体例として、燃料パック20Aから出力制御部14を介して供給される発電用燃料FLを用い、燃焼反応に伴う圧力エネルギーによりガス燃焼タービン(内燃機関)を駆動し、その駆動エネルギーを電力に変換する発電装置としての構成を有している。
【0124】
図21(a)、(b)に示すように、本構成例に係る主発電部12Bは、概略、複数の羽根が円周の所定の方向に沿って湾曲しつつ、略放射状に配列された吸気羽根222in及び排気羽根222outが連結して、自在に回転が可能なように構成された可動羽根222と、複数の羽根が可動羽根222(吸気羽根222in及び排気羽根222out)の外周側に沿って、可動羽根222とは逆方向に湾曲しつつ、略放射状に配列され、かつ、可動羽根222に対して相対的に固定された吸気羽根223in及び排気羽根223outからなる固定羽根223と、可動羽根222により吸入された発電用燃料(燃料ガス)FLを所定のタイミングで燃焼する燃焼室224と、燃焼室224に吸入された燃料ガスに点火する点火部225と、可動羽根222の回転中心に直結され、周知の電磁誘導あるいは圧電変換の原理に基づいて、可動羽根222の回転エネルギーを電力に変換する発電器228と、可動羽根222と固定羽根223からなるガス燃焼タービンへの気化された燃料ガスの供給(吸入)を制御する吸気制御部226と、ガス燃焼タービンにおける燃焼後の燃料ガス(排出ガス)の排出を制御する排気制御部227と、を有して構成されている。ここで、ガス燃焼タービン、吸気制御部226及び排気制御部227を備えた主発電部12Bの構成は、上述した副電源部11と同様に、マイクロマシン製造技術を適用することにより、例えば、シリコンチップ221上のミリメートルオーダーの微小空間に集積化して形成することができる。なお、図21(a)においては、ガス燃焼タービンの構成を明確にするために、吸気羽根222in、223inが便宜的に露出するように示した。
【0125】
このような主発電部12Bにおいて、例えば、図21(b)に示すように、吸気制御部226を介してガス燃焼タービンの吸気羽根222in、223in側から吸入した燃料ガスを、燃焼室224において所定のタイミングで点火部225で点火、燃焼し、排気羽根222out、223out側から排出することにより(矢印P5)、可動羽根222及び固定羽根223の湾曲方向に沿って燃料ガスの渦流が生じ、該渦流によって、燃料ガスの吸入、排出が自動的に行われて、可動羽根222が所定の方向に連続的に回転し、発電器228を駆動する。これにより、燃料ガスによる燃料エネルギーがガス燃焼タービン及び発電器228を介して電力に変換される。
【0126】
したがって、本構成例に係る主発電部12Bにおいては、燃料ガスの燃焼エネルギーを用いて電力を発生する構成を有しているので、燃料パック20Aから供給される発電用燃料(燃料ガス)FLは、少なくとも、発火性又は燃焼性を有することが要であり、例えば、メタノールやエタノールブタノール等のアルコール系の液体燃料やジメチルエーテルやイソブタン、天然ガス等の常温常圧で気化される炭化水素からなる液化燃料、水素ガス等の気体燃料を良好に適用することができる。
なお、燃焼後の燃料ガス(排出ガス)を電源システム1の外部にそのまま排出する構成を適用する場合にあっては、排出ガスが燃焼性又は毒性がある成分を含む場合は、排出ガスを外部に排出する前に難燃化や無毒化する処理を行うか、該排出ガスを回収する手段を備える必要があることはいうまでもない。
【0127】
このような構成を有するガス燃焼タービンを主発電部に適用することにより、上述した第1の構成例と同様に、発電用燃料FLの供給量を調整する簡易な制御方法により、任意の電力を発生することができるので、デバイスDVCの駆動状態に応じた適切な発電動作を実現することができる。また、微細化したガス燃焼タービンとしての構成を適用することにより、比較的高いエネルギー変換効率で電力を発生して、発電用燃料FLの有効利用を図りつつ、主発電部12を含む発電モジュール10Aの小型化を図ることができる。
【0128】
(主発電部の第3の構成例)
図22は、本実施形態に係る発電モジュールに適用可能な主発電部の第3の構成例を示す概略構成図である。
第3の構成例においては、主発電部の具体例として、燃料パック20Aから出力制御部14を介して供給される発電用燃料FLを用い、燃焼反応による圧力エネルギーによりロータリーエンジン(内燃機関)を駆動し、その駆動エネルギーを電力に変換する発電装置としての構成を有している。
【0129】
図22に示すように、第3の構成例に係る主発電部12Cは、外周が概略、楕円型の作動空間231aを有するハウジング231、及び、作動空間231aの内壁に沿って偏心しながら回転する略三角形状の断面を有するローター232、圧縮された燃料ガスを点火、燃焼させる点火部234を備えた周知のロータリーエンジンと、中心軸233に直結された発電器(図示を省略)と、を有して構成されている。ここで、ロータリーエンジンからなる主発電部12Cの構成は、上述した各構成例と同様に、マイクロマシン製造技術を適用することにより、微小空間に集積化して形成することができる。
【0130】
このような構成を有する主発電部12Cにおいて、ローター232が回転することによる吸気、圧縮、燃焼(爆発)、排気の各行程を繰り返すことにより、燃料ガスの燃焼により生じる圧力エネルギーを回転エネルギーに変換して発電器に伝達する。すなわち、吸気行程においては、図22(a)に示すように、吸気口235aから燃料ガスが吸入されて、作動空間231aの内壁とローター232により形成される所定の作動室ASに充填され、次いで、圧縮行程において、図22(b)に示すように、作動室AS内の燃料ガスが高い圧力に圧縮された後、燃焼行程において、図22(c)に示すように、所定のタイミングで点火部234により燃料ガスを点火、燃焼(爆発)させ、排気行程において、図22(d)に示すように、燃焼後の排出ガスが作動室ASから排気口235bを介して排出される。この一連の駆動行程において、燃焼行程における燃料ガスの爆発、燃焼に伴う圧力エネルギーにより、ローター232の所定方向(矢印P6)への回転が維持されて、中心軸233への回転エネルギーの伝達が継続される。これにより、燃料ガスによる燃焼エネルギーが中心軸233の回転エネルギーに変換されて、該中心軸233に接続された発電器(図示を省略)により電力に変換される。
【0131】
ここで、発電器の構成は、上述した第2の構成例と同様に、電磁誘導や圧電変換による周知の発電器を適用することができる。
また、本構成例においても、燃料ガスの燃焼エネルギーに基づいて、電力を発生する構成を有しているので、発電用燃料(燃料ガス)FLは、少なくとも、発火性又は燃焼性を有することを必要とする。また、燃焼後の燃料ガス(排出ガス)を電源システム1の外部にそのまま排出する構成を適用する場合にあっては、排出ガスが燃焼性又は毒性がある成分を含む場合は、排出ガスを外部に排出する前に難燃化や無毒化する処理を行うか、該排出ガスを回収する手段を備える必要があることはいうまでもない。
【0132】
このような構成を有するロータリーエンジンを主発電部に適用することにより、上述した各構成例と同様に、発電用燃料FLの供給量を調整する簡易な制御方法により、任意の電力を発生することができるので、デバイスの駆動状態に応じた適切な発電動作を実現することができる。また、微細化したロータリーエンジンとしての構成を適用することにより、比較的簡易な構成、かつ、振動の少ない動作により電力を発生しつつ、主発電部12を含む発電モジュール10Aの小型化を図ることができる。
【0133】
(主発電部の第4の構成例)
図23は、本実施形態に係る発電モジュールに適用可能な主発電部の第4の構成例を示す概略構成図である。ここでは、第4の構成例に適用される周知のスターリングエンジンの基本構造(2ピストン形、ディスプレーサ形)のみを示し、その動作を簡単に説明する。
第4の構成例においては、主発電部の具体例として、燃料パック20Aから出力制御部14を介して供給される発電用燃料FLを用い、燃焼反応による熱エネルギーによりスターリングエンジン(外燃機関)を駆動し、その駆動エネルギーを電力に変換する発電装置としての構成を有している。
【0134】
第4の構成例に係る主発電部12Dにおいて、2ピストン形スターリングエンジンは、図23(a)に示すように、概略、互いに作動ガスが往復可能に構成された高温(膨張)側のシリンダ241a及び低温(圧縮)側のシリンダ242a、これらのシリンダ241a、242a内にあって、互いに90°の位相差を有して往復運動するようにクランク軸243に接続された高温側ピストン241b及び低温側ピストン242b、高温側のシリンダ241aを加熱する加熱器244、低温側のシリンダ242aを冷却する冷却器245、クランク軸243の軸芯に接続されたフライホイール246を備えた周知のスターリングエンジンと、クランク軸243に直結された発電器(図示を省略)と、を有して構成されている。
【0135】
このような構成を有する主発電部12Dにおいては、高温側のシリンダ241aを燃料ガスの燃焼に伴う熱エネルギーにより常時加熱し、低温側のシリンダ242aを外気等、電源システム1内外の他の領域に接触又は晒されることにより常時冷却した状態に保持し、等容加熱、等温膨張、等容冷却、等温圧縮の各行程を繰り返すことにより、高温側ピストン241b及び低温側ピストン242bを往復運動させる運動エネルギーを、クランク軸243の回転エネルギーに変換して発電器に伝達する。
【0136】
すなわち、等容加熱行程においては、作動ガスの熱膨張を開始して高温側ピストン241bが下降し始めると、高温側シリンダ241aと連続した空間である小さい容積の低温側のシリンダ242aは、高温側ピストン241bの急下降に伴う減圧により低温側ピストン242bが上昇し、低温側シリンダ242aの冷却した作動ガスが高温側シリンダ241aに流入する。次いで、等温膨張行程においては、高温側シリンダ241a内に流入された冷却された作動ガスは、十分熱膨張して高温側シリンダ241a及び低温側のシリンダ242a内の空間の圧力を上昇し、高温側ピストン241b及び低温側ピストン242bがともに下降する。次いで、等容冷却行程においては、低温側ピストン242bの下降により低温側シリンダ242a内の空間が増大され、それに伴い高温側シリンダ241a内の空間が収縮して高温側ピストン241bが上昇し、高温側シリンダ241aの作動ガスが低温側シリンダ242aに流入して冷却される。そして、等温圧縮行程においては、低温側シリンダ242a内の空間を満たす冷却された作動ガスは収縮し、連続した低温側シリンダ242a及び高温側シリンダ241a内の空間はともに減圧され、高温側ピストン241b及び低温側ピストン242bがともに上昇して、作動ガスが圧縮される。この一連の駆動行程において、燃料ガスの加熱、冷却に伴うピストンの往復運動により、クランク軸243の所定方向(矢印P7)への回転が維持される。これにより、作動ガスの圧力エネルギーがクランク軸243の回転エネルギーに変換されて、該クランク軸243に接続された発電器(図示を省略)により電力に変換される。
【0137】
一方、第4の構成例に係る主発電部12Dにおいて、ディスプレーサ形スターリングエンジンは、図23(b)に示すように、概略、ディスプレーサピストン241dにより隔壁され、互いに作動ガスが往復可能な高温空間と低温空間を有するシリンダ241c、このシリンダ241c内にあって、往復運動可能に構成されたディスプレーサピストン241d、シリンダ241c内の圧力変化に応じて往復運動するパワーピストン242d、ディスプレーサピストン241d及びパワーピストン242dが互いに90°の位相差を有するように接続されたクランク軸243、シリンダ241cの一端側(高温空間側)を加熱する加熱器244、シリンダ241cの他端側(低温空間側)を冷却する冷却器245、クランク軸243の軸芯に接続されたフライホイール246を備えた周知のスターリングエンジンと、クランク軸243に直結された発電器(図示を省略)と、を有して構成されている。
【0138】
このような構成を有する主発電部12Dにおいては、シリンダ241cの高温空間側を燃料ガスの燃焼に伴う熱エネルギーにより常時加熱し、低温空間側を常時冷却した状態に保持し、等容加熱、等温膨張、等容冷却、等温圧縮の各行程を繰り返すことにより、ディスプレーサピストン241d及びパワーピストン242dを所定の位相差で往復運動させる運動エネルギーを、クランク軸243の回転エネルギーに変換して発電器に伝達する。
【0139】
すなわち、等容加熱行程においては、ディスプレーサピストン241dが加熱器244による作動ガスの熱膨張が開始し上昇し始めると、低温空間側の作動ガスが高温空間側に流入して加熱される。次いで、等温膨張行程においては、増量した高温空間側の作動ガスが熱膨張して圧力が上昇することにより、パワーピストン242dが上昇する。次いで、等容冷却行程においては、加熱器244による熱膨張した作動ガスの低温空間側への流入によりディスプレーサピストン241dが下降すると、高温空間側の作動ガスが低温空間側に流入して冷却される。そして、等温圧縮行程においては、低温空間側のシリンダ241c内で冷却された作動ガスが収縮して低温空間側のシリンダ241c内を減圧し、パワーピストン242dが下降する。この一連の駆動行程において、作動ガスの加熱、冷却に伴うピストンの往復運動により、クランク軸243の所定方向(矢印P7)への回転が維持される。これにより、作動ガスの圧力エネルギーがクランク軸243の回転エネルギーに変換されて、該クランク軸243に接続された発電器(図示を省略)により電力に変換される。
【0140】
ここで、発電器の構成は、上述した第2、第3の構成例と同様に、電磁誘導や圧電変換による周知の発電器を適用することができる。また、図23に示したスターリングエンジンを備えた主発電部12Dの構成も、上述した各構成例と同様に、微小空間に集積化して形成される。さらに、本構成例においても、燃料ガスの燃焼に伴う熱エネルギーに基づいて、電力を発生する構成を有しているので、発電用燃料(燃料ガス)は、少なくとも、発火性又は燃焼性を有している必要がある。
【0141】
このような構成を有するスターリングエンジンを主発電部に適用することにより、上述した第3の構成例と同様に、発電用燃料FLの供給量を調整する簡易な制御方法により、任意の電力を発生することができるので、デバイスDVC(負荷LD)の駆動状態に応じた適切な発電動作を実現することができる。また、微細化したスターリングエンジンとしての構成を適用することにより、比較的簡易な構成、かつ、振動の少ない動作により電力を発生しつつ、主発電部12を含む発電モジュール10Aの小型化を図ることができる。
【0142】
なお、上述した第2乃至第4の構成例においては、発電用燃料FLの燃焼反応に基づくガス圧力の変化を回転エネルギーを介して電力に変換する発電装置として、ガス燃焼タービン、ロータリーエンジン及びスターリングエンジンを備えたものを示したが、本発明はこれに限定されるものではなく、パルス燃焼エンジン等の各種の内燃機関又は外燃機関と、周知の電磁誘導あるいは圧電変換の原理を利用した発電器とを組み合わせたものを適用できることはいうまでもない。
【0143】
(主発電部の第5の構成例)
図24は、本実施形態に係る発電モジュールに適用可能な主発電部の第5の構成例を示す概略構成図である。
第5の構成例においては、主発電部の具体例として、燃料パック20Aから出力制御部14を介して供給される発電用燃料FLを用い、燃焼反応(酸化反応)に基づいて熱エネルギーを発生することにより生じる温度差を利用した熱電変換発電により電力を発生する発電装置としての構成を有している。
【0144】
図24(a)に示すように、第5の構成例に係る主発電部12Eは、概略、発電用燃料FLを燃焼反応(酸化反応)させて熱エネルギーを発生させる燃焼加熱器251と、概ね一定の温度を保持する定温部252と、燃焼加熱器251を第1の温度端、定温部252を第2の温度端として、第1及び第2の温度端間に接続された熱電変換素子253と、を備えた温度差発電器の構成を有している。ここで、熱電変換素子253は、図8(b)に示したものと同等の構成を有している。また、燃焼加熱器251は、発電用燃料FLが供給されることにより、燃焼反応を継続的に維持して高温を保持し、一方、定温部252は、電源システム1内外の他の領域に接触又は晒されることにより、略一定の温度(例えば、常温又は低温)を保持するように構成されている。なお、図24に示した温度差発電器からなる主発電部12Eの構成も、上述した各構成例と同様に、微小空間に集積化して形成される。
【0145】
このような構成を有する主発電部12Eにおいて、図24(b)に示すように、燃料パック20Aに封入された発電用燃料が出力制御部14を介して、燃焼加熱器251に供給されると、発電用燃料の供給量に応じて燃焼(酸化)反応が進行して発熱し、燃焼加熱器251の温度が上昇する。一方、定温部252の温度は、ほぼ一定に設定されるように構成されているので、燃焼加熱器251と定温部252との間には温度差が発生する。そして、この温度差に基づいて、熱電変換素子253におけるゼーベック効果により、所定の起電力が発生して電力が生成される。
【0146】
このような構成を有する温度差発電器を主発電部に適用することにより、上述した各構成例と同様に、発電用燃料FLの供給量を調整する簡易な制御方法により、任意の電力を発生することができるので、デバイスDVC(負荷LD)の駆動状態に応じた適切な発電動作を実現することができる。また、微細化した温度差発電器としての構成を適用することにより、比較的簡易な構成、かつ、振動のない動作により電力を発生しつつ、主発電部12を含む発電モジュール10Aの小型化を図ることができる。
なお、本構成例においては、燃焼加熱器251と定温部252における温度差に基づいて、ゼーベック効果により電力を発生する温度差発電器について説明したが、本発明は、これに限定されるものではなく、熱電子放出現象に基づいて、電力を発生する構成を有するものであってもよい。
【0147】
(主発電部の第6の構成例)
図25は、本実施形態に係る発電モジュールに適用可能な主発電部の第6の構成例を示す概略構成図である。
第6の構成例においては、主発電部の具体例として、燃料パック20Aから出力制御部14を介して供給される発電用燃料FLを用い、電磁流体力学の原理により電力(起電力)を発生する発電装置としての構成を有している。
【0148】
図25(a)に示すように、第6の構成例に係る主発電部12Fは、概略、導電性流体からなる発電用燃料FLが所定の流束で通過する流路の側壁を構成し、相互に対向する一対の電極ELa、ELbと、電極ELa、ELbの対向方向及び発電用燃料FLの流路方向のいずれにも垂直な方向に所定の強さの磁界を発生するNd−Fe−B系のネオジム永久磁石からなる磁界発生手段MGと、各電極ELa、ELbに個別に接続された出力端子Oc、Odと、を備えたMHD(Magneto-Hydro-Dynamics;電磁流体力学)発電器の構成を有している。ここで、発電用燃料FLは、プラズマや液体金属、導電性物質を含有する液体又は気体等の導電性流体(作動流体)であって、電極ELa、ELbに平行な方向(矢印P8)に流動するように流路が形成されている。なお、本構成例に係る主発電部12Fにおいても、上述した各構成例と同様に、マイクロマシン製造技術を適用して、微小空間に集積化して形成される。
【0149】
このような構成を有する主発電部12Fにおいて、図25(b)に示すように、磁界発生手段MGにより発電用燃料の流路方向に垂直に磁界Bを発生させ、流束uで発電用燃料(導電性流体)FLを流路方向に移動させることにより、ファラデーの電磁誘導の法則に基づいて、発電用燃料FLが磁界を横切るときに起電力u×Bが誘導され、発電用燃料FLが有するエンタルピーが電力に変換され、出力端子Oc、Od間に接続された負荷(図示を省略)に電流が流れる。これにより、発電用燃料FLが有する熱エネルギーが直接電力に変換される。
【0150】
なお、MHD発電器の流路通過後の発電用燃料(導電性流体)FLを電源システム1の外部にそのまま排出する構成を適用する場合にあっては、発電用燃料FLが燃焼性又は毒性がある成分を含む場合は、発電用燃料FLを外部に排出する前に難燃化や無毒化する処理を行うか、該発電用燃料FLを回収する手段を備える必要があることはいうまでもない。
【0151】
このような構成を有するMHD発電器を主発電部に適用することにより、流路を移動する発電用燃料FLの速度を調整する簡易な制御方法により、任意の電力を発生することができるので、デバイスDVCの駆動状態に応じた適切な発電動作を実現することができる。また、微細化したMHD発電器としての構成を適用することにより、駆動部品を必要としない極めて簡易な構成により電力を発生しつつ、主発電部12を含む発電モジュール10Aの小型化を図ることができる。
【0152】
なお、上述した各構成例は、発電モジュール10Aに適用される主発電部12の一例を示したに過ぎず、本発明に係る電源システムの構成を何ら限定するものではない。要するに、本発明に適用される主発電部12は、燃料パック20Aに封入された液体燃料又は液化燃料又は気体燃料が直接的又は間接的に供給されることにより、主発電部12内部で電気化学反応や発熱、吸熱反応に伴う温度差、圧力エネルギーや熱エネルギーの変換作用、電磁誘導等に基づいて電力を発生することができるものであれば、他の構成を有するものであってもよく、例えば、熱音響効果による外力発生手段と電磁誘導や圧電変換による発電器とを組み合わせたもの等を良好に適用することができる。
【0153】
また、上述した各構成例のうち、第2乃至第5の構成例を適用した主発電部12においては、主発電部12に供給された発電用燃料FLを燃焼反応等させて熱エネルギーを取り出す際の点火動作のために、図3に示したように、上述した副電源部11から供給される電力(第2の電力)を起動電力として用いるように構成されている。
【0154】
<動作制御部13>
本実施形態に係る発電モジュールに適用される動作制御部13は、図3に示すように、上述した副電源部11から供給される動作電力(第2の電力)により動作し、本実施形態に係る電源システム1内外の各種情報、すなわち、電源システム1に接続されるデバイスDVC(負荷LD)の駆動状態に応じて変化する供給電力の電圧成分(出力電圧)の変化に関する情報(具体的には、後述する電圧モニタ部16からの検出電圧)に基づいて、動作制御信号を生成、出力し、後述する主発電部12における動作状態を制御する。
【0155】
すなわち、動作制御部13は、具体的には、主発電部12が動作していない状態で、副電源部11により生成された電力で駆動しており、デバイスDVCに供給されるコントロール電力の電圧変化から負荷LDの起動命令情報を検出した場合に、後述する起動制御部15に対して、出力制御部14を起動させるための動作制御信号を出力し(起動制御)、また、主発電部12が動作している状態で、デバイスDVC(コントローラCNT)に供給されるコントロール電力の電圧変化から負荷LDの駆動に必要な電力と主発電部12から負荷LDに出力される電力との間に差が生じている情報を検出した場合には、後述する出力制御部14に対して、主発電部12により生成され、デバイスDVC(負荷LD)に供給される負荷駆動電力が、負荷LDの駆動状態に対応した適切な値となるように、主発電部12における電力の発生量(発電量)を調整するための動作制御信号を出力する(フィードバック制御)。
【0156】
一方、動作制御部13は、主発電部12が動作している状態で、例えば、上記フィードバック制御を実行しているにも関わらず、デバイスDVC(負荷LD)に供給されている負荷駆動電力の電圧変化が、上記フィードバック制御に係る所定の電圧範囲を逸脱して過剰となる状態を所定の時間継続して検出した場合には、起動制御部15に対して、出力制御部14の動作を停止させるための動作制御信号を出力する(緊急停止制御)。
また、動作制御部13は、主発電部12が動作している状態で、デバイスDVCに供給されるコントロール電力の電圧変化から負荷LDの駆動停止命令情報を検出した場合に、起動制御部15に対して出力制御部14の駆動を停止するための動作制御信号を出力する(通常停止制御)。
【0157】
なお、電源システム1の外形形状として、後述するように、汎用の化学電池と同様に正極と負極の端子電極のみによりデバイスDVC(負荷LD)と電気的に接続された構成を適用する場合にあっては、正極及び負極を介して、デバイスDVCに対して上記コントローラ電力や負荷駆動電力からなる供給電力を供給するとともに、該供給電力の電圧成分の変動を電圧モニタ部16により常時監視することにより、負荷LDの駆動状態を検出するように構成することができる。また、デバイスDVCが、コントローラCNTからデバイスDVC(負荷LD)の駆動状態に関する負荷駆動情報を出力できる構造であれば、電源システム1は、正極と負極の端子電極以外に、負荷駆動情報を入力するための端子が設けられていてもよい。
【0158】
<出力制御部14>
本実施形態に係る発電モジュールに適用される出力制御部14は、図3に示すように、直接又は起動制御部15を介して、動作制御部13から出力される動作制御信号に基づいて、上述した副電源部11から供給される電力(起動電力)により動作し、主発電部12における動作状態(起動動作、定常動作、停止動作、電力の発生量(発電量))を制御する。
【0159】
出力制御部14は、具体的には、例えば、発電用燃料の流量や吐出量を調整する流量調整手段や、主発電部12等に設けられたヒータの温度を調整するヒータ温度調整手段等を備え、上述した各構成例に示した主発電部12において、所定の電力からなる負荷駆動電力を生成、出力するために必要な量の発電用燃料(液体燃料、液化燃料又は気体燃料)の供給及び主発電部12等の各種反応を促進するためのヒータの温度の最適化のために、動作制御信号に基づいて流量調整手段及びヒータ温度調整手段を制御する。
【0160】
なお、図26は、本実施形態に係る電源システムに適用される発電モジュールの一具体例の要部構成を示すブロック図である。
すなわち、上述した実施形態において、主発電部12として上述した第1の構成例(図19参照)に示した燃料改質方式の燃料電池の構成を適用した場合にあっては、図26に示すように、出力制御部14の構成として、動作制御部13からの動作制御信号に基づいて、主発電部12Aに供給される発電用燃料(燃料電池本体210bに供給する水素ガス)の量を制御する燃料制御部14aと、主発電部12Aに供給される空気(燃料電池本体210bに供給される酸素ガス)の量を制御する空気制御部14bと、を備えるようにしてもよい。
【0161】
この場合、燃料制御部14aは、動作制御部13から出力される動作制御信号に基づいて、燃料電池本体210bにおいて、所定の電力(第1の電力)を発生するために必要な量の水素ガス(H)となる分の発電用燃料や水等を、燃料パック20Aから取り込んで燃料改質部210aにより水素ガス(H)に改質して、燃料電池本体210bの燃料極211に供給する制御を行い、また、空気制御部14bは、上記水素ガスを用いた電気化学反応(化学反応式(6)及び(7)参照)に応じた必要な量の酸素ガス(O)を、大気中から取り込んで燃料電池本体210bの空気極212に供給する制御を行う。このような燃料制御部14a及び空気制御部14bにより主発電部12への水素ガス(H)及び酸素ガス(O)の供給量を調整することにより、主発電部12(燃料電池本体210b)における電気化学反応の進行状態が制御され、負荷駆動電力となる電力の発生量(発電量)や出力電圧が制御される。
【0162】
ここで、空気制御部14bは、主発電部12における単位時間当たりの酸素の最大消費量に相当する空気を供給することができるものであれば、主発電部12の空気極212に供給する酸素ガスの量を制御することなく、主発電部12の動作時に常に供給するように設定されていてもよい。すなわち、図26に示した発電モジュール10Aの構成においては、出力制御部14は、電気化学反応の進行状態を燃料制御部14aのみで制御し、空気制御部14bの代わりに後述するような通気孔(スリット)を設け、主発電部12における電気化学反応に用いられる最低限以上の量の空気(酸素)が該通気孔を介して、常時供給されるように構成されているものであってもよい。
【0163】
<起動制御部15>
本実施形態に係る発電モジュールに適用される起動制御部15は、図3に示したように、上述した副電源部11から供給される電力により動作し、動作制御部13から出力される動作制御信号に基づいて、少なくとも、出力制御部14(構成によっては、主発電部12を含む)に対して電力(起動電力)を供給して、主発電部12を待機状態から発電可能な動作状態に移行する起動制御を行う。
【0164】
具体的には、図26に示した構成にあっては、起動制御部15は、主発電部12A(燃料電池本体210b)が動作していない状態で、動作制御部13から主発電部12Aを起動させるための動作制御信号を受け取ると、出力制御部14の燃料制御部14aに対して、副電源部11から出力される起動電力を供給するとともに、出力制御部14のヒータ制御部14eに対して、副電源部11から出力される起動電力を供給する。これにより燃料制御部14aは燃料改質部210aへの燃料等の供給量を制御し、ヒータ制御部14eは、燃料改質部210aのヒータに供給する電力量を調節することによりこのヒータの温度を制御することができる。燃料改質部210aは、内部で燃料等から改質された水素ガス(H)を燃料電池本体210bの燃料極211に供給し、さらに、空気制御部14bが空気極212に酸素ガス(O)を供給することにより、燃料電池本体210bを自動的に起動させて、所定の電力(第1の電力)を発生する動作状態(定常状態)に移行させる。
【0165】
また、起動制御部15は、主発電部12Aが駆動している状態で、動作制御部13から主発電部12A(燃料電池本体210b)を停止させるための動作制御信号を受け取ると、少なくとも、燃料制御部14a、空気制御部14b及びヒータ制御部14eを制御して、燃料電池本体210bへの水素ガス(H)及び酸素ガス(O)の供給を停止することにより、燃料電池本体210bにおける電力の生成(発電)を停止させて、副電源部11、及び、該副電源部11からの電力(動作電力、コントローラ電力)により動作制御部13、後述する電圧モニタ部16及びデバイスDVCのコントローラCNTのみが動作している待機状態に移行させる。
【0166】
なお、ここでは、主発電部12として、燃料改質方式の燃料電池を適用し、起動制御部15により出力制御部14(燃料制御部14a及び空気制御部14b)及び主発電部12Aへの起動電力の供給を制御して、主発電部12Aへの発電用燃料及び空気の供給、遮断を制御することにより、主発電部12Aの動作状態(起動動作、停止動作)を制御する場合について説明したが、上述した他の構成例(例えば、内燃機関や外燃機関等を備えた発電装置)を主発電部12に適用する場合であっても、略同等の制御により、主発電部12の動作状態が制御される。また、主発電部12として、室温で発電可能な燃料直接供給方式の燃料電池を適用する場合、主発電部12内のヒータや燃料改質部210aやヒータ制御部14eが不要となり、発電用燃料の供給、遮断を制御するだけで、主発電部12の発電する電力量を制御することができるので、起動制御部15は、出力制御部14の燃料制御部14aに対してのみ起動電力の供給を制御するものであってもよい。
【0167】
さらに、図3に示した構成においては、起動制御部15及び出力制御部14(図26に示した構成においては、燃料制御部14a)には、副電源部11からの電力が動作電力又は起動電力として供給されるが、主発電部12の定常動作時に出力制御部14等で消費する電力が副電源部11から供給される電力のみでは十分でない場合には、副電源部11からの電力に加えて、主発電部12で生成される電力の一部を出力制御部14等に出力することにより維持することができる(図3、図26中、点線矢印参照)。
【0168】
このとき、電源システムとして、デバイスDVC(負荷LD)に対して負荷駆動電力として供給される電力が損なわれないように、出力制御部14は、出力制御部14自体で消費される電力の上積み分に相当する発電用燃料及びデバイスDVCに供給される電力分に相当する発電用燃料の総量を、主発電部12に供給するように制御する。なお、図26に示した構成にあっては、燃料制御部14aにより、上記発電用燃料の総量を燃料改質部210aを介して燃料電池本体210bの燃料極211に供給するとともに、空気制御部14bにより、燃料電池本体210bにおいて十分な電力を発生(発電)するために必要な酸素量を満たす空気を燃料電池本体210bの空気極212に供給するように制御する。
【0169】
<電圧モニタ部16>
本実施形態に係る発電モジュールに適用される電圧モニタ部16は、図3、図4に示したように、上述した主発電部12により生成され、電源システムに設けられた電極端子EL(詳しくは、後述する正極端子及び負極端子、あるいは、その他の端子)を介して出力される出力電力、すなわち、電極端子ELに接続されたデバイスDVCに対して供給される供給電力によって駆動するデバイスDVCの駆動状況(容量の増減)に応じて変位した電圧成分を検出して動作制御部13に出力する。
【0170】
具体的には、電圧モニタ部16は、デバイスDVCにおける負荷LDが駆動していない状態においては、副電源部11により生成され、電極端子ELを介してデバイスDVC(コントローラCNT)に供給されるコントローラ電力の電圧成分変化を検出し、一方、デバイスDVCにおける負荷LDが駆動している状態においては、実質的に、主発電部12により生成され、電極端子ELを介してデバイスDVC(負荷LD)に供給される負荷駆動電力の電圧成分変化を検出する。これにより、動作制御部13は、該検出電圧に基づいて、後述する電源システムの起動制御、フィードバック制御、停止制御等を実行する。したがって、本実施形態においては、副電源部11又は主発電部12により生成され、デバイスDVCに供給されるコントローラ電力又は負荷駆動電力の各々が、電圧モニタ部16により電圧検出される対象(モニタ電圧)となる。
【0171】
(B)燃料パック
本発明に係る電源システムに適用される燃料パック20Aは、例えば、その組成成分に水素を含有する液体燃料や液化燃料、又は、気体燃料からなる発電用燃料FLが、充填、封入された密閉性の高い燃料貯蔵容器であって、図3に示したように、発電モジュール10Aに対して、I/F部30Aを介して着脱可能に結合された構成、又は、一体的に結合された構成を有している。ここで、燃料パック20Aに封入された発電用燃料FLは、後述するI/F部30Aに設けられた燃料送出経路を介して発電モジュール10Aに取り込まれ、上述した出力制御部14により、デバイスDVCの駆動状態(負荷状態)に応じた所定の電圧特性を有する電力(第1の電力)を発生するために必要な量の発電用燃料FLが、主発電部12に随時供給される。
【0172】
また、副電源部11として、上述したように、燃料パック20Aに封入された発電用燃料FLの一部を用い、電気化学反応や触媒燃焼反応、力学的なエネルギー変換作用等を利用して、電力(第2の電力)を発生する構成を適用する場合には、少なくとも、デバイスDVCのコントローラ電力及び動作制御部13の動作電力となる電力を発生するために必要な最低限の供給量の発電用燃料FLが、I/F部30Aを介して副電源部11に常時供給される。
【0173】
特に、電源システム1として、発電モジュール10Aと燃料パック20Aが着脱可能な構成を適用した場合にあっては、燃料パック20Aが発電モジュール10Aに結合された状態でのみ、発電モジュール10Aに発電用燃料FLを供給する。この場合、燃料パック20Aは、発電モジュール10Aに結合されていない状態では、内部に封入された発電用燃料FLが燃料パック20A外部に漏出しないように、例えば、燃料パック20A内部の燃料封入圧力やバネ等の物理的な圧力等により閉止する制御弁等からなる燃料漏出防止手段を備え、I/F部30Aを介して発電モジュール10Aに結合されることにより、I/F部30Aに設けられ、燃料漏出防止手段による漏出防止機能を解除する手段(漏出防止解除手段)が接触又は押圧することによって、例えば、上記制御弁の閉止状態を解除して、燃料パック20Aに封入された発電用燃料FLをI/F部30Aを介して発電モジュール10Aに供給する。
【0174】
なお、このような構成を有する燃料パック20Aにおいては、燃料パック20Aに封入された発電用燃料FLがなくなる前に、発電モジュール10Aから燃料パック20Aが分離された場合には、上記燃料漏出防止手段の漏出防止機能が再び作動することにより(例えば、漏出防止解除手段が非接触状態となることにより、上記制御弁が再び閉止状態になって)、発電用燃料FLの漏出が防止され、燃料パック20A単独での持ち運びが可能となる。
【0175】
ここで、燃料パック20Aは、上述したような燃料貯蔵容器としての機能を有しつつ、特定の環境条件下において、元来自然界に存在し、かつ、自然を構成する物質、又は、環境汚染等の発生を生じない物質への変換が可能な材料により構成されていることが好ましい。
すなわち、燃料パック20Aは、例えば、自然界に投棄又は埋め立て処理された場合であっても、土壌中の微生物や酵素等の働き、あるいは、太陽光線の照射、雨水や大気等により、自然界に無害な物質(元来自然界に存在し、かつ、自然を構成する物質、例えば、水と二酸化炭素等)に変換される各種の分解反応からなる特性、例えば、生分解性や光分解性、加水分解性、酸化分解性等の分解特性を有する高分子材料(プラスチック)等により構成することができる。
【0176】
また、燃料パック20Aは、人為的な加熱・焼却処理や薬品・化学処理等を行った場合であっても、有機塩素化合物(ダイオキシン類;ポリ塩化ジベンゾパラジオキシン、ポリ塩化ジベンゾフラン)や塩化水素ガス、重金属等の有害物質もしくは環境汚染物質を発生しない、又は、発生が抑制された材料により構成されているものであってもよい。ここで、燃料パック20Aを構成する材料(例えば、上記高分子材料)は、封入される発電用燃料FLとの接触により、少なくとも短期間で分解されるおそれがなく、また、封入される発電用燃料FLを、少なくとも短期間で燃料としての利用が不可能となるほど変質させるものではないことはいうまでもなく、さらに、該高分子材料により構成された燃料パック20Aが、外的な物理的応力に対して十分な強度を有しているものであることもいうまでもない。
【0177】
なお、上述したように、化学電池のリサイクルによる回収率は、僅か20%程度に過ぎず、残りの80%程度が自然界に投棄、又は、埋め立て処理されている現状を鑑みると、燃料パック20Aの材料としては、分解特性を有する材料、特に、生分解性プラスチックを適用することが望ましく、具体的には、石油系又は植物系原料から合成される化学合成型の有機化合物を含む高分子材料(ポリ乳酸、脂肪族ポリエステル、共重合ポリエステル等)や、微生物産生型のバイオポリエステル、トウモロコシやサトウキビ等の植物系原料から抽出されるでんぷんやセルロース、キチン、キトサン等からなる天然物利用型の高分子材料等を良好に適用することができる。
【0178】
また、本実施形態に係る電源システム1に用いられる発電用燃料FLとしては、少なくとも、発電用燃料FLが封入された上記燃料パック20Aが、自然界に投棄、又は、埋め立て処理されて、大気中や土壌中、水中に漏れ出した場合であっても、自然環境に対して汚染物質とならないこと、上述した発電モジュール10Aの主発電部12において、高いエネルギー変換効率で電力を発生することができること、所定の封入条件(圧力、温度等)の下で安定した液体状態又は気体状態を保持し、発電モジュール10Aに供給される燃料物質であることが好ましく、具体的には、上述したメタノールやエタノール、ブタノール等のアルコール系の液体燃料や、常温、常圧下で気体であるジメチルエーテルやイソブタン、天然ガス等の炭化水素からなる液化燃料、もしくは、水素ガス等の気体燃料を良好に適用することができる。なお、後述するように、燃料パック内の発電用燃料の封入状態を安定化させる燃料安定化手段等の構成を設けて、電源システムの安全性をより高めるようにすることもできる。
【0179】
このような構成を有する燃料パック20A及び発電用燃料FLによれば、本実施形態に係る電源システム1の全部又は一部(燃料パック20Aや発電用燃料FL等)が、仮に自然界に投棄された場合や、人為的に埋め立て処理、焼却処分、薬品処理等された場合であっても、自然環境に対して大気や土壌、水質の汚染、あるいは、環境ホルモンの生成等を大幅に抑制することができ、環境破壊の防止や自然環境の美観悪化の抑制、人体に対する悪影響の防止に寄与することができる。
【0180】
また、燃料パック20Aを発電モジュール10Aに対して、着脱可能に構成した場合にあっては、封入された発電用燃料FLの残量が減少、又は、なくなった場合には、燃料パック20Aへの発電用燃料FLの補充や燃料パック20Aの交換、再利用(リサイクル)を行うことができるので、燃料パック20Aや発電モジュール10Aの廃棄量を大幅に削減することができるリサイクルシステムの構築に寄与することができる。また、単一の発電モジュール10Aに対して、新たな燃料パック20Aを交換して取り付け、デバイスDVCに装着して利用することができるので、汎用の化学電池と略同様に、簡便な使用形態の電源システムを提供することができる。
【0181】
なお、発電モジュール10Aの副電源部11及び主発電部12における電力の発生に際し、電力以外に副生成物が生じる場合であって、該副生成物が周辺環境に悪影響を及ぼす場合や、デバイスDVCに対して動作不良等の機能上の影響を及ぼす可能性がある場合等には、後述する副生成物回収手段により回収された該副生成物を保持する手段を、燃料パック20A内部に設けた構成を適用することができる。この場合、燃料パック20Aは、発電モジュール10Aから取り外された状態では、燃料パック20A内(回収保持手段)に一旦回収保持された副生成物が燃料パック20A外部に漏出しないように、例えば、副生成物を吸収、吸着固定、定着等することができる吸収ポリマーや、バネ等の物理的な圧力等により閉止する制御弁等を備えた構成を適用することができる。副生成物の回収保持手段の構成については、上記副生成物回収手段とともに併せて後述する。
【0182】
(C)I/F部30
本発明に係る電源システムの一例として適用されるI/F部30Aは、図2に示したように、少なくとも、発電モジュール10Aと燃料パック20Aを物理的に結合するとともに、燃料パック20Aに封入された発電用燃料FLを、燃料送出経路を介して、所定の状態で発電モジュール10Aに供給する機能を備えている。ここで、上述したように、電源システム1として、発電モジュール10Aと燃料パック20Aが着脱可能な構成を適用した場合にあっては、I/F部30Aは、図66に示すように、上記燃料送出経路に加え、燃料パック20Aに設けられた燃料漏出防止手段(燃料供給弁24A)の漏出防止機能を解除する漏出防止解除手段(燃料送出管52f)を備えている。さらに、I/F部30Aは、後述するように、発電モジュール10Aの副電源部11及び主発電部12において生成される副生成物を回収する副生成物回収手段をも備えた構成を適用する場合にあっては、該副生成物を燃料パック20A内に送出するための副生成物回収経路52eを設けた構成を有している。
【0183】
I/F部30Aは、具体的には、燃料送出経路を介して、燃料パック20Aに所定の条件(温度、圧力等)の下で封入された発電用燃料FLを液体燃料や液化燃料として、あるいは、気化して気体燃料(燃料ガス)として発電モジュール10A(副電源部11及び主発電部12)に供給する。したがって、発電モジュール10Aと燃料パック20AがI/F部30Aを介して一体的に構成された電源システムにおいては、燃料パック20Aに封入された発電用燃料FLが、燃料送出経路を介して、常時発電モジュール10Aに常時供給可能な状態にあり、一方、発電モジュール10Aと燃料パック20AがI/F部30Aを介して着脱可能に構成された電源システムにおいては、燃料パック20Aが発電モジュール10Aに結合されることにより、燃料パック20Aに設けられた燃料漏出防止手段の漏出防止機能が漏出防止解除手段により解除され、燃料送出経路を介して、発電モジュール10Aに発電用燃料FLが供給可能な状態となる。
【0184】
なお、発電モジュール10Aと燃料パック2AがI/F部30Aを介して一体的に構成された電源システムにおいては、当該電源システムをデバイスDVCに装着するか否かに関わらず、常時発電用燃料FLが発電モジュール10Aに供給され、副電源部11において電力の生成が行われる場合、発電用燃料の効率的な消費が図れないことがある。したがって、例えば、少なくとも、電源システムの使用前(デバイスへの装着前)においては、I/F部30Aの燃料送出経路を遮断(遮蔽)状態に保持し、使用に際して上記遮断状態を解除し、燃料送出経路を燃料供給可能状態に不可逆的に制御(貫通)する構成を適用することにより、発電用燃料の効率的な消費を実現することができる。
【0185】
<第1の参考実施形態の全体動作>
次に、上述した構成を有する電源システムの全体動作について、図面を参照して説明する。
図27は、本実施形態に係る電源システムの概略動作を示すフローチャートである。また、図28は、本実施形態に係る電源システムの初期動作(待機状態)を示す動作概念図であり、図29は、本実施形態に係る電源システムの起動動作を示す動作概念図であり、図30は、本実施形態に係る電源システムの定常動作(定常状態)を示す動作概念図であり、図31は、本実施形態に係る電源システムの停止動作を示す動作概念図である。ここでは、上述した電源システムの構成(図3、図4)を適宜参照しつつ、動作を説明する。
【0186】
本実施形態に係る構成を有する電源システム1は、図27に示すように、大別して、燃料パック20に封入された発電用燃料FLを発電モジュール10Aに供給して、副電源部11において上記動作電力及びコントローラ電力となる電力(第2の電力)を常時継続的に生成し、電極端子EL(詳しくは、図28〜図31に示す正極端子EL(+)及び負極端子EL(−))を介して、デバイスDVC(コントローラCNT)に出力する初期動作(ステップS101、S102)と、デバイスDVCにおける負荷LDの駆動(無→有への変化)に基づいて、燃料パック20に封入された発電用燃料FLを主発電部12に供給して、負荷駆動電力となる電力(第1の電力)を生成し、電極端子EL(EL(+)、EL(−))を介して、デバイスDVC(負荷LD)に出力する起動動作(ステップS103〜S106)と、上記負荷LDの駆動状態の変化に基づいて、主発電部12に供給する発電用燃料FLの量を調整し、負荷の駆動状態に応じた電圧成分を有する電力(第1の電力)を生成して出力するフィードバック制御を行う定常動作(ステップS107〜S110)と、上記負荷LDの停止(有→無への変化)に基づいて、主発電部12への発電用燃料FLの供給を遮断して、電力(第1の電力)の生成を停止する停止動作(ステップS111〜S114)と、を実行するように制御される。
【0187】
以下、各動作について、図28〜図31を参照して詳しく説明する。
(A)初期動作
まず、初期動作においては、発電モジュール10Aと燃料パック20がI/F部30を介して一体的に構成された電源システムにおいては、例えば、デバイスDVCへの装着に際して、I/F部30の燃料送出経路の遮断状態を解除することにより、図28に示すように、燃料送出経路の毛細管現象により燃料パック20に封入された発電用燃料が燃料送出経路内を移動して、発電モジュール10Aの副電源部11に自動的に供給され(ステップS101)、副電源部11において、少なくとも、動作制御部13の動作電力、及び、デバイスDVCに内蔵されたコントローラCNTの駆動電力(コントローラ電力)となる電力(第2の電力)E1が自立的に生成、出力されて、動作制御部13及びコントローラCNTの各々に、継続的に供給される(ステップS102)。
【0188】
一方、発電モジュール10Aと燃料パック20が着脱可能に構成された電源システムにおいては、燃料パック20をI/F部30を介して発電モジュール10Aに結合することにより、図28に示すように、燃料パック20に設けられた燃料漏出防止手段の漏出防止機能が解除され、燃料パック20に封入された発電用燃料が燃料送出経路の毛細管現象により燃料送出経路内を移動して、発電モジュール10Aの副電源部11に自動的に供給され(ステップS101)、副電源部11において、少なくとも、上記動作電力及びコントローラ電力となる電力(第2の電力)E1が自立的に生成、出力されて、動作制御部13、電圧モニタ部16及びコントローラCNTに継続的に供給される(ステップS102)。
なお、上記いずれの場合においても、電源システムがデバイスDVCに接続されるまでは、動作制御部13及び電圧モニタ部16の動作電力となる電力のみが出力される。
【0189】
燃料パック20をI/F部30を介して発電モジュール10Aに結合することにより、発電モジュール10Aの動作制御部13、電圧モニタ部16及びデバイスDVCのコントローラCNTのみが動作状態になる待機状態に移行する。この待機状態においては、正極端子EL(+)及び負極端子EL(−)を介してデバイスDVC(コントローラCNT)に供給される供給電力(コントローラ電力;電力E1の一部)が待機状態での動作制御部13、電圧モニタ部16及びデバイスDVCのコントローラCNTでわずかに消費され、消費によりわずかに降下した電圧Vddが電圧モニタ部16により随時検出され、動作制御部13により当該電圧Vddの変化が監視される。また、コントローラCNTによりデバイスDVCの負荷LDの駆動状態が制御される。
【0190】
(B)起動動作
次いで、起動動作においては、図29に示すように、負荷LDを駆動するための操作、例えば、デバイスDVCのユーザーが、デバイスDVCに設けられた電源スイッチPS等を操作する(オン状態にする)ことにより、コントローラCNTが負荷LDへの電力を供給するスイッチLSを導通状態に制御すると、上記待機状態において、コントローラCNTに供給されていた供給電力(コントロール電力)の一部が負荷LDに供給されるため、供給電力の電圧Vddの急激な低下が生じる。
【0191】
動作制御部13は、電圧モニタ部16を介して電圧Vddの急激な変化を検出すると(ステップS103)、起動制御部15に対して主発電部における発電動作を開始(起動)するための動作制御信号を出力する(ステップS104)。起動制御部15は、動作制御部13からの動作制御信号に基づいて、出力制御部14(あるいは、出力制御部14及び主発電部12)に対して、副電源部11により生成される電力の一部(電力E2)を起動電力として供給することにより(ステップS105)、燃料パック20Aに封入された発電用燃料FLを、出力制御部14を介して主発電部12に供給して負荷駆動電力となる電力(第1の電力)を生成、出力する。該負荷駆動電力は、上述した副電源部11により生成されるコントローラ電力とともに、正極端子EL(+)及び負極端子EL(−)を介して、供給電力として出力され、デバイスDVCのコントローラCNT及び負荷LDに供給される(ステップS106)。
【0192】
したがって、主発電部12により生成された負荷駆動電力がデバイスDVCに供給されることにより、供給電力の電圧Vddは、低下した状態から徐々に上昇して、負荷LDの起動に適した電圧まで上昇することになる。すなわち、負荷LDの駆動に対して、発電用燃料FLが自動的に供給されて主発電部12が発電動作を開始し、所定の電圧Vddを有する負荷駆動電力がデバイスDVC(負荷LD)に自立的に供給されるので、汎用の化学電池と略同等の電力的特性を実現しつつ、負荷LDを良好に駆動することができる。
【0193】
(C)定常動作
次いで、定常動作においては、図30に示すように、動作制御部13は、電圧モニタ部16を介して、デバイスDVCに供給される供給電力の電圧Vddの変化(実質的には、負荷駆動電力の電圧変化)を随時監視し(ステップS107)、該供給電力の電圧が所定の規定値に基づく電圧範囲(例えば、汎用の化学電池における出力電圧の変動範囲)を逸脱するような電圧Vddの変化を検出した場合には、電圧Vddが上記電圧範囲内に設定されるように、主発電部12において生成される電力の量(発電量)を増減制御するための動作制御信号を出力制御部14に出力する(ステップS108)。
【0194】
出力制御部14は、動作制御部13からの動作制御信号に基づいて、主発電部12に供給する発電用燃料FLの量を調整して(ステップS109)、デバイスDVCに供給される供給電力(負荷駆動電力)の電圧Vddが上記電圧範囲に設定されるようにフィードバック制御を行う(ステップS110)。これにより、デバイスDVC側の負荷LDの駆動状態(負荷状態)が変化した場合であっても、供給電力の電圧を負荷LDの駆動状態に応じた適切な電圧範囲に収束するように制御することができるので、デバイスDVC(負荷LD)の消費電力に対応した電力を供給することができる。
【0195】
(D)停止動作
次いで、上述した定常動作において、供給電力のフィードバック制御中に、デバイスDVCがオン状態からオフ状態に移行した場合、あるいは、何らかの理由によりデバイスDVCや電源システム1が異常動作を引き起こした場合には、デバイスDVCに供給される供給電力(負荷駆動電力)の電圧Vddが所定の電圧範囲を逸脱する状態が、電圧モニタ部16を介して動作制御部13により、所定時間継続して検出される。動作制御部13は、この電圧範囲及び継続時間の条件を満たしたと判定した場合には(ステップS111)、供給電力の電圧異常として扱い、主発電部12における電力の生成を停止するための動作制御信号を出力制御部14に出力する(ステップS112)。出力制御部14は、動作制御部13からの動作制御信号に基づいて、主発電部12への発電用燃料FLの供給を遮断するとともに、水素生成のための吸熱反応を促進するためのヒータの加熱を停止することにより(ステップS113)、主発電部12における発電動作を停止して、デバイスDVCへのコントローラ電力以外の電力(負荷駆動電力)の供給を停止する(ステップS114)。
【0196】
すなわち、例えば、デバイスDVCのユーザーが、電源スイッチPS等を操作する(オフ状態にする)ことにより、コントローラCNTが負荷LDへの電力を供給するスイッチLSを遮断状態に制御することにより負荷LDを停止する場合、あるいは、電源システム1がデバイスDVCから取り外されること等により、負荷が無くなった場合(消滅した場合)には、上述した定常動作において、供給電力の電圧を所定の電圧範囲に設定するフィードバック制御を行った場合であっても、該電圧範囲を大きく逸脱する状態が発生するため、動作制御部13により、このような状態が一定時間以上継続して検出された場合には、デバイスDVCの負荷LDが停止または無くなったと判断して主発電部12における発電動作を停止する。これにより、デバイスDVCにおける負荷LDの停止等に対して、発電用燃料FLの供給が遮断されて主発電部12が自動的に停止するので、デバイスDVCが正常に駆動する間だけ主発電部12が発電することになり、発電用燃料の有効利用を図りつつ、長期にわたって起電力を維持することができる。
【0197】
このように、本実施形態に係る電源システムによれば、電源システムの外部から燃料等の供給を受けることなく、電源システムに接続される負荷(機器等)の駆動状態に応じて、所定の負荷駆動電力となる電力の供給、停止制御、及び、該電力の発生量の調整制御を行うことができるので、発電用燃料を効率的に消費することができる。したがって、汎用の化学電池と略同等の電気的特性を実現しつつ、環境への負担が小さく、かつ、エネルギーの利用効率が極めて高い電源システムを提供することができる。
【0198】
また、本実施形態に係る電源システムにおいては、後述するように、発電モジュールを、マイクロマシン製造技術を適用して微小空間に集積化して形成することにより小型軽量化し、単3型等のように日本工業規格(JIS)等の規格に則った汎用の化学電池と同等の形状及び寸法になるように構成することにより、外形形状及び電気的特性(電圧/電流特性)のいずれにおいても汎用の化学電池との高い互換性を実現することができ、既存の電池市場における普及を一層容易なものとすることができる。これにより、環境問題やエネルギー利用効率等の点で課題が多い既存の化学電池に替えて、燃料電池等の有害物質の排出が大幅に抑制され、かつ、高いエネルギー利用効率を実現することができる発電装置を適用した電源システムを容易に普及させることができるので、環境への影響を抑制しつつ、エネルギー資源の利用効率を図ることができる。
【0199】
[第2の参考実施形態]
次に、本発明に係る電源システムに適用される発電モジュールの第2の参考実施形態について、図面を参照して説明する。
図32は、本発明に係る電源システムに適用される発電モジュールの第2の参考実施形態を示すブロック図であり、図33は、本実施形態に係る電源システム(発電モジュール)とデバイスとの電気的な接続関係を示す概略図である。ここで、上述した第1の参考実施形態と同等の構成については、同一の符号を付して、その説明を簡略化又は省略する。
【0200】
図32に示すように、本実施形態に係る発電モジュール10Bは、大別して、上述した第1の参考実施形態(図3参照)と同様の機能を有する副電源部(第2の電源手段)11と、主発電部(第1の電源手段)12と、動作制御部13と、出力制御部14と、起動制御部15と、電圧モニタ部(電圧検出部)16に加え、電源システムが接続されるデバイスDVCに内蔵されたコントローラCNTとの所定の情報の通知を行うための端子部ELxを備えた構成を有している。すなわち、本実施形態において、電源システムは、少なくとも、端子部ELxを介して、デバイスDVCに内蔵されたコントローラCNTから通知される、負荷LDの駆動状態に応じた負荷駆動情報(電力要求)に基づいて、発電モジュール10B(特に、主発電部12)における発電状態を制御するように構成されている。
【0201】
また、本実施形態において、電源システムに接続されるデバイスDVCのコントローラCNTは、負荷LDの駆動状態に応じて電源システムに負荷駆動情報(電力要求)を通知するとともに、該電力要求に基づく電源システムの発電状態を示す発電動作情報(電圧成分に関する情報、起動動作終了情報、動作停止情報)に応じて、負荷LDの駆動状態を制御する負荷駆動制御手段としての機能を備えている。
【0202】
なお、本実施形態に係る電源システムにおいても、図33に示すように、副電源部11及び主発電部12の各々から出力されるコントローラ電力及び負荷駆動電力からなる供給電力が、単一の電極端子ELを介してデバイスDVCのコントローラCNT及び負荷LDに共通に供給され、この供給電力(実質的には、負荷駆動電力)の電圧成分が電圧モニタ部16により随時検出されて、動作制御部13により監視されるように構成されている。
【0203】
<第2の参考実施形態の全体動作>
次に、上述した構成を有する電源システムの全体動作について、図面を参照して説明する。
図34は、第2の参考実施形態に係る電源システムの概略動作を示すフローチャートである。また、図35は、本実施形態に係る電源システムの初期動作(待機状態)を示す動作概念図であり、図36、図37は、本実施形態に係る電源システムの起動動作を示す動作概念図であり、図38、図39は、本実施形態に係る電源システムの定常動作(定常状態)を示す動作概念図であり、図40、図41、図42は、本実施形態に係る電源システムの停止動作を示す動作概念図である。ここでは、上述した電源システムの構成(図32、図33)を適宜参照しつつ、動作を説明する。
【0204】
本実施形態においては、発電モジュール10Bに設けられた動作制御部13が、デバイスDVCに内蔵されたコントローラCNTから通知される負荷の駆動制御に関する負荷駆動情報を、正極端子EL(+)、負極端子EL(−)以外の端子部ELxを介して受け取ることにより、以下に示す一連の動作制御を実行する。なお、以下に説明する本実施形態の全体動作に加えて、上述した第1の参考実施形態の全体動作の全て、又は、その一部の動作のみを同時並行的に実行するようにしてもよい。
【0205】
すなわち、本実施形態に係る構成を有する電源システム1は、図34に示すように、上述した第1の参考実施形態と同様に、大別して、副電源部11により動作制御部13の動作電力及びコントローラCNTの駆動電力(コントローラ電力)となる電力を常時継続的に生成、出力する初期動作(ステップS201、S202)と、負荷LDの駆動に基づいて、主発電部12及び出力制御部14に起動電力を供給して、負荷駆動電力となる電力を生成、出力する起動動作(ステップS203〜S206)と、負荷LDの駆動状態の変化に基づいて、主発電部12に供給する発電用燃料FLの量を調整して、負荷の駆動状態に応じた電力(負荷駆動電力)を生成、出力する定常動作(ステップS207〜S210)と、負荷LDの停止に基づいて、主発電部12への発電用燃料FLの供給を遮断して、負荷駆動電力となる電力の生成を停止する停止動作(ステップS211〜S214)と、を実行するように制御される。
【0206】
(A)初期動作
まず、初期動作においては、図35に示すように、第1の参考実施形態と同様に、燃料パック20Bに封入された発電用燃料がI/F部30Bに設けられた燃料送出経路を介して、発電モジュール10Bの副電源部11に自動的に供給され(ステップS201)、副電源部11において動作電力及びコントローラ電力となる電力(第2の電力)E1が自立的に生成、出力されて、動作制御部13に動作電力が継続的に供給されるとともに、電源システムがデバイスDVCに接続されることにより、電源システムに設けられた正極端子EL(+)及び負極端子EL(−)を介して、デバイスDVCに内蔵されたコントローラCNTにコントローラ電力が供給電力(電圧Vs)として供給される(ステップS202)。これにより、発電モジュール10Aの動作制御部13及びデバイスDVCのコントローラCNTのみが動作状態にある待機状態に移行する。この待機状態においては、動作制御部13は、端子部ELxを介して、デバイスDVCのコントローラCNTから負荷の駆動状態に応じて通知される負荷駆動情報(後述する各種電力要求)を常時監視する。
【0207】
(B)起動動作
次いで、起動動作においては、まず、図36に示すように、例えば、デバイスDVCのユーザーが、デバイスDVCに設けられた電源スイッチPS等を操作する(オン状態にする)ことにより、コントローラCNTから端子部ELxを介して、発電モジュール10Bの動作制御部13に対して負荷駆動電力となる電力(第1の電力)の供給を要求する電力供給要求信号が負荷駆動情報として出力される。動作制御部13は、コントローラCNTからの負荷駆動情報を受け取ると(ステップS203)、起動制御部15に対して主発電部12における動作を開始(起動)するための動作制御信号を出力する(ステップS204)。起動制御部15は、動作制御部13からの動作制御信号に基づいて、出力制御部14(あるいは、出力制御部14及び主発電部12)に対して、副電源部11により生成される電力の一部(電力E2)を起動電力として供給することにより(ステップS205)、燃料パック20Bに封入された発電用燃料FLを、出力制御部14を介して主発電部12に供給して負荷駆動電力となる電力(第1の電力)を生成、出力する。該負荷駆動電力は、上述した副電源部11により生成されるコントローラ電力とともに、正極端子EL(+)及び負極端子EL(−)を介して、供給電力としてデバイスDVCに供給される(ステップS206)。このとき、デバイスに供給される供給電力の電圧は、上述した待機状態における電圧Vsから徐々に上昇するように変化する。
【0208】
ここで、上述した起動動作において、図36に示すように、動作制御部13は、ステップS204において主発電部12を起動するための動作制御信号を出力する際に、電圧モニタ部16を正極端子EL(+)及び負極端子EL(−)間に接続するように、スイッチMSを導通状態に制御することにより、主発電部12により生成、出力され、デバイスDVCに供給される供給電力(実質的に負荷駆動電力)の電圧変化を電圧モニタ部16を介して随時検出する。そして、動作制御部13は、図37に示すように、電圧モニタ部16により検出された供給電力の電圧データそのものを随時、もしくは、上記電力供給要求に基づく所定の電圧Vaに到達したことを示す起動動作終了信号を発電動作情報として、端子部ELxを介して、デバイスDVCのコントローラCNTに通知する。コントローラCNTは、動作制御部13から通知される発電動作情報に基づいて、正極端子EL(+)及び負極端子EL(−)を介して供給される供給電力の電圧が、負荷LDの駆動に適した電圧Vaに達した場合には、スイッチLSを導通状態に制御して、電源システムからの供給電力(負荷駆動電力)を供給して負荷LDを駆動する。
【0209】
(C)定常動作
次いで、定常動作においては、図38に示すように、第1の参考実施形態に示したステップS107〜S110と同様に、動作制御部13は、電圧モニタ部16を介して、デバイスDVCに供給される供給電力の電圧Vaの変化(実質的には、負荷駆動電力の電圧変化)を随時監視し、該供給電力の電圧が所定の規定値に基づく電圧範囲内に設定されるようにフィードバック制御を実行する。
【0210】
また、このような定常動作において、デバイスDVCのコントローラCNTにより、負荷LDの新たな駆動状態が制御、把握されると、図39に示すように、該負荷LDの駆動状態に応じた新たな電力(例えば、電圧Vbを有する供給電力)の供給を要求する電力変更要求信号が負荷駆動情報として、端子部ELxを介して動作制御部13に出力される。動作制御部13は、該負荷駆動情報を受け取ると(ステップS207)、起動制御部15に対して主発電部12により生成、出力される電力を、上記負荷LDの新たな駆動状態に対応した負荷駆動電力に設定するための動作制御信号を出力制御部14に出力する(ステップS208)。
【0211】
出力制御部14は、動作制御部13からの動作制御信号に基づいて、主発電部12に供給する発電用燃料FLの量やヒータの加熱時間、加熱温度を調整して(ステップS209)、デバイスDVCに供給される供給電力(負荷駆動電力)が、上記負荷LDの新たな駆動状態に対応した電圧を有するように制御する(ステップS210)。すなわち、動作制御部13は、電力変更要求信号を受け取ることにより、上記フィードバック制御に係る電圧範囲を設定するための規定値を電力変更要求信号に基づく電圧Vbに変更して、該変更された電圧範囲に対応する電圧を有する負荷駆動電力が生成されるように主発電部12における発電量を制御する。これにより、デバイスDVC側の負荷LDの駆動状態(負荷状態)に応じて適切な電力が供給されるので、デバイスDVC(負荷LD)の消費電力に対応した電力を供給して、負荷LDを良好に駆動させることができるとともに、負荷LDの駆動状態の変化に伴う供給電力の大幅な電圧変化が抑制されるので、デバイスDVCにおける動作異常の発生等を抑制することができる。
【0212】
(D)停止動作
次いで、上述した定常動作において、図40に示すように、第1の参考実施形態に示したステップS111〜S114と同様に、供給電力のフィードバック制御中に、デバイスDVCがオン状態からオフ状態に移行する(例えば、負荷LDに負荷駆動電力を供給するスイッチLSが遮断制御される)ことにより、あるいは、何らかの理由によりデバイスDVCや電源システム1が異常動作を引き起こしたことにより、供給電力の電圧Vaが所定の電圧範囲を逸脱する状態が、所定時間継続して検出された場合には、動作制御部13は、供給電力の電圧異常として扱い、動作制御信号を出力制御部14に出力することにより、主発電部12への発電用燃料FLの供給を遮断等して、主発電部12における発電動作を停止制御する(自動電源遮断(オートパワーオフ)動作)。
【0213】
また、定常動作において、図41に示すように、例えば、デバイスDVCのユーザーが、電源スイッチPS等を操作する(オフ状態にする)ことにより、コントローラCNTが負荷LDへの電力を供給するスイッチLSを遮断状態に制御することにより負荷LDを停止する場合、あるいは、電源システム1がデバイスDVCから取り外されること等により、負荷が無くなった場合(消滅した場合)には、デバイスDVCのコントローラCNTにより、負荷LDの駆動停止が制御、把握されて、電源システムからの供給電力(負荷駆動電力)の供給停止を要求する電力停止要求信号が負荷駆動情報として、端子部ELxを介して動作制御部13に出力される。動作制御部13は、該負荷駆動情報を受け取ると(ステップS211)、主発電部12における電力の生成を停止するための動作制御信号を出力制御部14に出力する(ステップS212)。出力制御部14は、動作制御部13からの動作制御信号に基づいて、主発電部12への発電用燃料FLの供給を遮断するとともに、水素生成のための吸熱反応を促進するためのヒータの加熱を停止することにより(ステップS213)、主発電部12における発電動作を停止して、デバイスDVCへのコントローラ電力以外の電力(負荷駆動電力)の供給を停止する(ステップS214)。
【0214】
そして、上述した図40又は図41に示した停止動作において、動作制御部13は、例えば、主発電部12における電力の生成を停止するための動作制御信号を出力することにより、あるいは、主発電部12の停止により減衰する供給電力(実質的に負荷駆動電力)の電圧変化を電圧モニタ部16を介して随時検出することにより、主発電部12の停止を把握した場合には、図42に示すように、スイッチMSを遮断状態に制御することにより、電圧モニタ部16を正極端子EL(+)及び負極端子EL(−)間から電気的に切り離すとともに、主発電部12における発電動作が停止したことを示す電源遮断通知信号(オートパワーオフ通知信号)又は動作停止信号を発電動作情報として、端子部ELxを介して、デバイスDVCのコントローラCNTに通知する。これにより、デバイスDVCにおける負荷LDの駆動停止等に対して、発電用燃料の供給が遮断されて主発電部12が自動的に停止して、デバイスDVCへの負荷駆動電力の供給が停止されて、電源システム1及びデバイスDVCが上述した待機状態に復起する。
【0215】
このように、本実施形態に係る電源システムによれば、上述した第1の参考実施形態と同様に、電源システムに接続されるデバイス(負荷)の駆動状態に応じて、所定の駆動電力となる電力の供給、停止制御、及び、電力の発生量の調整制御を行うことができるとともに、特に、デバイスDVCが正常に駆動する動作状態の期間のみ主発電部12を発電動作させることができるので、発電用燃料を効率的に消費して、長期にわたって起電力を維持することができる。したがって、汎用の化学電池と略同等の電気的特性を実現しつつ、環境への負担が小さく、かつ、エネルギーの利用効率が極めて高い電源システムを提供することができる。
【0216】
なお、本実施形態においては、デバイスDVCから電源システムに対して負荷駆動情報を通知するとともに、電源システムからデバイスDVCに対して発電動作情報を通知する双方向の情報通知を行う場合について説明したが、本発明はこれに限定されるものではなく、少なくとも、デバイスDVCから電源システムに対して負荷駆動情報を通知する片方向の情報通知を行うことにより、電源システム(発電モジュール)において、負荷の駆動状態に応じた負荷駆動電力を生成して出力するものであってもよい。
【0217】
[第3の参考実施形態]
次に、本発明に係る電源システムに適用される発電モジュールの第3の参考実施形態について、図面を参照して説明する。
図43は、本発明に係る電源システムに適用される発電モジュールの第3の参考実施形態を示すブロック図である。ここでは、上述した第2の参考実施形態と同様に、端子部ELxを介して、電源システムが接続されるデバイスとの間で所定の情報の通知を行う構成を有する場合について示すが、第1の参考実施形態と同様に、デバイスと電極端子(正極端子及び負極端子)のみを介して接続され、デバイスとの間で特別な通知を行わない構成を有するものであってもよいことはいうまでもない。また、上述した第1の参考実施形態又は第2の参考実施形態と同等の構成については、同一の符号を付して、その説明を簡略化又は省略する。
【0218】
上述した第1の参考実施形態及び第2の参考実施形態に係る発電モジュール10A、10Bにおいては、副電源部11において利用された発電用燃料FLを排出ガスとして電源システム1の外部にそのまま排出するか、あるいは、後述する副生成物回収手段により回収する構成について言及したが、本実施形態に係る発電モジュール10Cにおいては、副電源部11における発電動作が発電用燃料FLの化合物としての成分変化を伴わない場合、もしくは、成分変化を伴った場合であっても水素や水素化合物等の特定の燃料成分が含まれている場合には、副電源部11において利用された発電用燃料FLを、主発電部12における発電用燃料として、そのまま、もしくは、特定の燃料成分を抽出して再度利用する構成を有している。
【0219】
具体的には、図43に示すように、本実施形態に係る発電モジュール10Cは、上述した第2の参考実施形態(図32参照)と同様の構成及び機能を有する副電源部11と、主発電部12と、動作制御部13と、出力制御部14と、起動制御部15と、電圧モニタ部16と、電極部ELxと、を備え、特に、副電源部11において電力の生成に利用された後の発電用燃料の全部又はその一部(これらを便宜的に「排出燃料ガス」と記す)が、発電モジュール10Cの外部に排出されることなく、出力制御部14を介して、主発電部12に供給されるように構成されている。
【0220】
すなわち、本実施形態に適用される副電源部11は、燃料パック20からI/F部30を介して供給される発電用燃料FLの燃料成分を消費、変換することなく、所定の電力(第2の電力)を発生、出力することができる構成(例えば、上述した第1の参考実施形態における第2、第3、第5又は第7の構成例に示した発電装置)、もしくは、発電用燃料FLの燃料成分を消費、変換する場合であっても、主発電部12における発電動作に利用可能な燃料成分を含む排出燃料ガスを生成する構成(例えば、上述した第1の参考実施形態における第4又は第6の構成例に示した発電装置)を有している。
【0221】
また、主発電部12として、上述した第1の参考実施形態における第1乃至第6の構成例に示した発電装置を適用する場合にあっては、燃料パック20に封入される発電用燃料FLとして、発火性又は燃焼性を有する燃料物質、例えば、メタノールやエタノールブタノール等のアルコール系の液体燃料やジメチルエーテルやイソブタン、天然ガス等の炭化水素からなる液化燃料、水素ガス等の気体燃料が適用される。
【0222】
すなわち、上記液体燃料や液化燃料は、所定の封入条件(温度、圧力等)で燃料パック20に封入された状態では液体であり、副電源部11に供給される際の常温、常圧等の所定の環境条件に移行することにより、気化して高圧の燃料ガスとなり、また、気体燃料は、所定の圧力で圧縮した状態で燃料パック20に封入され、副電源部11に供給される際に、封入圧力に応じた高圧の燃料ガスとなるので、このような発電用燃料FLにより、例えば、副電源部11において燃料ガスの圧力エネルギーを用いて電力(第2の電力)を発生した後、主発電部12において副電源部11からの排出燃料ガスを用いた電気化学反応や燃焼反応等により電力(第1の電力)を発生することができる。
【0223】
[第4の参考実施形態]
次に、本発明に係る電源システムに適用される発電モジュールの第4の参考実施形態について、図面を参照して説明する。図44は、本発明に係る電源システムに適用される発電モジュールの第4の参考実施形態を示すブロック図である。ここでは、上述した第2の参考実施形態及び第3の参考実施形態と同様に、電源システムが接続されるデバイスとの間で所定の情報の通知を行う構成を有する場合について示すが、デバイスとの間で特別な通知を行わない構成(第1の参考実施形態に示した構成)を有するものであってもよい。また、上述した第1の参考実施形態乃至第3の参考実施形態と同等の構成については、同一の符号を付して、その説明を簡略化又は省略する。
【0224】
上述した第1の参考実施形態乃至第3の参考実施形態に係る発電モジュール10A、10Bにおいては、副電源部11として、燃料パック20A、Bから供給される発電用燃料FLを用いて、所定の電力(第2の電力)を常時、自立的に発生する構成を適用した場合について説明したが、本実施形態に係る発電モジュールにおいては、副電源部が燃料パックに封入された発電用燃料FLを用いることなく、所定の電力を常時、自立的に発生する構成を有している。
【0225】
具体的には、図44に示すように、本実施形態に係る発電モジュール10Cは、上述した第2の参考実施形態(図32参照)と同様の構成及び機能を有する主発電部12と、動作制御部13と、出力制御部14と、起動制御部15と、電圧モニタ部16と、電極部ELxと、を備えるとともに、燃料パックに封入された発電用燃料FLを用いることなく、所定の電力(第2の電力)を常時、自立的に発生する副電源部11を備えた構成を有している。
副電源部11の具体的な構成としては、例えば、電源システム1の周辺環境における温度差に基づく熱電変換によるもの(温度差発電)のほか、電源システム1の外部から入射する光エネルギーに基づく光電変換によるもの(太陽光発電)等を良好に適用することができる。
【0226】
以下に、副電源部11の具体例を図面を参照して簡単に説明する。
(非燃料型副電源部の第1の構成例)
図45は、本実施形態に係る発電モジュールに適用可能な副電源部の第1の構成例を示す概略構成図である。
第1の構成例においては、副電源部の具体例として、電源システム1内外の周辺環境における温度差を利用した熱電変換発電により電力を発生する発電装置としての構成を有している。
【0227】
図45(a)に示すように、第1の構成例に係る副電源部11Sは、例えば、電源システム1の一端側に設けられた第1の温度保持部311と、電源システム1の他端側に設けられた第2の温度保持部312と、第1の温度保持部311側に一端側が接続されるとともに、第2の温度保持部312側に他端側が接続された熱電変換素子313と、を備えた温度差発電器の構成を有している。ここで、第1及び第2の温度保持部311、312は、電源システム1内外の周辺環境の温度状態に応じて、その保持する熱量が随時変化するように構成されているとともに、第1及び第2の温度保持部311、312における温度が相互に異なるように、配置位置が設定されている。
【0228】
具体的には、例えば、第1及び第2の温度保持部311、312のいずれか一方が、電源システム1が装着されるデバイスDVCに設けられた開口部等(図示を省略)を介して、常時外気に晒され、定温に保持されるようにした構成を適用することができる。また、熱電変換素子313は、上述した第1の参考実施形態における第4の構成例(図8(b)参照)に示したものと同等の構成を有している。なお、本構成例においても、温度差発電器からなる副電源部11Sの構成は、上述した実施形態に示した構成と同様に、マイクロマシン製造技術を適用することにより、微小空間に集積化して形成することができる。
【0229】
このような構成を有する副電源部11Sにおいて、図45(b)に示すように、電源システム1の周辺環境における温度分布の偏りに伴って、第1及び第2の温度保持部311、312間に温度勾配が生じることにより、熱電変換素子313におけるゼーベック効果により、該温度勾配による熱エネルギーに応じた起電力が発生して電力が生成される。
【0230】
したがって、このような構成を有する発電装置を副電源部に適用することにより、電源システム1の周辺環境において温度分布の偏りが存在する限り、副電源部11Sにより所定の電力が常時、自立的に生成され、電源システム1内外の各構成に供給することができる。また、この構成によれば、燃料パック20に封入された発電用燃料FLの全てを主発電部12における電力(第1の電力)の生成に利用することができるので、発電用燃料の有効利用を図ることができるとともに、負荷駆動電力としての電力を長期にわたってデバイスDVCに供給することができる。
【0231】
なお、本構成例においては、周辺環境における温度分布の偏りに対して、ゼーベック効果により電力を発生する温度差発電器について説明したが、本発明は、これに限定されるものではなく、金属の加熱により金属表面から自由電子が放出される熱電子放出現象に基づいて、電力を発生する構成を有するものであってもよい。
【0232】
(非燃料型副電源部の第2の構成例)
図46は、本実施形態に係る発電モジュールに適用可能な副電源部の第2の構成例を示す概略構成図である。
第2の構成例においては、副電源部の具体例として、電源システム1の外部から入射する光エネルギーを利用した光電変換発電により電力を発生する発電装置としての構成を有している。
【0233】
図46(a)に示すように、第1の構成例に係る副電源部11Tは、例えば、p型半導体321とn型半導体322を接合させた周知の光電変換セル(太陽電池)を備えた構成を有している。
このような光電変換セルに所定の波長の光(光エネルギー)LTが照射されると、光起電力効果によりp−n接合部323付近において電子−正孔対が発生し、光電変換セル内の電界によって分極した電子(−)がn型半導体322に、また、正孔(+)がp型半導体321に拡散(ドリフト)してp型半導体321及びn型半導体322の各々に設けられた電極間(出力端子Oe、Of間)に起電力が発生して電力が生成される。
【0234】
ここで、一般に、既存のデバイスにおける電池(又は、電源ユニット)の収納スペースは、デバイスの背面側等の光エネルギー(具体的には、太陽光や照明光)が入射しにくい位置に配置されていたり、デバイス内部に完全に収納する構成を有していたりするため、副電源部に対して光が十分に入射しない可能性がある。したがって、本構成例に係る副電源部11Tを適用した電源システム1を、デバイスDVCに装着する場合にあっては、図46(b)に示すように、少なくとも、副電源部11T又は発電モジュール10C部分が露出するように、デバイスDVCに予め開口部HLを設けた構成や、デバイスDVCの筐体を透明もしくは半透明の部材により構成することにより、副電源部11Tにおいて所定の電力を発生するために必要な最低限の光エネルギー(所定の波長の光LT)が入射するような構成を適用する必要がある。
【0235】
したがって、このような構成を有する発電装置を副電源部に適用することにより、デバイスDVCを屋外や屋内等の所定の光エネルギーが入射する環境の下で使用する限り、副電源部11Tにより所定の電力が常時、自立的に生成され、電源システム1内外の各構成に供給することができる。また、この構成によれば、燃料パック20に封入された発電用燃料FLの全てを主発電部12における電力(第1の電力)の生成に利用することができるので、発電用燃料の有効利用を図ることができる。
なお、本構成例においては、図46(a)において、光電変換セル(太陽電池)の最も基本的な構成のみを示したが、本発明は、これに限定されるものではなく、より発電効率の高い他の構成や原理に基づくものを適用するものであってもよい。
【0236】
<副生成物回収手段>次に、上述した各実施形態に係る電源システムに適用可能な副生成物回収手段について、図面を参照して説明する。図47は、本発明に係る電源システムに適用可能な副生成物回収手段の一実施例を示すブロック図である。ここでも、上述した第2の参考実施形態乃至第4の参考実施形態と同様に、電源システムが接続されるデバイスとの間で所定の情報の通知を行う構成を有する場合について示すが、デバイスとの間で特別な通知を行わない構成(第1の参考実施形態に示した構成)を有するものであってもよい。また、上述した各実施形態と同等の構成については、同一の符号を付して、その説明を簡略化又は省略する。
【0237】
上述した各実施形態において、主発電部12や副電源部11として、燃料パック20に封入された発電用燃料FLを用いて、電気化学反応や燃焼反応等により所定の電力を発生する構成(上記各構成例に示した主発電部や副電源部)を適用した場合にあっては、電力以外に副生成物が排出される場合がある。このような副生成物の中には、自然界に排出されることにより環境汚染の原因となる物質や、電源システムが装着されているデバイスの動作不良の原因となる物質を含む場合もあるため、このような副生成物の排出を極力抑制する必要性から、以下に示すような副生成物回収手段を備えた構成を適用することが好ましい。
【0238】
本発明に係る電源システムに適用可能な副生成物回収手段は、図47に示すように、上述した各実施形態と同等の構成及び機能を有する発電モジュール10E、燃料パック20E及びI/F部30Eにおいて、例えば、発電モジュール10E内に、主発電部12における電力の発生に際して生成される副生成物の全部又はその一部の成分を回収する分離回収部17が設けられているとともに、燃料パック20E内に、上記回収された副生成物を固定的に保持する回収保持部21が設けられた構成を有している。なお、ここでは、主発電部12において生成される副生成物を回収する場合についてのみ詳しく説明するが、副電源部11に対しても同様に適用が可能であることはいうまでもない。
【0239】
分離回収部17は、上述した各構成例に示した構成を有し、燃料パック20Eから供給される発電用燃料FLを用いた電気化学反応や燃焼反応等により、少なくとも、電源システム1が装着されたデバイスDVCに対して、負荷駆動電力(電圧・電流)となる電力を発生する主発電部12(副電源部11を含むものであってもよい)において、該電力の発生の際に生成される副生成物、もしくは、該副生成物のうち特定の成分を分離して、I/F部30Eに設けられた副生成物回収経路を介して、燃料パック20E内に設けられた回収保持部21に送出する。
【0240】
なお、上述した各構成例を適用した主発電部12(副電源部11を含むものであってもよい)において、電力を発生する際に生成される副生成物としては、水(HO)や窒素酸化物(NO)、硫黄酸化物(SO)等があり、これらの全て、又は、その一部、もしくは、特定の成分のみが分離回収部17により回収されて副生成物回収経路に送出される。なお、回収された副生成物が液体状態の場合には、例えば、副生成物回収経路の内径を連続的に変化するように形成することにより、毛細管現象を利用して分離回収部17から回収保持部21へ副生成物を自動的に送出することができる。
【0241】
また、回収保持部21は、燃料パック20Eの内部、又は、その一部に設けられ、燃料パック20Eが発電モジュール10Eに結合された状態においてのみ、上記分離回収部17により回収された副生成物の送入、保持が可能となるように構成されている。すなわち、燃料パック20Eが発電モジュール10Eに対して着脱可能に構成された電源システムにおいては、燃料パック20Eが発電モジュール10Eから分離された状態で、回収、保持された副生成物又は特定の成分が燃料パック20Eの外部に漏出もしくは排出されないように、回収保持部21に固定的又は不可逆的に保持されるように構成されている。
【0242】
ここで、上述したように、主発電部12における電力の生成により、水(HO)や窒素酸化物(NO)、硫黄酸化物(SO)が副生成物として生成される場合にあっては、水(HO)は常温常圧下で液体状態であるので、副生成物回収経路を介して、回収保持部21に良好に送出されるが、窒素酸化物(NO)や硫黄酸化物(SO)等のように、気化点が常圧で概ね常温未満であり、気体状態にある副生成物の場合には、体積が膨大になり、予め設定された回収保持部21の容積を超過する可能性があるので、分離回収部17内及び回収保持部21内の気圧を高くすることにより、回収された副生成物を液化して当該体積を縮小して回収保持部21に保持されるように構成してもよい。
【0243】
したがって、回収保持部21の具体的な構成としては、上記回収された副生成物や特定の成分を不可逆的に吸収、吸着固定、定着等することができる構成、例えば、回収保持部21内に吸収ポリマーが充填された構成や、上述した燃料パック20に備えられた燃料漏出防止手段と同様に、回収保持部21の内部圧力やバネ等の物理的な圧力等により閉止する制御弁等の回収物漏出防止手段を備えた構成を良好に適用することができる。
【0244】
そして、このような構成を有する副生成物回収手段を備えた電源システムにおいて、主発電部12として、図19に示したような燃料改質方式の燃料電池を適用した場合にあっては、燃料改質部210aにおける水蒸気改質反応、水性シフト反応及び選択酸化反応(上記化学反応式(1)〜(3)参照)に伴って、水素ガス(H)とともに生成される二酸化炭素(CO)、及び、燃料電池本体210bにおける電気化学反応(上記化学反応式(6)、(7)参照)に伴って、電力(第1の電力)の発生とともに生成される水(HO)が、副生成物として主発電部12から排出されることになるが、二酸化炭素(CO)の排出量は極めて微量であり、デバイスへの影響もほとんどないため、非回収物質として電源システム外に排出され、一方、水(HO)等が分離回収部17により回収されて、例えば、毛細管現象等を利用して副生成物回収経路を介して、燃料パック20E内の回収保持部21に送出され、不可逆的に保持される。
【0245】
ここで、主発電部12(燃料電池本体)における電気化学反応(化学反応式(2)、(3))は、概ね60〜80℃程度で進行するため、主発電部12において生成される水(HO)は、ほぼ水蒸気(気体)の状態で排出される。そこで、分離回収部17は、例えば、主発電部12から排出される水蒸気を冷却することにより、あるいは、圧力を加えることにより、水(HO)の成分のみを液化して、他の気体成分から分離することにより回収する。
【0246】
なお、本実施例においては、少なくとも、主発電部12の構成として燃料改質方式の燃料電池を適用し、発電用燃料としてメタノール(CHOH)を適用した場合を示したため、電力の発生に伴う副生成物の大半が水(HO)であって、その他、微量の二酸化炭素(CO)を電源システム外に排出することにより、分離回収部17における特定の成分(すなわち、水)の分離、回収を比較的簡易に実現することができるが、発電用燃料としてメタノール以外の物質を適用した場合や、主発電部12として燃料電池以外の構成を適用した場合には、水(HO)とともに、例えば、比較的大量の二酸化炭素(CO)や窒素酸化物(NO)、硫黄酸化物(SO)等が生成される場合もある。
このような場合には、分離回収部17において上述した分離方法により、例えば、液体である水と、その他の大量に生成される特定の気体成分(二酸化炭素等)を分離した後、燃料パック20E内に設けられた単一又は複数の回収保持部21に、合一又は個別に保持するようにしてもよい。
【0247】
このように、本実施例に係る副生成物回収手段を適用した電源システムによれば、発電モジュール10Eにより電力を発生する際に生成される副生成物のうち、少なくとも1成分が燃料パック20E内に設けられた回収保持部21に不可逆的に保持されることにより、電源システム外部への排出又は漏出が抑制されるので、副生成物(例えば、水)によるデバイスの動作不良や劣化等の発生を防止することができるとともに、副生成物を保持した燃料パック20Eを回収することにより、該副生成物を自然環境に負担を与えない方法で適切に処理して、副生成物(例えば、二酸化炭素)による自然環境の汚染や地球温暖化等を防止することができる。
【0248】
なお、上述したような分離回収方法により回収された副生成物は、以下に示すような保持動作により回収保持部内に不可逆的に保持される。
図48は、本実施例に係る副生成物回収手段による副生成物の保持動作を示す概略図である。ここで、上述した各実施形態と同等の構成については、同一の符号を付して、その説明を簡略化又は省略する。
【0249】
図48(a)に示すように、本実施例に係る燃料パック20Eは、一定の容積を有し、例えば、メタノール等の発電用燃料FLが封入、充填された燃料封入空間22Aと、分離回収部17から送出される水等の副生成物が保持される回収保持空間22Bと、後述するように、回収保持空間22Bの容積を相対的に可変し、回収保持空間22Bを燃料封入空間22Aから隔絶する回収袋23と、燃料封入空間22Aに封入された発電用燃料FLを出力制御部14に供給する燃料供給弁24Aと、分離回収部17から送出される副生成物を回収保持空間22Bに取り込むための副生成物取込弁24Bと、を有して構成されている。
【0250】
ここで、燃料供給弁24A及び副生成物取込弁24Bは、上述したように、いずれも、燃料パック20EがI/F部30Eを介して発電モジュール10Eに結合された状態でのみ、発電用燃料FLの供給や副生成物の取り込みが可能となるように、例えば、逆止弁の機能を備えた構成を有している。なお、上述したように、副生成物取込弁24Bに逆止弁の機能を設ける替わりに、回収保持空間22Bに吸収(吸水)ポリマー等を充填した構成を有するものであってもよい。
【0251】
このような構成を有する燃料パック20Eにおいて、図48(a)に示すように、燃料封入空間22Aに封入された発電用燃料が燃料供給弁24Aを介して発電モジュール10E(主発電部12、副電源部11)に供給されることにより、所定の電力を発生する動作が実行されるとともに、上記分離回収部17により電力の発生に伴って生成された副生成物のうち、特定の成分(例えば、水)のみが分離、回収されて、副生成物回収経路及び副生成物取込弁24Bを介して回収保持空間22Bに取込、保持される。
【0252】
これにより、図48(b)、(c)に示すように、燃料封入空間22Aに封入された発電用燃料FLの容積が減少するとともに、相対的に、回収保持空間22Bに保持される特定の成分又は物質の容積が増大する。このとき、回収保持空間22Bに吸収ポリマー等を充填した構成を適用することにより、回収され、取り込まれた副生成物の実質的な容積に比較して、より大きな容積を有するように回収保持空間22Bの容積を制御することができる。
【0253】
したがって、燃料封入空間22Aと22Bの関係は、発電モジュール10における電力の発生(発電)動作に伴って、単に、相対的に増減するだけでなく、回収保持空間22Bに保持された副生成物の量に応じて、図48(b)に示すように、所定の圧力で回収袋23を外方に押圧することにより、燃料封入空間22Aに封入された発電用燃料FLに圧力が印加されることになるので、発電モジュール10Eへの発電用燃料FLの供給を適切に行うことができ、図48(c)に示すように、回収保持空間22Bに保持される副生成物により、燃料封入空間22Aに封入された発電用燃料FLをほぼ完全になくなるまで供給することができる。
【0254】
なお、本実施例においては、発電モジュール10Eに付設された分離回収部17により分離、回収した副生成物の全て又は一部を回収して燃料パック20E内に保持するとともに、非回収物質を電源システム1外に排出する場合について説明したが、回収された副生成物(例えば、水)の全部又は一部を発電モジュール10E(特に、主発電部12、副電源部11)における電力の発生の際の燃料成分として再利用する構成を有するものであってもよい。具体的には、主発電部12(副電源部11を含むものであってもよい)として、燃料電池からなる発電装置を適用した構成にあっては、水が副生成物の一部として生成されるが、上述したように、燃料改質方式の燃料電池においては、発電用燃料の水蒸気改質反応等において水を必要とするので、図47中、点線矢印(「再利用回収物」と表記)で示すように、回収された副生成物のうち、水の一部を主発電部12に供給して、これらの反応に再利用するように構成することができる。これによれば、水蒸気改質反応等のために発電用燃料FLとともに燃料パック20Eに予め封入しておく水の量、また、回収保持部21に保持される副生成物(水)の量を削減することができるので、一定の容量の燃料パック20Eに対してより多くの発電用燃料FLを封入することができ、電源システムとしての電力供給能力の向上を図ることができる。
【0255】
<残量検出手段>
次に、上述した各実施形態に係る電源システムに適用可能な発電用燃料の残量検出手段について、図面を参照して説明する。
図49は、本発明に係る電源システムに適用可能な残量検出手段の一実施例を示すブロック図である。また、図50は、本実施例に係る電源システムの起動動作を示す動作概念図であり、図51は、本実施例に係る電源システムの定常動作(定常状態)を示す動作概念図であり、図52は、本実施例に係る電源システムの停止動作を示す動作概念図である。ここでも、上述した第2の参考実施形態乃至第4の参考実施形態と同様に、電源システムが接続されるデバイスとの間で所定の情報の通知を行う構成を有する場合について示すが、デバイスとの間で特別な通知を行わない構成(第1の参考実施形態に示した構成)を有するものであっても適用することができる。また、上述した各実施形態と同等の構成については、同一の符号を付して、その説明を簡略化又は省略する。
【0256】
本発明に係る電源システムに適用可能な燃料残量検出手段は、図49に示すように、上述した各実施形態と同等の構成及び機能を有する発電モジュール10F、燃料パック20F及びI/F部30Fにおいて、発電モジュール10F内又はI/F部30F内もしくは燃料パック20F内のいずれか(ここでは、発電モジュール10F内)に、燃料パック20Fに残存する発電用燃料FLの量(残量)を検出し、その残量検出信号を動作制御部13に出力する残量検出部18が設けられた構成を有している。
【0257】
残量検出部18は、燃料パック20F内に残存する発電用燃料FLの量を検出するものであって、例えば、燃料パック20F内に発電用燃料FLが液体の状態で封入されている場合には、光学センサ等により燃料の液面を計測する手法や燃料を透過した光の減衰(減光率)等の変化を計測する手法等を採用することにより、発電用燃料FLの残量を検出する。そして、残量検出部18により検出された発電用燃料FLの残量は、残量検出信号として動作制御部13に出力され、動作制御部13は、該残量検出信号に基づいて、主発電部12における動作状態を制御するための動作制御信号を出力制御部14に対して出力するとともに、デバイスDVCに内蔵されたコントローラCNTに対して、該発電用燃料の残量に関する情報を出力する。なお、残量検出部18は、発電用燃料FLが封入された燃料パック20Fが、発電モジュール10F及びI/F部30Fに結合する度に、副電源部11からの電力により駆動する。
【0258】
このような構成を有する電源システムにおいては、基本的には、上述した第2の参考実施形態(第1の参考実施形態における動作制御を同時並列的に実行した場合を含む)と同等の動作制御を適用することができるが、これに加えて、以下に示すような本実施例特有の動作制御を適用することができる。
まず、第1の参考実施形態又は第2の参考実施形態に示した全体動作(図27、図34参照)の起動動作において、動作制御部13は、電圧モニタ部16を介して供給電力の電圧変化を検出した場合、又は、デバイスDVCに内蔵されたコントローラCNTから通知される、電力供給を要求する負荷駆動情報を受け取った場合には、起動制御部15に対して主発電部12を起動するための動作制御信号を出力する動作(ステップS104又はS204)に先立って、残量検出部18からの残量検出信号を参照し、主発電部12を正常に起動可能な量の発電用燃料FLが残存しているか否かを判断する。
【0259】
動作制御部13は、上記残量検出信号に基づいて、主発電部12の起動動作に必要な十分な量の発電用燃料が燃料パック20Fに残存していると判断した場合には、上述した第1の参考実施形態又は第2の参考実施形態に示した起動動作(ステップS104〜S106又はS204〜S206)を実行して、主発電部12により負荷駆動電力を生成して、所定の供給電力をデバイスDVCに供給する。
【0260】
一方、動作制御部13は、図50に示すように、上記残量検出信号に基づいて、起動動作に必要な十分な量の発電用燃料が燃料パック20Fに残存していないと判断した場合(残量異常を検出した場合)には、該残量異常に基づく起動異常信号を発電動作情報として、端子部ELxを介して、デバイスDVCのコントローラCNTに通知する。これにより、コントローラCNTは、デバイスDVCのユーザーに残量異常に関する情報を通知して、電源システムの交換や発電用燃料の補充等の適切な対処を講じるように促すことができる。
【0261】
また、第1の参考実施形態又は第2の参考実施形態に示した全体動作(図27、図34参照)の定常動作において、動作制御部13は、図51に示すように、残量検出部18を介して検出される残量検出信号(残量)を逐次監視し、デバイスDVCに内蔵されたコントローラCNTに対して、実際の残量データ自体や残量比率もしくは電力を出力することが可能な推定残り時間等の残量情報信号を発電動作情報として、端子部ELxを介して、デバイスDVCのコントローラCNTに通知する。
【0262】
ここで、動作制御部13は、図51に示すように、残量検出部18を介して検出された発電用燃料FLの残量に応じて、例えば、主発電部12における電力の発生量を制御するための動作制御信号を出力制御部14に対して出力し、発電用燃料FLの残量が減少するにしたがって、主発電部12に供給する発電用燃料の量を減少するように調整して、主発電部12により生成される負荷駆動電力(実質的には、デバイスDVCに供給される供給電力の電圧)を経時的に徐々に変化(低下)させるように制御してもよい。
【0263】
これにより、コントローラCNTは、残量情報信号や供給電力の電圧変化に基づいて、電源システムにおける発電用燃料の残量やデバイスDVCの駆動可能推定時間を正確に把握して、ユーザーに電源システムの交換や発電用燃料の補充等を促す通知を行うことができるので、例えば、既存のデバイスに標準的に搭載されている、電源からの出力電圧や電池残量に基づいて、デバイスのユーザーに電池残量を通知する機能を良好に動作させることができ、汎用の化学電池を既存のデバイスの動作電力として適用した場合と略同等の使用形態を実現することができる。
【0264】
さらに、この定常動作において、供給電力(主発電部12により生成される負荷駆動電力)のフィードバック制御中に、動作制御部13は、図52に示すように、残量検出部18により発電用燃料FLの残量の急激な減少等の残量異常を検出した場合には、主発電部12における電力の生成を停止するための動作制御信号を出力制御部14に対して出力することにより、主発電部12への発電用燃料の供給を遮断して、主発電部12の発電動作を停止するとともに、水素生成のための吸熱反応を促進するためのヒータの加熱を停止し、さらに、該残量異常又は主発電部12の動作停止に基づく異常停止信号を発電動作情報として、端子部ELxを介して、デバイスDVCのコントローラCNTに通知する。これにより、コントローラCNTは、デバイスDVCのユーザーに残量異常に伴う動作停止に関する情報を通知して、燃料パック20Fから電源システム1外部への発電用燃料FLの漏出等の発生に対して、適切な対処を講じるように促すことができる。
【0265】
[第1の実施形態]
<燃料安定化手段>
次に、上述した各実施形態に係る電源システムに適用可能な第1の実施形態の燃料安定化手段について、図面を参照して説明する。
図53は、本発明に係る電源システムに適用可能な燃料安定化手段の一実施例を示すブロック図である。また、図54は、本実施例に係る電源システムの起動動作を示す動作概念図であり、図55は、本実施例に係る電源システムの停止動作を示す動作概念図である。ここでも、上述した第2の参考実施形態乃至第4の参考実施形態と同様に、電源システムが接続されるデバイスとの間で所定の情報の通知を行う構成を有する場合について示すが、デバイスとの間で特別な通知を行わない構成(第1の参考実施形態に示した構成)を有するものであっても適用することができる。また、上述した各実施形態と同等の構成については、同一の符号を付して、その説明を簡略化又は省略する。
【0266】
本発明に係る電源システムに適用可能な燃料安定化手段は、図53に示すように、上述した各実施形態と同等の構成及び機能を有する発電モジュール10G、燃料パック20G及びI/F部30Gにおいて、I/F部30G又は燃料パック20Gのいずれか(ここでは、燃料パック20G)に、燃料パック20Gに封入された発電用燃料FLの封入状態(温度、圧力等)を検知して、該封入状態が所定のしきい値を超過した場合に、燃料パック20Gから発電モジュール10G(副電源部11、主発電部12)への発電用燃料FLの供給を停止する供給制御弁25と、燃料パック20G内の発電用燃料FLの封入状態(温度、圧力等)を検知して、該封入状態を所定の安定化状態に制御する圧力制御弁26が設けられた構成を有している。
【0267】
供給制御弁25は、燃料パック20Gに封入された発電用燃料FLの温度が所定のしきい値を超過して上昇することにより自動的に作動して、燃料送出経路への発電用燃料FLの送出を遮断する。具体的には、発電用燃料FLの温度の上昇に伴って燃料パック20G内の圧力が上昇することにより、弁が閉じる逆止弁を良好に適用することができる。
【0268】
また、圧力制御弁26は、燃料パック20Gに封入された発電用燃料FLの温度の上昇に伴って、燃料パック20G内の圧力が所定のしきい値を超過して上昇することにより自動的に作動して、燃料パック20G内の圧力を低下させる。具体的には、燃料パック20G内の圧力が上昇することにより、弁が開く圧力開放弁(リリース弁)を良好に適用することができる。
【0269】
これにより、例えば、電源システムをデバイスDVCに装着した状態で、発電モジュール10Gにおける電力の生成やデバイスの負荷の駆動に伴う発熱等により、燃料パック20G内の温度や圧力が上昇した場合には、自動的に発電用燃料FLの供給停止動作、圧力開放動作が行われるので、発電用燃料FLの封入状態を自立的に安定化することができる。
【0270】
そして、このような構成を有する電源システムにおいては、基本的には、上述した第2の参考実施形態(第1の参考実施形態における動作制御を同時並列的に実行した場合を含む)と同等の動作制御を適用することができるが、これに加えて、以下に示すような本実施例特有の動作制御を適用することができる。
第1の参考実施形態又は第2の参考実施形態に示した全体動作(図27、図34参照)の起動動作において、動作制御部13は、電圧モニタ部16を介して供給電力の電圧変化を検出した場合、又は、デバイスDVCに内蔵されたコントローラCNTから通知される、電力供給を要求する負荷駆動情報を受け取った場合には、起動制御部15に対して主発電部12を起動するための動作制御信号を出力する動作(ステップS104又はS204)に先立って、供給制御弁25の動作状態、すなわち、燃料パック20Gからの発電用燃料FLの供給状態を参照し、発電用燃料FLの封入状態が正常か否か(又は、主発電部12への発電用燃料の供給が可能か否か)を判断する。
【0271】
動作制御部13は、上記供給制御弁25の動作状態に基づいて、発電用燃料FLの封入状態が正常であり、主発電部12への発電用燃料の供給が可能であると判断した場合には、上述した第1の参考実施形態又は第2の参考実施形態に示した起動動作(ステップS104〜S106又はS204〜S206)を実行して、主発電部12により負荷駆動電力を生成して、所定の供給電力をデバイスDVCに供給する。
一方、動作制御部13は、図54に示すように、上記供給制御弁25の動作状態に基づいて、発電用燃料FLの封入状態が異常であり、主発電部12への発電用燃料の供給が遮断されていると判断した場合(封入異常を検出した場合)には、該封入異常に基づく起動異常信号を発電動作情報として、端子部ELxを介して、デバイスDVCのコントローラCNTに通知する。
【0272】
また、第1の参考実施形態又は第2の参考実施形態に示した全体動作(図27、図34参照)の定常動作において、供給電力のフィードバック制御中に、動作制御部13は、供給制御弁25の動作状態を逐次監視し、図55に示すように、燃料パック20G内おける発電用燃料FLの封入状態を安定化させるための圧力制御弁26による圧力開放動作(安定化動作)にも関わらず、発電用燃料FLの封入状態の異常を検出した場合には、主発電部12における電力の生成を停止するための動作制御信号を出力制御部14に対して出力することにより、主発電部12への発電用燃料の供給を遮断して、主発電部12の発電動作を停止するとともに、水素生成のための吸熱反応を促進するためのヒータの加熱を停止し、さらに、該封入異常又は主発電部12の動作停止に基づく異常停止信号を発電動作情報として、端子部ELxを介して、デバイスDVCのコントローラCNTに通知する。
【0273】
これにより、燃料パック20G内の発電用燃料FLの封入条件(温度、圧力等)の異常に起因する発電用燃料FLの変質や発電モジュール10Gにおける動作異常(例えば、供給電力の電圧不良)、燃料パック20Gから電源システム1外部への発電用燃料FLの漏出等の発生を未然に防止することができるとともに、デバイスDVCのユーザーに該封入異常に関する情報を通知して、デバイスの利用環境の改善や電源システムの交換等の適切な対処を講じるように促すことができるので、燃焼性の発電用燃料FLの安全性を確保した信頼性の高い電源システムを提供することができる。
【0274】
なお、上述した副生成物回収手段、残量検出手段及び燃料安定化手段については、これらを個別に上記実施形態に適用した場合のみを示したが、本発明はこれに限定されるものではなく、これらを適宜選択して、任意の組み合わせを適用するものであってもよいことはいうまでもない。これによれば、本発明に係る電源システムの環境への負荷やエネルギー変換効率、使用形態、安全性等のより一層の向上を図ることができる。
【0275】
<外形形状>
次に、本発明に係る電源システムに適用可能な外形形状について、図面を参照して説明する。
図56は、本発明に係る電源システムに適用可能な外形形状の具体例を示す概略構成図であり、図57は、本発明に係る電源システムに適用される外形形状と、汎用の化学電池の外形形状との対応関係を示す概念図である。
【0276】
上述したような構成を有する電源システムにおいて、燃料パック20をI/F部30を介して発電モジュール10に結合した状態、又は、これらを一体的に構成した状態における外形形状は、例えば、図56に示すように、JIS規格に則った汎用の化学電池に多用されている円形電池41、42、43や、特殊形状の電池(非円形電池)44、45、46の規格に則って、これらのいずれかと同等の外形形状及び寸法を有するように形成されているとともに、上述した発電モジュール10の副電源部11又は主発電部12により生成される電力(第1及び第2の電力)が、図56に示す各電池形状の正極(+)及び負極(−)の電極端子を介して出力されるように構成されている。
【0277】
ここで、発電モジュール10には上部に正極の端子が付属し、燃料パック20には負極の端子が付属しており、図示を省略するが、負極の端子は発電モジュール10に配線を介して接続されている。そして、発電モジュール10の側部に帯状に周回する端子部ELxが設けられ、デバイスDVCに電源システム1が収容されると、自動的に内部のコントローラCNTと端子部ELxとが電気的に接続され、負荷駆動情報を受信することが可能となる。なお、端子部ELxが正極及び負極と絶縁されていることはいうまでもない。
【0278】
具体的には、燃料パック20と発電モジュール10が結合した状態で、例えば、燃料電池を適用した主発電部(図19参照)においては、燃料電池本体210bの燃料極211が負極端子に、また、空気極212が正極端子に電気的に接続された構成を有している。また、ガス燃焼エンジンやロータリーエンジン等の内燃、外燃機関と電磁誘導等を利用した発電器(図21乃至図23参照)とを組み合わせた構成や、温度差発電器やMHD発電器を適用した主発電部(図24、図25参照)においては、各々の発電器の出力端子が正極端子及び負極端子に電気的に接続された構成を有している。
【0279】
ここで、円形電池41、42、43は、具体的には、市販のマンガン乾電池やアルカリ乾電池、ニッケル・カドミウム電池、リチウム電池等に最も多用され、対応する機器も多いシリンダ型(円柱型:図56(a))や、腕時計等に利用されるボタン型(図56(b))、カメラや電子手帳等に利用されるコイン型(図56(c))等の外形形状を有している。
一方、非円形電池44、45、46は、具体的には、コンパクトカメラやデジタルスチルカメラ等、使用する機器の形状等に対応して個別に設計(カスタマイズ)された特殊形状型(図56(d))や、携帯音響機器や携帯電話等の小型薄型化に対応した角形(図56(e))、平型(図56(f))等の外形形状を有している。
【0280】
なお、上述したように、本実施形態に係る電源システムに搭載される発電モジュール10の各構成は、既存のマイクロマシン製造技術を適用することにより、例えば、ミリメートルオーダー乃至ミクロンオーダーにマイクロチップ化、あるいは、マイクロプラント化することができる。また、発電モジュール10の主発電部12として、例えば、高いエネルギー利用効率を実現することができる燃料電池やガス燃料タービン等を適用することにより、既存の化学電池と同等(又は、それ以上)の電池容量を実現するために必要となる発電用燃料の量を比較的少量に抑制することができる。
【0281】
したがって、本実施形態に係る電源システムにおいて、図56に示した既存の電池形状を良好に実現することができ、例えば、図57(a)、(b)に示すように、燃料パック20を発電モジュール10に結合した状態、又は、両者を一体的に構成した状態における外形寸法(例えば、長さLa、直径Da)が、図57(c)に示すような汎用の化学電池47の外形寸法(例えば、長さLp、直径Dp)と略同等になるように構成することができる。
【0282】
なお、図57においては、本発明に係る電源システムの着脱構造(結合関係)と外観形状との関係を概念的に示したものにすぎず、具体的な電極構造等を考慮したものではない。本発明に係る電源システムに各電池形状を適用した場合の、発電モジュール10及び燃料パック20の着脱構造と、電極構造との関係については、後述する実施例において詳しく説明する。
【0283】
また、図57に示した外形形状はいずれも、日本国内の規格に則って市販、又は、デバイスに付属して流通、販売されている化学電池の一例であって、本発明の適用が可能な構成例のごく一部を示したものに過ぎない。すなわち、本発明に係る電源システムに適用可能な外形形状は、上記具体例以外であってもよく、例えば、世界各国で流通、販売されている化学電池、あるいは、将来実用化が予定されている化学電池の形状に合致し、さらには、電気的特性をも合致するように設計することができることはいうまでもない。
【0284】
次いで、本発明に係る電源システムに上述した各電池形状を適用した場合の発電モジュール10及び燃料パック20の着脱構造と、電極構造との関係について、図面を参照して詳しく説明する。
(着脱構造の第1の実施例)
図58(a)〜図58(d)及び図58(e)〜図58(h)は、それぞれ本発明の第1の実施例に係る電源システムの燃料パック及びホルダー部を上方向、前方向、横方向、後方向から見た外形形状を示す概略構成図であり、図59は、本実施例に係る電源システムにおける発電モジュール及び燃料パックの着脱構造を示す概略図である。ここで、上述した各実施形態と同等の構成については、その説明を簡略化又は省略する。
【0285】
図58(a)〜図58(d)及び図58(e)〜図58(h)に示すように、本実施例に係る電源システムは、発電用燃料が所定の条件で封入された燃料パック51と、該燃料パックが着脱可能に構成されたホルダー部52と、を備えて構成されている。ここで、燃料パック51は、上述した各実施形態と同等の構成及び機能を有しているので、その説明を省略する。
【0286】
ホルダー部52は、大別して、上述した実施形態と同等の構成を有する発電モジュール10X及びI/F部が収納され、正極端子EL(+)が設けられた発電部52aと、負極端子EL(−)が設けられた対向部52bと、発電部52aと対向部52bを連結するとともに、発電部52aと負極端子EL(−)を電気的に接続する連結部52cと、を有して構成されている。ここで、発電部52a、対向部52b及び連結部52cにより囲まれた貫通した空間SP1が、上記燃料パック51を結合した際の収納位置となる。さらに、ホルダー部52は、対向部52bの当接部分の周囲にバネ材等の弾性を有し、中央に孔を有する凸部52dと、凸部52の孔及び発電モジュール10の副生成物供給経路17aを連結する副生成物回収経路52eと、を備えている。
【0287】
このような構成を有する電源システムにおいて、図59(a)に示すように、発電部52a、対向部52b及び連結部52cにより構成される空間SP1に対して、燃料パック51の燃料供給弁24Aが設けられた燃料送出口(一端側)51aをホルダー部52に当接させて支点とし、燃料パック51の他端側51bを旋回させて押し込むことにより(図中、矢印P9)、図59(b)に示すように、該燃料パック51の底部(他端側)51bが対向部52bに当接して、燃料パック51が空間SP1に収納される。このとき燃料送出経路となる燃料送出管52fが、バネで姿勢が固定されている燃料供給弁24Aを押し下げて燃料パック51の漏出防止機能が解除されて、燃料パック51に封入された発電用燃料FLが、毛細管52g内及び燃料送出管52f内での表面張力により自動的に搬送されて発電モジュール10Xに供給される。
【0288】
ここで、電源システムは、燃料パック51が空間SP1に収納され、ホルダー部52に結合された状態において、例えば、上述した円柱形状の汎用の化学電池(図56(a)、図57(c)参照)と略同等の外形形状及び寸法を有するように構成されている。また、このとき、燃料パック51が空間SP1に正常に収納された状態で、燃料パック51の燃料送出口51aが発電部52a側の燃料送出経路に良好に当接して接続するように、燃料パック51の他端側51bを適当な力で押圧するとともに、燃料パック51がホルダー部52から不用意に脱落することを防止するために、燃料パック51の他端側51bと対向部52bの当接部分が適当な押圧力で係合するように構成されていることが望ましい。
【0289】
具体的には、図59(a)、(b)に示すように、例えば、副生成物である水等を回収するために燃料パック51の他端側51bに形成された副生成物取込弁24Bが配置された凹部と、対向部52bの当接部分の周囲にバネ材等の弾性を有する凸部52dと、の間での係合機構を適用することができる。このとき、凸部52dに押し上げられることにより、副生成物取込弁24Bが閉じた状態から開いた状態になるとともに、副生成物回収経路52eと連結するため、副生成物回収経路52eからの副生成物が、燃料パック51内に設けられた回収袋23に回収可能となる。
【0290】
これにより、上述した全体動作(図27、図34参照)において説明したように、副電源部11において、自立的に電力(第2の電力)が生成されて、少なくとも、発電モジュール10内の動作制御部13に動作電力が供給される。また、本実施形態に係る電源システムが所定のデバイスDVCに装着されることにより、副電源部11により生成された電力の一部が発電部52aに設けられた正極端子EL(+)及び対向部52bに設けられた負極端子EL(−)を介して、デバイスDVCに内蔵されたコントローラCNTに駆動電力(コントローラ電力)として供給される(初期動作)。
【0291】
したがって、汎用の化学電池と同様に簡易に取り扱うことができ、汎用の化学電池と同一又は同等の外形形状及び寸法(ここでは、円柱形状)を有するとともに、同一又は同等の電気的特性を有する電力を供給することができる完全互換の電源システムを実現することができるので、既存の携帯機器等のデバイスに対して、汎用の化学電池と全く同様に、動作電力として適用することができる。
【0292】
特に、本実施例に係る電源システムにおいて、発電モジュールとして燃料電池を備えた構成を適用し、かつ、発電部52a(発電モジュール10X)に対して着脱可能に構成された燃料パック51として、上述した分解性プラスチック等の材料を適用することにより、環境への影響(負担)を抑制しつつ、高いエネルギー利用効率を実現することができるので、既存の化学電池の投棄や埋め立て処理による環境問題やエネルギー利用効率の問題等を良好に解決することができる。また、本実施例に係る電源システムによれば、燃料パック51が収納されるホルダー部52側の空間SP1が、貫通形状を有しているので、燃料パック51の対向する側面部を把持しながらホルダー部52に着脱することができるので、燃料パック51の着脱を簡易かつ確実に行うことができる。
【0293】
(着脱構造の第2の実施例)
図60(a)〜図60(c)は、それぞれ本発明の第2の実施例に係る電源システムの燃料パックを前方向、横方向、後方向から見た外形形状を示す概略構成図であり、図60(d)〜図60(g)は、それぞれ本発明に係る電源システムのホルダー部を前方向、上方向、後方向、横方向から見た外形形状を示す概略構成図であり、図61は、本実施例に係る電源システムにおける発電モジュール及び燃料パックの着脱構造を示す概略図である。ここで、上述した各実施形態と同等の構成については、その説明を簡略化又は省略する。
【0294】
図60(a)〜図60(g)に示すように、本実施例に係る電源システムは、発電用燃料が所定の条件で封入された燃料パック61と、該燃料パック61が着脱可能に構成されたホルダー部62と、を備えて構成されている。ここで、燃料パック61は、上述した各実施形態と同等の構成及び機能を有しているので、その説明を省略する。
【0295】
ホルダー部62は、大別して、発電モジュール10Xが収納され、正極端子EL(+)が設けられた発電部62aと、負極端子EL(−)が設けられた対向部62bと、発電部62aと対向部62bを連結するとともに、発電部62aと負極端子EL(−)を電気的に接続する連結部62cと、を有して構成されている。ここで、発電部62a、対向部62b及び連結部62cにより囲まれた凹状の空間SP2が、上記燃料パック61を結合した際の収納位置となる。
【0296】
このような構成を有する電源システムにおいて、図61(a)に示すように、発電部62a、対向部62b及び連結部62cにより構成される空間SP2に対して、燃料パック61の燃料送出口61aを発電部62a側の燃料送出経路に当接させつつ、燃料パック61を嵌合させることにより(図中、矢印P10)、図61(b)に示すように、燃料パック61が空間SP2に収納されるとともに、燃料パック61の漏出防止機能が解除されて、燃料パック61に封入された発電用燃料FLが燃料送出経路を介して、発電部62aに内蔵された発電モジュール10Xに供給される。
【0297】
ここで、電源システムは、上述した第1の実施例と同様に、燃料パック61が空間SP2に収納され、ホルダー部62に結合された状態において、例えば、上述した円柱形状の汎用の化学電池(図56(a)、図57(c)参照)と略同等の形状及び寸法を有するように構成されている。また、このとき、燃料パック61が空間SP2に正常に収納された状態で、燃料パック61がホルダー部62から不用意に脱落することを防止するために、燃料パック61の外形形状がホルダー部62の空間SP2の内部形状に係合する構成を有することが望ましい。
【0298】
これにより、上述した第1の実施例と同様に、汎用の化学電池と同様に簡易に取り扱うことができ、かつ、汎用の化学電池と同一又は同等の外形形状及び電気的特性を有する完全互換型のポータブル型の電源システムを実現することができる。また、発電モジュールに適用する発電装置の構成や着脱可能な燃料パックの構成材料を適切に選択することにより、環境への影響を大幅に抑制して、既存の化学電池の投棄や埋め立て処理による環境問題やエネルギー利用効率の問題等を良好に解決することができる。
【0299】
(着脱構造の第3の実施例)
図62(a)〜図62(c)は、それぞれ本発明の第3の実施例に係る電源システムの燃料パックを前方向、横方向、後方向から見た外形形状を示す概略構成図であり、図62(d)〜図62(f)は、それぞれ本発明に係る電源システムのホルダー部を前方向、横方向、後方向から見た外形形状を示す概略構成図であり、図63は、本実施例に係る電源システムにおける発電モジュール及び燃料パックの着脱構造を示す概略図である。ここで、上述した各実施形態と同等の構成については、その説明を簡略化又は省略する。
【0300】
図62(a)〜図62(f)に示すように、本実施例に係る電源システムは、発電用燃料が所定の条件で封入された燃料パック71と、該燃料パック71が複数本収納可能に構成されたホルダー部72と、を備えて構成されている。ここで、燃料パック71は、上述した各実施形態と同等の構成及び機能を有しているので、その説明を省略する。
【0301】
ホルダー部72は、大別して、発電モジュール10Xが収納され、同一端面に正極端子EL(+)及び負極端子EL(−)が設けられた発電部72aと、発電部72aとの間に空間SP3を有するように設けられた上部カバー72bと、空間SP3への燃料パック71の収納、取り出しを可能とするとともに、空間SP3内に収納された燃料パック71を押圧固定する開閉カバー72cと、を有して構成されている。
【0302】
このような構成を有する電源システムにおいて、図63(a)に示すように、ホルダー部72の開閉カバー72cを開状態として空間SP3の一面側を開放状態として、複数本(ここでは、2本)の燃料パック71を同一の向きに挿入した後、図63(b)、(c)に示すように、開閉カバー72cを閉状態とすることにより、燃料パック71が空間SP3に収納されるとともに、開閉カバー72cが燃料パック71の他端側71bを押圧して、燃料パック71の燃料送出口71aを発電部72a側の燃料送出経路(I/F部;図示を省略)に当接させることにより、燃料パック71の漏出防止機能が解除されて、燃料パック71に封入された発電用燃料FLが燃料送出経路を介して、発電部72aに内蔵された発電モジュール10Xに供給される。
ここで、電源システムは、燃料パック71が空間SP3に収納され、ホルダー部72に結合された状態において、例えば、上述した特殊形状の化学電池(図90(d)参照)と略同等の外形形状及び寸法を有するように構成されている。
【0303】
これにより、上述した各実施例と同様に、既存の化学電池と同一又は同等の外形形状及び電気的特性を有する完全互換型のポータブル型の電源システムを実現することができるとともに、発電モジュールに適用する発電装置の構成や着脱可能な燃料パックの構成材料を適切に選択することにより、環境への影響を大幅に抑制して、既存の化学電池の投棄や埋め立て処理による環境問題やエネルギー利用効率の問題等を良好に解決することができる。
【0304】
(着脱構造の第4の実施例)
図64(a)〜図64(c)は、それぞれ本発明の第4の実施例に係る電源システムの燃料パックを前方向、横方向、後方向から見た外形形状を示す概略構成図であり、図64(d)〜図64(f)は、それぞれ本発明に係る電源システムのホルダー部を上方向、横方向、前方向から見た外形形状を示す概略構成図であり、図65は、本実施例に係る電源システムにおける発電モジュール及び燃料パックの着脱構造を示す概略図である。ここで、上述した各実施形態と同等の構成については、その説明を簡略化又は省略する。
【0305】
図64(a)〜図64(f)に示すように、本実施例に係る電源システムは、発電用燃料が所定の条件で封入された燃料パック81と、該燃料パック81が複数本収納可能に構成されたホルダー部82と、を備えて構成されている。ここで、燃料パック81は、上述した各実施形態と同等の構成及び機能を有しているので、その説明を省略する。
【0306】
ホルダー部82は、大別して、発電モジュール10Xが収納され、同一端面に正極端子EL(+)及び負極端子EL(−)が設けられた発電部82aと、発電部82aと対向する面を有する対向部82bと、発電部82aと対向部82bを連結するベース部82cと、を有して構成されている。ここで、発電部82a、対向部82b及びベース部82cにより囲まれた凹状の空間SP4が、上記燃料パック81を結合した際の収納位置となる。
【0307】
このような構成を有する電源システムにおいて、図65(a)に示すように、発電部82a、対向部82b及びベース部82cにより構成される空間SP4に対して、燃料パック81の燃料送出口(一端側)81aを発電部82a側の燃料送出経路(I/F部;図示を省略)に当接させて支点とし、燃料パック81の他端側81bを旋回させて押し込むことにより(図中、矢印P11)、図65(b)に示すように、該燃料パック81の他端側81bが対向部82bに当接して固定され、複数本(ここでは、2本)の燃料パック81が空間SP4に同一の向きに収納される。このとき、燃料パック81の漏出防止機能が解除されて、燃料パック81に封入された発電用燃料FLが燃料送出経路を介して、発電部82aに内蔵された発電モジュール10Xに供給される。
【0308】
ここで、電源システムは、燃料パック81が空間SP4に収納され、ホルダー部82に結合された状態において、例えば、上述した特殊形状の化学電池(図35(d)参照)と略同等の外形形状及び寸法を有するように構成されている。また、このとき、燃料パック81が空間SP4に正常に収納された状態で、燃料パック81の燃料送出口81aが発電部82a側の燃料送出経路に良好に当接して接続するとともに、燃料パック81がホルダー部82から不用意に脱落することを防止するために、上述した第1の実施例と同様に、図65(a)、(b)に示すように、燃料パック81の他端側81bと対向部82bの当接部分が適当な押圧力で係合するように構成されている。
【0309】
これにより、上述した各実施例と同様の作用効果を有する電源システムを実現することができる。
なお、ホルダー部62、72、82には、いずれもホルダー部52の燃料送出管52fと同等の機能を有する燃料送出管が設けられ、さらに、いずれも副生成物回収経路52eと同等の副生成物回収経路が設けられている。
【0310】
(具体的構成例)
次に、上述した各実施形態(各構成例を含む)のいずれかを適用した電源システム全体の具体構成例について、図面を参照して説明する。
図66は、本発明に係る電源システム全体の具体構成例を示す概略構成図である。また、図67は、本具体構成例に適用される燃料改質部の一構成例を示す概略図であり、図68は、本具体構成例に適用される燃料改質部の他の構成例を示す概略図である。ここでは、発電モジュールに設けられる副電源部11として燃料直接供給方式の燃料電池が適用され、主発電部12として燃料改質方式の燃料電池が適用されているものとする。また、上述した各実施形態及び各構成例を適宜参照し、同等の構成については、同一の符号を付して、その説明を簡略化する。
【0311】
図66に示すように、本具体構成例に係る電源システム1Aは、図2に示したように、発電モジュール10と燃料パック20がI/F部30を介して着脱可能に構成され、全体として図56(a)又は図57に示したように円柱形状からなる外形形状を有している。また、これらの構成(特に、発電モジュール10)が、マイクロマシン製造技術等を用いて微小空間に構成され、汎用の化学電池と同等の外形寸法を有するように構成されている。
【0312】
発電モジュール10は、概略、円柱形状の円周側面に沿って延在し、相互に分離して積層形成された燃料電池からなる副電源部11及び主発電部12と、円柱状の発電モジュール10内部に、深さ及び幅がそれぞれ500μm以下の燃料流路が接続されるように積層形成された水蒸気改質反応ユニット210A(燃料改質部210a)と選択酸化反応ユニット210C(選択酸化触媒部210c)と、発電モジュール10内部にマイクロチップ化されて収納された動作制御部13及び起動制御部15等を搭載したコントロールチップ90と、発電モジュール10の円柱側面から上記副電源部11及び主発電部12の空気極112、212まで貫通し、外部の空気を取り入れる複数の通気孔(スリット)14cと、上記空気極112、212側において生成される副生成物(水等)を液化(凝縮)して分離回収する分離回収部17と、回収した副生成物の一部を水蒸気改質反応ユニット210Aに供給する副生成物供給経路16aと、円柱上面から上記主発電部12の空気極まで貫通し、少なくとも、主発電部の燃料極側や水蒸気改質反応ユニット210A、選択酸化反応ユニット210Cにおいて生成され、非回収物質である副生成物(二酸化炭素等)を発電モジュールの外部に排出する排出孔14dと、を備えて構成されている。
【0313】
燃料パック20(51、61、71、81)は、概略、図48に示した構成と同様に、主発電部12や必要に応じて副電源部11に供給される発電用燃料FLが充填、封入される燃料封入空間22Aと、上記分離回収部17により回収された副生成物(水)を固定的に保持する回収保持空間22B(回収保持部21)と、発電モジュール10との境界にあって、発電用燃料FLの漏出を防止する燃料供給弁24A(燃料漏出防止手段)と、回収保持された副生成物(回収物)の漏出を防止する副生成物取込弁24B(回収物漏出防止手段)と、を有して構成されている。ここで、燃料パック20は、上述したような分解性プラスチックにより形成されている。
【0314】
このような構成を有する燃料パック20を発電モジュール10及びI/F部30と結合すると、燃料送出管52fがバネで姿勢が固定されている燃料供給弁24Aを押し下げて燃料パック51の漏出防止機能が解除され、燃料パック51に封入された発電用燃料FLが毛細管52g内及び燃料送出管52f内での表面張力により発電モジュール10まで自動的に搬送される。また、燃料パック20を発電モジュール10及びI/F部30から外すと、燃料供給弁24Aがバネの復元力で元の閉じた状態になって、発電用燃料FLが漏れないようになる。
【0315】
また、I/F部30は、燃料パック20に封入された発電用燃料FLを主発電部12や必要に応じて副電源部11に供給する燃料送出経路31と、上記主発電部12及び場合によって副電源部11において生成され、分離回収部17により回収された副生成物(水)の全部又は一部を、燃料パック20に送出する副生成物回収経路32と、を有して構成されている。
なお、図示を省略したが、燃料パック20又はI/F部30には、図49、図53に示したように、燃料パック20に封入された発電用燃料FLの残量を検出する残量検出手段や、発電用燃料の封入状態を安定化させる燃料安定化手段が設けられた構成を有していてもよい。
【0316】
ここで、本具体構成例に係る電源システムに適用される水蒸気改質反応ユニット210Aの構成は、例えば、図67に示すように、シリコン等の微小基板201の一面側に、半導体製造技術等の微細加工技術を用いて、所定の溝形状及び所定の平面パターンを有するように設けられた燃料吐出部202a、水吐出部202b、燃料気化部203a、水気化部203b、混合部203c、改質反応流路204、水素ガス排気部205と、上記改質反応流路204の形成領域に対応する領域であって、例えば、微小基板201の他面側に設けられた薄膜ヒータ206と、を備えて構成されている。
【0317】
燃料吐出部202a及び水吐出部202bは、上述したような水蒸気改質反応における原料物質となる発電用燃料及び水を、例えば、所定の単位量ごとに液状粒として流路内に吐出する流体吐出機構を有している。したがって、燃料吐出部202a及び水吐出部202bにおける発電用燃料又は水の吐出量に基づいて、例えば、上記化学反応式(3)式に示した水蒸気改質反応の進行状態が制御されることになるため(詳しくは、後述する薄膜ヒータ206からの熱量も密接に関連する)、燃料吐出部202a及び水吐出部202bは、上述した出力制御部14(燃料制御部14a)における燃料供給量の調整機能の一部を担う構成を有している。
【0318】
燃料気化部203a及び水気化部203bは、それぞれ発電用燃料及び水の沸点等の揮発条件に応じて加熱されるヒータであって、燃料吐出部202a及び水吐出部202bから液状粒として吐出された発電用燃料又は水を、加熱処理あるいは減圧処理等することにより、図20(a)に示した蒸発過程を実行して気化し、混合部203cにおいて、燃料ガスと水蒸気の混合ガスを生成する。
【0319】
改質反応流路204及び薄膜ヒータ206は、上記混合部203cにおいて生成された混合ガスを改質反応流路204に導入し、改質反応流路204の内壁面に付着形成された銅-錫(Cu-Zn)系の触媒(図示を省略)、及び、改質反応流路204の形成領域に対応して設けられた薄膜ヒータ206から、改質反応流路204に供給される所定の熱エネルギーに基づいて、図20(a)及び上記化学反応式(3)に示した水蒸気改質反応を生じさせて、水素ガス(H)を生成する(水蒸気改質反応過程)。
【0320】
水素ガス排気部205は、改質反応流路204において生成された一酸化炭素等を含む水素ガスを排出して、選択酸化反応ユニット210Cにおける水性シフト反応過程及び選択酸化反応過程を介して、一酸化炭素(CO)を除去した後、主発電部12を構成する燃料電池の燃料極に供給する。これにより、主発電部12において、上記化学反応式(6)及び(7)に基づく一連の電気化学反応が生じて、所定の電力が生成される。
【0321】
このような構成を有する電源システムにおいて、上述した全体動作(初期動作、起動動作、定常動作、停止動作)に則して、例えば、I/F部30を介して発電モジュール10に燃料パック20が結合されると、燃料供給弁24A(燃料漏出防止手段)による漏出防止機能が解除されて、燃料パック20の燃料封入空間22Aに封入された発電用燃料(例えば、メタノール)FLが、燃料送出経路31を介して直接副電源部11を構成する燃料電池の燃料極に供給されて、第2の電力が生成される。この電力は、コントロールチップ90に搭載された動作制御部13に動作電力として供給されるとともに、電源システム1Aが図示を省略した正極端子及び負極端子を介して電気的に接続されたデバイスDVC(図示を省略)に内蔵されたコントローラCNTに駆動電力として供給される。
【0322】
そして、動作制御部13が上記コントローラCNTからデバイスDVCの負荷LDの駆動状態に関する情報を受け取ると、起動制御部15に動作制御信号を出力して、副電源部11により生成される電力の一部を用いて、水蒸気改質反応ユニット210Aの薄膜ヒータ206を加熱するとともに、所定量の発電用燃料及び水を水蒸気改質反応ユニット210Aの改質反応流路204に吐出する。これにより、上述した化学反応式(3)〜(5)に示した水蒸気改質反応及び選択酸化反応により、水素ガス(H)及び二酸化炭素(CO)が生成され、水素ガス(H)は、主発電部12を構成する燃料電池の燃料極に供給されて第1の電力が生成され、デバイスDVCの負荷LDに負荷駆動電力として供給されるとともに、二酸化炭素(CO)は、例えば、発電モジュール10の上面に設けられた排出孔14dを介して発電モジュール10(電源システム1A)の外部に排出される。
【0323】
また、主発電部12における発電動作に際して生成される副生成物(水蒸気等の気体)は、分離回収部17において、冷却されて液化されることにより、水とそれ以外の気体成分とに分離し、水のみを回収して一部を副生成物供給経路16aを介して、上記水蒸気改質反応ユニット210Aに供給するとともに、それ以外の水を副生成物回収経路32を介して、燃料パック20内の回収保持空間22Bに不可逆的に保持される。
【0324】
したがって、本具体構成例に係る電源システム1Aによれば、電源システム1Aの外部から燃料の補給を受けることなく、駆動される負荷(デバイスDVC)の駆動状態に応じた適切な電力(第1の電力)を自立的に出力することができるので、汎用の化学電池と同等の電気的特性及び簡易な取り扱いを実現しつつ、高いエネルギー変換効率で発電動作を行うことができるとともに、少なくとも燃料パック20の自然界への投棄、埋め立て等に対して、環境への負担が少ないポータブル型の電源システムを実現することができる。
【0325】
なお、本具体構成例においては、主発電部12や水蒸気改質反応ユニット210A等において生成され、回収された副生成物(水)の一部を水蒸気改質反応ユニット210Aに供給して再利用する構成を示したが、このような構成を適用しない電源システムにおいては、燃料パック20に発電用燃料(メタノール等)とともに封入された水を利用して、水蒸気改質反応ユニット210Aにおける水蒸気改質反応を実行する。
【0326】
したがって、このように予め水が混合して封入された発電用燃料を用いて発電動作を行う場合にあっては、図68に示すように、水蒸気改質反応ユニット210Aの構成として、微小基板201の一面側に、燃料吐出部202、燃料気化部203、改質反応流路204及び水素ガス排気部205のみからなる単一の流路が形成された構成を適用することができる。
【0327】
以上説明したように、本発明に係る電源システムは、上述した各構成例の部材、各実施形態の発電モジュール、並びに各実施例の着脱構造を任意に組み合わせてなるものであり、場合によっては、副電源部や主発電部の少なくとも一方を複数個を並列に設けたり、複数種を並列に設けてもよく、このような構成によりデバイスの起動状態に応じて主発電部の駆動が制御されるので、発電用燃料の浪費を抑制して、エネルギー資源の利用効率を向上することができ、リムーバルの汎用電池を電源として適用していた携帯電話や携帯情報端末(PDA)、ノート型パーソナルコンピュータ、デジタルビデオカメラやデジタルスチルカメラ等の携帯機器に広く利用することができる。
【0328】
【発明の効果】
以上説明したように、本発明によれば、燃料封入部(燃料パック)に充填、封入された液体又は気体からなる発電用燃料、又は、該発電用燃料から供給される特定の成分(例えば、水素)を用いて発電を行う発電モジュール(発電装置)において、該電源システムから供給される電力より駆動する負荷を備えた機器(デバイス)の駆動状態を、例えば、発電モジュールから負荷に対して供給される電力の電圧成分の変化を検出することにより監視し、該駆動状態の変化(検出された電圧成分の変化)に応じて、発電モジュールにおける発電状態(起動動作、停止動作、定常状態における発電量等)をフィードバック制御するように構成されている。ここで、該フィードバック制御に係る電圧範囲の規定値は、例えば、負荷を備えた機器に設けられ、該負荷の駆動状態を制御する負荷駆動制御手段(コントローラ)から通知される電力要求に応じて、変更制御される。また、本発明の発電モジュールは、発電用燃料の温度が所定のしきい値を超過して上昇することにより燃料封入部内の発電用燃料の送出を遮断する供給制御弁及び燃料封入部内の圧力を低下させる圧力制御弁の少なくとも一方を有し、燃料封入部に封入された発電用燃料の封入状態を検出して安定化させる燃料安定化手段と、電圧成分の変化に応じて、少なくとも出力制御部を制御し、第1の電源手段により生成される第1の電力の発生量を制御し、燃料安定化手段により検出される発電用燃料の封入状態を随時参照し、該封入状態に異常がある場合には、第1の電源手段の動作を停止させる停止動作を行う動作制御部と、を備える。
【0329】
これにより、負荷の駆動状態に応じて、発電モジュールにおける発電動作の起動制御、停止制御、フィードバック制御等を行うことができるので、本発明に係る発電モジュールを備えた電源システムを、所定の電極端子を介して、負荷を備えた機器に直接接続する簡易な取り扱い方法により、機器の駆動状態(消費電力)に応じた適切な電力を供給して、安定かつ良好な動作を実現することができるとともに、発電用燃料の浪費を抑制して、エネルギー資源の有効利用を図ることができる。
【0330】
そして、本発明に係る発電モジュールは、このような特徴を実現するために、発電モジュールが、発電用燃料を用いて上記負荷を駆動するための第1の電力(負荷駆動電力)を発生する第1の電源手段と、第1の電源手段を動作制御するとともに、上記負荷駆動制御手段に前記負荷を駆動制御するための第2の電力(動作電力、負荷制御電力)を発生する第2の電源手段と、第2の電力により動作し、少なくとも、第1の電源手段における動作状態を制御するシステム制御手段と、を具備し、該システム制御手段が、少なくとも、第1の電源手段の動作状態を制御して、第1の電力の発生量を調整する出力制御部と、負荷の駆動状態に応じて変化する前記第1の電力及び前記第2の電力のいずれかの電圧成分を検出する電圧検出部と、前記電圧成分の変化に応じて、少なくとも前記出力制御部を制御し、第1の電源手段への発電用燃料の供給量を制御することにより、第1の電力の発生量を制御する動作制御部と、を備えた構成を有していることにより、第1の電源手段における発電状態(起動動作、停止動作、定常状態における第1の電力の発生量)を自立的に制御することができるので、負荷の駆動状態に応じた適切な電力を発生、出力することができ、発電用燃料の浪費を抑制して、エネルギー資源の利用効率を高めた発電モジュールを提供することができる。
【0331】
そして、本発明に係る発電モジュールの動作制御(すなわち、発電モジュールにおける発電状態の制御)は、負荷が駆動していない状態において、上記電圧検出部により検出される電力の電圧成分を常時参照し、該電圧成分が所定の規定値を下回る電圧低下が発生した場合には、機器において負荷が駆動したものと判断して、起動制御手段を制御して第1の電源手段を所定の動作状態に移行させる起動動作を行うことにより、電源システムを、汎用の化学電池と同様に、所定の電極端子を介して、負荷を備えた機器に接続する簡易な形態により、負荷の駆動に伴う負荷駆動制御電力(第2の電力)の電圧成分の変化に基づいて、発電モジュール(第1の電源手段)における発電動作を起動し、負荷の駆動状態に応じた電力(負荷駆動電力)の供給を開始することができるので、発電用燃料の効率的な消費を図りつつ、負荷を良好に駆動させることができる。
【0332】
また、他の起動動作の手法としては、負荷が駆動していない状態において、動作制御部は、上記負荷駆動制御手段から負荷を駆動するための電力要求(電力供給要求)を受け取ったときには、該電力要求に基づく制御信号を起動制御手段に出力して、第1の電源手段を所定の動作状態に移行させる起動動作を行うとともに、該起動動作に伴って発電モジュールにおいて生成、出力される電力(負荷に供給される第1の電力)の電圧成分に関する情報(出力電圧データ)を電圧検出部により検出して、負荷駆動制御手段に通知するように制御し、さらに、負荷に供給される電力の電圧成分が、負荷駆動制御手段からの電力要求に基づく電位に達した場合には、第1の電源手段の起動動作の終了情報を負荷駆動制御手段に通知するものであってもよく、これによれば、所定の電極端子を介して、負荷及び負荷駆動制御手段を備えた機器に接続する簡易な形態により、負荷駆動制御手段からの電力供給要求に基づいて、発電モジュール(第1の電源手段)における発電動作を起動し、負荷の駆動状態に応じた電力(負荷駆動電力)の供給を開始することができるとともに、機器側(負荷駆動制御手段)に対して、発電モジュールにおける発電状態に関する情報を通知することができるので、発電モジュールの発電状態(起動動作)を確認しつつ、安定かつ良好に負荷を駆動させるように制御することができる。
【0333】
また、本発明に係る発電モジュールにおいて、動作制御部は、負荷に供給される電力の電圧成分が、上記フィードバック制御に関わらず、所定の電圧範囲を逸脱する状態、例えば、所定の規定値を上回る電圧上昇が所定時間以上継続した場合には、機器において負荷がなくなったものと判断して、第1の電源手段の動作を停止させる停止動作を行い、さらに、発電モジュールを備えた電源システムが接続される機器が負荷及び負荷駆動制御手段を備えた構成である場合には、該第1の電源手段の動作停止情報を、負荷駆動制御手段に通知するものであってもよく、これによれば、負荷の駆動停止や消滅に伴う負荷駆動制御電力(第2の電力)の電圧成分の上昇変化に基づいて、発電モジュール(第1の電源手段)における発電動作を停止して、負荷の有無に応じた電力の供給制御を行うことができるので、発電用燃料の効率的な消費を図ることができる。また、負荷駆動制御手段を備えた機器に対して、電源システムにおける発電状態(停止動作)に関する情報(自動電源遮断情報)を通知することができるので、機器側で電源システムの発電状態を正確に把握することができる。
【0334】
また、本発明に係る発電モジュールにおいて、動作制御部は、負荷駆動制御手段から通知される負荷を停止する電力要求(電力遮断要求)に基づいて、第1の電源手段の動作を停止させる停止動作を行うとともに、該第1の電源手段の動作停止情報を、負荷駆動制御手段に通知することができるので、負荷駆動制御手段からの電力遮断要求に基づいて、発電モジュール(第1の電源手段)における発電動作を停止して、負荷の有無に応じた電力の供給制御を行うことができるとともに、機器側(負荷駆動制御手段)に対して、電源システムにおける発電状態(停止動作)に関する情報を通知することができるので、機器側で電源システムの発電状態を正確に把握することができる。
【0335】
さらに、本発明に係る発電モジュールにおける他の起動動作の手法としては、燃料封入部に封入された発電用燃料の残量が常時検出され、残量に関する情報(残量データ)や残量不足等に伴う発電用燃料の異常を機器側(負荷駆動制御手段)に通知することができるので、機器側で発電用燃料の残量等を正確に把握して、発電用燃料の残量や機器の駆動可能推定時間、あるいは、電源システムの交換や発電用燃料の補充等を促す表示を行うことができ、汎用の化学電池を既存の機器の動作電力として適用した場合と同等の使用形態を実現することができる。
【0336】
また、本発明に係る発電モジュールにおけるさらに他の起動動作の手法としては、燃料封入部に封入された発電用燃料の封入状態が常時検出され、封入圧力や温度の上昇等に伴う発電用燃料の異常を機器側(負荷駆動制御手段)に通知することができるので、機器側で発電用燃料の封入状態等を正確に把握して、機器の利用環境の改善や燃料封入部、電源システムの交換等を促す表示を行うことができ、燃焼性や可燃性の発電用燃料を適用した電源システムにおける安全性や信頼性を良好に確保することができる。
【0337】
そして、上述したような発電モジュールにおいて、より好ましい態様は、第1の電源手段及び第2の電源手段が、共に燃料封入部から供給される発電用燃料を用いた電気化学反応により、第1の電力及び第2の電力を発生する燃料電池を有している構成であり、これにより、汎用の化学電池に比較して、極めてエネルギー利用効率の高い燃料電池を用いて、発電モジュールの動作電力及び負荷の駆動電力を生成することができるので、エネルギーの有効利用を図ることができるとともに、既存の化学電池と同等の電気的特性を得るために必要となる電源システム(発電モジュール及び燃料封入部)の規模を小型化することができる。
【0338】
また、上記発電モジュールにおいて、第1の電源手段のみを上記燃料電池により構成したものであってもよい。この場合、第1の電源手段は、燃料改質型の燃料電池としての構成を適用することが好ましく、このような構成によれば、燃料電池に供給される発電用燃料の量を制御することにより、第1の電源手段により生成される第1の電力の量を簡易に制御することができるとともに、発電用燃料の有する化学エネルギーから極めて高いエネルギー変換効率で電力を生成することができる発電モジュールを実現することができる。
【0339】
なお、上記発電モジュールにおいて、第1の電源手段に適用可能な構成としては、上記燃料電池の他に、燃料封入部から供給される発電用燃料の燃焼エネルギーに基づいて、第1の電力を発生する発電装置(ガス燃焼タービン、ロータリーエンジン、スターリングエンジン、パルス燃焼エンジン等と、電磁誘導や圧電変換の原理を用いた発電器との組み合わせ)や、発電用燃料を用いた燃焼反応により生じる熱エネルギーによる高温と電源システム内外の他の領域における定温との温度差に基づいて、熱電変換により電力を発生する発電装置(温度差発電器)、発電用燃料を用いた熱音響効果による外力発生効果に基づいて、電力を発生する発電装置(熱音響効果発電器)、発電用燃料を用いた電磁流体発電により電力を発生する発電装置(電磁流体力学発電器)等であってもよい。
【0340】
また、上記発電モジュールにおいて、第2の電源手段のみを上記燃料電池により構成したものであってもよい。この場合、第2の電源手段は、燃料直接供給型の燃料電池としての構成を適用することが好ましく、このような構成によれば、簡易な構成の燃料電池に燃料封入部から発電用燃料を供給するだけで、自立的かつ継続的に高いエネルギー変換効率で所定の電力(第2の電力)を生成してシステム制御手段に動作電力として供給することができるので、特別な操作を必要とすることなく、負荷の駆動状態に応じて第1の電力を出力することができ、汎用の化学電池と同等の簡易な取り扱いが可能な電源システムを提供することができるとともに、第2の電源手段の規模を小型化することができる。
【0341】
なお、上記発電モジュールにおいて、第1及び第2の電源手段としては、上述した燃料電池の他、発電用燃料を用いて高いエネルギー変換効率で第1及び第2の電力を生成することができ、かつ、小型化や微細化が可能な構成を有する種々の発電装置や蓄電装置の中から、電源システムの外形形状や電気的特性等に応じて適宜組み合わせた任意の構成を適用することができる。
また、上記発電モジュールに適用される発電用燃料は、少なくとも、水素を主成分とする、又は、水素からなる液体燃料、液化燃料、及び気体燃料のいずれかであって、特に、燃料封入部から発電モジュールに供給される際の常温、常圧等の所定の環境条件の下で気体状態にあるものを良好に適用することができるので、第1及び第2の電源手段における発電動作において、高いエネルギー変換効率で電力を生成することができるとともに、この発電動作に伴って電力以外に生成される副生成物を比較的簡易な処理で無毒化や難燃化することができ、自然環境等への影響を大幅に抑制することができる。
【0342】
また、上記発電モジュールは、第1の電源手段から出力される第1の電力により駆動する負荷に対して、システム全体が着脱可能な構成、もしくは、該負荷に対して、少なくとも燃料封入部が着脱可能な構成、又は、発電モジュールに対して、燃料封入部が着脱可能な構成を有していることが好ましく、これによれば、燃料封入部に封入された発電用燃料がなくなったときや少なくなったときに、燃料封入部を発電モジュールから取り外して新たな燃料封入部に交換、あるいは、燃料封入部に発電用燃料を注入して補充することができるので、発電モジュールを継続的に利用することができるとともに、電源システム全体又は燃料封入部をあたかも汎用の化学電池のように簡便に使用することができる。また、燃料封入部の交換や回収が可能となるので、電源システム自体の廃棄量を削減することができる。
【0343】
さらに、上記電源システムは、燃料封入部及び発電モジュールを組み合わせた物理的外形形状、又は、燃料封入部単独の物理的外形形状が、汎用の化学電池のうちの任意の1種、例えば、円形電池や単1型等のように日本工業規格で規格化された電池と同等の形状及び寸法を有するように構成されているものであってもよく、これによれば、上記電気的特性のみならず、外形形状においても、汎用の化学電池との高い互換性を実現することができるので、極めてエネルギー変換効率の高い電源システムを既存の化学電池の市場に支障なく普及させることができる。
【図面の簡単な説明】
【図1】 本発明に係る電源システムの適用形態を示す概念図である。
【図2】 本発明に係る電源システムの基本構成を示すブロック図である。
【図3】 本発明に係る電源システムに適用される発電モジュールの第1の参考実施形態を示すブロック図である。
【図4】 本実施形態に係る電源システム(発電モジュール)とデバイスとの電気的な接続関係を示す概略図である。
【図5】 本実施形態に係る発電モジュールに適用可能な副電源部の第1の構成例を示す概略構成図である。
【図6】 本実施形態に係る発電モジュールに適用可能な副電源部の第2の構成例を示す概略構成図である。
【図7】 本実施形態に係る発電モジュールに適用可能な副電源部の第3の構成例を示す概略構成図である。
【図8】 本実施形態に係る発電モジュールに適用可能な副電源部の第4の構成例を示す概略構成図である。
【図9】 本実施形態に係る発電モジュールに適用可能な副電源部の第5の構成例を示す概略構成図である。
【図10】 本実施形態に係る発電モジュールに適用可能な副電源部の第6の構成例を示す概略構成図である。
【図11】 本実施形態に係る発電モジュールに適用可能な副電源部の第7の構成例を示す概略構成図である。
【図12】 本実施形態に係る発電モジュールに適用可能な副電源部の第8の構成例を示す概略構成図である。
【図13】 本実施形態に係る発電モジュールに適用可能な副電源部の第8の構成例の他の例における動作状態(その1)を示す概略構成図である。
【図14】 本実施形態に係る発電モジュールに適用可能な副電源部の第8の構成例の他の例における動作状態(その2)を示す概略構成図である。
【図15】 本実施形態に係る発電モジュールに適用可能な副電源部の第8の構成例の他の例における動作状態(その3)を示す概略構成図である。
【図16】 本実施形態に係る発電モジュールに適用可能な副電源部の第8の構成例のさらに他の例における動作状態(その1)を示す概略構成図である。
【図17】 本実施形態に係る発電モジュールに適用可能な副電源部の第8の構成例のさらに他の例における動作状態(その2)を示す概略構成図である。
【図18】 本実施形態に係る発電モジュールに適用可能な副電源部の第8の構成例のさらに他の例における動作状態(その3)を示す概略構成図である。
【図19】 本実施形態に係る発電モジュールに適用可能な主発電部の第1の構成例を示す概略構成図である。
【図20】 本構成例に係る主発電部に適用される燃料改質部における水素生成過程を示す概念図である。
【図21】 本実施形態に係る発電モジュールに適用可能な主発電部の第2の構成例を示す概略構成図である。
【図22】 本実施形態に係る発電モジュールに適用可能な主発電部の第3の構成例を示す概略構成図である。
【図23】 本実施形態に係る発電モジュールに適用可能な主発電部の第4の構成例を示す概略構成図である。
【図24】 本実施形態に係る発電モジュールに適用可能な主発電部の第5の構成例を示す概略構成図である。
【図25】 本実施形態に係る発電モジュールに適用可能な主発電部の第6の構成例を示す概略構成図である。
【図26】 本実施形態に係る電源システムに適用される発電モジュールの一具体例の要部構成を示すブロック図である。
【図27】 本実施形態に係る電源システムの概略動作を示すフローチャートである。
【図28】 本実施形態に係る電源システムの初期動作(待機状態)を示す動作概念図である。
【図29】 本実施形態に係る電源システムの起動動作を示す動作概念図である。
【図30】 本実施形態に係る電源システムの定常動作(定常状態)を示す動作概念図である。
【図31】 本実施形態に係る電源システムの停止動作を示す動作概念図である。
【図32】 本発明に係る電源システムに適用される発電モジュールの第2の参考実施形態を示すブロック図である。
【図33】 本実施形態に係る電源システム(発電モジュール)とデバイスとの電気的な接続関係を示す概略図である。
【図34】 第2の参考実施形態に係る電源システムの概略動作を示すフローチャートである。
【図35】 本実施形態に係る電源システムの初期動作(待機状態)を示す動作概念図である。
【図36】 本実施形態に係る電源システムの起動動作(その1)を示す動作概念図である。
【図37】 本実施形態に係る電源システムの起動動作(その2)を示す動作概念図である。
【図38】 本実施形態に係る電源システムの定常動作(その1)を示す動作概念図である。
【図39】 本実施形態に係る電源システムの定常動作(その2)を示す動作概念図である。
【図40】 本実施形態に係る電源システムの停止動作(その1)を示す動作概念図である。
【図41】 本実施形態に係る電源システムの停止動作(その2)を示す動作概念図である。
【図42】 本実施形態に係る電源システムの停止動作(その3)を示す動作概念図である。
【図43】 本発明に係る電源システムに適用される発電モジュールの第3の参考実施形態を示すブロック図である。
【図44】 本発明に係る電源システムに適用される発電モジュールの第4の参考実施形態を示すブロック図である。
【図45】 本実施形態に係る発電モジュールに適用可能な副電源部の第1の構成例を示す概略構成図である。
【図46】 本実施形態に係る発電モジュールに適用可能な副電源部の第2の構成例を示す概略構成図である。
【図47】 本発明に係る電源システムに適用可能な副生成物回収手段の一実施例を示すブロック図である。
【図48】 本実施例に係る副生成物回収手段による副生成物の保持動作を示す概略図である。
【図49】 本発明に係る電源システムに適用可能な残量検出手段の一実施例を示すブロック図である。
【図50】 第1の本実施例に係る電源システムの起動動作を示す動作概念図である。
【図51】 本実施例に係る電源システムの定常動作(定常状態)を示す動作概念図である。
【図52】 本実施例に係る電源システムの停止動作を示す動作概念図である。
【図53】 本発明の第1の実施形態に係る電源システムに適用可能な燃料安定化手段の一実施例を示すブロック図である。
【図54】 本実施例に係る電源システムの起動動作を示す動作概念図である。
【図55】 本実施例に係る電源システムの停止動作を示す動作概念図である。
【図56】 本発明に係る電源システムに適用可能な外形形状の具体例を示す概略構成図である。
【図57】 本発明に係る電源システムに適用される外形形状と、汎用の化学電池の外形形状との対応関係を示す概念図である。
【図58】 本発明の第1の実施例に係る電源システムの燃料パック及びホルダー部の外形形状を示す概略構成図である。
【図59】 本実施例に係る電源システムにおける発電モジュール及び燃料パックの着脱構造を示す概略図である。
【図60】 本発明の第2の実施例に係る電源システムの燃料パック及び燃料パックの外形形状を示す概略構成図である。
【図61】 本実施例に係る電源システムにおける発電モジュール及び燃料パックの着脱構造を示す概略図である。
【図62】 本発明の第3の実施例に係る電源システムの燃料パック及び燃料パックの外形形状を示す概略構成図である。
【図63】 本実施例に係る電源システムにおける発電モジュール及び燃料パックの着脱構造を示す概略図である。
【図64】 本発明の第4の実施例に係る電源システムの燃料パック及び燃料パックの外形形状を示す概略構成図である。
【図65】 本実施例に係る電源システムにおける発電モジュール及び燃料パックの着脱構造を示す概略図である。
【図66】 本発明に係る電源システム全体の具体構成例を示す概略構成図である。
【図67】 本具体構成例に適用される燃料改質部の一構成例を示す概略図である。
【図68】 本具体構成例に適用される燃料改質部の他の構成例を示す概略図である。

Claims (44)

  1. 発電用燃料が封入された燃料封入部から供給される前記発電用燃料を用いて電力を発生する発電モジュールであって、
    前記発電用燃料を用いて負荷を駆動するための第1の電力を発生する第1の電源手段と、
    前記第1の電源手段を動作制御するとともに、前記負荷を有するデバイスに内蔵され且つ前記電力が供給される前記負荷の駆動状態を制御する負荷駆動制御手段に前記負荷を駆動制御するための第2の電力を発生する第2の電源手段と、
    前記第2の電力により動作するシステム制御手段と、
    を備え、
    前記システム制御手段は、
    少なくとも、前記第1の電源手段の動作状態を制御して、前記第1の電力の発生量を調整する出力制御部と、
    前記負荷の駆動状態に応じて変化する前記第1の電力及び前記第2の電力のいずれかの電圧成分を検出する電圧検出部と、
    前記発電用燃料の温度が所定のしきい値を超過して上昇することにより前記燃料封入部内の前記発電用燃料の送出を遮断する供給制御弁及び前記燃料封入部内の圧力を低下させる圧力制御弁の少なくとも一方を有し、前記燃料封入部に封入された前記発電用燃料の封入状態を検出して安定化させる燃料安定化手段と、
    前記電圧成分の変化に応じて、少なくとも前記出力制御部を制御し、第1の電源手段により生成される第1の電力の発生量を制御し、前記燃料安定化手段により検出される前記発電用燃料の封入状態を随時参照し、該封入状態に異常がある場合には、前記第1の電源手段の動作を停止させる停止動作を行う動作制御部と、
    を備えることを特徴とする発電モジュール。
  2. 少なくとも、前記電力により駆動する負荷に対して供給する前記電力の電圧成分の変化に応じて、前記電力の発生量を制御することを特徴とする請求項1記載の発電モジュール。
  3. 前記電力により駆動する負荷に対して供給する前記電力の電圧成分を所定の電圧範囲内に収束するようにフィードバック制御を行うことを特徴とする請求項1又は2記載の発電モジュール。
  4. 前記負荷駆動制御手段から通知される電力要求に応じて、前記所定の電圧範囲の規定値を変更制御することを特徴とする請求項3記載の発電モジュール。
  5. 前記電圧検出部により検出される電圧成分の変化及び前記負荷駆動制御手段から通知される電力要求のいずれかを前記動作制御部が参照することにより、前記出力制御部は、前記第1の電源手段への前記発電用燃料の供給量と前記第1の電源手段の加熱手段の温度との少なくとも何れか一方を制御することを特徴とする請求項1記載の発電モジュール。
  6. 前記動作制御部は、前記電圧検出部により検出される前記電力の電圧成分を参照し、該電圧成分が所定の規定値を下回った場合には、前記出力制御が、前記第1の電源手段を所定の動作状態に移行させるように前記第1の電源手段への前記発電用燃料の供給量と前記第1の電源手段の加熱手段の温度との少なくとも何れか一方を制御することを特徴とする請求項5記載の発電モジュール。
  7. 前記動作制御部は、前記負荷駆動制御手段から通知される前記負荷を駆動する電力要求に基づいて前記第1の電源手段を所定の動作状態に移行させる起動動作を行うとともに、該起動動作に際して前記負荷に供給される前記電力の電圧成分に関する情報を、前記負荷駆動制御手段に通知することを特徴とする請求項5記載の発電モジュール。
  8. 前記動作制御部は、前記第1の電源手段の起動動作に際して、前記負荷に供給される前記電力の電圧成分が、前記負荷駆動制御手段から通知された電力要求に基づく電位に達した場合に、前記第1の電源手段の起動動作の終了情報を、前記負荷駆動制御手段に通知することを特徴とする請求項7記載の発電モジュール。
  9. 前記動作制御部は、前記負荷に供給される前記電力の電圧成分が、前記フィードバック制御に関わらず、前記所定の電圧範囲を逸脱する状態が所定時間以上継続した場合には、前記第1の電源手段の動作を停止させる停止動作を行うことを特徴とする請求項3記載の発電モジュール。
  10. 前記動作制御部は、前記第1の電源手段の動作を停止する停止動作に基づいて、該第1の電源手段の動作停止情報を、前記負荷駆動制御手段に通知することを特徴とする請求項9記載の発電モジュール。
  11. 前記動作制御部は、前記負荷駆動制御手段から通知される前記負荷を停止する電力要求に基づいて、前記第1の電源手段の動作を停止させる停止動作を行うとともに、該第1の電源手段の動作停止情報を、前記負荷駆動制御手段に通知することを特徴とする請求項1乃至10のいずれかに記載の発電モジュール。
  12. 前記燃料封入部に封入された前記発電用燃料の残量を検出する残量検出手段をさらに備え、
    前記動作制御部は、前記第1の電源手段の起動動作に先立って、前記残量検出手段により検出した前記発電用燃料の残量を参照し、該残量に異常がある場合には、前記発電用燃料の異常情報を、前記負荷駆動制御手段に通知することを特徴とする請求項1乃至11のいずれかに記載の発電モジュール。
  13. 前記燃料封入部に封入された前記発電用燃料の残量を検出する残量検出手段をさらに備え、
    前記動作制御部は、前記残量検出手段により検出される前記発電用燃料の残量を随時参照し、該発電用燃料の残量に関する情報を、前記負荷駆動制御手段に通知することを特徴とする請求項1乃至11のいずれかに記載の発電モジュール。
  14. 前記動作制御部は、前記残量検出手段により検出される前記発電用燃料の残量を随時参照し、該残量に異常がある場合には、前記第1の電源手段の動作を停止させる停止動作を行うことを特徴とする請求項12又は13記載の発電モジュール。
  15. 前記発電モジュールは、前記燃料封入部が発電モジュールと結合する度に前記燃料封入部に封入された前記発電用燃料の残量を検出する残量検出手段を備えることを特徴とする請求項1乃至11のいずれかに記載の発電モジュール。
  16. 前記動作制御部は、前記第1の電源手段の起動動作に先立って、前記燃料安定化手段により検出した前記発電用燃料の封入状態を参照し、該封入状態に異常がある場合には、前記発電用燃料の異常情報を、前記負荷駆動制御手段に通知することを特徴とする請求項1乃至8のいずれかに記載の発電モジュール。
  17. 前記動作制御部は、前記発電用燃料の封入状態の異常に基づいて、前記発電用燃料の異常情報を、前記負荷駆動制御手段に通知することを特徴とする請求項16記載の発電モジュール。
  18. 前記第1の電源手段及び前記第2の電源手段は、前記発電用燃料を用いた電気化学反応により、前記第1の電力及び第2の電力を発生する燃料電池を備えていることを特徴とする請求項1記載の発電モジュール。
  19. 前記第1の電源手段は、前記燃料封入部から供給される前記発電用燃料を用いた電気化学反応により、前記第1の電力を発生する燃料電池を備えていることを特徴とする請求項1記載の発電モジュール。
  20. 前記燃料電池は、前記発電用燃料を改質して、特定の成分を抽出する燃料改質器と、該特定の成分が供給される燃料極と、空気中の酸素が供給される空気極と、を備えた燃料改質型の燃料電池であることを特徴とする請求項18又は19記載の発電モジュール。
  21. 前記発電モジュールから供給される前記電力により駆動する前記負荷及び前記負荷駆動制御手段に対して、着脱可能に構成されていることを特徴とする請求項1乃至8のいずれかに記載の発電モジュール。
  22. 前記燃料封入部と着脱可能に構成されていることを特徴とする請求項21記載の発電モジュール。
  23. 前記発電モジュール及び前記発電モジュールに結合された前記燃料封入部からなる電源システムであって、
    前記発電モジュールから供給される前記電力により駆動する前記負荷及び前記負荷駆動制御手段に対して、少なくとも前記燃料封入部が着脱可能に構成されていることを特徴とする請求項1乃至8のいずれかに記載の電源システム。
  24. 前記発電モジュール及び前記発電モジュールに結合された前記燃料封入部からなる電源システムは、前記燃料封入部及び前記発電モジュールからなる物理的外形形状が、各種汎用の化学電池のうちの1種と同等の形状及び寸法を有して構成されていることを特徴とする請求項1乃至23のいずれかに記載の電源システム。
  25. 前記電源システムは、日本工業規格で規格化された電池の形状及び寸法規格に則った外形であることを特徴とする請求項24記載の電源システム。
  26. 前記電源システムは、前記燃料封入部の物理的外形形状が、前記各種汎用の化学電池のうちの1種と同等の形状及び寸法を有して構成されていることを特徴とする請求項1乃至23のいずれかに記載の電源システム。
  27. 請求項1記載の発電モジュールに接続され、前記負荷及び前記負荷駆動制御手段を備え、前記発電モジュールから出力される電力によって動作することを特徴とするデバイス。
  28. 発電用燃料が封入された燃料封入部から供給される前記発電用燃料を用いて電力を発生する発電モジュールであって、
    前記発電用燃料を用いて負荷を駆動するための第1の電力を発生する第1の電源手段と、
    前記第1の電源手段を動作制御するとともに、前記負荷を有するデバイスに内蔵され且つ前記電力が供給される前記負荷の駆動状態を制御する負荷駆動制御手段に前記負荷を駆動制御するための第2の電力を発生する第2の電源手段と、
    前記第2の電力により動作するシステム制御手段と、
    を備え、
    前記システム制御手段は、
    少なくとも、前記第1の電源手段の動作状態を制御して、前記第1の電力の発生量を調整する出力制御部と、
    前記負荷の駆動状態に応じて変化する前記第1の電力及び前記第2の電力のいずれかの電圧成分を検出する電圧検出部と、
    前記発電用燃料の温度が所定のしきい値を超過して上昇することにより前記燃料封入部内の前記発電用燃料の送出を遮断する供給制御弁及び前記燃料封入部内の圧力を低下させる圧力制御弁の少なくとも一方を有し、前記燃料封入部に封入された前記発電用燃料の封入状態を検出して安定化させる燃料安定化手段と、
    前記電圧成分の変化に応じて、少なくとも前記出力制御部を制御し、第1の電源手段により生成される第1の電力の発生量を制御し、前記第1の電源手段の起動動作に先立って、前記燃料安定化手段により検出した前記発電用燃料の封入状態を参照し、該封入状態に異常がある場合には、前記発電用燃料の異常情報を、前記負荷の駆動状態を制御する前記負荷駆動制御手段に通知する動作制御部と、
    を備えることを特徴とする発電モジュール。
  29. 請求項28記載の発電モジュールに接続され、前記負荷及び前記負荷駆動制御手段を備え、前記発電モジュールから出力される電力によって動作することを特徴とするデバイス。
  30. 発電用燃料が封入された燃料封入部から供給される前記発電用燃料を用いて電力を発生する発電モジュールであって、
    前記発電用燃料を用いて負荷を駆動するための第1の電力を発生する第1の電源手段と、
    前記第1の電源手段を動作制御するとともに、前記負荷を有するデバイスに内蔵され且つ前記電力が供給される前記負荷の駆動状態を制御する負荷駆動制御手段に前記負荷を駆動制御するための第2の電力を発生する第2の電源手段と、
    前記第2の電力により動作するシステム制御手段と、
    を備え、
    前記システム制御手段は、
    少なくとも、前記第1の電源手段の動作状態を制御して、前記第1の電力の発生量を調整する出力制御部と、
    前記負荷の駆動状態に応じて変化する前記第1の電力及び前記第2の電力のいずれかの電圧成分を検出する電圧検出部と、
    前記発電用燃料の温度が所定のしきい値を超過して上昇することにより前記燃料封入部内の前記発電用燃料の送出を遮断する供給制御弁及び前記燃料封入部内の圧力を低下させる圧力制御弁の少なくとも一方を有し、前記電圧成分の変化に応じて、少なくとも前記出力制御部を制御し、第1の電源手段により生成される第1の電力の発生量を制御し、前記燃料封入部に封入された前記発電用燃料の封入状態を検出して安定化させる燃料安定化手段と、
    前記発電用燃料の封入状態の異常に基づいて、前記発電用燃料の異常情報を、前記負荷の駆動状態を制御する前記負荷駆動制御手段に通知する動作制御部と、
    を備えることを特徴とする発電モジュール。
  31. 請求項30記載の発電モジュールに接続され、前記負荷及び前記負荷駆動制御手段を備え、前記発電モジュールから出力される電力によって動作することを特徴とするデバイス。
  32. 発電用燃料により負荷を駆動するための第1の電力を発生するための第1の電源手段と、
    前記第1の電源手段を動作制御するとともに、前記負荷を有するデバイスに内蔵され且つ前記負荷の駆動状態を制御する負荷駆動制御手段に、充電された電荷による第2の電力を供給するための第2の電源手段と、
    前記第2の電力により動作するシステム制御手段と、
    を備え、
    前記システム制御手段は、
    少なくとも、前記第1の電源手段の動作状態を制御して、前記第1の電力の発生量を調整する出力制御部と、
    前記負荷の駆動状態に応じて変化する前記第1の電力及び前記第2の電力のいずれかの電圧成分を検出する電圧検出部と、
    前記電圧成分の変化に応じて、少なくとも前記出力制御部を制御し、第1の電源手段により生成される第1の電力の発生量を制御し、前記第1の電源手段が発生した電力により前記第2の電源手段を充電させるための動作制御と、
    前記発電用燃料の温度が所定のしきい値を超過して上昇することにより前記燃料封入部内の前記発電用燃料の送出を遮断する供給制御弁及び前記燃料封入部内の圧力を低下させる圧力制御弁の少なくとも一方を有し、前記燃料封入部に封入された前記発電用燃料の封入状態を検出して安定化させる燃料安定化手段と、
    を備え、
    前記燃料安定化手段により検出される前記発電用燃料の封入状態を随時参照し、該封入状態に異常がある場合には、前記第1の電源手段の動作を停止させる停止動作を行うことを特徴とする発電モジュール。
  33. 前記動作制御は、前記第2の電源手段からの電力により動作することを特徴とする請求項32記載の発電モジュール。
  34. 前記第1の電源手段は、前記第2の電源手段からの電力により動作して前記負荷を駆動するための電力を発生させることを特徴とする請求項32又は33記載の発電モジュール。
  35. 前記第2の電源手段は、前記負荷に電力を供給することを特徴とする請求項32乃至34のいずれかに記載の発電モジュール。
  36. 前記動作制御部が、前記第2の電源手段で充電された電荷による電力を前記第1の電源手段に供給させることにより前記第1の電源手段で発生させ、前記第1の電源手段で発生した電力で前記第2の電源手段を充電させるように制御することを特徴とする請求項32乃至35のいずれかに記載の発電モジュール。
  37. 前記発電用燃料が封入された燃料封入部と着脱可能に構成されていることを特徴とする請求項32乃至36のいずれかに記載の発電モジュール。
  38. 前記負荷と着脱可能に構成されていることを特徴とする請求項32乃至37のいずれかに記載の発電モジュール。
  39. 前記第1の電源手段は、前記第2の電源手段の充電状態に応じて発電することを特徴とする請求項32乃至38のいずれかに記載の発電モジュール。
  40. 前記発電モジュール及び前記発電モジュールに結合された前記燃料封入部からなる電源システムは、前記燃料封入部及び前記発電モジュールからなる物理的外形形状が、各種汎用の化学電池のうちの1種と同等の形状及び寸法を有して構成されていることを特徴とする請求項32乃至39のいずれかに記載の電源システム。
  41. 前記電源システムは、二電極端子電源であることを特徴とする請求項40記載の電源システム。
  42. 発電用燃料により負荷を駆動するための第1の電力を発生するための第1の電源手段と、
    前記負荷を有するデバイスに内蔵され且つ前記負荷の駆動状態を制御する負荷駆動制御手段に、充電された第2の電力を供給するための第2の電源手段と、
    前記第2の電力により動作するシステム制御手段と、
    を備え、
    前記システム制御手段は、
    少なくとも、前記第1の電源手段の動作状態を制御して、前記第1の電力の発生量を調整する出力制御部と、
    前記負荷の駆動状態に応じて変化する前記第1の電力及び前記第2の電力のいずれかの電圧成分を検出する電圧検出部と、
    前記電圧成分の変化に応じて、少なくとも前記出力制御部を制御し、第1の電源手段により生成される第1の電力の発生量を制御し、前記第2の電源手段で充電された電荷による電力を前記第1の電源手段に供給させることにより前記第1の電源手段で発生させ、前記第1の電源手段で発生した電力で前記第2の電源手段を充電させるように制御する動作制御部と、
    前記発電用燃料の温度が所定のしきい値を超過して上昇することにより前記燃料封入部内の前記発電用燃料の送出を遮断する供給制御弁及び前記燃料封入部内の圧力を低下させる圧力制御弁の少なくとも一方を有し、前記燃料封入部に封入された前記発電用燃料の封入状態を検出して安定化させる燃料安定化手段と、
    を備え、
    前記燃料安定化手段により検出される前記発電用燃料の封入状態を随時参照し、該封入状態に異常がある場合には、前記第1の電源手段の動作を停止させる停止動作を行うことを特徴とする発電モジュール。
  43. 前記発電モジュール及び前記発電モジュールに結合された前記燃料封入部からなる電源システムは、前記燃料封入部及び前記発電モジュールからなる物理的外形形状が、各種汎用の化学電池のうちの1種と同等の形状及び寸法を有して構成されていることを特徴とする請求項42記載の電源システム。
  44. 前記電源システムは、二電極端子電源であることを特徴とする請求項43記載の電源システム。
JP2001309800A 2001-01-15 2001-10-05 発電モジュール、電源システム及びデバイス Expired - Fee Related JP4487231B2 (ja)

Priority Applications (13)

Application Number Priority Date Filing Date Title
JP2001309800A JP4487231B2 (ja) 2001-01-15 2001-10-05 発電モジュール、電源システム及びデバイス
US10/043,404 US6824905B2 (en) 2001-01-15 2002-01-10 Power supply system and device driven by power supply system
CNB028000927A CN100555798C (zh) 2001-01-15 2002-01-11 电源系统
KR10-2002-7012210A KR100533350B1 (ko) 2001-01-15 2002-01-11 전원 시스템 및 전원 시스템에 의해 구동되는 장치
AU2002219596A AU2002219596B2 (en) 2001-01-15 2002-01-11 Power supply system and device driven by power supply system
HK04103319.4A HK1062083B (en) 2001-01-15 2002-01-11 Power supply system
EP02729551A EP1269602B1 (en) 2001-01-15 2002-01-11 Power supply system and device driven thereby
PCT/JP2002/000132 WO2002056439A2 (en) 2001-01-15 2002-01-11 Power supply system and device driven thereby
CA002403123A CA2403123C (en) 2001-01-15 2002-01-11 Power supply system and device driven thereby
RU2002127724/09A RU2239931C2 (ru) 2001-01-15 2002-01-11 Система энергоснабжения и устройство, приводимое в действие системой энергоснабжения
DE60228523T DE60228523D1 (de) 2001-01-15 2002-01-11 Stromversorgungssystem und eine damit betriebene vorrichtung
AT02729551T ATE406683T1 (de) 2001-01-15 2002-01-11 Stromversorgungssystem und eine damit betriebene vorrichtung
MXPA02008712A MXPA02008712A (es) 2001-01-15 2002-01-11 Sistema de suministro de energia y dispositivo impulsado por dicho sistema de suministro de energia.

Applications Claiming Priority (3)

Application Number Priority Date Filing Date Title
JP2001-6127 2001-01-15
JP2001006127 2001-01-15
JP2001309800A JP4487231B2 (ja) 2001-01-15 2001-10-05 発電モジュール、電源システム及びデバイス

Publications (2)

Publication Number Publication Date
JP2002280035A JP2002280035A (ja) 2002-09-27
JP4487231B2 true JP4487231B2 (ja) 2010-06-23

Family

ID=26607669

Family Applications (1)

Application Number Title Priority Date Filing Date
JP2001309800A Expired - Fee Related JP4487231B2 (ja) 2001-01-15 2001-10-05 発電モジュール、電源システム及びデバイス

Country Status (2)

Country Link
JP (1) JP4487231B2 (ja)
RU (1) RU2239931C2 (ja)

Families Citing this family (29)

* Cited by examiner, † Cited by third party
Publication number Priority date Publication date Assignee Title
JP4672232B2 (ja) * 2002-08-02 2011-04-20 株式会社東芝 燃料電池装置
WO2004054020A1 (ja) 2002-12-12 2004-06-24 Sony Corporation 燃料電池搭載装置、及び電力供給システム
JP4919076B2 (ja) * 2002-12-12 2012-04-18 ソニー株式会社 燃料電池搭載装置
JP4179453B2 (ja) 2002-12-18 2008-11-12 カシオ計算機株式会社 発電モジュール及び燃料パック
JP4564231B2 (ja) * 2003-01-20 2010-10-20 株式会社リコー 携帯用電子機器
JP3830910B2 (ja) 2003-03-04 2006-10-11 株式会社東芝 燃料電池ユニットおよび状態表示制御方法
TWI241049B (en) 2003-03-19 2005-10-01 Casio Computer Co Ltd Fuel container
JP4665381B2 (ja) * 2003-07-07 2011-04-06 ソニー株式会社 燃料電池システム及び電気機器
JP4525015B2 (ja) * 2003-07-07 2010-08-18 ソニー株式会社 電子機器
JP2005197124A (ja) * 2004-01-08 2005-07-21 Canon Inc 燃料電池電源装置
CN100579369C (zh) * 2004-07-27 2010-01-13 富马基拉株式会社 以燃料电池为电源的送风式药剂扩散装置
DE602005020030D1 (de) * 2004-07-27 2010-04-29 Fumakilla Ltd Gebläseunterstützter arzneimittelverteiler mit brennstoffzelle als stromquelle
KR100641125B1 (ko) * 2005-08-22 2006-11-02 엘지전자 주식회사 충전부를 구비한 연료전지
KR100879894B1 (ko) * 2005-10-21 2009-01-21 주식회사 엘지화학 무용접 방식의 전지팩
RU2441307C2 (ru) * 2006-05-26 2012-01-27 Ифокус Инджиниринг Ас Устройство для эксплуатации управляемого средства установки
JP4595905B2 (ja) * 2006-08-09 2010-12-08 カシオ計算機株式会社 発電システム
JP4595906B2 (ja) * 2006-08-09 2010-12-08 カシオ計算機株式会社 発電システムの使用方法
JP4595907B2 (ja) * 2006-08-09 2010-12-08 カシオ計算機株式会社 燃料の残量確認方法
JP5098320B2 (ja) * 2006-12-13 2012-12-12 カシオ計算機株式会社 燃料電池発電システム
JP5275605B2 (ja) * 2007-10-11 2013-08-28 オリンパス株式会社 乾電池型燃料電池、乾電池型燃料電池の製造方法
WO2009072284A1 (ja) 2007-12-05 2009-06-11 Panasonic Corporation 燃料電池発電システム
JP5042143B2 (ja) * 2007-12-05 2012-10-03 パナソニック株式会社 燃料電池発電システム
US9246182B2 (en) 2008-11-04 2016-01-26 Nissan Motor Co., Ltd. Power generation control device and power generation control method for fuel cell
JP5408420B2 (ja) 2009-07-30 2014-02-05 日産自動車株式会社 燃料電池システムとこの燃料電池システムに用いる燃料電池の昇温方法
US20120251899A1 (en) * 2011-03-31 2012-10-04 General Electric Company Solid-oxide fuel cell high-efficiency reform-and-recirculate system
US9819038B2 (en) 2011-03-31 2017-11-14 General Electric Company Fuel cell reforming system with carbon dioxide removal
RU2483397C1 (ru) * 2012-02-28 2013-05-27 Федеральное государственное военное образовательное учреждение высшего профессионального образования "Военный авиационный инженерный университет" (г. Воронеж) Министерства обороны Российской Федерации Система запуска авиационных двигателей
RU205912U1 (ru) * 2021-02-04 2021-08-12 Федеральное государственное бюджетное учреждение науки Физико-технический институт им. А.Ф. Иоффе Российской академии наук Растительно-микробный топливный элемент
CN113872412B (zh) * 2021-09-27 2022-10-18 武汉天马微电子有限公司 显示面板和显示装置

Family Cites Families (3)

* Cited by examiner, † Cited by third party
Publication number Priority date Publication date Assignee Title
RU2094697C1 (ru) * 1996-08-06 1997-10-27 Ракетно-космическая корпорация "Энергия" им.С.П.Королева Устройство для хранения и подачи жидкого кислорода
US5759712A (en) * 1997-01-06 1998-06-02 Hockaday; Robert G. Surface replica fuel cell for micro fuel cell electrical power pack
JP4096430B2 (ja) * 1998-12-10 2008-06-04 松下電器産業株式会社 燃料電池装置

Also Published As

Publication number Publication date
RU2239931C2 (ru) 2004-11-10
JP2002280035A (ja) 2002-09-27
RU2002127724A (ru) 2004-02-27

Similar Documents

Publication Publication Date Title
JP4487231B2 (ja) 発電モジュール、電源システム及びデバイス
EP1354368B1 (en) Integrated fuel pack, reformer and gas purification device for fuel cell power generation system
CA2400624C (en) Power supply system, fuel pack constituting the system, and device driven by power generator and power supply system
JP3858653B2 (ja) 電源システム
JP4453206B2 (ja) 電源システム
JP2003036879A (ja) 電源システム
JP2002289211A (ja) 燃料封入部、発電モジュール及び電源システム
JP3909662B2 (ja) 電源システム
JP5082476B2 (ja) 燃料封入部及び電源システム
RU2244988C2 (ru) Система источника питания, состоящая из отсоединяемого топливного блока и узла выработки энергии, электрическое устройство, приводимое в действие системой источника питания, и биоразлагаемая оболочка топливного блока, используемого в системе
JP4208220B2 (ja) 電源システム
TWI222766B (en) Power supply system and electronical mechanism
CA2590609C (en) Power supply system, fuel pack constituting the system, and device driven by power generator and power supply system
JP5051049B2 (ja) 電源システム

Legal Events

Date Code Title Description
A131 Notification of reasons for refusal

Free format text: JAPANESE INTERMEDIATE CODE: A131

Effective date: 20061218

A521 Written amendment

Free format text: JAPANESE INTERMEDIATE CODE: A523

Effective date: 20070214

A131 Notification of reasons for refusal

Free format text: JAPANESE INTERMEDIATE CODE: A131

Effective date: 20090216

A521 Written amendment

Free format text: JAPANESE INTERMEDIATE CODE: A523

Effective date: 20090414

A131 Notification of reasons for refusal

Free format text: JAPANESE INTERMEDIATE CODE: A131

Effective date: 20091002

A521 Written amendment

Free format text: JAPANESE INTERMEDIATE CODE: A523

Effective date: 20091130

TRDD Decision of grant or rejection written
A01 Written decision to grant a patent or to grant a registration (utility model)

Free format text: JAPANESE INTERMEDIATE CODE: A01

Effective date: 20100305

A01 Written decision to grant a patent or to grant a registration (utility model)

Free format text: JAPANESE INTERMEDIATE CODE: A01

A61 First payment of annual fees (during grant procedure)

Free format text: JAPANESE INTERMEDIATE CODE: A61

Effective date: 20100318

FPAY Renewal fee payment (event date is renewal date of database)

Free format text: PAYMENT UNTIL: 20130409

Year of fee payment: 3

R150 Certificate of patent or registration of utility model

Ref document number: 4487231

Country of ref document: JP

Free format text: JAPANESE INTERMEDIATE CODE: R150

Free format text: JAPANESE INTERMEDIATE CODE: R150

FPAY Renewal fee payment (event date is renewal date of database)

Free format text: PAYMENT UNTIL: 20130409

Year of fee payment: 3

FPAY Renewal fee payment (event date is renewal date of database)

Free format text: PAYMENT UNTIL: 20140409

Year of fee payment: 4

LAPS Cancellation because of no payment of annual fees