JP4355152B2 - 画像現像装置、画像現像装置のクリーニング方法、及び画像現像方法 - Google Patents
画像現像装置、画像現像装置のクリーニング方法、及び画像現像方法 Download PDFInfo
- Publication number
- JP4355152B2 JP4355152B2 JP2003084109A JP2003084109A JP4355152B2 JP 4355152 B2 JP4355152 B2 JP 4355152B2 JP 2003084109 A JP2003084109 A JP 2003084109A JP 2003084109 A JP2003084109 A JP 2003084109A JP 4355152 B2 JP4355152 B2 JP 4355152B2
- Authority
- JP
- Japan
- Prior art keywords
- image
- area
- development
- region
- toner
- Prior art date
- Legal status (The legal status is an assumption and is not a legal conclusion. Google has not performed a legal analysis and makes no representation as to the accuracy of the status listed.)
- Expired - Fee Related
Links
- 238000000034 method Methods 0.000 title claims description 16
- 238000004140 cleaning Methods 0.000 title claims description 5
- 238000011161 development Methods 0.000 claims description 93
- 238000003384 imaging method Methods 0.000 claims description 31
- 239000002245 particle Substances 0.000 claims description 26
- 108091008695 photoreceptors Proteins 0.000 claims description 26
- 238000012546 transfer Methods 0.000 claims description 21
- 239000000463 material Substances 0.000 claims description 7
- 230000018109 developmental process Effects 0.000 description 57
- 239000000843 powder Substances 0.000 description 15
- 238000010586 diagram Methods 0.000 description 9
- 238000012545 processing Methods 0.000 description 5
- 230000007547 defect Effects 0.000 description 4
- 230000000694 effects Effects 0.000 description 3
- 230000004323 axial length Effects 0.000 description 2
- 238000012986 modification Methods 0.000 description 2
- 230000004048 modification Effects 0.000 description 2
- 239000000758 substrate Substances 0.000 description 2
- 206010034972 Photosensitivity reaction Diseases 0.000 description 1
- 239000004809 Teflon Substances 0.000 description 1
- 229920006362 Teflon® Polymers 0.000 description 1
- 238000009825 accumulation Methods 0.000 description 1
- 239000000853 adhesive Substances 0.000 description 1
- 230000001070 adhesive effect Effects 0.000 description 1
- 239000006229 carbon black Substances 0.000 description 1
- 230000015556 catabolic process Effects 0.000 description 1
- 239000004020 conductor Substances 0.000 description 1
- 239000000356 contaminant Substances 0.000 description 1
- 238000011109 contamination Methods 0.000 description 1
- 230000007423 decrease Effects 0.000 description 1
- 238000006731 degradation reaction Methods 0.000 description 1
- 238000009792 diffusion process Methods 0.000 description 1
- 230000005684 electric field Effects 0.000 description 1
- 238000005516 engineering process Methods 0.000 description 1
- 230000002708 enhancing effect Effects 0.000 description 1
- 239000010419 fine particle Substances 0.000 description 1
- 230000002452 interceptive effect Effects 0.000 description 1
- 150000002500 ions Chemical class 0.000 description 1
- 239000011159 matrix material Substances 0.000 description 1
- 230000003287 optical effect Effects 0.000 description 1
- 230000036211 photosensitivity Effects 0.000 description 1
- 230000001105 regulatory effect Effects 0.000 description 1
- 230000003068 static effect Effects 0.000 description 1
- 238000012360 testing method Methods 0.000 description 1
Images
Classifications
-
- G—PHYSICS
- G03—PHOTOGRAPHY; CINEMATOGRAPHY; ANALOGOUS TECHNIQUES USING WAVES OTHER THAN OPTICAL WAVES; ELECTROGRAPHY; HOLOGRAPHY
- G03G—ELECTROGRAPHY; ELECTROPHOTOGRAPHY; MAGNETOGRAPHY
- G03G15/00—Apparatus for electrographic processes using a charge pattern
- G03G15/06—Apparatus for electrographic processes using a charge pattern for developing
- G03G15/08—Apparatus for electrographic processes using a charge pattern for developing using a solid developer, e.g. powder developer
- G03G15/0803—Apparatus for electrographic processes using a charge pattern for developing using a solid developer, e.g. powder developer in a powder cloud
-
- G—PHYSICS
- G03—PHOTOGRAPHY; CINEMATOGRAPHY; ANALOGOUS TECHNIQUES USING WAVES OTHER THAN OPTICAL WAVES; ELECTROGRAPHY; HOLOGRAPHY
- G03G—ELECTROGRAPHY; ELECTROPHOTOGRAPHY; MAGNETOGRAPHY
- G03G2215/00—Apparatus for electrophotographic processes
- G03G2215/01—Apparatus for electrophotographic processes for producing multicoloured copies
- G03G2215/0167—Apparatus for electrophotographic processes for producing multicoloured copies single electrographic recording member
- G03G2215/017—Apparatus for electrophotographic processes for producing multicoloured copies single electrographic recording member single rotation of recording member to produce multicoloured copy
-
- G—PHYSICS
- G03—PHOTOGRAPHY; CINEMATOGRAPHY; ANALOGOUS TECHNIQUES USING WAVES OTHER THAN OPTICAL WAVES; ELECTROGRAPHY; HOLOGRAPHY
- G03G—ELECTROGRAPHY; ELECTROPHOTOGRAPHY; MAGNETOGRAPHY
- G03G2215/00—Apparatus for electrophotographic processes
- G03G2215/06—Developing structures, details
- G03G2215/0602—Developer
- G03G2215/0604—Developer solid type
- G03G2215/0614—Developer solid type one-component
- G03G2215/0621—Developer solid type one-component powder cloud
-
- G—PHYSICS
- G03—PHOTOGRAPHY; CINEMATOGRAPHY; ANALOGOUS TECHNIQUES USING WAVES OTHER THAN OPTICAL WAVES; ELECTROGRAPHY; HOLOGRAPHY
- G03G—ELECTROGRAPHY; ELECTROPHOTOGRAPHY; MAGNETOGRAPHY
- G03G2215/00—Apparatus for electrophotographic processes
- G03G2215/06—Developing structures, details
- G03G2215/0634—Developing device
- G03G2215/0636—Specific type of dry developer device
- G03G2215/0643—Electrodes in developing area, e.g. wires, not belonging to the main donor part
Landscapes
- Physics & Mathematics (AREA)
- General Physics & Mathematics (AREA)
- Dry Development In Electrophotography (AREA)
- Developing For Electrophotography (AREA)
Description
【発明の属する技術分野】
本発明は、イオノグラフィックまたは電子写真撮像及びプリント装置及び機器のハイブリッドスキャベンジレス現像(Hybrid Scavengeless Development:HSD)装置に関し、より詳細には、かかるHSD現像装置におけるトナーや他の微粒子によるワイヤの汚染を防ぐための方法に関する。
【0002】
【従来の技術】
一般に、電子写真プリンティングの処理には、感光体部材を実質的に均一の電位に帯電させ、その表面に感光性を持たせるステップが含まれる。感光体表面の帯電部分は、走査レーザビーム、LEDソースまたは再生対象のオリジナルドキュメントのいずれかからの光の像に対して露光され、これにより感光体表面に静電潜像が記録される。感光体表面に記録された後、静電潜像は現像される。現像には、2成分または1成分現像剤が一般に使用される。一般的な2成分現像剤は、磁気キャリア細粒及びこれに摩擦電気により固着したトナー粒子を含む。一方、1成分現像剤は一般にトナー粒子を含む。トナー粒子が潜像に付着し、感光体上にトナーパウダー像を形成する。続いて、このトナーパウダー像がコピーシートに転写される。最後に、トナーパウダー像が加熱されて、コピーシートに画像の形で恒久的に定着する。
【0003】
ハイブリッドスキャベンジレス現像技術では、従来の磁気ブラシを介して、トナーをドナーロール表面に現像する。複数の電極ワイヤが、現像領域において、色調調整したドナーロールに対して密接な間隔で設けられている。この電極ワイヤにAC電圧が印加され、現像領域にいわゆるトナークラウド状態を発生させる。このドナーロールは、一般に、薄い(50〜200ミクロン)部分的に導電性の層で覆われた導電性コアで構成される。磁気ブラシロールは、ドナーロールに対してある電気的電位差が保持されており、トナーがドナーロールに付着するために必要な界を生成する。ドナーロール上に形成されたトナー層は、単一のワイヤまたはワイヤ集合体からの電界によって妨害され、トナー粒子の拡散クラウドを生成して維持する。ドナーロールに対するワイヤの一般的なAC電圧は、5〜15kHzの周波数で700〜900Vppである。これらのAC信号は、純粋なシヌソイド波ではなく、矩形波であることが多い。続いて、クラウドからのトナーが、潜像によって生成された界により、付近の感光体上に現像される。
【0004】
【発明が解決しようとする課題】
電極ワイヤを用いる現像装置における問題は、「ワイヤヒストリ(wire history)」である。ワイヤヒストリは、接着性または静電性の吸着力のいずれかの結果として、ワイヤに吸着されて付着する、高帯電(ただし、低帯電の場合もある)で、一般に小粒のトナーまたは他の粒子に関する。このような付着の結果、画像領域範囲(image area coverage)の履歴に応答して汚染物質が電極に蓄積され、プリント上に目に見えるすじが発生する。米国特許第6,049,686号に開示される技術では、電極ワイヤに直流(DC)オフセットを印加してワイヤヒストリを低減している。しかしながら、常に高い直流(DC)電極バイアスオフセットで動作するのは、オフセットがワイヤヒストリを改善するとはいえ、現像能力の全体レベルが低下するために実際的ではない。電極のDCオフセットは、磁気ロールのDCレベルに関する電極のDC電位と定義される。本発明は、以下により詳細に記載するように、上記の従来技術の問題を解決する。
【0005】
【課題を解決するための手段】
本発明は、画像転写装置及びハイブリッドスキャベンジレス現像装置において電極からワイヤヒストリを取り除く方法を提供する。
【0006】
本発明の第1実施形態は、画像転写装置であって、マーキング材料を含む現像領域を有する現像部と、前記現像領域にある現像材料を搬送する電極と、前記現像領域内に移動するドナー部材と、イメージング領域と、イメージング領域間のインターイメージング領域とを備え、該イメージング領域とインターイメージング領域のいずれをも前記現像領域の内外に移動させる可動イメージング部材と、前記電極を電気的にバイアスし、前記インターイメージング領域の少なくとも1つが前記現像領域を通過するあいだに、前記ドナー部材の公称電気的バイアスに対する前記電極の電気的バイアスの直流成分におけるシフトを生成する電圧源とを備え、前記電極がクリーニングされる、画像転写装置を提供する。
【0007】
本発明の第2実施形態は、画像転写装置であって、現像領域を有する現像部と、受像領域と受像領域間のインターイメージ領域とを有するイメージング部材であって、前記受像領域及び前記インターイメージ領域を前記現像領域の内外に移動させるイメージング部材に近接する前記現像領域に、マーキング粒子を搬送するドナー部材と、前記ドナー部材を前記イメージング部材に対して電気的にバイアスし、前記インターイメージ領域が前記現像領域を通過して進行中に、第1の電気的バイアスから第2電気的バイアスへの電気的バイアスシフトを前記ドナー部材において生成する電圧源とを備え、前記現像領域において電極がクリーニングされる画像転写装置を提供する。
【0008】
本発明の第3実施形態は、画像転写装置のクリーニング方法であって、電圧電源を提供するステップと、前記電圧電源から電圧を供給し、ドナーロールに関してグリッドを電気的にバイアスし、前記電圧電源によって、インターイメージ領域の進行中に、前記電気的バイアスの直流成分中に、前記ドナーロールの別の電気的バイアスに対するシフトを生成するステップとを含む方法を提供する。
【0009】
本発明の第4実施形態は、画像を転写する方法であって、インターイメージ領域によって分離されるイメージ領域を受像部材に生成するステップと、現像部材によって、前記受像部材と該現像部材との間に位置する電極を有する現像領域にマーキング粒子を搬送するステップと、電圧を供給し、前記現像部材を前記受像部材に対して電気的にバイアスするステップと、前記インターイメージ領域が前記現像領域を通過する間に、前記現像部材の電気的バイアスの少なくとも直流成分を変化させ、少なくとも前記直流成分を初期電圧から別の電圧にシフトするステップとを含む方法を提供する。
【0010】
【発明の実施の形態】
電子写真プリンティングの技術はよく知られているので、以下、かかるプリント装置で使用される種々の処理ステーションについては概略的に示し、その動作については簡単に説明する。
【0011】
図1には、本発明の現像装置を組み込んだ電子写真プリント装置の例が示されている。電子写真プリント装置は、装置を通過する単一パスでカラー画像を生成し、本発明の特性を組み込んでいる。電子写真プリント装置は、電荷担持面を、矢印12で示される方向に種々の処理ステーションを順次通過して移動するアクティブマトリクス(AMAT)感光体ベルト10の形態で使用する。感光体ベルト10は、ローラ14及び2つの張力ローラ16,18の周囲に取り付けられ、駆動モータ20を介して駆動ローラ14を回転することにより移動する。
【0012】
感光体ベルト10が移動すると、その各部分が以下に説明する処理ステーションのそれぞれを通過する。説明の便宜上、感光体ベルト10のある範囲は、ドキュメント部分110a,110b,110cと呼ばれる3つの部分を含むものとする。これらのドキュメント部分については、(図8を参照して)後により詳細に説明する。ドキュメント部分110a,110b,110cはトナーパウダ像を受像する感光体ベルトの一部分であり、このトナーパウダ像が、基板への転写後に最終画像を生成する。感光体ベルト10は多数のドキュメント部分110a,110b,110cを有することができるが、各ドキュメント部分は同様に処理されるので、1つのドキュメント部分110aの一般的な処理を説明すれば、プリント装置の動作を十分に説明することになる。ドキュメント部分110a,110b,110cは、図8、図9、及び図10を参照して以下に説明するインターイメージ領域であるインタードキュメント領域112a,112bによって分離されている。なお、ベルト10は継続的に回転するので、連続するドキュメント部分110a,110b,110c及びインタードキュメント領域112a,112bの数は制限がなく、ベルトの円周によって制約されることもない(図8参照)。
【0013】
感光体ベルト10が移動すると、ドキュメント部分は帯電ステーションAを通過する。帯電ステーションAでは、符号22で総括的に示されるコロナ生成装置により、ドキュメント部分を比較的高い、実質的に均一の電位に帯電する。図2は、帯電ステーションAを通過後のドキュメント部分110aの一般的な電圧プロファイルを示している。図示されるように、ドキュメント部分110aは、約−500ボルトの均一な電位を有する。実際には、ドキュメント部分110aを−500ボルトよりさらにわずかに負方向に帯電し、結果として起こる暗減衰により電圧を所望のマイナス500ボルトに低減するようにする。図2には、負に帯電したドキュメント部分110aが示されているが、トナーの電荷レベル及び極性、再帯電装置、感光体及び他の関連する領域及び装置が適切に変更されれば、ドキュメント部分を正に帯電することもできる。
【0014】
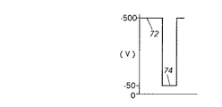
帯電ステーションAを通過後、帯電したドキュメント部分110aは、第1露光ステーションBを通過する。露光ステーションBにおいて、帯電したドキュメント部分110aは、第1カラー(例えばブラック)イメージの光表示によって光が照射される。このような光表示によりドキュメント部分110aの一部が放電し、ドキュメント部分110a,110b,110c(図8)内に静電潜像またはイメージ領域(図示せず)を生成する。図示される実施形態では、レーザベースの出力走査装置24を光源に使用しているが、他の光源、例えばLEDプリントバーを、本発明の原理に基づき使用することもできる。図3は、露光後のドキュメント部分110aに起こりうる、一般的な電圧レベル、レベル72及び74を示している。約−500ボルトの電圧レベル72は、照射されなかったドキュメント部分110aの領域に発生し、約−50ボルトの電圧レベル74は、照射されたドキュメント部分110aの領域に発生する。このように、露光後、ドキュメント部分110aは、相対的に高い電圧と低い電圧からなる電圧プロファイルを有する。
【0015】
第1露光ステーションBを通過後、露光されたドキュメント部分110aは第1現像ステーションCを通過する。第1現像ステーションCは、現像装置E、G及びIと同一の構造である。第1現像ステーションCは、第1のカラー、例えばブラックであって、負に帯電したトナー31を、ドキュメント部分110aに堆積させる。このトナーは、ドキュメント部分110aのうち、負の値がより小さい領域に吸着され、負の値がより大きい領域からは遠ざかる。この結果、ドキュメント部分110a上に第1のトナーパウダ像が形成される。なお、感光体の露光領域と非露光領域が入れ替わる、または感光体の帯電極性が正であれば、正に帯電したドナーを使用することもできる。
【0016】
第1現像ステーションCにおいて、現像装置はドナーロール30を含む。図8に示されるように、電極ワイヤまたはグリッド42は、ワイヤからトナーを分離する目的で、AC電圧によりドナーロール30に対して電気的にバイアスをかけられる。この分離したトナーが、ドナーロール30と光導電面との間隙にトナークラウドを生成する。電極グリッド42とドナーロール30のいずれもがそれぞれDC電圧源102及び92により放電領域現像(DAD)のためにバイアスされる。放電した感光体像がトナーパウダクラウドからトナー粒子を吸引し、トナーパウダ像を感光体上に形成する。
【0017】
図4は、第1現像ステーションCを通過後のドキュメント部分110aにおける電圧を示している。トナー76(一般に任意の色のトナーを表す)が、ドキュメント部分110aの照射部分に付着する。これにより、ドキュメント部分110aの照射領域における電圧が、例えば、実線78で示されるように、約−200ボルトまで増加する。ドキュメント部分110aの非照射領域は、約−500ボルトのレベル72に維持される。
【0018】
図1を再び参照すると、第1現像ステーションCを通過後、露光され、調色されたイメージ領域は、第1再帯電ステーションDに移動する。再帯電ステーションDは、2つのコロナ再帯電装置、すなわち第1再帯電装置36及び第2再帯電装置37で構成される。これらの装置は共に作用し、ドキュメント部分110aの階調領域と非階調領域の両方の電圧レベルを実質的に均一のレベルに再帯電する。なお、第1及び第2再帯電装置36及び37、及び任意のグリッドまたはこれに関連する電圧制御面には電源が接続され、これにより再帯電装置がそのタスクを実行するために必要な電気的入力を得ることができる。
【0019】
図5は、第1再帯電装置36を通過後のドキュメント部分110aにおける電圧を示している。第1再帯電装置は、イメージ領域を、該イメージ領域が再帯電ステーションDを通過後に有すべきレベルより、より負のレベルまで過充電する。例えば、図5に示すように、ドキュメント部分110aの階調領域及び非階調領域は、約−700ボルト(レベル80)から約−500ボルト(レベル81)の範囲の電圧レベルに達する。第1再帯電装置36は、好ましくはDCスコロトロンである。
【0020】
第1再帯電装置36による再帯電後、ドキュメント部分110aは第2再帯電装置37に移動する。図6を参照すると、第2再帯電装置37は、ドキュメント部分110aの、非階調領域と階調領域(トナー76で表されている)のいずれの電圧をも望ましい−500ボルトの電位であるレベル84まで低減する。
【0021】
第1再帯電ステーションDにおける再帯電の後、第1トナーパウダ像を有する、実質的に均一に帯電したドキュメント部分110aは、第2露光ステーション38に進む。第2露光ステーションが、第2カラー画像(例えばイエロー)の光表示によってドキュメント部分110aを照射することにより第2静電潜像を生成する点を除いては、第2露光ステーション38は第1露光ステーションBと同じである。図7には、第2露光ステーション通過後のドキュメント部分110aにおける電位が示されている。図示されるように、非照射領域は、レベル84で示されるように、約−500ボルトの電位を有する。一方、照射領域は、トナー76で示される予め調色された領域と非階調領域のいずれも、レベル88で示される約−50ボルトにまで放電される。
【0022】
ドキュメント部分110aは、その後、第2現像ステーションEに進む。第2現像ステーションEは、第1現像ステーションCにおけるトナー31(ブラック)とは異なる色(イエロー)のトナー40を含む点を除き、第1現像ステーションと実質的に同じである。トナー40はドキュメント部分110aのより負の小さい部分に吸着され、より負の大きい領域から遠ざかるので、第2現像ステーションEを通過後、ドキュメント部分110aは、第1及び第2のトナーパウダ像を有する。第1及び第2のトナーパウダ像は、互い重複する可能性もある。
【0023】
続いて、ドキュメント部分110aは、再帯電ステーションFに進む。第2再帯電ステーションFは、再帯電装置36及び37とそれぞれが同様に動作する第1及び第2再帯電装置51及び52を有する。簡単に言えば、第1コロナ再帯電装置51は、ドキュメント部分110aを、最終的に望ましい電位より高い絶対電位(例えば−700ボルト)に過充電し、AC電位を有するコロノード(coronodes)で構成される第2コロナ再帯電装置は、この電位を最終的に望ましい電位に中和する。
【0024】
次に、再帯電したドキュメント部分110aは、第3露光ステーション53を通過する。第3露光ステーションは、ドキュメント部分110aを、第3カラーの像(例えばマゼンタ)で照射することにより第3静電潜像を生成する点を除き、第1及び第2露光ステーションB及び38と同一である。第3静電潜像は、その後、第3現像ステーションGに含まれる第3カラー(マゼンタ)のトナー55を使用して現像される。
【0025】
露光したドキュメント部分110aは、続いて第3再帯電ステーションHを通過する。第3再帯電ステーションHは、一対のコロナ再帯電装置61及び62を含む。コロナ再帯電装置61及び62は、コロナ再帯電装置36及び37、及び再帯電装置51及び52と同様に、ドキュメント部分110aの階調領域と非階調領域のいずれの電圧をも実質的に均一のレベルに調節する。
【0026】
第3再帯電ステーションを通過後、再帯電したドキュメント部分110aは、第4露光ステーション63を通過する。第4露光ステーションは、ドキュメント部分110aを、第4カラーの像(例えばシアン)で照射することにより第4静電潜像を生成する点を除き、第1、第2及び第3露光ステーションB、38および53と同一である。第4静電潜像は、その後、第4現像ステーションIに含まれる第4カラー(シアン)のトナー65を使用して現像される。
【0027】
基板への効率的な転写のためにトナーを調整すべく、ドキュメント部分110aは、続いてプレ転写コロトロン部材50に進む。プレ転写コロトロン部材50は、コロナ電荷を搬送し、トナー粒子が、後の適切な転写を確保するために必要な電荷レベルであることを保証する。
【0028】
コロトロン部材50を通過後、4つのトナーパウダ像は、転写ステーションJにおいてドキュメント部分110aから支持シート57に転写される。なお、支持シートは、図示されない従来からの給紙装置によって矢印58の方向に転写ステーションまで進む。転写ステーションJは、シート57の裏側に正イオンを噴射する転写コロナ装置54を含み、これにより負に帯電したトナーパウダ像が支持シート57に移動する。転写ステーションJは、支持シート57をプリント装置から容易に取り除けるようにデタック(detack)コロナ装置56をさらに含む。
【0029】
転写後、支持シート57はコンベア(図示せず)に移動し、これにより定着ステーションKに進む。定着ステーションKは、符号60で総括的に示され、転写されたパウダ像を恒久的に支持シート57に固着させる定着アセンブリを含む。好ましくは、定着アセンブリ60は、加熱定着ローラ67及びバックアップまたは加圧ローラ64を含む。支持シート57が定着ローラ67とバックアップローラ64との間を通過する際に、トナーパウダが支持シート57に恒久的に固着する。定着後、図示されないシュートが、支持シート57を、同じく図示されないキャッチトレイまでガイドし、ここでオペレータにより支持シート57が取り除かれる。
【0030】
支持シート57が感光体ベルト10から分離された後、ドキュメント部分110a上の残留トナー粒子が、クリーニングステーションLにおいて、ハウジング66に含まれるクリーニングブラシにより除去される。こうして、ドキュメント部分110aは、新しいマーキングサイクルの開始に備える。
【0031】
上記のさまざまな装置機能が、コントローラによって一般に管理及び規制される。コントローラは、電気コマンド信号を提供し、上記の動作を制御する。
【0032】
図8を参照して、さらに詳しく説明すると、現像装置39はドナーロール30を含む。ドナーロール30はドナー部材とみなしてもよい。図示されるドナー部材はロールであるが、トナー82の現像領域への搬送に適した他の任意の適切な構造体または部材でもよい。現像装置39は現像剤を現像領域に進める。現像装置または現像部39は、スキャベンジレス(scavengeless)である。スキャベンジレスとは、装置39の現像剤またはトナー82が、受像体に既に形成されている像と相互作用しないことを意味する。よって、装置39は、非相互作用現像装置としても知られている。ドナーロール30は、感光体ベルト10とドナーロール30との間の領域である、現像領域にトナー層を搬送する。トナー層82は、図8に示すような2成分現像剤(すなわちトナー及びキャリア)または混合1成分トナー調量及び帯電装置を介してドナーロール30上に堆積された1成分現像剤のいずれかによってドナーロール30上に形成できる。現像領域は、トナー層によってドナーロール30との間に自動的に間隔を有して配置されるACバイアス電極構造体42を含む。1成分トナー、現像剤、またはマーキング粒子は、正に帯電されたトナーを含んでもよいし、負に帯電されたトナーを含んでもよい。電極構造体または端子42は、カーボンブラックを加えたテフロンS(E.I.デュポンドヌムール社の商標)でコーティングしてもよい。
【0033】
2成分現像剤が堆積したドナーロール30に対し、従来の磁気ブラシ46を使用してドナーロール30にトナー層82を形成する。磁気ブラシは、スリーブ86で囲まれた磁気コアを含む。
【0034】
引き続き図8を参照すると、オーガ77がハウジング44内に配置されている。オーガ77は、現像剤48を混合して搬送すべく回転可能に取り付けられている。オーガは、シャフトから外向きに螺旋状に延びるブレードを有する。ブレードは、現像剤48をシャフトの長手方向軸にほぼ平行な軸方向に移動させるべく設計されている。現像剤調量装置が符号88で示されている。連続する静電潜像110a,110b、100cが現像されるにつれ、現像剤中のトナー粒子82が消耗する。トナーディスペンサ(図示せず)が、トナー粒子82の補充物を保存している。トナーディスペンサは、ハウジング44に通じ、現像剤48中のトナー粒子の濃度が下がると、新しいトナー粒子がトナーディスペンサからチャンバの現像剤48に供給される。ハウジングのチャンバ内のオーガが新しいトナー粒子を残留する現像剤と混合し、結果として得られるハウジング内の現像剤が最適化されているトナー粒子の濃度とほぼ均一になるようにする。こうして、ほぼ一定量のトナー粒子が現像剤ハウジング44のチャンバに維持される。
【0035】
図8に示される好ましい実施形態においては、電極構造体42は、1つ以上の細い(すなわち直径50〜100ミクロン)導電性ワイヤで構成してもよい。導電性ワイヤは、ドナーロール30のトナー82に軽く当たるように配置されている。図では電極42は導電性ワイヤとして示されているが、プレート、補助または付属ワイヤ、または当業者が思いつく他の任意の電気的要素または部材を含むことができる。ワイヤとドナーロール30との距離はトナー層の厚さによって自然に間隔が決まり、およそ25ミクロンである。端部ブロック(図示せず)がドナーロール30の表面に対する接線のわずか上方の位置において、ワイヤの先端を支持している。本発明に組み込むことのできる適当なスキャベンジレス現像装置が、米国特許第4,868,600号に開示される。(その記載内容を本願明細書の一部として援用する。) 米国特許第4,868,600号に開示されるように、スキャベンジレス現像装置は、適当なAC及びDC電圧バイアスをワイヤ42及びドナーロール30に印加することにより、2つのドキュメント部分110a(すなわち放電したドキュメント部分110aと帯電したドキュメント部分110a)の一方または他方を選択的に現像すべく調整することができる。
【0036】
再び図8を参照すると、本発明によれば、現像装置は、好ましくはDC電圧源102を含み、ドナーロール30に対してワイヤ42に適当なバイアスを供給する。ワイヤ42は、電圧源103及び104からAC電圧を受ける。これらの電圧源は異なる周波数を生成してもよく、結果的なワイヤ42の電圧は、AC電圧源103及び104とDC電圧源102の瞬間合計である。AC電圧源103はしばしばAC電圧源96と同じ周波数、振幅及び相を有するように選択され、ドナーロール30に電圧を供給する。よって、ドナーロール30に関するワイヤ42の電圧は、単に、AC電圧源104と、2つのDC電圧源102及び92の差またはオフセットとの合計である。DC電圧源102は、図8に示されるようにDC電圧源92及び98とは分離していてもよいし、共通の電圧源を共用してもよい。さらに、AC電圧源104は、図8に示されるようにAC電圧源96,103及び100とは分離していてもよいし、共通の電圧源を共用してもよい。
【0037】
図8の電気的部分は本質的に概略である。電子回路の当業者であれば、AC電圧源をDC電圧源に接続し、電極42、ドナーロール30及び磁気ブラシロール46の望ましい電圧を実現するために多くの方法が可能であることが理解できる。
【0038】
図8に示すようなスキャベンジレス現像装置は、「ワイヤヒストリ(wire history)」として知られる画質欠陥を示す。この欠陥では、トナーまたは他の小粒または現像剤48の成分が電極42に不均一に付着する。この材料の電極への付着により、現像装置の電極の現像能力特性が低下する。このような付着が現像装置の軸長さ方向に沿って不均一であれば、現像装置の軸の長さに沿ったその現像性能が不均一となり、これにより望ましくない画質の欠陥が生じる。
【0039】
電極42及びドナー40のDCバイアス成分の影響は、バイアス源を差(102マイナス92)としてコンボリューションする(畳込む)ことにより最もよく理解できる。これにより、DC(直流電流)は、意図するイメージ領域、例えば74においては、差(102−92)により導電体に対するトナーの現像能力に影響し、意図しない「背景」領域72においては、ドナーバイアス92により影響する。ここで、トナーの極性に近い、ある振幅の差電圧(102−92)が、意図する領域においてトナー現像を抑制し、トナーの極性に近い振幅のドナーバイアス92が、意図されない領域においてトナーの現像を促進する。
【0040】
ドナーのDCバイアス92に対する電極またはワイヤDCバイアス102のシフト(すなわち、102−92)を、トナーの極性により近い(例においては、より負の方向の)値に印加することにより、「ワイヤヒストリ」を低減できることが判明している。さらに、ドナーDCバイアス92を、トナーの極性により近い電圧にシフトすることによってもワイヤヒストリが減少することもわかっている。これら2つの効果の組合わせが、ワイヤヒストリの欠陥を低減する最も効果的な方法であるとされる。しかしながら、これら2つのシフトは、ワイヤヒストリ性能の改善という結果を生む一方で、意図されるトナー現像を低減し、意図されないトナー現像を増加させることがわかっている。したがって、上記の問題に対する解決法は、ワイヤ及びドナーバイアスを、感光体ベルト10の未使用のインタードキュメント領域112a,112b(インターイメージング領域またはインターイメージングゾーン)のあいだにのみ、全体の現像能力を損なうことなくシフトさせることである(図8,9,10)。このような電圧シフトにより、ドキュメント部分110a,110b,100cにおける、現像能力を高めるためのワイヤの条件が最適化するとともに、未使用のインタードキュメント領域112a,112bが、ドナーロール30及びワイヤの現像電気的バイアスを、おそらくインタードキュメント領域112a,112bにおける一部のトナー82を現像する程度にまで利用することを可能にする。なお、プリント装置によっては、インタードキュメント領域を、種々の処理部材の制御またはその他の目的でテストパッチをプリントするために利用するものもある。上記のバイアスシフトは、未使用のインタードキュメント領域においてのみ提供されるものである。
【0041】
ワイヤヒストリをどのように減少または削除できるかについては、図8において現像領域を通過する際の感光体ベルト10に焦点を当てることにより理解できる。図8には、電気的バイアスシフトが行われるベルト10上の領域が示されている。上述のように、感光体ベルト10が移動すると、帯電したドキュメント部分110a,110b,110cが矢印16で示される方向に現像領域を通過し、帯電したトナー粒子82がドキュメント領域110a,110b,110cにおける電圧領域74,88などに付着する。続いて、インタードキュメント領域112a,112bが現像領域を通過する。
【0042】
より詳細には、未使用のインタードキュメント領域112a,112bが現像領域にあるあいだ、以下の事象が起こる。
【0043】
電源コントローラ94は、DC電圧源102を介して、電気的バイアスのDC成分を電極42に供給する。この電力供給により電圧の破壊(burst of voltage)が起こり、これにより、感光体ベルト10の未使用インタードキュメント領域112a,112bが通過するあいだに、電極42の電気的バイアスがシフトし、電極42に粒子を形成するワイヤヒストリの蓄積を減少させる。電極42の電気的バイアスシフトは、イメージングドキュメント部分110a,110b,110cのあいだにドナーロール30によって維持されるドナーロール30の公称電気的バイアスのDC成分に相対する。この時、ドナーロール30はトナー82に覆われる。電極42の電気的バイアスシフトは、現像トナー材料82の極性と等しい極性を有する。また、インタードキュメント領域112a,112bの通過中、トナー82はドナーロール30に残留する。
【0044】
図9は、インタードキュメント領域112a,112bの部分を含むベルト10における、電気的バイアスシフトが生成される領域を示している。図9は、ベルト10のインタードキュメント領域112a、112bの一部が電極42を通過するあいだの好ましい電気的バイアスシフトを示すグラフである。電極42の電気的バイアスをシフトするために、様々な電圧及び電圧源が使用できる。図9に示されるように、電極42の電気的バイアスのDC102成分は、約25ボルトと約250ボルトとのあいだでシフトする。
【0045】
電極42のワイヤヒストリは、未使用のインタードキュメント領域112a,112bが現像領域にある間のドナーロール30の電気的バイアスシフトによっても減少させることができる。
【0046】
ここで再び、図8はドナーロール30の電気的バイアスシフトの領域及びタイミングを説明するのに有用である。ベルト10のドキュメント領域110aが現像領域を通過するあいだ、前述のように、AC96及びDC92電圧源からドナーロール30に電圧が供給され、トナー82がベルト10のドキュメント部分110aに直接堆積される。まず、ドキュメント部分110aが現像領域を通過し、次に、未使用のインタードキュメント領域が現像領域に進入する。
【0047】
未使用のインタードキュメント領域112aが現像領域に進入しているあいだ、電圧シフトがDC電圧源92から供給され、ドナーロール30の電気的バイアスのDC成分がシフトする。ドナーロール30の電気的バイアスシフトは、感光体ベルト10の電気的電位に対してオフセットしている。未使用のインタードキュメント領域112a,112bの現像領域通過における、ドナーロール30に対する好ましい電極のシフトは、トナー82を感光体ベルト10に吸着させるものである。
【0048】
ドナーロール30の電気的バイアスのシフトには、様々な電圧及び電圧源を使用できる。図10は、ドナーロール30の電気的バイアスにおける好ましい電圧シフトを示すグラフである。より詳細には、図10は、約25ボルトと約100ボルトとのあいだの電気的バイアスのDC成分におけるシフトを示している。
【0049】
図9及び図10からわかるように、電極42の電気的バイアスと、ドナーロール30の電気的バイアスのいずれもが、未使用のインタードキュメント領域112a,112bが現像領域を通過する間に、基本的に同時にシフトする。
【0050】
電極42及びドナーロール30に対し、極性及び電圧源の任意の組合わせを用いることができるが、トナーを上記の方向に移動させる極性である、好ましい極性は以下のとおりである。すなわち、電極42の電気的バイアスの極性は、トナー82の極性と等しく、トナー82を電極から遠ざける。ドナーロール30の電気的バイアスシフトの極性は、トナー82をドナーロールから遠ざけ、ベルト10に吸着させる極性及び電荷に調整されている。
【0051】
別の実施形態においては、電極42におけるバイアスシフトを、ドナーロール30のバイアスにおけるシフトから独立させてもよい。例えば、電極42のバイアスシフトを、ドナーロール30のバイアスシフトの開始前に行ってもよい。さらに別の実施形態においては、ドナーロール30のバイアスシフトを、電極42のバイアスシフトに先立って行ってもよい。
【0052】
電極42とドナーロール30の電気的バイアスシフトを、未使用インタードキュメント領域112a,112bの通過中に交互に行ってもよい。また、電極42及びドナーロール30の電気的バイアスシフトを、ドナーロール30と電極42のいずれをも電気的にバイアスする好ましい実施形態と交互に行ってもよいし、この好ましい実施形態を間に行ってもよい。
【0053】
結論として、本発明は、相当のワイヤヒストリを減少または削除するための有効な方法を提供する。ワイヤヒストリを減少するために、未使用インタードキュメント領域112a,112bのあいだに、電気的バイアスシフトをバーストモードの形で印加し、ドキュメント部分110a,110b,110cの現像能力を損なわないようにする。まず、電極42の電気的バイアスのDC成分を、ドナーロール30の電気的バイアスに対してシフトし、次に、ドナーロール30の電気的バイアスのDC成分を感光体ベルト10の電気的バイアスに対してシフトしてもよい。また、電極42及びドナーロール30両方の電気的バイアスのDC成分をシフトしてもよい。これらの技術はいずれも、電極をより清潔に保ち、現像部の強固性(robustness)を高める。上記の本発明は、現像装置を機械的、電気的及び湿度による劣化から保護することにより、現像装置の信頼性及び耐久性を高める。
【0054】
なお、上記の説明は本発明の例示にすぎず、種々の代替及び変更が本発明を逸脱することなく当業者により可能である。例えば、感光体ベルト10に代えて、本発明を、感光体ドラムまたは静電的に帯電された望ましい受像体を有する他の任意のタイプに関して用いてもよい。したがって、本発明は請求の範囲にあるこれらすべての代替、修正及び変更を含むものである。
【0055】
【発明の効果】
以上、説明したように、本発明によれば、現像能力の全体レベルを低下させず、より品質よく画像転写ができる。
【図面の簡単な説明】
【図1】 本発明の特性を有する現像装置を組み込んだ電子写真プリント及び撮像機または装置の例を示す概略図である。
【図2】 図1に示される電子写真プリント装置においてイメージ領域の帯電後の一般的な電圧プロファイルを示す図である。
【図3】 イメージ領域の露光後の一般的な電圧プロファイルを示す図である。
【図4】 イメージ領域の現像後の一般的な電圧プロファイルを示す図である。
【図5】 第1の再帯電装置による再帯電後のイメージ領域の一般的な電圧プロファイルを示す図である。
【図6】 第2の再帯電装置による再帯電後のイメージ領域の一般的な電圧プロファイルを示す図である。
【図7】 2回目の露光後のイメージ領域の一般的な電圧プロファイルを示す図である。
【図8】 図1に示すプリント装置において使用される現像装置を示す概略図である。
【図9】 電極の電圧プロファイルを示す図である。
【図10】 ドナー部材の電圧プロファイルを示す図である。
【符号の説明】
10 感光体ベルト、30 ドナーロール、36 第1再帯電装置、37 第2再帯電装置、38 第2露光ステーション(図1)、42 電極(ワイヤ)、46 磁気ブラシ、48 現像剤、50 プレ転写部材、51 第1再帯電装置、52 第2再帯電装置、53 第3露光ステーション、57 支持シート、63 第4露光ステーション、77 オーガ、82 トナー、94 電源コントローラ、92,98,102 DC電圧源、96,100,103 AC電圧源、110a,110b,110c ドキュメント部分、112a,112b インタードキュメント領域。
Claims (6)
- 画像現像装置であって、
その表面上に、静電潜像が形成されるイメージング領域と、イメージング領域間のインターイメージング領域とが生成される可動イメージング部材であって、該イメージング領域とインターイメージング領域を規定の現像領域の内外に移動させる可動イメージング部材と、
前記現像領域において前記可動イメージング部材に近接対向するドナー部材であって、電気的バイアスが付与された状態で移動することで、予め帯電された現像材料を前記現像領域内に搬送するドナー部材と、
AC電圧が印加されることで、前記現像領域において前記現像材料を前記ドナー部材から浮遊させて前記可動イメージング部材へと搬送する電極と、
前記電極を電気的にバイアスする電圧源であって、前記インターイメージング領域の少なくとも1つが前記現像領域を通過する場合、前記イメージング領域の少なくとも一つが前記現像領域を通過する場合に比べて、前記ドナー部材の電気的バイアスに対する前記電極の電気的バイアスの直流成分を前記現像材料の極性に近づく方向にシフトさせる電圧源と、
を備えることを特徴とする画像現像装置。 - 画像現像装置であって、
その表面上に、静電潜像が形成される受像領域と受像領域間のインターイメージ領域とが生成されるとともに、前記受像領域及び前記インターイメージ領域を規定の現像領域の内外に移動させるイメージング部材と、
前記現像領域において前記イメージング部材に近接対向するドナー部材であって、電気的バイアスが付与された状態で移動することで、予め帯電されたマーキング粒子を前記現像領域内に搬送するドナー部材と、
前記受像領域が前記現像領域を通過するあいだは、前記ドナー部材に第1の電気的バイアスを付与し、前記インターイメージ領域が前記現像領域を通過するあいだは、前記ドナー部材に前記第1の電気バイアスに比して前記マーキング粒子の極性により近い値の第2の電気的バイアスを付与する電圧源と、
を備えることを特徴とする画像現像装置。 - 画像現像装置であって、
静電潜像領域と該静電潜像領域間のインターイメージ領域とを保持するとともに前記静電潜像領域及び前記インターイメージ領域を規定の現像領域の内外に移動させる可動感光体部材に前記現像領域において近接対向するドナー部材であって、電気的バイアスが付与された状態で移動することで、予め帯電されたトナーを前記現像領域内に搬送するドナー部材と、
前記現像領域に位置し、AC電圧が印加されることで、前記現像領域において前記トナーを前記ドナー部材から浮遊させて前記可動感光体部材へと転送する電極と、
前記ドナー部材の電気的バイアスの直流成分を提供する第1の電圧電源であって、前記インターイメージング領域が前記現像領域を通過する場合、前記静電潜像が前記現像領域を通過する場合に比べて、前記ドナー部材の電気的バイアスの直流成分を前記トナーの極性に近づく方向にシフトさせる第1の電圧電源と、
前記電極の電気的バイアスの直流成分を提供する第2の電圧電源であって、前記インターイメージング領域が前記現像領域を通過する場合、前記静電潜像が前記現像領域を通過する場合に比べて、前記電極の電気的バイアスの直流成分を前記トナーの極性に近づく方向にシフトさせる第2の電圧電源と、
を備えることを特徴とする画像現像装置。 - 画像現像装置のクリーニング方法であって、
前記画像現像装置が、
その表面上に、静電潜像が形成される受像領域と受像領域間のインターイメージ領域とが生成されるとともに前記受像領域及び前記インターイメージ領域を規定の現像領域の内外に移動させるイメージング部材と、
前記現像領域において前記イメージング部材に近接対向するドナーロールであって、電気的バイアスが付与された状態で移動することで、予め帯電されたトナーを前記現像領域内に搬送するドナーロールと、
前記現像領域に位置し、AC電圧が印加されることで、前記現像領域において前記トナーを前記ドナーロールから浮遊させて前記イメージング部材へと転送するグリッドと、
前記グリッドに電気的なバイアスを付与する電圧電源と、
を備える場合に、
前記インターイメージング領域が前記現像領域を通過する場合、前記ドナーロールの電気的バイアスに対する前記グリッドの電気的バイアスの直流成分を、前記静電潜像が前記現像領域を通過する場合に比べて、前記トナーの極性に近づく方向にシフトするステップと
を含むことを特徴とするクリーニング方法。 - 画像を現像する方法であって、
インターイメージ領域によって分離されるとともにそれぞれに静電潜像が形成されるイメージ領域を受像部材に生成するステップと、
規定の現像領域において前記受像部材に近接対向する現像部材に電気的バイアスを付与した状態で当該現像部材を移動させることで、予め帯電されたマーキング粒子を前記現像領域へと搬送するステップと、
前記現像領域において前記受像部材と前記現像部材との間に位置する電極に、AC電圧を印加することで、前記現像領域において前記マーキング粒子を前記現像部材から浮遊させて前記受像部材へと搬送するステップと、
前記インターイメージ領域が前記現像領域を通過する間、前記イメージ領域が前記現像領域を通過する間に比べて、前記現像部材に付与される電気的バイアスの少なくとも直流成分を前記マーキング粒子の極性に近づく方向に変化させるステップと、
を含むことを特徴とする画像の現像方法。 - 画像の現像方法であって、
可動感光体ベルト上に、インターイメージ領域により分離される静電潜像領域に静電潜像を生成するステップと、
規定の現像領域において前記可動感光体ベルトに近接対向するドナー部材に電気的バイアスを付与した状態で当該ドナー部材を移動させることで、予め帯電されたトナーを前記現像領域へと搬送するステップと、
前記可動感光体ベルトと前記ドナー部材との間に位置する電極に、AC電圧を印加することで、前記現像領域において前記トナーを前記ドナー部材から浮遊させて前記可動感光体ベルトへと搬送するステップと、
前記可動感光体ベルトの前記インターイメージ領域が前記現像領域を通過する際に、前記可動感光体ベルトに対する前記ドナー部材の電気的バイアスを、前記静電潜像領域が前記現像領域を通過する際に比して、前記トナーの極性に近づく方向にシフトさせるための第1電圧を供給するステップと、
前記可動感光体ベルトの前記インターイメージ領域が前記現像領域を通過する際に、前記ドナー部材の電気的バイアスに対する電極の電気的バイアスを、前記静電潜像領域が前記現像領域を通過する際に比して、前記トナーの極性に近づく方向にシフトさせるための第2電圧を供給するステップと、
を含むことを特徴とする画像の現像方法。
Applications Claiming Priority (2)
| Application Number | Priority Date | Filing Date | Title |
|---|---|---|---|
| US10/107,754 US6668146B2 (en) | 2002-03-26 | 2002-03-26 | Hybrid scavengeless development using direct current voltage shift to remove wire history |
| US10/107,754 | 2002-03-26 |
Publications (2)
| Publication Number | Publication Date |
|---|---|
| JP2003295603A JP2003295603A (ja) | 2003-10-15 |
| JP4355152B2 true JP4355152B2 (ja) | 2009-10-28 |
Family
ID=28452708
Family Applications (1)
| Application Number | Title | Priority Date | Filing Date |
|---|---|---|---|
| JP2003084109A Expired - Fee Related JP4355152B2 (ja) | 2002-03-26 | 2003-03-26 | 画像現像装置、画像現像装置のクリーニング方法、及び画像現像方法 |
Country Status (2)
| Country | Link |
|---|---|
| US (1) | US6668146B2 (ja) |
| JP (1) | JP4355152B2 (ja) |
Families Citing this family (11)
| Publication number | Priority date | Publication date | Assignee | Title |
|---|---|---|---|---|
| US7171136B2 (en) * | 2004-01-22 | 2007-01-30 | Xerox Corporation | Power supply for hybrid scavengeless development type image forming system |
| US7171144B2 (en) * | 2005-02-04 | 2007-01-30 | Xerox Corporation | Image defect reduction in image development apparatus |
| US20060222390A1 (en) * | 2005-04-04 | 2006-10-05 | Samsung Electronics Co., Ltd. | Electrophotographic image forming device and developing method thereof |
| KR100694146B1 (ko) * | 2005-07-20 | 2007-03-12 | 삼성전자주식회사 | 하이브리드방식 현상장치 및 현상방법 |
| US7866262B2 (en) * | 2006-07-21 | 2011-01-11 | Xerox Corporation | Image responsive pivoting pressure roll |
| JP5042676B2 (ja) * | 2007-03-20 | 2012-10-03 | 京セラドキュメントソリューションズ株式会社 | 画像形成装置 |
| JP5342800B2 (ja) * | 2008-03-31 | 2013-11-13 | 京セラドキュメントソリューションズ株式会社 | 現像装置及びそれを備えた画像形成装置 |
| US8155551B2 (en) * | 2009-06-26 | 2012-04-10 | Xerox Corporation | Power supply control method and apparatus |
| JP4766164B2 (ja) * | 2009-09-07 | 2011-09-07 | コニカミノルタビジネステクノロジーズ株式会社 | 現像装置およびその制御方法 |
| JP4821898B2 (ja) * | 2009-09-07 | 2011-11-24 | コニカミノルタビジネステクノロジーズ株式会社 | 現像装置およびその制御方法 |
| US8467706B2 (en) | 2011-06-03 | 2013-06-18 | Xerox Corporation | High speed, high quality image monochromatic printer |
Family Cites Families (2)
| Publication number | Priority date | Publication date | Assignee | Title |
|---|---|---|---|---|
| US4731633A (en) | 1987-04-27 | 1988-03-15 | Xerox Corporation | Elimination of streamer formation in positive charging corona devices |
| US6049686A (en) | 1998-10-02 | 2000-04-11 | Xerox Corporation | Hybrid scavengeless development using an apparatus and a method for preventing wire contamination |
-
2002
- 2002-03-26 US US10/107,754 patent/US6668146B2/en not_active Expired - Fee Related
-
2003
- 2003-03-26 JP JP2003084109A patent/JP4355152B2/ja not_active Expired - Fee Related
Also Published As
| Publication number | Publication date |
|---|---|
| US20030185598A1 (en) | 2003-10-02 |
| JP2003295603A (ja) | 2003-10-15 |
| US6668146B2 (en) | 2003-12-23 |
Similar Documents
| Publication | Publication Date | Title |
|---|---|---|
| JPH0664397B2 (ja) | 像形成装置及び像形成方法 | |
| US5144371A (en) | Dual AC/dual frequency scavengeless development | |
| JPH0772733A (ja) | トナーの帯電方法及び潜像の現像装置 | |
| JP4355152B2 (ja) | 画像現像装置、画像現像装置のクリーニング方法、及び画像現像方法 | |
| US6134412A (en) | Method for loading dry xerographic toner onto a traveling wave grid | |
| US5978633A (en) | Apparatus for preventing wire strobing in a hybrid scavengeless development system | |
| US6049686A (en) | Hybrid scavengeless development using an apparatus and a method for preventing wire contamination | |
| JP2951343B2 (ja) | トライレベル像の調整方法及びトライレベル像の状態調整装置 | |
| US6070036A (en) | Multizone method for xerographic powder development: voltage signal approach | |
| JP4091140B2 (ja) | 現像装置及び電子写真印刷装置 | |
| US5758239A (en) | Development system | |
| US6101357A (en) | Hybrid scavengeless development using a method for preventing power supply induced banding | |
| US5862438A (en) | Reduced interdocument zone in a printing system having a single developer power supply | |
| US5504563A (en) | Scavengeless donor roll development | |
| US6223013B1 (en) | Wire-less hybrid scavengeless development system | |
| US6112044A (en) | Integrated toner transport/toner charging device | |
| US5523826A (en) | Developer units with residual toner removal to assist reloading | |
| US5923932A (en) | Hybrid scavengeless development using a method for preventing a ghosting print defect | |
| US6272305B1 (en) | Apparatus for developing a latent image | |
| US5943539A (en) | Hybrid scavengeless development using a method for preventing wire strobing | |
| US5426487A (en) | Image forming apparatus having bimodal charging means | |
| US6023600A (en) | Ion charging developement system | |
| EP1569045A2 (en) | Power supply for hybrid scavengeless development type image forming system | |
| JPH02123379A (ja) | 感光体の縁を現像しない現像方法及び装置 | |
| JP3146272B2 (ja) | 画像形成方法 |
Legal Events
| Date | Code | Title | Description |
|---|---|---|---|
| A621 | Written request for application examination |
Free format text: JAPANESE INTERMEDIATE CODE: A621 Effective date: 20060320 |
|
| A131 | Notification of reasons for refusal |
Free format text: JAPANESE INTERMEDIATE CODE: A131 Effective date: 20090317 |
|
| A521 | Request for written amendment filed |
Free format text: JAPANESE INTERMEDIATE CODE: A523 Effective date: 20090615 |
|
| TRDD | Decision of grant or rejection written | ||
| A01 | Written decision to grant a patent or to grant a registration (utility model) |
Free format text: JAPANESE INTERMEDIATE CODE: A01 Effective date: 20090707 |
|
| A01 | Written decision to grant a patent or to grant a registration (utility model) |
Free format text: JAPANESE INTERMEDIATE CODE: A01 |
|
| A61 | First payment of annual fees (during grant procedure) |
Free format text: JAPANESE INTERMEDIATE CODE: A61 Effective date: 20090731 |
|
| R150 | Certificate of patent or registration of utility model |
Free format text: JAPANESE INTERMEDIATE CODE: R150 |
|
| FPAY | Renewal fee payment (event date is renewal date of database) |
Free format text: PAYMENT UNTIL: 20120807 Year of fee payment: 3 |
|
| FPAY | Renewal fee payment (event date is renewal date of database) |
Free format text: PAYMENT UNTIL: 20130807 Year of fee payment: 4 |
|
| R250 | Receipt of annual fees |
Free format text: JAPANESE INTERMEDIATE CODE: R250 |
|
| R250 | Receipt of annual fees |
Free format text: JAPANESE INTERMEDIATE CODE: R250 |
|
| LAPS | Cancellation because of no payment of annual fees |