JP2010044399A - 面状光源装置及びそれを用いた液晶表示装置 - Google Patents

面状光源装置及びそれを用いた液晶表示装置 Download PDF

Info

Publication number
JP2010044399A
JP2010044399A JP2009213169A JP2009213169A JP2010044399A JP 2010044399 A JP2010044399 A JP 2010044399A JP 2009213169 A JP2009213169 A JP 2009213169A JP 2009213169 A JP2009213169 A JP 2009213169A JP 2010044399 A JP2010044399 A JP 2010044399A
Authority
JP
Japan
Prior art keywords
light source
led
source device
luminance
liquid crystal
Prior art date
Legal status (The legal status is an assumption and is not a legal conclusion. Google has not performed a legal analysis and makes no representation as to the accuracy of the status listed.)
Granted
Application number
JP2009213169A
Other languages
English (en)
Other versions
JP4970514B2 (ja
Inventor
Yukio Ijima
幸雄 井島
Current Assignee (The listed assignees may be inaccurate. Google has not performed a legal analysis and makes no representation or warranty as to the accuracy of the list.)
Mitsubishi Electric Corp
Original Assignee
Mitsubishi Electric Corp
Priority date (The priority date is an assumption and is not a legal conclusion. Google has not performed a legal analysis and makes no representation as to the accuracy of the date listed.)
Filing date
Publication date
Application filed by Mitsubishi Electric Corp filed Critical Mitsubishi Electric Corp
Priority to JP2009213169A priority Critical patent/JP4970514B2/ja
Publication of JP2010044399A publication Critical patent/JP2010044399A/ja
Application granted granted Critical
Publication of JP4970514B2 publication Critical patent/JP4970514B2/ja
Anticipated expiration legal-status Critical
Expired - Fee Related legal-status Critical Current

Links

Images

Landscapes

  • Liquid Crystal (AREA)
  • Planar Illumination Modules (AREA)
  • Circuit Arrangement For Electric Light Sources In General (AREA)
  • Liquid Crystal Display Device Control (AREA)
  • Control Of Indicators Other Than Cathode Ray Tubes (AREA)

Abstract

【課題】色むら、輝度むら等を抑制した面状光源装置及び液晶表示装置を提供すること。
【解決手段】本発明にかかる面状光源装置は、光源として複数のLED1を備えている。複数のLED1は、第1の回路9に接続された第1の発光ダイオードグループと、第1の回路9と異なる第2の回路10に直列接続された第2の発光ダイオードグループとを有している。第2の発光ダイオードグループに属する発光ダイオードの数は、第1の発光ダイオードグループとは異なっている。
【選択図】図6

Description

本発明は、面状光源装置に関し、特にはLEDを光源とする液晶表示装置に関する。
液晶表示装置は、液晶層が狭持された2枚の基板からなる液晶パネルとその液晶パネルの裏面側にバックライトとして面状光源装置が設けられている。面状光源装置の光源としては、従来はその光源に線状の冷陰極管が用いられていたが、寿命の長さ及び発光の良さからR、G、B三色の発光ダイオード(以下、LEDとする)をそれぞれ複数配置した光源を用いるものもある。
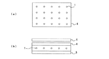
このLEDを用いた液晶表示装置の構成について図1を用いて説明する。図1は光源が端部に設けられたエッジライト方式(サイドライト方式ともいう)の液晶表示装置の構成を示す図である。図1(a)はその平面図であり、図1(b)は断面図である。1はLED、2は導光板、3はリフレクター、4は光学シート、5は反射シート、6は液晶パネルである。R、G、BのLED1が白色光を発光するためそれぞれ複数配置されている。この各色のLED1から発光された光は直接またはリフレクター2によって反射され導光板3の側面に入射する。導光板3に入射された光は導光板中で全反射を繰り返しながら伝播する。導光板内の光は光学シート4が設けられている面全体(発光面全体)に出射する。発光面と反対側に出射された光は反射シート5により反射され再び導光板4に入射される。導光板3の発光面側から出射された光は、拡散シート、保護シート、レンズシート、プリズムシート等からなる光学シート4を通過し液晶パネル6に入射される。液晶パネル6に到達した光は映像信号にあわせて変調され、R、G、B各色を表示する。
また図示したエッジライト方式の液晶表示装置以外にも液晶パネルの背面に光源を設けた直下型のものや、LEDの放熱を促進させるために導光板の裏面に光源を設けリフレクターを介して導光板に光を入射するものもある。
例えば、15インチ型の液晶表示装置でR、G、BのLED1が合計40個程度設けられている。LED1の配列は表示領域全体が均一な白色光になるように設けられており、その個数は各色の光の輝度が等しくなるように調整されている。従来の液晶表示装置において、このLED1は直列又は並列若しくはそれらの組み合わせで接続されており、電圧及び電流が供給される。このLEDの回路を図9に示す。ここで1はLEDである。LED1が複数設けられており、直列と並列の組み合わせで接続されている。
このLED1のばらつき、変動を一定に保つために従来の液晶表示装置では特許文献1に示されるように、このLEDが接続された回路全体として定電流制御が行われていた。これにより、LED駆動電圧のばらつきや変動、LED自体に順電圧のばらつきがあったとしても、LEDの回路に常に一定の電流が流れる。従ってバックライト輝度にばらつきがない面状光源装置を得ることができる。またR、G、B各色毎のLEDを直列又は並列に接続し、各色の回路毎にそれぞれ電圧、電流を供給し、各色の輝度(発光色)を調整している面状光源装置を用いた液晶表示装置もある。
このような従来の液晶表示装置及び面状光源装置では、以下のような問題が生じていた。LED1に同じ電流又は同じ電圧を供給しても、LED1の製品ごとにばらつき、変動や温度特性の差があり、それぞれのLED1が同じ輝度、光量にはならなかった。面状光源装置のLED1の配列、個数は各色LED1が同じ輝度として設計されている。従ってこのLED1の輝度、光量のばらつきが面状光源装置の輝度に影響を与え、表示むら、色むらが発生するといった問題があった。また面状光源装置の表示特性が製品ごとにばらつくといった問題もあった。
また面状光源装置としてLED1を複数配置した場合、その場所によって温度に差が生じる。例えば、面状光源装置の中央付近に設けられたLED1は温度が高くなる。そしてLED1はそれぞれの温度特性が異なり、使用環境の温度によってもそれぞれのLED1の輝度、光量に差が生じる。従って、面状光源装置または液晶表示装置としてLED1を複数配置した場合、その場所によって温度に差が生じ、それぞれのLED1の輝度、光量がばらつくという問題があった。このように輝度がばらついているLED1を用いた場合に、表示領域によって輝度に差が生じる。位置によって輝度が異なり、表示ムラが生じる。また各色のLED1を各色毎に接続した場合は、各色によって輝度に差が生じ、色むらとなることがあった。このように従来の面状光源装置では表示むら等が発生するという問題点があった。さらには面状光源装置の温度の変化が製品ごとに異なり、製品ごとの表示特性がばらつくといった問題が生じていた。このような面状光源装置を用いた液晶表示装置では表示むら等が生じ、さらに製品ごとに表示特性がばらつくといった問題が生じていた。
特開平11−305198号公報
このように、従来の面状光源装置及び液晶表示装置では、色むら、輝度むら又は表示むらが発生し、表示特性がばらつくという問題点があった。
本発明は、このような問題点を解決するためになされたもので、色むら又は表示むらを抑制した面状光源装置及び液晶表示装置を提供することを目的とする。
本発明にかかる面状光源装置は、第1の回路に直列接続された第1の発光ダイオードグループと、前記第1の回路と異なる第2の回路に直列接続された第2の発光ダイオードグループとを有し、前記第2の発光ダイオードグループに属する発光ダイオードの数は、前記第1の発光ダイオードグループと異なっていることを特徴とするものである。これにより、面状光源装置の輝度むら、色むら又は表示むらを抑制することができる。
本発明にかかる面状光源装置は、前記第1及び第2の回路と異なる第3の回路に直列接続された第3の発光ダイオードグループをさらに備え、前記第1ないし第3の各発光ダイオードグループは、それぞれR、G、Bの3色のうち他の発光ダイオードグループとは異なるいずれか1色の発光ダイオードで構成されていることを特徴とするものである。これにより、各色毎の輝度むら又は表示むらを抑制することができる。
本発明にかかる面状光源装置は、前記第1ないし第3の回路がそれぞれ異なる電流量の制御が行えるように構成されているものである。これにより、容易に輝度むら、色むら又は表示むらを抑制することができる。
本発明によれば、色むら又は表示むらを抑制した面状光源装置及び液晶表示装置を提供することができる。
図1(a) 液晶表示装置の構成を示す平面図である。 図1(b) 液晶表示装置の構成を示す断面図である。 本発明の実施の形態1にかかる面状光源装置のLEDの回路図である。 本発明の実施の形態1にかかる面状光源装置のLEDの別の回路図である。 本発明の実施の形態2にかかる面状光源装置のLEDの回路図である。 本発明の実施の形態2にかかる面状光源装置のLEDの別の回路図である。 本発明の実施の形態3にかかる面状光源装置のLEDの回路図である。 図7(a) 異なる液晶表示装置の構成を示す平面図である。 図7(b) 異なる液晶表示装置の構成を示す平面図である。 図8(a) 異なる液晶表示装置の構成を示す平面図である。 図8(b) 異なる液晶表示装置の構成を示す平面図である。 従来の面状光源装置のLEDの回路図である。
発明の実施の形態1.
本発明にかかる面状光源装置を用いた液晶表示装置の構成について図1を用いて説明する。図1(a)は液晶表示装置の平面図であり、図1(b)は断面図である。1はLED(発光ダイオード)、2はリフレクター、3は導光板、4は光学シート、5は反射シート、6は液晶パネルである。R、G、BのLED1が白色光を発光するためそれぞれ複数配置されている。この各色のLED1から発光された光は、直接またはリフレクター2によって反射され導光板3の側面に入射する。導光板3に入射された光は、導光板中で全反射を繰り返しながら伝播する。導光板内の光は光学シート4が設けられている面全体(発光面全体)に出射する。発光面と反対側に出射された光は反射シート5により反射され再び導光板3に入射される。導光板3の発光面側から出射された光は、拡散シート、保護シート、レンズシート、プリズムシート等からなる光学シート4を通過し液晶パネル6に入射される。液晶パネル6に到達した光は映像信号にあわせて変調され、R、G、B各色を表示する。
例えば、15インチ型の液晶表示装置でR、G、BのLED1が合計40個程度設けられている。またLED1の配列は表示領域全体が均一な白色光になるように設けられており、その個数は各色の光の輝度が等しくなるように調整されている。本発明にかかる面状光源装置の光源であるLED1の輝度の調整方法について図2を用いて説明する。図2はLED1の回路図である。7は可変抵抗である。ここでは説明のためLED1を3個のみ図示しており、直列に接続されている。その両端には電源が接続されており、定電流制御がされている。そして可変抵抗7がそれぞれのLED1に並列に接続されている。そして輝度が弱いLED1に対応する可変抵抗7の抵抗値を上げると可変抵抗7に流れる電流が減り、LED1に流れる電流値が増える。よってそのLED1の輝度が強くなる。また逆に輝度が強いLED1に対応する可変抵抗7の抵抗値を下げると可変抵抗7に流れる電流が増え、LED1に流れる電流値が減る。よってそのLED1の輝度が弱くなる。これにより各LED1の輝度を調整することができる。LED1に同じ電流を流してもLED自体のばらつき、温度特性の差により個々のLED1の輝度が異なり、表示ムラが起きる場合は個々のLED1の輝度を調整する。これにより表示ムラの発生を抑制することが可能になる。
例えば、赤色(R)の発光色が弱いときは赤色のLED1に対応する可変抵抗の抵抗値を上げRの輝度を強くする。逆にRの発光色が強いときは赤色のLED1に対応する可変抵抗の抵抗値を下げRの輝度を強くする。緑色(G)、青色(B)のLED1に対しても同様の調整をすることができる。これにより各色の輝度を調整することができ、発光色を制御することが可能になる。またLED1にボリュームメーター等の可変抵抗7を接続すればよいので簡単な構成で輝度むら等を調整することが可能になる。さらにLED1のばらつきによる、面状光源装置の製品ごとのばらつきを抑制することができる。
またLED1を光源として用いて面状光源装置を組み立て、点灯させた際に、LED1が配置された場所によって、LED1の温度に差が生じる。この温度差によってLED1の輝度にばらつきが生じるため、表示むらが発生することがある。またここのLED1の温度特性にばらつきが生じたり、各色のLED1によって温度特性に差がある場合もある。このような場合は、面状光源装置を点灯させて、その輝度を位置毎又は色毎(波長毎)に、検出、測定する。そして輝度が弱い場所、色(波長)に対応するLED1の可変抵抗7の抵抗値を上げる。逆に輝度が強い場所、色(波長)に対応するLED1の可変抵抗7の抵抗値を下げる。こうして個々のLED1に対応する可変抵抗7の抵抗値を変化させることにより、面状光源装置の輝度が均一になるように調整する。これにより、LED1の温度特性にばらつきがある場合でも、表示むら、色むらの発生を抑制することができる。このような面状光源装置をバックライトとして用いることにより、表示むら、色むらのない液晶表示装置を得ることができる。
上述のようにLED1には個々にばらつきがある。従って同じ電流又は電圧を供給しても同じ輝度にならないことがある。それぞれのLED1の輝度を同じにする方法を以下に説明する。まずLED1を個々に点灯させ、それぞれのLED1の輝度を検出、測定する。輝度が弱いLED1に対応する可変抵抗7の抵抗値を上げ、輝度を強くする。逆に輝度が強いLED1に対応する可変抵抗7の抵抗値を下げ、輝度を弱くする。これにより、LED1の輝度を同一にすることができる。また可変抵抗7の代わりに適当な値の抵抗を設けても同様の効果を得ることができる。また上述の方法はLED1の輝度の制御にも利用することができる。
図2ではLED1を直列に接続し、可変抵抗7をそれぞれにLED1に対して並列に接続したが、図3に示すようにLED1を並列に接続し、それぞれのLED1に対して可変抵抗7を直列に接続してもよい。ここでも図1と同様にLED1を説明のため3個のみ図示している。このLED1を並列に接続した場合は直列に接続した場合とは逆に、定電圧制御を行うことが望ましい。輝度が弱いLED1に対応する可変抵抗7の抵抗値を下げることにより、LED1の輝度を強くすることができる。反対に輝度が強いLED1に対応する可変抵抗7の抵抗値を上げることにより、LED1の輝度を弱くすることができる。これにより表示むら、色むらが抑制された面状光源装置を得ることができる。
本発明の実施の形態は図2、図3に示されたように、直列又は並列にLED1を接続されるものに限定されるものではなく、直列接続と並列接続の組み合わせでもよい。また可変抵抗7は面状光源装置に設けられている全てのLED1に対応していなくてもよく、一部のLED1に複数の可変抵抗7が設けられていれば同様の効果を得ることができる。さらには、可変抵抗7は個々のLED1に対応していなくてもよく、例えば2つ以上のLED1に対応して、1つの可変抵抗7が設けられていてもよい。もちろん2つ以上の可変抵抗7が1つのLED1に対応して設けられていてもよい。さらには、一部のLED1にのみ対応して、可変抵抗7が設けられていてもよい。
またLED1が2以上の回路に分かれて、別々に電流、電圧を供給する場合でも、上記のように複数の可変抵抗7を設けることにより、表示むら、輝度むら、色むらの発生を抑制することができる。例えば、R、G、BのLED1をそれぞれ3つ回路で分けて、別々に電流、電圧を供給してもよい。それぞれの回路に複数の可変抵抗7を設けることにより、それぞれの色(波長)に対して表示むらの発生を抑制することができる。本発明の実施の形態は図示したものに限定されるものではなく、複数のLED1に対して複数の可変抵抗7を設ければよい。これにより、面状光源装置の表示むら、輝度むら、色むらを抑制することができる。従ってバックライト光源の輝度を均一にすることができる。また、液晶表示装置に用いることが好適である。
発明の実施の形態2.
本発明の実施の形態2にかかる面状光源装置の光源について図4を用いて説明する。光源としてLEDが用いられており、図4はそのLEDの回路図である。1はLED、8はスイッチング素子である。面状光源装置の構成は上述の実施の形態1で説明したものと同一なので説明を省略する。LED1が直列に接続されており、それぞれのLED1に対応するスイッチング素子8が並列に接続されている。スイッチング素子8はマイコン等からのスイッチング信号により動作する。
それぞれのLED1には上述で説明したようにばらつき、変動、温度特性にばらつきがあり、輝度に差が生じる場合がある。この輝度の差を抑制し、面状光源装置において表示むら、色むらを抑制する方法を説明する。個々のLED1を一度点灯させて、それぞれの輝度を検出、測定する。または面状光源装置を組み立ててから、その面状光源装置の輝度を位置毎または色毎に検出する。その輝度が弱いLED1に対応するスイッチング素子8はOFFにする。これにより回路を流れる電流は全てLED1に流れるので輝度が高くなる。逆に輝度が強いLED1に対応するスイッチング素子8はONにする。スイッチング素子8には適当な抵抗値の抵抗が接続されているため、回路に流れる電流の一部はスイッチング素子に流れる。よってLED1に流れる電流が減り、LED1の輝度が低くなる。このようにして個々のLED1を調整することにより、面状光源装置の表示むら、色むら、輝度むらを抑制することができる。
また図5に示したようにスイッチング素子8をLED1に並列に複数接続することにより、LED1に流れる電流を段階的に調整することができる。これにより、LED1の輝度をより細かく調整することができる。またスイッチング素子8が適当な負荷抵抗を有していれば、抵抗を設けなくても同様な効果を得ることができる。本実施の形態ではLED1にスイッチング素子8を接続すればよいので簡単な構成で輝度むら等を調整することが可能になる。さらにLED1のばらつきによる、面状光源装置の製品ごとのばらつきを抑制することができる。またスイッチング素子8は面状光源装置に設けられている全てのLED1に対応していなくてもよく、複数のスイッチング素子8が設けられていれば同様の効果を得ることができる。さらには、スイッチング素子8は個々のLED1に対応していなくてもよく、例えば2つ以上のLED1に対応して、1つのスイッチング素子8が設けられていてもよい。さらには、一部のLED1にのみ対応して、スイッチング素子8が設けられていてもよい。
発明の実施の形態3.
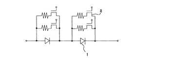
本実施の形態3にかかる面状光源装置の表示むら、色むら、輝度むらの抑制する方法について図6を用いて説明する。光源としてはLEDが用いられており、図6はそのLEDの回路図である。1はLED、9は第1回路、10は第2回路、11は第3回路である。面状光源装置は図1と同じ構成なので説明を省略する。
まず同じ回路に接続して面状光源装置を点灯させる。そしてその表示領域において、位置毎、色毎の輝度を検出する。検出した輝度の強弱を基に、LED1を複数のグループに分ける。ここでは図6のようにLED1を、輝度が弱いLED1のグループ(以下、第1グループ)、輝度が強いLED1のグループ(以下、第3グループ)、輝度が第1グループと第2グループの間のLED1のグループ(以下、第2グループ)の3つのグループに分けている。それぞれのグループをそれぞれ別々の回路に分ける。ここで第1グループに対応する回路を第1回路9、第2グループに対応する回路を第2回路10、第3グループに対応する回路を第3回路11とする。ここでは第1回路9及び第3回路11にLED1が2個直列に、第2回路10にLED1が3個直列に接続され、それぞれ定電流制御されている。
この第1回路は輝度を高くしたいので他の回路よりも高い電流で制御する。逆に第3回路は輝度を低くしたいので他の回路よりも低電流で制御する。第2回路は第1回路と第3回路の間の電流で制御する。これにより、それぞれの回路でLED1の輝度を調整することができ、面状光源装置の表示むら、色むら、輝度むらを抑制することができる。もちろん図示した回路構成に限らず、流す電流毎にLED1を複数のグループに分け、異なる回路とすれば同様の効果が得られえる。また個々の回路に接続されるLED1の個数は1個以上であれば、同様の効果を得ることができる。さらにLED1は並列接続でもよく、さらにはその組み合わせでもよい。またLED1の制御は電流制御に限らず、LED1を並列に設け電圧制御をしても、同様の効果が得られる。さらにこれらの実施の形態を組み合わせてもよい。また最初からLED1を複数の回路に分け接続してもよく、上述の調整方法を何度か繰り返し、より輝度を均一にしてもよい。本発明は面状光源装置において、複数のLED1を異なる回路に分け、それぞれの回路に供給する電流、電圧を個別に制御するものである。従って、上述の実施の形態に限られるものではない。本実施の形態ではLED1を異なる回路に接続し、個別に電流又は電圧を制御すればよいので、簡単な構成で輝度むら等を調整することが可能になる。さらにLED1のばらつきによる、面状光源装置の製品ごとのばらつきを抑制することができる。
その他の実施の形態.
上述の実施の形態はそれぞれ組み合わせて用いてもよい。例えば、実施の形態1と3を組み合わせの例として、R、G、Bの異なる色のLED1をそれぞれ異なる3つの回路に分けてもよい。そしてそれぞれの回路において、LED1を直列で接続し、個々のLED1にそれぞれ可変抵抗7を並列に設けてもよい。さらにそれぞれの色のLED1をさらに異なる複数の回路に分けてもよい。これにより、面状光源装置の各発光色の輝度むら、表示むらをより細かく調整することができる。
また本発明は個々のLED1の輝度調整を面状光源装置又は液晶表示装置を組み立てる際のみに行ってもよい。組み立てる際にLED1の輝度が調整された面状光源装置又は液晶表示装置であれば、輝度むら、表示むら、色むらが抑制される。この場合は製品化後に輝度を均一にする調整手段が不要となるため、より簡易な構成で面状光源装置又は液晶表示装置を製造することができる。またある程度の時間、面状光源装置又は液晶表示装置を点灯させておき、温度がほほ一定になり温度の変化が少なくなってから調整を行えば、継続使用時に輝度むら等が抑制された面状光源装置又は液晶表示装置を得ることができる。もちろん、製品となった面状光源装置又は液晶表示装置に可変抵抗7の抵抗値を調整する調整手段やスイッチング素子の動作を行う調整手段を設けてもよい。これにより、随時輝度の調整を行うことが可能になり、使用環境や経時的な変化に関係なく輝度が均一な面状光源装置及び液晶表示装置を得ることができる。
また温度変化の大きい場所のLED1にのみ可変抵抗7又はスイッチング素子8を設け、輝度の調整を行ってもよい。これにより、LED1の温度特性のばらつきを抑制することができ、輝度が均一な面状光源装置を得ることができる。従って異なる環境でも表示特性の変化が少ない面状光源装置を得ることができる。
本発明にかかる面状光源装置は液晶表示装置に用いることが好適である。また図1で図示した液晶表示装置に限らず、図7に示すような構成の液晶表示装置に用いることもできる。図7(a)は液晶表示装置の構成を示す平面図であり、図7(b)は断面図である。図1で付した符号と同一の符号は同一の構成を示すので説明を省略する。図7に示す液晶表示装置ではLED1が面状に設けられている。また導光板が設けられていない。面状に設けられたLED1からの光は拡散シート等からなる光学シート4によって拡散され、液晶パネル6に入射される。この場合、表示領域にそれぞれのLED1が対応しているので表示むらの発生をより抑制することができる。
さらに図8に示すような構成の液晶表示装置にも用いることができる。図8(a)は液晶表示装置の構成を示す平面図であり、図8(b)は断面図である。図1で付した符号と同一の符号は同一の構成を示すので説明を省略する。図8に示す液晶表示装置ではLED1が反射シート5を挟んで導光板3の裏面に設けられている。そしてリフレクター2によって反射されたLED1からの光は、導光板3の側面に入射される。このような構成の液晶表示装置ではLED1の熱が放熱されるため、温度上昇が少ない。したがってLED1の温度特性のばらつきによる輝度への影響が少ない。また本発明にかかる液晶表示装置の構成は図示した構成に限られるものではない。
本発明にかかる面状光源装置は液晶表示装置への利用に限られず、光源装置として利用することもでき、また他の表示装置にも用いることができる。本発明の効果は、複数の光源に対して上述の輝度調整手段(可変抵抗、スイッチング素子又は異なる回路への接続)を設けることにより得られる。従って、光源はLEDに限らず、発光素子、エレクトロルミネッセンス素子(EL)や冷陰極管等でも光源が複数あれば、同様の効果を得ることができる。
1 LED
2 リフレクター
3 導光板
4 光学シート
5 反射シート
6 液晶パネル
7 可変抵抗
8 スイッチング素子
9 第1回路
10 第2回路
11 第3回路

Claims (3)

  1. 第1の回路に直列接続された第1の発光ダイオードグループと、
    前記第1の回路と異なる第2の回路に直列接続された第2の発光ダイオードグループと、
    を有し、
    前記第2の発光ダイオードグループに属する発光ダイオードの数は、前記第1の発光ダイオードグループと異なっていることを特徴とする面状光源装置。
  2. 前記第1及び第2の回路と異なる第3の回路に直列接続された第3の発光ダイオードグループをさらに備え、
    前記第1ないし第3の各発光ダイオードグループは、それぞれR、G、Bの3色のうち他の発光ダイオードグループとは異なるいずれか1色の発光ダイオードで構成されていることを特徴とする請求項1に記載の面状光源装置。
  3. 前記第1ないし第3の回路は、それぞれ異なる電流量の制御が行えるように構成されている請求項1又は2に記載の面状光源装置。
JP2009213169A 2009-09-15 2009-09-15 面状光源装置及びそれを用いた液晶表示装置 Expired - Fee Related JP4970514B2 (ja)

Priority Applications (1)

Application Number Priority Date Filing Date Title
JP2009213169A JP4970514B2 (ja) 2009-09-15 2009-09-15 面状光源装置及びそれを用いた液晶表示装置

Applications Claiming Priority (1)

Application Number Priority Date Filing Date Title
JP2009213169A JP4970514B2 (ja) 2009-09-15 2009-09-15 面状光源装置及びそれを用いた液晶表示装置

Related Parent Applications (1)

Application Number Title Priority Date Filing Date
JP2002185457A Division JP4402336B2 (ja) 2002-06-26 2002-06-26 面状光源装置及びそれを用いた液晶表示装置

Publications (2)

Publication Number Publication Date
JP2010044399A true JP2010044399A (ja) 2010-02-25
JP4970514B2 JP4970514B2 (ja) 2012-07-11

Family

ID=42015772

Family Applications (1)

Application Number Title Priority Date Filing Date
JP2009213169A Expired - Fee Related JP4970514B2 (ja) 2009-09-15 2009-09-15 面状光源装置及びそれを用いた液晶表示装置

Country Status (1)

Country Link
JP (1) JP4970514B2 (ja)

Cited By (8)

* Cited by examiner, † Cited by third party
Publication number Priority date Publication date Assignee Title
WO2011114598A1 (ja) * 2010-03-16 2011-09-22 シャープ株式会社 エッジライト式面状光源装置、及び液晶表示装置
JP2013522819A (ja) * 2010-03-10 2013-06-13 コーニンクレッカ フィリップス エレクトロニクス エヌ ヴィ 異なるled種類を有するled照明装置における色の一致の維持
WO2013153752A1 (ja) * 2012-04-10 2013-10-17 パナソニック株式会社 照明用光源
JP2014146643A (ja) * 2013-01-28 2014-08-14 Kaneka Corp 有機el装置
WO2016194469A1 (ja) * 2015-06-02 2016-12-08 ローム株式会社 発光素子駆動装置、スイッチ駆動装置
JP2017010920A (ja) * 2015-06-24 2017-01-12 財團法人工業技術研究院Industrial Technology Research Institute 色温度調整可能な照明装置およびその色温度調整方法
JP2018037406A (ja) * 2016-08-29 2018-03-08 鴻海精密工業股▲ふん▼有限公司 バックライトシステム及びその製造方法
US10514491B2 (en) 2016-11-01 2019-12-24 Sharp Kabushiki Kaisha Backlight device, and display device provided with same

Families Citing this family (1)

* Cited by examiner, † Cited by third party
Publication number Priority date Publication date Assignee Title
CN111951739A (zh) * 2020-08-05 2020-11-17 Tcl华星光电技术有限公司 背光模组及显示装置

Citations (4)

* Cited by examiner, † Cited by third party
Publication number Priority date Publication date Assignee Title
JPH05181427A (ja) * 1991-12-27 1993-07-23 Rohm Co Ltd ランプ
JPH11162234A (ja) * 1997-11-25 1999-06-18 Matsushita Electric Works Ltd 発光ダイオードを用いた光源
JP2000310761A (ja) * 1999-04-27 2000-11-07 Matsushita Electric Ind Co Ltd Lcd照明装置
JP2002055339A (ja) * 2000-08-10 2002-02-20 Sanyo Electric Co Ltd 発光表示装置

Patent Citations (4)

* Cited by examiner, † Cited by third party
Publication number Priority date Publication date Assignee Title
JPH05181427A (ja) * 1991-12-27 1993-07-23 Rohm Co Ltd ランプ
JPH11162234A (ja) * 1997-11-25 1999-06-18 Matsushita Electric Works Ltd 発光ダイオードを用いた光源
JP2000310761A (ja) * 1999-04-27 2000-11-07 Matsushita Electric Ind Co Ltd Lcd照明装置
JP2002055339A (ja) * 2000-08-10 2002-02-20 Sanyo Electric Co Ltd 発光表示装置

Cited By (12)

* Cited by examiner, † Cited by third party
Publication number Priority date Publication date Assignee Title
JP2013522819A (ja) * 2010-03-10 2013-06-13 コーニンクレッカ フィリップス エレクトロニクス エヌ ヴィ 異なるled種類を有するled照明装置における色の一致の維持
US9316383B2 (en) 2010-03-10 2016-04-19 Koninklijke Philips N.V. LED lighting device with temperature dependent output stabilizer
WO2011114598A1 (ja) * 2010-03-16 2011-09-22 シャープ株式会社 エッジライト式面状光源装置、及び液晶表示装置
JP5312679B2 (ja) * 2010-03-16 2013-10-09 シャープ株式会社 エッジライト式面状光源装置、及び液晶表示装置
WO2013153752A1 (ja) * 2012-04-10 2013-10-17 パナソニック株式会社 照明用光源
JP5492350B2 (ja) * 2012-04-10 2014-05-14 パナソニック株式会社 照明用光源
US9226374B2 (en) 2012-04-10 2015-12-29 Panasonic Intellectual Property Management Co., Ltd. Illumination light source
JP2014146643A (ja) * 2013-01-28 2014-08-14 Kaneka Corp 有機el装置
WO2016194469A1 (ja) * 2015-06-02 2016-12-08 ローム株式会社 発光素子駆動装置、スイッチ駆動装置
JP2017010920A (ja) * 2015-06-24 2017-01-12 財團法人工業技術研究院Industrial Technology Research Institute 色温度調整可能な照明装置およびその色温度調整方法
JP2018037406A (ja) * 2016-08-29 2018-03-08 鴻海精密工業股▲ふん▼有限公司 バックライトシステム及びその製造方法
US10514491B2 (en) 2016-11-01 2019-12-24 Sharp Kabushiki Kaisha Backlight device, and display device provided with same

Also Published As

Publication number Publication date
JP4970514B2 (ja) 2012-07-11

Similar Documents

Publication Publication Date Title
JP4402336B2 (ja) 面状光源装置及びそれを用いた液晶表示装置
JP4970514B2 (ja) 面状光源装置及びそれを用いた液晶表示装置
KR101010555B1 (ko) 조명 장치에서의 사용을 위한 광원 유닛
US6608614B1 (en) Led-based LCD backlight with extended color space
JP4980427B2 (ja) 照明装置および液晶表示装置
US7940013B2 (en) Lighting apparatus and display apparatus therewith
CN100386688C (zh) 面照明装置及具有该面照明装置的液晶显示装置
US7638754B2 (en) Backlight device, display apparatus including backlight device, method for driving backlight device, and method for adjusting backlight device
KR101208714B1 (ko) 표시장치 및 백 라이트장치
RU2455706C2 (ru) Осветительное устройство с матрицей управляемых излучателей
US8081271B2 (en) Backlight apparatus and liquid crystal display apparatus
JP4884744B2 (ja) バックライト装置及びこれを備える表示装置
US7393128B2 (en) Planar light source device and display device using the same
CN100578307C (zh) 驱动液晶显示组件的方法
JP4970515B2 (ja) 面状光源装置及びそれを用いた液晶表示装置
US8648791B2 (en) Backlight module and method of determining driving current thereof
US20030230991A1 (en) LED-based white-light backlighting for electronic displays
US20090201669A1 (en) Backlight device, and display apparatus using the same
JP2009021196A (ja) 照明装置
CN100561394C (zh) 用于调节光源发出的光的系统、方法和装置
JP5184692B2 (ja) 面状光源装置
JP4464412B2 (ja) 面状光源装置及びそれを用いた液晶表示装置
JP2007273204A (ja) 面状照明装置およびこれを備えた表示装置
JP4245495B2 (ja) 表示装置用の背面光源及び表示装置
US20090091270A1 (en) Light source unit, a backlight unit having the light source unit and a liquid crystal display having the backlight unit

Legal Events

Date Code Title Description
A977 Report on retrieval

Free format text: JAPANESE INTERMEDIATE CODE: A971007

Effective date: 20110929

A131 Notification of reasons for refusal

Free format text: JAPANESE INTERMEDIATE CODE: A131

Effective date: 20111004

A521 Request for written amendment filed

Free format text: JAPANESE INTERMEDIATE CODE: A523

Effective date: 20111117

A131 Notification of reasons for refusal

Free format text: JAPANESE INTERMEDIATE CODE: A131

Effective date: 20120110

A521 Request for written amendment filed

Free format text: JAPANESE INTERMEDIATE CODE: A523

Effective date: 20120227

TRDD Decision of grant or rejection written
A01 Written decision to grant a patent or to grant a registration (utility model)

Free format text: JAPANESE INTERMEDIATE CODE: A01

Effective date: 20120403

A01 Written decision to grant a patent or to grant a registration (utility model)

Free format text: JAPANESE INTERMEDIATE CODE: A01

A61 First payment of annual fees (during grant procedure)

Free format text: JAPANESE INTERMEDIATE CODE: A61

Effective date: 20120404

FPAY Renewal fee payment (event date is renewal date of database)

Free format text: PAYMENT UNTIL: 20150413

Year of fee payment: 3

FPAY Renewal fee payment (event date is renewal date of database)

Free format text: PAYMENT UNTIL: 20150413

Year of fee payment: 3

R250 Receipt of annual fees

Free format text: JAPANESE INTERMEDIATE CODE: R250

LAPS Cancellation because of no payment of annual fees