JP2010044151A - 透過型光学素子 - Google Patents

透過型光学素子 Download PDF

Info

Publication number
JP2010044151A
JP2010044151A JP2008206794A JP2008206794A JP2010044151A JP 2010044151 A JP2010044151 A JP 2010044151A JP 2008206794 A JP2008206794 A JP 2008206794A JP 2008206794 A JP2008206794 A JP 2008206794A JP 2010044151 A JP2010044151 A JP 2010044151A
Authority
JP
Japan
Prior art keywords
hologram
light
wavelength
optical element
incident
Prior art date
Legal status (The legal status is an assumption and is not a legal conclusion. Google has not performed a legal analysis and makes no representation as to the accuracy of the status listed.)
Granted
Application number
JP2008206794A
Other languages
English (en)
Other versions
JP5170425B2 (ja
Inventor
Makio Kurashige
牧夫 倉重
Current Assignee (The listed assignees may be inaccurate. Google has not performed a legal analysis and makes no representation or warranty as to the accuracy of the list.)
Dai Nippon Printing Co Ltd
Original Assignee
Dai Nippon Printing Co Ltd
Priority date (The priority date is an assumption and is not a legal conclusion. Google has not performed a legal analysis and makes no representation as to the accuracy of the date listed.)
Filing date
Publication date
Application filed by Dai Nippon Printing Co Ltd filed Critical Dai Nippon Printing Co Ltd
Priority to JP2008206794A priority Critical patent/JP5170425B2/ja
Priority to US12/538,533 priority patent/US8228576B2/en
Publication of JP2010044151A publication Critical patent/JP2010044151A/ja
Priority to US13/527,038 priority patent/US8537445B2/en
Application granted granted Critical
Publication of JP5170425B2 publication Critical patent/JP5170425B2/ja
Active legal-status Critical Current
Anticipated expiration legal-status Critical

Links

Images

Landscapes

  • Diffracting Gratings Or Hologram Optical Elements (AREA)

Abstract

【目的】 波長選択性に優れた透過型光学素子を提供する。
【構成】 第1面1aと第2面1bを有する第1ホログラム1’と、第3面2aと第4面2bを有する第2ホログラム2’と、を有し、第1ホログラム1’の第1面1aと第2ホログラム2’の第3面2aとを対向させて配置した透過型光学素子10において、第1波長を有する第1の光5’は、第2面1b側から第1ホログラム1’に入射し、第1ホログラム1’を透過して、第1面1a側から第1ホログラム1’を出射し、第3面2a側から第2ホログラム2’に入射し、第2ホログラム2’により回折され、第3面2a側から第2ホログラム2’を出射し、第1面1a側から第1ホログラム1’に入射し、第1ホログラム1’により回折され、第1面1a側から第1ホログラム1’を出射し、第3面2a側から第2ホログラム2’に入射し、第2ホログラム2’を透過して、第4面2b側から第2ホログラム2’を出射する。
【選択図】図4

Description

本発明は、リップマンホログラムからなる第1ホログラム及び第2ホログラムを有し、波長選択性を有する透過型光学素子に関するものである。
一般的なホログラムの特徴として、リップマンホログラム(体積型・反射型ホログラム)は角度選択性、波長選択性が高く、透過型ホログラム(体積型および表面レリーフ型)は大きな色分散を生じることが知られている。図13は、反射型及び透過型ホログラムの分光透過率分布を示す図である。図13に示すように、反射型ホログラムは、波長選択性が高く、透過型ホログラムは波長選択性が低い。
また、素子の内部に反射型ホログラムを用い、画像表示手段からの光と外界からの光を重畳させるイメージコンバイナに関する発明が開示されている(特許文献1)。
特開2004−61731号公報
しかしながら、この構成は、光を、導光部材中を全反射させ反射型ホログラムへ導くため、導光部材のエッジ付近から光を入射させねばならず、また、反射型ホログラムのサイズも導光部材の厚み程度に制限されるため光の合成、分離等に用いるには困難であった。
また、透過型ホログラムを光学素子として用いる場合には、大きな色分散が生じるため、設計波長以外の別の波長の光も回折してしまい、光路の合成・分離等に用いるには支障をきたす場合があった。
本発明は従来技術のこのような問題点に鑑みてなされたものであり、その目的は、波長選択性に優れた透過型光学素子を提供することである。
上記目的を達成する本発明は、第1面と第2面を有する第1ホログラムと、第3面と第4面を有する第2ホログラムと、を有し、前記第1ホログラムの第1面と前記第2ホログラムの第3面とを対向させて配置した透過型光学素子において、第1波長を有する第1の光は、前記第2面側から前記第1ホログラムに入射し、前記第1ホログラムを透過して、前記第1面側から前記第1ホログラムを出射し、前記第3面側から前記第2ホログラムに入射し、前記第2ホログラムにより回折され、前記第3面側から前記第2ホログラムを出射し、前記第1面側から前記第1ホログラムに入射し、前記第1ホログラムにより回折され、前記第1面側から前記第1ホログラムを出射し、前記第3面側から前記第2ホログラムに入射し、前記第2ホログラムを透過して、前記第4面側から前記第2ホログラムを出射することを特徴とする。
また、前記第1波長と異なる第2波長を有する第2の光は、前記第2面側から前記第1ホログラムに入射し、前記第1ホログラムを透過して、前記第1面側から前記第1ホログラムを出射し、前記第3面側から前記第2ホログラムに入射し、前記第2ホログラムを透過して、前記第4面側から前記第2ホログラムを出射することを特徴とする。
また、前記第1の光と前記第2の光は、前記第1ホログラムに対する入射角度が等しい場合、前記第2ホログラムに対する出射角度は異なることを特徴とする。
また、前記第1の光と前記第2の光は、前記第2ホログラムに対する出射角度が等しい場合、前記第1ホログラムに対する入射角度は異なることを特徴とする。
本発明によれば、コンパクト、且つ、安価で、簡単な構造により波長選択性に優れた透過型光学素子を提供することができる。
以下、図面を参照にして本実施形態の波長選択性に優れた透過型光学素子について説明する。
本発明の波長選択性を付与した透過型光学素子10は2枚の対向したリップマンホログラムからなる。リップマンホログラムは図1のように作製された第1ホログラム1’及び後述する第2ホログラム2’を用いる。
本実施形態の透過型光学素子10を作製するには、まず、前提となる第1ホログラムを作製する。図1は、第1ホログラムを作製する方法を示す図である。
まず、図1に示すように、フォトポリマー、銀塩材料等の第1ホログラム記録用感光材料1に、第1面1a側から所定の入射角度で、第1波長を有する第1物体光3を入射させる。それと同時に、第1ホログラム記録用感光材料1に、第1物体光3の入射側と反対の第2面1b側から、第1物体光3と同一光源等から発せられる第1物体光3と同じ第1波長の平行光又は略平行光からなる第1参照光4を、第1物体光3と異なる所定の入射角度で入射させる。
このように第1物体光3と第1参照光4を第1ホログラム記録用感光材料1に入射させることで、第1物体光3と第1参照光4とが干渉する。その後、第1ホログラム記録用感光材料1を後処理して第1ホログラム1’を作製する。
このようなリップマンホログラムを作製するのに、第1ホログラム記録用感光材料1としては、緑色用として、フォトポリマーを用いた。撮影に用いたレーザ及び波長は、DPSSレーザの532nmである。
図2は、リップマンホログラムを再生する工程を説明するための図である。作製した第1ホログラム1’第1面1a側から、図1に示した第1参照光4と逆方向に進行する、記録時の第1波長を含む第1再生照明光5を入射させると、図1における第1物体光3と逆方向に進行する第1再生光6が回折され、第1面1a側から出射する。
図3は、リップマン型の第2ホログラム2’を作製するための工程を説明するための図である。第2ホログラム記録用感光材料2に第3面2a側から第1ホログラム1’の第1参照光4と入射角が略等しく第1波長を有し、略平行光からなる第2物体光3’と、第2物体光3’の入射側と反対側の第4面2b側から第1ホログラム1’記録時に用いたものと同じ第1波長であり、第2物体光3’と同一の光源等からの略平行光からなる第2参照光4’と、を入射させ、第2物体光3’と第2参照光4’を干渉させて、第2ホログラム記録用感光材料2を後処理して第2ホログラム2’を作製する。
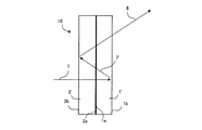
図4は、作製した波長選択性を付与した透過型光学素子10の実施例1の構成を説明するための図である。この透過型光学素子10は、第1ホログラム1’の第1面1aと第2ホログラム2’の第3面2aとを対向させて配置したものである。
第1波長を有する第2再生照明光5’を第1ホログラム1’の第2面1b側より入射すると、第2再生照明光5’は、第1ホログラム1’を透過し、第2ホログラム2’にて第2再生光6’を回折する。ここで、第2再生光6’の出射角度は第1ホログラム1’の再生照明光5の入射角度と略等しくなるように設計されているため、再度第1ホログラム1’にて第1再生光6を回折する。そして、第1再生光6は第2ホログラム2’を透過して出射する。なお、第1ホログラム1’と第2ホログラム2’の入射角と出射角は好ましくは同一だがホログラム材料によってはずれることがある。
このように、素子の回折機能としては第2再生照明光5’を第1再生光6の方向へ回折する透過型ホログラムとしての機能を有し、さらにリップマンホログラムの波長選択性も併せ持っている。
次に、光の合成について説明する。図5は、透過型光学素子10による光の合成の実施例1を示した図である。
第1ホログラム1’の第2面1b側から、第1波長と異なる第2波長を有し、第1再生光6と略等しい角度の第2波長の光11が入射した場合、第2波長の光11は、第1再生光6と略等しい角度で出射する。
したがって、図5に示すように、第1波長を有する第2再生照明光5’を第1ホログラム1’の第2面1b側より入射し、第1ホログラム1’の第2面1b側から、第1波長と異なる第2波長を有し、第1再生光6と略等しい角度の第2波長の光11が入射した場合、第2再生照明光5’と第2波長の光11は、合成され、第1再生光6と略等しい角度で出射する。
光の合成について、第1再生光6と略等しい角度で波長647.1nmのKrレーザからの光を入射したところ、光は回折されることなく透過し、532nmの回折光と合成できることを確認した。
次に、光の分離について説明する。図6は、透過型光学素子10による光の分離の実施例1を示した図である。
第1ホログラム1’の第2面1b側から、第1波長と異なる第2波長を有し、第2再生照明光5’と略等しい角度の第2波長の光11が入射した場合、第2波長の光11は、再生照明光5’の0次光と同じ角度で出射され、再生光6と異なる角度で出射する。
したがって、図6に示すように、第1波長を有する第2再生照明光5’を第1ホログラム1’の第2面1b側より入射し、第1ホログラム1’の第2面1b側から、第1波長と異なる第2波長を有し、第2再生照明光5’と略等しい角度の第2波長の光11が入射した場合、第2再生照明光5’と第2波長の光11は、分離され、第1波長を有する第2再生照明光5’は第1再生光6と略等しい角度で出射し、第2波長の光11は第2再生照明光5’の0次光と略等しい角度で出射する。
光の分離について、第2再生照明光5’と略等しい角度で同様に波長647.1nmのKrレーザからの光を入射したところ、光は回折されることなく透過し、532nmの回折光から分離できることを確認した。
また、透過型光学素子10に対して、逆向きに再生光を入射してもよい。図7は、作製した波長選択性を付与した透過型光学素子10の実施例2の構成を説明するための図である。
第1再生光6と逆向きの第3再生照明光7を第2ホログラム2’の第4面2b側より入射すると、第3再生照明光7は、第2ホログラム2’を透過し、第1ホログラム1’にて第3再生光7’を回折する。ここで、第3再生光7’は第2ホログラム2’の再生光6’と逆向きとなるため、再度第2ホログラム2’にて第4再生光8を回折する。そして、第4再生光8は第1ホログラム1’を透過して第2再生照明光5’と逆向きに出射する。
このように、素子の回折機能としては第3再生照明光7を第4再生光8の方向へ回折する透過型ホログラムとしての機能を有し、さらにリップマンホログラムの波長選択性も併せ持っている。
次に、光の合成について説明する。図8は、透過型光学素子10による光の合成の実施例2を示した図である。
第2ホログラム2’の第4面2b側から、第1波長と異なる第2波長を有し、第4再生光8と略等しい角度の光が入射した場合、第2波長の光11は、第4再生光8と略等しい角度で出射する。
したがって、図8に示すように、第1波長を有する第3再生照明光7を第2ホログラム2’の第2面2b側より入射し、第2ホログラム2’の第4面2b側から、第1波長と異なる第2波長を有し、第4再生光8と略等しい角度の第2波長の光11が入射した場合、第3再生照明光7と第2波長の光11は、合成され、第4再生光8と略等しい角度で出射する。
次に、光の分離について説明する。図9は、透過型光学素子10による光の分離の実施例2を示した図である。
第2ホログラム2’の第4面2b側から、第1波長と異なる第2波長を有し、第3再生照明光7と略等しい角度の第2波長の光11が入射した場合、第2波長の光11は、第3再生照明光7の0次光と同じ角度で出射され、第4再生光8と異なる角度で出射する。
したがって、図9に示すように、第1波長を有する第3再生照明光7を第2ホログラム2’の第4面2b側より入射し、第2ホログラム2’の第4面2b側から、第1波長と異なる第2波長を有し、第3再生照明光7と略等しい角度の第2波長の光11が入射した場合、第3再生照明光7と第2波長の光11は、分離され、第1波長を有する第3再生照明光7は第4再生光8と略等しい角度で出射し、第2波長の光11は第3再生照明光7の0次光と略等しい角度で出射する。
次に、本実施形態の透過型光学素子10の設計方法について説明する。図10は透過型光学素子10の設計方法を示す図である。
まず、図10(a)に示すように、本実施形態の所望の最終的な出射角を決定する。次に、図10(b)に示すように、入射側から見て手前のホログラムである第1ホログラム1’に回折されないような入射角度を選択する。
図11は、設計入射角を0°とした場合の回折効率の入射角度依存性を示す図である。図11に示すように、第1ホログラム1’はおよそ設計入射角の±10°までは回折してしまうので、第1ホログラム1’への入射角度を選択する際は、透過型光学素子10の所望の出射角の±10°以内を避けるのが好ましい。
次に、図10(c)に示すように、入射側から見て奥のホログラムである第2ホログラム2’が出射光を回折しないような折り返し角度を選択する。この場合も、図11に示すように、第2ホログラム2’はおよそ設計入射角の±10°までは回折してしまうので、第2ホログラム2’の折り返し角度を選択する際は、透過型光学素子10の所望の出射角の±10°を避けるのが好ましい。
このように、作製された透過型光学素子10は、コンパクト、且つ、安価で、簡単な構造により波長選択性に優れたものである。
次に、この透過型光学素子10を用いた光合成素子について説明する。
図14は、従来のクロスダイクロプリズム50を示す図である。プロジェクタの色合成等に用いられるクロスダイクロプリズム50は、図14に示すように、RGBそれぞれの波長を有する光を合成する素子である。従来のものは、各プリズムの直角面の角度精度を高精度とする必要があり、高価であった。
図12は、本実施形態の透過型光学素子10を用いた光合成素子20を示す図である。図12に示すように、光合成素子20は、本実施形態の透過型光学素子10と、R用ダイクロイックミラー15を貼り合わせて用いた素子である。
光合成素子20の作用を説明する。まず、本実施形態の透過型光学素子10をB用透過型光学素子とし、Bの波長を持つ光とGの波長を持つ光を合成する。その後、R用ダイクロイックミラー15で、透過型光学素子10により合成した光とRの波長を持つ光を合成する。したがって、光合成素子20により、RGBそれぞれの波長を持つ光を合成することができる。
このように、本実施形態の透過型光学素子10を用いた光合成素子20は、透過型光学素子10と、R用ダイクロイックミラー15を貼り合わせて、簡単に作製することができ、安価で、軽量なものとなる。なお、透過型光学素子10の合成する波長は、GとBに限定されることはなく、ダイクロイックミラー15もR用に限定されることはなく、それぞれ変更することができる。
以上、本発明の透過型光学素子10を実施形態に基づいて説明してきたが、本発明はこれら実施形態に限定されず種々の変形が可能である。
第1ホログラム1’を作製する方法を示す図である。 第1ホログラム1’を再生する方法を示す図である。 第2ホログラム2’を作製する方法を示す図である。 作製した波長選択性を付与した透過型光学素子の実施例1の構成を説明するための図である。 透過型光学素子による光の合成の実施例1を示した図である。 透過型光学素子による光の分離の実施例1を示した図である。 作製した波長選択性を付与した透過型光学素子の実施例2の構成を説明するための図である。 透過型光学素子による光の合成の実施例2を示した図である。 透過型光学素子による光の分離の実施例2を示した図である。 透過型光学素子の設計方法を示す図である。 設計入射角を0°とした場合の回折効率の入射角度依存性を示す図である。 本実施形態の透過型光学素子10を用いた光合成素子20を示す図である。 反射型及び透過型ホログラムの分光透過率分布を示す図である。 従来のクロスダイクロプリズム50を示す図である。
符号の説明
1…第1ホログラム記録用感光材料
1’…第1ホログラム
2…第2ホログラム記録用感光材料
2’…第2ホログラム
3…第1物体光
3’…第2物体光
4…第1参照光
4’…第2参照光
5…第1再生照明光
5’…第2再生照明光(第1の光)
6…第1再生光
6’…第2再生光
7…第3再生照明光
7’…第3再生光
8…第4再生光(第2の光)
10…透過型光学素子
11…第2波長の光(第2の光)
15…ダイクロイックミラー
20…光合成素子
50…クロスダイクロプリズム

Claims (4)

  1. 第1面と第2面を有する第1ホログラムと、
    第3面と第4面を有する第2ホログラムと、
    を有し、
    前記第1ホログラムの第1面と前記第2ホログラムの第3面とを対向させて配置した透過型光学素子において、
    第1波長を有する第1の光は、
    前記第2面側から前記第1ホログラムに入射し、前記第1ホログラムを透過して、前記第1面側から前記第1ホログラムを出射し、
    前記第3面側から前記第2ホログラムに入射し、前記第2ホログラムにより回折され、前記第3面側から前記第2ホログラムを出射し、
    前記第1面側から前記第1ホログラムに入射し、前記第1ホログラムにより回折され、前記第1面側から前記第1ホログラムを出射し、
    前記第3面側から前記第2ホログラムに入射し、前記第2ホログラムを透過して、前記第4面側から前記第2ホログラムを出射する
    ことを特徴とする透過型光学素子。
  2. 前記第1波長と異なる第2波長を有する第2の光は、
    前記第2面側から前記第1ホログラムに入射し、前記第1ホログラムを透過して、前記第1面側から前記第1ホログラムを出射し、
    前記第3面側から前記第2ホログラムに入射し、前記第2ホログラムを透過して、前記第4面側から前記第2ホログラムを出射する
    ことを特徴とする請求項1に記載の透過型光学素子。
  3. 前記第1の光と前記第2の光は、
    前記第1ホログラムに対する入射角度が等しい場合、前記第2ホログラムに対する出射角度は異なる
    ことを特徴とする請求項2に記載の透過型光学素子。
  4. 前記第1の光と前記第2の光は、
    前記第2ホログラムに対する出射角度が等しい場合、前記第1ホログラムに対する入射角度は異なる
    ことを特徴とする請求項2に記載の透過型光学素子。
JP2008206794A 2008-08-11 2008-08-11 光合成素子 Active JP5170425B2 (ja)

Priority Applications (3)

Application Number Priority Date Filing Date Title
JP2008206794A JP5170425B2 (ja) 2008-08-11 2008-08-11 光合成素子
US12/538,533 US8228576B2 (en) 2008-08-11 2009-08-10 Transmission type optical element and anti-forgery volume hologram
US13/527,038 US8537445B2 (en) 2008-08-11 2012-06-19 Transmission type optical element and anti-forgery volume hologram

Applications Claiming Priority (1)

Application Number Priority Date Filing Date Title
JP2008206794A JP5170425B2 (ja) 2008-08-11 2008-08-11 光合成素子

Publications (2)

Publication Number Publication Date
JP2010044151A true JP2010044151A (ja) 2010-02-25
JP5170425B2 JP5170425B2 (ja) 2013-03-27

Family

ID=42015598

Family Applications (1)

Application Number Title Priority Date Filing Date
JP2008206794A Active JP5170425B2 (ja) 2008-08-11 2008-08-11 光合成素子

Country Status (1)

Country Link
JP (1) JP5170425B2 (ja)

Cited By (1)

* Cited by examiner, † Cited by third party
Publication number Priority date Publication date Assignee Title
JP2010044152A (ja) * 2008-08-11 2010-02-25 Dainippon Printing Co Ltd 偽造防止用体積ホログラム

Citations (6)

* Cited by examiner, † Cited by third party
Publication number Priority date Publication date Assignee Title
JPH0516726A (ja) * 1991-07-11 1993-01-26 Nissan Motor Co Ltd 車両用灯具
JPH10250464A (ja) * 1997-03-13 1998-09-22 Nissan Motor Co Ltd 表示灯
JPH11133232A (ja) * 1997-10-27 1999-05-21 Dainippon Printing Co Ltd 複合ホログラム
JP2003161820A (ja) * 2001-11-26 2003-06-06 Minolta Co Ltd バンドパスフィルタ及び映像表示装置
JP2008527449A (ja) * 2005-01-11 2008-07-24 カーイクスオー アクチエンゲゼルシャフト ホログラフィックセキュリティ機能を有するオブジェクトおよび当該機能を作製するための方法
JP2010044152A (ja) * 2008-08-11 2010-02-25 Dainippon Printing Co Ltd 偽造防止用体積ホログラム

Patent Citations (6)

* Cited by examiner, † Cited by third party
Publication number Priority date Publication date Assignee Title
JPH0516726A (ja) * 1991-07-11 1993-01-26 Nissan Motor Co Ltd 車両用灯具
JPH10250464A (ja) * 1997-03-13 1998-09-22 Nissan Motor Co Ltd 表示灯
JPH11133232A (ja) * 1997-10-27 1999-05-21 Dainippon Printing Co Ltd 複合ホログラム
JP2003161820A (ja) * 2001-11-26 2003-06-06 Minolta Co Ltd バンドパスフィルタ及び映像表示装置
JP2008527449A (ja) * 2005-01-11 2008-07-24 カーイクスオー アクチエンゲゼルシャフト ホログラフィックセキュリティ機能を有するオブジェクトおよび当該機能を作製するための方法
JP2010044152A (ja) * 2008-08-11 2010-02-25 Dainippon Printing Co Ltd 偽造防止用体積ホログラム

Cited By (1)

* Cited by examiner, † Cited by third party
Publication number Priority date Publication date Assignee Title
JP2010044152A (ja) * 2008-08-11 2010-02-25 Dainippon Printing Co Ltd 偽造防止用体積ホログラム

Also Published As

Publication number Publication date
JP5170425B2 (ja) 2013-03-27

Similar Documents

Publication Publication Date Title
JP7368367B2 (ja) ディスプレイ用途のための導波路要素及び導波路スタック
JP6867999B2 (ja) 反射型転換アレイを有する結像光ガイド
JP6417589B2 (ja) 光学素子、電気光学装置、装着型表示装置および光学素子の製造方法
CN108885310B (zh) 具有二向色性反射器的双通道成像光导
US7233422B2 (en) Image display apparatus
CN106802487B (zh) 光束直径放大元件以及显示装置
JP7371683B2 (ja) 画像表示装置、画像表示方法及びヘッドマウントディスプレイ
JP2007219106A (ja) 光束径拡大光学素子、映像表示装置およびヘッドマウントディスプレイ
JP2004226619A (ja) 映像表示装置
JP2017156388A (ja) 光束径拡大素子及び画像表示装置
JP2019510251A (ja) 両面型の結像光ガイド
JP6477051B2 (ja) 画像表示装置
US20030210467A1 (en) Wearable color display system
WO2015128913A1 (ja) 表示装置
CN115079415B (zh) 一种孔光线近眼显示系统
WO2016002138A1 (ja) 画像表示装置
JP2008191527A (ja) ホログラム光学素子およびその製造方法と、映像表示装置
JP7466524B2 (ja) 結像システムにおける動的内部結合格子
KR101742984B1 (ko) 헤드 마운티드 디스플레이
JP2017090561A (ja) 虚像表示措置
JP2007279313A (ja) 光学素子の製造方法、光学素子、映像表示装置およびヘッドマウントディスプレイ
US12498572B2 (en) System and method for optically combining virtual images into real world scenery
CN113759550A (zh) 用于提供扩展观看窗的显示装置
JP5170425B2 (ja) 光合成素子
US8537445B2 (en) Transmission type optical element and anti-forgery volume hologram

Legal Events

Date Code Title Description
A621 Written request for application examination

Free format text: JAPANESE INTERMEDIATE CODE: A621

Effective date: 20110520

A131 Notification of reasons for refusal

Free format text: JAPANESE INTERMEDIATE CODE: A131

Effective date: 20120425

A521 Written amendment

Free format text: JAPANESE INTERMEDIATE CODE: A523

Effective date: 20120531

TRDD Decision of grant or rejection written
A01 Written decision to grant a patent or to grant a registration (utility model)

Free format text: JAPANESE INTERMEDIATE CODE: A01

Effective date: 20121205

A61 First payment of annual fees (during grant procedure)

Free format text: JAPANESE INTERMEDIATE CODE: A61

Effective date: 20121218

R150 Certificate of patent or registration of utility model

Ref document number: 5170425

Country of ref document: JP

Free format text: JAPANESE INTERMEDIATE CODE: R150