JP2010010984A - ヘッドホン用イヤパッドおよびヘッドホン - Google Patents

ヘッドホン用イヤパッドおよびヘッドホン Download PDF

Info

Publication number
JP2010010984A
JP2010010984A JP2008166754A JP2008166754A JP2010010984A JP 2010010984 A JP2010010984 A JP 2010010984A JP 2008166754 A JP2008166754 A JP 2008166754A JP 2008166754 A JP2008166754 A JP 2008166754A JP 2010010984 A JP2010010984 A JP 2010010984A
Authority
JP
Japan
Prior art keywords
user
headphone
air chamber
headphones
ear
Prior art date
Legal status (The legal status is an assumption and is not a legal conclusion. Google has not performed a legal analysis and makes no representation as to the accuracy of the status listed.)
Granted
Application number
JP2008166754A
Other languages
English (en)
Other versions
JP5107808B2 (ja
Inventor
Yutaka Akino
裕 秋野
Current Assignee (The listed assignees may be inaccurate. Google has not performed a legal analysis and makes no representation or warranty as to the accuracy of the list.)
Audio Technica KK
Original Assignee
Audio Technica KK
Priority date (The priority date is an assumption and is not a legal conclusion. Google has not performed a legal analysis and makes no representation as to the accuracy of the date listed.)
Filing date
Publication date
Application filed by Audio Technica KK filed Critical Audio Technica KK
Priority to JP2008166754A priority Critical patent/JP5107808B2/ja
Publication of JP2010010984A publication Critical patent/JP2010010984A/ja
Application granted granted Critical
Publication of JP5107808B2 publication Critical patent/JP5107808B2/ja
Expired - Fee Related legal-status Critical Current
Anticipated expiration legal-status Critical

Links

Images

Landscapes

  • Headphones And Earphones (AREA)

Abstract

【課題】密閉型ヘッドホンに好適であって、遮音効果をさらに高めることができるヘッドホンのイヤパッドおよびこのイヤパッドを用いたヘッドホンを得る。
【解決手段】ヘッドホンに装着されヘッドホンの使用時にユーザの耳を囲むことができるとともにユーザの側頭部に接することができるリング状のイヤパッド30であって、外皮40で囲まれた空気室を有し、空気室は隔壁42,43によって内周側の空気室と外周側の空気室に分けられている。内周側の空気室と外周側の空気室は同心円状に形成されているとよい。外皮40はユーザの側頭部に接すべき面側が開放していて、ヘッドホン使用時に隔壁の先端がユーザの側頭部に接することができる位置まで延びているとよい。
【選択図】図1

Description

本発明は、ヘッドホンに利用されるイヤパッドおよびこのイヤパッドを用いたヘッドホンに関するもので、特に、耳覆い型の密閉型ヘッドホンにおいて、外部騒音の侵入と、外部への音漏れを防止するための工夫を施したことを特徴とするものである。
ユーザの耳を囲い込んで装着する耳覆い型の密閉型ヘッドホンにおいては、外来音がユーザの耳になるべく到達しないものであることが望まれる。また、ユーザがヘッドホンで楽音を聴取しているとき、ヘッドホンから音波が外部に漏れると、聴取者以外の周囲の人に不快感を与えるので、音波が漏れないことが望まれる。耳覆い型の密閉型ヘッドホンにおいては、イヤパッドでユーザの耳の周囲を取り囲み、イヤパッドをユーザの側頭部に密着させることによって、外来音を遮断し、また内部から外部に音波が漏れないようにしている。
図4は、従来の密閉型ヘッドホンの例を示す。図4において、ヘッドホンは、バッフル板1と、バッフル板1の前面(図4において左側面)側外周縁部に沿って固着されたイヤパッド3、バッフル板1の背面側外周縁部に沿って固着されたハウジング2、バッフル板1の中央部に固定されたドライバーユニット6を有してなる。イヤパッド3は、一般に、外皮5とこの外皮内に充填された充填材4からなる。充填材4は、例えばウレタンなどの材料を連続気泡状にしたスポンジからなる。このスポンジは、内径がユーザの耳の周囲を囲むのに十分な大きさのリング状に形成され、この充填材4に、音波を通しにくい外皮5が被せられる。外皮5の素材として、塩化ビニールなどの合成樹脂材料、あるいは皮などの材料が用いられる。
バッフル板1の中央部には比較的大きな孔があけられていて、この孔にはドライバーユニット6のフレーム7の外周が嵌められて固定されている。フレーム7の中央部には筒形の孔が形成されていて、この孔には磁性材からなる皿状のヨーク8が開口端を前方に向けて嵌合され固定されている。ヨーク8の内側の底面には板状のマグネット9が固定され、マグネット9に重ねてポールピース10が固定されている。フレーム7の前面側にはダイヤフラム形の振動板11が配置されている。
振動板11は、中央のメインドームとこのメインドームの外周を取り囲むサブドームを有してなり、サブドームの外周縁部がフレーム7に固着され、この固着部を支点として前後に動くことができるようになっている。上記メインドームとサブドームの境界線に沿って振動板11の背面側にボイスコイル12の一端が固着されている。ボイスコイル12は、ヨーク8の内周面とポールピース10の外周面との間に形成されている磁気ギャップに位置している。この磁気ギャップは、マグネット9からヨーク8、ポールピース10を通り、マグネット9に至る磁気回路中にあって、磁界が形成されている。ボイスコイル12に楽音信号が入力されると、上記磁界と楽音信号との電磁気力によりボイスコイル12は楽音信号に従って前後に振動し、音波を発するようになっている。
ハウジング2によってバッフル板1の背面側およびドライバーユニット6が覆われ、バッフル板1とハウジング2によって密閉状の後部キャブティが形成されている。ヘッドホンの使用態様では、前記イヤパッド3でユーザの耳を覆い、また、イヤパッド3をユーザの側頭部に押し当てる。これによって、ユーザの側頭部とイヤパッド3とバッフル板1で区切られる前部キャビティが形成される。振動板11の前方には、振動板11を保護するプロテクタが設けられるが、図示は省略されている。ドライバーユニット6の内部にも、振動板11、フレーム7、ヨーク8で区切られたキャビティが形成されているが、このキャビティと後部キャビティを連通させる孔がフレーム7に形成され、この孔は音響抵抗材13で塞がれている。
図4に示すようなヘッドホンによれば、イヤパッド3がユーザの側頭部に密着することが望ましいが、頭部形状の個人差、ユーザの髪の毛を挟み込むなどの理由で、側頭部とイヤパッド3との間に隙間が生じ、この隙間から外来雑音が侵入し、これを阻止することは困難である。上記隙間を小さくするために、左右のヘッドホンを連結するヘッドバンドの付勢力を強くして、ユーザの側頭部に対するイヤパッド3の押圧力を強くすることも考えられるが、長時間装着しての使用には苦痛を伴うことがある。
また、ヘッドパッド3の外皮5が外来雑音によって振動し、外来雑音がイヤパッド3に入り込み、イヤパッド3を経てユーザの耳に達する。イヤパッド3の外皮5を硬くすれば音波による振動を防止することができるが、ユーザがヘッドホンを使用するときの装着感が悪くなる。
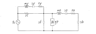
以上説明したように、従来の密閉型ヘッドホンは、外来雑音の遮蔽効果に関して改善の余地がある。そこで、上記従来例の密閉型ヘッドホンにおける外来雑音遮断効果について、図5に示す等価回路を併せて参照しながら説明する。等価回路の構成要素を以下のように定義する。
Pn:イヤパッド3とユーザの側頭部の隙間などから侵入する外来雑音
Ze:耳のインピーダンス
P :耳に到達する音波
rl:上記隙間の音響抵抗
my:イヤパッド3の振動部の等価質量
sy:イヤパッド3の振動部の等価スティフネス
ry:イヤパッド3の振動部の内部損失
sf:前部キャビティのスティフネス
mo:ドライバーユニット6の振動板11の等価質量
so:ドライバーユニット6の振動板11のスティフネス
sb:後部キャビティのスティフネス
ru:音響抵抗材13の音響抵抗
図5に示すように、並列接続された形の前部キャビティのスティフネスsfと耳のインピーダンスZeに対し、外来雑音Pnが、イヤパッド3の振動部の等価質量my、等価スティフネスsy、内部損失ryを直列に介して接続され、また、隙間の音響抵抗rlを介して接続された形になっている。また、並列接続された形の前部キャビティのスティフネスsfと耳のインピーダンスZeに対し、振動板11の等価質量mo、スティフネスso、音響抵抗材13の音響抵抗ru、後部キャビティのスティフネスsbが直列に接続された形になっている。
前部キャビティのスティフネスsfと、上記my,sy,ryおよびrlは一種の共振回路を構成していて、この共振回路が存在することによって外来雑音の遮断効果およびドライバーユニット6から発せられる音波の漏れ防止効果を得ることができる。しかしながら、かかる等価回路で表すことができる従来の密閉型ヘッドホンも、イヤパッドの構造を工夫することによって遮音効果をさらに高めることができることがわかり、本願発明に至った。
ここで、本願発明に関連のある技術が記載された特許文献を挙げる。特許文献1には、スピーカおよびマイクロホンを内蔵するハウジングと、ハウジングを覆って設けられたクッションとを有し、このクッションが、第1音響伝達特性を有する第1領域および第2音響伝達特性を有する第2領域を有し、可聴音の伝達に対して第2音響伝達特性が第1音響伝達特性よりも高いインピーダンスを有するイヤ・パッド・イヤホンが記載されている。特許文献1記載の発明は、「イヤ・パッド・イヤホン」とあるとおり、いわゆるインナーイヤ型ないしはカナル型のイヤホンであって、上記クッションがユーザの耳道内面に密着するものであり、また、ドライバーユニットから発せられた音波が、クッションの第2領域と第1領域を順に通ってユーザの耳道に至るものである。
特開2006−270964号公報
特許文献1記載の発明は、イヤパッドを第1領域と第2領域に分ける点で本願発明と関連があるといえるが、本願発明とは、もともとヘッドホン形式が異なるとともに、イヤパッドを区分する向きが異なる。また、特許文献1記載の発明はドライバーユニットから発せられた音波がクッションを通ってユーザの耳に至るものであるのに対し、本願発明におけるイヤパッドは、ドライバーユニットから発せられた音波の遮断効果を高めるための独特の構造にしたものであって、明らかな技術思想の相違がある。
本発明は、密閉型ヘッドホンに好適であって、遮音効果をさらに高めることができるヘッドホンのイヤパッドおよびこのイヤパッドを用いたヘッドホンを提供することを目的とする。
本発明は、ヘッドホンに装着されヘッドホンの使用時にユーザの耳を囲むことができるとともにユーザの側頭部に接することができるリング状のイヤパッドであって、外皮で囲まれた空気室を有し、空気室は隔壁によって内周側の空気室と外周側の空気室に分けられていることを最も主要な特徴とする。
内周側の空気室と外周側の空気室は同心円状に形成されているとなおよい。
外皮はユーザの側頭部に接すべき面側が開放していて、ヘッドホン使用時に隔壁の先端がユーザの側頭部に接することができる位置まで延びているとなおよい。
イヤパッドがユーザの側頭部に接した状態において、隔壁の先端とユーザの側頭部との隙間が音響抵抗になり、外皮と隔壁とによって形成される複数の空気室がそれぞれ音響容量を構成する。これら複数の音響容量は、複数のローパスフィルタが直列に接続されたのと等価となり、外来雑音の遮断効果およびドライバーユニットから発せられる音波が外部に漏れることを防止する効果を高めることができる。
以下、本発明にかかるヘッドホン用イヤパッドおよびヘッドホンの実施例について図面を参照しながら説明する。図4に示す従来例と同じ構成部分には共通の符号を付した。
図1において、ヘッドホンは、バッフル板1と、バッフル板1の前面(図1において左側面)側外周縁部に沿って固着されたイヤパッド30、バッフル板1の背面側外周縁部に沿って固着されたハウジング2、バッフル板1の中央部に固定されたドライバーユニット6を有してなる。
イヤパッド30の構造が本願発明の特徴となっていて、外皮40とこの外皮40に囲まれた空気室を三つの空気室31,32,33に分ける二つの隔壁42,43を有してなる。外皮40は、横断面形状がほぼ四角形に形成され、四角形の一辺が両端部を残し切除されて開口44が形成されている。かかる断面形状の外皮40は、内径がユーザの耳の周囲を囲むのに十分な大きさのリング状に形成されている。外皮40は開口44の形成面が前面すなわち使用時にユーザの側頭部に当接する面になっていて、この面に対して反対側の面がバッフル板1に固着されている。複数の隔壁42,43は、外皮40の横断面において前後方向に延びていて、後端は外皮40のバッフル板1との固着部の内面側に固着され、先端は外皮40の上記開口44の位置まで延びてヘッドホン使用時にユーザの側頭部に接触することができるようになっている。上記隔壁42,43とこの隔壁42,43によって分けられている複数の空気室31,32,33は、半径方向内外に同心円状に配置されている。外皮40の素材として、音波を通しにくい材料、例えば塩化ビニールなどの合成樹脂材料、あるいは皮などの材料が用いられる。
バッフル板1の中央部には比較的大きな孔があけられていて、この孔にはドライバーユニット6のフレーム7の外周が嵌められて固定されている。フレーム7の中央部には筒形の孔が形成されていて、この孔には磁性材からなる皿状のヨーク8が開口端を前方に向けて嵌合され固定されている。ヨーク8の内側の底面には板状のマグネット9が固定され、マグネット9に重ねてポールピース10が固定されている。フレーム7の前面側にはダイヤフラム形の振動板11が配置されている。
振動板11は、中央のメインドームとこのメインドームの外周を取り囲むサブドームを有してなり、サブドームの外周縁部がフレーム7に固着され、この固着部を支点として前後に動くことができるようになっている。上記メインドームとサブドームの境界線に沿って振動板11の背面側にボイスコイル12の一端が固着されている。ボイスコイル12は、ヨーク8の内周面とポールピース10の外周面との間に形成されている磁気ギャップに位置している。この磁気ギャップは、マグネット9からヨーク8、ポールピース10を通り、マグネット9に至る磁気回路中にあって、磁界が形成されている。ボイスコイル12に楽音信号が入力されると、上記磁界と楽音信号との電磁気力によりボイスコイル12は楽音信号に従って前後に振動し、音波を発するようになっている。
ハウジング2によってバッフル板1の背面側およびドライバーユニット6が覆われ、バッフル板1とハウジング2によって密閉状の後部キャブティが形成されている。ヘッドホンの使用態様では、前記イヤパッド3でユーザの耳を覆い、また、イヤパッド3をユーザの側頭部に押し当てる。これによって、ユーザの側頭部とイヤパッド3とバッフル板1で区切られる前部キャビティが形成される。振動板11の前方には、振動板11を保護するプロテクタが設けられるが、図示は省略されている。ドライバーユニット6の内部にも、振動板11、フレーム7、ヨーク8で区切られたキャビティが形成されているが、このキャビティと後部キャビティを連通させる孔がフレーム7に形成され、この孔は音響抵抗材13で塞がれている。
以上説明した実施例によれば、イヤパッド3の内部空間が隔壁によって複数に、かつ、内外に同心円状に区分されていることにより、イヤパッド3に複数のローパスフィルタが直列に接続されたのと等価となり、外部騒音の進入防止効果および内部から外部への音波の漏洩防止効果が高くなる。この効果を、図3に示す音響的な等価回路を併せて参照しながら説明する。
ユーザがヘッドホンを使用するとき、イヤパッド3の前記開口の両端部と、隔壁42,43の先端がユーザの側頭部に当たり、これら当接部にそれぞれ音響抵抗が生じる。そこで、イヤパッド3の上記開口の上側端部とユーザの側頭部との接触部の音響抵抗をrl1、上記側頭部と隔壁42の先端との接触部の音響抵抗をrl2、上記側頭部と隔壁43の先端との接触部の音響抵抗をrl3、イヤパッド3の上記開口の下側端部と接触部の音響抵抗をrl4とする。上記側頭部に対する各接触部は一種の振動部となっていて、それらの等価質量をmg1,mg2,mg3,mg4、それらの等価スティフネスをsg1,sg2,sg3,sg4、それらの内部損失をrg1,rg2,rg3,rg4とする。また、各空気室31,32,33のスティフネスをs1,s2,s3とする。そのほかの等価回路の構成要素は、図5における従来例の構成要素と同じである。
図3において、mg1,sg1,rg1,rl1,s1で第1のローパスフィルタが構成され、mg2,sg2,rg2,rl2,s2で第1のローパスフィルタが構成され、mg3,sg3,rg3,rl3,s3で第3のローパスフィルタが構成され、mg4,sg4,rg4,rl4,s4で第4のローパスフィルタが構成されている。図5に示す従来例の等価回路ではローパスフィルタが1段で構成されているのに対し、図3に示す本願発明の実施例における等価回路ではローパスフィルタが直列的に4段に構成されている。このように、ローパスフィルタが複数段にわたり直列に構成されているため、ローパスフィルタとしての効果が高く、かつ、ローパスフィルタとしての効果が俊敏に現れ、外部騒音Pnのヘッドホン内部への侵入遮断効果およびヘッドホン内部から外部への音波の漏洩遮断効果をより一層高めることができる。外皮40の振動によってヘッドホン内部に侵入しようとする音波の遮断効果も高くなる。
図1に示す実施例では、イヤパッド3の内部空間が3分割されていたが、内部空間は複数に区分されていればよく、2分割でも、3分割以上であってもよい。イヤパッド3の内部空間は空洞であってもよいし、例えばスポンジ状の部材のような、柔軟性があり遮音性のある部材からなる充填材を充填してもよい。
図2は本発明に係るヘッドホン用イヤパッドおよびヘッドホンの第2の実施例を示す。この第2の実施例が第1の実施例と異なる点は、イヤパッド30を構成する外皮40の前記開口44の部分に、音波を透過させることができ、柔軟性のある部材45が介在し、隔壁42,43の先端が柔軟性のある部材45に接している点である。上記部材45は上記開口44を塞いでいる。
上記柔軟性のある部材4は、ヘッドホンの装着感を高めるために設けられるもので、例えば布などが用いられる。そのほかの構成は第1の実施例の構成と同じであるから説明は省略する。
第2の実施例についても、その音響等価回路は図3に示す等価回路と同様の構成要素で同様に構成され、第1の実施例と同様に効果を得ることができる。
イヤパッド3の内部空間の分割数、充填材の有無などは、第1の実施例と同様に任意である。
本願発明の技術思想は、遮音のみを目的とするイヤマフにも適用可能である。
本発明にかかるヘッドホンの実施例を示す縦断面図である。 本発明にかかるヘッドホンの別の実施例を示す縦面図である。 本発明にかかる実施例を示す等価回路図である。 従来のヘッドホンの例を示す縦断面図である。 従来の例を示す等価回路図である。
符号の説明
1 バッフル板
2 ハウジング
6 ドライバーユニット
30 イヤパッド
31 空気室
32 空気室
33 空気室
42 隔壁
43 隔壁
44 開口

Claims (8)

  1. ヘッドホンに装着されヘッドホンの使用時にユーザの耳を囲むことができるとともにユーザの側頭部に接することができるリング状のイヤパッドであって、
    外皮で囲まれた空気室を有し、
    空気室は隔壁によって内周側の空気室と外周側の空気室に分けられているヘッドホン用イヤパッド。
  2. 内周側の空気室と外周側の空気室は同心円状に形成されている請求項1記載のヘッドホン用イヤパッド。
  3. 外皮はユーザの側頭部に接すべき面側が開放していて、ヘッドホン使用時に隔壁の先端がユーザの側頭部に接することができる位置まで延びている請求項1または2記載のヘッドホン用イヤパッド。
  4. 隔壁は複数あって、空気室は同心円状に三つ以上に区分されている請求項1、2または3記載のヘッドホン用イヤパッド。
  5. ユーザの側頭部に接すべき面側の外皮の開口部分には、音波を透過させることができ、柔軟性のある部材が介在し、隔壁の先端は柔軟性のある部材に接している請求項3または4記載のヘッドホン用イヤパッド。
  6. 空気室には充填材が充填されている請求項1から5のいずれかに記載のヘッドホン用イヤパッド。
  7. 使用時にユーザの耳の周りを囲むことができるとともにユーザの側頭部に接することができるリング状のイヤパッドを備えたヘッドホンであって、上記イヤパッドは、請求項1から6のいずれかに記載のヘッドホン用イヤパッドであるヘッドホン。
  8. バッフル板にドライバーユニットが取り付けられ、バッフル板の前面側にイヤパッドが、バッフル板の後面側にハウジングが固着されている請求項7記載のヘッドホン。
JP2008166754A 2008-06-26 2008-06-26 ヘッドホン用イヤパッドおよびヘッドホン Expired - Fee Related JP5107808B2 (ja)

Priority Applications (1)

Application Number Priority Date Filing Date Title
JP2008166754A JP5107808B2 (ja) 2008-06-26 2008-06-26 ヘッドホン用イヤパッドおよびヘッドホン

Applications Claiming Priority (1)

Application Number Priority Date Filing Date Title
JP2008166754A JP5107808B2 (ja) 2008-06-26 2008-06-26 ヘッドホン用イヤパッドおよびヘッドホン

Publications (2)

Publication Number Publication Date
JP2010010984A true JP2010010984A (ja) 2010-01-14
JP5107808B2 JP5107808B2 (ja) 2012-12-26

Family

ID=41590962

Family Applications (1)

Application Number Title Priority Date Filing Date
JP2008166754A Expired - Fee Related JP5107808B2 (ja) 2008-06-26 2008-06-26 ヘッドホン用イヤパッドおよびヘッドホン

Country Status (1)

Country Link
JP (1) JP5107808B2 (ja)

Cited By (6)

* Cited by examiner, † Cited by third party
Publication number Priority date Publication date Assignee Title
JP2012034204A (ja) * 2010-07-30 2012-02-16 Audio Technica Corp 電気音響変換器
JP2015002450A (ja) * 2013-06-17 2015-01-05 株式会社オーディオテクニカ ヘッドホン
JP2017112446A (ja) * 2015-12-15 2017-06-22 株式会社オーディオテクニカ ヘッドホン用イヤパッド及びヘッドホンおよびイヤーマフ
EP3188494A1 (en) * 2015-12-29 2017-07-05 GN Netcom A/S A headphone with two ear cushions of different hardness
CN106982401A (zh) * 2017-04-10 2017-07-25 东莞市穗崴皮具有限公司 提高密封紧闭性的耳机垫用泡棉及其耳机垫
KR20220104046A (ko) * 2019-11-30 2022-07-25 후아웨이 테크놀러지 컴퍼니 리미티드 이어 패드, 이어머프 부품 및 이어폰

Citations (5)

* Cited by examiner, † Cited by third party
Publication number Priority date Publication date Assignee Title
JPS51151630U (ja) * 1975-05-27 1976-12-03
JPS62120193A (ja) * 1985-11-18 1987-06-01 ア−・カ−・ゲ−・アクステイツシエ・ウント・キノ−ゲレ−テ・ゲゼルシヤフト・ミツト・ベシユレンクテル・ハフツング ヘツドホンのための耳当てクツシヨン
JPH0888889A (ja) * 1994-09-16 1996-04-02 Nippon Columbia Co Ltd ヘッドホン
JP2006333483A (ja) * 2005-05-27 2006-12-07 Bose Corp ノイズ低減機能付きの耳載せヘッドホン
JP2009105841A (ja) * 2007-10-25 2009-05-14 Sony Corp イヤパッド及びヘッドホン装置

Patent Citations (5)

* Cited by examiner, † Cited by third party
Publication number Priority date Publication date Assignee Title
JPS51151630U (ja) * 1975-05-27 1976-12-03
JPS62120193A (ja) * 1985-11-18 1987-06-01 ア−・カ−・ゲ−・アクステイツシエ・ウント・キノ−ゲレ−テ・ゲゼルシヤフト・ミツト・ベシユレンクテル・ハフツング ヘツドホンのための耳当てクツシヨン
JPH0888889A (ja) * 1994-09-16 1996-04-02 Nippon Columbia Co Ltd ヘッドホン
JP2006333483A (ja) * 2005-05-27 2006-12-07 Bose Corp ノイズ低減機能付きの耳載せヘッドホン
JP2009105841A (ja) * 2007-10-25 2009-05-14 Sony Corp イヤパッド及びヘッドホン装置

Cited By (9)

* Cited by examiner, † Cited by third party
Publication number Priority date Publication date Assignee Title
JP2012034204A (ja) * 2010-07-30 2012-02-16 Audio Technica Corp 電気音響変換器
US8995701B2 (en) 2010-07-30 2015-03-31 Kabushiki Kaisha Audio-Technica Microphone
JP2015002450A (ja) * 2013-06-17 2015-01-05 株式会社オーディオテクニカ ヘッドホン
JP2017112446A (ja) * 2015-12-15 2017-06-22 株式会社オーディオテクニカ ヘッドホン用イヤパッド及びヘッドホンおよびイヤーマフ
EP3188494A1 (en) * 2015-12-29 2017-07-05 GN Netcom A/S A headphone with two ear cushions of different hardness
CN106982401A (zh) * 2017-04-10 2017-07-25 东莞市穗崴皮具有限公司 提高密封紧闭性的耳机垫用泡棉及其耳机垫
KR20220104046A (ko) * 2019-11-30 2022-07-25 후아웨이 테크놀러지 컴퍼니 리미티드 이어 패드, 이어머프 부품 및 이어폰
KR102686767B1 (ko) * 2019-11-30 2024-07-22 후아웨이 테크놀러지 컴퍼니 리미티드 이어 패드, 이어머프 부품 및 이어폰
US12167194B2 (en) 2019-11-30 2024-12-10 Huawei Technologies Co., Ltd. Ear pad, earmuff component, and headset

Also Published As

Publication number Publication date
JP5107808B2 (ja) 2012-12-26

Similar Documents

Publication Publication Date Title
JP5340833B2 (ja) イヤーマフ及びヘッドホン
JP4930382B2 (ja) 電気音響変換器及びイヤースピーカ装置
JP6321873B1 (ja) ヘッドホン
JP3235865B2 (ja) イヤースピーカ
JP5363825B2 (ja) ノイズキャンセルヘッドホン
JP4548783B2 (ja) ヘッドホン
JP5107808B2 (ja) ヘッドホン用イヤパッドおよびヘッドホン
CN108605180A (zh) 用于头戴式受话器的耳垫
CN101106831A (zh) 放在耳内的耳机
CN107592793B (zh) 保护头盔
CN115914913B (zh) 声音输出装置
KR20080090720A (ko) 진동유닛을 구비한 헤드폰
US9554206B2 (en) Sound presentation device
JP5707277B2 (ja) ヘッドホン
JP6526844B1 (ja) ウェアラブルスピーカシステム
CN110691292A (zh) 耳机
KR20090106679A (ko) 하이브리드 인-이어 헤드폰
JP5849296B1 (ja) 連通部付き密閉イヤホン
JP4952223B2 (ja) イヤースピーカ装置
JP6149599B2 (ja) イヤホン
JP3197746U (ja) カナル型イヤホン
JP6516572B2 (ja) ダイナミックヘッドホン
JP4826456B2 (ja) 電気音響変換器及びイヤースピーカ装置
KR100566092B1 (ko) 이어폰
JP2020014197A (ja) イヤホン

Legal Events

Date Code Title Description
A621 Written request for application examination

Free format text: JAPANESE INTERMEDIATE CODE: A621

Effective date: 20110318

A977 Report on retrieval

Free format text: JAPANESE INTERMEDIATE CODE: A971007

Effective date: 20120718

A131 Notification of reasons for refusal

Free format text: JAPANESE INTERMEDIATE CODE: A131

Effective date: 20120724

A521 Written amendment

Free format text: JAPANESE INTERMEDIATE CODE: A523

Effective date: 20120906

TRDD Decision of grant or rejection written
A01 Written decision to grant a patent or to grant a registration (utility model)

Free format text: JAPANESE INTERMEDIATE CODE: A01

Effective date: 20121002

A01 Written decision to grant a patent or to grant a registration (utility model)

Free format text: JAPANESE INTERMEDIATE CODE: A01

A61 First payment of annual fees (during grant procedure)

Free format text: JAPANESE INTERMEDIATE CODE: A61

Effective date: 20121004

R150 Certificate of patent or registration of utility model

Free format text: JAPANESE INTERMEDIATE CODE: R150

FPAY Renewal fee payment (event date is renewal date of database)

Free format text: PAYMENT UNTIL: 20151012

Year of fee payment: 3

R250 Receipt of annual fees

Free format text: JAPANESE INTERMEDIATE CODE: R250

LAPS Cancellation because of no payment of annual fees