JP2005295529A - 基地局、移動局端末、無線データ通信システム及びそれらの制御プログラム - Google Patents
基地局、移動局端末、無線データ通信システム及びそれらの制御プログラム Download PDFInfo
- Publication number
- JP2005295529A JP2005295529A JP2005066150A JP2005066150A JP2005295529A JP 2005295529 A JP2005295529 A JP 2005295529A JP 2005066150 A JP2005066150 A JP 2005066150A JP 2005066150 A JP2005066150 A JP 2005066150A JP 2005295529 A JP2005295529 A JP 2005295529A
- Authority
- JP
- Japan
- Prior art keywords
- mobile station
- signal
- station terminal
- low power
- specific low
- Prior art date
- Legal status (The legal status is an assumption and is not a legal conclusion. Google has not performed a legal analysis and makes no representation as to the accuracy of the status listed.)
- Withdrawn
Links
Images
Classifications
-
- Y—GENERAL TAGGING OF NEW TECHNOLOGICAL DEVELOPMENTS; GENERAL TAGGING OF CROSS-SECTIONAL TECHNOLOGIES SPANNING OVER SEVERAL SECTIONS OF THE IPC; TECHNICAL SUBJECTS COVERED BY FORMER USPC CROSS-REFERENCE ART COLLECTIONS [XRACs] AND DIGESTS
- Y02—TECHNOLOGIES OR APPLICATIONS FOR MITIGATION OR ADAPTATION AGAINST CLIMATE CHANGE
- Y02D—CLIMATE CHANGE MITIGATION TECHNOLOGIES IN INFORMATION AND COMMUNICATION TECHNOLOGIES [ICT], I.E. INFORMATION AND COMMUNICATION TECHNOLOGIES AIMING AT THE REDUCTION OF THEIR OWN ENERGY USE
- Y02D30/00—Reducing energy consumption in communication networks
- Y02D30/70—Reducing energy consumption in communication networks in wireless communication networks
Landscapes
- Mobile Radio Communication Systems (AREA)
- Telephone Function (AREA)
Abstract
【課題】特定小電力の電波を移動局端末のエリア検出に用い、微弱無線の電波をデータ通信に用いることにより、移動局端末が通信を行わない休止状態での動作電力を小さくすることが可能な基地局、移動局端末、無線データ通信システム及びそれらの制御プログラムを提供する。
【解決手段】基地局Bは、一定の時間間隔で特定小電力のパイロット信号を送信する特定小電力信号送信機と、微弱無線信号を用いた通信が可能であることを知らせる応答要求信号を検出し、微弱無線信号を用いて通信を行う微弱無線信号送受信機を有する。移動局端末M1は、パイロット信号を検出する特定小電力信号検出機と、微弱無線信号を用いた通信を行う微弱無線信号送受信機と、特定小電力のパイロット信号が閾値より大きい場合に微弱無線信号送受信機を起動する制御回路と、微弱無線信号を用いた通信が可能であることを知らせる応答要求信号を送信する微弱無線信号送受信機を有する。
【選択図】図1
【解決手段】基地局Bは、一定の時間間隔で特定小電力のパイロット信号を送信する特定小電力信号送信機と、微弱無線信号を用いた通信が可能であることを知らせる応答要求信号を検出し、微弱無線信号を用いて通信を行う微弱無線信号送受信機を有する。移動局端末M1は、パイロット信号を検出する特定小電力信号検出機と、微弱無線信号を用いた通信を行う微弱無線信号送受信機と、特定小電力のパイロット信号が閾値より大きい場合に微弱無線信号送受信機を起動する制御回路と、微弱無線信号を用いた通信が可能であることを知らせる応答要求信号を送信する微弱無線信号送受信機を有する。
【選択図】図1
Description
本発明は、基地局及び移動局端末との間でデータ通信を行うための基地局、移動局端末、無線データ通信システム及びそれらの制御プログラムに関する。
従来、微弱電波を用いた無線データ通信において、移動局端末と複数の基地局との位置を管理して通信エリアを補償する方法として特許文献1に記載された無線データ通信方法が知られている。
しかし、上記無線データ通信方法では、移動局端末の位置検出の際に微弱電波を用いているため、基地局の管理するエリアが狭いという問題があった。また、基地局間に通信できないエリアが存在する場合、移動局端末が基地局と情報のやりとりができないという問題があり、この問題を解決するためには基地局の数を増加させなければならなかった。また、微弱電波を用いた微弱無線機での通信を位置検出に用いるため、移動局端末の消費電力が大きいという問題もあった。
しかし、上記無線データ通信方法では、移動局端末の位置検出の際に微弱電波を用いているため、基地局の管理するエリアが狭いという問題があった。また、基地局間に通信できないエリアが存在する場合、移動局端末が基地局と情報のやりとりができないという問題があり、この問題を解決するためには基地局の数を増加させなければならなかった。また、微弱電波を用いた微弱無線機での通信を位置検出に用いるため、移動局端末の消費電力が大きいという問題もあった。
一方、基地局の数を増加させるのではなく、基地局から送信する微弱無線の電力を大きくすることにより、基地局が管理するエリアを広くする方法も考えられる。しかし、基地局の端末が大きくなってしまうとともに、消費電力が増大するなどの問題も生じる。
また、建物内のセキュリティ管理などで、入退出の際に個人IDを照会するシステムなどがあるが、カードリーダを通したり、非接触ではあるが読み取り装置の近傍に移動局端末を近づけるなど、移動局端末所持者の意識的な操作が必要となっていた。そのため、移動局端末所持者に負荷を与えるという問題があった。
また、移動局端末のIDではなく、移動局端末所持者の個人IDカードなどの情報を位置情報とあわせて検出する場合、移動局端末には個人IDのような大容量のデータを扱えるだけの通信機能が必要となるという問題もあった。
また、移動局端末のIDではなく、移動局端末所持者の個人IDカードなどの情報を位置情報とあわせて検出する場合、移動局端末には個人IDのような大容量のデータを扱えるだけの通信機能が必要となるという問題もあった。
また、現在利用されているUHF帯(Ultra High Frequency:300MHzから3000MHzまでの周波数帯域)において、高出力で高速データ通信を行うことができる帯域が無く、微弱電波を用いた通信に限られるという問題もあった。
更に、移動局端末の移動速度に対して、基地局がカバーする通信エリアが狭い場合、移動局端末による間欠的な通信管理では、移動局端末と基地局との間で品質の高い通信を行うことができないという問題もあった。また、この場合、移動局端末が間欠動作している間に、移動局端末が通信環境が良好なエリアを通過してしまうという問題も起こり得る。
特開平5−168058号公報
更に、移動局端末の移動速度に対して、基地局がカバーする通信エリアが狭い場合、移動局端末による間欠的な通信管理では、移動局端末と基地局との間で品質の高い通信を行うことができないという問題もあった。また、この場合、移動局端末が間欠動作している間に、移動局端末が通信環境が良好なエリアを通過してしまうという問題も起こり得る。
移動局端末に対しては低消費電力で駆動できることや、品質の高いデータ通信を移動中に行うことが望まれている。また、カード型の移動局端末で個人IDなどの大容量データを読み取り装置とは非接触に、かつ、移動局端末所持者に気づかれることなく収集することが望まれている。
また、基地局がカバーする通信エリア内に複数の移動局端末所持者が存在する場合に、複数存在するIDが誰のものかを識別する必要がある。また、低消費電力で、高速データ通信が可能な微弱無線を用いて無線データ通信を行うことが望まれている。更に、移動局端末が高速に移動している場合に、移動局端末と基地局との通信エリアを最適に設定することも望まれている。
また、基地局がカバーする通信エリア内に複数の移動局端末所持者が存在する場合に、複数存在するIDが誰のものかを識別する必要がある。また、低消費電力で、高速データ通信が可能な微弱無線を用いて無線データ通信を行うことが望まれている。更に、移動局端末が高速に移動している場合に、移動局端末と基地局との通信エリアを最適に設定することも望まれている。
本発明は、特定小電力の電波を移動局端末のエリア検出に用い、微弱無線の電波をデータ通信に用いることにより、移動局端末が通信を行わない休止状態での動作電力を小さくすることが可能な基地局、移動局端末、無線データ通信システム及びそれらの制御プログラムを提供することを目的とする。
この発明は上記の課題を解決するためになされたもので、本願請求項1に記載の発明は、一定の時間間隔で特定小電力信号を送信する特定小電力信号送信手段と、前記特定小電力信号送信手段が送信した前記特定小電力信号に応答して返信されてくる、微弱無線信号を用いた通信が可能であることを知らせる応答要求信号を検出する応答要求信号検出手段と、前記応答要求信号検出手段が前記応答要求信号を検出した場合に、前記微弱無線信号を用いて通信を行う第1の微弱無線信号送受信手段とを有することを特徴とする基地局である。
また、本願請求項2に記載の発明は、特定小電力信号を検出する特定小電力信号検出手段と、微弱無線信号を用いた通信を行う第2の微弱無線信号送受信手段と、前記特定小電力信号検出手段により検出する特定小電力信号が閾値より小さければ、前記第2の微弱無線信号送受信手段を休止状態に保ち、前記特定小電力信号が閾値より大きければ、前記第2の微弱無線信号送受信手段を起動するように制御する制御手段と、前記制御手段が前記第2の微弱無線信号送受信手段を起動した場合に、前記微弱無線信号を用いた通信が可能であることを知らせる応答要求信号を送信する応答要求信号送信手段とを有し、前記応答要求信号送信手段が送信する前記応答要求信号によって応答確認が検出された場合に、前記第2の微弱無線信号送受信手段により微弱無線信号を用いた通信を行うことを特徴とする移動局端末である。
また、請求項3に記載の発明は、移動局端末が移動する加速度を検出する加速度検出手段と、前記加速度検出手段が検出した加速度に基づいて前記閾値を決定する閾値決定手段と、を更に有することを特徴とする請求項2に記載の移動局端末である。
また、請求項4に記載の発明は、前記特定小電力信号検出手段が検出する前記特定小電力信号の強度が、前記特定小電力信号の送信された際の強度に比べてどの程度減衰しているかに基づいて基地局と移動局端末の距離を計算する距離計算手段と、前記距離計算手段が計算した距離に基づき、複数存在する基地局のいずれと前記微弱無線信号を用いた通信を行うかを決定する基地局選択手段とを更に有することを特徴とする請求項2または3に記載の移動局端末である。
また、請求項5に記載の発明は、外部の情報を取り込むためのインタフェース手段を更に有することを特徴とする請求項2〜4のいずれかの項に記載の移動局端末である。
また、請求項6に記載の発明は、請求項1に記載の基地局と、請求項2〜5のいずれかの項に記載の移動局端末とから構成されることを特徴とする無線データ通信システムである。
また、請求項7に記載の発明は、前記移動局端末の位置を検出する位置検出手段と、前記位置検出手段が検出した位置と、前記加速度検出手段が検出した加速度に基づいて、前記移動局端末の特定を行う移動局端末特定手段とを更に有することを特徴とする請求項6に記載の無線データ通信システムである。
また、請求項8に記載の発明は、前記位置検出手段が、音波を用いて移動局端末の位置を検出することを特徴とする請求項6または7に記載の無線データ通信システムである。
また、請求項9に記載の発明は、前記特定小電力信号に426MHz帯の信号を用い、前記微弱無線信号に315MHz帯の信号を用いることを特徴とする請求項6〜8のいずれかの項に記載の無線データ通信システムである。
また、請求項10に記載の発明は、特定小電力信号送信手段、応答要求信号検出手段、第1の微弱無線信号送受信手段を有する基地局を制御するための基地局制御プログラムであって、前記特定小電力信号送信手段に対して一定の時間間隔で特定小電力信号を送信するように指示する第1のステップと、前記応答要求信号検出手段が検出する信号であって、前記第1のステップで送信するように指示した前記特定小電力信号に応答して返信されてくる、微弱無線信号を用いた通信が可能であることを知らせる応答要求信号を受信する第2のステップと、前記第1の微弱無線信号送受信手段に対して前記第2のステップで前記応答要求信号を受信した場合に、前記微弱無線信号を用いて通信を行うように指示する第3のステップとをコンピュータに実行させるための基地局制御プログラムである。
また、請求項11に記載の発明は、特定小電力信号検出手段、第2の微弱無線信号送受信手段、制御手段、応答要求信号送信手段を有する移動局端末を制御するための移動局端末制御プログラムであって、前記特定小電力信号検出手段が検出する特定小電力信号を受信する第1のステップと、前記第2の微弱無線信号送受信手段により微弱無線信号を用いた通信を行うように指示する第2のステップと、前記制御手段に対して前記第1のステップで受信した特定小電力信号が閾値より小さければ、前記第2の微弱無線信号送受信手段を休止状態に保ち、前記特定小電力信号が閾値より大きければ、前記第2の微弱無線信号送受信手段を起動するように指示する第3のステップと、前記応答要求信号送信手段に対して前記制御手段が前記第2の微弱無線信号送受信手段を起動した場合に、前記微弱無線信号を用いた通信が可能であることを知らせる応答要求信号を送信するように指示する第4のステップと、前記第4のステップで送信するように指示した前記応答要求信号によって応答確認が検出された場合に、前記第2の微弱無線信号送受信手段に対して微弱無線信号を用いた通信を行うように指示する第5のステップとをコンピュータに実行させるための移動局端末制御プログラムである。
また、請求項12に記載の発明は、加速度検出手段、閾値決定手段を更に有する移動局端末を制御するための移動局端末制御プログラムであって、前記加速度検出手段が検出する移動局端末が移動する加速度を受信する第6のステップと、前記閾値決定手段に対して前記第6のステップで受信した加速度に基づいて前記閾値を決定するように指示する第7のステップとを更にコンピュータに実行させるための請求項11に記載の移動局端末制御プログラムである。
また、請求項13に記載の発明は、距離計算手段、基地局選択手段を更に有する移動局端末を制御するための移動局端末制御プログラムであって、前記距離計算手段に対して前記第1のステップで検出する前記特定小電力信号の強度が、前記特定小電力信号の送信された際の強度に比べてどの程度減衰しているかに基づいて基地局と移動局端末の距離を計算するように指示する第8のステップと、前記基地局選択手段に対して前記第8のステップで計算した距離に基づき、複数存在する基地局のいずれと前記微弱無線信号を用いた通信を行うかを決定するように指示する第9のステップとを更にコンピュータに実行させるための請求項11または12に記載の移動局端末制御プログラムである。
また、請求項14に記載の発明は、インタフェース手段を更に有する移動局端末を制御するための移動局端末制御プログラムであって、前記インタフェース手段が取り込む外部の情報を受信する第10のステップを更にコンピュータに実行させるための請求項11〜13のいずれかの項に記載の移動局端末制御プログラムである。
また、請求項15に記載の発明は、請求項10に記載の基地局制御プログラムと、請求項11〜14のいずれかの項に記載の移動局端末制御プログラムとをコンピュータに実行させるための無線データ通信制御プログラムである。
この発明によれば、特定小電力信号が閾値より大きいことを検出した場合にのみ、微弱無線信号送受信手段を起動するようにしたので、移動局端末の消費電力を低く抑えることができる。
請求項3に記載の発明によれば、加速度検出手段が検出した加速度に基づいて閾値を決定するようにしたため、移動局端末の移動速度に応じて、特定小電力信号を受信することができるエリアを制御することができる。そのため、品質の高い情報通信を行うようにしたり、移動局端末の電力消費量をより減少させることができる。
請求項4に記載の発明によれば、移動局端末と基地局との距離を計算する距離計算手段を設けたため、移動局端末により近い基地局を選択することができる。そのため、品質の高い無線データ通信を行うことができる。
請求項5に記載の発明によれば、外部の情報を取り込むためのインタフェース手段を設けたため、移動局端末がインタフェース手段を介して個人IDなどの情報を取得することができ、その情報を基地局に送信することが可能となる。
請求項6に記載の発明によれば、請求項1に記載の基地局と、請求項2〜5のいずれかの項に記載の受信機とを用いて無線データ通信システムを構成したため、従来と比べて、より消費電力を削減した無線データ通信システムを提供することが可能となる。
請求項7に記載の発明によれば、移動局端末の位置を検出する位置検出手段を設けたため、加速度検出手段が検出した加速度と併せることにより、移動局端末が複数存在する場合でも、通信を希望する移動局端末をより正確に特定することが可能となる。
図1は、本発明の第1の実施形態による無線データ通信システムを示した概略図である。通路(例えば、建物の廊下など)の天井に、基地局Bが設置されている。基地局Bは、一定の時間間隔で特定小電力のパイロット信号を発信している。(特定小電力のパイロット信号は、狭帯域の信号であり、使用可能な周波数帯域が数kHz程度の信号である。)
また、移動局端末所持者H1は、移動局端末M1を装着している。移動局端末M1は、パイロット信号を受信したことを確認すると、移動局端末M1に内蔵されている微弱無線信号送受信機を起動する。その後、基地局Bと移動局端末M1との間で微弱無線信号を用いた無線データ通信が可能であることが確認されると無線データ通信が行われる。(微弱無線信号は、広帯域の信号であり、使用可能な周波数帯域が200kHz程度の信号である。)
また、移動局端末所持者H1は、移動局端末M1を装着している。移動局端末M1は、パイロット信号を受信したことを確認すると、移動局端末M1に内蔵されている微弱無線信号送受信機を起動する。その後、基地局Bと移動局端末M1との間で微弱無線信号を用いた無線データ通信が可能であることが確認されると無線データ通信が行われる。(微弱無線信号は、広帯域の信号であり、使用可能な周波数帯域が200kHz程度の信号である。)
エリアa1は、基地局Bが発信する特定小電力のパイロット信号を、移動局端末M1が検知することができる範囲を示している。一方、エリアa2は、基地局Bと移動局端末M1が微弱無線信号を用いて無線データ通信をすることができる範囲を示している。
以下では、移動局端末所持者H1が廊下をb1地点からb2地点に向かって歩行する場合を例に挙げて説明する。
以下では、移動局端末所持者H1が廊下をb1地点からb2地点に向かって歩行する場合を例に挙げて説明する。
移動局端末所持者H1がb1地点から、エリアa1の範囲内に入ると、基地局Bが発信している特定小電力のパイロット信号を移動局端末M1が検知して、それまで、休止状態にあった移動局端末M1に内蔵されている微弱無線信号送受信機を起動させる。起動された微弱無線信号送受信機は、基地局Bとの間で微弱無線信号を用いた無線データ通信が可能かどうかの応答要求信号を一定の時間間隔で周囲に送信する。基地局Bがこの応答要求信号を検知すると、移動局端末M1が微弱無線信号を用いた無線データ通信が可能なエリアa2の領域内に存在するものと判断して、移動局端末所持者H1のID(IDentify)などのデータの送受信を行う。基地局Bは移動局端末M1から送信されてきたIDなどの情報から移動局端末所持者H1の特定を行う。
図2は、本発明の第1の実施形態による基地局Bの構成を示す概略図である。
基地局Bは図2(A)に示すように、基地局Bからの特定小電力のパイロット信号の送信、および、基地局Bと移動局端末M1との間で微弱無線を用いたデータの送受信を行うために使用されるアンテナAを有している。
基地局Bは図2(A)に示すように、基地局Bからの特定小電力のパイロット信号の送信、および、基地局Bと移動局端末M1との間で微弱無線を用いたデータの送受信を行うために使用されるアンテナAを有している。
図2(B)は、基地局Bの構成を示すブロック図である。基地局BはアンテナA、制御回路1、特定小電力信号送信機2、共用器3、微弱無線信号送受信機4、インタフェース回路5から構成されている。
制御回路1は、特定小電力信号送信機2、微弱無線信号送受信機4、インタフェース回路5を制御する。特定小電力信号送信機2は、共用器3を介して、アンテナAから特定小電力のパイロット信号を一定の時間間隔で発信している。
制御回路1は、特定小電力信号送信機2、微弱無線信号送受信機4、インタフェース回路5を制御する。特定小電力信号送信機2は、共用器3を介して、アンテナAから特定小電力のパイロット信号を一定の時間間隔で発信している。
微弱無線信号送受信機4は、特定小電力信号送信機2が送信する特定小電力のパイロット信号に応答して移動局端末M1から返信される応答要求信号を検知する。微弱無線信号送受信機4が応答要求信号を検知すると、基地局Bと移動局端末M1との間で微弱無線信号を用いた通信が可能であると判断され通信が開始される。
微弱無線信号送受信機4は、微弱無線信号を用いて移動局端末M1から送信されてくるデータをアンテナA及び共用器3を介して受信する。また、微弱無線信号送受信機4は、インタフェース回路5から取得した情報を共用器3及びアンテナAを介して移動局端末M1に送信する。
インタフェース回路5は、LAN(Local Area Network)から取得した情報を微弱無線信号送受信機4に送ったり、微弱無線信号送受信機4から取得したデータをLANに送ったりする。
微弱無線信号送受信機4は、微弱無線信号を用いて移動局端末M1から送信されてくるデータをアンテナA及び共用器3を介して受信する。また、微弱無線信号送受信機4は、インタフェース回路5から取得した情報を共用器3及びアンテナAを介して移動局端末M1に送信する。
インタフェース回路5は、LAN(Local Area Network)から取得した情報を微弱無線信号送受信機4に送ったり、微弱無線信号送受信機4から取得したデータをLANに送ったりする。
次に、本発明の第1の実施形態による移動局端末M1について説明する。図3(A)は、移動局端末M1の形状を示す概略図である。移動局端末M1には移動局端末所持者H1に関する情報が記録されたIDカード6が装着できるようになっている。また、移動局端末M1にはクリップ7が取り付けられており、図3(B)に示すように、移動局端末所持者H1の左胸などにクリップ7を用いて移動局端末M1を装着できるようになっている。
IDカード6に移動局端末所持者H1の顔写真や所属部署などを記載しておくことにより、IDカード6は身分証明証としての役割も果たす。
IDカード6に移動局端末所持者H1の顔写真や所属部署などを記載しておくことにより、IDカード6は身分証明証としての役割も果たす。
図3(C)は、移動局端末M1の構成を示す概略図である。移動局端末M1は、特定小電力信号検出機8、微弱無線信号送受信機9、インタフェース部10、制御回路11、電池12を備えている。
制御回路11は、微弱無線信号送受信機9、特定小電力信号検出機8、インタフェース部10の制御を行う。特定小電力信号検出機8は、基地局Bが一定の時間間隔で発信している特定小電力のパイロット信号を検出する。インタフェース部10には、移動局端末使用者H1のIDなどのデータが記録されたIDカード6(図3(A))が装着されるとともに、IDカード6に記録されたデータを移動局端末M1に読み出す。微弱無線信号送受信機9は、微弱無線を用いて基地局Bにデータを送信する。電池12は、移動局端末M1の各部に電力を供給する。
制御回路11は、微弱無線信号送受信機9、特定小電力信号検出機8、インタフェース部10の制御を行う。特定小電力信号検出機8は、基地局Bが一定の時間間隔で発信している特定小電力のパイロット信号を検出する。インタフェース部10には、移動局端末使用者H1のIDなどのデータが記録されたIDカード6(図3(A))が装着されるとともに、IDカード6に記録されたデータを移動局端末M1に読み出す。微弱無線信号送受信機9は、微弱無線を用いて基地局Bにデータを送信する。電池12は、移動局端末M1の各部に電力を供給する。
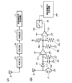
図4(A)は、移動局端末M1の構成を示すブロック図である。検波回路13は、アンテナAを介して基地局Bから送信されている特定小電力のパイロット信号が入力されているかどうかの検知を行う。検波回路13で特定小電力のパイロット信号が検知されると、判定回路14において、入力された特定小電力のパイロット信号の強度が所定の閾値以上であるかどうかの判定を行う。判定回路14において、特定小電力のパイロット信号の強度が所定の閾値以上と判断された場合には、それまで休止状態にあった微弱無線信号送受信機9を起動させて、基地局Bと移動局端末M1が微弱無線を用いて通信可能な状態となるように制御回路11が制御を行う。
図4(B)は、図4(A)の検波回路13、判定回路14、制御回路11の回路構成を具体的に示した回路図である。アンテナAで受信された信号の内の特定周波数の信号は、コンデンサC1およびコイルL1からなるタンク回路に蓄えられ、この蓄えられた信号がダイオードD1によって整流され、コンデンサC2によって平滑されて増幅器Z1へ加えられる。増幅器Z1はこの平滑された信号を増幅し、コンパレータZ2へ出力する。コンパレータZ2は増幅器Z1の出力信号と、抵抗R3、R4によって決まる閾値kとを比較し、増幅器Z1の出力が閾値kより大の場合に検出信号をスイッチS1へ出力する。スイッチS1はこの検出信号を受けてオンとなり、微弱無線信号送受信機9へ電源を供給する。これにより、微弱無線信号送受信機9が起動される。
図5は、本発明の第1の実施形態による移動局端末M1の動作を示すフローチャートである。移動局端末M1に電源が供給されると、ステップS1から処理が開始され、ステップS2へと進む。ステップ2では、移動局端末M1が受信する特定小電力のパイロット信号の強度が所定の閾値kより大きいかどうかが判断される。パイロット信号の強度が所定の閾値kより小さい場合は、ステップS2ではnoと判断され、再びステップ2に戻る。
ステップS2でyesと判断されるまで、この処理が繰り返される。
ステップS2でyesと判断されるまで、この処理が繰り返される。
移動局端末M1が受信する特定小電力のパイロット信号の強度が所定の閾値kよりも大きくなると、ステップ2においてyesと判断され、ステップS3へと進む。ステップS3では、それまで休止状態にあった微弱無線信号送受信機9(図3(C))を起動させて、微弱無線を用いて基地局Bと通信可能な状態となるように制御回路11(図3(C))により制御された後、ステップS4へ進む。ステップS4では、移動局端末M1の微弱無線信号送受信機9と基地局Bの間で、微弱無線を用いて情報の送受信が行われた後、ステップS5へと進む。
ステップS5では、移動局端末M1と基地局Bの間でデータの送受信が終了したことから、制御回路11(図3(C))が、微弱無線信号送受信機9を作動状態から電力がほとんど消費されない休止状態に切り替えた後、ステップS6へ進む。
ステップS6では、移動局端末M1が受信している特定小電力のパイロット信号の強度が所定の閾値kより大きいかどうかが判断される。移動局端末M1が受信しているパイロット信号の強度が所定の閾値kより大きい場合には、ステップS6においてyesと判断され、再びステップS6に戻る。ステップS6でnoと判断されるまで、この処理が繰り返される。移動局端末M1が受信している特定小電力のパイロット信号の強度が所定の閾値kより小さくなった場合には、ステップS6においてnoと判断され、ステップS2へと進む。以後、移動局端末M1に電源が供給されなくなるまで、上述したステップS2からの処理を繰り返し行う。
ステップS6では、移動局端末M1が受信している特定小電力のパイロット信号の強度が所定の閾値kより大きいかどうかが判断される。移動局端末M1が受信しているパイロット信号の強度が所定の閾値kより大きい場合には、ステップS6においてyesと判断され、再びステップS6に戻る。ステップS6でnoと判断されるまで、この処理が繰り返される。移動局端末M1が受信している特定小電力のパイロット信号の強度が所定の閾値kより小さくなった場合には、ステップS6においてnoと判断され、ステップS2へと進む。以後、移動局端末M1に電源が供給されなくなるまで、上述したステップS2からの処理を繰り返し行う。
以上、本発明の第1の実施形態による通信システムについて説明した。なお、基地局Bから発信される特定小電力のパイロット信号の強度を予め移動局端末M1に記憶しておき、移動局端末M1中の特定小電力信号検出機8がパイロット信号を受信した際に、パイロット信号の強度がどれだけ減衰しているかを計算するようにしてもよい。パイロット信号の強度は基地局Bからの距離に応じて減衰することから、パイロット信号がどれだけ減衰しているかが分かれば、基地局Bと移動局端末M1の距離を計算することができる。よって、基地局Bが複数存在する場合において、移動局端末M1と最も距離が近い基地局Bを選択してデータの送受信を行うことで、無線データ通信の品質を高めることができる。
図6は、本発明の第2の実施形態による無線データ通信システムを示した概略図である。第1の実施形態と同様の構成をとる個所については、同一の符号を付して説明を省略する。第2の実施形態による無線データ通信システムが第1の実施形態による無線データ通信システムと異なるところは、移動局端末所持者H2、H3がそれぞれ装着している移動局端末M2、M3に加速度センサが設けられていることである。
本実施形態では、移動局端末所持者H2及びH3はともにb1地点からb2地点に向かって移動している場合を例に挙げて説明する。また、移動局端末所持者H2の移動速度が遅く、移動局端末所持者H3の移動速度が速い場合について説明する。
移動局端末所持者H3の移動速度は速いため、エリアa1で特定小電力のパイロット信号を検知してから微弱無線信号送受信機9(図3(C))を起動していたのでは、基地局Bとの無線データ通信が完了しないうちに、移動局端末所持者H3が微弱無線を用いた通信可能エリアa2を通過してしまうおそれがある。そこで、移動局端末所持者H3の移動局端末M3の特定小電力信号検出機8(図3(C))の閾値kを小さく設定して、エリアa1より広いエリアa3でも特定小電力信号検出機8が特定小電力のパイロット信号を検知できるようにしておく。このような構成にすることにより、微弱無線信号送受信機9をより早期に起動することができ、エリアa2中で確実に移動局端末M3と基地局B間で微弱無線を用いたデータの送受信を行うことが可能となる。
一方、移動局端末所持者H2の移動速度は遅いため、エリアa1で特定小電力のパイロット信号を検知して微弱無線信号送受信機9(図3(C))を起動したのでは、移動局端末所持者H2がなかなか微弱無線を用いた通信が可能なエリアa2の範囲内に入ってこない。そのため、微弱無線信号送受信機9が余計な電力を消費するおそれがある。そこで、移動局端末所持者H2が装着している移動局端末M2の特定小電力信号検出機8(図3(C))の閾値kを高く設定して、エリアa1より狭いエリアa4で特定小電力信号検出機8が特定小電力のパイロット信号を検知できるようにしておく。このような構成にすることにより、移動局端末M2の微弱無線信号送受信機9をより長く休止状態に保つことができる。よって、移動局端末M2の消費電力をより軽減することができる。
微弱無線を用いて通信可能な領域をエリアa1からエリアa3に拡大することにより、無線データ通信の品質を高めるという効果は、本実施形態による通信システムが屋外に設置されているような場合であって、移動局端末所持者H3が車などに乗って高速で移動している場合により顕著な効果を奏する。
微弱無線を用いて通信可能な領域をエリアa1からエリアa3に拡大することにより、無線データ通信の品質を高めるという効果は、本実施形態による通信システムが屋外に設置されているような場合であって、移動局端末所持者H3が車などに乗って高速で移動している場合により顕著な効果を奏する。
図7は、本発明の第2の実施形態による移動局端末(M2、M3)の構成を示すブロック図である。移動局端末M2、M3は、アンテナA、検波回路13、判定回路14、制御回路11、微弱無線信号送受信機9、加速度センサ15、積分器16、閾値制御回路17から構成される。
加速度センサ15は、移動局端末所持者H2、H3が移動する際の加速度aを検出する。加速度センサ15によって検出された加速度aは、積分器16において積分され、移動局端末所持者H2、H3の移動する速度vに変換される。閾値制御回路17は、積分器16から入力された速度vの値に基づいて、閾値kを計算する。速度vに対する閾値kの決定の仕方としては、図7(B)に示したように、速度vが増加するに従って、閾値kを直線的に減少させる方法が考えられる。
加速度センサ15は、移動局端末所持者H2、H3が移動する際の加速度aを検出する。加速度センサ15によって検出された加速度aは、積分器16において積分され、移動局端末所持者H2、H3の移動する速度vに変換される。閾値制御回路17は、積分器16から入力された速度vの値に基づいて、閾値kを計算する。速度vに対する閾値kの決定の仕方としては、図7(B)に示したように、速度vが増加するに従って、閾値kを直線的に減少させる方法が考えられる。
この方法によって閾値kを計算すれば、移動局端末所持者H3の移動速度が速い場合は、グラフの点P3に基づいて小さな閾値kを設定して、特定小電力のパイロット信号を検出する範囲を広げる(図6のエリアa3)。これにより、移動局端末M3と基地局Bとの間で確実にデータの送受信ができるようにすることができる。
また、移動局端末所持者H2の移動速度が遅い場合には、グラフの点P2に基づいて大きな閾値kを設定して、特定小電力のパイロット信号を検出する範囲を狭める(図6のエリアa4)。これにより、移動局端末M2の微弱無線信号送受信機9の動作時間を極力減らすことができ、移動局端末M2の消費電力をより軽減することが可能となる。
図7(A)に戻り、閾値制御回路17から出力された閾値kは判定回路14に入力される。一方、検波回路13は、アンテナAを介して、基地局Bが発信している特定小電力のパイロット信号を検出する。検波回路13によって検出されたパイロット信号は、判定回路14に入力される。判定回路14は、パイロット信号の受信強度と、閾値kとを比較する。パイロット信号の強度が閾値kよりも小さい場合には、微弱無線信号送受信機9を起動せずに休止状態に保つことで、使用する電力を減少させる。
一方、特定小電力のパイロット信号の強度が閾値kよりも大きい場合には、制御回路11の制御により、微弱無線信号送受信機9を起動させ、基地局Bと移動局端末M2、M3の間でデータの送受信が可能な状態にする。
図7(C)は、図7(A)の検波回路13、判定回路14、制御回路11の具体的な回路構成を示した回路図である。アンテナAで受信された信号の内の特定周波数の信号は、コンデンサC1およびコイルL1からなるタンク回路に蓄えられ、この蓄えられた信号がダイオードD1によって整流され、コンデンサC2によって平滑されて増幅器Z1へ加えられる。増幅器Z1はこの平滑された信号を増幅し、コンパレータZ2へ出力する。コンパレータZ2は増幅器Z1の出力信号と、閾値制御回路17によって決定された閾値kとを比較し、増幅器Z1の出力が閾値kより大の場合に検出信号をスイッチS1へ出力する。スイッチS1はこの検出信号を受けてオンとなり、微弱無線信号送受信機9へ電源を供給する。これにより、微弱無線信号送受信機9が起動される。
図8は、本発明の第3の実施形態による無線データ通信システムを示した概略図である。第1及び第2の実施形態と同様の構成をとる個所については、同一の符号を付して説明を省略する。第3の実施形態による無線データ通信システムでは、第2の実施形態による無線データ通信システムにおいて、さらに、音波を送波する送波器S1及びS2、音波を受波する受波器R1及びR2を設置して、移動局端末所持者H2が通路のどの位置にいるかを特定することが可能となっている。
具体的には、送波器S1及びS2と、受波器R1及びR2を通路の壁に取り付けて、送波器S1が発信する音波が移動局端末所持者H2に当たって反射され、受波器R1に戻ってくる音波を解析することにより、移動局端末所持者H2が送波器S1からどの程度離れた距離にいるのかを計算することができる。
また、同様にして送波器S2と受波器R2を用いて、移動局端末使用者H2が送波器S2からどの程度離れた距離にいるのかを計算して、送波器S1及び受波器R1から得られた情報と組み合わせることにより、移動局端末使用者H2が通路のどの位置にいるのかを正確に把握することができる。
また、同様にして送波器S2と受波器R2を用いて、移動局端末使用者H2が送波器S2からどの程度離れた距離にいるのかを計算して、送波器S1及び受波器R1から得られた情報と組み合わせることにより、移動局端末使用者H2が通路のどの位置にいるのかを正確に把握することができる。
よって、通路に複数の移動局端末所持者が存在する場合でも、移動局端末から微弱無線を用いて基地局Bに送られてきた情報と、送波器(S1、S2)及び受波器(R1、R2)により得られた情報とを照合することで、IDなどの情報がどの移動局端末所持者の情報なのかを正確に把握することができる。
以上、本発明の第3の実施形態による無線データ通信システムの説明を行った。
本発明の第1〜第3の実施形態による無線データ通信システムによれば、移動局端末Mでは、特定小電力のパイロット信号を検出する低消費電力の特定小電力信号検出機8を作動させておけばよく、微弱無線信号送受信機9は作動時以外は休止状態に保つことが可能となる。特定小電力のパイロット信号の消費電力は、微弱無線信号の消費電力と比べると10分の1程度であるため、無線データ通信システムの消費電力を軽減させることが可能となる。
また、微弱無線信号を用いてデータの送受信を行うため、移動局端末Mと基地局Bの距離が数m程度離れた状態でも通信を行うことができる。そのため、任意の場所において、移動局端末所持者Hが特別な操作を行うことを要せずに、IDなどの情報を収集することが可能となる。
本発明の第1〜第3の実施形態による無線データ通信システムによれば、移動局端末Mでは、特定小電力のパイロット信号を検出する低消費電力の特定小電力信号検出機8を作動させておけばよく、微弱無線信号送受信機9は作動時以外は休止状態に保つことが可能となる。特定小電力のパイロット信号の消費電力は、微弱無線信号の消費電力と比べると10分の1程度であるため、無線データ通信システムの消費電力を軽減させることが可能となる。
また、微弱無線信号を用いてデータの送受信を行うため、移動局端末Mと基地局Bの距離が数m程度離れた状態でも通信を行うことができる。そのため、任意の場所において、移動局端末所持者Hが特別な操作を行うことを要せずに、IDなどの情報を収集することが可能となる。
なお、以上説明した実施形態において、図2の制御回路1、図3の制御回路11、図4の判定回路14、図7の積分器16、閾値制御回路17の機能を実現するためのプログラムをコンピュータ読み取り可能な記録媒体に記録して、この記録媒体に記録されたプログラムをコンピュータシステムに読み込ませ、実行することにより基地局B、移動局端末Mの制御を行ってもよい。なお、ここでいう「コンピュータシステム」とは、OSや周辺機器等のハードウェアを含むものとする。
また、「コンピュータ読み取り可能な記録媒体」とは、フレキシブルディスク、光磁気ディスク、ROM、CD−ROM等の可搬媒体、コンピュータシステムに内蔵されるハードディスク等の記憶装置のことをいう。さらに「コンピュータ読み取り可能な記録媒体」とは、インターネット等のネットワークや電話回線等の通信回線を介してプログラムを送信する場合の通信線のように、短時刻の間、動的にプログラムを保持するもの、その場合のサーバやクライアントとなるコンピュータシステム内部の揮発性メモリのように、一定時刻プログラムを保持しているものも含むものとする。また上記プログラムは、前述した機能の一部を実現するためのものであっても良く、さらに前述した機能をコンピュータシステムにすでに記録されているプログラムとの組み合わせで実現できるものであっても良い。
以上、この発明の実施形態について図面を参照して詳述してきたが、具体的な構成はこの実施形態に限られるものではなく、この発明の要旨を逸脱しない範囲の設計等も含まれる。
建物の廊下や出入口などにおいて、移動局端末を装着している移動局端末所持者を識別するための認証システムなどに利用することができる。
1・・・制御回路(基地局)、2・・・特定小電力信号送信機、3・・・共用器、4・・・微弱無線信号送受信機(基地局)、5・・・インタフェース回路、6・・・IDカード、7・・・クリップ、8・・・特定小電力信号検出機、9・・・微弱無線信号送受信機(移動局端末)、10・・・インタフェース部、11・・・制御回路(移動局端末)、12・・・電池、13・・・検波回路、14・・・判定回路、15・・・加速度センサ、16・・・積分器、17・・・閾値制御回路、A・・・アンテナ、B・・・基地局、H・・・移動局端末所持者、M・・・移動局端末、R・・・受波器、S・・・送波器
Claims (15)
- 一定の時間間隔で特定小電力信号を送信する特定小電力信号送信手段と、
前記特定小電力信号送信手段が送信した前記特定小電力信号に応答して返信されてくる、微弱無線信号を用いた通信が可能であることを知らせる応答要求信号を検出する応答要求信号検出手段と、
前記応答要求信号検出手段が前記応答要求信号を検出した場合に、前記微弱無線信号を用いて通信を行う第1の微弱無線信号送受信手段と、
を有することを特徴とする基地局。 - 特定小電力信号を検出する特定小電力信号検出手段と、
微弱無線信号を用いた通信を行う第2の微弱無線信号送受信手段と、
前記特定小電力信号検出手段により検出する特定小電力信号が閾値より小さければ、前記第2の微弱無線信号送受信手段を休止状態に保ち、前記特定小電力信号が閾値より大きければ、前記第2の微弱無線信号送受信手段を起動するように制御する制御手段と、
前記制御手段が前記第2の微弱無線信号送受信手段を起動した場合に、前記微弱無線信号を用いた通信が可能であることを知らせる応答要求信号を送信する応答要求信号送信手段とを有し、
前記応答要求信号送信手段が送信する前記応答要求信号によって応答確認が検出された場合に、前記第2の微弱無線信号送受信手段により微弱無線信号を用いた通信を行うことを特徴とする移動局端末。 - 移動局端末が移動する加速度を検出する加速度検出手段と、
前記加速度検出手段が検出した加速度に基づいて前記閾値を決定する閾値決定手段と、を更に有することを特徴とする請求項2に記載の移動局端末。 - 前記特定小電力信号検出手段が検出する前記特定小電力信号の強度が、前記特定小電力信号の送信された際の強度に比べてどの程度減衰しているかに基づいて基地局と移動局端末の距離を計算する距離計算手段と、
前記距離計算手段が計算した距離に基づき、複数存在する基地局のいずれと前記微弱無線信号を用いた通信を行うかを決定する基地局選択手段と、
を更に有することを特徴とする請求項2または3に記載の移動局端末。 - 外部の情報を取り込むためのインタフェース手段を更に有することを特徴とする請求項2〜4のいずれかの項に記載の移動局端末。
- 請求項1に記載の基地局と、
請求項2〜5のいずれかの項に記載の移動局端末と、
から構成されることを特徴とする無線データ通信システム。 - 前記移動局端末の位置を検出する位置検出手段と、
前記位置検出手段が検出した位置と、前記加速度検出手段が検出した加速度に基づいて、前記移動局端末の特定を行う移動局端末特定手段と、
を更に有することを特徴とする請求項6に記載の無線データ通信システム。 - 前記位置検出手段が、音波を用いて移動局端末の位置を検出することを特徴とする請求項6または7に記載の無線データ通信システム。
- 前記特定小電力信号に426MHz帯の信号を用い、前記微弱無線信号に315MHz帯の信号を用いることを特徴とする請求項6〜8のいずれかの項に記載の無線データ通信システム。
- 特定小電力信号送信手段、応答要求信号検出手段、第1の微弱無線信号送受信手段を有する基地局を制御するための基地局制御プログラムであって、
前記特定小電力信号送信手段に対して一定の時間間隔で特定小電力信号を送信するように指示する第1のステップと、
前記応答要求信号検出手段が検出する信号であって、前記第1のステップで送信するように指示した前記特定小電力信号に応答して返信されてくる、微弱無線信号を用いた通信が可能であることを知らせる応答要求信号を受信する第2のステップと、
前記第1の微弱無線信号送受信手段に対して前記第2のステップで前記応答要求信号を受信した場合に、前記微弱無線信号を用いて通信を行うように指示する第3のステップと、
をコンピュータに実行させるための基地局制御プログラム。 - 特定小電力信号検出手段、第2の微弱無線信号送受信手段、制御手段、応答要求信号送信手段を有する移動局端末を制御するための移動局端末制御プログラムであって、
前記特定小電力信号検出手段が検出する特定小電力信号を受信する第1のステップと、
前記第2の微弱無線信号送受信手段により微弱無線信号を用いた通信を行うように指示する第2のステップと、
前記制御手段に対して前記第1のステップで受信した特定小電力信号が閾値より小さければ、前記第2の微弱無線信号送受信手段を休止状態に保ち、前記特定小電力信号が閾値より大きければ、前記第2の微弱無線信号送受信手段を起動するように指示する第3のステップと、
前記応答要求信号送信手段に対して前記制御手段が前記第2の微弱無線信号送受信手段を起動した場合に、前記微弱無線信号を用いた通信が可能であることを知らせる応答要求信号を送信するように指示する第4のステップと、
前記第4のステップで送信するように指示した前記応答要求信号によって応答確認が検出された場合に、前記第2の微弱無線信号送受信手段に対して微弱無線信号を用いた通信を行うように指示する第5のステップと、
をコンピュータに実行させるための移動局端末制御プログラム。 - 加速度検出手段、閾値決定手段を更に有する移動局端末を制御するための移動局端末制御プログラムであって、
前記加速度検出手段が検出する移動局端末が移動する加速度を受信する第6のステップと、
前記閾値決定手段に対して前記第6のステップで受信した加速度に基づいて前記閾値を決定するように指示する第7のステップと、
を更にコンピュータに実行させるための請求項11に記載の移動局端末制御プログラム。 - 距離計算手段、基地局選択手段を更に有する移動局端末を制御するための移動局端末制御プログラムであって、
前記距離計算手段に対して前記第1のステップで検出する前記特定小電力信号の強度が、前記特定小電力信号の送信された際の強度に比べてどの程度減衰しているかに基づいて基地局と移動局端末の距離を計算するように指示する第8のステップと、
前記基地局選択手段に対して前記第8のステップで計算した距離に基づき、複数存在する基地局のいずれと前記微弱無線信号を用いた通信を行うかを決定するように指示する第9のステップと、
を更にコンピュータに実行させるための請求項11または12に記載の移動局端末制御プログラム。 - インタフェース手段を更に有する移動局端末を制御するための移動局端末制御プログラムであって、
前記インタフェース手段が取り込む外部の情報を受信する第10のステップを更にコンピュータに実行させるための請求項11〜13のいずれかの項に記載の移動局端末制御プログラム。 - 請求項10に記載の基地局制御プログラムと、
請求項11〜14のいずれかの項に記載の移動局端末制御プログラムと、
をコンピュータに実行させるための無線データ通信制御プログラム。
Priority Applications (1)
| Application Number | Priority Date | Filing Date | Title |
|---|---|---|---|
| JP2005066150A JP2005295529A (ja) | 2004-03-09 | 2005-03-09 | 基地局、移動局端末、無線データ通信システム及びそれらの制御プログラム |
Applications Claiming Priority (2)
| Application Number | Priority Date | Filing Date | Title |
|---|---|---|---|
| JP2004065729 | 2004-03-09 | ||
| JP2005066150A JP2005295529A (ja) | 2004-03-09 | 2005-03-09 | 基地局、移動局端末、無線データ通信システム及びそれらの制御プログラム |
Publications (1)
| Publication Number | Publication Date |
|---|---|
| JP2005295529A true JP2005295529A (ja) | 2005-10-20 |
Family
ID=35327906
Family Applications (1)
| Application Number | Title | Priority Date | Filing Date |
|---|---|---|---|
| JP2005066150A Withdrawn JP2005295529A (ja) | 2004-03-09 | 2005-03-09 | 基地局、移動局端末、無線データ通信システム及びそれらの制御プログラム |
Country Status (1)
| Country | Link |
|---|---|
| JP (1) | JP2005295529A (ja) |
Cited By (1)
| Publication number | Priority date | Publication date | Assignee | Title |
|---|---|---|---|---|
| JP2011003965A (ja) * | 2009-06-16 | 2011-01-06 | Sony Corp | 情報処理装置、及びモード切り替え方法 |
-
2005
- 2005-03-09 JP JP2005066150A patent/JP2005295529A/ja not_active Withdrawn
Cited By (1)
| Publication number | Priority date | Publication date | Assignee | Title |
|---|---|---|---|---|
| JP2011003965A (ja) * | 2009-06-16 | 2011-01-06 | Sony Corp | 情報処理装置、及びモード切り替え方法 |
Similar Documents
| Publication | Publication Date | Title |
|---|---|---|
| EP2477419B1 (en) | Wireless communication device, wireless communication method and computer program | |
| JP5118858B2 (ja) | 制御装置、無線icタグ読み取りシステム、並びに無線icタグ読み取り装置 | |
| KR102005460B1 (ko) | 근접식 결합 디바이스로부터 에너지 수집을 위한 방법 및 장치 | |
| US10825345B2 (en) | Devices, methods and systems for close proximity identification of unmanned aerial systems | |
| CN110956424B (zh) | 库存跟踪标签、用于延长电池寿命的系统和方法 | |
| US20090231136A1 (en) | Tags and tag-based systems and methods for locating and tracking objects | |
| JP2005513975A (ja) | 移動用装置の電力節約 | |
| US9030300B2 (en) | Operational parameters based on proximity | |
| JP2010239398A (ja) | Rfidシステムおよび無線装置 | |
| US9336418B2 (en) | System and method for polling NFC-A devices alongside RF barcode devices | |
| US20070120677A1 (en) | Rfid system including peak detector | |
| WO2015198370A1 (en) | Tag powersave | |
| US9100777B2 (en) | Method and apparatus for controlling device | |
| JP2011035438A (ja) | センサ機能を有する無線端末機器、該端末機器の省電力化方法およびコンピュータプログラム | |
| KR20100102285A (ko) | Cctv 및 rfid 기술을 이용한 위치 추적 시스템 및 방법 | |
| JP2017102866A (ja) | 無線通信装置、情報処理方法及びプログラム | |
| JP2005295529A (ja) | 基地局、移動局端末、無線データ通信システム及びそれらの制御プログラム | |
| JP2004048251A (ja) | 携帯端末装置 | |
| JP2010226273A (ja) | 無線通信管理装置、無線通信管理方法、及び無線通信管理プログラム等 | |
| KR20120087121A (ko) | 통신 방법, 통신 시스템, 서버 및 프로그램 | |
| JP4426927B2 (ja) | 計測システム及び受信システム | |
| US20120309423A1 (en) | Apparatus and method for obtaining location information of an accessory device in a wireless communication system | |
| KR100850910B1 (ko) | 블루투스 디바이스를 연결하기 위한 장치 및 방법 | |
| US20100029207A1 (en) | Method and apparatus for communicating using expansion of communication range | |
| KR101055898B1 (ko) | 무선 통신 시스템에서의 거리 측정 장치 및 방법 |
Legal Events
| Date | Code | Title | Description |
|---|---|---|---|
| A300 | Application deemed to be withdrawn because no request for examination was validly filed |
Free format text: JAPANESE INTERMEDIATE CODE: A300 Effective date: 20080513 |