JP2005228564A - Electron emission source, method for manufacturing the same, and pixel display device - Google Patents

Electron emission source, method for manufacturing the same, and pixel display device Download PDF

Info

Publication number
JP2005228564A
JP2005228564A JP2004035277A JP2004035277A JP2005228564A JP 2005228564 A JP2005228564 A JP 2005228564A JP 2004035277 A JP2004035277 A JP 2004035277A JP 2004035277 A JP2004035277 A JP 2004035277A JP 2005228564 A JP2005228564 A JP 2005228564A
Authority
JP
Japan
Prior art keywords
electron emission
insulating layer
opening
gate electrode
emission source
Prior art date
Legal status (The legal status is an assumption and is not a legal conclusion. Google has not performed a legal analysis and makes no representation as to the accuracy of the status listed.)
Granted
Application number
JP2004035277A
Other languages
Japanese (ja)
Other versions
JP4353823B2 (en
Inventor
Kunihiko Nishimura
邦彦 西村
Noritsuna Hashimoto
典綱 橋本
Akihiko Hosono
彰彦 細野
Shuhei Nakada
修平 中田
Naoki Yasuda
直紀 保田
Hiroshi Adachi
廣士 足達
Current Assignee (The listed assignees may be inaccurate. Google has not performed a legal analysis and makes no representation or warranty as to the accuracy of the list.)
Mitsubishi Electric Corp
Original Assignee
Mitsubishi Electric Corp
Priority date (The priority date is an assumption and is not a legal conclusion. Google has not performed a legal analysis and makes no representation as to the accuracy of the date listed.)
Filing date
Publication date
Application filed by Mitsubishi Electric Corp filed Critical Mitsubishi Electric Corp
Priority to JP2004035277A priority Critical patent/JP4353823B2/en
Publication of JP2005228564A publication Critical patent/JP2005228564A/en
Application granted granted Critical
Publication of JP4353823B2 publication Critical patent/JP4353823B2/en
Anticipated expiration legal-status Critical
Expired - Fee Related legal-status Critical Current

Links

Images

Landscapes

  • Electrodes For Cathode-Ray Tubes (AREA)
  • Cathode-Ray Tubes And Fluorescent Screens For Display (AREA)
  • Cold Cathode And The Manufacture (AREA)

Abstract

<P>PROBLEM TO BE SOLVED: To provide an electron emission source in which high pressure withstanding, flatness, and high aperture density are realized, and which has an insulating layer having little deformation by high temperature heating and little gas emission. <P>SOLUTION: The electron emission source emits electrons from an electron emission section 3 located between a cathode electrode 5 and a gate electrode, and comprises: an insulating layer 4 made of a silicon ladder polymer 4 which is interposed between the cathode electrode 5 and electron emission section and the gate electrode; and an aperture section 8 which is provided at the insulating layer and the gate electrode so that the electron emission section may be exposed. <P>COPYRIGHT: (C)2005,JPO&NCIPI

Description

本発明は、電子放出源、その製造方法および画素表示装置に関するものである。   The present invention relates to an electron emission source, a manufacturing method thereof, and a pixel display device.

FED(Field Emission Display)背面パネルのゲート電極を支える絶縁層としては、(1)SiO2、SiN、またはSiONの膜、(2)SOG(スピンオングラス)やポリイミド樹脂の膜、または(3)低融点ガラスペーストを用いて成る膜が、報告されている(例えば、下記の特許文献1を参照)。 As an insulating layer that supports the gate electrode of the FED (Field Emission Display) back panel, (1) SiO 2 , SiN, or SiON film, (2) SOG (spin-on-glass) or polyimide resin film, or (3) low A film using a melting point glass paste has been reported (for example, see Patent Document 1 below).

上記の(1)SiO2、SiN、SiONの膜は、真空蒸着法、スパッタリング法またはCVD(Chemical Vapor Deposition)法を用いることで、ガラス基板上に形成される。 The above (1) SiO 2 , SiN, and SiON films are formed on a glass substrate by using a vacuum deposition method, a sputtering method, or a CVD (Chemical Vapor Deposition) method.

また上記の(2)SOGやポリイミド樹脂の膜は、スピンコートを用いてガラス基板上に形成される。   The (2) SOG or polyimide resin film is formed on a glass substrate by spin coating.

また、(3)低融点ガラスペーストを用いた絶縁層は、スクリーン印刷法によって形成される。   (3) The insulating layer using the low melting point glass paste is formed by a screen printing method.

また、電子源であるカーボンナノチューブ(CNT:Carbon Nano Tube)の表面に保護膜を形成することにより、CNTが化学的および物理的な作用により損傷を受けることを防止する製造方法が開示されている(例えば、下記特許文献2参照)。この製造方法によれば、CNTを電子源として用いた場合の本来の特性である低閾値で大電流密度を示す電子放出特性が損なわれない。   In addition, a manufacturing method is disclosed in which a protective film is formed on the surface of a carbon nanotube (CNT: Carbon Nano Tube) that is an electron source, thereby preventing the CNT from being damaged by a chemical and physical action. (For example, refer to Patent Document 2 below). According to this manufacturing method, the electron emission characteristic showing a large current density at a low threshold, which is an original characteristic when CNT is used as an electron source, is not impaired.

上記の文献では、絶縁層として、ポリイミド樹脂、エポキシ樹脂、アクリル樹脂、エポキシアクリレート樹脂、有機珪素系樹脂、SOG、フルオレン骨格を有するエポキシアクリレート樹脂、およびベンゾシクロブテン樹脂のうちいずれか一つを用いてなる膜が報告されている。
特開2002―270087号公報 特開2002−140979号公報
In the above document, as the insulating layer, any one of polyimide resin, epoxy resin, acrylic resin, epoxy acrylate resin, organosilicon resin, SOG, epoxy acrylate resin having a fluorene skeleton, and benzocyclobutene resin is used. A membrane is reported.
Japanese Patent Laid-Open No. 2002-270087 JP 2002-140979 A

(1)耐電圧確保に必要な最低限のFED用絶縁層の膜厚は、10μm程度(6μm〜10μm)である。しかしながら、真空蒸着法やスパッタリング法を利用してSiO2、SiN、またはSiONをFED用絶縁層として形成する場合には、生成可能な膜厚の限界は3μm程度であることが、本発明者の研究活動によって確かめられている。すなわち、上記方法を用いて膜厚6μm〜10μmの絶縁層としてSiO2、SiN、またはSiON膜を形成すると、膜応力による歪が大きくなり、基板のそりが大きくなったり、膜が剥離する等の不具合が生じることが、新たに発見された。 (1) The minimum film thickness of the FED insulating layer necessary for ensuring the withstand voltage is about 10 μm (6 μm to 10 μm). However, when SiO 2 , SiN, or SiON is formed as an FED insulating layer by using a vacuum deposition method or a sputtering method, the limit of the film thickness that can be generated is about 3 μm. It is confirmed by research activities. That is, when an SiO 2 , SiN, or SiON film is formed as an insulating layer having a film thickness of 6 μm to 10 μm by using the above method, distortion due to film stress increases, the warpage of the substrate increases, and the film peels off. It was newly discovered that a defect occurred.

また、CVD法でSiO2、SiN、又はSiON膜を形成する場合、同様に膜厚を耐電圧確保に必要なレベルまで厚くすることが出来ない。しかも、上記の方法でSiO2、SiN、又はSiON膜を絶縁層として形成する際に、予め下部に電子放出部を形成しておくと、絶縁層上面の形状は電子放出部の凹凸を反映した表面形状になる。この結果、絶縁層上面の平坦性が悪くなるという問題が発生する。このような平坦性が比較的悪い上面を有する絶縁層を備える電子放出源を多数個用いて画像表示装置を構成すると、ゲート電極とカソード電極間の距離がばらつき、このばらつきが、電子放出特性の不均一性の原因となる。 Further, when the SiO 2 , SiN, or SiON film is formed by the CVD method, the film thickness cannot be increased to a level necessary for ensuring the withstand voltage. In addition, when forming the SiO 2 , SiN, or SiON film as an insulating layer by the above method, if the electron emitting portion is formed in the lower portion in advance, the shape of the upper surface of the insulating layer reflects the unevenness of the electron emitting portion. It becomes a surface shape. As a result, there arises a problem that the flatness of the upper surface of the insulating layer is deteriorated. When an image display device is configured by using a large number of electron emission sources having an insulating layer having a relatively poor upper surface, the distance between the gate electrode and the cathode electrode varies, and this variation is caused by the electron emission characteristics. Causes non-uniformity.

(2)SOGやポリイミド樹脂を絶縁層として用いる場合、これらの膜は一般的にはスピンコートで形成される。しかしながら、スピンコート法を用いても、これらの膜の膜厚を耐電圧確保に必要なレベルにまで厚くすることはできない。とくに、ポリイミド樹脂の場合には、その耐熱性が不充分である。このため、画像表示装置の製造プロセスの熱処理工程において、ポリイミド樹脂より成る絶縁層が変形してしまうという問題が発生しうる。   (2) When SOG or polyimide resin is used as an insulating layer, these films are generally formed by spin coating. However, even if the spin coating method is used, the thickness of these films cannot be increased to a level necessary for ensuring the withstand voltage. In particular, in the case of a polyimide resin, its heat resistance is insufficient. For this reason, in the heat treatment process of the manufacturing process of the image display device, there may occur a problem that the insulating layer made of polyimide resin is deformed.

加えて、ポリイミド樹脂は、硬化時に縮合水を伴い、膜収縮も大きい。この膜収縮の残留応力である膜応力によって歪が大きくなり、基板のそりが大きくなったり、膜が剥離する等の不具合が生じ得る。   In addition, the polyimide resin is accompanied by condensed water at the time of curing and has a large film shrinkage. Distortion increases due to the film stress, which is the residual stress of the film shrinkage, and problems such as an increase in the warp of the substrate and peeling of the film may occur.

また、SOGやポリイミド樹脂を絶縁層として用いる場合、水等のガス放出が大きく、真空内に導入した後も、長期に及ぶガス放出が見られる。この残留ガスの放出は異常放電の原因になり、その上、放電時に上記放出ガスがイオン化して、電子源としてCNTを用いた場合には、CNTに衝突し、CNTが劣化したり、真空度の向上に時間がかかるという問題が発生する。   In addition, when SOG or polyimide resin is used as an insulating layer, gas such as water is released greatly, and gas is released for a long time even after being introduced into a vacuum. The release of the residual gas causes abnormal discharge. In addition, when the discharge gas is ionized at the time of discharge and CNT is used as an electron source, the CNT collides with the CNT, and the CNT deteriorates or has a degree of vacuum. There is a problem that it takes time to improve.

(3)低融点ガラスペーストを用いて絶縁層を形成する場合には、その膜厚を6μm〜10μmにすることは、製造上、可能である。しかしながら、この場合には、ガラスペーストに感光性をもたせて露光および現像をおこなって当該絶縁層内に開口部を形成する必要がある。しかしガラスペーストには粒径5μm〜10μmの低融点ガラスのビーズがバインダー中に混入されているので、開口径φ30μmよりも微細な開口部は安定に形成できない。このため、単位面積あたりの開口部の数(以後、開口密度と称す)が少なくなるという問題がある。   (3) When an insulating layer is formed using a low-melting glass paste, it is possible in manufacturing to make the film thickness 6 μm to 10 μm. However, in this case, it is necessary to expose and develop the glass paste with photosensitivity to form openings in the insulating layer. However, since the glass paste has low melting point glass beads having a particle diameter of 5 μm to 10 μm mixed in the binder, an opening having an opening diameter smaller than 30 μm cannot be formed stably. For this reason, there is a problem that the number of openings per unit area (hereinafter referred to as opening density) is reduced.

また、有機珪素系樹脂を用いて絶縁層を形成し、ウェットエッチングにより開口部を形成する場合には、露光により硬化した膜が、有機溶媒によって膨潤する。このため、前記開口部の側壁が膨張し、良好な形状の開口部を形成することができない。このため、開口部のピッチを小さくすることができず、開口密度が小さくなり、表示画面の高精細化に対応できないという問題が発生し得る。   In the case where an insulating layer is formed using an organosilicon resin and an opening is formed by wet etching, a film cured by exposure is swollen by an organic solvent. For this reason, the side wall of the said opening part expand | swells and an opening part of a favorable shape cannot be formed. For this reason, the pitch of an opening part cannot be made small, an opening density becomes small, and the problem that it cannot respond to the high definition of a display screen may generate | occur | produce.

以上の通り、従来のFED用電子放出源(背面パネル)においては、(a1)耐電圧確保に必要な最低限の膜厚及び平坦な上面を有し、(a2)比較的高い開口密度を有するとともに、(a3)後工程である画像表示装置の製造プロセスにおいて変形を発生させることの無い程度の耐熱性を備え、(a4)さらにガス放出の少ない、絶縁層及びその製造技術は、未だ実現されるに至っていない。   As described above, the conventional electron emission source for FED (rear panel) has (a1) a minimum film thickness and a flat upper surface necessary for ensuring a withstand voltage, and (a2) a relatively high aperture density. At the same time, (a3) a heat resistance that does not cause deformation in the manufacturing process of the image display device that is a subsequent process, and (a4) an insulating layer that emits less gas and its manufacturing technology are still realized. It has not reached.

この発明は上記の問題を解決するためになされたものであり、その目的とするところは、(a1)耐電圧確保に必要な最低限の膜厚及び凹凸の無い平坦な上面を有し、(a2)比較的高い開口密度を有すると共に、(a3)後工程である画像表示装置の製造プロセスにおいて変形を発生させることの無い程度の高耐熱性を備え、(a4)さらにガス放出の少ない、絶縁層を備えるFED用電子放出源、その製造技術および画像表示装置を提供することにある。   The present invention has been made to solve the above-mentioned problems. The object of the present invention is to have (a1) a minimum film thickness necessary for ensuring a withstand voltage and a flat upper surface without unevenness, a2) A relatively high aperture density, (a3) High heat resistance that does not cause deformation in the manufacturing process of the image display device, which is a subsequent process, and (a4) Insulation with less outgassing An object is to provide an electron emission source for an FED including a layer, a manufacturing technique thereof, and an image display device.

本発明の電子放出源は、カソード電極とゲート電極との間に位置する電子放出部から電子を放出する電子放出源である。この電子放出源は、カソード電極および電子放出部と、ゲート電極とに挟まれるシリコーンラダーポリマーの絶縁層と、電子放出部が露出するように絶縁層およびゲート電極に設けられた開口部とを備える。   The electron emission source of the present invention is an electron emission source that emits electrons from an electron emission portion located between a cathode electrode and a gate electrode. The electron emission source includes a cathode electrode and an electron emission portion, a silicone ladder polymer insulating layer sandwiched between the gate electrode, and an opening provided in the insulating layer and the gate electrode so that the electron emission portion is exposed. .

本発明の電子放出源の製造方法は、基板の上にカソード電極を形成する工程と、カソード電極の上に電子放出部を形成する工程とを有する。そして、カソード電極および電子放出部を覆うように、ワニス状のシリコーンラダーポリマーを塗布し、シリコーンラダーポリマーを熱処理することにより絶縁層を形成する工程と、絶縁層をウエットエッチングして、電子放出部をその底面とする開口部を形成する工程とを備える。   The method for manufacturing an electron emission source according to the present invention includes a step of forming a cathode electrode on a substrate and a step of forming an electron emission portion on the cathode electrode. Then, a step of forming an insulating layer by applying a varnish-like silicone ladder polymer and heat-treating the silicone ladder polymer so as to cover the cathode electrode and the electron emitting portion, and wet etching the insulating layer to form an electron emitting portion Forming an opening having a bottom surface thereof.

次に本発明の実施の形態の基本をなす重要ポイントについて説明する。   Next, important points forming the basis of the embodiment of the present invention will be described.

(1)シリコーンラダーポリマーは、図1に示すようにシロキサン結合が梯子状に形成され、側鎖にフェニル基やビニル基や低級アルキル基などの官能基Rを有する。ここで、低級とは、炭素数1〜4の分枝または直鎖状のものをいう。本発明の実施の形態では、絶縁層の材料として、シリコーンラダーポリマーを、例えば官能基にフェニル基をもつポリフェニルシルセスキオキサン(以下、PPSQと表記)を、採用する。このため、絶縁層の膜厚を、耐電圧確保に必要な膜厚である約10μmにすることができる。   (1) The silicone ladder polymer has a siloxane bond formed in a ladder shape as shown in FIG. 1, and has a functional group R such as a phenyl group, a vinyl group, or a lower alkyl group in the side chain. Here, lower means a branched or straight chain having 1 to 4 carbon atoms. In the embodiment of the present invention, a silicone ladder polymer, for example, polyphenylsilsesquioxane (hereinafter referred to as PPSQ) having a phenyl group as a functional group is employed as the material of the insulating layer. For this reason, the film thickness of an insulating layer can be about 10 micrometers which is a film thickness required for withstand voltage ensuring.

(2)電子放出源においては、ガラス基板とカソード電極との段差およびカソード電極と電子放出部との段差が存在する。しかしながら、本発明の実施の形態では、比較的粘度の高いワニス状のPPSQ溶液を塗布後した後に熱処理してポリマー化(固体化)することで絶縁層を形成する。このため、絶縁層上面が平坦になる。   (2) In the electron emission source, there is a step between the glass substrate and the cathode electrode and a step between the cathode electrode and the electron emission portion. However, in the embodiment of the present invention, the insulating layer is formed by applying a varnish-like PPSQ solution having a relatively high viscosity and then polymerizing (solidifying) it by heat treatment. For this reason, the upper surface of the insulating layer becomes flat.

(3)本発明の実施の形態における絶縁層は、ウエットエッチング可能なシリコンラダーポリマーより成る。そこで、本発明の実施の形態では、基板を高速回転させながらエッチング液を吹き付けてエッチングを行うスピンウエットエッチングによって絶縁層の開口部を形成する。このため、アンダカットが少なく、開口密度は、従来技術と比較して、著しく増加する。加えて短時間で絶縁層の加工が可能である。   (3) The insulating layer in the embodiment of the present invention is made of a wet-etchable silicon ladder polymer. Therefore, in the embodiment of the present invention, the opening of the insulating layer is formed by spin wet etching in which etching is performed by spraying an etchant while rotating the substrate at a high speed. For this reason, there are few undercuts and an opening density increases remarkably compared with a prior art. In addition, the insulating layer can be processed in a short time.

また、シリコーンラダーポリマーは吸湿性が低く、膨潤による開口部側壁の膨張を比較的小さく抑えることができ、良好な形状の開口部が得られる。このため、開口部のピッチを小さくして開口密度を増加でき、高精細化に対応した電子放出源を得ることができる。   In addition, the silicone ladder polymer has a low hygroscopic property, and the expansion of the side wall of the opening due to swelling can be suppressed to a relatively small value, so that a well-shaped opening can be obtained. For this reason, the pitch of the openings can be reduced to increase the opening density, and an electron emission source corresponding to high definition can be obtained.

(4)シリコーンラダーポリマーは、比較的高い温度まで、耐熱性を発揮し得る。例えば、PPSQは、約500℃まで、その耐熱性を有する。このため、熱工程において印加される熱応力に対してシリコーンラダーポリマーの絶縁層の形状変化は比較的小さく、画像表示装置の製造プロセスにおける熱工程に耐え得る電子放出源が得られる。   (4) The silicone ladder polymer can exhibit heat resistance up to a relatively high temperature. For example, PPSQ has its heat resistance up to about 500 ° C. For this reason, the shape change of the insulating layer of the silicone ladder polymer is relatively small with respect to the thermal stress applied in the thermal process, and an electron emission source that can withstand the thermal process in the manufacturing process of the image display device is obtained.

また、シリコーンラダーポリマーは吸湿性が低く、膜収縮も小さいため、膜応力による歪が小さく抑えられる。そのため、基板のそりが大きくなったり、膜が剥離する等の不具合の生じない電子放出源を得ることができる。   Moreover, since the silicone ladder polymer has low hygroscopicity and small film shrinkage, strain due to film stress can be suppressed to a small level. Therefore, it is possible to obtain an electron emission source that does not cause problems such as large warping of the substrate and peeling of the film.

さらに、シリコーンラダーポリマーは元々ポリマーであるため、膜厚の変化が少ない。加えて、梯子型で剛直な構造のため、一般的な鎖状シリコーンポリマーでは末端のシラノールが高温で自身のシロキサン結合を攻撃し、6員環等で分解するのに対して、このようなことが起きず、高耐熱性である。   Furthermore, since the silicone ladder polymer is originally a polymer, there is little change in film thickness. In addition, because of the ladder-type and rigid structure, in general chain silicone polymers, the terminal silanol attacks the siloxane bond at high temperature and decomposes with a 6-membered ring, etc. Does not occur and has high heat resistance.

(5)シリコーンラダーポリマーは吸湿性も低く、ガス放出も小さいために、電子放出源を真空内に導入した後も、長期にわたってガス放出が見られない。このため、残留ガスによる異常放電が発生したり、イオン化して、電子源としてCNTを用いた場合、このCNTが劣化したり、真空度の向上に時間がかかったりということを回避できる。   (5) Since the silicone ladder polymer has low hygroscopicity and small gas emission, no gas emission is observed over a long period of time even after the electron emission source is introduced into the vacuum. For this reason, when CNT is used as an electron source due to abnormal discharge due to residual gas or ionization, it can be avoided that the CNT deteriorates or it takes time to improve the degree of vacuum.

シリコーンラダーポリマーは、末端シラノールから脱水するが、高分子量であるため、ガス放出が小さい。加えて、吸湿性が小さいため、さらにガス放出が抑えられる。   The silicone ladder polymer dehydrates from the terminal silanol, but has a high molecular weight and therefore has a small outgassing. In addition, since the hygroscopicity is small, gas emission is further suppressed.

次に上記の本発明の基本的な重要ポイントを利用した本発明の具体的な実施の形態について説明する。   Next, specific embodiments of the present invention using the above-mentioned basic important points of the present invention will be described.

(実施の形態1)
本発明の実施の形態1に係るFED用背面パネルまたは電子放出源の製造工程を、図2〜図9に示す。
(Embodiment 1)
The manufacturing process of the FED back panel or the electron emission source according to Embodiment 1 of the present invention is shown in FIGS.

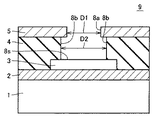
図2は、本実施の形態における電子放出源の構造を示す図である。電子放出源9は、ガラス基板(単に基板とも称す)1と、同基板1の上面1a上に形成されたカソード電極(第1主電極)2と、カソード電極2の上面に形成された、カーボンナノチューブを含む電子放出部3とを含む。そして、電子放出部3の周囲のカソード電極上面、電子放出部3の側面、及び電子放出部3の上面の周縁部上に形成され、約10μmの膜厚tを有し、かつ凹凸の無い平滑な上面を有するシリコーンラダーポリマーの絶縁層4を備えている。また、絶縁層4の上面にゲート電極(制御電極)5が形成されている。   FIG. 2 is a diagram showing the structure of the electron emission source in the present embodiment. The electron emission source 9 includes a glass substrate (also simply referred to as a substrate) 1, a cathode electrode (first main electrode) 2 formed on the upper surface 1 a of the substrate 1, and a carbon formed on the upper surface of the cathode electrode 2. And an electron emission portion 3 including a nanotube. Then, it is formed on the upper surface of the cathode electrode around the electron emission portion 3, the side surface of the electron emission portion 3, and the peripheral edge portion of the upper surface of the electron emission portion 3, and has a thickness t of about 10 μm and has no unevenness. An insulating layer 4 of a silicone ladder polymer having a smooth upper surface is provided. A gate electrode (control electrode) 5 is formed on the upper surface of the insulating layer 4.

さらに、電子放出源9は、ゲート電極5及び絶縁層4を貫通し、かつ電子放出部上面の露出部をその底面8sとする開口部8を備えている。しかも、ゲート電極(制御電極)5の開口径D1は略φ10μmであり、絶縁層4の開口径D2はゲート電極(制御電極)5の開口径D1に絶縁層膜厚(約10μm)の2倍を加えた値を超えない。すなわち略φ30μmを超えない値である。   Further, the electron emission source 9 includes an opening 8 that penetrates the gate electrode 5 and the insulating layer 4 and has an exposed portion on the upper surface of the electron emission portion as a bottom surface 8s. In addition, the opening diameter D1 of the gate electrode (control electrode) 5 is approximately φ10 μm, and the opening diameter D2 of the insulating layer 4 is twice the opening diameter D1 of the gate electrode (control electrode) 5 as much as the thickness of the insulating layer (about 10 μm). Do not exceed the value added. That is, the value does not exceed about φ30 μm.

このように、本実施の形態における電子放出源9は、絶縁層材料としては新規な材料から成る絶縁層4とその周辺構造とを備えるので、次のような利点が得られる。   As described above, the electron emission source 9 according to the present embodiment includes the insulating layer 4 made of a novel material as the insulating layer material and the peripheral structure thereof, and thus the following advantages are obtained.

すなわち、電子放出源9における絶縁層4は、(1)基板の反りや膜剥離等の不具合を有すること無く、その耐電圧確保に必要な最低限の膜厚を容易に備えることができる。(2)その上、絶縁層上面の平坦性は確実に確保されている。このため、電子放出源9をFED装置用背面パネルに用いても、ゲート電極とカソード電極間の距離にばらつきが発生しにくく、電子放出特性を均一化し得る。この結果、より好ましい背面パネルを提供することが可能である。しかも、当該絶縁層4は、(3)後工程の画像表示装置の製造プロセスにおいて変形を発生させることの無いレベルの高耐熱性を有している。さらに、(4)吸湿性も低く、ガス放出も小さいために、電子放出源9を真空内に導入した後も、長期に及ぶガス放出が見られない。これらを総合すると、電子放出源9は信頼性の高い背面パネルとしてFED装置に適用可能であることが分かる。   That is, the insulating layer 4 in the electron emission source 9 can be easily provided with (1) a minimum film thickness necessary for ensuring its withstand voltage without causing problems such as substrate warpage or film peeling. (2) In addition, the flatness of the upper surface of the insulating layer is reliably ensured. For this reason, even if the electron emission source 9 is used for a rear panel for an FED apparatus, the distance between the gate electrode and the cathode electrode hardly occurs, and the electron emission characteristics can be made uniform. As a result, a more preferable back panel can be provided. Moreover, the insulating layer 4 has (3) high heat resistance at a level that does not cause deformation in the manufacturing process of the image display device in the subsequent step. Further, (4) since the hygroscopic property is low and the gas emission is small, no long-term gas emission is observed even after the electron emission source 9 is introduced into the vacuum. Collectively, it can be seen that the electron emission source 9 can be applied to the FED apparatus as a highly reliable back panel.

加えて、(5)電子放出源9の絶縁層の開口径は、一般的なウエットエッチングによる開口径よりも小さく抑えることができるため、隣り合う開口部間の配列ピッチを比較的短く設定できる。この結果、比較的高い開口密度を有する電子放出源9を実現することができる。   In addition, (5) since the opening diameter of the insulating layer of the electron emission source 9 can be suppressed smaller than the opening diameter by general wet etching, the arrangement pitch between adjacent openings can be set relatively short. As a result, an electron emission source 9 having a relatively high aperture density can be realized.

次に、本実施の形態における電子放出源9の製造方法を、図3〜図9を用いて説明する。   Next, a method for manufacturing the electron emission source 9 in the present embodiment will be described with reference to FIGS.

工程1:カソード電極2の形成(図3参照)
ガラス基板1の上面上に、例えば透明導電膜であるITO膜から成るカソード電極2の膜を、スパッタリング法を用いて形成する。膜厚は、例えば0.3μmである。
Step 1: Formation of cathode electrode 2 (see FIG. 3)
On the upper surface of the glass substrate 1, a film of the cathode electrode 2 made of, for example, an ITO film which is a transparent conductive film is formed by a sputtering method. The film thickness is, for example, 0.3 μm.

その後、フォトリソグラフィ等の方法を用いて、パターン形成し、ライン状の電極であるカソード電極2を得る。   Thereafter, a pattern is formed using a method such as photolithography to obtain the cathode electrode 2 which is a line-shaped electrode.

なお、ここで挙げたフォトリソグラフィとは、半導体製造技術において、光や電子線等を利用して平面基板にパターンを転写する写真製版のことを意味する。この工程では、レジストの塗布、露光、エッチングおよびレジストの除去等の様々な工程を含んでいるが、一般的な工程であるため、ここでは一つの工程に含めて説明する。   Note that the photolithography mentioned here means photoengraving in which a pattern is transferred to a flat substrate using light, electron beam or the like in the semiconductor manufacturing technology. Although this process includes various processes such as resist application, exposure, etching, and resist removal, it is a general process and will be described as a single process here.

工程2:電子放出部3の形成(図4参照)
カソード電極2の上面に、電子放出部3を形成する。その際、カソード電極上面の全面に渡ってではなくて、上面の内で、後で形成する電子放出用開口部8の直下に対応する領域上とその周辺領域上とにのみ、電子放出部3を形成する。
Step 2: Formation of the electron emission portion 3 (see FIG. 4)
An electron emission portion 3 is formed on the upper surface of the cathode electrode 2. At that time, the electron emission portion 3 is not provided over the entire upper surface of the cathode electrode, but only on the region corresponding to the region immediately below the electron emission opening 8 to be formed later and on the peripheral region. Form.

より具体的には、カーボンナノチューブ粉末を含むスクリーン印刷ペーストを用いて、スクリーン印刷法により、電子放出部3を形成する。このとき、カーボンナノチューブ粉末の平均粒径を1.5μmとし、ペーストの組成比は、重量比で、(カーボンナノチューブ):(エチルセルロース):(ブチルカルビトール):(ブチルカルビトールアセテート)=4:13:42:41とする。スクリーン印刷用マスクとしては、250番メッシュのスクリーン版を用いる。   More specifically, the electron emission portion 3 is formed by screen printing using a screen printing paste containing carbon nanotube powder. At this time, the average particle diameter of the carbon nanotube powder was 1.5 μm, and the composition ratio of the paste was (carbon nanotube) :( ethyl cellulose) :( butyl carbitol) :( butyl carbitol acetate) = 4: 13:42:41. A screen plate of 250 mesh is used as a screen printing mask.

電子放出部3の印刷後は、150℃で電子放出部3を乾燥し、その後、大気中において450℃で電子放出部3を10分間焼成し、電子放出部3中の樹脂および溶剤を燃焼分解する。   After printing the electron emission part 3, the electron emission part 3 is dried at 150 ° C., and then the electron emission part 3 is baked for 10 minutes at 450 ° C. in the atmosphere, so that the resin and solvent in the electron emission part 3 are combusted and decomposed. To do.

工程3:絶縁層4の形成(図5参照)
次に、カソード電極2の露出面、電子放出部3において露出している側面および上面、及び基板1の露出面(図示せず)の上に、ワニス状のシリコーンラダーポリマー溶液を塗布する。次いで、当該シリコーンラダーポリマーを熱処理(ポリマー化)することにより、約10μmの膜厚tを有する絶縁層4を形成する。より、具体的には、次の通りである。
Step 3: Formation of the insulating layer 4 (see FIG. 5)
Next, a varnish-like silicone ladder polymer solution is applied on the exposed surface of the cathode electrode 2, the side surface and the upper surface exposed in the electron emission portion 3, and the exposed surface (not shown) of the substrate 1. Next, the silicone ladder polymer is heat-treated (polymerized) to form the insulating layer 4 having a film thickness t of about 10 μm. More specifically, it is as follows.

先ず、シリコーンラダーポリマーの一例として、ポリフェニルシルセスキオキサン(PPSQ:この状態では粉末)をアニソールに溶解しワニス状の溶液とし、テーブルコータを用いて、上記露出面上に、均一に塗布する。ここで、アニソールに溶解する際の濃度は、必要な膜厚に応じて調整すればよい。また、テーブルコータにおいては、図6に示すように、スリット状の射出部を有するインク射出部21を、基材22との間隔を一定に保ちながら、基材22の表面に沿って低速度で移動させて、スリット状の射出部からインクを押し出す。この機構により、均一な塗布膜23を基材22の表面に形成することができる。   First, as an example of a silicone ladder polymer, polyphenylsilsesquioxane (PPSQ: powder in this state) is dissolved in anisole to form a varnish-like solution, and uniformly coated on the exposed surface using a table coater. . Here, the concentration when dissolved in anisole may be adjusted according to the required film thickness. In the table coater, as shown in FIG. 6, the ink ejection part 21 having the slit-like ejection part is kept at a low speed along the surface of the base material 22 while keeping the distance from the base material 22 constant. It is moved and ink is pushed out from the slit-like ejection part. With this mechanism, a uniform coating film 23 can be formed on the surface of the substrate 22.

ここでは、塗布直後のウェット膜厚が40μmになるように、インク押し出し量および射出部21の移動速度を調整する。なお、塗布直後のウェット状態においては、PPSQ表面には、ガラス基板1とカソード電極2との段差およびカソード電極2と電子放出部3との段差を反映した凹凸が現れるが、表面張力の作用によりPPSQ表面は直ちに一様な凹凸の無い平坦な面となる。   Here, the ink extrusion amount and the moving speed of the ejection unit 21 are adjusted so that the wet film thickness immediately after coating is 40 μm. In the wet state immediately after application, the PPSQ surface has irregularities reflecting the step between the glass substrate 1 and the cathode electrode 2 and the step between the cathode electrode 2 and the electron emission portion 3, but due to the effect of surface tension. The PPSQ surface immediately becomes a flat surface without any unevenness.

次に、平坦な上面を有するワニス状のPPSQの塗布膜としての絶縁層4が形成された基板1を、ホットプレートを用いて、240℃の温度下で乾燥する。さらに、基板1を、大気中で250℃の温度下で1時間熱処理して、PPSQをポリマー化(固体化)することで、絶縁層4を強固なものとする。その結果、絶縁層の膜厚tは約10μmになる。しかも、絶縁層4は、平坦な上面を有するワニス状から、上面の平坦性が保たれたままで固体化されているので、熱処理後の絶縁層4の上面もまた、一様に凹凸の無い平坦な面となる。   Next, the substrate 1 on which the insulating layer 4 as a varnish-shaped PPSQ coating film having a flat upper surface is formed is dried at a temperature of 240 ° C. using a hot plate. Furthermore, the insulating layer 4 is made strong by heat-treating the substrate 1 in the atmosphere at a temperature of 250 ° C. for 1 hour to polymerize (solidify) the PPSQ. As a result, the thickness t of the insulating layer is about 10 μm. In addition, since the insulating layer 4 is solidified from a varnish shape having a flat upper surface while maintaining the flatness of the upper surface, the upper surface of the insulating layer 4 after the heat treatment is also flat without unevenness. It becomes a serious aspect.

ここで、ワニス状のPPSQ塗膜をポリマー化(固体化)する工程は、大気中ではなく窒素中で行っても良い。このことで、PPSQ表面の酸化を抑制することが可能で、後のスピンウエットエッチングを行いやすくする。   Here, the step of polymerizing (solidifying) the varnish-like PPSQ coating film may be performed in nitrogen instead of in the air. This makes it possible to suppress the oxidation of the PPSQ surface and facilitate later spin wet etching.

あるいはまた、ワニス状のPPSQ塗膜をポリマー化(固体化)する工程は、大気中ではなく真空中で行っても良い。このことで、処理時間の短縮が期待できるとともに、硬化温度を低く設定することができるので、熱によるCNTの劣化を抑えつつ良好な電子放出特性が保たれる。   Alternatively, the step of polymerizing (solidifying) the varnish-like PPSQ coating film may be performed in vacuum instead of in the air. As a result, the processing time can be expected to be shortened and the curing temperature can be set low, so that good electron emission characteristics can be maintained while suppressing deterioration of CNTs due to heat.

工程4:ゲート電極5の形成(図7参照)
次に、絶縁層4の上面に、ゲート電極5となる金属膜(導電層)を形成する。例えば、DC(直流)マグネトロンスパッタ法を用いて、Al膜を成膜する。膜厚は500nmである。ここで蒸着法を使用しないのは、以下のような不具合が生じるからである。すなわち高温の蒸着粒子がPPSQ最表面に厚さ200nm〜300nm程度の変質層を形成し、この変質層は後述するスピンウエットエッチング工程でエッチング液に溶解しないためである。一方DCマグネトロンスパッタ法を用いて成膜する場合は、変質層ができても高々100nm程度の膜厚のため、変質層が破れることでスピンウエットエッチングは成功する。
Step 4: Formation of the gate electrode 5 (see FIG. 7)
Next, a metal film (conductive layer) to be the gate electrode 5 is formed on the upper surface of the insulating layer 4. For example, an Al film is formed using a DC (direct current) magnetron sputtering method. The film thickness is 500 nm. The reason why the vapor deposition method is not used here is because the following problems occur. That is, high-temperature vapor-deposited particles form a deteriorated layer having a thickness of about 200 nm to 300 nm on the outermost surface of the PPSQ, and this deteriorated layer is not dissolved in the etching solution in the spin wet etching process described later. On the other hand, when the film is formed by using the DC magnetron sputtering method, even if a deteriorated layer is formed, the film thickness is about 100 nm at most.

工程5:レジスト膜6の形成(図8参照)
次に、ゲート電極5の上に、レジスト膜6を全面的に形成する。例えば、ポジ型レジスト液を用いてスピンコートで、レジスト膜6を塗布する。その後、レジスト膜6を乾燥させる。
Step 5: Formation of resist film 6 (see FIG. 8)
Next, a resist film 6 is entirely formed on the gate electrode 5. For example, the resist film 6 is applied by spin coating using a positive resist solution. Thereafter, the resist film 6 is dried.

工程6:レジスト膜6の露光/現像(図9参照)
レジスト膜6の乾燥後、開口部8の横断面形状に相当する円形の透過部をもつ露光マスク7を用いて、レジスト膜6を露光する。さらに、アルカリ現像液で現像を行ない、露光された部分のレジスト膜を除去する。これにより、この後に設けられる開口部の入口8aに相当するパターンを有するレジスト膜パターン6が形成される。
Step 6: Exposure / development of resist film 6 (see FIG. 9)
After the resist film 6 is dried, the resist film 6 is exposed using an exposure mask 7 having a circular transmission portion corresponding to the cross-sectional shape of the opening 8. Further, development is performed with an alkaline developer, and the exposed resist film is removed. As a result, a resist film pattern 6 having a pattern corresponding to the entrance 8a of the opening provided thereafter is formed.

工程7:ゲート電極のエッチング(図10参照)
現像後のレジスト膜パターン6をマスクとしてゲート電極5をエッチングして、絶縁層4の上面の一部を露出させる。すなわち、レジスト膜パターン6における円形開口部の直下に位置する金属膜をエッチングして、電子放出部3の上面の直上に位置するゲート電極5の部分に、当該部分を貫通する第1開口部8aを形成する。例えばAlのエッチングにはリン酸系のエッチング液を用いる。エッチング速度はエッチング液の液温で変化するので、Alのエッチングのときには液温を40℃に保つ。
Step 7: Etching the gate electrode (see FIG. 10)
The gate electrode 5 is etched using the developed resist film pattern 6 as a mask to expose a part of the upper surface of the insulating layer 4. That is, the metal film located immediately below the circular opening in the resist film pattern 6 is etched, and the first opening 8a penetrating through the portion of the gate electrode 5 located immediately above the upper surface of the electron emission portion 3 is etched. Form. For example, a phosphoric acid etching solution is used for etching Al. Since the etching rate varies with the temperature of the etching solution, the temperature of the solution is kept at 40 ° C. during the etching of Al.

工程8:開口部8の形成(図2参照)
次に、絶縁層4の上面の露出部(第1開口部8aの底面に該当)より、その直下の絶縁層4をスピンウエットエッチングして、電子放出部3の上面の一部をその底面8sの一部または全体とする開口部8を形成する。より具体的には、次の通りである。
Step 8: Formation of the opening 8 (see FIG. 2)
Next, the insulating layer 4 immediately below the exposed portion of the upper surface of the insulating layer 4 (corresponding to the bottom surface of the first opening 8a) is spin-wet etched, so that a part of the upper surface of the electron emission portion 3 is removed from the bottom surface 8s. A part or all of the opening 8 is formed. More specifically, it is as follows.

第1開口部8aが形成された基板1をスピンコーターに配置し、2000rpmで回転させながら所定のエッチング液をフラット形スプレーノズルから扇形に噴射して基板に吹きつけ、ウエットエッチングを行う。第1開口部8aの直下に当る絶縁層4の部分に、当該部分を貫通しかつ露出した上面をその底面8sとする第2開口部8bを形成する。その際、エッチング液としては重量比がアニソール:キシレン=1:2の混合溶液を用い、エッチング時間は10秒から30秒の間でエッチング残が発生しない値に選べばよい。引き続き基板を1000rpmで回転させながらリンス液をフルコーン形スプレーノズルから円形全面に噴射して基板に吹きつけて前記エッチング液を洗い流す。リンス液としてはキシレンを用い、リンス時間はたとえば10秒である。引き続き基板を3000rpmで30秒間回転させて前記リンス液を乾燥させる。   The substrate 1 in which the first opening 8a is formed is placed on a spin coater, and a predetermined etching solution is sprayed in a fan shape from a flat spray nozzle while being rotated at 2000 rpm and sprayed onto the substrate to perform wet etching. A second opening 8b is formed in the portion of the insulating layer 4 that is directly below the first opening 8a, with the upper surface penetrating through and exposed as the bottom surface 8s. In this case, a mixed solution having a weight ratio of anisole: xylene = 1: 2 is used as the etching solution, and the etching time may be selected to a value that does not cause etching residue between 10 seconds and 30 seconds. Subsequently, while the substrate is rotated at 1000 rpm, a rinse solution is sprayed from the full cone spray nozzle onto the entire circular surface and sprayed onto the substrate to wash away the etching solution. Xylene is used as the rinse liquid, and the rinse time is, for example, 10 seconds. Subsequently, the substrate is rotated at 3000 rpm for 30 seconds to dry the rinse solution.

ここで、スピンウエットエッチングの意義について説明する。一般的にウエットエッチングは等方エッチングとなる。すなわち絶縁層4を貫通して底面までエッチングをした場合、第2開口部(絶縁層開口部)8bの径D2は、第1開口部(ゲート開口部)8aの径D1から両側にさらに絶縁層膜厚tだけ広がった値(D1+2×t)以上となる。マージンのためにエッチング時間が延長された場合は第2開口部径D2はさらに広がる。一方スピンウエットエッチングを行った場合は、エッチング液が強く吹き付けられながら、かつ基板が高速回転することで古いエッチング液が直ちに基板外に逃がされるため、基板面に垂直方向に掘り進むエッチングレートが、横方向に広がるエッチングレートよりも速いことが発明者らの実験により明らかになっている。この効果で、ゲート電極の下部にまでエッチングが進行するアンダカットを抑制しつつ絶縁層4を貫通しかつ電子放出部の露出上面をその底面8sとする第2開口部8bを形成することができる。   Here, the significance of spin wet etching will be described. In general, wet etching is isotropic etching. That is, when etching through the insulating layer 4 to the bottom surface, the diameter D2 of the second opening (insulating layer opening) 8b is further increased on both sides from the diameter D1 of the first opening (gate opening) 8a. The value becomes larger than the value (D1 + 2 × t) spread by the film thickness t. When the etching time is extended due to a margin, the second opening diameter D2 further increases. On the other hand, when spin-wet etching is performed, the etching rate that digs in a direction perpendicular to the substrate surface is increased because the old etching solution is immediately released outside the substrate while the etching solution is sprayed strongly and the substrate rotates at a high speed. The inventors' experiments have revealed that the etching rate is faster than the etching rate spreading in the direction. With this effect, it is possible to form the second opening 8b penetrating the insulating layer 4 and having the exposed upper surface of the electron emission portion as its bottom surface 8s while suppressing undercut that proceeds to the lower portion of the gate electrode. .

スピンウエットエッチングを行うことで、さらに次のような効果が得られる。PPSQをアニソールとキシレンの混合液でエッチングする場合は、10μmの厚膜のエッチングに要する時間が10秒〜30秒であり、たとえばAl膜をリン酸系のエッチング液でエッチングする場合などと比べて、エッチングレートが速い。したがってエッチング液の入れ替わりが遅いとエッチング液が飽和して、開口内にPPSQの析出物が発生し、残渣の原因となる。しかしスピンウエットエッチングを行うことで、常に新鮮なエッチング液が供給されるため、残渣のない開口を得ることができる。   By performing the spin wet etching, the following effects can be further obtained. When PPSQ is etched with a mixed solution of anisole and xylene, the time required for etching a 10 μm thick film is 10 seconds to 30 seconds. Compared to the case where an Al film is etched with a phosphoric acid-based etching solution, for example. The etching rate is fast. Accordingly, when the replacement of the etching solution is slow, the etching solution is saturated, and PPSQ precipitates are generated in the opening, causing a residue. However, by performing spin wet etching, a fresh etching solution is always supplied, so that an opening without residue can be obtained.

さらにスピンウエットエッチングを行うことで、さらに次のような効果が得られる。PPSQ膜のエッチングにドライエッチングを用いる場合、エッチングレートは0.1μm/min程度であるため、10μmの膜厚に対して100分のエッチングを実施する必要がある。これは非常にスループットの悪いプロセスである。一方スピンウエットエッチングを用いた場合、前述のように、10秒〜30秒でエッチングが完了するため、スループットの高いプロセスである。   Furthermore, the following effects can be obtained by performing spin wet etching. When dry etching is used for etching the PPSQ film, since the etching rate is about 0.1 μm / min, it is necessary to perform etching for 100 minutes for a film thickness of 10 μm. This is a very low throughput process. On the other hand, when spin wet etching is used, the etching is completed in 10 to 30 seconds, as described above, and thus the process has a high throughput.

工程9:レジスト剥離工程
アミン系剥離液あるいは酢酸ブチルに浸漬してレジスト剥離を行う。PPSQは上記剥離液あるいは酢酸ブチルには溶解しないため、レジストのみを除去可能である。これにより本実施の形態における電子放出源9が得られる。レジスト剥離工程として、乾燥酸素中でプラズマを発生させることで、レジストを灰化させることもできる。この場合、シリコーンラダーポリマーからなる絶縁層の開口部側壁表面部が改質され、その表面にはシリコン酸化膜が形成され、ガス放出がさらに抑制され、電子放出源の信頼性は向上する。なお、レジスト灰化中は中性ラジカルの照射、酸化により基板温度が上がる。電子放出源は多層構造を有する為、急激な温度変化は基板クラックの発生原因となる。これを防止するため水冷等で温度上昇を抑制するのが好ましい。
Step 9: Resist stripping step The resist stripping is performed by dipping in an amine stripping solution or butyl acetate. Since PPSQ does not dissolve in the above stripping solution or butyl acetate, only the resist can be removed. Thereby, the electron emission source 9 in this Embodiment is obtained. As the resist stripping step, the resist can be ashed by generating plasma in dry oxygen. In this case, the opening side wall surface portion of the insulating layer made of the silicone ladder polymer is modified, and a silicon oxide film is formed on the surface of the insulating layer to further suppress the gas emission, thereby improving the reliability of the electron emission source. During resist ashing, the substrate temperature rises due to irradiation and oxidation of neutral radicals. Since the electron emission source has a multilayer structure, a rapid temperature change causes the generation of substrate cracks. In order to prevent this, it is preferable to suppress the temperature rise by water cooling or the like.

(作用および効果)
(f1)上記の様な工程で作製された電子放出源9は、その絶縁層4にPPSQを使用しているため、従来技術で生じる様な不具合を何等発生させること無く、絶縁層4の膜厚を約10μmに設定することができる。
(Function and effect)
(F1) Since the electron emission source 9 manufactured by the process as described above uses PPSQ for the insulating layer 4, the film of the insulating layer 4 can be obtained without causing any problems that occur in the prior art. The thickness can be set to about 10 μm.

(f2)しかも、ガラス基板1とカソード電極2との段差及びカソード電極2と電子放出部3との段差があるにも拘わらず、絶縁層4をPPSQで形成することで、絶縁層4の上面を容易に凹凸の無い平坦な面とすることができる。   (F2) Moreover, the upper surface of the insulating layer 4 is formed by forming the insulating layer 4 with PPSQ despite the steps between the glass substrate 1 and the cathode electrode 2 and the steps between the cathode electrode 2 and the electron emitting portion 3. Can be easily formed into a flat surface without unevenness.

また、PPSQは吸湿性が低く、膜収縮も小さいため、膜応力による歪が小さく抑えられる。そのため、基板のそりが大きくなることがなく、膜が剥離する等の不具合が生じない。加えて、膜厚変化も小さいため、電子放出源9を真空内に導入した後も、凹凸の無い平坦な面を長期にわたり維持することができる。   Further, since PPSQ has low hygroscopicity and small film shrinkage, distortion due to film stress can be suppressed to a small level. For this reason, the warpage of the substrate does not increase, and problems such as peeling of the film do not occur. In addition, since the change in film thickness is small, a flat surface without unevenness can be maintained for a long time even after the electron emission source 9 is introduced into the vacuum.

(f3)さらに、PPSQは約500℃までの耐熱性を有しており、熱工程における、その形状変化も小さい。このため、画像表示装置の製造プロセスでの熱工程に耐え得る電子放出源9を得ることができる。   (F3) Furthermore, PPSQ has heat resistance up to about 500 ° C., and its shape change in the thermal process is small. For this reason, the electron emission source 9 which can endure the heat process in the manufacturing process of an image display apparatus can be obtained.

(f4)さらに、スピンウエットエッチングで絶縁層4の開口部8bを形成しているため、アンダカットが少ない。加えて、絶縁層4を形成するPPSQは、吸湿性も低く、膨潤による開口部側壁の膨張が比較的小さく抑えられるため、開口部8の密度を飛躍的に増大させることができる。   (F4) Furthermore, since the opening 8b of the insulating layer 4 is formed by spin wet etching, there is little undercut. In addition, the PPSQ forming the insulating layer 4 has low hygroscopicity, and the expansion of the side wall of the opening due to swelling can be suppressed to be relatively small, so that the density of the opening 8 can be dramatically increased.

(f5)さらに、PPSQは吸湿性も低く、ガス放出も小さいために、電子放出源9を真空内に導入した後も、長期にわたってガス放出が見られない。この為、残留ガスによる異常放電が発生したり、イオン化して、電子源としてCNTを用いた場合、このCNTが劣化したり、真空度の向上に時間がかかったりということが回避できる。   (F5) Furthermore, since PPSQ has low hygroscopicity and small gas emission, no gas emission is observed for a long time even after the electron emission source 9 is introduced into the vacuum. For this reason, when CNT is used as an electron source due to occurrence of abnormal discharge due to residual gas or ionization, it can be avoided that the CNT deteriorates or it takes time to improve the degree of vacuum.

(実施の形態2)
本発明の実施の形態2に係るFED用背面パネルないしは電子放出源の製造工程を、既出の図面および図11〜図14を用いて説明する。本実施の形態においては、実施の形態1と工程1から工程3までは同一であるので、工程4以降についてのみ説明する。
(Embodiment 2)
A manufacturing process of the rear panel for an FED or the electron emission source according to the second embodiment of the present invention will be described with reference to the above drawings and FIGS. In the present embodiment, steps 1 to 3 are the same as in the first embodiment, and therefore only step 4 and subsequent steps will be described.

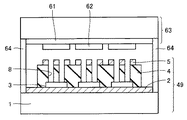
工程4:ネガレジスト膜36の形成(図11参照)
絶縁層4の上面に、ネガレジスト膜36を全面的に形成する。その後ネガレジスト膜36を乾燥させる。
Step 4: Formation of negative resist film 36 (see FIG. 11)
A negative resist film 36 is formed on the entire top surface of the insulating layer 4. Thereafter, the negative resist film 36 is dried.

工程5:ネガレジスト膜36の露光および現像(図12参照)
ネガレジスト膜36の乾燥後、この後に設ける開口部8aの横断面形状に相当する円形の透過部を持つ露光マスク7を用いて、ネガレジスト膜36を露光する。次いで再び120℃×90秒の露光後ベークを行い、必要に応じて全面露光を行う。このあとアルカリ現像液で現像を行い、露光された部分のレジストを残し、それ以外のレジスト膜を除去する。これにより、開口部8aに相当する位置に島状のレジストパターン36が形成される。
Step 5: Exposure and development of the negative resist film 36 (see FIG. 12)
After the negative resist film 36 is dried, the negative resist film 36 is exposed using an exposure mask 7 having a circular transmission portion corresponding to the cross-sectional shape of the opening 8a provided thereafter. Next, post-exposure baking at 120 ° C. for 90 seconds is performed again, and overall exposure is performed as necessary. Thereafter, development is performed with an alkali developer to leave the exposed portion of the resist, and the other resist film is removed. Thereby, an island-like resist pattern 36 is formed at a position corresponding to the opening 8a.

工程6:ゲート電極5の形成(図13参照)
次に、絶縁層の上面および島状のレジストパターン36に、ゲート電極5となる金属膜(導電層)を形成する。金属膜としては、たとえば電子ビーム蒸着装置を用いてAlを成膜する。膜厚は500nmとする。ここでスパッタ法を用いないのは以下の理由からである。工程5で示したようにネガレジストを用いて島状レジストパターンを形成した場合、その断面形状が逆テーパー形になるため、蒸着法を用いてAlを成膜すると蒸着粒子の直進性の良さからレジストパターン側壁にはAlは成膜されない。したがって島状のレジストパターン上のAl膜は他部のAl膜と分離される。一方スパッタ法では、比較的低真空の雰囲気で成膜するためスパッタ粒子の回り込みが発生して、レジストパターン側壁にもAlが成膜されてしまい、島状のレジストパターン頂上のAl膜と他部のAl膜とがつながり、後述のリフトオフ工程が成功しない。
Step 6: Formation of the gate electrode 5 (see FIG. 13)
Next, a metal film (conductive layer) to be the gate electrode 5 is formed on the upper surface of the insulating layer and the island-like resist pattern 36. As the metal film, for example, Al is formed using an electron beam evaporation apparatus. The film thickness is 500 nm. Here, the sputtering method is not used for the following reason. When an island-like resist pattern is formed using a negative resist as shown in Step 5, the cross-sectional shape becomes an inversely tapered shape. Therefore, when Al is deposited using a vapor deposition method, the straightness of vapor deposition particles is good. Al is not deposited on the side wall of the resist pattern. Therefore, the Al film on the island-like resist pattern is separated from the other Al film. On the other hand, in the sputtering method, since the film is deposited in a relatively low vacuum atmosphere, spattering of sputtered particles occurs, and Al is also deposited on the resist pattern side wall. Thus, the lift-off process described later is not successful.

工程7:ゲート電極5のリフトオフ(図14参照)
アミン系剥離液あるいは酢酸ブチルに浸漬してレジスト剥離を行う。このときに島状のレジストパターンの頂上にのみ付着しているAl膜はリフトオフされ、第1開口部8aが形成される。このリフトオフ工程には、前記剥離液または酢酸ブチル中で超音波洗浄を行う工程を追加してもよい。または前記剥離液または酢酸ブチルをノズルから勢いよく吹き付ける工程を追加してもよい。
Step 7: Lift-off of the gate electrode 5 (see FIG. 14)
The resist is stripped by dipping in an amine stripping solution or butyl acetate. At this time, the Al film adhering only to the top of the island-like resist pattern is lifted off, and the first opening 8a is formed. In this lift-off step, a step of performing ultrasonic cleaning in the stripping solution or butyl acetate may be added. Or you may add the process of spraying the said peeling liquid or butyl acetate from a nozzle vigorously.

工程8:開口部8の形成(図2参照)
前記実施の形態1の工程8と同一のため、説明を省略する。
Step 8: Formation of the opening 8 (see FIG. 2)
Since it is the same as the process 8 of the said Embodiment 1, description is abbreviate | omitted.

(作用および効果)
本発明の実施の形態2における製造方法では、ゲート電極5に第1開口部8aを形成する方法としてリフトオフ法を用いるため、実施の形態1に示した利点以外に以下のような利点がある。PPSQ上にゲート電極を成膜すると熱的要因によってPPSQ最表面に変質層が形成され、PPSQのスピンウエットエッチングを阻害する。一方リフトオフ法を用いる場合は、第1開口部8aに相当するPPSQ上には島状のレジストが存在するため、Alが直接は成膜されないため、変質層は形成されない。したがって、スピンウエットエッチングは変質層に阻害されることなく成功する。
(Function and effect)
In the manufacturing method according to the second embodiment of the present invention, since the lift-off method is used as a method for forming the first opening 8a in the gate electrode 5, there are the following advantages in addition to the advantages shown in the first embodiment. When a gate electrode is formed on the PPSQ, a deteriorated layer is formed on the outermost surface of the PPSQ due to a thermal factor, thereby inhibiting the spin wet etching of the PPSQ. On the other hand, when the lift-off method is used, since an island-like resist exists on the PPSQ corresponding to the first opening 8a, Al is not directly formed, so that the deteriorated layer is not formed. Therefore, the spin wet etching is successful without being disturbed by the altered layer.

(実施の形態3)
本発明の実施の形態3における電子放出源の製造方法では、PPSQおよび/またはカソード電極および/またはゲート電極を、上記実施の形態1および2と異なる製造方法で製造する点に特徴がある。
(Embodiment 3)
The manufacturing method of the electron emission source according to the third embodiment of the present invention is characterized in that the PPSQ and / or the cathode electrode and / or the gate electrode are manufactured by a manufacturing method different from those of the first and second embodiments.

(1)実施の形態1及び実施の形態2では、テーブルコータを用いてPPSQを塗布し熱処理することで絶縁層4を形成する方法を一例として記載している。それに代えて、スピンコーターを用いた塗布方式(スピン塗布方式)によってワニス状のPPSQ溶液を塗布し、その後にPPSQを乾燥・熱処理することによって、絶縁層4を形成してもよい。またはスクリーン印刷法を用いてワニス状のPPSQ溶液を塗布し、その後にPPSQを乾燥・熱処理することによって、絶縁層4を形成してもよい。後者の場合においても、スキージング時のワニス塗布量をコントロールすることで、絶縁層4下方のガラス基板1とカソード電極2との段差等に起因した凹凸が絶縁層4の上面に生じないようにして、絶縁層の上面の平坦化を図りつつ、その膜厚を耐電圧確保に必要な厚みに設定することが可能となる。   (1) In Embodiment 1 and Embodiment 2, the method of forming the insulating layer 4 by applying PPSQ using a table coater and performing heat treatment is described as an example. Alternatively, the insulating layer 4 may be formed by applying a varnish-like PPSQ solution by a coating method (spin coating method) using a spin coater, and then drying and heat-treating the PPSQ. Alternatively, the insulating layer 4 may be formed by applying a varnish-like PPSQ solution using a screen printing method and then drying and heat-treating the PPSQ. Even in the latter case, by controlling the amount of varnish applied during squeezing, it is possible to prevent unevenness due to a step between the glass substrate 1 and the cathode electrode 2 below the insulating layer 4 from occurring on the upper surface of the insulating layer 4. Thus, it is possible to set the thickness of the insulating layer to a thickness necessary for ensuring a withstand voltage while flattening the upper surface of the insulating layer.

(2)実施の形態1及び実施の形態2では、カソード電極をスパッタリング法で形成したITO膜で作製しており、また実施の形態1ではゲート電極をスパッタ法で形成したAl膜でそれぞれ作製している。しかし、両電極をそれ以外の方法で、例えばAgペーストを用いたスクリーン印刷法またはめっき法で形成してもよい。とくにゲート電極をスクリーン印刷法やめっき法で形成する場合は、PPSQ最表面に前記変質層が形成されないため、それ以降のPPSQのスピンエッチング工程に好都合である。   (2) In Embodiments 1 and 2, the cathode electrode is made of an ITO film formed by sputtering, and in Embodiment 1, the gate electrode is made of an Al film formed by sputtering. ing. However, both electrodes may be formed by other methods, for example, a screen printing method using an Ag paste or a plating method. In particular, when the gate electrode is formed by screen printing or plating, the altered layer is not formed on the outermost surface of the PPSQ, which is convenient for the subsequent PPSQ spin etching process.

(実施の形態4)
本発明の実施の形態4における電子放出源の製造では、実施の形態1および実施の形態2において絶縁層として用いたPPSQの重量平均分子量を16万以下に限定する点に特徴がある。PPSQの重量平均分子量を16万以下に限定する根拠を以下に示す。すなわち、φ10μmの第一開口部8aをハードマスクとしてPPSQのスピンウエットエッチングを行う場合は、分子量が16万以下のPPSQに対しては、分子量に応じたほぼ一定のエッチングレートを持ったまま、エッチングを完了することができる。すなわちエッチング時間と絶縁層に形成される孔の深さはほぼ比例関係にある。
(Embodiment 4)
The production of the electron emission source according to the fourth embodiment of the present invention is characterized in that the weight average molecular weight of the PPSQ used as the insulating layer in the first and second embodiments is limited to 160,000 or less. The grounds for limiting the weight average molecular weight of PPSQ to 160,000 or less are shown below. That is, when PPSQ spin wet etching is performed using the first opening 8a of φ10 μm as a hard mask, for PPSQ having a molecular weight of 160,000 or less, the etching is performed with an almost constant etching rate corresponding to the molecular weight. Can be completed. That is, the etching time and the depth of the hole formed in the insulating layer are substantially proportional.

一方分子量が16万を超えるPPSQに対しては、エッチング後期にエッチングレートが飽和する。すなわちエッチング時間を増加させてもエッチングが進行しなくなり、底面が露出しない。   On the other hand, for PPSQ having a molecular weight exceeding 160,000, the etching rate is saturated in the latter half of the etching. That is, even if the etching time is increased, the etching does not proceed and the bottom surface is not exposed.

図15に、発明者らが確認した分子量とエッチング深さの関係の一例を示す。図中の曲線50、51、52はそれぞれ重量平均分子量が11万、13万、17万のPPSQを用いた場合のエッチング深さをエッチング時間に対してプロットしたものである。重量平均分子量11万のものと13万のものはそれぞれエッチングレートは異なるものの、一定時間が経過したところで膜厚である10μmのエッチングを完了する。11万のものと13万のものがエッチング深さ10μmで飽和しているのは、もともとPPSQ膜厚が10μmであるためである。しかし、重量平均分子量17万のものはエッチング深さが7μm付近でエッチングが進行しなくなる。   FIG. 15 shows an example of the relationship between the molecular weight and the etching depth confirmed by the inventors. Curves 50, 51, and 52 in the figure are obtained by plotting the etching depths with respect to the etching time when PPSQ having weight average molecular weights of 110,000, 130,000, and 170,000 is used. Although those having a weight average molecular weight of 110,000 and those having a weight of 130,000 have different etching rates, the etching with a film thickness of 10 μm is completed when a certain time has elapsed. The reason why 110,000 and 130,000 are saturated at an etching depth of 10 μm is that the PPSQ film thickness is originally 10 μm. However, when the weight average molecular weight is 170,000, the etching does not proceed when the etching depth is around 7 μm.

本実施の形態のようにPPSQの重量平均分子量を16万以下に限定することにより、その膜厚を耐電圧確保に必要な厚み、たとえば10μmに設定しても、電子放出部にいたる深さの開口部を形成することが可能になる。   By limiting the weight average molecular weight of PPSQ to 160,000 or less as in the present embodiment, even if the film thickness is set to a thickness necessary for ensuring a withstand voltage, for example, 10 μm, the depth to the electron emission portion is reduced. An opening can be formed.

(実施の形態5)
実施の形態1及び実施の形態2では、シリコーンラダーポリマーの一例としてPPSQを用いる例を記載しているが、これに限られるものではない。たとえば側鎖構造の異なる他のシリコーンラダーポリマーを用いてもよい。その様な一例として、PPSQのフェニル基の一部をビニル基に置き換えたポリビニルシルセスキオキサン(PVSQ)を挙げることができる。
(Embodiment 5)
In the first embodiment and the second embodiment, an example in which PPSQ is used as an example of a silicone ladder polymer is described, but the present invention is not limited to this. For example, other silicone ladder polymers having different side chain structures may be used. As an example, polyvinyl silsesquioxane (PVSQ) in which a part of the phenyl group of PPSQ is replaced with a vinyl group can be given.

本発明の実施の形態5では、絶縁膜に用いるシリコンラダーポリマーとして、PPSQのフェニル基の一部をビニル基に置き換えたPVSQを用いた点に特徴がある。PVSQを用いることにより、絶縁膜の材料および/または製造方法に多様性をもたせることができる。   Embodiment 5 of the present invention is characterized in that PVSQ in which a part of the phenyl group of PPSQ is replaced with a vinyl group is used as the silicon ladder polymer used for the insulating film. By using PVSQ, the insulating film material and / or manufacturing method can be varied.

(実施の形態6)
本発明の実施の形態6における電子放出源は、実施の形態1および実施の形態2の電子放出源の構造を変更してカソード電極とゲート電極との間の短絡を防止する構造を有する点に特徴がある。絶縁層としてPPSQを適用した場合、膜厚10μmとすることで、電子放出源に必要な耐電圧が確保できる。しかし、実施の形態1および実施の形態2に示した電子放出源では1画素内に複数の開口部8が形成されており、その壁面8bの延べ長さは開口の個数に応じて増加する。ため、沿面放電の確率が増し、信頼性を低下させるおそれがある。
(Embodiment 6)
The electron emission source according to the sixth embodiment of the present invention has a structure in which the structure of the electron emission source according to the first and second embodiments is changed to prevent a short circuit between the cathode electrode and the gate electrode. There are features. When PPSQ is applied as the insulating layer, the withstand voltage necessary for the electron emission source can be secured by setting the film thickness to 10 μm. However, in the electron emission sources shown in the first and second embodiments, a plurality of openings 8 are formed in one pixel, and the total length of the wall surface 8b increases according to the number of openings. For this reason, the probability of creeping discharge increases, which may reduce reliability.

図16は、本発明の本実施の形態6における電子放出源の一部をゲート電極側から見た図である。図17はその断面斜視図である。図16では3つのゲート開口8aに対して1つの絶縁層開口8bを持っている。このようなゲート開口のひとまとまりをひとつのゲート開口群と呼ぶことにする。ゲート開口群は2つ以上のゲート電極で構成されていれば、本実施の形態で述べる効果は奏される。   FIG. 16 is a view of a part of the electron emission source according to the sixth embodiment of the present invention as viewed from the gate electrode side. FIG. 17 is a sectional perspective view thereof. In FIG. 16, one insulating layer opening 8b is provided for three gate openings 8a. A group of such gate openings is referred to as one gate opening group. If the gate opening group is composed of two or more gate electrodes, the effects described in this embodiment can be obtained.

作製プロセスは実施の形態1および実施の形態2と同一の方法である。ゲート開口の開口径と間隔の関係について説明する。本実施の形態で説明する構造は、絶縁層の膜厚は10μm、ゲート開口径はφ10μm、それぞれのゲート開口の中心間の間隔は15μmである。図に示したようなゲート電極開口に対して、PPSQのスピンウエットエッチングを行うと、アンダカットが片側略5μm発生し、絶縁層の各開口径は略φ20μmとなる。しかし隣接するゲート開口との中心間の距離は15μmであるので、隣の絶縁層開口とつながり、図中、破線で示したような絶縁層開口8bの形状となる。このようにして3つの絶縁層開口が1つにつながった場合、絶縁層開口8bの壁面の延べ長さは104μmである。   The manufacturing process is the same method as in the first and second embodiments. The relationship between the opening diameter of the gate opening and the interval will be described. In the structure described in this embodiment, the thickness of the insulating layer is 10 μm, the gate opening diameter is φ10 μm, and the distance between the centers of the gate openings is 15 μm. When PPSQ spin wet etching is performed on the gate electrode opening as shown in the figure, an undercut occurs on one side of about 5 μm, and each opening diameter of the insulating layer becomes about φ20 μm. However, since the distance between the centers of the adjacent gate openings is 15 μm, it is connected to the adjacent insulating layer opening, and has the shape of the insulating layer opening 8b as shown by the broken line in the figure. When the three insulating layer openings are connected to one in this way, the total length of the wall surface of the insulating layer opening 8b is 104 μm.

一方たとえば隣接するゲート開口8aの中心間の距離が30μmの場合は絶縁層開口径が略φ20μmとなっても隣接する開口がつながることはなく、3つの絶縁層開口壁面の延べ長さは170μmである。   On the other hand, for example, when the distance between the centers of the adjacent gate openings 8a is 30 μm, the adjacent openings are not connected even if the insulating layer opening diameter is approximately φ20 μm, and the total length of the three insulating layer opening walls is 170 μm. is there.

したがって、上記ゲート開口の中心間の距離が15μmの本実施の形態における電子放出源の場合、絶縁層開口の壁面の延べ長さは、上記ゲート開口中心間距離が30μmの場合に比べてその61%に減少する。このため、沿面放電の確率も同じ割合で減少し、信頼性が改善される。   Therefore, in the case of the electron emission source in the present embodiment where the distance between the centers of the gate openings is 15 μm, the total length of the wall surface of the insulating layer opening is 61 as compared with the case where the distance between the centers of the gate openings is 30 μm. % Decrease. For this reason, the probability of creeping discharge also decreases at the same rate, and the reliability is improved.

すなわち、本発明の実施の形態6における電子放出源では、複数のゲート開口をまとめて配置して各ゲート開口の間隔を所定距離以下にして、ゲート開口の下に形成される各絶縁膜開口が1つに繋がるように配置する。上記ゲート開口の配置構造により絶縁膜開口の壁面の延べ長さを短縮し、沿面放電の確率を低下させて信頼性を高めることができる。   That is, in the electron emission source according to the sixth exemplary embodiment of the present invention, a plurality of gate openings are collectively arranged so that intervals between the gate openings are equal to or less than a predetermined distance, and each insulating film opening formed below the gate opening is Arrange them so that they are connected together. With the arrangement structure of the gate opening, the total length of the wall surface of the insulating film opening can be shortened, the probability of creeping discharge can be reduced, and the reliability can be improved.

上記の本実施の形態と同じように沿面放電を防止できる構造として、上記ゲート電極の替わりとして、カソード電極から一定の距離を保って、100μm程度の厚みの金属電極を保持する構造が考えられる。この場合、金属電極を保持するために、低融点ガラスペーストなどが用いられる。しかしこの構造の場合は、作製のとき、金属電極の開口と電子放出部のパタニングは個別に行い、あとで両者を位置合せして貼り合わせる必要がある。金属電極および電子放出部の加工寸法精度および位置合せ精度が高いレベルで必要となり、非常に難易度の高い作業工程となる。これは作製する基板面積が大きくなるにつれさらに顕著となる。これに比して、本実施の形態では、ゲート電極の開口をマスクとして、絶縁層の開口を行うため、両者を位置合わせする必要がない。   As a structure capable of preventing creeping discharge as in the present embodiment, a structure in which a metal electrode having a thickness of about 100 μm is held at a certain distance from the cathode electrode can be considered instead of the gate electrode. In this case, a low melting point glass paste or the like is used to hold the metal electrode. However, in the case of this structure, it is necessary to perform the opening of the metal electrode and the patterning of the electron emission portion separately at the time of fabrication, and then align and bond the both later. The machining dimensional accuracy and alignment accuracy of the metal electrode and the electron emission portion are required at a high level, and the work process is extremely difficult. This becomes more prominent as the substrate area to be produced increases. In contrast, in this embodiment, since the opening of the insulating layer is performed using the opening of the gate electrode as a mask, it is not necessary to align the two.

さらに本実施の形態をとった場合、カソード配線とゲート電極の交差部のうち絶縁層の占める領域が減少するため、画素の静電容量を低減することができ、応答速度の向上に貢献する。   Further, when the present embodiment is adopted, the area occupied by the insulating layer in the intersection between the cathode wiring and the gate electrode is reduced, so that the capacitance of the pixel can be reduced and the response speed can be improved.

(実施の形態7)
本発明の実施の形態7における電子放出源は、実施の形態1、実施の形態2および実施の形態6における電子放出源に対してレーザ照射を行い、電子放出効率を向上させたものである。電子放出部であるカーボンナノチューブに近紫外波長のレーザを4MW/cm2の密度で照射すると放出電流密度を略100倍改善することができる。
(Embodiment 7)
The electron emission source in the seventh embodiment of the present invention is obtained by irradiating the electron emission source in the first embodiment, the second embodiment and the sixth embodiment with laser to improve the electron emission efficiency. When the carbon nanotube as the electron emitting portion is irradiated with a laser having a near ultraviolet wavelength at a density of 4 MW / cm 2 , the emission current density can be improved by about 100 times.

実施の形態6における電子放出源にレーザ照射を行った場合は、さらに次のような問題を解決することができる。すなわち複数のゲート電極開口に対して、絶縁層開口が1つである場合、絶縁層開口を覆っている部分のゲート電極の直下の電子放出部から放出された電子は、その覆っているゲート電極の部分に衝突し、ガス放出の原因となる。またはゲート電流としてゲート電極駆動回路に流入し、応答性能を劣化させる。または電流容量の高い回路が必要となってしまうなどの問題を生じる。これに対して、ゲート電極開口を経て電子放出源にレーザ照射を行った場合は、レーザ光は、上記覆っているゲート電極の部分に遮蔽されて、ゲート開口の直下の部分の電子放出部にのみを照射し、その照射した部分の放出電流密度を改善することができる。言い換えれば、絶縁層開口を覆っているゲート電極の部分の直下の電子放出部からは低い放出電流しか得られない。このため、ゲート開口から飛び出す電流に対してゲート電極に流入する電流の比率を抑えることができる。   When laser irradiation is performed on the electron emission source in the sixth embodiment, the following problem can be further solved. That is, when there is one insulating layer opening for a plurality of gate electrode openings, electrons emitted from the electron emitting portion immediately below the gate electrode in the portion covering the insulating layer opening are covered by the covering gate electrode. It collides with this part and causes gas emission. Or it flows into a gate electrode drive circuit as a gate current, and a response performance deteriorates. Or, a problem arises in that a circuit having a high current capacity is required. On the other hand, when laser irradiation is performed on the electron emission source through the gate electrode opening, the laser beam is shielded by the portion of the gate electrode that is covered, and the electron emission portion in the portion immediately below the gate opening. The emission current density of the irradiated portion can be improved. In other words, only a low emission current can be obtained from the electron emission portion immediately below the portion of the gate electrode covering the insulating layer opening. For this reason, the ratio of the current flowing into the gate electrode with respect to the current jumping out from the gate opening can be suppressed.

さらにレーザ光を収束する、あるいはアパーチャを通過させるなどして、ビーム径をゲート電極開口径以下にして、位置あわせをして開口の底面の電子放出部のみにレーザ照射できるようにするとなおよい。これは以下に示す効果に基づく。ゲート電極にレーザ光が照射される場合、ゲート電極がレーザ光により損傷を受ける可能性がある。しかし、上記のようにレーザ光のビーム径を絞って、ゲート開口径以下にすることにより、開口の底面の電子放出部にのみレーザ照射され、ゲート電極損傷のおそれがない。   Further, it is more preferable that the laser beam is converged or passed through an aperture so that the beam diameter is made equal to or smaller than the gate electrode opening diameter so that only the electron emission portion on the bottom surface of the opening can be irradiated with the laser beam. This is based on the following effects. When the gate electrode is irradiated with laser light, the gate electrode may be damaged by the laser light. However, by narrowing the beam diameter of the laser beam to be equal to or smaller than the gate opening diameter as described above, only the electron emitting portion on the bottom surface of the opening is irradiated with laser, and there is no possibility of damage to the gate electrode.

(実施の形態8)
図18は、本発明の実施の形態8における画像表示装置を示す断面図である。本発明の実施の形態8においては、実施の形態1〜実施の形態7に係る電子放出源を画像表示装置のFEDパネルに適用する例について説明する。図18において、ガラス基板1上のカソード電極2の上に電子放出源3が設けられている。絶縁層4は、カソード電極上の電子放出源3とゲート電極5とを隔てるように位置している。絶縁層4およびゲート電極5には、電子放出源3が露出するように開口部8が設けられている。この開口部に対面するように離れた位置にアノード電極62が位置し、その上に蛍光体層が配置されている。
(Embodiment 8)
FIG. 18 is a cross-sectional view showing an image display apparatus according to Embodiment 8 of the present invention. In an eighth embodiment of the present invention, an example in which the electron emission source according to the first to seventh embodiments is applied to an FED panel of an image display device will be described. In FIG. 18, the electron emission source 3 is provided on the cathode electrode 2 on the glass substrate 1. The insulating layer 4 is located so as to separate the electron emission source 3 and the gate electrode 5 on the cathode electrode. An opening 8 is provided in the insulating layer 4 and the gate electrode 5 so that the electron emission source 3 is exposed. The anode electrode 62 is located at a position away from the opening so as to face the opening, and the phosphor layer is disposed thereon.

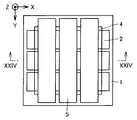
以下、画像表示装置を製造する際の工程を、図18〜図26を参照して説明する。なお、図19、21、23、25は、実施の形態1〜実施の形態7に係る電子放出源がマトリックス状に形成・配置されるカソード基板(背面パネル)を上面から見た平面概略図である。また、図20、22、24、26は、上記平面概略図に示した断線に沿う縦断面概略図である。   Hereinafter, steps in manufacturing the image display device will be described with reference to FIGS. 19, 21, 23, and 25 are schematic plan views of the cathode substrate (rear panel) on which the electron emission sources according to the first to seventh embodiments are formed and arranged in a matrix shape when viewed from above. is there. 20, 22, 24, and 26 are schematic longitudinal sectional views taken along the disconnection shown in the schematic plan view.

まず、ガラス基板1の上に、カソード電極として、第1方向Xに延在する複数のITO(Indium Tin Oxide)膜をストライプ状に形成する(図19、20参照)。すなわち、スパッタリング法でITO膜をガラス基板1の上面に全面的に形成し、通常のレジスト膜を用いた露光/現像を行なってITO膜のストライプパターンを形成する。このITO膜が、第1方向Xに延在した複数のストライプ状カソード電極2となる。カラー表示のために、1画素は、赤、青及び緑色の3つの発光点で構成される。そのため、カソード電極の数は3の倍数となる必要性がある。ここでは、説明を簡単にするために、便宜上、カソード電極の数を3本に設定している。   First, a plurality of ITO (Indium Tin Oxide) films extending in the first direction X are formed in a stripe shape on the glass substrate 1 as cathode electrodes (see FIGS. 19 and 20). That is, an ITO film is entirely formed on the upper surface of the glass substrate 1 by a sputtering method, and exposure / development using a normal resist film is performed to form a stripe pattern of the ITO film. This ITO film becomes a plurality of striped cathode electrodes 2 extending in the first direction X. For color display, one pixel is composed of three light emitting points of red, blue and green. Therefore, the number of cathode electrodes needs to be a multiple of three. Here, for the sake of simplicity, the number of cathode electrodes is set to three for convenience.

次に、図21および22に示すように、各カソード電極2の上面であってかつ後述する発光点の直下となる箇所に、カーボンナノチューブ粉末を含んだ印刷ペーストを用い、スクリーン印刷法によって、複数の電子放出部3を印刷する。その上で、印刷パターンを乾燥させ、その後に焼成を行うことにより、各カソード電極2上を第1方向Xに一列に配列して成る電子放出部3を形成する。   Next, as shown in FIGS. 21 and 22, a printing paste containing carbon nanotube powder is used on the upper surface of each cathode electrode 2 and immediately below a light emitting point to be described later, and a plurality of screen printing methods are used. The electron emission part 3 is printed. After that, the printed pattern is dried and then baked to form the electron emission portions 3 that are arranged in a row in the first direction X on each cathode electrode 2.

次に、テーブルコータで、ガラス基板1の周辺部を除いた、ガラス基板1のほぼ全面にわたってPPSQを塗布し、その後のPPSQの乾燥・熱処理工程を経て、絶縁層4を形成する。   Next, PPSQ is applied over almost the entire surface of the glass substrate 1 except for the peripheral portion of the glass substrate 1 with a table coater, and the insulating layer 4 is formed through subsequent PPSQ drying and heat treatment steps.

その上で、図23、24に示すように、ガラス基板の上面に全面的に金属膜をスパッタ法で蒸着し、通常のレジスト膜を用いた露光/現像を行なって、カソード電極2の延在方向Xと直交する第2方向Yに延在した、複数のストライプ状のゲート電極5を形成する。   Then, as shown in FIGS. 23 and 24, a metal film is deposited on the entire upper surface of the glass substrate by sputtering, and exposure / development using a normal resist film is performed to extend the cathode electrode 2. A plurality of striped gate electrodes 5 extending in a second direction Y orthogonal to the direction X are formed.

次に、図25、26に示すように、各カソード電極2と各ゲート電極5との立体交差位置に、放出電子を取り出すための複数の第1開口部8aを形成する。この第1開口部8aは、上記ゲート電極形成方法と同様に、通常のレジスト膜を用いた露光/現像を行なうことで形成される。ストライプ状のゲート電極5のパターニングと第1開口部8aのパターニングは同時に行ってもよい。その上で、各ゲート電極5の各第1開口部8aをマスクとしてスピンウエットエッチングを行い、その直下の絶縁層4に第2開口部8bを形成する。これにより、ゲート電極5及び絶縁層4を貫通してその直下の電子放出部3の上面を露出させる開口部8が、形成される。   Next, as shown in FIGS. 25 and 26, a plurality of first openings 8 a for extracting emitted electrons are formed at the three-dimensional intersection positions of the cathode electrodes 2 and the gate electrodes 5. The first opening 8a is formed by performing exposure / development using a normal resist film in the same manner as the gate electrode forming method. The patterning of the striped gate electrode 5 and the patterning of the first opening 8a may be performed simultaneously. Then, spin wet etching is performed using each first opening 8a of each gate electrode 5 as a mask, and a second opening 8b is formed in the insulating layer 4 immediately below. As a result, an opening 8 that penetrates the gate electrode 5 and the insulating layer 4 and exposes the upper surface of the electron emission portion 3 immediately below the gate electrode 5 and the insulating layer 4 is formed.

次に、図18に示すように、上記の一連の工程で作製されたカソード基板49と、アノード電極(第2主電極)61および蛍光体層62が形成されたアノード基板(前面パネル)63とを、スペーサガラス64を挟むことで一定の距離を維持しつつ、各蛍光体層62とそれに対応する電子放出部3とが互いに対向するように配置した上で、カソード基板49とスペーサガラス64との接合部およびアノード基板63とスペーサガラス64との接合部をともに、フリットガラスで接合する。スペーサガラス64は、図18では基板の左右端にのみ表示されているが、実際は□型のガラス枠であり、カソード基板49およびアノード基板63と合わせて気密容器を構成している。これにより、FEDパネルが形成される。その上で、FEDパネルを大気中450℃の温度下で30分間焼成して気密容器とし、最後に内部を真空に排気することで、図18に示す画像表示装置が作製される。   Next, as shown in FIG. 18, the cathode substrate 49 manufactured by the above-described series of steps, the anode substrate (front panel) 63 on which the anode electrode (second main electrode) 61 and the phosphor layer 62 are formed, Are arranged so that each phosphor layer 62 and the corresponding electron emission portion 3 face each other while maintaining a certain distance by sandwiching the spacer glass 64, and the cathode substrate 49 and the spacer glass 64 Both the joint portion and the joint portion between the anode substrate 63 and the spacer glass 64 are joined with frit glass. Although the spacer glass 64 is displayed only on the left and right ends of the substrate in FIG. 18, it is actually a □ -type glass frame and constitutes an airtight container together with the cathode substrate 49 and the anode substrate 63. Thereby, an FED panel is formed. Then, the FED panel is baked for 30 minutes at a temperature of 450 ° C. in the atmosphere to form an airtight container, and finally the inside is evacuated to produce the image display device shown in FIG.

(作用および効果)
上記の工程で作製された画像表示装置においては、カソード電極とゲート電極との間の間隔が全画素で均一であり、画素間の輝度ばらつきが小さい。また気密容器にするための450℃焼成でも絶縁層の形状変化がなく、画素欠陥も生じない。さらには、開口部の密度が高いので、1画素内の電子放出部の数が多く、画素内の輝度均一性が向上する。
(Function and effect)
In the image display device manufactured in the above process, the distance between the cathode electrode and the gate electrode is uniform in all pixels, and the luminance variation between pixels is small. Further, even when baking at 450 ° C. for forming an airtight container, there is no change in the shape of the insulating layer, and pixel defects do not occur. Furthermore, since the density of the openings is high, the number of electron emission portions in one pixel is large, and the luminance uniformity in the pixel is improved.

以上、本発明の実施の形態を詳細に開示し記述したが、以上の記述は本発明の適用可能な局面を例示したものであって、本発明はこれに限定されるものではない。即ち、記述した局面に対する様々な修正や実施の形態を、この発明の範囲から逸脱することの無い範囲内で考えることが可能である。   While the embodiments of the present invention have been disclosed and described in detail above, the above description exemplifies aspects to which the present invention can be applied, and the present invention is not limited thereto. That is, various modifications and embodiments to the described aspects can be considered without departing from the scope of the present invention.

シリコーンラダーポリマーの基本構造を示す図である。It is a figure which shows the basic structure of a silicone ladder polymer. 本発明の実施の形態1における電子放出源を示す図である。It is a figure which shows the electron emission source in Embodiment 1 of this invention. ガラス基板上にカソード電極を形成した状態を示す図である。It is a figure which shows the state which formed the cathode electrode on the glass substrate. さらに電子放出部を形成した状態を示す図である。Furthermore, it is a figure which shows the state which formed the electron emission part. シリコーンラダーポリマーによる絶縁層を形成した状態を示す図である。It is a figure which shows the state which formed the insulating layer by a silicone ladder polymer. テーブルコータを示す斜視図である。It is a perspective view which shows a table coater. ゲート電極用の金属膜を成膜した状態を示す図である。It is a figure which shows the state which formed the metal film for gate electrodes. さらにレジスト膜を形成した状態を示す図である。Furthermore, it is a figure which shows the state in which the resist film was formed. 露光マスクを配置してレジスト膜をパターニングした状態を示す図である。It is a figure which shows the state which has arrange | positioned the exposure mask and patterned the resist film. ゲート電極に開口部を設けた状態を示す図である。It is a figure which shows the state which provided the opening part in the gate electrode. 本発明の実施の形態2において、シリコーンラダーポリマーの上にレジスト膜を形成した状態を示す図である。In Embodiment 2 of this invention, it is a figure which shows the state which formed the resist film on the silicone ladder polymer. 露光マスクを配置してレジスト膜をパターニングして島状レジストパターンを形成した状態を示す図である。It is a figure which shows the state which has arrange | positioned the exposure mask and patterned the resist film and formed the island-like resist pattern. ゲート電極用の金属膜を成膜した状態を示す図である。It is a figure which shows the state which formed the metal film for gate electrodes. 開口部に対応するゲート電極用の金属膜をリフトオフした状態を示す図である。It is a figure which shows the state which lifted off the metal film for gate electrodes corresponding to an opening part. シリコーンラダーポリマーの絶縁層の重量平均分子量と、スピンウエットエッチングにおける到達エッチング深さとの関係を示す図である。It is a figure which shows the relationship between the weight average molecular weight of the insulating layer of a silicone ladder polymer, and the ultimate etching depth in spin wet etching. 本発明の実施の形態6における電子放出源の開口部を示す平面図である。It is a top view which shows the opening part of the electron emission source in Embodiment 6 of this invention. 図16の断面斜視図である。It is a cross-sectional perspective view of FIG. 本発明の実施の形態8における画像表示装置を示す断面図である。It is sectional drawing which shows the image display apparatus in Embodiment 8 of this invention. 本発明の実施の形態8における画像表示装置の製造においてカソード電極を形成した状態を示す平面図である。It is a top view which shows the state in which the cathode electrode was formed in manufacture of the image display apparatus in Embodiment 8 of this invention. 図19のXX-XX線に沿う断面図である。It is sectional drawing which follows the XX-XX line of FIG. さらにシリコーンラダーポリマーの絶縁層を形成した状態を示す平面図である。Furthermore, it is a top view which shows the state in which the insulating layer of the silicone ladder polymer was formed. 図21のXXII-XXII線に沿う断面図である。It is sectional drawing which follows the XXII-XXII line | wire of FIG. さらにゲート電極を形成した状態を示す平面図である。Furthermore, it is a top view which shows the state in which the gate electrode was formed. 図23のXXIV-XXIV線に沿う断面図である。It is sectional drawing which follows the XXIV-XXIV line | wire of FIG. さらに開口部を設け、電子放出部を露出させた状態を示す平面図である。Furthermore, it is a top view which shows the state which provided the opening part and exposed the electron emission part. 図25のXXVI-XXVI線に沿う断面図である。It is sectional drawing which follows the XXVI-XXVI line of FIG.

符号の説明Explanation of symbols

1 ガラス基板、2 カソード電極、3 電子放出部、4 絶縁層、5 ゲート電極、6 レジスト膜、7 露光マスク、8 開口部、8a ゲート開口部(第1開口部)、8b 絶縁層開口部(第2開口部)、21 インク射出部、22 基材、23 塗布膜、36 ネガレジスト膜、49 カソード基板、50 重量平均分子量11万の曲線、51 重量平均分子量13万の曲線、52 重量平均分子量17万の曲線、61 アノード電極、62 蛍光体層、63 アノード基板(前面パネル)、64 スペーサガラス。   DESCRIPTION OF SYMBOLS 1 Glass substrate, 2 Cathode electrode, 3 Electron emission part, 4 Insulating layer, 5 Gate electrode, 6 Resist film, 7 Exposure mask, 8 Opening part, 8a Gate opening part (1st opening part), 8b Insulating layer opening part ( 2nd opening), 21 ink ejection part, 22 base material, 23 coating film, 36 negative resist film, 49 cathode substrate, 50 curve of weight average molecular weight 110,000, 51 curve of weight average molecular weight 130,000, 52 weight average molecular weight 170,000 curves, 61 anode electrode, 62 phosphor layer, 63 anode substrate (front panel), 64 spacer glass.

Claims (11)

ゲート電極を有し、カソード電極上の電子放出部から電子を放出する電子放出源であって、
前記カソード電極および電子放出部と、前記ゲート電極とを隔てるように位置するシリコーンラダーポリマーの絶縁層と、
前記電子放出部が露出するように前記絶縁層およびゲート電極に設けられた開口部とを備える、電子放出源。
An electron emission source having a gate electrode and emitting electrons from an electron emission portion on the cathode electrode,
An insulating layer of a silicone ladder polymer positioned so as to separate the cathode electrode and the electron emission portion from the gate electrode;
An electron emission source comprising: the insulating layer and an opening provided in the gate electrode so that the electron emission portion is exposed.
前記シリコーンラダーポリマーの重量平均分子量が16万以下である、請求項1に記載の電子放出源。   The electron emission source according to claim 1, wherein the silicone ladder polymer has a weight average molecular weight of 160,000 or less. 前記電子放出部がカーボンナノチューブによって形成されている、請求項1または2に記載の電子放出源。   The electron emission source according to claim 1, wherein the electron emission portion is formed of carbon nanotubes. 前記絶縁層における開口部の直径は、前記ゲート電極における開口部の直径と、その絶縁層の膜厚の2倍との和以下である、請求項1〜3のいずれかに記載の電子放出源。   4. The electron emission source according to claim 1, wherein the diameter of the opening in the insulating layer is equal to or less than the sum of the diameter of the opening in the gate electrode and twice the thickness of the insulating layer. . 前記ゲート電極における開口部は2つ以上の開口部からなり、平面的に見て、前記2つ以上の開口部はすべて前記絶縁層における1つの開口部に含まれる、請求項1〜4のいずれかに記載の電子放出源。   The opening in the gate electrode includes two or more openings, and the two or more openings are all included in one opening in the insulating layer in a plan view. An electron emission source according to claim 1. 前記電子放出部はレーザ照射がなされたレーザ照射層を有する、請求項1〜5のいずれかに記載の電子放出源。   The electron emission source according to any one of claims 1 to 5, wherein the electron emission portion has a laser irradiation layer irradiated with a laser. 画素が平面状に配列された画素表示装置であって、平面的に見て、複数のストライプ状のカソード電極と、複数のストライプ状のゲート電極とが、互いに交差するように配置され、その交差部に前記画素が配置され、その画素に前記請求項1〜6のいずれかに記載の電子放出源を備える、画素表示装置。   A pixel display device in which pixels are arranged in a planar shape, and a plurality of stripe-shaped cathode electrodes and a plurality of stripe-shaped gate electrodes are arranged so as to intersect with each other when seen in a plan view. A pixel display device, wherein the pixel is disposed in a portion, and the pixel includes the electron emission source according to claim 1. 基板の上にカソード電極を形成する工程と、
前記カソード電極の上に電子放出部を形成する工程と、
前記カソード電極および前記電子放出部を覆うように、ワニス状のシリコーンラダーポリマーを塗布し、前記シリコーンラダーポリマーを熱処理することにより絶縁層を形成する工程と、
前記絶縁層の上に、前記電子放出部の上方に開口部を有する導電層のゲート電極を形成する工程と、
前記絶縁層をエッチングして、前記電子放出部をその底面とする開口部を形成する工程とを備える、電子放出源の製造方法。
Forming a cathode electrode on the substrate;
Forming an electron emission portion on the cathode electrode;
Applying a varnish-like silicone ladder polymer so as to cover the cathode electrode and the electron emission portion, and heat-treating the silicone ladder polymer to form an insulating layer;
Forming a gate electrode of a conductive layer having an opening above the electron emission portion on the insulating layer;
Etching the insulating layer to form an opening having the electron emission portion as a bottom surface thereof.
前ゲート電極を形成する工程では、前記絶縁層の上に前記導電層を形成し、次いでその導電層の上にレジスト膜を形成し、その後前記電子放出部の上方部分が抜けるように前記レジスト膜を露光/現像し、次いで現像後のレジスト膜パターンをマスクとして前記導電層をエッチングして、前記絶縁層を露出させる、請求項8に記載の電子放出源の製造方法。   In the step of forming the front gate electrode, the conductive layer is formed on the insulating layer, and then a resist film is formed on the conductive layer, and then the upper portion of the electron emission portion is removed. 9. The method of manufacturing an electron emission source according to claim 8, wherein the conductive layer is etched using the resist film pattern after development as a mask to expose the insulating layer. 前ゲート電極を形成する工程では、前記絶縁層の上にレジスト膜を形成し、次いで前記電子放出部の上方部分が残るように前記レジスト膜を露光/現像し、その後前記絶縁層とレジスト膜上に渡って導電層を成膜し、次いで前記残ったレジスト膜とその残ったレジスト膜上に成膜された導電層とをリフトオフし、他の部分の導電層はゲート電極として残して、前記絶縁層を露出させる、請求項8に記載の電子放出源の製造方法。   In the step of forming the front gate electrode, a resist film is formed on the insulating layer, and then the resist film is exposed / developed so that an upper portion of the electron emission portion remains, and then on the insulating layer and the resist film. Then, a conductive layer is formed, and then the remaining resist film and the conductive layer formed on the remaining resist film are lifted off, and the other part of the conductive layer is left as a gate electrode, and the insulation is performed. The method of manufacturing an electron emission source according to claim 8, wherein the layer is exposed. 前記開口部を通して、前記電子放出部にレーザ照射する工程をさらに備える、請求項8〜10のいずれかに記載の電子放出源の製造方法。   The manufacturing method of the electron emission source in any one of Claims 8-10 further equipped with the process of irradiating the said electron emission part with a laser through the said opening part.
JP2004035277A 2004-02-12 2004-02-12 Electron emission source, method for manufacturing the same, and pixel display device Expired - Fee Related JP4353823B2 (en)

Priority Applications (1)

Application Number Priority Date Filing Date Title
JP2004035277A JP4353823B2 (en) 2004-02-12 2004-02-12 Electron emission source, method for manufacturing the same, and pixel display device

Applications Claiming Priority (1)

Application Number Priority Date Filing Date Title
JP2004035277A JP4353823B2 (en) 2004-02-12 2004-02-12 Electron emission source, method for manufacturing the same, and pixel display device

Publications (2)

Publication Number Publication Date
JP2005228564A true JP2005228564A (en) 2005-08-25
JP4353823B2 JP4353823B2 (en) 2009-10-28

Family

ID=35003100

Family Applications (1)

Application Number Title Priority Date Filing Date
JP2004035277A Expired - Fee Related JP4353823B2 (en) 2004-02-12 2004-02-12 Electron emission source, method for manufacturing the same, and pixel display device

Country Status (1)

Country Link
JP (1) JP4353823B2 (en)

Cited By (5)

* Cited by examiner, † Cited by third party
Publication number Priority date Publication date Assignee Title
JP2007128809A (en) * 2005-11-07 2007-05-24 Ulvac Japan Ltd Cathode substrate and its preparation method, as well as display element, and its preparation method
JP2007157533A (en) * 2005-12-06 2007-06-21 Mitsubishi Electric Corp Electron emission display device and manufacturing method thereof
JP2007227348A (en) * 2006-02-20 2007-09-06 Samsung Sdi Co Ltd Electron emission device and electron emission display device using electron emission device
US7399214B2 (en) 2005-05-11 2008-07-15 Mitsubishi Denki Kabushiki Kaisha Method of manufacturing electron emission source
CN116261355A (en) * 2021-12-08 2023-06-13 纳晶科技股份有限公司 Light-emitting device, manufacturing method thereof, and electronic equipment including light-emitting device

Cited By (5)

* Cited by examiner, † Cited by third party
Publication number Priority date Publication date Assignee Title
US7399214B2 (en) 2005-05-11 2008-07-15 Mitsubishi Denki Kabushiki Kaisha Method of manufacturing electron emission source
JP2007128809A (en) * 2005-11-07 2007-05-24 Ulvac Japan Ltd Cathode substrate and its preparation method, as well as display element, and its preparation method
JP2007157533A (en) * 2005-12-06 2007-06-21 Mitsubishi Electric Corp Electron emission display device and manufacturing method thereof
JP2007227348A (en) * 2006-02-20 2007-09-06 Samsung Sdi Co Ltd Electron emission device and electron emission display device using electron emission device
CN116261355A (en) * 2021-12-08 2023-06-13 纳晶科技股份有限公司 Light-emitting device, manufacturing method thereof, and electronic equipment including light-emitting device

Also Published As

Publication number Publication date
JP4353823B2 (en) 2009-10-28

Similar Documents

Publication Publication Date Title
JP5612691B2 (en) Organic EL device and method for manufacturing the same
EP2053462B1 (en) Method for fabricating an electronic circuit device
JP3614377B2 (en) Method of manufacturing field electron emission device and field electron emission device manufactured thereby
JP4353823B2 (en) Electron emission source, method for manufacturing the same, and pixel display device
CN103548173B (en) For manufacturing the manufacture equipment of Rotating fields
CN101874281B (en) Cathode assembly containing an ultraviolet light-blocking dielectric layer
JP2002245927A (en) Substrate having fine lines, electron source, and image display device
JP3958695B2 (en) Method for manufacturing cold cathode display device
KR100753064B1 (en) Method of manufacturing thick dielectric pattern and method of manufacturing image displaying apparatus
JP2004288609A (en) Electron emission source, manufacturing method thereof, and image display device
US7399214B2 (en) Method of manufacturing electron emission source
JP2005116500A (en) Field emission display device and manufacturing method thereof
JP4196079B2 (en) Method for manufacturing plasma display panel
KR20050096541A (en) Negative hole structure having protruded portion, method for forming the same and fed cathode part comprising the same
CN100545986C (en) Manufacturing method of plasma display panel
JP4539112B2 (en) Method for manufacturing plasma display panel
JP2007200564A (en) Manufacturing method of electron emission source
JP2004265634A (en) Method for manufacturing plasma display panel
KR100569264B1 (en) Manufacturing method of field emission display device
KR20060009681A (en) Field emission display having carbon nanotube emitter and manufacturing method thereof
JP4818802B2 (en) Manufacturing method of electron emission source
JP5075007B2 (en) Cold cathode device, method of manufacturing the same, cold cathode display including the same, lighting device, and backlight for liquid crystal display device
Nishimura et al. Fabrication of CNT field‐emitter array using a polymer insulator
JP2024527246A (en) Trilayer photosensitive system and method for patterning organic devices - Patents.com
JP2007287403A (en) Method of manufacturing field electron emission element

Legal Events

Date Code Title Description
A621 Written request for application examination

Free format text: JAPANESE INTERMEDIATE CODE: A621

Effective date: 20061016

A977 Report on retrieval

Free format text: JAPANESE INTERMEDIATE CODE: A971007

Effective date: 20090409

A131 Notification of reasons for refusal

Free format text: JAPANESE INTERMEDIATE CODE: A131

Effective date: 20090512

A521 Written amendment

Free format text: JAPANESE INTERMEDIATE CODE: A523

Effective date: 20090618

TRDD Decision of grant or rejection written
A01 Written decision to grant a patent or to grant a registration (utility model)

Free format text: JAPANESE INTERMEDIATE CODE: A01

Effective date: 20090721

A01 Written decision to grant a patent or to grant a registration (utility model)

Free format text: JAPANESE INTERMEDIATE CODE: A01

A61 First payment of annual fees (during grant procedure)

Free format text: JAPANESE INTERMEDIATE CODE: A61

Effective date: 20090728

R150 Certificate of patent or registration of utility model

Free format text: JAPANESE INTERMEDIATE CODE: R150

FPAY Renewal fee payment (event date is renewal date of database)

Free format text: PAYMENT UNTIL: 20120807

Year of fee payment: 3

FPAY Renewal fee payment (event date is renewal date of database)

Free format text: PAYMENT UNTIL: 20120807

Year of fee payment: 3

FPAY Renewal fee payment (event date is renewal date of database)

Free format text: PAYMENT UNTIL: 20130807

Year of fee payment: 4

LAPS Cancellation because of no payment of annual fees