DE102005059552B4 - Shower system for aircraft - Google Patents
Shower system for aircraft Download PDFInfo
- Publication number
- DE102005059552B4 DE102005059552B4 DE200510059552 DE102005059552A DE102005059552B4 DE 102005059552 B4 DE102005059552 B4 DE 102005059552B4 DE 200510059552 DE200510059552 DE 200510059552 DE 102005059552 A DE102005059552 A DE 102005059552A DE 102005059552 B4 DE102005059552 B4 DE 102005059552B4
- Authority
- DE
- Germany
- Prior art keywords
- shower
- water
- water flow
- shower system
- flow
- Prior art date
- Legal status (The legal status is an assumption and is not a legal conclusion. Google has not performed a legal analysis and makes no representation as to the accuracy of the status listed.)
- Expired - Fee Related
Links
- XLYOFNOQVPJJNP-UHFFFAOYSA-N water Substances O XLYOFNOQVPJJNP-UHFFFAOYSA-N 0.000 claims abstract description 144
- 238000011144 upstream manufacturing Methods 0.000 claims abstract description 6
- 238000010438 heat treatment Methods 0.000 claims description 6
- 230000004048 modification Effects 0.000 claims description 6
- 238000012986 modification Methods 0.000 claims description 6
- 230000015572 biosynthetic process Effects 0.000 claims description 3
- 230000009471 action Effects 0.000 claims description 2
- 230000004913 activation Effects 0.000 claims description 2
- 239000003795 chemical substances by application Substances 0.000 claims description 2
- 230000009849 deactivation Effects 0.000 claims description 2
- 230000003213 activating effect Effects 0.000 claims 1
- 238000000926 separation method Methods 0.000 claims 1
- 238000009423 ventilation Methods 0.000 claims 1
- 238000009434 installation Methods 0.000 description 5
- 230000008014 freezing Effects 0.000 description 2
- 238000007710 freezing Methods 0.000 description 2
- 239000000463 material Substances 0.000 description 2
- 244000052616 bacterial pathogen Species 0.000 description 1
- 230000008859 change Effects 0.000 description 1
- 230000000295 complement effect Effects 0.000 description 1
- 238000011109 contamination Methods 0.000 description 1
- 230000006735 deficit Effects 0.000 description 1
- 230000001419 dependent effect Effects 0.000 description 1
- 239000013505 freshwater Substances 0.000 description 1
- 244000144980 herd Species 0.000 description 1
- 238000003780 insertion Methods 0.000 description 1
- 230000037431 insertion Effects 0.000 description 1
- 244000005700 microbiome Species 0.000 description 1
- 230000002035 prolonged effect Effects 0.000 description 1
- 230000011664 signaling Effects 0.000 description 1
- 230000009182 swimming Effects 0.000 description 1
- 230000000007 visual effect Effects 0.000 description 1
- 238000005406 washing Methods 0.000 description 1
Classifications
-
- B—PERFORMING OPERATIONS; TRANSPORTING
- B64—AIRCRAFT; AVIATION; COSMONAUTICS
- B64D—EQUIPMENT FOR FITTING IN OR TO AIRCRAFT; FLIGHT SUITS; PARACHUTES; ARRANGEMENT OR MOUNTING OF POWER PLANTS OR PROPULSION TRANSMISSIONS IN AIRCRAFT
- B64D11/00—Passenger or crew accommodation; Flight-deck installations not otherwise provided for
- B64D11/02—Toilet fittings
Landscapes
- Engineering & Computer Science (AREA)
- Aviation & Aerospace Engineering (AREA)
- Bathtubs, Showers, And Their Attachments (AREA)
Abstract
Duschsystem zum Einsatz in einem Luftfahrzeug während eines Fluges, umfassend die folgenden Komponenten:
– eine Zulaufleitung (14), über welche dem Duschsystem ein Wasserstrom zuführbar ist;
– einen Duschkopf (6), aus welchem ein aufbereiteter Duschwasserstrom aus dem Duschsystem ausleitbar ist; und
– eine Vorrichtung (1, 2, 9, 3) zur Modifikation zumindest eines Parameters des Wasserstroms, welche zwischen die Zulaufleitung (14) und den Duschkopf (6) geschaltet ist,
wobei die Vorrichtung zur Modifikation (1, 2, 9, 3) der Parameter des Wasserstroms zumindest ein Ventil (9, 15) aufweist, welches derart ausgelegt und angeordnet ist, dass es in einem stromaufwärtig druckfreien Zustand selbsttätig öffnet, um eine Entleerung des gesamten Duschsystems zu ermöglichen.Shower system for use in an aircraft during a flight, comprising the following components:
- A supply line (14) through which the shower system, a water flow can be supplied;
- A shower head (6), from which a recycled shower water flow from the shower system is divertable; and
- A device (1, 2, 9, 3) for modifying at least one parameter of the water flow, which is connected between the supply line (14) and the shower head (6),
the device for modifying (1, 2, 9, 3) the parameters of the flow of water comprising at least one valve (9, 15) designed and arranged to automatically open in an upstream pressure-free state, in order to empty the whole Shower system to allow.
Description
TECHNISCHES GEBIETTECHNICAL AREA
Die Erfindung betrifft im Allgemeinen das Gebiet der Sanitärtechnik. Insbesondere betrifft die Erfindung ein Duschsystem, welches speziell für den Einsatz in Verkehrsflugzeugen ausgebildet ist. Darüber hinaus betrifft die Erfindung ein mit solch einem Duschsystem ausgestattetes Flugzeug.The This invention relates generally to the field of sanitary engineering. In particular, the invention relates to a shower system, which specifically for use is designed in commercial aircraft. In addition, the invention relates an aircraft equipped with such a shower system.
HINTERGRUND DER ERFINDUNGBACKGROUND OF THE INVENTION
Aus dem öffentlich-gewerblichen Bereich wie beispielsweise aus Frei- oder Hallenbädern sind Duschen bekannt, welche mit einer meist mechanischen Duschzeitbegrenzungseinrichtung ausgestattet sind, welche durch Betätigung eines Druckknopfes für begrenzte Zeit einen Duschwasserstrom freigeben, ohne dass sich dieser Duschwasserstrom vor Ablauf der Zeit wieder abstellen lässt. Außerdem sind aus dem öffentlich-gewerblichen Bereich auch Duschen bekannt, bei denen die Warmwasserversorgung lediglich zeitlich begrenzt durch Münzeinwurf aktiviert werden kann. Ein Problem dieser Duschen besteht dabei darin, dass wenn eine Person einmal einen Duschstrom aktiviert hat, sich dieser vor Ablauf einer vorbestimmten Zeit nicht wieder deaktivieren lässt, was letztendlich zu einem erhöhten Wasserverbrauch führt und wenig Komfort bietet. Auch ist eine exakte Limitierung des Wasserverbrauchs auf eine definierte Maximalmenge pro Duschzyklus mit den bekannten Duschsystemen nicht möglich.Out the public-commercial Area such as from outdoor or indoor swimming pools are Showers known which with a mostly mechanical Duschzeitbegrenzungseinrichtung equipped, which by pressing a button for limited Time release a shower water flow without this shower water flow shut off before the time has expired. In addition, from the public-commercial Area also known as showers, where the hot water supply only be activated for a limited time by coin insertion can. One problem with these showers is that if Once a person has activated a shower stream, he or she is in front of it Expiration of a predetermined time can not be deactivated again, which ultimately to an increased Water consumption leads and offers little comfort. Also is an exact limitation of water consumption to a defined maximum amount per shower cycle with the known Shower systems not possible.
Ein weiterer Nachteil bekannter Duschen, welcher letztendlich dazu führt, dass diese nicht im Bereich der kommerziellen Luft- und Raumfahrttechnik eingesetzt werden können, besteht darin, dass sie keine Einrichtungen zur Drainierung, also zur Entleerung des Duschsystems von Frischwasser besitzen. Bei bekannten Duschen können sich so genannte ”Wassersäcke” bilden, worunter man Wassereinschlüsse in den Leitungen des Duschsystems versteht, welche sich in lokalen Tiefpunkten der Leitungen befinden. Auf Grund der Existenz solcher Wassersäcke können bekannte Duschsysteme nicht im Bereich der kommerziellen Luft- und Raumfahrttechnik eingesetzt werden, da derartige Restwassermengen zum Einfrieren neigen können, wenn ein Flugzeug beispielsweise längere Zeit unbeheizt an einem kalten Ort steht, was letztendlich zu Beschädigungen des Duschsystems, insbesondere dessen Leitungen führen kann. Darüber hinaus können diese Wassersäcke als Wachstumsherde für Keime und schädliche Mikroorganismen wirken, die insbesondere bei längerer Inaktivität des Duschensystems zu Verkeimungen und damit zur Beeinträchtigung der Wasserqualität führen.One Another disadvantage of known showers, which ultimately leads to that these are not in the field of commercial aerospace engineering can be used is that they have no facilities for drainage, so have to drain the shower system of fresh water. At acquaintances Showers can form so-called "water bags", including water closures in the pipes of the shower system understands that in local Low points of the lines are. Due to the existence of such water bags can known shower systems not in the field of commercial air and Space technology to be used, since such amounts of residual water can tend to freeze, For example, if an airplane is unheated for a long time on a cold Place, which ultimately damages the shower system, in particular lead his lines can. About that can out these water bags as a herd of growth for Germs and harmful Microorganisms act, especially during prolonged inactivity of the shower system lead to contamination and thus impairment of water quality.
Aus
Ferner
ist aus
Aus
Aus
DARSTELLUNG DER ERFINDUNGPRESENTATION OF THE INVENTION
Ausgehend von den zuvor beschriebenen Nachteilen bekannter Duschen und Duschsysteme besteht die Aufgabe der Erfindung darin, ein Duschsystem anzugeben, welches sich auch im Bereich der Luft- und Raumfahrttechnik, insbesondere in Verkehrsflugzeugen einsetzen lässt.outgoing consists of the previously described disadvantages of known showers and shower systems the object of the invention is to provide a shower system which also in the field of aerospace engineering, in particular can be used in commercial aircraft.
Die Aufgabe der Erfindung wird jeweils gelöst durch die Gegenstände der unabhängigen Ansprüche, vorteilhafte Ausgestaltungen werden durch die abhängigen Ansprüche verkörpert.The The object of the invention is achieved in each case by the objects of independent Claims, advantageous embodiments are embodied by the dependent claims.
Das erfindungsgemäße Duschsystem ist speziell für den Einsatz in einem Luftfahrzeug ausgebildet und umfasst hierzu u. a. eine Zulaufleitung, über welche dem Duschsystem ein Wasserstrom zugeführt werden kann. Fernerhin umfasst das Duschsystem einen Duschkopf, aus welchem ein aus dem Wasserstrom aufbereiteter Duschwasserstrom aus dem Duschsystem ausgeleitet werden kann. Als weitere Komponente umfasst das Duschsystem eine Vorrichtung, mit welcher sich zumindest ein Parameter des Duschwasserstroms wie beispielsweise dessen Temperatur oder die Durchflussmenge pro Zeiteinheit variieren lässt. Hierzu ist die Vorrichtung zur Modifikation der Wasserstromparameter zwischen die Zulaufleitung und den Duschkopf geschaltet. Damit das Duschsystem im ungenutzten Zustand drainiert, also entleert werden kann, ist in der Vorrichtung zur Modifikation der Parameter des Duschwasserstroms zumindest ein Ventil angeordnet, welches in einem stromaufwärts befindlichen druckfreien Zustand öffnet, um so das Duschsystem im ungenutzten Zustand drainieren zu können. Durch die Anordnung eines derartig ausgebildeten Ventils, welches sich öffnet, wenn es stromaufwärts nicht mit einem Wasserstrom beaufschlagt wird, lässt sich erreichen, dass das Duschsystem vollständig von Wasser entleert werden kann, wodurch die Gefahr des Einfrierens von Leitungen, wodurch das Duschsystem beschädigt werden kann, weitestgehend eliminiert werden kann.The shower system according to the invention is specially designed for use in an aircraft and includes for this purpose, inter alia, a supply line, via which the shower system, a water flow can be supplied. Furthermore, the shower system comprises a shower head, from which a shower water stream treated from the water flow can be discharged from the shower system. As a further component, the shower system comprises a device with which at least one parameter of the shower water flow such as its temperature or the flow rate per unit time can be varied. For this purpose, the device for modifying the water flow parameters is connected between the supply line and the shower head. So that the shower system drains in the unused state, that can be emptied, at least one valve is arranged in the device for modifying the parameters of the shower water flow, which opens in an upstream pressure-free state, so as to be able to drain the shower system in the unused state. The arrangement of such a valve, which If, when upstream, no water flow is applied, the shower system can be completely drained of water, thereby largely eliminating the risk of line freezing, which can damage the shower system.
Das Duschsystem kann mit einem flexiblen Schlauch ausgestattet werden, welcher den Duschkopf und die Vorrichtung zur Modifikation der Parameter des Wasserstroms zumindest mittelbar verbindet. Jedoch erfordert diese Anordnung zusätzlichen Aufwand um die Verbindung zwischen Duschkopf und der Vorrichtung zur Wasserparametermodifikation im unbenutzten Zustand der Dusche so zu verlegen, dass keine Tiefpunkte entstehen, in welchen sich Wassersäcke bilden können. Eine derartige Bildung von Wassersäcken lässt sich wirkungsvoll vor allem dadurch ausschließen, indem das Duschsystem zumindest ein Fixiermittel umfasst, mit dem der Schlauch derart temporär verlegt werden kann, dass er im verlegten Zustand keine Tiefpunkte aufweist, in welchen sich ansonsten Wassersäcke bilden könnten. Alternativ ist für ein Duschsystem mit einem fest an einer Installationswand angebrachten Duschkopf kein gesonderter Aufwand zur Drainage erforderlich, sofern die Wasserleitungen mit einem stetigen Gefälle verlegt werden.The Shower system can be equipped with a flexible hose, which the shower head and the device for the modification of the parameters the water flow connects at least indirectly. However required this arrangement additional effort the connection between the shower head and the water parameters modification device in the unused state of the shower so to lay, that no low points arise, in which water sacs can form. A Such formation of water bags let yourself especially by excluding the shower system at least one fixing means, with which the hose so temporary can be laid that he laid in the laid state no low points has, in which otherwise water bags could form. alternative is for a shower system with a firmly attached to an installation wall Shower head no separate drainage required, provided the water pipes are laid with a steady gradient.
Gemäß einer speziellen Ausführungsform des Duschsystems kann die Vorrichtung zur Wasserstromparametermodifikation stromabwärts der zumindest einen Zulaufleitung eine Wassererwärmungseinrichtung zur Erzeugung eines Warmwasserstroms aufweisen. Um eine individuelle Warmwassertemperatur erzeugen zu können, kann das Duschsystem bzw. die Vorrichtung zur Wasserstromparametermodifikation fernerhin eine Mischereinheit zum Mischen des Warmwasserstroms mit einem Kaltwasserstrom aufweisen, welche hierzu stromabwärts der Wassererwärmungsvorrichtung angeordnet ist.According to one special embodiment of the Shower system can the device for water flow parameter modification downstream the at least one supply line a water heating device for generating have a hot water flow. To an individual hot water temperature to be able to produce can the shower system or the device for water flow parameter modification Furthermore, a mixer unit for mixing the hot water flow with have a cold water flow, which for this purpose downstream of the Water heater is arranged.
Gemäß einem weiteren Aspekt der Erfindung kann die Vorrichtung zur Wasserstromparametermodifikation fernerhin eine Wasseraufbereitungseinheit wie beispielsweise einen Filter oder eine UV-Lichtquelle aufweisen, womit sich die Wasserqualität verbessern lässt.According to one Another aspect of the invention may be the device for water flow parameter modification Furthermore, a water treatment unit such as a Filter or a UV light source, which improve the water quality leaves.
Um den Wasserverbrauch mit Hilfe des erfindungsgemäßen Duschsystems reduzieren zu können, umfasst das erfindungsgemäße Duschsystem fernerhin eine Betätigungseinrichtung, mit welcher sich der Duschwasserstrom sowohl aktivieren wie auch deaktivieren lässt. Die Betätigungseinrichtung ist dabei so ausgebildet, dass sich durch wiederholte Aktivierung und Deaktivierung derselben eine vorbestimmbare Duschwasserstrommenge [m3], welche durch den technisch limitierten Volumenstrom [m3/s] des Duschensystems einer vordefinierten Duschzeit entspricht, in Form von zeitlich voneinander getrennten Duschwasserströmen [m3/s] über den Duschkopf ausleiten lässt. Im Gegensatz zu bekannten Duschen bzw. Duschsystemen aus dem öffentlich-gewerblichen Bereich lässt sich somit ein einmal aktivierter Duschwasserstrom unterbrechen, sodass eine Person beispielsweise während des Haarewaschens den Duschwasserstrom unterbrechen kann, was letztendlich zur Reduzierung des gesamten Wasserverbrauchs beiträgt.In order to be able to reduce the water consumption with the aid of the shower system according to the invention, the shower system according to the invention further comprises an actuating device with which the shower water flow can both be activated and deactivated. The actuating device is designed so that by means of repeated activation and deactivation thereof for a predeterminable shower water flow amount [m 3], which by technically limited flow rate [m 3 / s] corresponds to the shower system of a predefined shower time, in the form of time-separated shower water flows [ m 3 / s] over the shower head. In contrast to known showers or shower systems from the public-commercial sector can thus interrupt a once activated shower water stream, so that a person can interrupt the shower water flow, for example, during hair washing, which ultimately contributes to reducing the total water consumption.
Um außerhalb des Duschbereichs liegende Bereiche weitestgehend von Wasserspritzern frei zu halten, kann das erfindungsgemäße Duschsystem fernerhin eine Abtrennvorrichtung wie beispielsweise einen Duschvorhang oder dergleichen umfassen, womit sich der Zugang zu einem von aus dem Duschkopf austretenden Duschwasserstrom definierten Duschbereich verschließen lässt. Mit dieser Abtrennvorrichtung ist ein Absperrventil, welches beispielsweise mit der Betätigungseinrichtung zusammenwirken kann, zur Unterbrechung des Duschwasserstroms über einen Wirkpfad derart gekoppelt, dass der Duschwasserstrom bei nicht verschlossener Abtrennvorrichtung unterbrochen wird, sodass beispielsweise im Falle eines geöffneten Duschvorhangs sich der Duschwasserstrom erst gar nicht aktivieren lässt oder entsprechend unterbrochen wird.Around outside The shower areas lying areas largely of water splashes Furthermore, the shower system according to the invention can be kept free Separating device such as a shower curtain or the like including access to one of the shower head exiting Shower water flow can close closed shower area. With This separator is a shut-off valve, which, for example with the actuator can cooperate, to interrupt the shower water flow through a Path of action coupled so that the shower water flow when not closed Separating device is interrupted, so that, for example, in the case an open one Shower curtain, the shower water flow does not activate at all leaves or is interrupted accordingly.
Gemäß einem weiteren Aspekt der Erfindung kann das Duschsystem fernerhin eine Steuereinheit umfassen, welche eingerichtet ist, um beispielsweise die absolut zur Verfügung stehende Duschwassermenge, den maximalen Duschwasserstrom, die maximale Duschstrom dauer, die maximale Warmwasserstromtemperatur sowie die Wasserverfolgung in Echtzeit (Water Tracking Time) einzustellen. Bei der genannten Water Tracking Time handelt es sich um ein Zeitintervall vor Ablauf der zur Verfügung stehenden Duschstromdauer, wobei bei dessen Erreichen der Duschwasserstrom zumindest temporär kurz unterbrochen wird, um das herannahende Ende der Duschstromdauer anzuzeigen. Die Water Tracking Time kann auch andere Indikatoren zur Signalisierung des bevorstehenden Duschzeitendes, wie beispielsweise akustische oder visuelle Signale beinhalten.According to one In another aspect of the invention, the shower system may further comprise a Control unit, which is set up, for example the absolutely available standing amount of shower water, the maximum shower water flow, the maximum Shower current duration, the maximum hot water flow temperature and the To set water tracking in real time (Water Tracking Time). The mentioned Water Tracking Time is a time interval before the expiration of the available standing shower current duration, wherein when it reaches the shower water flow at least temporarily briefly interrupted, to the approaching end of the shower current duration display. The Water Tracking Time may include other indicators for signaling the upcoming shower end, such as include acoustic or visual signals.
Gemäß noch einem weiteren Aspekt des erfindungsgemäßen Duschsystems kann dieses eine Anzeige umfassen, welche eingerichtet ist, um zumindest einen Parameter aus der Gruppe bestehend aus aktuellem Duschwasserstrom, Gesamtduschwassermenge, verbleibende Duschwassermenge, gesamte Duschstromdauer, verbleibende Duschstromdauer, verstrichene Duschstromdauer und Duschstromtemperatur anzuzeigen.According to one more Another aspect of the shower system according to the invention can this comprise a display arranged to at least one Parameter from the group consisting of current shower water flow, Total shower water volume, remaining shower water volume, total shower power duration, remaining shower current duration, elapsed shower current duration and shower current temperature display.
KURZE BESCHREIBUNG DER ZEICHNUNGBRIEF DESCRIPTION OF THE DRAWING
Im Folgenden wird die Erfindung unter Bezugnahme auf die beigefügte Zeichnung exemplarisch erläutert. Es zeigt:in the The invention will be described below with reference to the attached drawing explained by way of example. It shows:
Die Darstellung ist nicht zwangsweise maßstäblich, kann jedoch qualitative Größenverhältnisse wiedergeben.The Representation is not necessarily to scale, but can be qualitative Reproduce proportions.
BESCHREIBUNG EINER BEISPIELHAFTEN AUSFÜHRUNGSFORM DER ERFINDUNGDESCRIPTION OF AN EXAMPLE Embodiment THE INVENTION
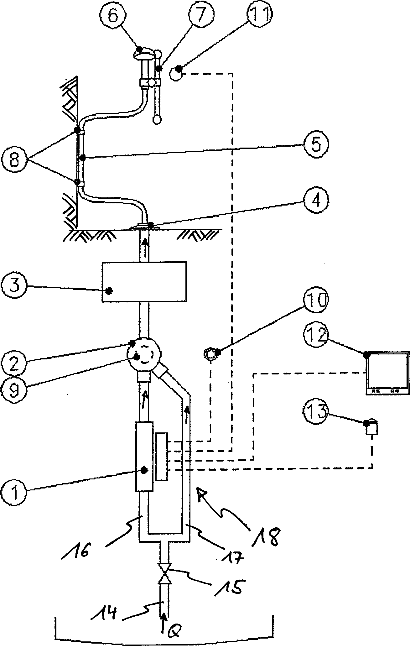
Die
Um
das Duschsystem vollständig
drainieren, also entleeren zu können,
ist in der genannten Vorrichtung zur Modifikation der Parameter
des Wasserstroms zumindest ein Ventil
Zwar
ist es möglich,
den Duschkopf
Im
Folgenden wird die Vorrichtung zur Modifikation der Parameter des
Wasserstroms genauer erläutert.
Diese Vorrichtung umfasst hier insbesondere eine Wassererwärmungseinrichtung
Von
der Zulaufleitung
In
dem in der
Zur
Regulierung der Duschwassertemperatur umfasst das erfindungsgemäße Duschsystem
einen Drehknopf (nicht dargestellt), über welchen sich das Mischverhältnis aus
Kalt- und Warmwasser bedarfsgerecht einstellen lässt. Das zuvor angesprochene
elektronisch ansteuerbare Ventil
Um
eine Person während
des Duschens beispielsweise über
die bereits verstrichene Duschzeit zu informieren, kann das erfindungsgemäße Duschsystem
eine Duschzeitanzeige
Das
bereits zuvor angesprochene elektronisch ansteuerbare Ventil
Um
Spritzwasser außerhalb
des von aus dem Duschkopf
Wie aus den vorangegangen Ausführungen deutlich hervorgeht, lässt sich mit der zuvor beschriebenen Anordnung des erfindungsgemäßen Duschsystems eine Drainage, also eine Entleerung des Duschsystems erzielen, wenn sich dieses in einem drucklosen Zustand befindet. Fernerhin kann durch die Limitierung der gesamt zur Verfügung stehenden Duschdauer der Gesamtwasserverbrauch reduziert werden. Dies wirkt sich jedoch nicht negativ auf den Duschkomfort aus, da sich der Duschwasserstrom mit Hilfe der zuvor beschriebenen Betätigungsvorrichtung in beliebige Duschwasserstromintervalle aufteilen lässt, sodass beispielsweise der Duschwasserstrom zum Schamponieren unterbrochen werden kann.As clear from the previous comments shows with the previously described arrangement of the shower system according to the invention achieve a drainage, ie a drainage of the shower system, if this is in a depressurized state. Furthermore, can by limiting the total amount of shower time available Total water consumption can be reduced. However, this does not affect Negative on the showering comfort, as the shower water flow with Help the actuator described above in any Divide showering water flow intervals, so for example the shower water stream can be interrupted for shampooing.
- 11
- WassererwärmungseinrichtungWater heater
- 22
- Mischereinheitmixer unit
- 33
- WasseraufbereitungseinheitWater treatment unit
- 44
- Anschlussstutzenspigot
- 55
- Duschschlauchshower hose
- 66
- Duschkopfshowerhead
- 77
- Duschstangeshower rod
- 88th
- Fixiermittel, ClipFixer, clip
- 99
- VentilValve
- 1010
- Druckknopfpush-button
- 1111
- Anzeigedisplay
- 1212
- Externe Steuereinheitexternal control unit
- 1313
- Schalterswitch
- 1414
- Zulaufleitungsupply line
- 1515
- Absperrventilshut-off valve
- 1616
- Erster Kanalfirst channel
- 1717
- Zweiter Kanalsecond channel
- 1818
- Betätigungseinrichtungactuator
Claims (11)
Priority Applications (2)
| Application Number | Priority Date | Filing Date | Title |
|---|---|---|---|
| DE200510059552 DE102005059552B4 (en) | 2005-12-13 | 2005-12-13 | Shower system for aircraft |
| US11/637,631 US8720463B2 (en) | 2005-12-13 | 2006-12-12 | Shower system for aircraft |
Applications Claiming Priority (1)
| Application Number | Priority Date | Filing Date | Title |
|---|---|---|---|
| DE200510059552 DE102005059552B4 (en) | 2005-12-13 | 2005-12-13 | Shower system for aircraft |
Publications (2)
| Publication Number | Publication Date |
|---|---|
| DE102005059552A1 DE102005059552A1 (en) | 2007-06-14 |
| DE102005059552B4 true DE102005059552B4 (en) | 2010-07-29 |
Family
ID=38056092
Family Applications (1)
| Application Number | Title | Priority Date | Filing Date |
|---|---|---|---|
| DE200510059552 Expired - Fee Related DE102005059552B4 (en) | 2005-12-13 | 2005-12-13 | Shower system for aircraft |
Country Status (1)
| Country | Link |
|---|---|
| DE (1) | DE102005059552B4 (en) |
Families Citing this family (1)
| Publication number | Priority date | Publication date | Assignee | Title |
|---|---|---|---|---|
| DE102009013558B4 (en) | 2009-03-17 | 2016-02-18 | Airbus Operations Gmbh | Combined Bidet Toilet Construction for Aircraft |
Citations (5)
| Publication number | Priority date | Publication date | Assignee | Title |
|---|---|---|---|---|
| GB1602191A (en) * | 1978-05-26 | 1981-11-11 | Mugglestone K | Shower assemblies |
| DE19956668A1 (en) * | 1999-11-25 | 2001-09-13 | Eads Airbus Gmbh | Shower facility |
| DE20115721U1 (en) * | 2001-09-25 | 2001-12-13 | Hörster, Wilfried, 58332 Schwelm | Foldable shower cubicle |
| WO2003005796A2 (en) * | 2001-07-10 | 2003-01-23 | Humberto Brache | Aircraft water heater |
| DE10308498A1 (en) * | 2003-02-26 | 2004-09-16 | Schüschke GmbH & Co. KG | Method for safeguarding water supply for complete water supply system esp. in aircraft, involves central control unit accessing complete installation on databank |
-
2005
- 2005-12-13 DE DE200510059552 patent/DE102005059552B4/en not_active Expired - Fee Related
Patent Citations (5)
| Publication number | Priority date | Publication date | Assignee | Title |
|---|---|---|---|---|
| GB1602191A (en) * | 1978-05-26 | 1981-11-11 | Mugglestone K | Shower assemblies |
| DE19956668A1 (en) * | 1999-11-25 | 2001-09-13 | Eads Airbus Gmbh | Shower facility |
| WO2003005796A2 (en) * | 2001-07-10 | 2003-01-23 | Humberto Brache | Aircraft water heater |
| DE20115721U1 (en) * | 2001-09-25 | 2001-12-13 | Hörster, Wilfried, 58332 Schwelm | Foldable shower cubicle |
| DE10308498A1 (en) * | 2003-02-26 | 2004-09-16 | Schüschke GmbH & Co. KG | Method for safeguarding water supply for complete water supply system esp. in aircraft, involves central control unit accessing complete installation on databank |
Also Published As
| Publication number | Publication date |
|---|---|
| DE102005059552A1 (en) | 2007-06-14 |
Similar Documents
| Publication | Publication Date | Title |
|---|---|---|
| EP0910712B1 (en) | Water run-out fitting | |
| EP3337931B1 (en) | Device and method for automatic supply pipe flushing with multiple valve | |
| DE102013001584A1 (en) | sanitary arrangement | |
| EP3580394B1 (en) | Flushing system for a sanitary device and toilet or urinal flushing | |
| DE3837032A1 (en) | PIPE INTERRUPTER FOR SANITARY SYSTEMS, ESPECIALLY FOR INSTALLATION IN A SANITARY FITTING | |
| DE2745498C3 (en) | Device for controlling a refilling of liquid in a cleaning mixture | |
| DE3916195A1 (en) | Domestic hot and cold water supply with bacteria control - has time controlled hot water circulation through whole system | |
| EP3170940A1 (en) | Shower wc with water heater | |
| DE3026763A1 (en) | VACUUM WASTE TOILET SYSTEM | |
| DE102005059552B4 (en) | Shower system for aircraft | |
| DE102018203847A1 (en) | Washing unit for a cabin monument, cabin monument and upgrade kit for a wash basin unit | |
| DE4204209C2 (en) | Sanitary shower system | |
| DE102015114469B3 (en) | System for guiding cold water, method for cooling a cold water line and use of a line for guiding cold water | |
| DE202019101531U1 (en) | Device for tapping liquids | |
| DE8203297U1 (en) | Odor trap | |
| DE102022121748A1 (en) | Flushing device for a shower for carrying out a hygiene flush and sanitary system for a shower | |
| DE69325317T2 (en) | Whirlpool bath system | |
| DE202020106196U1 (en) | Flushing device and water outlet fitting | |
| EP2047834B1 (en) | Electronic bathtub or wellness tub | |
| DE102020122892A1 (en) | bidet system | |
| EP2746475A1 (en) | WC with a WC body and a shower device | |
| DE102023118152A1 (en) | Device for draining water from a drinking water pipe, sanitary system with such a device and use of such a device | |
| EP2918738B1 (en) | Ventilation device for a riser with an equipment for preventing stagnant water | |
| DE102012011571A1 (en) | Flexible insertable device for avoiding spreading of odor in direct environment of waste disposal system for disposal of feces from portable feces containers of house toilet, has covering including opening, which opens into disposal system | |
| DE2460064C3 (en) | Sanitary water flushing device |
Legal Events
| Date | Code | Title | Description |
|---|---|---|---|
| OP8 | Request for examination as to paragraph 44 patent law | ||
| 8327 | Change in the person/name/address of the patent owner |
Owner name: AIRBUS OPERATIONS GMBH, 21129 HAMBURG, DE |
|
| 8364 | No opposition during term of opposition | ||
| R082 | Change of representative |
Representative=s name: KOPF WESTENBERGER WACHENHAUSEN PATENTANWAELTE , DE Representative=s name: LKGLOBAL ] LORENZ & KOPF PARTG MBB PATENTANWAE, DE |
|
| R119 | Application deemed withdrawn, or ip right lapsed, due to non-payment of renewal fee |
