CN212239744U - Multi-angle rotating welding machine for electrical engineering machining - Google Patents
Multi-angle rotating welding machine for electrical engineering machining Download PDFInfo
- Publication number
- CN212239744U CN212239744U CN202020508120.3U CN202020508120U CN212239744U CN 212239744 U CN212239744 U CN 212239744U CN 202020508120 U CN202020508120 U CN 202020508120U CN 212239744 U CN212239744 U CN 212239744U
- Authority
- CN
- China
- Prior art keywords
- fixedly connected
- plate
- screw rods
- welding machine
- electrical engineering
- Prior art date
- Legal status (The legal status is an assumption and is not a legal conclusion. Google has not performed a legal analysis and makes no representation as to the accuracy of the status listed.)
- Expired - Fee Related
Links
- 238000003466 welding Methods 0.000 title claims abstract description 67
- 238000004870 electrical engineering Methods 0.000 title claims abstract description 19
- 238000003754 machining Methods 0.000 title description 2
- 238000012545 processing Methods 0.000 claims abstract description 15
- 230000003287 optical effect Effects 0.000 claims description 18
- 238000003825 pressing Methods 0.000 claims description 10
- 230000005540 biological transmission Effects 0.000 claims description 9
- 238000005192 partition Methods 0.000 claims description 2
- 238000000034 method Methods 0.000 abstract description 6
- 230000000694 effects Effects 0.000 description 3
- 235000017166 Bambusa arundinacea Nutrition 0.000 description 2
- 235000017491 Bambusa tulda Nutrition 0.000 description 2
- 241001330002 Bambuseae Species 0.000 description 2
- 235000015334 Phyllostachys viridis Nutrition 0.000 description 2
- 238000013459 approach Methods 0.000 description 2
- 239000011425 bamboo Substances 0.000 description 2
- 239000007787 solid Substances 0.000 description 2
- 241001391944 Commicarpus scandens Species 0.000 description 1
- 230000009286 beneficial effect Effects 0.000 description 1
- 238000010586 diagram Methods 0.000 description 1
- 229910000743 fusible alloy Inorganic materials 0.000 description 1
- 238000005304 joining Methods 0.000 description 1
- 239000000463 material Substances 0.000 description 1
- 238000002844 melting Methods 0.000 description 1
- 230000008018 melting Effects 0.000 description 1
- 239000002184 metal Substances 0.000 description 1
- 238000012986 modification Methods 0.000 description 1
- 230000004048 modification Effects 0.000 description 1
- 238000011017 operating method Methods 0.000 description 1
- 229910000679 solder Inorganic materials 0.000 description 1
- 238000006467 substitution reaction Methods 0.000 description 1
Images
Landscapes
- Butt Welding And Welding Of Specific Article (AREA)
Abstract
The utility model discloses a multi-angle rotating welding machine of electrical engineering processing usefulness relates to electrical engineering equipment technical field, and it includes the bottom plate, the equal fixedly connected with backup pad in the left and right sides of bottom plate upper surface, and be provided with the rectangle slide bar between two backup pads, the long sliding hole swing joint that the both ends all passed the rectangle slider and seted up with two backup pad opposite faces respectively about the rectangle slide bar, the equal fixedly connected with fixed plate one in both ends about the rectangle slide bar. This multi-angle spin welding machine that electrical engineering processing was used, restriction through two screw rods one and two screw rods two makes the rear side baffle can together rotate to can rotate after welding one side, need not again with the work piece continuous welding after pulling down, thereby avoid the good work piece of welding to appear the fracture at the rotation in-process, do not need the staff to repeat again and weld the work piece, welded efficiency and welded quality have been increased, workman's the amount of labour and intensity of labour have been reduced.
Description
Technical Field
The utility model relates to an electrical engineering equipment technical field specifically is a multi-angle rotating welding machine of electrical engineering processing usefulness.
Background
Welding is the process of joining metal parts using various fusible alloys, and the melting point of the solder is lower than that of the material to be welded, so that the parts are not melted and the welding is finished by intermolecular connection on the surfaces of the parts.
The welding process is characterized in that the traditional welding operation is generally manual welding, two workpieces needing to be welded are placed together and fixed by a worker before welding, then the workpieces need to be detached to be turned over after one side of the workpieces is welded, the welded surface is easy to break in the turning process, the welding efficiency is reduced, the welding quality of the workpieces is unstable, and the labor amount and the labor intensity of welding workers are increased.
SUMMERY OF THE UTILITY MODEL
Technical problem to be solved
The utility model provides a not enough to prior art, the utility model provides a multi-angle rotating welding machine that electrical engineering processing was used, it will need two welded work pieces to place together and fix to have solved before the welding, then to welding, need pull down the work piece and overturn after accomplishing one side welding of work piece, make the one side that welds easy in the upset process and break appear, make welding efficiency reduce, work piece welding quality is unstable, the amount of labour that has increased the welding workman and intensity of labour's problem.
(II) technical scheme
In order to achieve the above purpose, the utility model adopts the technical proposal that: a multi-angle rotary welding machine for electrical engineering processing comprises a base plate, wherein supporting plates are fixedly connected to the left side and the right side of the upper surface of the base plate, a rectangular sliding rod is arranged between the two supporting plates, the left end and the right end of the rectangular sliding rod penetrate through a rectangular sliding block and are movably connected with long sliding holes formed in opposite surfaces of the two supporting plates respectively, a first fixing plate is fixedly connected to the left end and the right end of the rectangular sliding rod, a screw rod is connected with a first threaded hole formed in the front of the first fixing plate in a threaded manner, the optical axis of the rear ends of the two screw rods penetrates through a bearing clamped on the front of a first supporting seat and is fixedly connected with an output shaft of a motor, a first transmission wheel is sleeved at the position of the two screw rods, which is close to the optical axis of the rear ends, the two first transmission wheels are in transmission connection through, the inside fixedly connected with electric putter two of a solid fixed cylinder, baffle and welding machine fixed connection are passed through to electric putter two's bottom, the rectangle slide bar is close to left lower fixed surface and is connected with the connecting plate, the connecting plate and solid fixed cylinder opposite face respectively with electric putter one's both ends fixed connection.
The middle positions of the upper surface of the bottom plate, which are close to the front side and the rear side, are fixedly connected with two supporting seats, opposite surfaces of the two supporting seats are movably connected with rotating shafts through two bearings, the front side of the rotating shaft on the front side penetrates through the two front supporting seats and is fixedly connected with the two rotating plates, opposite ends of the two rotating shafts are fixedly connected with baffle plates, two screw rods I and two screw rods II are arranged between the two baffle plates, opposite ends of the screw rods I and the screw rods II are fixedly connected, optical axes of the back ends of the screw rods I and the screw rods II are clamped on the two baffle plates through three bearings, the optical axes of the back ends of the screw rods I penetrate through the baffle plates on the back side and are sleeved with driving wheels II, the two driving wheels II are in transmission connection through two belts, two placing plates are arranged between the baffle plates, two fixing plates are fixedly connected with the left side and the right side of the two placing plates, and threaded holes II which are The surface of the placing plate is in threaded connection, the left side and the right side of the upper surface of the placing plate are fixedly connected with L-shaped fixing plates, and the three threaded holes formed in the upper surface of each L-shaped fixing plate are internally connected with a first bolt.
Preferably, the motor is fixedly connected with the rear side face of the first supporting seat through the fixed seat, and the first supporting seat is fixedly connected with the left side face of the left supporting plate.
Preferably, the optical axis of the front end of the second screw rod on the left side penetrates through the front baffle and is fixedly connected with the first rotating plate.
Preferably, a second bolt is connected with the four inner threads of the threaded hole formed in the front face of the second rotating plate, a plurality of thread grooves are formed in the front face of the second front support seat, and the thread grooves are matched with the second bolt.
Preferably, the optical axis of one bottom end of the bolt is fixedly connected with a pressing plate through a bearing, and the pressing plate is movably connected with a sliding groove formed in the vertical surface of the L-shaped fixing plate through a sliding block.
Preferably, the right side of the supporting plate is fixedly connected with a control box, and the control box is in line connection with the motor, the first electric push rod, the second electric push rod and the welding machine through wires.
(III) advantageous effects
The beneficial effects of the utility model reside in that:
1. this multi-angle spin welding machine that electrical engineering processing was used, through rotatory rotor plate two, make rotor plate two can drive the baffle rotation of front side through the pivot, restriction through two screw rods one and two screw rods two, make the rear side baffle can together rotate, thereby can rotate after welding good one side, need not again pull down the back with the work piece and continue the welding again, thereby avoid the good work piece of welding fracture to appear rotating the in-process, do not need staff to weld the work piece again repeatedly, welded efficiency and welded quality have been increased, workman's amount of labour and intensity of labour have been reduced.
2. This multi-angle rotating welding machine that electrical engineering processing was used, through the electric putter one that sets up, when electric putter two promote the welding machine and weld the work piece, electric putter one removes about driving electric putter one through a fixed cylinder, through setting up two drive wheels one and belt one, at motor during operation, two lead screws can rotate simultaneously, make the rectangle slide bar can the back-and-forth movement, make the overlap joint to two work pieces that the welding machine can be accurate weld, increased work piece welded quality.
3. This multi-angle of rotation welding machine of electrical engineering processing usefulness through setting up fixed plate one, lead screw, long slide opening and rectangle slider, makes the rectangle slide bar can be more stable when removing in the front and back, avoids the welding machine condition of rocking to appear at the during operation.
Drawings
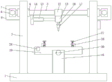
Fig. 1 is a schematic structural view of a front view section of the present invention;
FIG. 2 is a front view of the present invention;
fig. 3 is a left side view structural schematic diagram of the left side support plate of the present invention;
fig. 4 is a schematic structural view of the placement board of the present invention.
In the figure: the welding machine comprises a base plate 1, a support plate 2, a rectangular sliding rod 3, a rectangular sliding block 4, a long sliding hole 5, a fixing plate I6, a screw rod 7, a supporting seat I8, a motor 9, a driving wheel I10, a belt I11, a rectangular sliding sleeve 12, a fixing barrel 13, a connecting plate 14, an electric push rod I15, an electric push rod II 16, a welding machine 17, a supporting seat II 18, a baffle plate 19, a screw rod I20, a screw rod II 21, a driving wheel II 22, a belt II 23, a placing plate 24, a fixing plate II 25, a fixing plate L26, a bolt I27, a rotating plate I28, a thread groove 29, a rotating plate II 30 and a bolt.
Detailed Description
The technical solutions in the embodiments of the present invention will be described clearly and completely with reference to the accompanying drawings in the embodiments of the present invention, and it is obvious that the described embodiments are only some embodiments of the present invention, not all embodiments. Based on the embodiments in the present invention, all other embodiments obtained by a person skilled in the art without creative work belong to the protection scope of the present invention.
As shown in fig. 1-4, the utility model provides a technical solution: a multi-angle rotary welding machine for electrical engineering processing comprises a base plate 1, wherein supporting plates 2 are fixedly connected to the left side and the right side of the upper surface of the base plate 1, a rectangular slide bar 3 is arranged between the two supporting plates 2, the left end and the right end of the rectangular slide bar 3 penetrate through a rectangular slide block 4 and are movably connected with long slide holes 5 formed in opposite surfaces of the two supporting plates 2 respectively, fixing plates 6 are fixedly connected to the left end and the right end of the rectangular slide bar 3, through the arrangement of the fixing plates 6, the matching between the long slide holes 5 and the rectangular slide block 4, when a screw rod 7 rotates, the rectangular slide bar 3 can stably drive a fixing cylinder 13 to move back and forth, screw rods 7 are in threaded connection with screw holes formed in the front surfaces of the two fixing plates 6, the optical axes of the rear ends of the two screw rods 7 penetrate through bearings clamped in the front surface of a supporting seat 8 and are fixedly connected with an output shaft of, the supporting seat I8 is fixedly connected with the left side face of the left supporting plate 2, the first driving wheels 10 are sleeved at the optical axes of the two lead screws 7 close to the rear ends, the first driving wheels 10 are in transmission connection through the first belts 11, the first driving wheels 10 and the first belts 11 are arranged, when the motor 9 works, the two lead screws 7 can rotate simultaneously, the rectangular sliding rod 3 can move back and forth, the welding machine 17 can accurately weld the lap joint of the two workpieces, the welding quality of the workpieces is improved, the rectangular sliding sleeve 12 is sleeved on the outer surface of the rectangular sliding rod 3, the lower surface of the rectangular sliding sleeve 12 is fixedly connected with the fixed cylinder 13, the electric push rod II 16 is fixedly connected inside the fixed cylinder 13, the bottom end of the electric push rod II 16 is fixedly connected with the welding machine 17 through the partition plate, by arranging the electric push rod II 16, when the workpieces needing to be welded are fixed, the welding machine 17 can be, avoid welder 17 to influence the fixed of work piece, rectangle slide bar 3 is close to left lower fixed surface and is connected with connecting plate 14, through setting up connecting plate 14, can drive electric putter one 15 together and remove through connecting plate 14 when rectangle slide bar 3 back-and-forth movement, connecting plate 14 and the fixed 13 opposite face of a section of thick bamboo respectively with electric putter one 15's both ends fixed connection, through setting up electric putter one 15, at welder 17 during operation, electric putter one 15 can promote fixed 13 of a section of thick bamboo and remove, the right flank fixedly connected with control box of right side backup pad 2, and the control box passes through wire and motor 9, electric putter one 15, electric putter two 16 and welder 17 line connection.
The middle positions of the upper surface of the bottom plate 1, which are close to the front side and the rear side, are fixedly connected with the second supporting seats 18, the opposite surfaces of the two second supporting seats 18 are movably connected with a rotating shaft through the second bearings, the front surface of the front rotating shaft penetrates through the second front supporting seat 18 and is fixedly connected with the second rotating plate 30, the second rotating plate 30 is arranged, after the welding machine 17 finishes welding one surface of a workpiece, the second rotating plate 30 can be rotated to drive the baffle plate 19 to rotate, the baffle plate 19 can drive the placing plate 24 to rotate through the first screw rod 20 and the second screw rod 21, the workpiece can be rotated, the phenomenon that the welding part is broken due to manual rotation of the workpiece is avoided, the quality of the welded workpiece is increased, the four threaded holes formed in the front surface of the second rotating plate 30 are internally threaded with the second bolts 31, the front surface of the second front supporting seat 18 is provided with a plurality of threaded, through setting up a plurality of thread grooves 29 and two 31 bolts, after rotating two 30 regulation of rotor plate and placing the rotatory angle of board 24, can rotate two 31 bolts, make two 31 bolts can be connected with corresponding thread groove 29, thereby can fix two 30 rotor plates, avoid leading to the work piece to appear rotating when welding the work piece, and the equal fixedly connected with baffle 19 of looks remote site of two pivots, and be provided with two screw rods one 20 and two screw rods two 21 between two baffle 19, the front end optical axis department of left side screw rod two 21 passes preceding baffle 19 and with rotor plate one 28 fixed connection, screw rod one 20 and the relative site fixed connection of screw rod two 21, the optical axis department of screw rod one 20 and the two 21 back ends mutually all passes through three joint of bearing on two baffle 19, its effect lies in: when the rotating plate II 30 is rotated, the baffle plate 19 at the front side can drive the baffle plate 19 at the rear side to rotate together through the screw rods I20 and II 21 at the left side and the right side, meanwhile, the two placing plates 24 are driven to rotate through the plurality of fixing plates II 25, so that a worker can conveniently rotate a workpiece, the fracture of a welding part caused by manual rotation of the workpiece is avoided, the optical axis at the rear ends of the two screw rods I20 penetrates through the baffle plate 19 at the rear side and is sleeved with the driving wheels II 22, the two driving wheels II 22 are in transmission connection through the belt II 23, through the matching between the two driving wheels II 22 and the belt II 23, when the rotating plate I28 is rotated, the screw rods I20 and the screw rods II 21 at the left side and the right side can simultaneously rotate, so that the two placing plates 24 are close to or far away from each other, the two placing plates 24 are arranged between the two baffle plates 19, and, and the two threaded holes that four fixed plates 25 openly all seted up are connected with the surface screw thread of two screw rods one 20 and two screw rods two 21 respectively, and its effect lies in: when the first screw 20 and the second screw 21 on the left side and the right side rotate, the second fixing plate 25 can drive the two placing plates 24 to approach or separate from each other according to the rotating direction of the first screw 20 and the second screw 21, the left side and the right side of the upper surface of the placing plates 24 are fixedly connected with an L-shaped fixing plate 26, a first bolt 27 is connected with a third threaded hole formed in the upper surface of the L-shaped fixing plate 26 in a female threaded manner, the first bolt 27 is rotated to enable the bolt 27 to push the pressing plate to extrude and fix the surface of the workpiece, the pressing plate is fixedly connected with the optical axis of the bottom end of the first bolt 27 through the fourth bearing, and the pressure plate is movably connected with a sliding groove arranged on the vertical surface of the L-shaped fixed plate 26 through a sliding block and is provided with a sliding block and a sliding groove, when the first bolt 27 drives the pressing plate to move downwards, the sliding block and the sliding groove can limit the pressing plate, so that the pressing plate cannot rotate after being in contact with the surface of a workpiece, and the phenomenon that the workpiece rotates when the workpiece is fixed is avoided.
The utility model discloses an operating procedure does:
s1, when in use, two workpieces to be welded are respectively placed on the two placing plates 24, then the first bolt 27 is rotated to enable the first bolt 27 to drive the pressing plate to extrude and fix the surfaces of the workpieces, after the workpieces are fixed, the first rotating plate 28 is rotated to enable the first screw rods 20 and the second screw rods 21 on the left side and the right side to simultaneously rotate through the matching between the two transmission wheels two 22 and the belt two 23, the fixing plates two 25 arranged on the outer surfaces of the first screw rods 20 and the two screw rods two 21 drive the two placing plates 24 to mutually approach, after the two workpieces are lapped together, the rotating plate is stopped to rotate, then the motor 9 is controlled to work through the control box, and through the matching between the two transmission wheels one 10 and the belt one 11, the two screw rods 7 are simultaneously rotated, so that the rectangular sliding block 3 stably drives the welding machine 17 to move to a specified position;
s2, controlling the welding machine 17 and the electric push rod II 16 to work, enabling the electric push rod II 16 to push the working welding machine 17 to move towards the workpiece, thereby welding the workpiece, then controlling the electric push rod I15 to push the fixed cylinder 13 to move, enabling the fixed cylinder 13 to drive the electric push rod II 16 and the welding machine 17 to move rightwards, thereby welding the lap joint of the upper surfaces of the two workpieces, after welding, controlling the electric push rod II 16 to drive the welding machine 17 to move upwards, then rotating the bolt II 31, separating the bolt II 31 from the thread groove 29, then rotating the rotating plate II 30, enabling the two placing plates 24 to drive the workpiece to rotate through the matching among the screw I20, the screw II 21, the baffle plate 19 and the fixed plate II 25, after rotating to a specified angle, rotating the bolt II 31, enabling the bolt II 31 to be connected with the corresponding thread groove 29, thereby fixing the rotating plate 30, the phenomenon that the workpiece rotates during welding is avoided;
s3, after welding, controlling the first electric push rod 15 and the second electric push rod 16 to reset, controlling the motor 9 and the welding machine 17 to stop working, then rotating the second bolt 31 to separate the second bolt 31 from the corresponding thread groove 29, then rotating the second rotating plate 30 to drive the two placing plates 24 to reset the workpiece, then rotating the first bolt 27 to enable the pressure plate not to fix the workpiece, and then taking down the welded workpiece.
The above-mentioned embodiments further describe the objects, technical solutions and advantages of the present invention in detail, it should be understood that the above description is only the embodiments of the present invention, and is not intended to limit the present invention, and any modifications, equivalent substitutions, improvements and the like made within the spirit and principle of the present invention should be included in the scope of the present invention.
Claims (6)
1. The utility model provides a multi-angle of rotation welding machine that electrical engineering processing was used, includes bottom plate (1), its characterized in that: the left side and the right side of the upper surface of the bottom plate (1) are fixedly connected with supporting plates (2), a rectangular sliding rod (3) is arranged between the two supporting plates (2), the left end and the right end of the rectangular sliding rod (3) penetrate through rectangular sliding blocks (4) and are respectively movably connected with long sliding holes (5) formed in opposite surfaces of the two supporting plates (2), the left end and the right end of the rectangular sliding rod (3) are fixedly connected with first fixing plates (6), screw rods (7) are respectively and uniformly in threaded holes formed in the front surfaces of the first fixing plates (6), optical axes of the rear ends of the two screw rods (7) penetrate through bearings clamped in the front surfaces of first supporting seats (8) and are fixedly connected with an output shaft of a motor (9), first driving wheels (10) are respectively sleeved at the positions of the two screw rods (7) close to the optical axes of the rear ends, and the first driving wheels (10) are in driving, the outer surface of the rectangular sliding rod (3) is sleeved with a rectangular sliding sleeve (12), the lower surface of the rectangular sliding sleeve (12) is fixedly connected with a fixed cylinder (13), the inside of the fixed cylinder (13) is fixedly connected with an electric push rod II (16), the bottom end of the electric push rod II (16) is fixedly connected with a welding machine (17) through a partition plate, the lower surface of the rectangular sliding rod (3) close to the left side is fixedly connected with a connecting plate (14), and opposite surfaces of the connecting plate (14) and the fixed cylinder (13) are respectively and fixedly connected with two ends of an electric push rod I (15);
the middle positions of the upper surface of the bottom plate (1), which are close to the front side and the rear side, are fixedly connected with a second supporting seat (18), opposite surfaces of the two second supporting seats (18) are movably connected with rotating shafts through a second bearing, the front surface of the front rotating shaft penetrates through the second front supporting seat (18) and is fixedly connected with a second rotating plate (30), opposite ends of the two rotating shafts are fixedly connected with baffle plates (19), two first screw rods (20) and two second screw rods (21) are arranged between the two baffle plates (19), the first screw rods (20) are fixedly connected with opposite ends of the second screw rods (21), optical axes of the first screw rods (20) and the second screw rods (21) are respectively clamped on the two baffle plates (19) through a third bearing, optical axes of the rear ends of the two first screw rods (20) penetrate through the baffle plate (19) on the rear side and are sleeved with a second driving wheel (22), and the two driving wheels (22) are in transmission connection through a second belt (, two be provided with two between baffle (19) place board (24), and two equal fixedly connected with fixed plate two (25) of the left and right sides of placing board (24), and the screw hole two that four fixed plate two (25) openly all seted up respectively with the surface threaded connection of two screw rods one (20) and two screw rods two (21), the equal fixedly connected with L type fixed plate (26) of the left and right sides of the upper surface of placing board (24), the three female connection in screw hole that L type fixed plate (26) upper surface was seted up has bolt one (27).
2. The multi-angle rotary welding machine for electrical engineering processing of claim 1, wherein: the motor (9) is fixedly connected with the rear side face of the first supporting seat (8) through the fixing seat, and the first supporting seat (8) is fixedly connected with the left side face of the left supporting plate (2).
3. The multi-angle rotary welding machine for electrical engineering processing of claim 1, wherein: the front end optical axis of the left screw rod II (21) penetrates through the front baffle (19) and is fixedly connected with the rotating plate I (28).
4. The multi-angle rotary welding machine for electrical engineering processing of claim 1, wherein: four threaded holes formed in the front face of the second rotating plate (30) are connected with a second bolt (31) in an inner threaded mode, a plurality of thread grooves (29) are formed in the front face of the second front-side supporting seat (18), and the thread grooves (29) are matched with the second bolt (31).
5. The multi-angle rotary welding machine for electrical engineering processing of claim 1, wherein: and the optical axis at the bottom end of the first bolt (27) is fixedly connected with a pressing plate through a bearing, and the pressing plate is movably connected with a sliding groove formed in the vertical surface of the L-shaped fixing plate (26) through a sliding block.
6. The multi-angle rotary welding machine for electrical engineering processing of claim 1, wherein: the right side the right flank fixedly connected with control box of backup pad (2), and control box pass through wire and motor (9), electric putter one (15), electric putter two (16) and welding machine (17) line connection.
Priority Applications (1)
| Application Number | Priority Date | Filing Date | Title |
|---|---|---|---|
| CN202020508120.3U CN212239744U (en) | 2020-04-09 | 2020-04-09 | Multi-angle rotating welding machine for electrical engineering machining |
Applications Claiming Priority (1)
| Application Number | Priority Date | Filing Date | Title |
|---|---|---|---|
| CN202020508120.3U CN212239744U (en) | 2020-04-09 | 2020-04-09 | Multi-angle rotating welding machine for electrical engineering machining |
Publications (1)
| Publication Number | Publication Date |
|---|---|
| CN212239744U true CN212239744U (en) | 2020-12-29 |
Family
ID=73984492
Family Applications (1)
| Application Number | Title | Priority Date | Filing Date |
|---|---|---|---|
| CN202020508120.3U Expired - Fee Related CN212239744U (en) | 2020-04-09 | 2020-04-09 | Multi-angle rotating welding machine for electrical engineering machining |
Country Status (1)
| Country | Link |
|---|---|
| CN (1) | CN212239744U (en) |
Cited By (3)
| Publication number | Priority date | Publication date | Assignee | Title |
|---|---|---|---|---|
| CN113732587A (en) * | 2021-11-05 | 2021-12-03 | 江苏晟大光电科技有限公司 | Solar panel makes aluminum alloy frame welding process equipment |
| CN114474745A (en) * | 2022-03-08 | 2022-05-13 | 公元股份有限公司 | a rotary melting machine |
| WO2023231260A1 (en) * | 2022-06-02 | 2023-12-07 | 天津鑫宇丰机电设备有限公司 | Welding alignment device for riveting and welding machine |
-
2020
- 2020-04-09 CN CN202020508120.3U patent/CN212239744U/en not_active Expired - Fee Related
Cited By (5)
| Publication number | Priority date | Publication date | Assignee | Title |
|---|---|---|---|---|
| CN113732587A (en) * | 2021-11-05 | 2021-12-03 | 江苏晟大光电科技有限公司 | Solar panel makes aluminum alloy frame welding process equipment |
| CN113732587B (en) * | 2021-11-05 | 2022-02-08 | 江苏晟大光电科技有限公司 | Solar panel makes aluminum alloy frame welding process equipment |
| CN114474745A (en) * | 2022-03-08 | 2022-05-13 | 公元股份有限公司 | a rotary melting machine |
| CN114474745B (en) * | 2022-03-08 | 2024-01-26 | 公元股份有限公司 | Rotary melting machine |
| WO2023231260A1 (en) * | 2022-06-02 | 2023-12-07 | 天津鑫宇丰机电设备有限公司 | Welding alignment device for riveting and welding machine |
Similar Documents
| Publication | Publication Date | Title |
|---|---|---|
| CN212239744U (en) | Multi-angle rotating welding machine for electrical engineering machining | |
| CN215699360U (en) | Laser welding machine multistation weldment work platform | |
| CN210632873U (en) | Forging device for freely forging large-diameter ring type hole expanding | |
| CN219211981U (en) | Laser welding machine with spout self-adjusting function | |
| CN108746938A (en) | Multi-functional SAW sections tower welding robot | |
| CN212384794U (en) | An automatic argon arc welding device | |
| CN108857241B (en) | Clamp for processing plasma attached-melting surfacing cutter ring | |
| CN213196254U (en) | Automatic welding device for steel pipes | |
| CN203636288U (en) | Automatic feeding machine for arc welding | |
| CN112171032A (en) | Numerical control welding machine | |
| CN218461286U (en) | Automatic welding device for screw rod | |
| CN208895360U (en) | Multi-functional SAW sections tower welding robot | |
| CN216966849U (en) | Steel pipe riser welding fixing tool | |
| CN210997239U (en) | Sheet metal component welding pen fixture | |
| CN210633165U (en) | Pipe fitting butt welding device for double-screw air compressor | |
| CN213702589U (en) | Quick clamping tool of machine tooling | |
| CN205254435U (en) | Pipe fitting circumferential weld autogiration welding frock | |
| CN212793453U (en) | Electric automatization welding machine device | |
| CN209887107U (en) | Vertical elevating platform milling machine is used in processing of iron fitting-out spare | |
| CN209532572U (en) | A kind of pipe counterpart specific purpose tool | |
| CN209867630U (en) | Engineering machine tool accessory electric welding processing equipment convenient to use | |
| CN217344160U (en) | Automatic welding device of flat flange robot | |
| CN213033879U (en) | Welding treatment equipment | |
| CN214418838U (en) | An industrial robot composite fixture that is easy to replace the chuck | |
| CN216706173U (en) | A go up unloader for gear shaping machine |
Legal Events
| Date | Code | Title | Description |
|---|---|---|---|
| GR01 | Patent grant | ||
| GR01 | Patent grant | ||
| CF01 | Termination of patent right due to non-payment of annual fee |
Granted publication date: 20201229 Termination date: 20210409 |
|
| CF01 | Termination of patent right due to non-payment of annual fee |