CN211998173U - A steel wire pay-off wire device - Google Patents
A steel wire pay-off wire device Download PDFInfo
- Publication number
- CN211998173U CN211998173U CN202020508029.1U CN202020508029U CN211998173U CN 211998173 U CN211998173 U CN 211998173U CN 202020508029 U CN202020508029 U CN 202020508029U CN 211998173 U CN211998173 U CN 211998173U
- Authority
- CN
- China
- Prior art keywords
- rod
- driven
- wire
- lifting
- block
- Prior art date
- Legal status (The legal status is an assumption and is not a legal conclusion. Google has not performed a legal analysis and makes no representation as to the accuracy of the status listed.)
- Expired - Fee Related
Links
Images
Landscapes
- Manipulator (AREA)
Abstract
本实用新型公开了一种钢丝放线导线装置,包括底座,所述底座的上端固定安装有两块支撑板,两块所述支撑板上均开设有凹口,两个所述凹口内设有同一根转动杆,所述转动杆上滑动套设有收线轮,两块所述支撑板之间转动贯穿设有同一个从动机构,其中一个所述支撑板的侧壁上转动连接有与从动机构传动连接的驱动机构,两块所述支撑板的侧壁上均固定安装有与从动机构均传动连接的升降机构,两个所述升降机构均与转动杆接触设置。本实用新型通过驱动机构、从动机构和升降机构之间的配合使用,实现了通过转动旋转握把调节转动杆高度的目的,从而实现调节收线轮高度的目的,满足不同大小的收线轮的使用。
The utility model discloses a wire pay-off wire device, which comprises a base, two support plates are fixedly mounted on the upper end of the base, and notches are provided on the two support plates; There is a same rotating rod, and a wire take-up wheel is slidably sleeved on the rotating rod, and the same driven mechanism is rotated through the two supporting plates, and the side wall of one of the supporting plates is rotatably connected with For the drive mechanism drivingly connected with the driven mechanism, the side walls of the two support plates are fixedly installed with lifting mechanisms that are both driven and connected to the driven mechanism, and both of the lifting mechanisms are arranged in contact with the rotating rod. The utility model realizes the purpose of adjusting the height of the rotating rod by rotating the rotary handle through the cooperative use of the driving mechanism, the driven mechanism and the lifting mechanism, so as to realize the purpose of adjusting the height of the wire take-up wheel, and meet the requirements of wire take-up pulleys of different sizes. usage of.
Description
技术领域technical field
本实用新型属于放线技术领域,尤其涉及一种钢丝放线导线装置。The utility model belongs to the technical field of pay-off, in particular to a wire pay-off wire device.
背景技术Background technique
放线架用于钢丝放线的架子,可分为主动放线架和被动放线架,也可分为立式放线架和卧式放线架,由于钢丝较长,一般是通过收线轮将钢丝收卷,在使用时,通过放线架放线使用。The wire pay-off rack is used for wire pay-off, which can be divided into active pay-off frame and passive wire pay-off frame, and can also be divided into vertical wire pay-off frame and horizontal wire pay-off frame. The wheel rewinds the wire, and when in use, it is used to pay off the wire through the pay-off stand.
现有的钢丝放线导线装置不能够调节收线轮的高度,从而不能够满足不同大小的收线轮的使用,降低其实用性,除此之外,现有的钢丝放线导线装置不便于移动,导致其不便使用,为此我们提出了一种钢丝放线导线装置。The existing wire pay-off wire device cannot adjust the height of the wire take-up wheel, so it cannot meet the use of wire take-up pulleys of different sizes, reducing its practicability. In addition, the existing wire wire pay-off wire device is inconvenient. It is inconvenient to use, so we propose a wire pay-off wire device.
实用新型内容Utility model content
本实用新型的目的是为了解决现有技术中存在的其不仅不能够调节收线轮的高度,而且不便于移动的缺点,而提出的一种钢丝放线导线装置。The purpose of the utility model is to solve the shortcomings of the prior art that not only can not adjust the height of the take-up wheel, but also is inconvenient to move, and proposes a wire pay-off wire device.
为了实现上述目的,本实用新型采用了如下技术方案:In order to achieve the above-mentioned purpose, the utility model adopts the following technical solutions:
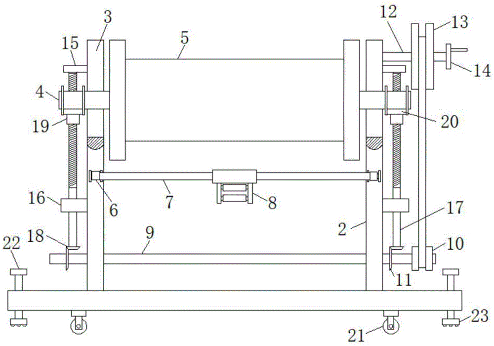
一种钢丝放线导线装置,包括底座,所述底座的上端固定安装有两块支撑板,两块所述支撑板上均开设有凹口,两个所述凹口内设有同一根转动杆,所述转动杆上滑动套设有收线轮,两块所述支撑板之间转动贯穿设有同一个从动机构,其中一个所述支撑板的侧壁上转动连接有与从动机构传动连接的驱动机构,两块所述支撑板的侧壁上均固定安装有与从动机构均传动连接的升降机构,两个所述升降机构均与转动杆接触设置,两块所述支撑板的正面均转动连接有连接杆,两根所述连接杆之间。A wire pay-off wire device, comprising a base, the upper end of the base is fixedly mounted with two support plates, the two support plates are both provided with notches, and the two notches are provided with the same rotating rod , a wire take-up wheel is slidably sleeved on the rotating rod, the same driven mechanism is rotatably penetrated between the two supporting plates, and the side wall of one of the supporting plates is rotatably connected with the driven mechanism. The connected drive mechanism, the side walls of the two support plates are fixedly installed with a lifting mechanism that is connected to the driven mechanism, and the two lifting mechanisms are both arranged in contact with the rotating rod. Connecting rods are rotatably connected on the front side, and between the two connecting rods.
优选地,所述从动机构包括转动贯穿两块支撑板设置的第一从动杆,所述第一从动杆上固定套设有与驱动机构传动连接的第一皮带轮,所述第一从动杆上固定套设有两个第一锥齿轮,两个所述第一锥齿轮分别与两个升降传动连接。Preferably, the driven mechanism includes a first driven rod that rotates through the two support plates, the first driven rod is fixedly sleeved with a first pulley that is drive-connected to the driving mechanism, and the first driven rod is Two first bevel gears are fixedly sleeved on the moving rod, and the two first bevel gears are respectively connected with the two lift transmissions.
优选地,所述驱动机构包括与其中一个支撑板侧壁转动连接的第二从动杆,所述第二从动杆上固定套设有与第一皮带轮传动连接的第二皮带轮,所述第二从动杆的自由端固定安装有旋转握把。Preferably, the driving mechanism includes a second driven rod rotatably connected to one of the side walls of the support plate, the second driven rod is fixedly sleeved with a second pulley that is drivingly connected to the first pulley, and the second driven rod is The free ends of the two driven rods are fixedly installed with rotating grips.
优选地,所述升降机构包括固定安装于支撑板侧壁上的第一固定块和第二固定块,所述第一固定块的下端转动连接有转动贯穿第二固定块的螺纹杆,所述螺纹杆的下端固定安装有与第一锥齿轮啮合的第二锥齿轮,所述螺纹杆上螺纹套设有升降块,所述升降块的侧壁上固定安装有支撑块,所述支撑块的上端与转动杆接触设置。Preferably, the lifting mechanism includes a first fixing block and a second fixing block fixedly mounted on the side wall of the support plate, the lower end of the first fixing block is rotatably connected with a threaded rod that rotates through the second fixing block, the The lower end of the threaded rod is fixedly installed with a second bevel gear that meshes with the first bevel gear, a lifting block is threadedly sleeved on the threaded rod, a support block is fixedly installed on the side wall of the lifting block, and the support block is The upper end is arranged in contact with the rotating rod.
优选地,所述底座的下端固定安装有滑轮。Preferably, a pulley is fixedly installed on the lower end of the base.
优选地,所述底座上螺纹贯穿设有多个螺栓,所述螺栓的下端固定安装有限位块。Preferably, a plurality of bolts are provided through the threads on the base, and the lower ends of the bolts are fixedly mounted with a limiting block.
相比现有技术,本实用新型的有益效果为:Compared with the prior art, the beneficial effects of the present utility model are:
1、本实用新型通过驱动机构、从动机构和升降机构之间的配合使用,实现了通过转动旋转握把调节转动杆高度的目的,从而实现调节收线轮高度的目的,满足不同大小的收线轮的使用。1. The utility model realizes the purpose of adjusting the height of the rotating rod by rotating the rotating handle through the cooperation between the driving mechanism, the driven mechanism and the lifting mechanism, thereby realizing the purpose of adjusting the height of the take-up pulley and meeting the requirements of different sizes of take-up pulleys. Use of reels.
2、本实用新型通过在底座下端安装滑轮,从而实现便于推动装置运动的目的,从而使得装置便于使用,通过设置螺栓和限位块,从而实现固定装置的目的。2. In the present invention, the pulley is installed at the lower end of the base, so as to facilitate the movement of the device, so that the device is easy to use, and the purpose of fixing the device is realized by arranging bolts and limit blocks.
附图说明Description of drawings
图1为本实用新型提出的一种钢丝放线导线装置的正面局部透视结构示意图;Fig. 1 is the front partial perspective structure schematic diagram of a kind of steel wire pay-off wire device proposed by the utility model;
图2为本实用新型提出的一种钢丝放线导线装置的侧面局部透视结构示意图。Fig. 2 is a side partial perspective structure schematic diagram of a steel wire pay-off wire device proposed by the utility model.
图中:1底座、2支撑板、3凹口、4转动杆、5收线轮、6连接杆、7固定杆、8导线轮、9第一从动杆、10第一皮带轮、11第一锥齿轮、12第二从动杆、13第二皮带轮、14旋转握把、15第一固定块、16第二固定块、17螺纹杆、18第二锥齿轮、19升降块、20支撑块、21滑轮、22螺栓、23限位块。In the figure: 1 base, 2 support plate, 3 notch, 4 rotating rod, 5 wire take-up pulley, 6 connecting rod, 7 fixed rod, 8 wire pulley, 9 first driven rod, 10 first pulley, 11 first pulley Bevel gear, 12 second driven rod, 13 second pulley, 14 rotary handle, 15 first fixed block, 16 second fixed block, 17 threaded rod, 18 second bevel gear, 19 lift block, 20 support block, 21 pulleys, 22 bolts, 23 limit blocks.
具体实施方式Detailed ways
下面将结合本实用新型实施例中的附图,对本实用新型实施例中的技术方案进行清楚、完整地描述,显然,所描述的实施例仅仅是本实用新型一部分实施例,而不是全部的实施例。The technical solutions in the embodiments of the present utility model will be clearly and completely described below with reference to the accompanying drawings in the embodiments of the present utility model. Obviously, the described embodiments are only a part of the embodiments of the present utility model, rather than all the implementations. example.
参照图1-2,一种钢丝放线导线装置,包括底座1,底座1的上端固定安装有两块支撑板2,两块支撑板2上均开设有凹口3,两个凹口3内设有同一根转动杆4,转动杆4上滑动套设有收线轮5,两块支撑板2之间转动贯穿设有同一个从动机构,其中一个支撑板2的侧壁上转动连接有与从动机构传动连接的驱动机构,两块支撑板2的侧壁上均固定安装有与从动机构均传动连接的升降机构,两个升降机构均与转动杆4接触设置。Referring to Figure 1-2, a steel wire pay-off wire device includes a
其中,从动机构包括转动贯穿两块支撑板2设置的第一从动杆9,第一从动杆9上固定套设有与驱动机构传动连接的第一皮带轮10,第一从动杆9上固定套设有两个第一锥齿轮11,两个第一锥齿轮11分别与两个升降传动连接,进一步的,驱动机构包括与其中一个支撑板2侧壁转动连接的第二从动杆12,第二从动杆12上固定套设有与第一皮带轮10传动连接的第二皮带轮13,第二从动杆12的自由端固定安装有旋转握把14,更进一步的,升降机构包括固定安装于支撑板2侧壁上的第一固定块15和第二固定块16,第一固定块15的下端转动连接有转动贯穿第二固定块16的螺纹杆17,螺纹杆17的下端固定安装有与第一锥齿轮11啮合的第二锥齿轮18,螺纹杆17上螺纹套设有升降块19,升降块19的侧壁上固定安装有支撑块20,支撑块20的上端与转动杆4接触设置。Wherein, the driven mechanism includes a first driven rod 9 that rotates through the two
需要说明的是,通过转动旋转握把14,从而使得第二从动杆12转动,第二从动杆12通过第二皮带轮13和第一皮带轮10带动第一从动杆9转动,第一从动杆9通过两个第一锥齿轮11和两个第二锥齿轮18带动螺纹杆17转动,从而实现升降块19和支撑块20的上下运动,实现调节收线轮5高度的目的,此外,在转动杆4上固定套设有限位环,用于限制支撑块20的运动方向。It should be noted that by rotating the
两块支撑板2的正面均转动连接有连接杆6,两根连接杆6之间固定连接有固定杆7,固定杆7上滑动套设有导线轮8,其中,底座1的下端固定安装有滑轮21,进一步的,底座1上螺纹贯穿设有多个螺栓22,螺栓22的下端固定安装有限位块23,具体的,通过设置滑轮21便于底座1移动,通过转动螺杆22,使得限位块23与地面相抵接触,其中在限位块23的底部设置有多块凸起块,用于加大与地面的摩擦。The front faces of the two
本实用新型中,使用时,通过转动旋转握把14,使得第二从动杆12转动,第二从动杆12通过第二皮带轮13和第一皮带轮10带动第一从动杆9转动,而第一从动杆9则通过两个第一锥齿轮11和两个第二锥齿轮18带动两根螺纹杆17转动,从而使得与螺纹杆17螺纹连接的升降块19能够在螺纹杆17上运动,从而升降块19带动支撑块20运动,实现带动转动杆4上下运动,从而实现调节收线轮5高度的目的,其中将钢丝穿过导线轮8,再由现有的牵引装置带动钢丝运动,通过在底座1的底部设置滑轮21,从而便于推动底座1运动,通过转动螺杆22,使得限位块23与地面相抵接触,从而用于固定底座1。In the utility model, when in use, the second driven
以上所述,仅为本实用新型较佳的具体实施方式,但本实用新型的保护范围并不局限于此,任何熟悉本技术领域的技术人员在本实用新型揭露的技术范围内,根据本实用新型的技术方案及其实用新型构思加以等同替换或改变,都应涵盖在本实用新型的保护范围之内。The above are only the preferred specific embodiments of the present invention, but the protection scope of the present invention is not limited to this. Equivalent replacement or modification of the new technical solution and its utility model concept shall be included within the protection scope of the present utility model.
Claims (6)
Priority Applications (1)
| Application Number | Priority Date | Filing Date | Title |
|---|---|---|---|
| CN202020508029.1U CN211998173U (en) | 2020-04-09 | 2020-04-09 | A steel wire pay-off wire device |
Applications Claiming Priority (1)
| Application Number | Priority Date | Filing Date | Title |
|---|---|---|---|
| CN202020508029.1U CN211998173U (en) | 2020-04-09 | 2020-04-09 | A steel wire pay-off wire device |
Publications (1)
| Publication Number | Publication Date |
|---|---|
| CN211998173U true CN211998173U (en) | 2020-11-24 |
Family
ID=73404057
Family Applications (1)
| Application Number | Title | Priority Date | Filing Date |
|---|---|---|---|
| CN202020508029.1U Expired - Fee Related CN211998173U (en) | 2020-04-09 | 2020-04-09 | A steel wire pay-off wire device |
Country Status (1)
| Country | Link |
|---|---|
| CN (1) | CN211998173U (en) |
Cited By (2)
| Publication number | Priority date | Publication date | Assignee | Title |
|---|---|---|---|---|
| CN113086748A (en) * | 2021-03-29 | 2021-07-09 | 山东省水利工程局有限公司 | Hydraulic engineering construction pipe laying pay-off |
| CN114453538A (en) * | 2022-01-15 | 2022-05-10 | 马鞍山法尔盛科技有限公司 | Steel wire texture processing board |
-
2020
- 2020-04-09 CN CN202020508029.1U patent/CN211998173U/en not_active Expired - Fee Related
Cited By (2)
| Publication number | Priority date | Publication date | Assignee | Title |
|---|---|---|---|---|
| CN113086748A (en) * | 2021-03-29 | 2021-07-09 | 山东省水利工程局有限公司 | Hydraulic engineering construction pipe laying pay-off |
| CN114453538A (en) * | 2022-01-15 | 2022-05-10 | 马鞍山法尔盛科技有限公司 | Steel wire texture processing board |
Similar Documents
| Publication | Publication Date | Title |
|---|---|---|
| CN218144999U (en) | Cable pay-off rack convenient to use | |
| CN211998173U (en) | A steel wire pay-off wire device | |
| CA2975592C (en) | Non-beam pumping unit driven by a motor reduction unit | |
| CN113335993B (en) | Pay-off for electric power construction | |
| CN221853781U (en) | Bare copper wire laying protection device | |
| CN211647211U (en) | Elevating platform for construction | |
| CN217322757U (en) | Multifunctional cable pay-off device used in power construction | |
| CN209233312U (en) | A kind of reliable electric power overhaul tool of fixation | |
| CN207765220U (en) | A kind of cable pipe twisting machine | |
| CN212639579U (en) | Take-up and pay-off device for electric power construction | |
| CN216918178U (en) | Pay-off rack for house construction | |
| CN212162576U (en) | A switch cabinet electrical secondary wiring frame | |
| CN216435853U (en) | A sealing and welding machine for transistor processing | |
| CN212450038U (en) | Winding type engineering cable fireproof belt | |
| CN220886876U (en) | Multifunctional integrated network equipment detection tool | |
| CN222592941U (en) | Winding device for film blowing machine and film blowing machine | |
| CN221680652U (en) | A reel mounting frame | |
| CN222647527U (en) | An electric hoist with a limiting structure | |
| CN218083748U (en) | Interlaced yarn production cooling device | |
| CN216765446U (en) | Be used for emergent jacking simple and easy device of large-scale road maintaining machinery tamping plant of high-speed railway | |
| CN112754153A (en) | Draft holder for architectural design | |
| CN217920748U (en) | Building site cable frame | |
| CN220265084U (en) | Wire rope anticreep stop device | |
| CN222877532U (en) | Wireless transmission engineering construction cable hoist device | |
| CN221278377U (en) | Wire rope traction sheave drive end tensioner |
Legal Events
| Date | Code | Title | Description |
|---|---|---|---|
| GR01 | Patent grant | ||
| GR01 | Patent grant | ||
| CF01 | Termination of patent right due to non-payment of annual fee | ||
| CF01 | Termination of patent right due to non-payment of annual fee |
Granted publication date: 20201124 |
