CN210178729U - 防止松动螺栓螺母组件 - Google Patents

防止松动螺栓螺母组件 Download PDF

Info

Publication number
CN210178729U
CN210178729U CN201920971879.2U CN201920971879U CN210178729U CN 210178729 U CN210178729 U CN 210178729U CN 201920971879 U CN201920971879 U CN 201920971879U CN 210178729 U CN210178729 U CN 210178729U
Authority
CN
China
Prior art keywords
bolt
loosening
locking
nut
clamp spring
Prior art date
Legal status (The legal status is an assumption and is not a legal conclusion. Google has not performed a legal analysis and makes no representation as to the accuracy of the status listed.)
Expired - Fee Related
Application number
CN201920971879.2U
Other languages
English (en)
Inventor
Debao Piao
朴得宝
Current Assignee (The listed assignees may be inaccurate. Google has not performed a legal analysis and makes no representation or warranty as to the accuracy of the list.)
Individual
Original Assignee
Individual
Priority date (The priority date is an assumption and is not a legal conclusion. Google has not performed a legal analysis and makes no representation as to the accuracy of the date listed.)
Filing date
Publication date
Application filed by Individual filed Critical Individual
Priority to CN201920971879.2U priority Critical patent/CN210178729U/zh
Application granted granted Critical
Publication of CN210178729U publication Critical patent/CN210178729U/zh
Expired - Fee Related legal-status Critical Current
Anticipated expiration legal-status Critical

Links

Images

Landscapes

  • Hand Tools For Fitting Together And Separating, Or Other Hand Tools (AREA)

Abstract

一种防止松动螺栓螺母组件,解决现有技术存在的结构复杂,生产成本高,安装不方便,防松效果不理想,螺母和螺栓无法重复使用,不利于环保节能的问题。包括由螺栓杆构成的防松螺栓,其特征在于:螺栓杆的一端设置有螺栓头,螺栓杆的外螺纹上设置有若干组沿螺栓杆径向截面圆周等间距布置的锁合豁口,且各组锁合豁口均沿着螺栓杆轴线设置;防松螺栓的螺栓杆的外螺纹上,依次设置有普通螺母和防松螺母,防松螺母上可拆卸式设置有防松卡簧,防松卡簧的卡头与防松螺栓外螺纹上的锁合豁口配合卡接。其设计合理,结构简单、紧凑,防松效果好,可重复使用,加工方便、制造成本低,结构强度稳定,实用性强。

Description

防止松动螺栓螺母组件
技术领域
本实用新型属于机械防松紧固件技术领域,具体涉及一种结构简单,防松效果好,可重复使用,加工方便、制造成本低,结构强度稳定,实用性强的防止松动螺栓螺母组件。
背景技术
螺栓是一种常用的紧固件,被广泛应用于各种机械和电气设备当中。对于防松特性没有特别严格要求的普通应用场合,可以采用一个螺栓加一个螺母和垫片的普通紧固结构。但是,对于汽车、大型钢结构建筑、航空、航天以及核电厂等特殊应用领域来说,大部分设备或部件长期处于振动环境下,受到的压力也比正常环境下要大,所以螺栓与螺母之间就容易产生松脱,从而使设备的正常运行受到影响,甚至会造成安全事故。
目前,为了解决螺栓松动的问题,现有技术中已经有双螺母螺栓,长螺母螺栓等特殊形式的紧固结构,然而,此类螺栓在实际使用过程中,依然会出现紧固衰减。同时,现有的一些自锁螺母,不但结构复杂,生产成本高,而且安装不方便,防松效果不理想;并且,由于现有的自锁螺母的工作原理都是采用外力使螺母的螺纹或者螺距产生扭曲变化,以得到额外的预紧力,进而达到防松、锁紧的目的,所以导致使用后的螺母和螺栓无法重复使用,浪费资源,不利于环保节能。另外,一些由右旋螺纹段和左旋螺纹段构成的带有两种螺纹的螺栓,加工工艺复杂,制造成本高,且由于两部分螺纹段的粗细不一,导致结构强度不稳定,实用性差。故有必要对现有技术的防松动螺栓、螺母紧固件的结构进行改进。
实用新型内容
本实用新型就是针对上述问题,提供一种结构简单,防松效果好,可重复使用,加工方便、制造成本低,结构强度稳定,实用性强的防止松动螺栓螺母组件。
本实用新型所采用的技术方案是:该防止松动螺栓螺母组件包括防松螺栓,其特征在于:所述防松螺栓由螺栓杆构成,螺栓杆的一端设置有螺栓头,螺栓杆的外螺纹上设置有若干组沿螺栓杆径向截面圆周等间距布置的锁合豁口,且各组锁合豁口均沿着螺栓杆轴线设置;所述螺栓杆的外螺纹上依次设置有普通螺母和防松螺母,所述防松螺母上可拆卸式设置有防松卡簧,防松卡簧的卡头与所述防松螺栓外螺纹上的锁合豁口配合卡接。
所述防松螺母由螺母主体构成,螺母主体的中部设置有用于与防松螺栓外螺纹相配合的内螺纹,螺母主体的外侧周边设置有环形卡簧凹槽,环形卡簧凹槽内设置有两个便于防松卡簧的卡头伸入的卡头伸入孔,且卡头伸入孔贯穿螺母主体的侧壁。以将防松卡簧设置在防松螺母的环形卡簧凹槽内,防松卡簧的卡头穿过卡头伸入孔、与螺栓杆外螺纹上的锁合豁口相卡接。
所述防松螺母的螺母主体与普通螺母相接触的一侧,设置有对位缓冲槽。以在拧紧防松螺母的过程中,利用对位缓冲槽的弹性缓冲,来辅助防松卡簧卡头与螺栓杆外螺纹上的锁合豁口的对位卡接,提升组件安装的灵活性。
所述防松螺母的螺母主体上、远离普通螺母的一侧,设置有两个与环形卡簧凹槽内卡头伸入孔的位置相对应的卡簧扩张开口;且卡簧扩张开口与环形卡簧凹槽相连通。以利用防松螺母上的卡簧扩张开口,来方便防松卡簧的安装和拆卸,提升工作效率。
所述防松卡簧由弧形卡簧主体构成,弧形卡簧主体的两端分别设置有定位卡头和锁合卡头,锁合卡头朝向防松螺栓外螺纹的内侧设置有锁合尖端;并且,所述锁合卡头和定位卡头上分别设置有用于张开或闭合防松卡簧的扩张孔。以通过防松卡簧定位卡头与防松螺母上的一个卡头伸入孔的配合,来固定卡簧的位置;同时,使穿过另一个卡头伸入孔的锁合卡头的锁合尖端,卡接在防松螺栓的一组锁合豁口内,进而有效防止整个组件在长时间使用过程中的松动。
所述防松螺栓外螺纹上设置的锁合豁口沿螺栓杆径向的截面,由侧向斜边和径向直边构成,且所述径向直边位于侧向斜边的朝向螺母旋松方向的一侧。以在利于带有防松卡簧的防松螺母旋紧的同时,通过锁合豁口的径向直边来防止防松卡簧的松动。
所述锁合豁口截面的侧向斜边与径向直边之间的夹角α为75~90度;所述径向直边的长度不小于防松螺栓外螺纹的高度d。以提升锁合豁口的结构强度,确保机械防松的可靠性。
所述防松螺栓的外螺纹上、沿螺栓杆径向截面圆周等间距布置的锁合豁口的数量为4~8组。以在旋紧防松螺母的过程中,利于其上的防松卡簧卡入防松螺栓外螺纹上的锁合豁口内。
用于扩张所述防松卡簧的卡簧钳由相互铰接的第一钳体和第二钳体构成,所述第一钳体和第二钳体对称布置且结构相同,均包括钳柄,钳柄的前端设置有卡接尖端,卡接尖端与钳柄相连的部位设置有铰接部;第一钳体和第二钳体的铰接部,通过铰接转轴铰接在一起。以通过对第一钳体和第二钳体钳柄的操作,来控制两个钳柄前端的卡接尖端张开或闭合,进而实现防松卡簧的安装和拆卸,方便使用。
本实用新型的有益效果:由于本实用新型采用由螺栓杆构成的防松螺栓,螺栓杆的一端设置有螺栓头,螺栓杆的外螺纹上设置有若干组沿螺栓杆径向截面圆周等间距布置的锁合豁口,各组锁合豁口均沿着螺栓杆轴线设置;防松螺栓的螺栓杆的外螺纹上,依次设置有普通螺母和防松螺母,防松螺母上可拆卸式设置有防松卡簧,防松卡簧的卡头与防松螺栓外螺纹上的锁合豁口相配合卡接的结构形式,所以其设计合理,结构简单、紧凑,防松效果好,可重复使用;且加工方便、制造成本低,结构强度稳定,实用性强。
附图说明
图1是本实用新型的一种结构示意图。
图2是图1中的防松螺栓的一种结构示意图。
图3是图2的俯视图。
图4是图1中的防松螺母的一种结构示意图。
图5是图4的俯视图。
图6是图4的仰视图。
图7是图4沿B-B线的剖视图。
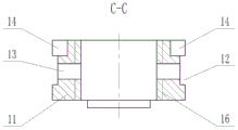
图8是图4沿C-C线的剖视图。
图9是图1中的防松卡簧的一种结构示意图。
图10是图1沿A-A线的剖视图。
图11是本实用新型的一种使用状态示意图。
图12是用于扩张本实用新型中的防松卡簧的卡簧钳的一种结构示意图。
图中序号说明:1防松螺栓、2普通螺母、3防松螺母、4防松卡簧、5螺栓头、6螺栓杆、7外螺纹、8锁合豁口、9径向直边、10侧向斜边、11螺母主体、12环形卡簧凹槽、13卡头伸入孔、14卡簧扩张开口、15对位缓冲槽、16内螺纹、17弧形卡簧主体、18定位卡头、19锁合卡头、20锁合尖端、21扩张孔、22第一钳体、23第二钳体、24钳柄、25铰接部、26卡接尖端、27铰接转轴。
具体实施方式
根据图1~12详细说明本实用新型的具体结构。该防止松动螺栓螺母组件包括由螺栓杆6构成的防松螺栓1,防松螺栓1的螺栓杆6的一端设置有螺栓头5,螺栓杆6的外螺纹7上设置有若干组沿螺栓杆6径向截面圆周等间距布置的长条状锁合豁口8;且各组锁合豁口8均沿着螺栓杆6的轴线设置。防松螺栓1外螺纹7上设置的长条状锁合豁口8沿螺栓杆6径向的横截面,由侧向斜边10和径向直边9构成,且径向直边9位于侧向斜边10的朝向防松螺母3旋松方向的一侧;进而在利于带有防松卡簧4的防松螺母3旋紧的同时,通过锁合豁口8的径向直边9来有效防止防松卡簧4的松动。
为了提升各组锁合豁口8的结构强度,锁合豁口8横截面的侧向斜边10与径向直边9之间的夹角α,可以在75度~90度之间;同时,径向直边9的长度不小于防松螺栓1外螺纹7的高度d(d等于防松螺栓1外螺纹7的最大直径与最小直径之间差值的二分之一),以确保该螺栓螺母组件机械防松的可靠性。能够理解的是,根据具体的使用需要,防松螺栓1的外螺纹7上、沿螺栓杆6径向截面圆周等间距布置的锁合豁口8的数量,可以在4组~8组之间;从而在旋紧防松螺母3的过程中,利于其上的防松卡簧4卡入防松螺栓1外螺纹7上的锁合豁口8内,并相应减小防松螺母3的对位缓冲槽15的变形量。
防松螺栓1的螺栓杆6的外螺纹7上,依次设置有起承重作用的普通螺母2和起防松作用的防松螺母3。防松螺母3由螺母主体11构成,螺母主体11的中部设置有用于与防松螺栓1外螺纹7相配合的内螺纹16;防松螺母3的螺母主体11的外侧周边,设置有一圈用于布置防松卡簧4的环形卡簧凹槽12。环形卡簧凹槽12内,设置有两个便于防松卡簧4的定位卡头18和锁合卡头19伸入的卡头伸入孔13,且卡头伸入孔13贯穿螺母主体11的侧壁;以将防松卡簧4设置在防松螺母3的环形卡簧凹槽12内,防松卡簧4的锁合卡头19穿过卡头伸入孔13、并与防松螺栓1的螺栓杆6外螺纹7上的锁合豁口8相卡接。
防松螺母3的螺母主体11上、与普通螺母2相接触的一侧,设置有用于辅助防松卡簧4的锁合卡头19、与防松螺栓1外螺纹7上的锁合豁口8之间的对位卡接的对位缓冲槽15。从而在拧紧防松螺母3的过程中,利用防松螺母3的对位缓冲槽15的弹性缓冲,来提升组件安装的灵活性(不至于被限制在某个中间位置,导致防松卡簧4的锁合卡头19与防松螺栓1外螺纹7上的锁合豁口8无法卡接)。并且,防松螺母3的螺母主体11上、远离普通螺母2的另外一侧,还设置有两个与环形卡簧凹槽12内的两个卡头伸入孔13的位置相对应的卡簧扩张开口14;两个卡簧扩张开口14分别与环形卡簧凹槽12相连通;进而通过防松螺母3上设置的两个卡簧扩张开口14,来方便防松卡簧4的安装和拆卸,提升工作效率。
防松螺母3的环形卡簧凹槽12内可拆卸式设置有防松卡簧4,防松卡簧4由弧形卡簧主体17构成,弧形卡簧主体17的两端分别设置有方形的定位卡头18和锁合卡头19,且锁合卡头19朝向防松螺栓1外螺纹7的内侧,设置有用于与防松螺栓1外螺纹7上的锁合豁口8相配合卡接的锁合尖端20。并且,防松卡簧4的锁合卡头19和定位卡头18上,还分别设置有用于辅助张开或闭合防松卡簧4的扩张孔21。从而通过防松卡簧4的定位卡头18与防松螺母3上的一个卡头伸入孔13的配合,来固定防松卡簧4的位置;同时,使穿过防松螺母3上的另一个卡头伸入孔13的锁合卡头19的锁合尖端20,卡接在防松螺栓1外螺纹7上的一组锁合豁口8内,以有效防止整个组件在长时间使用过程中的松动。
出于方便防松卡簧4在防松螺母3环形卡簧凹槽12内安装和拆卸的目的,用于扩张防松卡簧4的卡簧钳,由相互铰接的第一钳体22和第二钳体23构成;第一钳体22和第二钳体23对称布置、且结构相同。结构相同的第一钳体22和第二钳体23均包括长条状的钳柄24,钳柄24的前端设置有向外侧弯折的V字型卡接尖端26;卡接尖端26与长条状钳柄24相连接的部位,则设置有带有铰接孔的铰接部25。第一钳体22和第二钳体23的铰接部25,通过铰接转轴27铰接在一起;从而通过对第一钳体22和第二钳体23的长条状钳柄24的操作,来控制两个钳柄24前端、插入到防松卡簧4两端扩张孔21内的卡接尖端26的张开或闭合。
该防止松动螺栓螺母组件使用时,首先,把防松卡簧4放置在防松螺母3的环形卡簧凹槽12内,并且,使防松卡簧4的方形定位卡头18与防松螺母3上的一个卡头伸入孔13相配合,以固定防松卡簧4的位置;同时,让防松卡簧4的锁合卡头19穿过防松螺母3上的另一个卡头伸入孔13。然后,将防松螺栓1的螺栓杆6穿过两个待连接件的连接通孔,之后,再依次旋紧、安装上普通螺母2和防松螺母3。位于普通螺母2外侧的防松螺母3在防松螺栓1外螺纹7上的旋紧过程中,其环形卡簧凹槽12内的防松卡簧4上、穿过防松螺母3卡头伸入孔13的锁合卡头19的锁合尖端20,会随着防松螺母3的连续旋紧转动,而一次次地卡接入防松螺栓1外螺纹7上的各组锁合豁口8内。在防松螺母3旋紧的最后阶段,可通过防松螺母3的对位缓冲槽15的弹性缓冲,来避免防松螺母3被限制在某个中间位置、所导致的防松卡簧4的锁合卡头19与防松螺栓1外螺纹7上的锁合豁口8无法卡接的现象,有效防止整个螺栓螺母组件在长时间使用过程中的松动。

Claims (9)

1.一种防止松动螺栓螺母组件,包括防松螺栓(1),其特征在于:所述防松螺栓(1)由螺栓杆(6)构成,螺栓杆(6)的一端设置有螺栓头(5),螺栓杆(6)的外螺纹(7)上设置有若干组沿螺栓杆(6)径向截面圆周等间距布置的锁合豁口(8),且各组锁合豁口(8)均沿着螺栓杆(6)轴线设置;所述螺栓杆(6)的外螺纹(7)上依次设置有普通螺母(2)和防松螺母(3),所述防松螺母(3)上可拆卸式设置有防松卡簧(4),防松卡簧(4)的卡头与所述防松螺栓(1)外螺纹(7)上的锁合豁口(8)配合卡接。
2.根据权利要求1所述的防止松动螺栓螺母组件,其特征在于:所述防松螺母(3)由螺母主体(11)构成,螺母主体(11)的中部设置有用于与防松螺栓(1)外螺纹(7)相配合的内螺纹(16),螺母主体(11)的外侧周边设置有环形卡簧凹槽(12),环形卡簧凹槽(12)内设置有两个便于防松卡簧(4)的卡头伸入的卡头伸入孔(13),且卡头伸入孔(13)贯穿螺母主体(11)的侧壁。
3.根据权利要求2所述的防止松动螺栓螺母组件,其特征在于:所述防松螺母(3)的螺母主体(11)与普通螺母(2)相接触的一侧,设置有对位缓冲槽(15)。
4.根据权利要求2所述的防止松动螺栓螺母组件,其特征在于:所述防松螺母(3)的螺母主体(11)上、远离普通螺母(2)的一侧,设置有两个与环形卡簧凹槽(12)内卡头伸入孔(13)的位置相对应的卡簧扩张开口(14);且卡簧扩张开口(14)与环形卡簧凹槽(12)相连通。
5.根据权利要求2所述的防止松动螺栓螺母组件,其特征在于:所述防松卡簧(4)由弧形卡簧主体(17)构成,弧形卡簧主体(17)的两端分别设置有定位卡头(18)和锁合卡头(19),锁合卡头(19)朝向防松螺栓(1)外螺纹(7)的内侧设置有锁合尖端(20);并且,所述锁合卡头(19)和定位卡头(18)上分别设置有用于张开或闭合防松卡簧(4)的扩张孔(21)。
6.根据权利要求1所述的防止松动螺栓螺母组件,其特征在于:所述防松螺栓(1)外螺纹(7)上设置的锁合豁口(8)沿螺栓杆(6)径向的截面,由侧向斜边(10)和径向直边(9)构成,且所述径向直边(9)位于侧向斜边(10)的朝向螺母旋松方向的一侧。
7.根据权利要求6所述的防止松动螺栓螺母组件,其特征在于:所述锁合豁口(8)截面的侧向斜边(10)与径向直边(9)之间的夹角α为75~90度;所述径向直边(9)的长度不小于防松螺栓(1)外螺纹(7)的高度d。
8.根据权利要求1所述的防止松动螺栓螺母组件,其特征在于:所述防松螺栓(1)的外螺纹(7)上、沿螺栓杆(6)径向截面圆周等间距布置的锁合豁口(8)的数量为4~8组。
9.根据权利要求1所述的防止松动螺栓螺母组件,其特征在于:用于扩张所述防松卡簧(4)的卡簧钳由相互铰接的第一钳体(22)和第二钳体(23)构成,所述第一钳体(22)和第二钳体(23)对称布置且结构相同,均包括钳柄(24),钳柄(24)的前端设置有卡接尖端(26),卡接尖端(26)与钳柄(24)相连的部位设置有铰接部(25);第一钳体(22)和第二钳体(23)的铰接部(25),通过铰接转轴(27)铰接在一起。
CN201920971879.2U 2019-06-26 2019-06-26 防止松动螺栓螺母组件 Expired - Fee Related CN210178729U (zh)

Priority Applications (1)

Application Number Priority Date Filing Date Title
CN201920971879.2U CN210178729U (zh) 2019-06-26 2019-06-26 防止松动螺栓螺母组件

Applications Claiming Priority (1)

Application Number Priority Date Filing Date Title
CN201920971879.2U CN210178729U (zh) 2019-06-26 2019-06-26 防止松动螺栓螺母组件

Publications (1)

Publication Number Publication Date
CN210178729U true CN210178729U (zh) 2020-03-24

Family

ID=69838896

Family Applications (1)

Application Number Title Priority Date Filing Date
CN201920971879.2U Expired - Fee Related CN210178729U (zh) 2019-06-26 2019-06-26 防止松动螺栓螺母组件

Country Status (1)

Country Link
CN (1) CN210178729U (zh)

Cited By (3)

* Cited by examiner, † Cited by third party
Publication number Priority date Publication date Assignee Title
CN110185691A (zh) * 2019-06-26 2019-08-30 朴得宝 防止松动螺栓螺母组件
CN112963428A (zh) * 2021-02-02 2021-06-15 彭均松 一种防松紧固件及其安装装置
CN114576254A (zh) * 2022-03-01 2022-06-03 李玉龙 一种防松螺母

Cited By (5)

* Cited by examiner, † Cited by third party
Publication number Priority date Publication date Assignee Title
CN110185691A (zh) * 2019-06-26 2019-08-30 朴得宝 防止松动螺栓螺母组件
CN110185691B (zh) * 2019-06-26 2024-11-22 朴得宝 防止松动螺栓螺母组件
CN112963428A (zh) * 2021-02-02 2021-06-15 彭均松 一种防松紧固件及其安装装置
CN114576254A (zh) * 2022-03-01 2022-06-03 李玉龙 一种防松螺母
CN114576254B (zh) * 2022-03-01 2023-12-15 深圳市森峄精密五金有限公司 一种防松螺母

Similar Documents

Publication Publication Date Title
CN110185691B (zh) 防止松动螺栓螺母组件
CN210178729U (zh) 防止松动螺栓螺母组件
CN205478807U (zh) 一种连接紧固配件
CN213352233U (zh) 一种航空液压阀的阀套拆装夹具
CN210164768U (zh) 一种防松套筒螺栓
CN207945183U (zh) 一种铆接双头螺柱组件
CN209195919U (zh) 一种防松的楔合型异径反旋螺丝紧固组件
CN212131030U (zh) 防松螺栓组件
CN211820309U (zh) 一种防松螺栓
CN108591221B (zh) 防松螺纹紧固组件及螺纹紧固件锁紧环
CN219282220U (zh) 一种高防松效果的紧固件
CN213575088U (zh) 一种不锈钢螺丝紧固件
CN210978149U (zh) 一杆同向双螺纹防滑螺丝
CN110219869A (zh) 一种端部撑开式单边螺栓紧固件
CN222910496U (zh) 一种用于盲孔的自锁螺栓
CN213039653U (zh) 一种锥形外凸防盗螺母
CN215214321U (zh) 弹性自锁螺母
CN112792786B (zh) 一种风电变桨轴承用双头螺柱定长度快速拧入装置及方法
CN214617414U (zh) 一种可重复使用的防松螺栓组件
CN210068718U (zh) 防松动螺栓
CN210830102U (zh) 一杆反向双螺纹防滑螺丝
CN207212900U (zh) 一种双头螺柱
CN222415590U (zh) 一种快速拧紧工艺螺栓组件
CN221547509U (zh) 一种车用防松螺栓和螺母组合
CN206419323U (zh) 一种防松螺母

Legal Events

Date Code Title Description
GR01 Patent grant
GR01 Patent grant
CF01 Termination of patent right due to non-payment of annual fee
CF01 Termination of patent right due to non-payment of annual fee

Granted publication date: 20200324