CN202718955U - 一种缓冲油缸 - Google Patents

一种缓冲油缸 Download PDF

Info

Publication number
CN202718955U
CN202718955U CN 201220360930 CN201220360930U CN202718955U CN 202718955 U CN202718955 U CN 202718955U CN 201220360930 CN201220360930 CN 201220360930 CN 201220360930 U CN201220360930 U CN 201220360930U CN 202718955 U CN202718955 U CN 202718955U
Authority
CN
China
Prior art keywords
oil
buffering
piston rod
piston
check valves
Prior art date
Legal status (The legal status is an assumption and is not a legal conclusion. Google has not performed a legal analysis and makes no representation as to the accuracy of the status listed.)
Expired - Lifetime
Application number
CN 201220360930
Other languages
English (en)
Inventor
邵国建
郑秀静
Current Assignee (The listed assignees may be inaccurate. Google has not performed a legal analysis and makes no representation or warranty as to the accuracy of the list.)
ZHEJIANG HUACHANG HYDRAUTIC MACHINERY CO Ltd
Original Assignee
ZHEJIANG HUACHANG HYDRAUTIC MACHINERY CO Ltd
Priority date (The priority date is an assumption and is not a legal conclusion. Google has not performed a legal analysis and makes no representation as to the accuracy of the date listed.)
Filing date
Publication date
Application filed by ZHEJIANG HUACHANG HYDRAUTIC MACHINERY CO Ltd filed Critical ZHEJIANG HUACHANG HYDRAUTIC MACHINERY CO Ltd
Priority to CN 201220360930 priority Critical patent/CN202718955U/zh
Application granted granted Critical
Publication of CN202718955U publication Critical patent/CN202718955U/zh
Anticipated expiration legal-status Critical
Expired - Lifetime legal-status Critical Current

Links

Images

Landscapes

  • Actuator (AREA)
  • Fluid-Damping Devices (AREA)

Abstract

本实用新型涉及一种缓冲油缸,缸筒内装有两只活塞,其中后活塞不和活塞杆连接,前活塞和活塞杆连接,两只活塞之间形成一个缓冲油腔,前活塞上有若干只进油单向阀和出油单向阀,在活塞杆行程的起始段和终点段时,两只活塞相向移动并挤压缓冲油腔中的油,缓冲油腔的油可通过出油单向阀流出,由于出油单向阀的出油孔较小,油流出速度较慢,活塞杆的移动速度减慢,达到了缓冲要求,此种缓冲过程比较平稳。

Description

一种缓冲油缸
技术领域
本实用新型涉及一种液压设备,尤其涉及一种液压缓冲油缸。
背景技术
某些液压油缸在活塞杆的起始阶段和终点阶段需要进行缓冲,以满足工艺要求。目前油缸的缓冲装置有多种,但往往结构复杂。如中国专利201934414U一种缓冲油缸,包括缸体、活塞杆和活塞,缸体的两端分别设有油孔A、B、D和E,缸体的顶端设有阀块,阀块的前面设有油孔B1、A1、D1和E1,阀块的背面设有油孔C和F,油孔B、A、D和E分别通过油管一、油管二、油管三和油管四与油孔B1、A1、D1和E1相连,油孔A1与C、以及油孔D1与F在阀块内部相连通,阀块的顶端设有柱状壳体一和柱状壳体二,柱状壳体一中设有锥阀一,柱状壳体一的顶端设有旋钮一,柱状壳体二中设有锥阀二,柱状壳体二的顶端设有旋钮二,阀块的两侧设有单向阀一和单向阀二。
发明内容
本实用新型主要目的是:提供一种结构简单,缓冲效果好,性能优良的缓冲油缸。
本实用新型的上述技术问题主要是通过下述技术方案得以解决的:一种缓冲油缸,具有缸筒,缸筒内装有活塞,其特征在于:所述缸筒内装有前、后二只相互独立的活塞,所述前活塞上设有若干进油单向阀和出油单向阀,所述进油单向阀的直径大于出油单向阀。
本实用新型的技术方案还可以进一步完善:
作为优选,所述前活塞上设有活塞杆,所述活塞杆上连接有压板,压板上装有弹簧,弹簧一端顶住压板,另一端顶住进油单向阀。
作为优选,进油单向阀和出油单向阀为球阀。
因此,本实用新型的有益效果是:结构简单,而且活塞杆缓冲过程比较平稳,适用于活塞杆移动过程要求比较平稳的场合。
附图说明
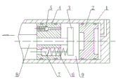
附图1是本实用新型的一种结构示意图。
附图标记说明: 1、缸筒,2、后活塞,3、压板,4、前活塞,5、出油单向阀,6、弹簧,7、进油单向阀,8、活塞杆,9、缓冲油腔。
具体实施方式
下面通过实施例并结合附图,对本实用新型的技术方案作进一步具体说明。
实施例:
如图所示的缓冲油缸,缸筒1内装有两只活塞,前活塞4连接有活塞杆8,其中后活塞2为独立安装,不和活塞杆8连接,两只活塞均可在缸筒内前后移动。两只活塞之间形成一个缓冲油腔,前活塞上均布有口径较大的二只进油单向阀7和口径较小的二只出油单向阀5,进油单向阀和出油单向阀均为球阀。活塞杆8连接有压板3,压板上装有弹簧6,弹簧一端顶住压板,另一端顶住进油单向阀。缓冲油腔中的油可通过出油单向阀5流入缸筒,缸筒中的油可通过进油单向阀7流入缓冲油腔。
在活塞杆行程的起始段和终点段时,两只活塞相向移动并挤压缓冲油腔的油,缓冲油腔的油可通过出油单向阀5流出, 由于出油单向阀的出油孔较小, 油流出速度较慢, 前活塞和活塞杆的移动速度减慢,达到了缓冲要求。 

Claims (3)

1.一种缓冲油缸,具有缸筒,缸筒内装有活塞,其特征在于:所述缸筒内装有前、后二只相互独立的活塞,所述前活塞上设有若干进油单向阀和出油单向阀,所述进油单向阀的直径大于出油单向阀。
2.根据权利要求1所述的缓冲油缸,其特征在于:所述前活塞上设有活塞杆,所述活塞杆上连接有压板,压板上装有弹簧,弹簧一端顶住压板,另一端顶住进油单向阀。
3.根据权利要求1所述的缓冲油缸,其特征在于:进油单向阀和出油单向阀为球阀。
CN 201220360930 2012-07-25 2012-07-25 一种缓冲油缸 Expired - Lifetime CN202718955U (zh)

Priority Applications (1)

Application Number Priority Date Filing Date Title
CN 201220360930 CN202718955U (zh) 2012-07-25 2012-07-25 一种缓冲油缸

Applications Claiming Priority (1)

Application Number Priority Date Filing Date Title
CN 201220360930 CN202718955U (zh) 2012-07-25 2012-07-25 一种缓冲油缸

Publications (1)

Publication Number Publication Date
CN202718955U true CN202718955U (zh) 2013-02-06

Family

ID=47620779

Family Applications (1)

Application Number Title Priority Date Filing Date
CN 201220360930 Expired - Lifetime CN202718955U (zh) 2012-07-25 2012-07-25 一种缓冲油缸

Country Status (1)

Country Link
CN (1) CN202718955U (zh)

Cited By (5)

* Cited by examiner, † Cited by third party
Publication number Priority date Publication date Assignee Title
CN103148053A (zh) * 2013-03-04 2013-06-12 长沙理工大学 一种混凝土泵用泵送油缸的行程控制节能缓冲法
CN103438050A (zh) * 2013-09-02 2013-12-11 山西北方机械制造有限责任公司 一种卸荷后缓冲的油缸装置
CN104047924A (zh) * 2014-07-08 2014-09-17 常州市新墅机床数控设备有限公司 行程末端缓冲的锁紧油缸结构
CN107082040A (zh) * 2017-06-14 2017-08-22 徐庭中 具有缓降翻转铲斗的自主装卸多用车
CN111503086A (zh) * 2020-06-03 2020-08-07 江阴市洪腾机械有限公司 一种可调阻尼液压缸

Cited By (7)

* Cited by examiner, † Cited by third party
Publication number Priority date Publication date Assignee Title
CN103148053A (zh) * 2013-03-04 2013-06-12 长沙理工大学 一种混凝土泵用泵送油缸的行程控制节能缓冲法
CN103438050A (zh) * 2013-09-02 2013-12-11 山西北方机械制造有限责任公司 一种卸荷后缓冲的油缸装置
CN103438050B (zh) * 2013-09-02 2015-11-25 山西北方机械制造有限责任公司 一种卸荷后缓冲的油缸装置
CN104047924A (zh) * 2014-07-08 2014-09-17 常州市新墅机床数控设备有限公司 行程末端缓冲的锁紧油缸结构
CN104047924B (zh) * 2014-07-08 2016-01-13 常州市新墅机床数控设备有限公司 行程末端缓冲的锁紧油缸结构
CN107082040A (zh) * 2017-06-14 2017-08-22 徐庭中 具有缓降翻转铲斗的自主装卸多用车
CN111503086A (zh) * 2020-06-03 2020-08-07 江阴市洪腾机械有限公司 一种可调阻尼液压缸

Similar Documents

Publication Publication Date Title
CN202718955U (zh) 一种缓冲油缸
CN203114778U (zh) 内置式自动换向油缸
CN103256275A (zh) 一种双作用快速液压缸
CN203939810U (zh) 一种内置变节流缓冲装置的液压缸
CN203627369U (zh) 一种压力补偿阀
CN103539016A (zh) 用于电缆拖令的弹性缓冲器
CN105179561A (zh) 单活塞行程感应式阻力变化阻尼结构
CN204900642U (zh) 双向液压缓冲器
CN203394921U (zh) 一种柱塞液压缸
CN202690578U (zh) 一种快速油缸
CN102588376A (zh) 一种带卸荷阀心的液控单向阀
CN203757073U (zh) 一种液控单向阀
CN204436946U (zh) 一种液压缸恒节流缓冲机构
CN103629290B (zh) 一种飞机缓冲器变阻尼油针
CN202628667U (zh) 一种具有末端功能的作动筒
CN201424300Y (zh) 一种气动卷纸筒机的退筒机构
CN202756342U (zh) 长行程快速液压缸缓冲装置
CN201874925U (zh) 可调式液压缸缓冲结构
AU2013354562A8 (en) Hydraulic cylinder with end position damping
CN203176045U (zh) 组合式油缸
CN203248788U (zh) 一种液控单向阀
CN202451496U (zh) 平稳调程缸
CN201779087U (zh) 一种冲裁液压机缓冲缸
CN201420718Y (zh) 液控单向阀
CN202215518U (zh) 一种液压系统用蓄能器

Legal Events

Date Code Title Description
C14 Grant of patent or utility model
GR01 Patent grant
CX01 Expiry of patent term

Granted publication date: 20130206

CX01 Expiry of patent term