CN202494713U - 电流采样电路 - Google Patents
电流采样电路 Download PDFInfo
- Publication number
- CN202494713U CN202494713U CN2012201384556U CN201220138455U CN202494713U CN 202494713 U CN202494713 U CN 202494713U CN 2012201384556 U CN2012201384556 U CN 2012201384556U CN 201220138455 U CN201220138455 U CN 201220138455U CN 202494713 U CN202494713 U CN 202494713U
- Authority
- CN
- China
- Prior art keywords
- current
- polar capacitor
- current sampling
- resistance
- sampling circuit
- Prior art date
- Legal status (The legal status is an assumption and is not a legal conclusion. Google has not performed a legal analysis and makes no representation as to the accuracy of the status listed.)
- Expired - Fee Related
Links
- 238000005070 sampling Methods 0.000 title claims abstract description 29
- 239000003990 capacitor Substances 0.000 claims abstract description 34
- 238000000034 method Methods 0.000 abstract description 15
- 238000012360 testing method Methods 0.000 abstract description 4
- 230000008569 process Effects 0.000 abstract description 3
- 238000004804 winding Methods 0.000 description 4
- 230000004907 flux Effects 0.000 description 2
- XEEYBQQBJWHFJM-UHFFFAOYSA-N Iron Chemical group [Fe] XEEYBQQBJWHFJM-UHFFFAOYSA-N 0.000 description 1
- 230000009286 beneficial effect Effects 0.000 description 1
- 230000008901 benefit Effects 0.000 description 1
- 238000006243 chemical reaction Methods 0.000 description 1
- 238000010586 diagram Methods 0.000 description 1
- 238000007599 discharging Methods 0.000 description 1
- 238000005516 engineering process Methods 0.000 description 1
- 230000006872 improvement Effects 0.000 description 1
- 230000006698 induction Effects 0.000 description 1
- 238000005259 measurement Methods 0.000 description 1
- 238000012986 modification Methods 0.000 description 1
- 230000004048 modification Effects 0.000 description 1
- 230000021715 photosynthesis, light harvesting Effects 0.000 description 1
- 238000012545 processing Methods 0.000 description 1
- 238000012797 qualification Methods 0.000 description 1
- 238000010992 reflux Methods 0.000 description 1
Images
Landscapes
- Measurement Of Current Or Voltage (AREA)
Abstract
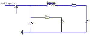
本实用新型公开了一种电流采样电路,属于电流采样领域。该电流采样电路包括滤波线圈、第二电阻、第一极性电容和第二极性电容,其中该滤波线圈等效于串联的电感和第一电阻,该电感的自由端用于输入待采样电流且通过该第二电阻连接第一极性电容的正极,该第一极性电容的负极接地;该第一电阻的自由端连接该第二极性电容的正极且该第二极性电容的负极接地;根据公式IL*R+U2=U1,其中IL表示电感上的电流,R表示第一电阻的电阻值,U1表示第一极性电容上的电压值,U2表示第二极性电容上的电压值,通过检测电压值U1和U2,即可获得待采样电流。通过本实用新型,使得电流采样过程更加简单且采样无损耗、成本低。
Description
技术领域
本实用新型涉及电流采样领域,特别是一种更加简单、成本更低的电流采样电路。
背景技术
目前,常见的电流采样方法包括电阻采样法、电流互感器法和霍尔电流传感器法,其中电阻采样法是指将电流转换为电压,再通过放大处理后由A/D转换器实现采样,此方法原理简单且可操作性强,但损耗较大;电流互感器法是指将电流互感器的一次线圈与待测电路串联,流经一次线圈L1的电流即为待测电路的电流,电路互感器的铁芯内产生交流磁通,使得二次线圈L2感应产生交流电流,根据一次线圈电流I1和二次线圈电流I2的关系I1.N1=I2.N2,其中N1为一次线圈L1的匝数,N2为二次线圈L2的匝数,由此获得待测电路的电流,此方法较为复杂且电流测量不稳定;霍尔电流传感器法是指原边电流Ip 产生的磁通量聚集在磁路中,并由霍尔器件检测出霍尔电压信号,经过放大器放大获得采样电流,此方法获得的电流精确高,但系统成本也高。
实用新型内容
本实用新型的实用新型目的在于:针对上述存在的问题,提供一种电流采样电路,将电流采样转换为电压检测,使得电流采样过程更加简单且采样无损耗、成本低。
本实用新型采用的技术方案是这样的:一种电流采样电路,其特征在于:包括滤波线圈、第二电阻(R2)、第一极性电容(C1)和第二极性电容(C2),其中该滤波线圈等效于串联的电感(L)和第一电阻(R1),该电感(L)的自由端用于输入待采样电流且通过该第二电阻(R2)连接第一极性电容(C1)的正极,该第一极性电容(C1)的负极接地;该第一电阻(R1)的自由端连接该第二极性电容(C2)的正极且该第二极性电容(C2)的负极接地。
该电流采样电路还包括二极管(D),该电感(L)的自由端连接二极管(D)的负极且该二极管(D)的正极接地。
该电流采样电路还包括开关器件(Q),其中该电感(L)的自由端通过该开关器件(Q)输入电流。
所述开关器件(Q)选用MOSFET管,该电感(L)的自由端连接MOSFET管的源极,MOSFET管的漏极用于输入待采样电流且栅极用于接收控制信号,实现MOSFET管的导通或者断开。
综上所述,由于采用了上述技术方案,本实用新型的有益效果是:
1、本实用新型中电流采样电路,仅需检测第一极性电容上的电压值U1以及第二极性电容上的电压值U2,即可根据公式IL*R+U2=U1,计算出电感上的电流IL,从而获得待采样电流,本实用新型将电流采样转换为电压检测,使得电流采样过程更加简单,且采样无损耗、成本低;
2、本实用新型在电感L的自由端连接二极管的负极且二极管的正极接地,从而防止电流回流;
3、本实用新型的电流采样电路中增加了开关器件,针对不需要电流采样的通道,由控制器控制对应的开关器件断开,从而降低了能源浪费。
附图说明
图1是本实用新型中电流采样电路的电路图。
具体实施方式
下面结合附图,对本实用新型作详细的说明。
为了使本实用新型的目的、技术方案及优点更加清楚明白,以下结合附图及实施例,对本实用新型进行进一步详细说明。应当理解,此处所描述的具体实施例仅仅用以解释本实用新型,并不用于限定本实用新型。
如图1所示,该电流采样电路由滤波线圈、第二电阻R2、第一极性电容C1、第二极性电容C2、开关器件Q和二极管D,其中该滤波线圈等效于串联的电感L和第一电阻R1,该电感L的自由端通过第二电阻R2连接第一极性电容C1的正极且该第一极性电容C1的负极接地,该第一电阻R1的自由端连接第二极性电容C2的正极且该第二极性电容C2的负极接地;该电感L的自由端连接二极管D的正极且二极管D的负极接地,且该电感L的自由端通过该开关器件Q输入待采样电流。
在该电流采样电路中UL+IL*R+U2=U1+IC1*R’,其中UL、IL分别表示电感L上的电压值、电流值,R表示第一电阻R1的电阻值,U2表示第二极性电容C2上的电压值,U1表示第一极性电容C1上的电压值,IC1表示第一电容C1上的电流值,R’表示第二电阻R2的电阻值。由于电感L上电压在一个开关周期内的平均值为0,即UL=0,且第一电容C1在一个开关周期内充放电电流的平均值为0,即IC1=0,则上述公式可以表示为IL*R+U2=U1,由于电感L上的电流IL即为待采样电流,因此在第一电阻R1的电阻值R一定的情况下,仅需测量第一电容C1和第二电容C2上的电压值即可获得待采样电流。本实用新型将电流采样转换为电压检测,使得该电流采样方法更加简单、无损耗且成本低。
在本实用新型的第一实施例中,该开关器件Q选用MOSFET管,该电感L的自由端连接该MOSFET管的源极,该MOSFET管的漏极用于接收待采样电流且栅极用于接收控制信号,实现MOSFET管的导通与断开。应注意的是:该开关器件Q还可以采用IGBT管、功率三极管及其他功率开关器件。
以上所述仅为本实用新型的较佳实施例而已,并不用以限制本实用新型,凡在本实用新型的精神和原则之内所作的任何修改、等同替换和改进等,均应包含在本实用新型的保护范围之内。
Claims (4)
1.一种电流采样电路,其特征在于:包括滤波线圈、第二电阻(R2)、第一极性电容(C1)和第二极性电容(C2),其中该滤波线圈等效于串联的电感(L)和第一电阻(R1),该电感(L)的自由端用于输入待采样电流且通过该第二电阻(R2)连接第一极性电容(C1)的正极,该第一极性电容(C1)的负极接地;该第一电阻(R1)的自由端连接该第二极性电容(C2)的正极且该第二极性电容(C2)的负极接地。
2.根据权利要求1所述的电流采样电路,其特征在于:该电流采样电路还包括二极管(D),该电感(L)的自由端连接二极管(D)的负极且该二极管(D)的正极接地。
3.根据权利要求1或2所述的电流采样电路,其特征在于:该电流采样电路还包括开关器件(Q),其中该电感(L)的自由端通过该开关器件(Q)输入电流。
4.根据权利要求3所述的电流采样电路,其特征在于:所述开关器件(Q)选用MOSFET管,该电感(L)的自由端连接MOSFET管的源极,MOSFET管的漏极用于输入待采样电流且栅极用于接收控制信号,实现MOSFET管的导通或者断开。
Priority Applications (1)
| Application Number | Priority Date | Filing Date | Title |
|---|---|---|---|
| CN2012201384556U CN202494713U (zh) | 2012-04-05 | 2012-04-05 | 电流采样电路 |
Applications Claiming Priority (1)
| Application Number | Priority Date | Filing Date | Title |
|---|---|---|---|
| CN2012201384556U CN202494713U (zh) | 2012-04-05 | 2012-04-05 | 电流采样电路 |
Publications (1)
| Publication Number | Publication Date |
|---|---|
| CN202494713U true CN202494713U (zh) | 2012-10-17 |
Family
ID=47000938
Family Applications (1)
| Application Number | Title | Priority Date | Filing Date |
|---|---|---|---|
| CN2012201384556U Expired - Fee Related CN202494713U (zh) | 2012-04-05 | 2012-04-05 | 电流采样电路 |
Country Status (1)
| Country | Link |
|---|---|
| CN (1) | CN202494713U (zh) |
-
2012
- 2012-04-05 CN CN2012201384556U patent/CN202494713U/zh not_active Expired - Fee Related
Similar Documents
| Publication | Publication Date | Title |
|---|---|---|
| CN103018575B (zh) | 一种利用大功率电感测试装置测量大功率电感的方法 | |
| CN110208597B (zh) | 一种基于单绕组电流互感器的自供电无线电流监测系统 | |
| CN203840210U (zh) | 交流逆变电路 | |
| CN103872787B (zh) | 一种新型的高压侧感应取电电源装置 | |
| CN113300487B (zh) | 用于无线电能传输系统的异物检测设备及方法 | |
| CN205123588U (zh) | 隔离反激式高频开关电源及其输入电压检测电路 | |
| CN104242657A (zh) | 一种原边并串补偿副边串联补偿的非接触谐振变换器 | |
| CN102386780A (zh) | 一种dc/dc部分的推挽电路 | |
| CN208172223U (zh) | 一种变压器漏磁检测装置 | |
| CN203595790U (zh) | 无源开关隔离检测装置 | |
| CN202231621U (zh) | 一种变流器的并联结构 | |
| CN202094711U (zh) | 一种可在运行中电缆获取电能的直流供电装置 | |
| CN107733093A (zh) | 一种电容耦合谐振式无线能量传输系统及方法 | |
| CN205103301U (zh) | 抑制共模干扰的漏电流检测电路 | |
| CN202494713U (zh) | 电流采样电路 | |
| CN205017222U (zh) | 开关电源及电子设备 | |
| CN102103157B (zh) | 直流电压隔离采样装置 | |
| CN204361762U (zh) | 一种基于电磁感应的轨道小车充电装置 | |
| CN208955659U (zh) | 一种相控断路器基波信号提取装置 | |
| CN203166765U (zh) | 一种基于模块化多电平换流器的隔离型dc/dc变换器 | |
| CN203434883U (zh) | 一种自激推挽式高频变换器 | |
| CN110601379B (zh) | 一种应用于电流互感器的利用单相ac/dc整流电路实现电子负载功能的控制方法 | |
| CN206584812U (zh) | 一种偏置型的光纤传输高压电流互感器 | |
| CN203181262U (zh) | 一种高频电焊台电磁感应加热系统 | |
| CN202256445U (zh) | 电压检测电路 |
Legal Events
| Date | Code | Title | Description |
|---|---|---|---|
| C14 | Grant of patent or utility model | ||
| GR01 | Patent grant | ||
| C17 | Cessation of patent right | ||
| CF01 | Termination of patent right due to non-payment of annual fee |
Granted publication date: 20121017 Termination date: 20140405 |