CN114986706B - Automatic sample manufacturing device and method for civil engineering laboratory - Google Patents

Automatic sample manufacturing device and method for civil engineering laboratory Download PDF

Info

Publication number
CN114986706B
CN114986706B CN202210413861.7A CN202210413861A CN114986706B CN 114986706 B CN114986706 B CN 114986706B CN 202210413861 A CN202210413861 A CN 202210413861A CN 114986706 B CN114986706 B CN 114986706B
Authority
CN
China
Prior art keywords
steel bar
platform
vibrating
support
fixed
Prior art date
Legal status (The legal status is an assumption and is not a legal conclusion. Google has not performed a legal analysis and makes no representation as to the accuracy of the status listed.)
Active
Application number
CN202210413861.7A
Other languages
Chinese (zh)
Other versions
CN114986706A (en
Inventor
李永进
王国杰
林凯斌
Current Assignee (The listed assignees may be inaccurate. Google has not performed a legal analysis and makes no representation or warranty as to the accuracy of the list.)
Fujian Jiangxia University
Original Assignee
Fujian Jiangxia University
Priority date (The priority date is an assumption and is not a legal conclusion. Google has not performed a legal analysis and makes no representation as to the accuracy of the date listed.)
Filing date
Publication date
Application filed by Fujian Jiangxia University filed Critical Fujian Jiangxia University
Publication of CN114986706A publication Critical patent/CN114986706A/en
Application granted granted Critical
Publication of CN114986706B publication Critical patent/CN114986706B/en
Active legal-status Critical Current
Anticipated expiration legal-status Critical

Links

Images

Classifications

    • BPERFORMING OPERATIONS; TRANSPORTING
    • B28WORKING CEMENT, CLAY, OR STONE
    • B28CPREPARING CLAY; PRODUCING MIXTURES CONTAINING CLAY OR CEMENTITIOUS MATERIAL, e.g. PLASTER
    • B28C7/00Controlling the operation of apparatus for producing mixtures of clay or cement with other substances; Supplying or proportioning the ingredients for mixing clay or cement with other substances; Discharging the mixture
    • B28C7/0046Storage or weighing apparatus for supplying ingredients
    • B28C7/0053Storage containers, e.g. hoppers, silos, bins
    • BPERFORMING OPERATIONS; TRANSPORTING
    • B28WORKING CEMENT, CLAY, OR STONE
    • B28BSHAPING CLAY OR OTHER CERAMIC COMPOSITIONS; SHAPING SLAG; SHAPING MIXTURES CONTAINING CEMENTITIOUS MATERIAL, e.g. PLASTER
    • B28B1/00Producing shaped prefabricated articles from the material
    • B28B1/04Producing shaped prefabricated articles from the material by tamping or ramming
    • B28B1/045Producing shaped prefabricated articles from the material by tamping or ramming combined with vibrating or jolting
    • BPERFORMING OPERATIONS; TRANSPORTING
    • B28WORKING CEMENT, CLAY, OR STONE
    • B28BSHAPING CLAY OR OTHER CERAMIC COMPOSITIONS; SHAPING SLAG; SHAPING MIXTURES CONTAINING CEMENTITIOUS MATERIAL, e.g. PLASTER
    • B28B13/00Feeding the unshaped material to moulds or apparatus for producing shaped articles; Discharging shaped articles from such moulds or apparatus
    • B28B13/02Feeding the unshaped material to moulds or apparatus for producing shaped articles
    • BPERFORMING OPERATIONS; TRANSPORTING
    • B28WORKING CEMENT, CLAY, OR STONE
    • B28CPREPARING CLAY; PRODUCING MIXTURES CONTAINING CLAY OR CEMENTITIOUS MATERIAL, e.g. PLASTER
    • B28C5/00Apparatus or methods for producing mixtures of cement with other substances, e.g. slurries, mortars, porous or fibrous compositions
    • B28C5/08Apparatus or methods for producing mixtures of cement with other substances, e.g. slurries, mortars, porous or fibrous compositions using driven mechanical means affecting the mixing
    • B28C5/0806Details; Accessories
    • BPERFORMING OPERATIONS; TRANSPORTING
    • B28WORKING CEMENT, CLAY, OR STONE
    • B28CPREPARING CLAY; PRODUCING MIXTURES CONTAINING CLAY OR CEMENTITIOUS MATERIAL, e.g. PLASTER
    • B28C7/00Controlling the operation of apparatus for producing mixtures of clay or cement with other substances; Supplying or proportioning the ingredients for mixing clay or cement with other substances; Discharging the mixture
    • B28C7/04Supplying or proportioning the ingredients
    • B28C7/0404Proportioning
    • BPERFORMING OPERATIONS; TRANSPORTING
    • B28WORKING CEMENT, CLAY, OR STONE
    • B28CPREPARING CLAY; PRODUCING MIXTURES CONTAINING CLAY OR CEMENTITIOUS MATERIAL, e.g. PLASTER
    • B28C7/00Controlling the operation of apparatus for producing mixtures of clay or cement with other substances; Supplying or proportioning the ingredients for mixing clay or cement with other substances; Discharging the mixture
    • B28C7/04Supplying or proportioning the ingredients
    • B28C7/06Supplying the solid ingredients, e.g. by means of endless conveyors or jigging conveyors
    • BPERFORMING OPERATIONS; TRANSPORTING
    • B28WORKING CEMENT, CLAY, OR STONE
    • B28CPREPARING CLAY; PRODUCING MIXTURES CONTAINING CLAY OR CEMENTITIOUS MATERIAL, e.g. PLASTER
    • B28C7/00Controlling the operation of apparatus for producing mixtures of clay or cement with other substances; Supplying or proportioning the ingredients for mixing clay or cement with other substances; Discharging the mixture
    • B28C7/16Discharge means, e.g. with intermediate storage of fresh concrete
    • FMECHANICAL ENGINEERING; LIGHTING; HEATING; WEAPONS; BLASTING
    • F26DRYING
    • F26BDRYING SOLID MATERIALS OR OBJECTS BY REMOVING LIQUID THEREFROM
    • F26B17/00Machines or apparatus for drying materials in loose, plastic, or fluidised form, e.g. granules, staple fibres, with progressive movement
    • F26B17/26Machines or apparatus for drying materials in loose, plastic, or fluidised form, e.g. granules, staple fibres, with progressive movement with movement performed by reciprocating or oscillating conveyors propelling materials over stationary surfaces; with movement performed by reciprocating or oscillating shelves, sieves, or trays
    • FMECHANICAL ENGINEERING; LIGHTING; HEATING; WEAPONS; BLASTING
    • F26DRYING
    • F26BDRYING SOLID MATERIALS OR OBJECTS BY REMOVING LIQUID THEREFROM
    • F26B21/00Arrangements or duct systems, e.g. in combination with pallet boxes, for supplying and controlling air or gases for drying solid materials or objects
    • F26B21/004Nozzle assemblies; Air knives; Air distributors; Blow boxes
    • FMECHANICAL ENGINEERING; LIGHTING; HEATING; WEAPONS; BLASTING
    • F26DRYING
    • F26BDRYING SOLID MATERIALS OR OBJECTS BY REMOVING LIQUID THEREFROM
    • F26B2200/00Drying processes and machines for solid materials characterised by the specific requirements of the drying good
    • F26B2200/14Sand

Landscapes

  • Engineering & Computer Science (AREA)
  • Chemical & Material Sciences (AREA)
  • Mechanical Engineering (AREA)
  • Dispersion Chemistry (AREA)
  • General Engineering & Computer Science (AREA)
  • Manufacturing & Machinery (AREA)
  • Ceramic Engineering (AREA)
  • Structural Engineering (AREA)
  • Devices For Post-Treatments, Processing, Supply, Discharge, And Other Processes (AREA)

Abstract

The invention provides an automatic sample manufacturing device for a civil engineering laboratory, which comprises a material cleaning and drying device, a concrete distributing and stirring device, a stirrer cleaning device, a cement pumping and pouring device, a vibrating and laminating device and a reinforcing steel bar bundling device which are sequentially arranged. The invention realizes the cleaning and drying before the concrete stirring, the material-dividing stirring of mixed concrete, and the automatic pouring, trowelling and film coating work of the concrete mold surface after the vibration is completed by utilizing the compression roller and the film clamp, thereby having high efficiency and small manpower consumption; meanwhile, the used stirrer can be cleaned in time, so that the stirring machine is convenient and efficient.

Description

土木工程试验室试样自动化制造装置及方法Automatic sample manufacturing device and method for civil engineering laboratory

土木工程试验室试样自动化制造装置及方法Automatic sample manufacturing device and method for civil engineering laboratory

技术领域technical field

本发明涉及一种土木工程试验室试样自动化制造装置及方法。The invention relates to an automatic manufacturing device and method for a sample in a civil engineering laboratory.

背景技术Background technique

现有的院校或科研院所常常需要进行混凝土试件实验,需要进行试件的制作,试件的制作多采用人工操作,从物料的清洗、物料的分料搅拌混合、物料的振捣,抹平和覆膜都采用人工操作,对于学生来说操作过程费时费力效率低。Existing colleges or scientific research institutes often need to carry out experiments on concrete specimens, which require the production of specimens. The production of specimens is mostly done manually, from the cleaning of materials, the stirring and mixing of materials, and the vibration of materials. Both smoothing and laminating are manual operations, which is time-consuming and labor-intensive for students and inefficient.

发明内容Contents of the invention

本发明对上述问题进行了改进,即本发明要解决的技术问题是提供一种土木工程试验室试样自动化制造装置及方法,使用方便且高效。The present invention improves the above problems, that is, the technical problem to be solved by the present invention is to provide a civil engineering laboratory sample automatic manufacturing device and method, which are convenient and efficient to use.

本发明是这样构成的,它包括依次设置的物料清洗干燥装置、混凝土分料搅拌装置、搅拌机清洗装置、水泥泵送浇模装置、振捣覆膜装置以及钢筋捆扎装置,所述振捣覆膜装置包括振捣台,所述振捣台包括基座及固定于基座上方的振捣电机,所述振捣电机的输出轴固定有转盘,所述转盘上偏心与一支撑台连接,所述支撑台上用于放置模具,所述基座侧部设置有竖向支架,所述竖向支架的顶部铰接有能够摆动的摆杆,所述摆杆上横向铰接有能滚动的压辊,所述竖向支架的后侧还固定有能夹持薄膜的夹具,所述竖向支架由支架驱动装置驱动横向移动,所述水泥泵送浇模装置包括位于振捣台上方的浇注装置,所述浇注装置包括暂存罐,所述暂存罐与负压管连接,所述暂存罐的下方具有以供物料排出的下料管,所述负压管上具有负压泵,所述下料管处设置有控制下料启闭的电磁阀。The present invention is constituted in such a way that it includes a material cleaning and drying device, a concrete distribution and mixing device, a mixer cleaning device, a cement pumping casting device, a vibrating coating device and a steel bar binding device arranged in sequence, and the vibrating coating The device includes a vibrating table, the vibrating table includes a base and a vibrating motor fixed above the base, the output shaft of the vibrating motor is fixed with a turntable, and the turntable is eccentrically connected with a support table, the The support platform is used to place the mould, the side of the base is provided with a vertical bracket, the top of the vertical bracket is hinged with a swing bar that can swing, and the swing bar is horizontally hinged with a roller that can roll. The rear side of the vertical support is also fixed with a clamp capable of clamping the film. The vertical support is driven by the support drive device to move laterally. The cement pumping casting device includes a pouring device located above the vibrating table. The pouring device includes a temporary storage tank, the temporary storage tank is connected with a negative pressure pipe, the bottom of the temporary storage tank has a feeding pipe for material discharge, the negative pressure pipe has a negative pressure pump, and the feeding The pipe is provided with a solenoid valve to control the opening and closing of the material.

进一步的,所述暂存罐上固定有视觉照相机或激光传感器。Further, a visual camera or a laser sensor is fixed on the temporary storage tank.

进一步的,所述支撑台包括与转盘偏心铰接连接的下支撑台及与下支撑台上部经弹簧连接的上支撑台,所述上支撑台表面具有限位孔,所述限位孔上插入有用于限位模具的限位杆;所述基座旁侧上固定有竖向设置的薄膜支架,所述薄膜支架上铰接有薄膜输送辊,所述薄膜输送辊上缠绕有薄膜,所述夹具包括一对通过螺栓固定连接的夹板,其中一个夹板固定于摆杆上,所述薄膜夹于两个夹板之间;竖向支架具有一对,两个竖向支架的摆杆之间通过连杆连接,所述压辊铰接连接于连杆上,所述压辊长度与对应模具侧部边长相符,所述竖向支架底部固定有滑块,所述基座两侧固定有与滑块配合的导轨,所述导轨与滑块配合面呈工字型,所述支架驱动装置为支架电缸。Further, the support platform includes a lower support platform eccentrically hingedly connected to the turntable and an upper support platform connected to the upper part of the lower support platform via a spring, the surface of the upper support platform has a limit hole, and a useful The limit bar of the limit mold; the side of the base is fixed with a vertical film support, the film support is hinged with a film conveying roller, and the film is wound on the film conveying roller, and the clamp includes A pair of splints connected by bolts, one of the splints is fixed on the swing rod, and the film is sandwiched between the two splints; the vertical support has a pair, and the swing rods of the two vertical supports are connected by a connecting rod , the pressure roller is hingedly connected to the connecting rod, the length of the pressure roller is consistent with the side length of the corresponding mold, the bottom of the vertical support is fixed with a slider, and the two sides of the base are fixed with sliders. The guide rail, the mating surface of the guide rail and the slider is I-shaped, and the support driving device is a support electric cylinder.

进一步的,所述暂存罐设置于一机械手上,所述机械手包括底座及底座上固定有输出轴为竖向的第一电机,所述第一电机的输出轴固定连接有输出轴为纵向的第二电机,所述第二电机的输出轴固定连接有第一摆臂,所述第一摆臂的上端固定有水平设置的水平横臂,水平横臂端部经轴承铰接连接暂存罐。Further, the temporary storage tank is arranged on a manipulator, and the manipulator includes a base and a first motor with a vertical output shaft fixed on the base, and the output shaft of the first motor is fixedly connected with a motor with a vertical output shaft. The second motor, the output shaft of the second motor is fixedly connected with the first swing arm, the upper end of the first swing arm is fixed with a horizontal cross arm, and the end of the horizontal cross arm is hingedly connected to the temporary storage tank through a bearing.

进一步的,所述钢筋捆扎装置包括中空的矩状框架,所述矩状框架的上表面均匀固定有钢筋固定座,所述钢筋固定座包括一对相向设置的拐状支座,所述拐状支座纵向部之间的间隙形成落入钢筋的间隙,所述矩状框架底部固定有底板,所述底板中心固定有用于驱动矩状框架转动框架电机。Further, the steel bar binding device includes a hollow rectangular frame, and the upper surface of the rectangular frame is uniformly fixed with a steel bar fixing seat, and the steel bar fixing seat includes a pair of oppositely arranged turn-shaped supports, and the turn-shaped The gap between the longitudinal parts of the support forms a gap for falling steel bars, the bottom of the rectangular frame is fixed with a bottom plate, and the center of the bottom plate is fixed with a motor for driving the rectangular frame to rotate the frame.

进一步的,所述框架电机的下端固定于一滑座上,所述滑座由电缸驱动水平移动,所述框架的上部旁侧具有存放钢筋的钢筋下料斗,所述钢筋下料斗的中部具有用于输出钢筋的钢筋输出辊,所述钢筋输出辊由电机驱动转动,所述钢筋输出辊的表面间隔设置有用于将钢筋输出的凹槽,钢筋下料斗两侧与钢筋输出辊表面贴近防止钢筋由侧部脱出,钢筋下料斗的底部具有下料口,所述滑座下方具有滑轨,所述滑座与滑轨配合面为工字型;所述拐状支座的纵向部高于两倍钢筋直径,所述拐状支座的横向部通过螺栓固定在矩状框架上表面,所述拐状支座的横向部具有以供螺栓穿过的螺栓孔,所述矩状框架上表面具有以供螺栓穿过的槽道或螺栓孔,矩状框架的对边固定的钢筋固定座对称设置。Further, the lower end of the frame motor is fixed on a sliding seat, and the sliding seat is driven by an electric cylinder to move horizontally. The upper side of the frame has a steel bar lowering hopper for storing steel bars, and the middle part of the steel bar lowering hopper has a A steel bar output roller for outputting steel bars. The steel bar output roller is driven by a motor to rotate. The surface of the steel bar output roller is provided with grooves for outputting steel bars at intervals. Both sides of the steel bar lower hopper are close to the surface of the steel bar output roller to prevent the steel bar It comes out from the side, and the bottom of the reinforcement hopper has a discharge opening, and there is a slide rail under the slide seat, and the mating surface of the slide seat and the slide rail is I-shaped; the longitudinal part of the turning support is higher than two times the diameter of the steel bar, the transverse part of the turning-shaped support is fixed on the upper surface of the rectangular frame by bolts, the transverse part of the turning-shaped support has bolt holes for bolts to pass through, and the upper surface of the rectangular frame has The grooves or bolt holes for the bolts to pass through are arranged symmetrically on the opposite sides of the rectangular frame.

进一步的,所述物料清洗干燥装置包括第一振动网筛、设在第一振动网筛上方与下方第一侧部的上冲洗头和下冲洗头,上冲洗头和下冲洗头对着第一振动网筛,所述第一振动网筛上方的第二侧部设有热风喷头,热风喷头对着第一振动网筛,所述第一振动网筛的第一端较第二端高,第一振动网筛的第一端依次连接第一斜板和第一斜输送带,所述第一振动网筛的第二端依次连接第二斜板和第二斜输送带;所述上冲洗头和下冲洗头分别具有三个,三个上冲洗头相互平行且与水平面形成120度夹角,三个下冲洗头相互平行且与水平面形成-120度夹角;所述第一振动网筛的下方设有盛水槽,所述盛水槽依次连接输水管和输水泵,而后通过管路与上冲洗头和下冲洗头连通;所述盛水槽体内上部设有过滤网兜,该过滤网兜呈槽状,在其侧部设有弯钩挂置在盛水槽的侧壁开口上;所述第一斜输送带的输出端高于第一振动网筛的第一端,同时第一斜板自第一斜输送带的输出端朝下并向第一振动网筛的第一端倾斜;所述第二斜输送带的输入端低于第一振动网筛的第二端,同时第二斜板自第一振动网筛的第二端朝下并向第二斜输送带的输入端倾斜;所述第二斜输送带的输出端通往位于机架上的物料罐上;所述机架的上部布设有多个的物料罐,每个物料罐的下方设有称量斗,所述称量斗的下方设有搅拌机,所述搅拌机的出料口下方设有位于出料轨道上的出料斗车;所述机架包括多根竖立设置的立杆、设在立杆上第一平台和第二平台,所述第二平台高于第一平台,所述物料罐设在第二平台的孔道内,所述第一平台上设有漏斗,所述称量斗固定在第一平台的框架上,称量斗的下出料口正对漏斗的上开口;所述物料罐的下部设有导料通道,所述导料通道的下出口正对称量斗的上开口。Further, the material cleaning and drying device includes a first vibrating screen, an upper flushing head and a lower flushing head arranged on the first side above and below the first vibrating screen, the upper flushing head and the lower flushing head face the first A vibrating screen, the second side above the first vibrating screen is provided with a hot air nozzle, the hot air nozzle faces the first vibrating screen, the first end of the first vibrating screen is higher than the second end, the second The first end of a vibrating mesh screen is sequentially connected to the first inclined plate and the first inclined conveyor belt, and the second end of the first vibrating mesh screen is successively connected to the second inclined plate and the second inclined conveying belt; the upper flushing head There are three flushing heads and three lower flushing heads respectively, the three upper flushing heads are parallel to each other and form an angle of 120 degrees with the horizontal plane, and the three lower flushing heads are parallel to each other and form a -120 degree included angle with the horizontal plane; the first vibrating mesh screen There is a water tank below, and the water tank is connected to the water delivery pipe and the water delivery pump in turn, and then communicated with the upper flushing head and the lower flushing head through the pipeline; the upper part of the water storage tank is provided with a filter bag, and the filter bag is in the shape of a groove. A hook is provided on its side to hang on the side wall opening of the water tank; the output end of the first inclined conveyor belt is higher than the first end of the first vibrating screen, and the first inclined plate is connected from the first inclined The output end of the conveyor belt is downward and inclined to the first end of the first vibrating screen; the input end of the second inclined conveyor belt is lower than the second end of the first vibrating screen, and the second inclined plate is from the first The second end of the vibrating screen is downward and inclined towards the input end of the second inclined conveyor belt; the output end of the second inclined conveyor belt leads to the material tank on the frame; the upper part of the frame is equipped with A plurality of material tanks, a weighing hopper is provided under each material tank, a mixer is provided under the weighing hopper, and a discharge hopper car positioned on the discharge track is provided below the discharge port of the mixer; The frame includes a plurality of upright poles, a first platform and a second platform on the poles, the second platform is higher than the first platform, and the material tank is arranged in the channel of the second platform, so A funnel is provided on the first platform, and the weighing hopper is fixed on the frame of the first platform, and the lower outlet of the weighing hopper is facing the upper opening of the funnel; the bottom of the material tank is provided with a material guide channel, The lower outlet of the material guiding channel is exactly to the upper opening of the weighing bucket.

进一步的,所述混凝土分料搅拌装置包括机架,所述机架的上部布设有多个的物料罐,每个物料罐的下方设有称量斗,所述称量斗的下方设有搅拌机,所述搅拌机的出料口下方设有位于出料轨道上的出料斗车;所述机架包括多根竖立设置的立杆、设在立杆上第一平台和第二平台,所述第二平台高于第一平台,所述物料罐设在第二平台的孔道内,所述第一平台上设有漏斗,所述称量斗固定在第一平台的框架上,称量斗的下出料口正对漏斗的上开口;所述物料罐的下部设有导料通道,所述导料通道的下出口正对称量斗的上开口;所述物料罐用于盛装土木工程试验混凝土的各配料,物料罐形状为筒状体,其下部均具有控制阀门,在各控制阀门上均连接有导料通道,导料通道的下出口正对相应的称量斗的上开口;所述第一平台、第二平台与物料罐、称量斗之间均设有称重传感器,以实现称重,物料罐、称量斗的称重传感器分别是C3、C6等级。Further, the concrete distribution and mixing device includes a frame, and a plurality of material tanks are arranged on the upper part of the frame, and a weighing bucket is arranged under each material tank, and a mixer is arranged under the weighing bucket. , below the discharge port of the mixer is provided with a discharge hopper car located on the discharge track; the frame includes a plurality of vertical poles, a first platform and a second platform on the poles, The second platform is higher than the first platform, the material tank is arranged in the channel of the second platform, the first platform is provided with a funnel, the weighing bucket is fixed on the frame of the first platform, and the lower part of the weighing bucket is The discharge port is facing the upper opening of the funnel; the bottom of the material tank is provided with a material guide channel, and the lower outlet of the material guide channel is symmetrical to the upper opening of the weighing hopper; the material tank is used for containing civil engineering test concrete. Each batching and material tank is in the shape of a cylinder, and its lower part has a control valve, and each control valve is connected with a material guide channel, and the lower outlet of the material guide channel is facing the upper opening of the corresponding weighing bucket; Load cells are installed between the first platform, the second platform, the material tank and the weighing hopper to achieve weighing. The load cells of the material tank and the weighing hopper are C3 and C6 respectively.

进一步的,所述搅拌机清洗装置包括位于搅拌机侧部的直线导轨以及可沿直线导轨移动的导座,所述导座上方设有升降台,所述升降台上方设置有可旋转且喷头位于搅拌机上方开口处的高压水枪、水箱以及用以将水箱内的水输送至高压水枪内的水泵;所述高压水枪包括呈拐状或弯曲状的高压水管,所述高压水管上端设有位于搅拌机上方的高压喷头,所述高压喷头的周侧及底部均设有高压喷口;所述高压水管底部设有支轴,所述升降台内设有用以支轴穿设的轴承,所述升降台内部设有用以驱动支轴转动的电机;所述高压水管与水泵之间采用软管连接;所述导座内部设有用以驱动升降台上下移动的气缸,所述升降台与导座之间还设有导向柱。Further, the mixer cleaning device includes a linear guide rail located on the side of the mixer and a guide seat that can move along the linear guide rail, a lifting platform is provided above the guide seat, and a rotatable spray head is arranged above the lifting platform and the nozzle is located above the mixer. The high-pressure water gun at the opening, the water tank, and the water pump used to deliver the water in the water tank to the high-pressure water gun; the high-pressure water gun includes a high-pressure water pipe in the shape of a bend or a bend, and the upper end of the high-pressure water pipe is provided with a high-pressure water pipe located above the mixer. Spray head, the circumference and bottom of the high-pressure nozzle are provided with high-pressure nozzles; the bottom of the high-pressure water pipe is provided with a support shaft, and the lift table is provided with a bearing for the support shaft to pass through, and the lift table is provided with a bearing for A motor that drives the fulcrum to rotate; the high-pressure water pipe and the water pump are connected by a hose; the inside of the guide seat is provided with a cylinder for driving the lifting platform to move up and down, and a guide column is also provided between the lifting platform and the guide seat .

进一步的,土木工程试验室试样自动化制造装置的工作方法,包括工作步骤如下:(1)物料清洗干燥装置启动,待处理的物料输入至第一振动网筛的第一端,随着第一振动网筛的振动,从其第一端输送至第二端,在输送过程中由上冲洗头和下冲洗头对着第一振动网筛进行冲洗,从而对将第一振动网筛上的石子、沙子进行冲洗,使附在石子、沙子上的泥土得以清除,从而有利于确保后续试验的准确性;同时在石子或沙子输送至第一振动网筛的第二端时,由热风喷头对第一振动网筛上的石子或沙子进行热吹风,有利于使石子或沙子干燥,减少其中的水分含量;(2)混凝土分料搅拌装置启动:将各物料送至各物料罐中,每个物料罐将相应试验需要的物料通过阀门导入下方的称量斗中,各称量斗在称重满足后,通过阀门控制导入下方的搅拌机进行搅拌,搅拌后从搅拌机的出料口输出;(3)土木工程试验室水泥泵送浇模装置、振捣台上方的浇注装置工作,所述暂存罐上固定有视觉照相机,通过在模具做出标记,能够在视觉照相机反馈出浇入的混凝土的高度,从而利用电池阀或负压泵进行输出混凝土量的控制;(4)将搅拌后的混凝土导入模具中,在振捣电机的驱动下实现物料的均匀填充,夹具将薄膜输送辊夹持在两个夹板之间,之后通过螺栓锁紧两个夹板;(5)支架电缸驱动两个竖向支架同步移动,之后竖向支架在移动过程中,在初始状态下,压辊的下沿低于待抹平的混凝土表面,之后支架电缸驱动竖向支架移动,从而带动摆杆、压辊连同夹具一同移动,当压辊接触到模具后,模具本身固定在上支撑台上,之后受到模具的抵顶被动后向上摆动,之后绕过模具上沿,后在支架电缸的作用下继续横移,压辊受到重力作用压在模具内的混凝土表面滚压,形成平面;(6)由于夹具固定在摆杆位于压辊的后侧,在竖向支架的移动过程中,摆杆拖动夹具在压辊压过后拖动薄膜覆盖在模具内被辊压后的混凝土表面,之后剪断薄膜即可;(7)在需要置入钢筋网的情况下,在混凝土导入模具前,利用钢筋捆扎装置,在钢筋下料斗中沿钢筋输出辊轴向放置钢筋,随着钢筋输出辊的转动遇到钢筋输出辊的凹槽时,钢筋会落入凹槽内,钢筋输出辊的凹槽深度仅能落入一根钢筋,随着钢筋输出辊的转动当凹槽从钢筋下料斗下方的下料口露出时则直接下落至下方,此时随着滑座电缸的移动,矩状框架沿着平行于钢筋输出辊轴向的方向运动,逐个对应将从下料口下落的钢筋落入同排各个钢筋固定座内,在完成同一排钢筋落入后,框架电机旋转度,即可继续沿相同方向搭建垂直于之前置入的钢筋上方从而完成构成钢筋网的钢筋布局,之后将横向和纵向交错的钢筋交错处进行绑扎即可完成钢筋网的制造,之后将完成的钢筋网通过机械装置置入待浇注的模具内。Furthermore, the working method of the automatic sample manufacturing device in the civil engineering laboratory includes the following working steps: (1) The material cleaning and drying device is started, and the material to be processed is input to the first end of the first vibrating screen, and the first The vibration of the vibrating screen is conveyed from the first end to the second end. During the conveying process, the upper flushing head and the lower flushing head are flushed against the first vibrating screen, so that the stones on the first vibrating screen are washed and sand to wash away the soil attached to the stones and sand, which is beneficial to ensure the accuracy of the follow-up test; at the same time, when the stones or sand are transported to the second end of the first vibrating screen, the hot air nozzle The stones or sand on the vibrating mesh screen are heated and blown, which is beneficial to dry the stones or sand and reduce the moisture content in them; (2) Start the concrete mixing device: send each material to each material tank, each material The tank guides the materials required for the corresponding test into the weighing hopper below through the valve. After the weighing is satisfied, each weighing hopper is controlled by the valve and introduced into the mixer below for stirring, and then output from the outlet of the mixer after stirring; (3) The cement pumping casting device in the civil engineering laboratory and the pouring device above the vibrating table are working. A visual camera is fixed on the temporary storage tank. By marking the mold, the visual camera can feedback the height of the poured concrete , so as to use the battery valve or negative pressure pump to control the amount of output concrete; (4) Import the stirred concrete into the mold, and realize the uniform filling of the material under the drive of the vibrating motor, and the clamp will clamp the film conveying roller between the two between the two splints, and then lock the two splints with bolts; (5) the bracket electric cylinder drives the two vertical brackets to move synchronously, and then the vertical bracket is moving, in the initial state, the lower edge of the pressure roller is lower than the lower edge of the pressure roller. After the concrete surface to be smoothed, the support electric cylinder drives the vertical support to move, thereby driving the pendulum, the pressure roller and the fixture to move together. When the pressure roller touches the mold, the mold itself is fixed on the upper support table, and then it is moved by the mold. After resisting the top passively, it swings upwards, then bypasses the upper edge of the mold, and then continues to move laterally under the action of the electric cylinder of the bracket. The pressure roller is pressed by gravity to press the concrete surface in the mold to form a plane; (6) due to the fixture When the pendulum is located at the back of the pressure roller, during the movement of the vertical support, the pendulum drags the jig to drag the film to cover the rolled concrete surface in the mould, and then cuts the film; (7) When it is necessary to place reinforcement mesh, before the concrete is introduced into the mould, use the reinforcement binding device to place the reinforcement along the axial direction of the reinforcement output roller in the reinforcement lower hopper, and meet the reinforcement output roller with the rotation of the reinforcement output roller When the steel bar is in the groove, the steel bar will fall into the groove. The depth of the groove of the steel bar output roller can only fall into one steel bar. Drop directly to the bottom. At this time, with the movement of the electric cylinder of the slide, the rectangular frame moves along the direction parallel to the axial direction of the steel bar output roller, and correspondingly drops the steel bars falling from the feeding port into the steel bar fixing seats in the same row one by one. Inside, after the same row of steel bars is dropped, the frame motor can be rotated to 100 degrees, and then continue to build vertically above the previously placed steel bars in the same direction to complete the steel bar layout that constitutes the steel bar network, and then place the horizontal and vertical staggered steel bars at the intersection The manufacture of the steel mesh can be completed by binding, and then the completed steel mesh is placed into the mold to be poured through a mechanical device.

与现有技术相比,本发明具有以下有益效果:本装置结构简单,使用方便,物料清洗干燥装置先将物料进行清洗干燥,清除杂质从而有利于确保后续试验的准确性;混凝土分料搅拌装置将各物料送至各物料罐中,每个物料罐将相应试验需要的物料通过阀门导入下方的称量斗中,各称量斗在称重满足后,通过阀门控制导入下方的搅拌机进行搅拌,搅拌后从搅拌机的出料口输出;水泥泵送浇模装置将搅拌机内混合好的混凝土泵送出来,浇筑至模具内,利用压辊配合薄膜夹具能够对振捣完成后的混凝土模具表面进行抹平及覆膜工作,效率高,人力消耗小;钢筋捆扎装置可以方便完成钢筋网的制造,之后将完成的钢筋网通过机械装置置入待浇注的模具内,之后通过浇注装置进行浇注。Compared with the prior art, the present invention has the following beneficial effects: the device is simple in structure and easy to use. The material cleaning and drying device first cleans and dries the material to remove impurities so as to ensure the accuracy of subsequent tests; the concrete distribution and mixing device Send each material to each material tank, and each material tank imports the material required for the corresponding test into the weighing hopper below through the valve. After the weighing is satisfied, each weighing hopper is controlled by the valve and introduced into the mixer below for mixing. After mixing, it is output from the outlet of the mixer; the cement pumping molding device pumps out the mixed concrete in the mixer and pours it into the mold. The surface of the concrete mold after vibration can be wiped by using the pressure roller and the film clamp. Flat and film-covering work, high efficiency and low manpower consumption; the steel bar binding device can conveniently complete the manufacture of steel mesh, and then put the completed steel mesh into the mold to be poured through the mechanical device, and then pour it through the pouring device.

附图说明Description of drawings

图1为本发明振捣台及浇筑装置结构示意图;Fig. 1 is a structural representation of a vibrating table and a pouring device of the present invention;

图2为本发明振捣台与覆膜结构结构示意图;Fig. 2 is a structural schematic diagram of a vibrating table and a film covering structure of the present invention;

图3为本发明振捣台与覆膜结构俯视结构示意图;Fig. 3 is a schematic diagram of a top view structure of a vibrating table and a coating structure of the present invention;

图4为本发明竖向支架移动至中部时覆膜状态示意图;Fig. 4 is a schematic diagram of the coating state when the vertical support of the present invention moves to the middle;

图5为本实用新型钢筋捆扎装置矩状框架结构示意图;Fig. 5 is the schematic diagram of the rectangular frame structure of the steel bar binding device of the present invention;

图6为本实用新型钢筋捆扎装置钢筋捆扎装置实施例二状态结构示意图;Fig. 6 is a structural schematic diagram of the second embodiment of the steel bar binding device of the utility model;

图7为本实用新型钢筋捆扎装置钢筋网成型状态结构示意图;Fig. 7 is a structural schematic diagram of the forming state of the steel bar binding device of the present invention;

图8为本发明实施例清洗装置结构示意图;Figure 8 is a schematic structural view of a cleaning device according to an embodiment of the present invention;

图9是本发明土木工程试验室混凝土分料搅拌装置的立体构造示意图;Fig. 9 is a schematic diagram of the three-dimensional structure of the concrete distributing and mixing device of the civil engineering laboratory of the present invention;

图10是图9的局部视图一;Fig. 10 is a partial view one of Fig. 9;

图11是图9的局部视图二;Fig. 11 is the second partial view of Fig. 9;

图12是土木工程试验室物料清洗干燥装置的主视构造示意图;Fig. 12 is a schematic diagram of the main structure of the material cleaning and drying device in the civil engineering laboratory;

图13是图12的局部构造示意图。FIG. 13 is a partial structural schematic diagram of FIG. 12 .

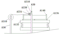
图中: A10-振捣台,A101-基座, A110-振捣电机,A120-转盘,A130-支撑台,A131-下支撑台,A132-上支撑台,A133-弹簧,A134-限位孔,A135-限位杆,A140-模具,A150-导轨,A20-竖向支架,A201-支架电缸,A210-摆杆,A211-连杆,A220-压辊,A230-夹具,A231-夹板,A240-滑块,A30-薄膜支架,A310-薄膜输送辊,A410-暂存罐,A420-负压管,A430-下料管,A440-负压泵,A450-视觉照相机,A50-机械手,A510-第一电机,A520-第二电机,A530-第一摆臂,A540-水平横臂,A60-矩状框架,A610-底板,A620-框架电机,A630-滑座,A70-钢筋固定座,A710-拐状支座,A80-钢筋下料斗,A810-钢筋输出辊,A820-凹槽,A830-下料口,A100-钢筋;In the figure: A10-vibration table, A101-base, A110-vibration motor, A120-turntable, A130-support table, A131-lower support table, A132-upper support table, A133-spring, A134-limit hole , A135-limit rod, A140-mold, A150-rail, A20-vertical support, A201-support electric cylinder, A210-swing rod, A211-connecting rod, A220-pressure roller, A230-fixture, A231-splint, A240-slider, A30-film support, A310-film conveying roller, A410-temporary tank, A420-negative pressure tube, A430-feeding tube, A440-negative pressure pump, A450-visual camera, A50-manipulator, A510 -The first motor, A520-the second motor, A530-the first swing arm, A540-horizontal cross arm, A60-rectangular frame, A610-bottom plate, A620-frame motor, A630-sliding seat, A70-rebar fixing seat, A710-turning support, A80-reinforcement hopper, A810-reinforcement output roller, A820-groove, A830-feeding port, A100-reinforcement;

B1-第一振动网筛,B101-第一端,B102-第二端,B2-上冲洗头,B3-下冲洗头,B4-热风喷头,B5-第一斜板,B6-第一斜输送带,B7-第二斜板,B8-第二斜输送带,B801-输入端,B802-输出端,B9-盛水槽,B10-输水管,B11-输水泵,B12-管路,B13-过滤网兜,B14-弯钩,B15-物料罐,B16-称量斗,B17-搅拌机,B18-出料斗车,B19-出料轨道,B20-机架,B21-立杆,B22-第一平台,B23-第二平台,B24-漏斗,B25-框架,B26-导料通道,B27-直线导轨,B28-导座,B29-升降台,B30-高压水枪,B31-高压水管,B32-高压喷头,B33-高压喷口,B34-支轴,B35-水箱,B36-水泵,B37-轴承,B38-电机,B39-软管,B40-气缸,B41-导向柱。B1-the first vibrating screen, B101-the first end, B102-the second end, B2-upper washing head, B3-lower washing head, B4-hot air nozzle, B5-the first inclined plate, B6-the first inclined conveying Belt, B7-second inclined plate, B8-second inclined conveyor belt, B801-input end, B802-output end, B9-water storage tank, B10-water delivery pipe, B11-water delivery pump, B12-pipeline, B13-filter Net bag, B14-hook, B15-material tank, B16-weighing hopper, B17-mixer, B18-discharging hopper car, B19-discharging track, B20-rack, B21-pole, B22-first platform, B23-Second platform, B24-Funnel, B25-Frame, B26-Guide channel, B27-Linear guide rail, B28-Guide seat, B29-Elevating platform, B30-High pressure water gun, B31-High pressure water pipe, B32-High pressure nozzle, B33-High pressure nozzle, B34-Spindle, B35-Water tank, B36-Water pump, B37-Bearing, B38-Motor, B39-Hose, B40-Cylinder, B41-Guide column.

具体实施方式Detailed ways

下面结合附图和具体实施方式对本发明做进一步详细的说明。The present invention will be described in further detail below in conjunction with the accompanying drawings and specific embodiments.

实施例1:如图1~4所示,本实施例中,提供一种土木工程试验室试样自动化制造装置,包括依次设置的物料清洗干燥装置、混凝土分料搅拌装置、搅拌机清洗装置、水泥泵送浇模装置、振捣覆膜装置以及钢筋捆扎装置。Embodiment 1: As shown in Figures 1 to 4, in this embodiment, an automatic sample manufacturing device for a civil engineering laboratory is provided, including a material cleaning and drying device, a concrete distribution and stirring device, a mixer cleaning device, a cement Pumping casting device, vibrating coating device and steel bar binding device.

上述的振捣覆膜装置包括振捣台A10,所述振捣台包括基座A101及固定于基座上方的振捣电机A110,所述振捣电机的输出轴固定有转盘A120,所述转盘上偏心与一支撑台A130连接,所述支撑台上用于放置模具A140。The above-mentioned vibrating coating device includes a vibrating table A10, the vibrating table includes a base A101 and a vibrating motor A110 fixed above the base, the output shaft of the vibrating motor is fixed with a turntable A120, and the turntable The upper eccentric is connected with a supporting platform A130, and the supporting platform is used for placing the mold A140.

在本实施例中,所述基座侧部设置有竖向支架A20,所述竖向支架的顶部铰接有能够摆动的摆杆A210,所述摆杆上横向铰接有能滚动的压辊A220,所述竖向支架的后侧还固定有能夹持薄膜的夹具A230,所述竖向支架由支架驱动装置驱动横向移动。In this embodiment, the side of the base is provided with a vertical bracket A20, the top of the vertical bracket is hinged with a swingable swing rod A210, and the swing rod is horizontally hinged with a rolling pressure roller A220, The rear side of the vertical support is also fixed with a clamp A230 capable of clamping the film, and the vertical support is driven by the support driving device to move laterally.

本实施例中,竖向支架A20具有一对,两个竖向支架的摆杆之间通过连杆A211连接,所述压辊A220铰接连接于连杆A211上。In this embodiment, the vertical support A20 has a pair, and the swing rods of the two vertical supports are connected by a connecting rod A211, and the pressure roller A220 is hingedly connected to the connecting rod A211.

本实施例中,所述基座旁侧上固定有竖向设置的薄膜支架A30,所述薄膜支架A30上铰接有能转动的薄膜输送辊A310,所述薄膜输送辊上缠绕有薄膜,所述夹具A230包括一对通过螺栓固定连接的夹板A231,其中一个夹板固定于摆杆上,所述薄膜夹于两个夹板之间。In this embodiment, a vertically arranged film support A30 is fixed on the side of the base, and a rotatable film conveying roller A310 is hinged on the film support A30, and a film is wound on the film conveying roller. The clamp A230 includes a pair of clamping plates A231 fixedly connected by bolts, one of the clamping plates is fixed on the swing rod, and the film is clamped between the two clamping plates.

本实施例中,所述支架驱动装置为支架电缸A201,所述压辊长度与对应模具侧部边长相符,所述竖向支架底部固定有滑块A240,所述基座A101两侧固定有与滑块配合的导轨A150,所述导轨与滑块配合面呈工字型。In this embodiment, the support driving device is the support electric cylinder A201, the length of the pressure roller is consistent with the side length of the corresponding mold, the bottom of the vertical support is fixed with a slider A240, and the two sides of the base A101 are fixed There is a guide rail A150 matched with the slide block, and the mating surface of the guide rail and the slide block is I-shaped.

在本实施例中,所述水泥泵送浇模装置包括位于振捣台上方的浇注装置,所述浇注装置包括暂存罐A410,所述暂存罐与负压管A420连接,所述暂存罐的下方具有以供物料排出的下料管A430,所述负压管上具有负压泵A440,所述下料管A430处设置有控制下料启闭的电磁阀。In this embodiment, the cement pumping molding device includes a pouring device located above the vibrating table, the pouring device includes a temporary storage tank A410, the temporary storage tank is connected to the negative pressure pipe A420, and the temporary storage tank A410 There is a feeding pipe A430 below the tank for material discharge, and a negative pressure pump A440 is provided on the negative pressure pipe, and a solenoid valve for controlling the opening and closing of the feeding is arranged at the feeding pipe A430.

本实施例中,所述暂存罐上固定有视觉照相机A450,通过在模具做出标记,能够在视觉照相机反馈出浇入的混凝土的高度,从而利用电池阀或负压泵A440进行输出混凝土量的控制;In this embodiment, a visual camera A450 is fixed on the temporary storage tank. By marking the mold, the height of the poured concrete can be fed back on the visual camera, so that the battery valve or negative pressure pump A440 can be used to output the amount of concrete. control;

实际设计中,也可以采用激光测距传感器反馈出模具内混凝土的高度从而设定混凝土供给量。In the actual design, the laser ranging sensor can also be used to feed back the height of the concrete in the mold to set the concrete supply.

本实施例中,一般下料管A430设置在支撑台所放置模具的正上方,为了能够保证进入模具内的混凝土能够均匀充分地填充模具内腔,所述支撑台A130包括与转盘偏心铰接连接的下支撑台A131及与下支撑台上部经弹簧A133连接的上支撑台A132,利用弹簧能够在转盘转动的过程中带动支撑台A130绕转盘与振捣电机A110转轴轴心转动,并利用弹簧A133实现上下震动促进混凝土充分的进入模具的各个区域。In this embodiment, generally, the feeding pipe A430 is arranged directly above the mold on which the support platform is placed. In order to ensure that the concrete entering the mold can evenly and fully fill the inner cavity of the mold, the support platform A130 includes a bottom hingedly connected to the turntable eccentrically. The support platform A131 and the upper support platform A132 connected with the upper part of the lower support platform via the spring A133 can use the spring to drive the support platform A130 to rotate around the axis of the turntable and the vibration motor A110 during the rotation of the turntable, and use the spring A133 to realize the up and down Vibration promotes adequate entry of concrete into all areas of the mold.

为了固定模具,所述上支撑台A132表面具有限位孔A134,所述限位孔上插入有用于限位模具的限位杆A135,上支撑台表面均匀布设有多个限位孔,从而能够对应不同大小结构的模具。In order to fix the mold, the surface of the upper support table A132 has a limit hole A134, the limit hole is inserted with a limit rod A135 for limiting the mold, and the surface of the upper support table is evenly arranged with a plurality of limit holes, so that it can Molds corresponding to structures of different sizes.

工作时,将搅拌后的混凝土导入模具中,在振捣电机A110的驱动下实现物料的均匀填充,之后支架电缸201驱动两个竖向支架同步移动,之后竖向支架在移动过程中,在初始状态下,压辊的下沿低于待抹平的混凝土表面,之后支架电缸A201驱动竖向支架A20移动,从而带动摆杆、压辊连同夹具一同移动,当压辊接触到模具后,模具本身固定在上支撑台A132上,之后受到模具的抵顶被动后向上摆动,之后绕过模具上沿,后在支架电缸的作用下继续横移,压辊受到重力作用压在模具内的混凝土表面滚压,形成平面。When working, the stirred concrete is introduced into the mold, and the uniform filling of the material is realized under the drive of the vibrating motor A110, and then the electric cylinder 201 of the bracket drives the two vertical brackets to move synchronously, and then the vertical bracket moves during the movement. In the initial state, the lower edge of the pressure roller is lower than the concrete surface to be smoothed, and then the support electric cylinder A201 drives the vertical support A20 to move, thereby driving the pendulum, the pressure roller and the clamp to move together. When the pressure roller touches the mould, The mold itself is fixed on the upper support platform A132, and then it is passively pushed upward by the mold, then swings upwards, then bypasses the upper edge of the mold, and then continues to move laterally under the action of the electric cylinder of the bracket, and the pressure roller is pressed against the mold by gravity. The concrete surface is rolled to form a flat surface.

位于基座两侧的竖向支架同步移动,支架电缸可以仅设置在一侧,通过导轨与滑块的配合保证移动过程中的稳定。The vertical brackets located on both sides of the base move synchronously, and the bracket electric cylinder can only be set on one side, and the stability during the movement is ensured through the cooperation of the guide rail and the slider.

工作前,夹具A230将薄膜输送辊A310夹持在两个夹板A231之间,之后通过螺栓锁紧两个夹板,由于夹具固定在摆杆位于压辊的后侧,在竖向支架的移动过程中,摆杆A210拖动夹具A230在压辊压过后拖动薄膜覆盖在模具内被辊压后的混凝土表面,之后剪断薄膜即可。Before work, the clamp A230 clamps the film conveying roller A310 between the two clamps A231, and then locks the two clamps with bolts. Since the clamp is fixed on the swing rod and is located at the back of the pressure roller, during the movement of the vertical support , the pendulum A210 drags the fixture A230 to drag the film to cover the rolled concrete surface in the mold after the pressure roller is pressed, and then cut the film.

实施例2:所述暂存罐设置于一机械手A50上,所述机械手包括底座及底座上固定有输出轴为竖向的第一电机A510,所述第一电机的输出轴固定连接有输出轴为纵向的第二电机A520,所述第二电机的输出轴固定连接有第一摆臂A530,所述第一摆臂的上端固定有水平设置的水平横臂A540,水平横臂端部经轴承铰接连接于暂存罐,利用第一电机和第二电机能够调节暂存罐A410的位置,负压泵A440通过负压管将搅拌好的混凝土输入至暂存罐内,有暂存罐A410的下料管A430保持朝向下部设置,由电磁阀控制下料管A430启闭。Embodiment 2: The temporary storage tank is arranged on a manipulator A50, the manipulator includes a base and a first motor A510 with a vertical output shaft fixed on the base, and the output shaft of the first motor is fixedly connected with an output shaft It is the second longitudinal motor A520, the output shaft of the second motor is fixedly connected with the first swing arm A530, the upper end of the first swing arm is fixed with a horizontal cross arm A540 arranged horizontally, and the end of the horizontal cross arm is passed through the bearing Hingedly connected to the temporary storage tank, the position of the temporary storage tank A410 can be adjusted by using the first motor and the second motor. The feeding pipe A430 remains set towards the lower part, and the opening and closing of the feeding pipe A430 is controlled by a solenoid valve.

实施例3:如图5~7所示,本实施例中,所述振捣台A10的旁侧设置有钢筋捆扎装置,包括中空的矩状框架A60,所述矩状框架的上表面均匀固定有钢筋固定座A70,所述钢筋固定座A70包括一对相向设置的拐状支座A710,所述拐状支座A710纵向部之间的间隙形成落入钢筋A100的间隙,所述矩状框架A60底部固定有底板A610,所述底板中心固定有用于驱动矩状框架转动框架电机A620。Embodiment 3: As shown in Figures 5-7, in this embodiment, a steel bar binding device is provided on the side of the vibrating table A10, including a hollow rectangular frame A60, and the upper surface of the rectangular frame is evenly fixed There is a steel bar fixing seat A70, and the steel bar fixing seat A70 includes a pair of turning-shaped supports A710 arranged opposite to each other. The gap between the longitudinal parts of the turning-shaped supports A710 forms a gap for falling into the reinforcing bar A100. The rectangular frame A base plate A610 is fixed on the bottom of the A60, and a motor A620 for driving the rectangular frame to rotate the frame is fixed in the center of the base plate.

本实施例中,所述拐状支座A710的纵向部高于两倍钢筋直径,所述拐状支座的横向部通过螺栓固定在矩状框架上表面,所述拐状支座的横向部具有以供螺栓穿过的螺栓孔,所述矩状框架上表面具有以供螺栓穿过的槽道或螺栓孔。In this embodiment, the longitudinal part of the turning support A710 is higher than twice the diameter of the steel bar, the transverse part of the turning support is fixed on the upper surface of the rectangular frame by bolts, and the transverse part of the turning support is There are bolt holes for bolts to pass through, and the upper surface of the rectangular frame has grooves or bolt holes for bolts to pass through.

工作时,根据钢筋网成型的大小和钢筋间距在矩状框架A60上安装钢筋固定座A70,将钢筋沿纵向或横向将其放入对应两边的钢筋固定座A70内,钢筋落入拐状支座A710纵向部之间限位,当完成同一排的钢筋置入后,框架电机A620旋转90度,即可继续沿相同方向搭建垂直于之前置入的钢筋上方从而完成构成钢筋网的钢筋布局,之后将横向和纵向交错的钢筋交错处进行绑扎即可。When working, install the steel bar fixing seat A70 on the rectangular frame A60 according to the size of the steel mesh forming and the steel bar spacing, put the steel bar into the steel bar fixing seat A70 on the corresponding two sides along the longitudinal or horizontal direction, and the steel bar falls into the turning support The limit between the longitudinal parts of A710, when the same row of steel bars is placed, the frame motor A620 rotates 90 degrees, and then the frame motor A620 can continue to build vertically above the previously placed steel bars in the same direction to complete the steel bar layout that constitutes the steel bar, and then It is enough to bind the interlaced places of horizontal and vertical staggered steel bars.

本实施例中,为了能够方便地进行钢筋的下料,本实施例中,所述框架电机A620的下端固定于一滑座A630上,所述滑座由驱动装置驱动水平移动,所述框架的上部旁侧具有存放钢筋的钢筋下料斗80,所述钢筋下料斗的中部具有用于输出钢筋的钢筋输出辊A810,所述钢筋输出辊由电机驱动转动,所述钢筋输出辊的表面间隔设置有用于将钢筋输出的凹槽A820,钢筋下料斗两侧与钢筋输出辊表面贴近防止钢筋由侧部脱出,钢筋下料斗的底部具有下料口A830。In this embodiment, in order to facilitate the blanking of steel bars, in this embodiment, the lower end of the frame motor A620 is fixed on a sliding seat A630, and the sliding seat is driven by a driving device to move horizontally. The side of the upper part has a steel bar lower hopper 80 for storing steel bars. The middle part of the steel bar lower hopper has a steel bar output roller A810 for outputting steel bars. The steel bar output roller is driven by a motor to rotate. Because of the groove A820 for outputting the steel bar, both sides of the steel bar lowering hopper are close to the surface of the steel bar output roller to prevent the steel bar from protruding from the side, and the bottom of the reinforcing bar lowering hopper has a feeding port A830.

本实施例中,驱动装置为滑座电缸A140,所述滑座下方具有滑轨A650,所述滑座A630与滑轨A650配合面为工字型。In this embodiment, the driving device is a sliding seat electric cylinder A140, a sliding rail A650 is provided under the sliding seat, and the mating surface of the sliding seat A630 and the sliding rail A650 is I-shaped.

工作时,钢筋下料斗中沿钢筋输出辊A810轴向放置钢筋,随着钢筋输出辊的转动遇到钢筋输出辊的凹槽时,钢筋会落入凹槽内,而后由于钢筋输出辊的凹槽深度仅能落入一根钢筋,随着钢筋输出辊的转动当凹槽从钢筋下料斗A80下方的下料口A830露出时则直接下落至下方,此时随着滑座电缸A640的移动,利用矩状框架沿着平行于钢筋输出辊轴向的方向运动,逐个对应将从下料口A830下落的钢筋落入同排各个钢筋固定座A70内,在完成同一排钢筋落入后,框架电机A620旋转90度,即可继续沿相同方向搭建垂直于之前置入的钢筋上方从而完成构成钢筋网的钢筋布局,之后将横向和纵向交错的钢筋交错处进行绑扎即可完成钢筋网的制造,之后将完成的钢筋网通过机械装置置入待浇注的模具内,之后通过浇注装置进行浇注。When working, the steel bar is placed in the steel bar lower hopper along the axial direction of the steel bar output roller A810. With the rotation of the steel bar output roller, when the steel bar output roller meets the groove of the steel bar output roller, the steel bar will fall into the groove, and then due to the steel bar output roller's groove The depth can only fall into one steel bar. With the rotation of the steel bar output roller, when the groove is exposed from the discharge port A830 below the steel bar discharge hopper A80, it will directly fall to the bottom. At this time, with the movement of the electric cylinder A640, Use the rectangular frame to move along the direction parallel to the axial direction of the steel bar output roller, and drop the steel bars falling from the discharge port A830 into the same row of steel bar fixing seats A70 one by one. After the same row of steel bars is dropped, the frame motor The A620 rotates 90 degrees, and you can continue to build vertically above the previously placed steel bars in the same direction to complete the steel bar layout that constitutes the steel bar, and then bind the horizontal and vertical staggered bars to complete the steel bar. Manufacturing, then The finished steel mesh is placed into the mold to be poured by a mechanical device, and then poured by a pouring device.

安装时所述的钢筋下料斗A80通过支撑体固定在地面上,钢筋输出辊通过固定在支撑体上的电机驱动转动,转动的速度和滑座电缸移动的速度配合从而满足钢筋输出辊将其凹槽内的钢筋逐个置入同排矩状框架的各个钢筋固定座A70内。The steel bar lower hopper A80 mentioned during installation is fixed on the ground through the support body, and the steel bar output roller is driven to rotate by the motor fixed on the support body. The reinforcing bars in the groove are put into each reinforcing bar fixing seat A70 of the same row of rectangular frames one by one.

实施例4:如图8~13所示,搅拌机清洗装置包括位于搅拌机侧部的直线导轨B27以及可沿直线导轨移动的导座B28,所述导座上方设有升降台B29,所述升降台上方设置有可旋转且喷头位于搅拌机上方开口处的高压水枪B30、水箱B35以及用以将水箱内的水输送至高压水枪内的水泵B36。Embodiment 4: As shown in Figures 8 to 13, the mixer cleaning device includes a linear guide rail B27 located at the side of the mixer and a guide seat B28 that can move along the linear guide rail. A lifting platform B29 is provided above the guide seat, and the lifting platform A high-pressure water gun B30, a water tank B35 and a water pump B36 for delivering the water in the water tank to the high-pressure water gun are provided above which can rotate and the spray head is located at the opening above the mixer.

上述的导座下方设有与直线导轨相配合的导槽。A guide groove matching with the linear guide rail is provided under the above-mentioned guide seat.

上述的高压水枪包括呈拐状或弯曲状的高压水管B31,所述高压水管上端设有位于搅拌机上方的高压喷头B32,所述高压喷头的周侧及底部均设有高压喷口B33。The above-mentioned high-pressure water gun includes a curved or curved high-pressure water pipe B31, the upper end of the high-pressure water pipe is provided with a high-pressure nozzle B32 above the mixer, and the periphery and bottom of the high-pressure nozzle are provided with high-pressure nozzles B33.

上述的高压水管底部设有支轴B34,为了加强高压水管转动的稳定性,所述升降台内设有用以支轴穿设的轴承B37,所述升降台内部设有用以驱动支轴转动的电机B38。The bottom of the above-mentioned high-pressure water pipe is provided with a support shaft B34. In order to enhance the stability of the rotation of the high-pressure water pipe, a bearing B37 for the support shaft to pass is provided inside the lift table, and a motor for driving the support shaft to rotate is provided inside the lift table. B38.

上述的高压水管与水泵之间采用软管B39连接,软管需要有一定长度,避免对高压水管的转动产生影响。The above-mentioned high-pressure water pipe and the water pump are connected by a hose B39, and the hose needs to have a certain length to avoid affecting the rotation of the high-pressure water pipe.

上述的导座内部设有用以驱动升降台上下移动的气缸B40,为了加强升降台升降的稳定性,所述升降台与导座之间还设有四个导向柱B41,四个导向柱可以分布在升降台的四角位置,导向柱下端与导座固定连接,导向柱上端贯穿升降台。The inside of the above-mentioned guide seat is provided with a cylinder B40 for driving the lifting platform to move up and down. In order to enhance the stability of the lifting platform, four guide columns B41 are also provided between the lifting platform and the guide seat. The four guide columns can be distributed At the four corners of the lift platform, the lower end of the guide column is fixedly connected with the guide seat, and the upper end of the guide column runs through the lift platform.

上述的土木工程试验室搅拌机清洗装置工作时,导座沿直线导轨移动靠近搅拌机B17,电机转动带动高压水管转动一定角度,使高压水枪的高压喷口移动至搅拌机上开口位置,气缸带动升降台下降,使高压喷头由上至下移动搅拌机内部,水泵将水箱内的清洗液泵送至高压水管,经过高压喷头的多个喷口喷出,对搅拌机内部进行清洗,在清洗的过程中,气缸可以带动升降台上下一定范围内移动,可以使高压喷头对搅拌机内部进行更全面的清洁;此外,这里值得说明的是,在清洁过程中,搅拌机内部的搅拌轴也可以转动,有利于更好清洗,最后,清洗完成后,污水由搅拌机的出料口排出。When the mixer cleaning device in the civil engineering laboratory mentioned above is working, the guide seat moves along the linear guide rail to approach the mixer B17, and the motor rotates to drive the high-pressure water pipe to rotate at a certain angle, so that the high-pressure nozzle of the high-pressure water gun moves to the upper opening position of the mixer, and the cylinder drives the lifting platform to descend. Make the high-pressure nozzle move the inside of the mixer from top to bottom, the water pump pumps the cleaning liquid in the water tank to the high-pressure water pipe, and sprays out through multiple nozzles of the high-pressure nozzle to clean the inside of the mixer. During the cleaning process, the cylinder can drive up and down The table moves up and down within a certain range, so that the high-pressure nozzle can clean the inside of the mixer more comprehensively; in addition, it is worth noting here that the stirring shaft inside the mixer can also be rotated during the cleaning process, which is conducive to better cleaning. Finally, After cleaning, the sewage is discharged from the outlet of the mixer.

在本实施例中,所述高压水枪上方设置有混凝土分料搅拌装置,所述混凝土分料搅拌装置包括机架B20,所述机架的上部布设有多个的物料罐B15,物料罐B15中的物料除了石子、沙,还有水泥、添加剂等;每个物料罐的下方设有称量斗B16,所述称量斗B16的下方设有搅拌机B17,所述搅拌机B17的出料口下方设有位于出料轨道B19上的出料斗车B18,该物料罐B15用于盛装土木工程试验混凝土的各配料,物料罐B15形状为筒状体,其下部均具有控制阀门,在各控制阀门上均连接有导料通道B26,导料通道的下出口正对相应的称量斗B16的上开口,在控制阀门开启后,位于物料罐B15中的物料经过导料通道B26后进入称量斗B16,称量斗B16用于称重用,其为现有惯用的称重斗,在称量斗B16的下端具有控制阀以实现下料的启闭,搅拌机B17用于搅拌物料,出料斗车B18用于输送出料。In this embodiment, a concrete distribution and mixing device is arranged above the high-pressure water gun, and the concrete distribution and mixing device includes a frame B20, and a plurality of material tanks B15 are arranged on the upper part of the frame, and in the material tank B15 In addition to stones and sand, there are also cement, additives, etc.; the bottom of each material tank is provided with a weighing hopper B16, the bottom of the weighing hopper B16 is provided with a mixer B17, and the bottom of the outlet of the mixer B17 is provided. There is a discharge hopper car B18 located on the discharge track B19. The material tank B15 is used to hold various ingredients for civil engineering test concrete. The material tank B15 is cylindrical in shape, and its lower part has control valves. It is connected with a material guide channel B26, and the lower outlet of the material guide channel is facing the upper opening of the corresponding weighing hopper B16. After the control valve is opened, the material in the material tank B15 passes through the material guide channel B26 and then enters the weighing hopper B16. The weighing hopper B16 is used for weighing. It is an existing conventional weighing hopper. There is a control valve at the lower end of the weighing hopper B16 to realize the opening and closing of the material. The mixer B17 is used for mixing materials, and the discharge hopper car B18 is used for Convey the output.

进一步的,为了设计合理,上述机架B20包括多根竖立设置的立杆B21、设在立杆B21上第一平台B22和第二平台B23,机架B20可以由方钢管焊接而成,所述第二平台B23高于第一平台B22,所述物料罐B15设在第二平台B23的孔道内,所述第一平台B22上设有漏斗B24,所述称量斗B16固定在第一平台的框架B25上,称量斗B16的下出料口正对漏斗B24的上开口,在第一平台B22、第二平台B23与物料罐B15、称量斗B16之间均设有称重传感器,以实现称重,针对物料罐B15、称量斗B16的称重传感器可以分别是C3、C6等级。Further, in order to design rationally, the frame B20 includes a plurality of upright poles B21, a first platform B22 and a second platform B23 on the poles B21, the frame B20 can be welded by square steel pipes, the The second platform B23 is higher than the first platform B22, the material tank B15 is arranged in the channel of the second platform B23, the first platform B22 is provided with a funnel B24, and the weighing bucket B16 is fixed on the first platform. On the frame B25, the lower outlet of the weighing hopper B16 is facing the upper opening of the funnel B24, and a load cell is arranged between the first platform B22, the second platform B23, the material tank B15, and the weighing hopper B16, so as to To achieve weighing, the load cells for the material tank B15 and the weighing bucket B16 can be C3 and C6 respectively.

上述框架25为矩形体框架,其由四根竖立杆焊接在四根横杆连接的矩形框下方形成,各称量斗B16设在矩形框内,称量斗B16与矩形框之间即设有C6等级称重传感器,所述漏斗B24为锥形斗,锥形斗上开口直径大于多个称量斗B16的下方尺寸,以使称量斗B16中的物料均会落入漏斗B24中,锥形斗下开口正对着搅拌机B17的入料口。The above-mentioned frame 25 is a rectangular body frame, which is formed by four vertical bars welded below the rectangular frame connected by four cross bars. Each weighing bucket B16 is arranged in the rectangular frame, and there is an C6 grade load cell, the funnel B24 is a conical bucket, the diameter of the upper opening of the conical bucket is larger than the size of the bottom of the multiple weighing hoppers B16, so that all the materials in the weighing hopper B16 will fall into the funnel B24, the cone The lower opening of the shaped bucket is facing the feed inlet of the mixer B17.

在本实施例中,所述物料罐的前侧设有物料清洗干燥装置,所述物料清洗干燥装置包括第一振动网筛B1、设在第一振动网筛上方与下方第一侧部的上冲洗头B2和下冲洗头B3,上冲洗头和下冲洗头对着第一振动网筛,所述第一振动网筛上方的第二侧部设有热风喷头B4,热风喷头对着第一振动网筛,所述第一振动网筛B1的第一端B101较第二端高,第一振动网筛的第一端依次连接第一斜板和第一斜输送带,所述第一振动网筛的第二端B102依次连接第二斜板B7和第二斜输送带B8;该第一振动网筛1可以是金属网筛,其通过震动电机驱动震动筛除泥沙等,上冲洗头B2和下冲洗头B3即可以为花洒头,其在一定水压作用下具有冲刷石子、沙子上的泥土,该热风喷头B4即如电风吹,起到对石头、砂石上水份进行烘干,该热风喷头B4可以是一个或多个。In this embodiment, a material cleaning and drying device is provided on the front side of the material tank, and the material cleaning and drying device includes a first vibrating mesh screen B1, which is arranged on the first side above and below the first vibrating mesh screen. The flushing head B2 and the lower flushing head B3, the upper flushing head and the lower flushing head are facing the first vibrating screen, the second side above the first vibrating screen is provided with a hot air nozzle B4, and the hot air nozzle is facing the first vibrating screen. Mesh screen, the first end B101 of the first vibrating mesh screen B1 is higher than the second end, the first end of the first vibrating mesh screen is sequentially connected to the first inclined plate and the first inclined conveyor belt, the first vibrating mesh The second end B102 of the screen is sequentially connected to the second inclined plate B7 and the second inclined conveyor belt B8; the first vibrating mesh screen 1 can be a metal mesh screen, which drives the vibrating screen to remove sediment, etc., and the upper flushing head B2 And the lower flushing head B3 can be used as a shower head, which can wash away the soil on the stones and sand under a certain water pressure. The hot air nozzle B4 is like an electric wind blowing to dry the water on the stones and sand. , the hot air spray head B4 can be one or more.

工作时,带处理的物料(如石子、沙子)输入至第一振动网筛的第一端,随着第一振动网筛的振动,从其第一端输送至第二端,在输送过程中由上冲洗头和下冲洗头对着第一振动网筛进行冲洗,从而对将第一振动网筛上的石子、沙子进行冲洗,使附在石子、沙子上的泥土得以清除,从而有利于确保后续试验的准确性;同时在石子或沙子输送至第一振动网筛的第二端时,由热风喷头对第一振动网筛上的石子或沙子进行热吹风,有利于使石子或沙子干燥,减少其中的水分含量,从而也有利于确保后续试验的准确性。When working, the processed materials (such as stones, sand) are input to the first end of the first vibrating screen, and are transported from the first end to the second end with the vibration of the first vibrating screen. During the conveying process The upper flushing head and the lower flushing head flush against the first vibrating mesh screen, thereby flushing the stones and sand on the first vibrating mesh screen, so that the soil attached to the stones and sand can be removed, which is beneficial to ensure Accuracy of the follow-up test; at the same time, when the stone or sand is transported to the second end of the first vibrating screen, the hot air nozzle is used to heat the stone or sand on the first vibrating screen, which is conducive to drying the stone or sand. Reducing the moisture content therein also helps to ensure the accuracy of subsequent tests.

进一步的,上述上冲洗头B2和下冲洗头B3分别具有三个,三个上冲洗头B2相互平行且与水平面形成120度夹角,三个下冲洗头B3相互平行且与水平面形成-120度夹角,通过该设计,可以提高冲刷石子、沙子上的泥土的效果。Further, there are three upper flushing heads B2 and three lower flushing heads B3 respectively, the three upper flushing heads B2 are parallel to each other and form an included angle of 120 degrees with the horizontal plane, and the three lower flushing heads B3 are parallel to each other and form a -120 degree angle with the horizontal plane The included angle, through this design, can improve the effect of scouring the soil on the stones and sand.

上述的第一振动网筛的下方设有盛水槽,所述盛水槽依次连接输水管B10和输水泵B11,而后通过管路与上冲洗头和下冲洗头连通;上述盛水槽B9体内上部设有过滤网兜B13,该过滤网兜呈槽状,在其侧部设有弯钩B14挂置在盛水槽B9的侧壁开口上;从第一振动网筛1流下的泥水经过过滤网兜B13的过滤,使进入盛水槽B9的水较为干净,从而可以实现一定的水循环,当然上冲洗头B2和下冲洗头B3的供水也可以来自于自来水。The bottom of the above-mentioned first vibrating screen is provided with a water tank, and the water tank is connected to the water delivery pipe B10 and the water delivery pump B11 in turn, and then communicated with the upper flushing head and the lower flushing head through the pipeline; the upper part of the above-mentioned water storage tank B9 is provided with Filter net pocket B13, this filter net pocket is groove shape, is provided with crotch B14 and hangs on the side wall opening of water holding tank B9 at its side; The water entering the water tank B9 is relatively clean, so that a certain water circulation can be realized. Of course, the water supply for the upper flushing head B2 and the lower flushing head B3 can also come from tap water.

所述第一斜输送带的输出端高于第一振动网筛的第一端,同时第一斜板自第一斜输送带的输出端朝下并向第一振动网筛的第一端倾斜;上述第二斜输送带B8的输入端低于第一振动网筛B1的第二端B102,同时第二斜板B7自第一振动网筛B1的第二端B102朝下并向第二斜输送带B8的输入端B801倾斜;通过上述设计可以实现物料较好的传输。The output end of the first inclined conveyor belt is higher than the first end of the first vibrating screen, while the first inclined plate is downward from the output end of the first inclined conveyor belt and inclined to the first end of the first vibrating screen ; The input end of the above-mentioned second inclined conveyor belt B8 is lower than the second end B102 of the first vibrating screen B1, while the second inclined plate B7 is downward from the second end B102 of the first vibrating screen B1 and inclined to the second The input end B801 of the conveyor belt B8 is inclined; through the above design, better transmission of materials can be achieved.

上述第二斜输送带B8的输出端B802通往土木工程试验室混凝土分料搅拌装置位于机架B20上的物料罐B15上,通过上述的土木工程试验室物料清洗干燥装置使物料得以清洁,以确保后续试验更为准确,在清洁后即通入土木工程试验室混凝土分料搅拌装置进行分料和搅拌。The output end B802 of the above-mentioned second inclined conveyor belt B8 leads to the civil engineering laboratory. The concrete distribution mixing device is located on the material tank B15 on the frame B20. The material is cleaned through the above-mentioned civil engineering laboratory material cleaning and drying device, so as to To ensure that the follow-up test is more accurate, after cleaning, it is passed into the concrete batching and mixing device of the civil engineering laboratory for batching and mixing.

上述本发明所公开的任一技术方案除另有声明外,如果其公开了数值范围,那么公开的数值范围均为优选的数值范围,任何本领域的技术人员应该理解:优选的数值范围仅仅是诸多可实施的数值中技术效果比较明显或具有代表性的数值。由于数值较多,无法穷举,所以本发明才公开部分数值以举例说明本发明的技术方案,并且,上述列举的数值不应构成对本发明创造保护范围的限制。Unless otherwise stated in any technical solution disclosed in the present invention, if it discloses a numerical range, then the disclosed numerical range is a preferred numerical range, and any person skilled in the art should understand that: the preferred numerical range is only Among the many practicable numerical values, the technical effect is relatively obvious or representative. Since there are too many numerical values to list exhaustively, the present invention only discloses some numerical values to illustrate the technical solution of the present invention, and the numerical values listed above should not constitute limitations on the protection scope of the present invention.

同时,上述本发明如果公开或涉及了互相固定连接的零部件或结构件,那么,除另有声明外,固定连接可以理解为:能够拆卸地固定连接( 例如使用螺栓或螺钉连接),也可以理解为:不可拆卸的固定连接(例如铆接、焊接),当然,互相固定连接也可以为一体式结构( 例如使用铸造工艺一体成形制造出来) 所取代(明显无法采用一体成形工艺除外)。At the same time, if the above-mentioned invention discloses or relates to parts or structural parts that are fixedly connected to each other, then, unless otherwise stated, the fixed connection can be understood as: a detachable fixed connection (for example, using bolts or screws), or It is understood as: non-detachable fixed connection (such as riveting, welding), of course, the mutual fixed connection can also be replaced by an integral structure (such as one-piece manufacturing by casting process) (except that it is obviously impossible to use one-piece forming process).

另外,上述本发明公开的任一技术方案中所应用的用于表示位置关系或形状的术语除另有声明外其含义包括与其近似、类似或接近的状态或形状。In addition, unless otherwise stated, the terms used in any of the technical solutions disclosed in the present invention to indicate positional relationships or shapes include states or shapes that are similar, similar or close to them.

本发明提供的任一部件既可以是由多个单独的组成部分组装而成,也可以为一体成形工艺制造出来的单独部件。Any component provided by the present invention can be assembled from multiple individual components, or can be a single component manufactured by integral forming process.

最后应当说明的是:以上实施例仅用以说明本发明的技术方案而非对其限制;尽管参照较佳实施例对本发明进行了详细的说明,所属领域的普通技术人员应当理解:依然可以对本发明的具体实施方式进行修改或者对部分技术特征进行等同替换;而不脱离本发明技术方案的精神,其均应涵盖在本发明请求保护的技术方案范围当中。Finally, it should be noted that: the above embodiments are only used to illustrate the technical solutions of the present invention and not to limit them; although the present invention has been described in detail with reference to the preferred embodiments, those of ordinary skill in the art should understand that: the present invention can still be Modifications to the specific implementation of the invention or equivalent replacement of some technical features; without departing from the spirit of the technical solution of the present invention, should be included in the scope of the technical solution claimed in the present invention.

Claims (8)

1.一种土木工程试验室试样自动化制造装置,其特征在于,包括依次设置的物料清洗干燥装置、混凝土分料搅拌装置、搅拌机清洗装置、水泥泵送浇模装置、振捣覆膜装置以及钢筋捆扎装置,所述振捣覆膜装置包括振捣台,所述振捣台包括基座及固定于基座上方的振捣电机,所述振捣电机的输出轴固定有转盘,所述转盘上偏心与一支撑台连接,所述支撑台上用于放置模具,所述基座侧部设置有竖向支架,所述竖向支架的顶部铰接有能够摆动的摆杆,所述摆杆上横向铰接有能滚动的压辊,所述竖向支架的后侧还固定有能夹持薄膜的夹具,所述竖向支架由支架驱动装置驱动横向移动,所述水泥泵送浇模装置包括位于振捣台上方的浇注装置,所述浇注装置包括暂存罐,所述暂存罐与负压管连接,所述暂存罐的下方具有以供物料排出的下料管,所述负压管上具有负压泵,所述下料管处设置有控制下料启闭的电磁阀;1. A civil engineering laboratory sample automatic manufacturing device is characterized in that it comprises a material cleaning and drying device, a concrete distribution mixing device, a mixer cleaning device, a cement pumping molding device, a vibrating film coating device and A steel bar binding device, the vibrating coating device includes a vibrating table, the vibrating table includes a base and a vibrating motor fixed above the base, the output shaft of the vibrating motor is fixed with a turntable, and the turntable The upper eccentric is connected with a support platform, the support platform is used to place the mold, the side of the base is provided with a vertical support, and the top of the vertical support is hinged with a swing bar that can swing. A rollable pressure roller is horizontally hinged, and a clamp capable of clamping the film is also fixed on the rear side of the vertical support. The vertical support is driven by a support driving device to move laterally. The cement pumping molding device includes a The pouring device above the vibrating table, the pouring device includes a temporary storage tank, the temporary storage tank is connected with a negative pressure pipe, and the bottom of the temporary storage tank is provided with a feeding pipe for material discharge, and the negative pressure pipe There is a negative pressure pump on the top, and a solenoid valve is set at the feeding pipe to control the opening and closing of the feeding; 所述钢筋捆扎装置包括中空的矩状框架,所述矩状框架的上表面均匀固定有钢筋固定座,所述钢筋固定座包括一对相向设置的拐状支座,所述拐状支座纵向部之间的间隙形成落入钢筋的间隙,所述矩状框架底部固定有底板,所述底板中心固定有用于驱动矩状框架转动框架电机;The steel bar binding device includes a hollow rectangular frame, and the upper surface of the rectangular frame is uniformly fixed with a steel bar fixing seat, and the steel bar fixing seat includes a pair of oppositely arranged crutches, and the crutches are longitudinally The gap between the parts forms the gap that falls into the steel bar, and the bottom of the rectangular frame is fixed with a base plate, and the center of the base plate is fixed with a motor for driving the rectangular frame to rotate the frame; 所述框架电机的下端固定于一滑座上,所述滑座由电缸驱动水平移动,所述框架的上部旁侧具有存放钢筋的钢筋下料斗,所述钢筋下料斗的中部具有用于输出钢筋的钢筋输出辊,所述钢筋输出辊由电机驱动转动,所述钢筋输出辊的表面间隔设置有用于将钢筋输出的凹槽,钢筋下料斗两侧与钢筋输出辊表面贴近防止钢筋由侧部脱出,钢筋下料斗的底部具有下料口,所述滑座下方具有滑轨,所述滑座与滑轨配合面为工字型;所述拐状支座的纵向部高于两倍钢筋直径,所述拐状支座的横向部通过螺栓固定在矩状框架上表面,所述拐状支座的横向部具有以供螺栓穿过的螺栓孔,所述矩状框架上表面具有以供螺栓穿过的槽道或螺栓孔,矩状框架的对边固定的钢筋固定座对称设置。The lower end of the frame motor is fixed on a sliding seat, and the sliding seat is driven by an electric cylinder to move horizontally. The upper side of the frame has a steel bar lowering hopper for storing steel bars, and the middle part of the steel bar lowering hopper has a The steel bar output roller of the steel bar, the steel bar output roller is driven by a motor to rotate, the surface of the steel bar output roller is provided with grooves for outputting the steel bar at intervals, and the two sides of the steel bar lower hopper are close to the surface of the steel bar output roller to prevent the steel bar from being released from the side The bottom of the steel bar discharge hopper has a discharge port, and there is a slide rail under the slide seat, and the mating surface between the slide seat and the slide rail is I-shaped; the longitudinal part of the turning support is higher than twice the diameter of the steel bar , the lateral portion of the knee-shaped support is fixed on the upper surface of the rectangular frame by bolts, the lateral portion of the knee-shaped support has bolt holes for bolts to pass through, and the upper surface of the rectangular frame has bolt holes for bolts to pass through. Through the channel or the bolt hole, the opposite side of the rectangular frame is fixed with a symmetrical arrangement of steel bar fixing seats. 2.根据权利要求1所述的土木工程试验室试样自动化制造装置,其特征在于,所述暂存罐上固定有视觉照相机或激光传感器。2. The civil engineering laboratory sample automation manufacturing device according to claim 1, wherein a visual camera or a laser sensor is fixed on the temporary storage tank. 3.根据权利要求2所述的土木工程试验室试样自动化制造装置,其特征在于,所述支撑台包括与转盘偏心铰接连接的下支撑台及与下支撑台上部经弹簧连接的上支撑台,所述上支撑台表面具有限位孔,所述限位孔上插入有用于限位模具的限位杆;所述基座旁侧上固定有竖向设置的薄膜支架,所述薄膜支架上铰接有薄膜输送辊,所述薄膜输送辊上缠绕有薄膜,所述夹具包括一对通过螺栓固定连接的夹板,其中一个夹板固定于摆杆上,所述薄膜夹于两个夹板之间;竖向支架具有一对,两个竖向支架的摆杆之间通过连杆连接,所述压辊铰接连接于连杆上,所述压辊长度与对应模具侧部边长相符,所述竖向支架底部固定有滑块,所述基座两侧固定有与滑块配合的导轨,所述导轨与滑块配合面呈工字型,所述支架驱动装置为支架电缸。3. The civil engineering laboratory sample automation manufacturing device according to claim 2, wherein the support platform includes a lower support platform connected eccentrically to the turntable and an upper support platform connected to the upper part of the lower support platform via a spring , the surface of the upper support table has a limit hole, and a limit rod for limiting the mold is inserted into the limit hole; a vertically arranged film support is fixed on the side of the base, and the film support is fixed on the film support. A film conveying roller is hinged, and a film is wound on the film conveying roller. The clamp includes a pair of splints fixedly connected by bolts, one of which is fixed on the swing rod, and the film is sandwiched between the two splints; There is a pair of vertical brackets, the swing rods of the two vertical brackets are connected by a connecting rod, the pressure roller is hingedly connected to the connecting rod, the length of the pressure roller is consistent with the side length of the corresponding mold side, and the vertical A slider is fixed at the bottom of the bracket, and guide rails cooperating with the slider are fixed on both sides of the base. 4.根据权利要求1所述的土木工程试验室试样自动化制造装置,其特征在于,所述暂存罐设置于一机械手上,所述机械手包括底座及底座上固定有输出轴为竖向的第一电机,所述第一电机的输出轴固定连接有输出轴为纵向的第二电机,所述第二电机的输出轴固定连接有第一摆臂,所述第一摆臂的上端固定有水平设置的水平横臂,水平横臂端部经轴承铰接连接暂存罐。4. The civil engineering laboratory sample automation manufacturing device according to claim 1, wherein the temporary storage tank is arranged on a manipulator, and the manipulator includes a base and a base that is fixed with an output shaft that is vertical The first motor, the output shaft of the first motor is fixedly connected with the second motor whose output shaft is longitudinal, the output shaft of the second motor is fixedly connected with the first swing arm, and the upper end of the first swing arm is fixed with The horizontal cross arm is arranged horizontally, and the end of the horizontal cross arm is hingedly connected to the temporary storage tank through bearings. 5.根据权利要求1所述的土木工程试验室试样自动化制造装置,其特征在于,所述物料清洗干燥装置包括第一振动网筛、设在第一振动网筛上方与下方第一侧部的上冲洗头和下冲洗头,上冲洗头和下冲洗头对着第一振动网筛,所述第一振动网筛上方的第二侧部设有热风喷头,热风喷头对着第一振动网筛,所述第一振动网筛的第一端较第二端高,第一振动网筛的第一端依次连接第一斜板和第一斜输送带,所述第一振动网筛的第二端依次连接第二斜板和第二斜输送带;所述上冲洗头和下冲洗头分别具有三个,三个上冲洗头相互平行且与水平面形成120度夹角,三个下冲洗头相互平行且与水平面形成-120度夹角;所述第一振动网筛的下方设有盛水槽,所述盛水槽依次连接输水管和输水泵,而后通过管路与上冲洗头和下冲洗头连通;所述盛水槽体内上部设有过滤网兜,该过滤网兜呈槽状,在其侧部设有弯钩挂置在盛水槽的侧壁开口上;所述第一斜输送带的输出端高于第一振动网筛的第一端,同时第一斜板自第一斜输送带的输出端朝下并向第一振动网筛的第一端倾斜;所述第二斜输送带的输入端低于第一振动网筛的第二端,同时第二斜板自第一振动网筛的第二端朝下并向第二斜输送带的输入端倾斜;所述第二斜输送带的输出端通往位于机架上的物料罐上;所述机架的上部布设有多个的物料罐,每个物料罐的下方设有称量斗,所述称量斗的下方设有搅拌机,所述搅拌机的出料口下方设有位于出料轨道上的出料斗车;所述机架包括多根竖立设置的立杆、设在立杆上第一平台和第二平台,所述第二平台高于第一平台,所述物料罐设在第二平台的孔道内,所述第一平台上设有漏斗,所述称量斗固定在第一平台的框架上,称量斗的下出料口正对漏斗的上开口;所述物料罐的下部设有导料通道,所述导料通道的下出口正对称量斗的上开口。5. The automatic sample manufacturing device for civil engineering laboratory according to claim 1, characterized in that, the material cleaning and drying device comprises a first vibrating mesh sieve, a first side part above and below the first vibrating mesh sieve. The upper flushing head and the lower flushing head, the upper flushing head and the lower flushing head are facing the first vibrating mesh screen, the second side above the first vibrating mesh screen is provided with a hot air nozzle, and the hot air nozzle is facing the first vibrating mesh sieve, the first end of the first vibrating screen is higher than the second end, the first end of the first vibrating screen is sequentially connected to the first inclined plate and the first inclined conveyor belt, the first end of the first vibrating screen is The two ends are connected to the second inclined plate and the second inclined conveyor belt in turn; the upper flushing heads and the lower flushing heads respectively have three, the three upper flushing heads are parallel to each other and form an angle of 120 degrees with the horizontal plane, and the three lower flushing heads are Parallel to each other and forming an angle of -120 degrees with the horizontal plane; a water tank is provided under the first vibrating screen, and the water tank is connected to the water delivery pipe and the water delivery pump in turn, and then through the pipeline to the upper flushing head and the lower flushing head Connected; the upper part of the water tank body is provided with a filter net bag, the filter net bag is in the shape of a tank, and a hook is provided on its side to hang on the side wall opening of the water tank; the output end of the first inclined conveyor belt is high At the first end of the first vibrating screen, the first inclined plate is downward from the output end of the first inclined conveyor belt and inclined to the first end of the first vibrating screen; the input end of the second inclined conveyor belt Lower than the second end of the first vibrating screen, while the second inclined plate is downward from the second end of the first vibrating screen and inclined to the input end of the second inclined conveyor belt; the output of the second inclined conveyor belt The end leads to the material tank located on the frame; a plurality of material tanks are arranged on the upper part of the frame, and a weighing bucket is provided under each material tank, and a mixer is provided under the weighing bucket. Below the discharge port of the mixer, there is a discharge bucket cart located on the discharge track; the frame includes a plurality of upright poles, a first platform and a second platform on the poles, and the second platform Higher than the first platform, the material tank is set in the channel of the second platform, the first platform is provided with a funnel, the weighing hopper is fixed on the frame of the first platform, and the lower discharge of the weighing hopper The mouth is facing the upper opening of the funnel; the lower part of the material tank is provided with a material guide channel, and the lower outlet of the material guide channel is exactly on the upper opening of the weighing hopper. 6.根据权利要求5所述的土木工程试验室试样自动化制造装置,其特征在于,所述混凝土分料搅拌装置包括机架,所述机架的上部布设有多个的物料罐,每个物料罐的下方设有称量斗,所述称量斗的下方设有搅拌机,所述搅拌机的出料口下方设有位于出料轨道上的出料斗车;所述机架包括多根竖立设置的立杆、设在立杆上第一平台和第二平台,所述第二平台高于第一平台,所述物料罐设在第二平台的孔道内,所述第一平台上设有漏斗,所述称量斗固定在第一平台的框架上,称量斗的下出料口正对漏斗的上开口;所述物料罐的下部设有导料通道,所述导料通道的下出口正对称量斗的上开口;所述物料罐用于盛装土木工程试验混凝土的各配料,物料罐形状为筒状体,其下部均具有控制阀门,在各控制阀门上均连接有导料通道,导料通道的下出口正对相应的称量斗的上开口;所述第一平台、第二平台与物料罐、称量斗之间均设有称重传感器,以实现称重,物料罐、称量斗的称重传感器分别是C3、C6等级。6. civil engineering laboratory sample automatic manufacturing device according to claim 5, is characterized in that, described concrete batching mixing device comprises frame, and the top of described frame is equipped with a plurality of material tanks, each A weighing hopper is provided below the material tank, and a mixer is provided below the weighing hopper, and a discharge hopper car located on the discharge track is provided below the discharge port of the mixer; the frame includes a plurality of vertically arranged The vertical rod, the first platform and the second platform are arranged on the vertical rod, the second platform is higher than the first platform, the material tank is arranged in the channel of the second platform, and the first platform is provided with a funnel , the weighing hopper is fixed on the frame of the first platform, the lower outlet of the weighing hopper is facing the upper opening of the funnel; the bottom of the material tank is provided with a material guide channel, and the lower outlet of the material guide channel The upper opening of the weighing hopper is symmetrical; the material tank is used to hold the ingredients of civil engineering test concrete. The shape of the material tank is a cylindrical body, and its lower part has a control valve, and each control valve is connected with a material guide channel. The lower outlet of the guide channel is facing the upper opening of the corresponding weighing hopper; load cells are arranged between the first platform, the second platform, the material tank, and the weighing hopper to realize weighing. The load cells of the weighing bucket are C3 and C6 respectively. 7.根据权利要求1所述的土木工程试验室试样自动化制造装置,其特征在于,所述搅拌机清洗装置包括位于搅拌机侧部的直线导轨以及可沿直线导轨移动的导座,所述导座上方设有升降台,所述升降台上方设置有可旋转且喷头位于搅拌机上方开口处的高压水枪、水箱以及用以将水箱内的水输送至高压水枪内的水泵;所述高压水枪包括呈拐状或弯曲状的高压水管,所述高压水管上端设有位于搅拌机上方的高压喷头,所述高压喷头的周侧及底部均设有高压喷口;所述高压水管底部设有支轴,所述升降台内设有用以支轴穿设的轴承,所述升降台内部设有用以驱动支轴转动的电机;所述高压水管与水泵之间采用软管连接;所述导座内部设有用以驱动升降台上下移动的气缸,所述升降台与导座之间还设有导向柱。7. The civil engineering laboratory sample automation manufacturing device according to claim 1, wherein the mixer cleaning device comprises a linear guide rail positioned at the side of the mixer and a guide seat movable along the linear guide rail, the guide seat A lifting platform is provided above the lifting platform, and a high-pressure water gun, a water tank, and a water pump for delivering the water in the water tank to the high-pressure water gun are arranged above the lifting platform; the high-pressure water gun includes a crutch Shaped or curved high-pressure water pipe, the upper end of the high-pressure water pipe is provided with a high-pressure nozzle located above the mixer, and the circumference and bottom of the high-pressure nozzle are provided with high-pressure nozzles; the bottom of the high-pressure water pipe is provided with a shaft, and the lifting The platform is equipped with a bearing for the support shaft to pass through, and the inside of the lifting platform is provided with a motor for driving the support shaft to rotate; the high-pressure water pipe and the water pump are connected by a hose; A cylinder for moving the platform up and down, and a guide column is also provided between the lifting platform and the guide seat. 8.利用如权利要求1-6任一所述的土木工程试验室试样自动化制造装置的工作方法,其特征在于,包括工作步骤如下:(1)物料清洗干燥装置启动,待处理的物料(如石子、沙子)输入至第一振动网筛的第一端,随着第一振动网筛的振动,从其第一端输送至第二端,在输送过程中由上冲洗头和下冲洗头对着第一振动网筛进行冲洗,从而对将第一振动网筛上的石子、沙子进行冲洗,使附在石子、沙子上的泥土得以清除,从而有利于确保后续试验的准确性;同时在石子或沙子输送至第一振动网筛的第二端时,由热风喷头对第一振动网筛上的石子或沙子进行热吹风,有利于使石子或沙子干燥,减少其中的水分含量;(2)混凝土分料搅拌装置启动:将各物料送至各物料罐中,每个物料罐将相应试验需要的物料通过阀门导入下方的称量斗中,各称量斗在称重满足后,通过阀门控制导入下方的搅拌机进行搅拌,搅拌后从搅拌机的出料口输出;(3)土木工程试验室水泥泵送浇模装置、振捣台上方的浇注装置工作,所述暂存罐上固定有视觉照相机,通过在模具做出标记,能够在视觉照相机反馈出浇入的混凝土的高度,从而利用电池阀或负压泵进行输出混凝土量的控制;(4)将搅拌后的混凝土导入模具中,在振捣电机的驱动下实现物料的均匀填充,夹具将薄膜输送辊夹持在两个夹板之间,之后通过螺栓锁紧两个夹板;(5)支架电缸驱动两个竖向支架同步移动,之后竖向支架在移动过程中,在初始状态下,压辊的下沿低于待抹平的混凝土表面,之后支架电缸驱动竖向支架移动,从而带动摆杆、压辊连同夹具一同移动,当压辊接触到模具后,模具本身固定在上支撑台上,之后受到模具的抵顶被动后向上摆动,之后绕过模具上沿,后在支架电缸的作用下继续横移,压辊受到重力作用压在模具内的混凝土表面滚压,形成平面;(6)由于夹具固定在摆杆位于压辊的后侧,在竖向支架的移动过程中,摆杆拖动夹具在压辊压过后拖动薄膜覆盖在模具内被辊压后的混凝土表面,之后剪断薄膜即可;(7)在需要置入钢筋网的情况下,在混凝土导入模具前,利用钢筋捆扎装置,在钢筋下料斗中沿钢筋输出辊轴向放置钢筋,随着钢筋输出辊的转动遇到钢筋输出辊的凹槽时,钢筋会落入凹槽内,钢筋输出辊的凹槽深度仅能落入一根钢筋,随着钢筋输出辊的转动当凹槽从钢筋下料斗下方的下料口露出时则直接下落至下方,此时随着滑座电缸的移动,矩状框架沿着平行于钢筋输出辊轴向的方向运动,逐个对应将从下料口下落的钢筋落入同排各个钢筋固定座内,在完成同一排钢筋落入后,框架电机旋转度,即可继续沿相同方向搭建垂直于之前置入的钢筋上方从而完成构成钢筋网的钢筋布局,之后将横向和纵向交错的钢筋交错处进行绑扎即可完成钢筋网的制造,之后将完成的钢筋网通过机械装置置入待浇注的模具内。8. Utilize the working method of the civil engineering laboratory sample automatic manufacturing device as described in any one of claims 1-6, characterized in that the working steps are as follows: (1) The material cleaning and drying device is started, and the material to be processed ( Such as stones, sand) are input to the first end of the first vibrating screen, and are transported from the first end to the second end with the vibration of the first vibrating screen. Flush against the first vibrating screen, thereby washing the stones and sand on the first vibrating screen, so that the soil attached to the stones and sand can be removed, thereby helping to ensure the accuracy of the follow-up test; at the same time When the stones or sand are transported to the second end of the first vibrating mesh screen, the stones or sand on the first vibrating mesh screen are heated and blown by the hot air nozzle, which is conducive to drying the stones or sand and reducing the moisture content therein; (2 ) Concrete distributing and mixing device starts: send each material to each material tank, and each material tank imports the material required for the corresponding test into the weighing hopper below through the valve, and each weighing hopper passes through the valve after the weighing is satisfied. Control the mixer that is introduced into the bottom for mixing, and then output from the outlet of the mixer after mixing; (3) The cement pumping pouring device in the civil engineering laboratory and the pouring device above the vibrating table work, and the temporary storage tank is fixed with a visual The camera, by marking the mold, can feed back the height of the poured concrete on the visual camera, so that the battery valve or negative pressure pump can be used to control the amount of concrete output; (4) import the stirred concrete into the mold, Driven by the vibrating motor, the uniform filling of the material is realized, and the clamp clamps the film conveying roller between the two splints, and then the two splints are locked by bolts; (5) The bracket electric cylinder drives the two vertical brackets to move synchronously, Then, during the movement of the vertical support, in the initial state, the lower edge of the pressure roller is lower than the concrete surface to be smoothed, and then the support electric cylinder drives the vertical support to move, thereby driving the pendulum, the pressure roller and the clamp to move together. When the pressure roller touches the mould, the mold itself is fixed on the upper support table, and then it is pushed by the mould, and then swings upwards, and then bypasses the upper edge of the mould, and then continues to move laterally under the action of the bracket electric cylinder, and the pressure roller is moved The concrete surface in the mold is rolled by gravity to form a flat surface; (6) Since the fixture is fixed on the back side of the swing rod and located at the pressure roller, during the movement of the vertical support, the swing rod drags the fixture after the pressure roller passes Drag the film to cover the rolled concrete surface in the mould, and then cut the film; (7) If it is necessary to place a steel mesh, before the concrete is introduced into the mould, use a steel bar binding device to place it in the steel bar hopper Place the steel bar along the axial direction of the steel bar output roller. When the steel bar output roller encounters the groove of the steel bar output roller as it rotates, the steel bar will fall into the groove. The depth of the groove of the steel bar output roller can only fall into one steel bar. With the rotation of the steel bar output roller, when the groove is exposed from the discharge port under the steel bar lower hopper, it will directly drop to the bottom. At this time, with the movement of the sliding seat electric cylinder, the rectangular frame moves along the direction parallel to the axial direction of the steel bar output roller. Direction movement, one by one, the steel bars falling from the feeding port will be dropped into the same row of steel bar fixing seats. After the same row of steel bars has been dropped, the frame motor can be rotated to continue building along the same direction. The layout of the steel bars that constitute the steel mesh is completed above the steel bars, and then the horizontal and vertical staggered steel bars are bound at the intersection to complete the manufacture of the steel mesh, and then the completed steel mesh is placed into the mold to be poured through a mechanical device.
CN202210413861.7A 2021-04-26 2022-04-20 Automatic sample manufacturing device and method for civil engineering laboratory Active CN114986706B (en)

Applications Claiming Priority (2)

Application Number Priority Date Filing Date Title
CN202110450628 2021-04-26
CN2021104506281 2021-04-26

Publications (2)

Publication Number Publication Date
CN114986706A CN114986706A (en) 2022-09-02
CN114986706B true CN114986706B (en) 2023-05-26

Family

ID=83025046

Family Applications (1)

Application Number Title Priority Date Filing Date
CN202210413861.7A Active CN114986706B (en) 2021-04-26 2022-04-20 Automatic sample manufacturing device and method for civil engineering laboratory

Country Status (1)

Country Link
CN (1) CN114986706B (en)

Families Citing this family (2)

* Cited by examiner, † Cited by third party
Publication number Priority date Publication date Assignee Title
CN117381938B (en) * 2023-10-30 2024-03-12 山东冠县美安复合材料有限公司 Cement prefabricated component pouring device
CN118990730B (en) * 2024-10-25 2025-01-21 中铁四局集团有限公司 A concrete specimen forming and vibrating device

Citations (10)

* Cited by examiner, † Cited by third party
Publication number Priority date Publication date Assignee Title
JP2013035052A (en) * 2011-08-10 2013-02-21 Teibyou:Kk Method and apparatus for producing reinforcing steel mesh
CN110560952A (en) * 2019-09-23 2019-12-13 北京市燕通建筑构件有限公司 automatic reinforcing mesh welding system
CN210946421U (en) * 2019-09-10 2020-07-07 陕西华中机械有限公司 Pavement reinforcing mesh laying mechanism
CN211333888U (en) * 2019-12-10 2020-08-25 天津城建大学 Precast concrete component reinforcing bar binding machine
CN111774508A (en) * 2020-07-17 2020-10-16 湖北广盛建筑产业化科技有限公司 Assembled shear force wall reinforcing bar reinforcing equipment
CN111942913A (en) * 2020-08-07 2020-11-17 中建二局第二建筑工程有限公司 Construction steel bar conveying and measuring device
CN112160602A (en) * 2020-09-03 2021-01-01 中建三局集团有限公司 Integrated flat plate vibrator for concrete vibrating, surface collecting and film covering maintenance
CN112301845A (en) * 2020-11-13 2021-02-02 唐山市星斗路桥机械有限公司 Ultrahigh-performance concrete paving integrated machine
CN112392278A (en) * 2020-11-18 2021-02-23 中国建筑第七工程局有限公司 Simple automatic film laminating device on vibrating beam
CN212857560U (en) * 2020-07-17 2021-04-02 湖北广盛建筑产业化科技有限公司 Reinforcing bar net production facility of assembled PC component

Patent Citations (10)

* Cited by examiner, † Cited by third party
Publication number Priority date Publication date Assignee Title
JP2013035052A (en) * 2011-08-10 2013-02-21 Teibyou:Kk Method and apparatus for producing reinforcing steel mesh
CN210946421U (en) * 2019-09-10 2020-07-07 陕西华中机械有限公司 Pavement reinforcing mesh laying mechanism
CN110560952A (en) * 2019-09-23 2019-12-13 北京市燕通建筑构件有限公司 automatic reinforcing mesh welding system
CN211333888U (en) * 2019-12-10 2020-08-25 天津城建大学 Precast concrete component reinforcing bar binding machine
CN111774508A (en) * 2020-07-17 2020-10-16 湖北广盛建筑产业化科技有限公司 Assembled shear force wall reinforcing bar reinforcing equipment
CN212857560U (en) * 2020-07-17 2021-04-02 湖北广盛建筑产业化科技有限公司 Reinforcing bar net production facility of assembled PC component
CN111942913A (en) * 2020-08-07 2020-11-17 中建二局第二建筑工程有限公司 Construction steel bar conveying and measuring device
CN112160602A (en) * 2020-09-03 2021-01-01 中建三局集团有限公司 Integrated flat plate vibrator for concrete vibrating, surface collecting and film covering maintenance
CN112301845A (en) * 2020-11-13 2021-02-02 唐山市星斗路桥机械有限公司 Ultrahigh-performance concrete paving integrated machine
CN112392278A (en) * 2020-11-18 2021-02-23 中国建筑第七工程局有限公司 Simple automatic film laminating device on vibrating beam

Also Published As

Publication number Publication date
CN114986706A (en) 2022-09-02

Similar Documents

Publication Publication Date Title
CN110173119B (en) Pumping and vibrating integrated equipment for concrete construction
CN115032040B (en) Civil engineering laboratory specimen production and testing device and method
CN114986706B (en) Automatic sample manufacturing device and method for civil engineering laboratory
CN108748644A (en) A kind of embedded concrete small size prefabricated components automatic manufacturing device of grid-type
CN109537430A (en) Box beam concrete is poured with guiding device and box beam concrete casting method
CN209491971U (en) A kind of uniform proportioner of concrete
CN207177230U (en) A kind of novel architecture Mortar spraying machine
CN207432471U (en) A kind of automatic cleaning type concrete forced stirrer
CN110614722A (en) Mixing equipment for laboratory micro steel fiber concrete
CN206784945U (en) A kind of provisions for grouting being used in turn
CN111923242B (en) Recycled concrete manufacturing equipment
CN218429124U (en) Civil engineering cement watering device
CN116623950A (en) Building construction concrete auxiliary pouring device
CN205630988U (en) Raw material mixing device for brickmaking
CN2853360Y (en) Multifunction concret mixing, transporting truck
CN210880263U (en) Sponge urban road construction is with concrete compounding agitating unit that permeates water
CN211842457U (en) Concrete block processing is with pouring agitator tank of autoloading
CN211868219U (en) Concrete pump truck stirring pumping device
CN217670152U (en) A filling mechanism for pipe piles
CN208309391U (en) A kind of moveable concrete distributing device
CN209408864U (en) A kind of aerated blocks casting device
CN219190698U (en) A kind of fast mixing equipment for construction
CN222606258U (en) Novel shell forming device for producing coated EPS particles
CN208215658U (en) A mobile cement mixing device
CN207342657U (en) A kind of building materials mixing device

Legal Events

Date Code Title Description
PB01 Publication
PB01 Publication
SE01 Entry into force of request for substantive examination
SE01 Entry into force of request for substantive examination
GR01 Patent grant
GR01 Patent grant