CN114455708A - 一体化污水处理设备及污水处理方法 - Google Patents
一体化污水处理设备及污水处理方法 Download PDFInfo
- Publication number
- CN114455708A CN114455708A CN202210362737.2A CN202210362737A CN114455708A CN 114455708 A CN114455708 A CN 114455708A CN 202210362737 A CN202210362737 A CN 202210362737A CN 114455708 A CN114455708 A CN 114455708A
- Authority
- CN
- China
- Prior art keywords
- tank
- pipe
- assembly
- water
- sewage
- Prior art date
- Legal status (The legal status is an assumption and is not a legal conclusion. Google has not performed a legal analysis and makes no representation as to the accuracy of the status listed.)
- Pending
Links
- 239000010865 sewage Substances 0.000 title claims abstract description 124
- 238000000034 method Methods 0.000 title claims abstract description 16
- XLYOFNOQVPJJNP-UHFFFAOYSA-N water Substances O XLYOFNOQVPJJNP-UHFFFAOYSA-N 0.000 claims abstract description 117
- 238000005273 aeration Methods 0.000 claims abstract description 59
- 238000004062 sedimentation Methods 0.000 claims abstract description 52
- 238000001914 filtration Methods 0.000 claims abstract description 21
- 238000004659 sterilization and disinfection Methods 0.000 claims abstract description 6
- 239000010802 sludge Substances 0.000 claims description 31
- 238000011010 flushing procedure Methods 0.000 claims description 12
- 238000004065 wastewater treatment Methods 0.000 claims description 7
- 239000002351 wastewater Substances 0.000 claims description 5
- 230000000737 periodic effect Effects 0.000 claims description 3
- 238000004891 communication Methods 0.000 claims description 2
- 238000005265 energy consumption Methods 0.000 abstract description 10
- 230000008901 benefit Effects 0.000 abstract description 5
- 238000010992 reflux Methods 0.000 description 40
- 239000007789 gas Substances 0.000 description 36
- 238000006243 chemical reaction Methods 0.000 description 26
- IJGRMHOSHXDMSA-UHFFFAOYSA-N Atomic nitrogen Chemical compound N#N IJGRMHOSHXDMSA-UHFFFAOYSA-N 0.000 description 12
- 230000000694 effects Effects 0.000 description 11
- QVGXLLKOCUKJST-UHFFFAOYSA-N atomic oxygen Chemical compound [O] QVGXLLKOCUKJST-UHFFFAOYSA-N 0.000 description 10
- 229910052760 oxygen Inorganic materials 0.000 description 10
- 239000001301 oxygen Substances 0.000 description 10
- OAICVXFJPJFONN-UHFFFAOYSA-N Phosphorus Chemical compound [P] OAICVXFJPJFONN-UHFFFAOYSA-N 0.000 description 9
- 229910052698 phosphorus Inorganic materials 0.000 description 9
- 239000011574 phosphorus Substances 0.000 description 9
- 229910052757 nitrogen Inorganic materials 0.000 description 6
- 239000000945 filler Substances 0.000 description 5
- 229920002635 polyurethane Polymers 0.000 description 5
- 239000004814 polyurethane Substances 0.000 description 5
- XKMRRTOUMJRJIA-UHFFFAOYSA-N ammonia nh3 Chemical compound N.N XKMRRTOUMJRJIA-UHFFFAOYSA-N 0.000 description 4
- 230000000903 blocking effect Effects 0.000 description 4
- 230000014759 maintenance of location Effects 0.000 description 4
- 230000008569 process Effects 0.000 description 4
- 239000000126 substance Substances 0.000 description 4
- 241000894006 Bacteria Species 0.000 description 3
- 238000010586 diagram Methods 0.000 description 3
- 230000000813 microbial effect Effects 0.000 description 3
- 230000001546 nitrifying effect Effects 0.000 description 3
- 239000002028 Biomass Substances 0.000 description 2
- OKTJSMMVPCPJKN-UHFFFAOYSA-N Carbon Chemical compound [C] OKTJSMMVPCPJKN-UHFFFAOYSA-N 0.000 description 2
- 230000001154 acute effect Effects 0.000 description 2
- 238000000429 assembly Methods 0.000 description 2
- 230000000712 assembly Effects 0.000 description 2
- 229910052799 carbon Inorganic materials 0.000 description 2
- 230000015556 catabolic process Effects 0.000 description 2
- 238000010276 construction Methods 0.000 description 2
- 238000006731 degradation reaction Methods 0.000 description 2
- 239000003344 environmental pollutant Substances 0.000 description 2
- 239000000463 material Substances 0.000 description 2
- VNWKTOKETHGBQD-UHFFFAOYSA-N methane Chemical compound C VNWKTOKETHGBQD-UHFFFAOYSA-N 0.000 description 2
- 244000005700 microbiome Species 0.000 description 2
- 238000006396 nitration reaction Methods 0.000 description 2
- 239000005416 organic matter Substances 0.000 description 2
- 239000002245 particle Substances 0.000 description 2
- 231100000719 pollutant Toxicity 0.000 description 2
- 238000012545 processing Methods 0.000 description 2
- 230000002035 prolonged effect Effects 0.000 description 2
- 206010021143 Hypoxia Diseases 0.000 description 1
- 241000361919 Metaphire sieboldi Species 0.000 description 1
- 230000004075 alteration Effects 0.000 description 1
- 230000001174 ascending effect Effects 0.000 description 1
- 238000011001 backwashing Methods 0.000 description 1
- 230000009286 beneficial effect Effects 0.000 description 1
- 238000005842 biochemical reaction Methods 0.000 description 1
- 230000001351 cycling effect Effects 0.000 description 1
- 230000007547 defect Effects 0.000 description 1
- 230000005484 gravity Effects 0.000 description 1
- 230000003116 impacting effect Effects 0.000 description 1
- 239000012535 impurity Substances 0.000 description 1
- 230000008595 infiltration Effects 0.000 description 1
- 238000001764 infiltration Methods 0.000 description 1
- 238000009434 installation Methods 0.000 description 1
- 238000012423 maintenance Methods 0.000 description 1
- 239000012528 membrane Substances 0.000 description 1
- 239000012982 microporous membrane Substances 0.000 description 1
- 238000002156 mixing Methods 0.000 description 1
- 238000012986 modification Methods 0.000 description 1
- 230000004048 modification Effects 0.000 description 1
- 238000012544 monitoring process Methods 0.000 description 1
- 230000003647 oxidation Effects 0.000 description 1
- 238000007254 oxidation reaction Methods 0.000 description 1
- 230000033116 oxidation-reduction process Effects 0.000 description 1
- 238000005192 partition Methods 0.000 description 1
- 229920000642 polymer Polymers 0.000 description 1
- 230000001737 promoting effect Effects 0.000 description 1
- 239000000376 reactant Substances 0.000 description 1
- 230000009467 reduction Effects 0.000 description 1
- 239000007787 solid Substances 0.000 description 1
- 230000006641 stabilisation Effects 0.000 description 1
- 238000011105 stabilization Methods 0.000 description 1
- 230000001954 sterilising effect Effects 0.000 description 1
- 238000006467 substitution reaction Methods 0.000 description 1
- 238000005406 washing Methods 0.000 description 1
Images
Classifications
-
- C—CHEMISTRY; METALLURGY
- C02—TREATMENT OF WATER, WASTE WATER, SEWAGE, OR SLUDGE
- C02F—TREATMENT OF WATER, WASTE WATER, SEWAGE, OR SLUDGE
- C02F3/00—Biological treatment of water, waste water, or sewage
- C02F3/30—Aerobic and anaerobic processes
- C02F3/302—Nitrification and denitrification treatment
-
- C—CHEMISTRY; METALLURGY
- C02—TREATMENT OF WATER, WASTE WATER, SEWAGE, OR SLUDGE
- C02F—TREATMENT OF WATER, WASTE WATER, SEWAGE, OR SLUDGE
- C02F3/00—Biological treatment of water, waste water, or sewage
- C02F3/30—Aerobic and anaerobic processes
- C02F3/308—Biological phosphorus removal
-
- C—CHEMISTRY; METALLURGY
- C02—TREATMENT OF WATER, WASTE WATER, SEWAGE, OR SLUDGE
- C02F—TREATMENT OF WATER, WASTE WATER, SEWAGE, OR SLUDGE
- C02F9/00—Multistage treatment of water, waste water or sewage
-
- C—CHEMISTRY; METALLURGY
- C02—TREATMENT OF WATER, WASTE WATER, SEWAGE, OR SLUDGE
- C02F—TREATMENT OF WATER, WASTE WATER, SEWAGE, OR SLUDGE
- C02F1/00—Treatment of water, waste water, or sewage
- C02F2001/007—Processes including a sedimentation step
-
- C—CHEMISTRY; METALLURGY
- C02—TREATMENT OF WATER, WASTE WATER, SEWAGE, OR SLUDGE
- C02F—TREATMENT OF WATER, WASTE WATER, SEWAGE, OR SLUDGE
- C02F2101/00—Nature of the contaminant
- C02F2101/10—Inorganic compounds
- C02F2101/16—Nitrogen compounds, e.g. ammonia
-
- C—CHEMISTRY; METALLURGY
- C02—TREATMENT OF WATER, WASTE WATER, SEWAGE, OR SLUDGE
- C02F—TREATMENT OF WATER, WASTE WATER, SEWAGE, OR SLUDGE
- C02F2101/00—Nature of the contaminant
- C02F2101/30—Organic compounds
-
- C—CHEMISTRY; METALLURGY
- C02—TREATMENT OF WATER, WASTE WATER, SEWAGE, OR SLUDGE
- C02F—TREATMENT OF WATER, WASTE WATER, SEWAGE, OR SLUDGE
- C02F2209/00—Controlling or monitoring parameters in water treatment
- C02F2209/04—Oxidation reduction potential [ORP]
Landscapes
- Life Sciences & Earth Sciences (AREA)
- Hydrology & Water Resources (AREA)
- Engineering & Computer Science (AREA)
- Environmental & Geological Engineering (AREA)
- Water Supply & Treatment (AREA)
- Chemical & Material Sciences (AREA)
- Organic Chemistry (AREA)
- Biodiversity & Conservation Biology (AREA)
- Microbiology (AREA)
- Health & Medical Sciences (AREA)
- Molecular Biology (AREA)
- Purification Treatments By Anaerobic Or Anaerobic And Aerobic Bacteria Or Animals (AREA)
Abstract
本发明公开了一种一体化污水处理设备及污水处理方法,应用于污水处理领域,包括按污水流动方向顺次连接的厌氧池、缺氧池、好氧池和沉淀池,好氧池内设有曝气组件;第一回流组件将沉淀池与好氧池连通;第二回流组件将沉淀池与缺氧池连通;第三回流组件将缺氧池的水流末端与缺氧池的水流前端连通;第四回流组件将缺氧池与厌氧池连通;深度处理组件与沉淀池连通,使得污水能够进入深度处理组件中过滤和消毒;清水池与深度处理组件连通;本发明的一体化污水处理设备及污水处理方法,其抗冲击负荷能力强,占地面积小,运行能耗小,能够节约资金,处理后水质高。
Description
技术领域
本发明涉及污水处理技术领域,特别涉及一种一体化污水处理设备及污水处理方法。
背景技术
随着国家对污水防治的重视,城镇污水应收尽收,排放标准严格完善,城镇污水治理效益凸显,而农村污水防治问题相对容易忽视,且农村污水分散式的排放方式也不利于将农村污水集中处理。目前常用的农村生活污水处理方式有人工湿地、稳定塘、蚯蚓生物滤池、膜生物反应器、土地渗滤和生物生态组合工艺等,此类处理方式建设或建造周期较长,处理效果不太理想,或者处理效果可达到相关的标准,但是存在处理能耗大、抗负荷能力不强、运行噪音大、运行过程中臭气严重、运行方式复杂,给当地群众造成极大的困扰,对当地水环境有极大的负面影响。目前市面上的一体化设备存在投资大、处理效果不稳定、运行维护麻烦、噪音较大等问题。
发明内容
本发明旨在至少解决现有技术中存在的技术问题之一。为此,本发明提出一种一体化污水处理设备,其抗冲击负荷能力强,占地面积小,运行能耗小,能够节约资金,处理后水质高。
本发明还提出一种污水处理方法。
根据本发明第一方面实施例的一体化污水处理设备,包括:按污水流动方向顺次连接的厌氧池、缺氧池、好氧池和沉淀池,所述好氧池内设有曝气组件;
第一回流组件,所述第一回流组件将所述沉淀池与所述好氧池连通;
第二回流组件,所述第二回流组件将所述沉淀池与所述缺氧池连通;
第三回流组件,所述第三回流组件将所述缺氧池的水流末端与所述缺氧池的水流前端连通;
第四回流组件,所述第四回流组件将所述缺氧池与所述厌氧池连通;
深度处理组件,所述深度处理组件与所述沉淀池连通,使得污水能够进入所述深度处理组件中过滤和消毒;
清水池,所述清水池与所述深度处理组件连通。
根据本发明实施例的一体化污水处理设备,至少具有如下技术效果:第四回流组件将缺氧池的污水回流至厌氧池中,进行反应以释放磷;污水在缺氧池中,混合沉淀池回流的污水以及缺氧池水流末端回流至初端的污水,进行反硝化脱氮;在好氧池中,污水混合沉淀池回流的污水及污泥,进行有机物降解、氨氮硝化作用以及磷的摄取;在各处理池中设置回流组件,能够充分利用污水中的碳源以及氮源,进行高效的硝化反应及反硝化反应,也能更好地实现在好氧池对磷的固定和去除。
在本发明的一些实施例中,所述深度处理组件包括水泵、过滤器和消毒器,所述水泵与所述沉淀池之间通过第一水管连接,所述第一水管上设有第一过滤电磁阀,所述水泵与所述过滤器之间通过第二水管连接,所述过滤器与所述消毒器之间通过第三水管连接,所述第三水管上设有第二过滤电磁阀,所述消毒器的出水口连通至所述清水池中。
在本发明的一些实施例中,所述水泵与所述清水池之间还连通有第四水管,所述第四水管上设有第一冲洗电磁阀,所述过滤器与所述好氧池之间还连通有第五水管,所述第五水管上设有第二冲洗电磁阀。
在本发明的一些实施例中,所述曝气组件包括风机、分气缸和多根曝气管,所述曝气管设置在所述好氧池内,所述曝气管与所述分气缸连通,所述风机与所述分气缸连通,所述分气缸上还设有排空阀。
在本发明的一些实施例中,所述第一回流组件包括第一回流管和第一气提管,所述第二回流组件包括第二回流管和第二气提管,所述第三回流组件包括第三回流管和第三气提管,所述第四回流组件包括第四回流管和第四气提管,所述第一回流管连通所述沉淀池与所述好氧池,所述第二回流管连通所述沉淀池与所述缺氧池,所述第三回流管连通所述缺氧池的水流末端与所述缺氧池的水流前端,所述第四回流管连通所述缺氧池与所述厌氧池,所述第一气提管、第二气提管、第三气提管和第四气提管的一端分别与所述曝气组件连通,所述第一气提管的另一端与所述第一回流管连通,所述第二气提管的另一端与所述第二回流管连通,所述第三气提管的另一端与所述第三回流管连通,所述第四气提管的另一端与所述第四回流管连通。
在本发明的一些实施例中,所述沉淀池内设有聚泥斗,所述聚泥斗的上部横截面积大,下部横截面积小,所述聚泥斗的侧壁上设有开口让污水进入,所述沉淀池的池底设有L型的固定板,所述固定板的一边平贴固定在所述沉淀池的底部,另一边的上边缘抵接所述聚泥斗的侧壁,所述固定板与所述聚泥斗的侧壁之间通过螺栓连接。
根据本发明第二方面实施例的污水处理方法,包括:上述任一项的一体化污水处理设备,并通过如下步骤进行污水处理控制:
步骤S1,污水经过预处理后,从厌氧池通入一体化污水处理设备中;
步骤S2,定时启动和关闭曝气组件,对好氧池进行周期性间歇曝气;
步骤S3,定期停止污水从沉淀池进入深度处理组件中,并控制清水池中的水流进入深度处理组件,以对深度处理组件进行冲洗,然后进入好氧池中。
根据本发明实施例的污水处理方法,至少具有如下的技术效果:污水先进行预处理,能够有效控制污水的pH、微生物量等参数,使一体化污水处理设备中的环境更适合进行用于脱氮除磷等生物反应;对好氧池周期性间歇曝气,能够合理控制生物反应,充分利用氧气,在达到高效反应的同时减少能耗;定期对深度处理组件进行冲洗,能够保持深度处理组件的过滤效果。
在本发明的一些实施例中,在步骤S2中,启动曝气组件的时间为A分钟,关闭停止曝气组件的时间为B分钟,且A:B=4:1。
在本发明的一些实施例中,还包括步骤S4,控制第一回流组件、第二回流组件、第三回流组件和第四回流组件的回流流量,使得各回流流量成比例,其中第一回流组件的回流流量为Q1,第二回流组件的回流流量为Q2,第三回流组件的回流流量为Q3,第四回流组件的回流流量为Q4,使得Q1:Q2:Q3:Q4=1:1:1:3。
在本发明的一些实施例中,在步骤S1中,污水脉冲式通入一体化污水处理设备中,其中按进水时间X分钟,停止时间Y分钟为一个周期,且X:Y=3:1。
本发明的附加方面和优点将在下面的描述中部分给出,部分将从下面的描述中变得明显,或通过本发明的实践了解到。
附图说明
本发明的上述和/或附加的方面和优点从结合下面附图对实施例的描述中将变得明显和容易理解,其中:
图1为本发明实施例的结构示意图;
图2为本发明实施例的深度处理组件结构示意图;
图3为本发明实施例的深度处理组件管路结构图;
图4为本发明实施例的曝气组件管路结构示意图;
图5为本发明实施例的聚泥斗结构示意图;
图6为本发明实施例的聚泥斗及固定结构放大示意图;
图7为本发明实施例ORP值与关闭停止曝气组件时间的关系图。
附图标记:
厌氧池110、缺氧池120、好氧池130、沉淀池140、聚泥斗141、固定板142、清水池150;
曝气组件200、风机210、分气缸220、排空阀221、曝气管230;
第一回流组件300、第一回流管310、第一气提管320、第二回流组件400、第二回流管410、第二气提管420、第三回流组件500、第三回流管510、第三气提管520、第四回流组件600、第四回流管610、第四气提管620;
深度处理组件700、水泵710、过滤器720、消毒器730、第一水管740、第一过滤电磁阀741、第二水管750、第三水管760、第二过滤电磁阀761、第四水管770、第一冲洗电磁阀771、第五水管780、第二冲洗电磁阀781。
具体实施方式
下面详细描述本发明的实施例,所述实施例的示例在附图中示出,其中自始至终相同或类似的标号表示相同或类似的元件或具有相同或类似功能的元件。下面通过参考附图描述的实施例是示例性的,仅用于解释本发明,而不能理解为对本发明的限制。
在本发明的描述中,需要理解的是,涉及到方位描述,例如上、下、前、后、左、右等指示的方位或位置关系为基于附图所示的方位或位置关系,仅是为了便于描述本发明和简化描述,而不是指示或暗示所指的装置或元件必须具有特定的方位、以特定的方位构造和操作,因此不能理解为对本发明的限制。
在本发明的描述中,若干的含义是一个或者多个,多个的含义是两个以上,大于、小于、超过等理解为不包括本数,以上、以下、以内等理解为包括本数。如果有描述到第一、第二只是用于区分技术特征为目的,而不能理解为指示或暗示相对重要性或者隐含指明所指示的技术特征的数量或者隐含指明所指示的技术特征的先后关系。
本发明的描述中,除非另有明确的限定,设置、安装、连接等词语应做广义理解,所属技术领域技术人员可以结合技术方案的具体内容合理确定上述词语在本发明中的具体含义。
参照图1所示,根据本发明第一方面实施例的一体化污水处理设备,包括:按污水流动方向顺次连接的厌氧池110、缺氧池120、好氧池130和沉淀池140,好氧池130内设有曝气组件200;
第一回流组件300,第一回流组件300将沉淀池140与好氧池130连通;
第二回流组件400,第二回流组件400将沉淀池140与缺氧池120连通;
第三回流组件500,第三回流组件500将缺氧池120的水流末端与缺氧池120的水流前端连通;
第四回流组件600,第四回流组件600将缺氧池120与厌氧池110连通;
深度处理组件700,深度处理组件700与沉淀池140连通,使得污水能够进入深度处理组件700中过滤和消毒;
清水池150,清水池150与深度处理组件700连通。
污水从厌氧池110进入到一体化污水处理设备中,顺次通过厌氧池110、缺氧池120、好氧池130和沉淀池140再经过深度处理组件700的过滤和消毒,进入到清水池150中。
其中,各处理池之间还设有多个回流组件,以将污水回流,充分利用污水中的反应物质。第四回流组件600将缺氧池120的污水回流至厌氧池110中,进行反应以释放磷;第二回流组件400将沉淀池140的污水回流至缺氧池120中,第三回流组件500将缺氧池120的水流末端回流至缺氧池120的水流前端,污水在缺氧池120中,混合沉淀池140回流的污水以及缺氧池120水流末端回流至前端的污水,进行反硝化脱氮;第一回流组件300将沉淀池140的污水及污泥回流至好氧池130,在好氧池130中,污水混合沉淀池140回流的污水及污泥,进行有机物降解、氨氮硝化作用以及磷的摄取。
在各处理池中设置回流组件,能够充分利用污水中的碳源以及氮源,从而能耗小,进行高效的硝化反应及反硝化反应,也能更好地实现对磷的固定和去除;回流处理,能够通过回流的方式进行多次反应,延长对污染物的处理时间,以应对大的污水处理负荷,从而提高抗冲击负荷能力。
污水在沉淀池140内沉淀后,将大的颗粒物及悬浮物沉淀至池底形成污泥,上部分水流较为澄清,被输送至深度处理组件700中进行进一步的过滤和消毒处理,最终排放至清水池150中暂存。深度处理组件700对污水进行更进一步的过滤和消毒,能够提高处理后的水质,达到更高排放标准。
优选地,可以在厌氧池110、缺氧池120和好氧池130中设置多个隔板,以将厌氧池110、缺氧池120和好氧池130分别划分出多个小的反应区间,且污水在各反应区间中上下折返流动,即采用VFL(垂直流迷宫)工艺,可以延长污水在各反应池内的停留时间,促进生化反应充分彻底。设置隔板时,污水向上翻越过水处,隔板可以距离池顶100mm,污水向下翻越过水处,隔板可以距离池底200mm,以此交替设置,使得污水能够上下折返流动,避免短流现象,即污水停留时间过短。污水在各反应池中折返流动,延长其停留时间,控制厌氧池110的HRT:缺氧池120的HRT:好氧池130的HRT=1:2:3.5,优选厌氧池110的HRT为1~2小时,缺氧池120的HRT为3~4小时,好氧池130的HRT为5~7小时,提高污水处理效率,HRT(HydraulicRetention Time)即为水力停留时间。
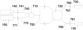
参照图2所示,在本发明的一些实施例中,深度处理组件700包括水泵710、过滤器720和消毒器730,水泵710与沉淀池140之间通过第一水管740连接,第一水管740上设有第一过滤电磁阀741,水泵710与过滤器720之间通过第二水管750连接,过滤器720与消毒器730之间通过第三水管760连接,第三水管760上设有第二过滤电磁阀761,消毒器730的出水口连通至清水池150中。
打开第一过滤电磁阀741和第二过滤电磁阀761,启动水泵710,将沉淀池140中较为清澈的污水抽送至过滤器720中过滤,再进入消毒器730中消毒,最后进入到清水池150中暂储。优选地,消毒器730采用紫外消毒器,紫外消毒器能对水流进行杀菌处理,同时能避免使用化学物质进行消毒,较为环保,并且能够节约资金。
参照图2和图3所示,在本发明的一些实施例中,水泵710与清水池150之间还连通有第四水管770,第四水管770上设有第一冲洗电磁阀771,过滤器720与好氧池130之间还连通有第五水管780,第五水管780上设有第二冲洗电磁阀781。
关闭第一过滤电磁阀741和第二过滤电磁阀761,再打开第一冲洗电磁阀771和第二冲洗电磁阀781,启动水泵710进行反冲洗,清水池150中的清水经过第四水管770冲入过滤器720中,然后经过第五水管780排放到好氧池130中。冲洗后的污水再次排放到好氧池130中继续进行生物反应。优选地,水泵710采用反冲洗水泵,过滤器720采用叠片过滤器,反冲洗水泵能够具有足够强的冲洗强度和水头,叠片过滤器具有较好的过滤能力,也适合进行反冲洗处理。
参照图4所示,在本发明的一些实施例中,曝气组件200包括风机210、分气缸220和多根曝气管230,曝气管230设置在好氧池130内,曝气管230与分气缸220连通,风机210与分气缸220连通,分气缸220上还设有排空阀221。
风机210将空气压缩至分气缸220中,经过分气缸220将空气均匀分至各曝气管230中,多根曝气管230设置在好氧池130的池底,能够让好氧池130内的氧气分布均匀。
分气缸220上还设有排空阀221,在曝气前,启动风机210利用空气将分气缸220内积留的污水通过排空阀221排出,然后再关闭排空阀221,进行正常的曝气,避免积留的污水冲击并损坏曝气管230。
优选地,还可将部分曝气管230设置在沉淀池140的池底,曝气后能够将沉淀池140内的污泥搅动,促进污泥回流以及促进各类生物反应,同时还能将污泥中产生的甲烷等气体排出。曝气管230上还可以使用高分子的防水透气单向微孔膜进行包裹,将气体进一步细化成小气泡。
当然,好氧池130中还可以设置有ORP仪,以对好氧池130中的ORP(氧化还原电位)数值进行监测。氧化还原电位越高,氧化性越强,氧化还原电位越低,还原性越强。通过ORP仪监测并通过控制手段将ORP值控制在+150~+250mV之间,能够使好氧池130中的硝化细菌处于最佳繁殖生长条件下,提高硝化反应的效率,以提高污水处理的效率。
进一步地,在好氧池130中投放有聚氨酯多孔填料,使得好氧池130中的微生物在聚氨酯多孔填料中挂膜附着,增大微生物与污水的接触面积,提高硝化反应效率。聚氨酯多孔填料的投放比例可以控制在好氧池130池体积的10~15%,聚氨酯多孔填料的比表面积控制在不小于6000m²/m³,控制孔隙率大于98%。
参照图1和图4所示,在本发明的一些实施例中,第一回流组件300包括第一回流管310和第一气提管320,第二回流组件400包括第二回流管410和第二气提管420,第三回流组件500包括第三回流管510和第三气提管520,第四回流组件600包括第四回流管610和第四气提管620,第一回流管310连通沉淀池140与好氧池,第二回流管410连通沉淀池140与缺氧池120,第三回流管510连通缺氧池120的水流末端与缺氧池120的水流前端,第四回流管610连通缺氧池120与厌氧池110,第一气提管320、第二气提管420、第三气提管520和第四气提管620的一端分别与曝气组件200连通,第一气提管320的另一端与第一回流管310连通,第二气提管420的另一端与第二回流管410连通,第三气提管520的另一端与第三回流管510连通,第四气提管620的另一端与第四回流管610连通。
通过气提管与回流管的组合,采用气提的方式控制回流,能够利用现有设备,缩小一体化污水处理设备的占地面积,同时能够减小能耗,节约资金。第一气提管320连接至第一回流管310上,能够将沉淀池140中的污水及污泥回流至好氧池130中,促进硝化反应;第二气提管420连接至第二回流管410上,能够将沉淀池140中的污水回流至缺氧池120中,促进反硝化脱氮;第三气提管520连接至第三回流管510上,能够将缺氧池120的水流末端回流至缺氧池120的水流前端,促进反硝化脱氮;第四气提管620连接至第四回流管610上,将缺氧池120的污水回流至厌氧池110中,促进磷的释放。
参照图5和图6所示,在本发明的一些实施例中,沉淀池140内设有聚泥斗141,聚泥斗141的上部横截面积大,下部横截面积小,聚泥斗141的侧壁上设有开口让污水进入,沉淀池140的池底设有L型的固定板142,固定板142的一边平贴固定在沉淀池140的底部,另一边的上边缘抵接聚泥斗141的侧壁,固定板142与聚泥斗141的侧壁之间通过螺栓连接。
沉淀池140内设置有聚泥斗141,聚泥斗141的上部截面积大,下部截面积小,通过重力自然下沉,能够将污泥聚集在一起,便于回流或排出。聚泥斗141的侧壁上设有开口让污水进入,使得进入聚泥斗141的污水进行沉淀,沉淀后的污泥较难再回到聚泥斗141的外部,实现好的污泥收集作用。L型的固定板142设置在池底,使其上边缘抵接聚泥斗141的侧壁,并且与聚泥斗141的侧壁之间通过螺栓连接,从而构建出三角形的固定结构,具有更好地稳定性。
优选地,聚泥斗141的上方还设有阻泥装置,阻泥装置包括多个导流通道,导流通道由下向上延伸,与水平面的夹角为锐角。在污水处理过程中,含有悬浮物杂质的污水进入聚泥斗141中,并且向上流动,污水混合液通过上升流密度差异使得污泥与水分离,污水到达阻泥装置,经过导流通道穿越阻泥装置。由于导流通道与水平面呈锐角,污水流动受到限制,转变为斜向上流动,增加了污泥沉淀面积,减少了颗粒沉降路径,使污泥去除率提高。
聚泥斗141的侧壁开口处还能够设置有滤网,以避免好氧池130中的聚氨酯多孔填料进入到聚泥斗141中。
根据本发明第二方面实施例的污水处理方法,包括上述任一项的一体化污水处理设备,并通过如下步骤进行污水处理控制:
步骤S1,污水经过预处理后,从厌氧池通入一体化污水处理设备中;
步骤S2,定时启动和关闭曝气组件,对好氧池进行周期性间歇曝气;
步骤S3,定期停止污水从沉淀池进入深度处理组件中,并控制清水池中的水流进入深度处理组件,以对深度处理组件进行冲洗,然后进入好氧池中。
在步骤S1中,污水先进行预处理,能够有效控制污水的pH、微生物量等参数,使一体化污水处理设备中的环境更适合进行用于脱氮除磷等生物反应;步骤S2中,对好氧池周期性间歇曝气,能够合理控制生物反应,充分利用氧气,在达到高效反应的同时减少能耗;在步骤S3中,定期对深度处理组件进行冲洗,能够保持深度处理组件的过滤效果。通过控制曝气时间,回流流量的比例,以及定期进行反冲洗,能够充分利用各类资源,实现最大化利用一体化污水处理设备,以减少能耗,节约资金。
在本发明的一些实施例中,在步骤S2中,启动曝气组件的时间为A分钟,关闭停止曝气组件的时间为B分钟,且A:B=4:1。
启动曝气组件的时间与关闭停止曝气组件的时间比例取4:1,能够让好氧池130的含氧量维持在硝化菌所需氧气值的附近,既不会造成好氧池130内富氧,也不会缺氧减弱硝化反应。优选地,启动曝气组件的时间为16分钟,关闭停止曝气组件的时间为4分钟,以20分钟为一个周期进行循环。
通常而言,好氧池130内的ORP值处于+150mV以上,能够更好地维持微生物生长环境。如图7以及表1所示,在实际使用过程中,通过ORP监测仪对好氧池130的水体监测,当曝气组件关闭超过6分钟后,ORP值已经下降至+150mV以下。同时,以ORP值为表征时,可以清晰判断出启动曝气组件与关闭停止曝气组件对好氧池130内ORP值的影响。其一,启动曝气组件的时间越长,ORP值越大,关闭停止曝气组件的时间越长,ORP值越小;其二,启动曝气组件的时间与关闭停止曝气组件时间的比值越大,ORP值越大,能耗也随之升高。当启动曝气组件的时间和关闭停止曝气组件的时间比值处于3:1时,好氧池130中的ORP值可以维持在+150~+250mV之间,能够让好氧池130的含氧量维持在硝化菌所需氧气值的附近,既不会造成好氧池130内富氧化,也不会因缺少氧而减弱硝化反应。
表1 启动曝气组件时间与关闭停止曝气组件时间及ORP值对比
在本发明的一些实施例中,还包括步骤S4,控制第一回流组件、第二回流组件、第三回流组件和第四回流组件的回流流量,使得各回流流量成比例,其中第一回流组件的回流流量为Q1,第二回流组件的回流流量为Q2,第三回流组件的回流流量为Q3,第四回流组件的回流流量为Q4,使得Q1:Q2:Q3:Q4=1:1:1:3。
控制第一回流组件、第二回流组件、第三回流组件和第四回流组件的回流流量比例,能够优化一体化污水处理设备中各池的反应结构,避免过量回流或回流不足,最大化利用污水中的物质。
控制回流流量比例,能够实现最大化利用回流污水中的各类物质,促进各反应池中的生物反应,以提高污水处理效果,同时减少能耗,特别是当各回流组件的回流流量比Q1:Q2:Q3:Q4=1:1:1:3,各反应池对回流污水中的物质利用率达到非常高的水平。第一回流组件、第二回流组件、第三回流组件的回流流量相同时,可以有效补充一体化污水处理设备的活性污泥浓度,且调大第四回流组件的回流流量可以明显提高反硝化效果,当第四回流组件的回流流量为前述组件回流流量的三倍时,即Q1:Q2:Q3:Q4=1:1:1:3,反硝化效果最佳,此时一体化污水处理设备的出水总氮和氨氮达到《城镇污水处理厂污染物排放标准》一级A标准,出水总氮15mg/L,出水氨氮5(8)mg/L。
在本发明的一些实施例中,在步骤S1中,污水脉冲式通入一体化污水处理设备中,其中按进水时间X分钟,停止时间Y分钟为一个周期,且X:Y=3:1。
污水按照上述进水和停止进水时间的比例,脉冲式通入一体化污水处理设备中,能够维持各厌氧池110、缺氧池120和好氧池130中的污泥悬浮状态,避免污泥在上述反应池内沉降,选择脉冲式进水后,水流量一般选择偏大,利用大流量的污水将池内的污泥结合污水一并推送至下一处理池中,保证池内的污水处理效果。
在本说明书的描述中,参考术语“一个实施例”、“一些实施例”、“示意性实施例”、“示例”、“具体示例”、或“一些示例”等的描述意指结合该实施例或示例描述的具体特征、结构、材料或者特点包含于本发明的至少一个实施例或示例中。在本说明书中,对上述术语的示意性表述不一定指的是相同的实施例或示例。而且,描述的具体特征、结构、材料或者特点可以在任何的一个或多个实施例或示例中以合适的方式结合。
尽管已经示出和描述了本发明的实施例,本领域的普通技术人员可以理解:在不脱离本发明的原理和宗旨的情况下可以对这些实施例进行多种变化、修改、替换和变型,本发明的范围由权利要求及其等同物限定。
Claims (10)
1.一种一体化污水处理设备,其特征在于,包括:
按污水流动方向顺次连接的厌氧池(110)、缺氧池(120)、好氧池(130)和沉淀池(140),所述好氧池(130)内设有曝气组件(200);
第一回流组件(300),所述第一回流组件(300)将所述沉淀池(140)与所述好氧池(130)连通;
第二回流组件(400),所述第二回流组件(400)将所述沉淀池(140)与所述缺氧池(120)连通;
第三回流组件(500),所述第三回流组件(500)将所述缺氧池(120)的水流末端与所述缺氧池(120)的水流前端连通;
第四回流组件(600),所述第四回流组件(600)将所述缺氧池(120)与所述厌氧池(110)连通;
深度处理组件(700),所述深度处理组件(700)与所述沉淀池(140)连通,使得污水能够进入所述深度处理组件(700)中过滤和消毒;
清水池(150),所述清水池(150)与所述深度处理组件(700)连通。
2.根据权利要求1所述的一体化污水处理设备,其特征在于,所述深度处理组件(700)包括水泵(710)、过滤器(720)和消毒器(730),所述水泵(710)与所述沉淀池(140)之间通过第一水管(740)连接,所述第一水管(740)上设有第一过滤电磁阀(741),所述水泵(710)与所述过滤器(720)之间通过第二水管(750)连接,所述过滤器(720)与所述消毒器(730)之间通过第三水管(760)连接,所述第三水管(760)上设有第二过滤电磁阀(761),所述消毒器(730)的出水口连通至所述清水池(150)中。
3.根据权利要求2所述的一体化污水处理设备,其特征在于,所述水泵(710)与所述清水池(150)之间还连通有第四水管(770),所述第四水管(770)上设有第一冲洗电磁阀(771),所述过滤器(720)与所述好氧池(130)之间还连通有第五水管(780),所述第五水管(780)上设有第二冲洗电磁阀(781)。
4.根据权利要求1所述的一体化污水处理设备,其特征在于,所述曝气组件(200)包括风机(210)、分气缸(220)和多根曝气管(230),所述曝气管(230)设置在所述好氧池(130)内,所述曝气管(230)与所述分气缸(220)连通,所述风机(210)与所述分气缸(220)连通,所述分气缸(220)上还设有排空阀(221)。
5.根据权利要求1所述的一体化污水处理设备,其特征在于,所述第一回流组件(300)包括第一回流管(310)和第一气提管(320),所述第二回流组件(400)包括第二回流管(410)和第二气提管(420),所述第三回流组件(500)包括第三回流管(510)和第三气提管(520),所述第四回流组件(600)包括第四回流管(610)和第四气提管(620),所述第一回流管(310)连通所述沉淀池(140)与所述好氧池,所述第二回流管(410)连通所述沉淀池(140)与所述缺氧池(120),所述第三回流管(510)连通所述缺氧池(120)的水流末端与所述缺氧池(120)的水流前端,所述第四回流管(610)连通所述缺氧池(120)与所述厌氧池(110),所述第一气提管(320)、第二气提管(420)、第三气提管(520)和第四气提管(620)的一端分别与所述曝气组件(200)连通,所述第一气提管(320)的另一端与所述第一回流管(310)连通,所述第二气提管(420)的另一端与所述第二回流管(410)连通,所述第三气提管(520)的另一端与所述第三回流管(510)连通,所述第四气提管(620)的另一端与所述第四回流管(610)连通。
6.根据权利要求1所述的一体化污水处理设备,其特征在于,所述沉淀池(140)内设有聚泥斗(141),所述聚泥斗(141)的上部横截面积大,下部横截面积小,所述聚泥斗(141)的侧壁上设有开口让污水进入,所述沉淀池(140)的池底设有L型的固定板(142),所述固定板(142)的一边平贴固定在所述沉淀池(140)的底部,另一边的上边缘抵接所述聚泥斗(141)的侧壁,所述固定板(142)与所述聚泥斗(141)的侧壁之间通过螺栓连接。
7.一种污水处理方法,其特征在于,包括权利要求1至6中任一项所述的一体化污水处理设备,并通过如下步骤进行污水处理控制:
步骤S1,污水经过预处理后,从厌氧池通入一体化污水处理设备中;
步骤S2,定时启动和关闭曝气组件,对好氧池进行周期性间歇曝气;
步骤S3,定期停止污水从沉淀池进入深度处理组件中,并控制清水池中的水流进入深度处理组件,以对深度处理组件进行冲洗,然后进入好氧池中。
8.根据权利要求7所述的污水处理方法,其特征在于,在步骤S2中,启动曝气组件的时间为A分钟,关闭停止曝气组件的时间为B分钟,且A:B=4:1。
9.根据权利要求7所述的污水处理方法,其特征在于,还包括步骤S4,控制第一回流组件、第二回流组件、第三回流组件和第四回流组件的回流流量,使得各回流流量成比例,其中第一回流组件的回流流量为Q1,第二回流组件的回流流量为Q2,第三回流组件的回流流量为Q3,第四回流组件的回流流量为Q4,使得Q1:Q2:Q3:Q4=1:1:1:3。
10.根据权利要求7所述的污水处理方法,其特征在于,在步骤S1中,污水脉冲式通入一体化污水处理设备中,其中按进水时间X分钟,停止时间Y分钟为一个周期,且X:Y=3:1。
Priority Applications (1)
| Application Number | Priority Date | Filing Date | Title |
|---|---|---|---|
| CN202210362737.2A CN114455708A (zh) | 2022-04-08 | 2022-04-08 | 一体化污水处理设备及污水处理方法 |
Applications Claiming Priority (1)
| Application Number | Priority Date | Filing Date | Title |
|---|---|---|---|
| CN202210362737.2A CN114455708A (zh) | 2022-04-08 | 2022-04-08 | 一体化污水处理设备及污水处理方法 |
Publications (1)
| Publication Number | Publication Date |
|---|---|
| CN114455708A true CN114455708A (zh) | 2022-05-10 |
Family
ID=81418119
Family Applications (1)
| Application Number | Title | Priority Date | Filing Date |
|---|---|---|---|
| CN202210362737.2A Pending CN114455708A (zh) | 2022-04-08 | 2022-04-08 | 一体化污水处理设备及污水处理方法 |
Country Status (1)
| Country | Link |
|---|---|
| CN (1) | CN114455708A (zh) |
Cited By (3)
| Publication number | Priority date | Publication date | Assignee | Title |
|---|---|---|---|---|
| CN117342752A (zh) * | 2023-11-24 | 2024-01-05 | 湖州御梵化妆品科技有限公司 | 一种污水高效处理工艺 |
| WO2024016714A1 (zh) * | 2022-07-19 | 2024-01-25 | 东南大学 | 一种小型多阶折流a2/o高原生活污水处理装置和工艺 |
| CN118388075A (zh) * | 2024-04-30 | 2024-07-26 | 广西金投环境科技有限公司 | 一种混凝土外加剂生产污水处理系统 |
Citations (7)
| Publication number | Priority date | Publication date | Assignee | Title |
|---|---|---|---|---|
| CN208038126U (zh) * | 2018-02-06 | 2018-11-02 | 湖南惟创环境科技有限公司 | 一种折流式水解反应装置 |
| CN208454623U (zh) * | 2018-07-20 | 2019-02-01 | 湖南惟创环境科技有限公司 | 生物一体化的污水处理组合池 |
| CN109354190A (zh) * | 2018-12-03 | 2019-02-19 | 倍适莱茵(北京)节能科技有限公司 | 一种高氨氮生活污水的处理装置和方法 |
| CN110498502A (zh) * | 2019-08-21 | 2019-11-26 | 苏州首创嘉净环保科技股份有限公司 | 一种分段式好氧池自动控制间歇曝气装置 |
| CN113620528A (zh) * | 2021-08-16 | 2021-11-09 | 中国环境科学研究院 | 一种智能供氧污水处理装置 |
| CN215691865U (zh) * | 2021-07-09 | 2022-02-01 | 湖南惟创环境科技有限公司 | 一种污水处理沉淀池结构 |
| CN215712448U (zh) * | 2021-06-28 | 2022-02-01 | 湖南惟创环境科技有限公司 | 一种利用vfl和mbbr填料组合形式的污水处理系统 |
-
2022
- 2022-04-08 CN CN202210362737.2A patent/CN114455708A/zh active Pending
Patent Citations (7)
| Publication number | Priority date | Publication date | Assignee | Title |
|---|---|---|---|---|
| CN208038126U (zh) * | 2018-02-06 | 2018-11-02 | 湖南惟创环境科技有限公司 | 一种折流式水解反应装置 |
| CN208454623U (zh) * | 2018-07-20 | 2019-02-01 | 湖南惟创环境科技有限公司 | 生物一体化的污水处理组合池 |
| CN109354190A (zh) * | 2018-12-03 | 2019-02-19 | 倍适莱茵(北京)节能科技有限公司 | 一种高氨氮生活污水的处理装置和方法 |
| CN110498502A (zh) * | 2019-08-21 | 2019-11-26 | 苏州首创嘉净环保科技股份有限公司 | 一种分段式好氧池自动控制间歇曝气装置 |
| CN215712448U (zh) * | 2021-06-28 | 2022-02-01 | 湖南惟创环境科技有限公司 | 一种利用vfl和mbbr填料组合形式的污水处理系统 |
| CN215691865U (zh) * | 2021-07-09 | 2022-02-01 | 湖南惟创环境科技有限公司 | 一种污水处理沉淀池结构 |
| CN113620528A (zh) * | 2021-08-16 | 2021-11-09 | 中国环境科学研究院 | 一种智能供氧污水处理装置 |
Non-Patent Citations (4)
| Title |
|---|
| 中国计划出版社: "《消防技术标准规范条文说明汇编》", 31 July 2001, 中国计划出版社 * |
| 济南市科学技术协会: "《节能环保 和谐发展——济南市2007年学术年会论文集》", 30 June 2007, 济南出版社 * |
| 谢晓青等: "《小城镇污水处理新技术及应用研究》", 30 June 2011, 哈尔滨工业大学出版社 * |
| 陆晓华等: "《环境污染控制原理》", 28 February 2010, 华中科技大学出版社 * |
Cited By (4)
| Publication number | Priority date | Publication date | Assignee | Title |
|---|---|---|---|---|
| WO2024016714A1 (zh) * | 2022-07-19 | 2024-01-25 | 东南大学 | 一种小型多阶折流a2/o高原生活污水处理装置和工艺 |
| CN117342752A (zh) * | 2023-11-24 | 2024-01-05 | 湖州御梵化妆品科技有限公司 | 一种污水高效处理工艺 |
| CN117342752B (zh) * | 2023-11-24 | 2024-11-12 | 湖州御梵化妆品科技有限公司 | 一种污水高效处理工艺 |
| CN118388075A (zh) * | 2024-04-30 | 2024-07-26 | 广西金投环境科技有限公司 | 一种混凝土外加剂生产污水处理系统 |
Similar Documents
| Publication | Publication Date | Title |
|---|---|---|
| CN102775025B (zh) | 高效低能耗城镇生活污水处理系统 | |
| CN105693014B (zh) | 一种污水处理系统及污水处理方法 | |
| CN207933226U (zh) | 一种工业废水处理系统 | |
| CN114455708A (zh) | 一体化污水处理设备及污水处理方法 | |
| CN113415950B (zh) | 一种高氨氮小流量农村污水处理方法及装置 | |
| CN107021597A (zh) | 利用粉末活性炭改善生化及深度处理污水的系统及方法 | |
| CN108996840B (zh) | 强化生物脱氮与平板陶瓷膜组合的污水处理设备及其方法 | |
| CN108083437A (zh) | 一种农村生活污水处理装置及处理工艺 | |
| CN114084998A (zh) | 一种垃圾中转站废水与生活污水协同处理系统 | |
| CN218058599U (zh) | Ao-mbbr一体化生活污水处理设备 | |
| CN113307456A (zh) | 一种改良型mbbr工艺的污水处理方法及装置 | |
| CN112142253A (zh) | 一种污水处理方法及其污水处理装置 | |
| CN211896546U (zh) | 一种一体化污水处理设备 | |
| CN114349276A (zh) | 一种污水处理系统、方法 | |
| CN210117318U (zh) | 智能化深度水处理集成系统 | |
| CN112479368A (zh) | 一种生物膜反应器污水处理装置及其处理方法 | |
| CN217351071U (zh) | 一种改良型mbbr工艺的污水处理装置 | |
| CN116409878A (zh) | 一种厌氧氨氧化废水处理装置及废水处理系统 | |
| CN202945124U (zh) | 一种高效低能耗城镇生活污水处理系统 | |
| CN105693036A (zh) | 一种智能污水处理系统 | |
| CN109052867A (zh) | 一种基于改性活性载体的分散生活污水ega处理装置及处理工艺 | |
| CN209065682U (zh) | 一种基于改性活性载体的分散生活污水ega处理装置 | |
| CN220788309U (zh) | 一种微电解-srusb-多级厌氧mbr-缺氧-好氧系统 | |
| CN219950763U (zh) | 一种农村生活污水一体化mbbr处理系统 | |
| CN209685437U (zh) | 一种垃圾中转站污水处理系统 |
Legal Events
| Date | Code | Title | Description |
|---|---|---|---|
| PB01 | Publication | ||
| PB01 | Publication | ||
| SE01 | Entry into force of request for substantive examination | ||
| SE01 | Entry into force of request for substantive examination |
