CN113007825A - Solar-assisted steam compression heat pump dehumidification air-conditioning system - Google Patents

Solar-assisted steam compression heat pump dehumidification air-conditioning system Download PDF

Info

Publication number
CN113007825A
CN113007825A CN202110291792.2A CN202110291792A CN113007825A CN 113007825 A CN113007825 A CN 113007825A CN 202110291792 A CN202110291792 A CN 202110291792A CN 113007825 A CN113007825 A CN 113007825A
Authority
CN
China
Prior art keywords
port
way valve
solar
air
heat exchanger
Prior art date
Legal status (The legal status is an assumption and is not a legal conclusion. Google has not performed a legal analysis and makes no representation as to the accuracy of the status listed.)
Granted
Application number
CN202110291792.2A
Other languages
Chinese (zh)
Other versions
CN113007825B (en
Inventor
陈尔健
代彦军
柴少伟
赵耀
Current Assignee (The listed assignees may be inaccurate. Google has not performed a legal analysis and makes no representation or warranty as to the accuracy of the list.)
Shanghai Jiao Tong University
Original Assignee
Shanghai Jiao Tong University
Priority date (The priority date is an assumption and is not a legal conclusion. Google has not performed a legal analysis and makes no representation as to the accuracy of the date listed.)
Filing date
Publication date
Application filed by Shanghai Jiao Tong University filed Critical Shanghai Jiao Tong University
Priority to CN202110291792.2A priority Critical patent/CN113007825B/en
Publication of CN113007825A publication Critical patent/CN113007825A/en
Application granted granted Critical
Publication of CN113007825B publication Critical patent/CN113007825B/en
Active legal-status Critical Current
Anticipated expiration legal-status Critical

Links

Images

Classifications

    • FMECHANICAL ENGINEERING; LIGHTING; HEATING; WEAPONS; BLASTING
    • F24HEATING; RANGES; VENTILATING
    • F24FAIR-CONDITIONING; AIR-HUMIDIFICATION; VENTILATION; USE OF AIR CURRENTS FOR SCREENING
    • F24F5/00Air-conditioning systems or apparatus not covered by F24F1/00 or F24F3/00, e.g. using solar heat or combined with household units such as an oven or water heater
    • F24F5/0046Air-conditioning systems or apparatus not covered by F24F1/00 or F24F3/00, e.g. using solar heat or combined with household units such as an oven or water heater using natural energy, e.g. solar energy, energy from the ground
    • FMECHANICAL ENGINEERING; LIGHTING; HEATING; WEAPONS; BLASTING
    • F24HEATING; RANGES; VENTILATING
    • F24FAIR-CONDITIONING; AIR-HUMIDIFICATION; VENTILATION; USE OF AIR CURRENTS FOR SCREENING
    • F24F11/00Control or safety arrangements
    • F24F11/62Control or safety arrangements characterised by the type of control or by internal processing, e.g. using fuzzy logic, adaptive control or estimation of values
    • F24F11/63Electronic processing
    • F24F11/65Electronic processing for selecting an operating mode
    • FMECHANICAL ENGINEERING; LIGHTING; HEATING; WEAPONS; BLASTING
    • F24HEATING; RANGES; VENTILATING
    • F24FAIR-CONDITIONING; AIR-HUMIDIFICATION; VENTILATION; USE OF AIR CURRENTS FOR SCREENING
    • F24F11/00Control or safety arrangements
    • F24F11/70Control systems characterised by their outputs; Constructional details thereof
    • F24F11/80Control systems characterised by their outputs; Constructional details thereof for controlling the temperature of the supplied air
    • F24F11/83Control systems characterised by their outputs; Constructional details thereof for controlling the temperature of the supplied air by controlling the supply of heat-exchange fluids to heat-exchangers
    • F24F11/84Control systems characterised by their outputs; Constructional details thereof for controlling the temperature of the supplied air by controlling the supply of heat-exchange fluids to heat-exchangers using valves
    • FMECHANICAL ENGINEERING; LIGHTING; HEATING; WEAPONS; BLASTING
    • F24HEATING; RANGES; VENTILATING
    • F24FAIR-CONDITIONING; AIR-HUMIDIFICATION; VENTILATION; USE OF AIR CURRENTS FOR SCREENING
    • F24F13/00Details common to, or for air-conditioning, air-humidification, ventilation or use of air currents for screening
    • F24F13/30Arrangement or mounting of heat-exchangers
    • FMECHANICAL ENGINEERING; LIGHTING; HEATING; WEAPONS; BLASTING
    • F24HEATING; RANGES; VENTILATING
    • F24FAIR-CONDITIONING; AIR-HUMIDIFICATION; VENTILATION; USE OF AIR CURRENTS FOR SCREENING
    • F24F5/00Air-conditioning systems or apparatus not covered by F24F1/00 or F24F3/00, e.g. using solar heat or combined with household units such as an oven or water heater
    • F24F5/0046Air-conditioning systems or apparatus not covered by F24F1/00 or F24F3/00, e.g. using solar heat or combined with household units such as an oven or water heater using natural energy, e.g. solar energy, energy from the ground
    • F24F2005/0064Air-conditioning systems or apparatus not covered by F24F1/00 or F24F3/00, e.g. using solar heat or combined with household units such as an oven or water heater using natural energy, e.g. solar energy, energy from the ground using solar energy

Landscapes

  • Engineering & Computer Science (AREA)
  • General Engineering & Computer Science (AREA)
  • Chemical & Material Sciences (AREA)
  • Combustion & Propulsion (AREA)
  • Mechanical Engineering (AREA)
  • Signal Processing (AREA)
  • Life Sciences & Earth Sciences (AREA)
  • Sustainable Development (AREA)
  • Sustainable Energy (AREA)
  • Physics & Mathematics (AREA)
  • Fuzzy Systems (AREA)
  • Mathematical Physics (AREA)
  • Sorption Type Refrigeration Machines (AREA)

Abstract

本发明公开了一种太阳能辅助蒸汽压缩热泵除湿空调系统,涉及压缩式热泵领域,包括太阳能集热器、集热循环泵、热水循环泵、发生器、溶液热交换器、吸收器、冷凝器、压缩机、氟路四通阀、太阳能再热器、室外换热器、储液器、过冷器、室内换热器、氟路三通阀、除湿换热器、风机、风道、空气四通阀;氟路四通阀能够根据季节不同切换制冷与制热模式,通过空气四通阀与氟路三通阀的配合切换使得空调系统持续输出符合室内温度和湿度需求的空气。通过本发明的实施,能够提高处理湿负荷的蒸发温度,不仅能够利用太阳能提升空调系统夏季制冷的电力能耗比,还能够在冬季制热模式时,同时利用空气能与太阳能使制热能效优于空气源热泵。

Figure 202110291792

The invention discloses a solar-assisted vapor compression heat pump dehumidification and air conditioning system, which relates to the field of compression heat pumps and includes a solar heat collector, a heat collection circulation pump, a hot water circulation pump, a generator, a solution heat exchanger, an absorber and a condenser , compressor, fluorine circuit four-way valve, solar reheater, outdoor heat exchanger, liquid accumulator, subcooler, indoor heat exchanger, fluorine circuit three-way valve, dehumidification heat exchanger, fan, air duct, air Four-way valve; Fluorine four-way valve can switch between cooling and heating modes according to different seasons. Through the cooperation of air four-way valve and fluorine three-way valve, the air conditioning system can continuously output air that meets indoor temperature and humidity requirements. Through the implementation of the present invention, the evaporating temperature for processing the wet load can be increased, not only can the solar energy be used to improve the power consumption ratio of the air-conditioning system for cooling in summer, but also in the heating mode in winter, the air energy and the solar energy can be used simultaneously to optimize the heating energy efficiency for air source heat pumps.

Figure 202110291792

Description

Solar-assisted steam compression heat pump dehumidification air-conditioning system
Technical Field
The invention relates to the field of compression heat pumps, in particular to a solar-assisted vapor compression heat pump dehumidification air-conditioning system.
Background
In the prior art, a steam compression type air conditioning system is widely applied in the market due to the advantages of small volume, convenient energy consumption, refrigeration and heating functions and the like; however, the energy consumption of the steam compression type air conditioning system is high, and the fluctuation of a power grid can be caused by the large consumption of electric energy after the large-scale application, so that urgent needs are provided for the energy-saving improvement of the steam compression type air conditioning system.
The steam compression type air conditioning system adopts a conventional coupling processing mode for heat and humidity loads, and the evaporation temperature is required to be lower than the dew point temperature to achieve the effect of condensation and dehumidification so as to effectively process the humidity loads, thereby limiting the performance improvement of the air conditioning system; for areas with abundant solar energy resources, the solar energy auxiliary compression type air conditioning system is also an economical energy-saving mode, absorption type refrigeration in the existing solar heat driving refrigeration technology is most efficient, the technology is mature and widely applied, and how to effectively combine the solar energy absorption type air conditioning system with the steam compression type air conditioning system and the volume of the combined system is as small as possible is also a problem which needs to be solved urgently at present.
Therefore, those skilled in the art are dedicated to develop a solar-assisted vapor compression heat pump dehumidification air-conditioning system, which not only can fully utilize solar radiant energy with various radiant flux densities and has the advantage of stable operation all seasons, but also has the advantages of low energy consumption and small system volume.
Disclosure of Invention
In view of the above defects in the prior art, the technical problem to be solved by the present invention is how to provide a solar assisted vapor compression heat pump dehumidification air conditioner, which not only can fully utilize solar radiant energy with various radiant flux densities, but also has the advantages of stable operation all seasons, low energy consumption and small system volume.
In order to achieve the purpose, the invention provides a solar auxiliary steam compression heat pump dehumidification air-conditioning system, which comprises a solar heat collector, a heat collection circulating pump, a heat storage water tank, a hot water circulating pump, a first waterway three-way valve, a second waterway three-way valve, a generator, a solution heat exchanger, an absorber, a solution circulating pump, a condenser, a first throttle valve, a compressor, a fluorine path four-way valve, a solar reheater, an outdoor heat exchanger, a liquid reservoir, a subcooler, a second throttle valve, a third throttle valve, an indoor heat exchanger, a gas-liquid separator, a first fluorine path three-way valve, a second fluorine path three-way valve, a first dehumidification heat exchanger, a second dehumidification heat exchanger, a first induced draft fan, a second induced draft fan, a first air channel, a second air channel, a third air channel, a heat dissipation fan, a first air four-way;
the solar collector is configured to absorb solar radiant energy;
an outlet of the solar heat collector is connected with a first inlet of the heat storage water tank, a first outlet of the heat storage water tank is connected with an inlet of the heat collection circulating pump, and an outlet of the heat collection circulating pump is connected with an inlet of the solar heat collector;
a second outlet of the heat storage water tank is connected with an inlet of the hot water circulating pump, an outlet of the hot water circulating pump is connected with a second port of the first waterway three-way valve, a third port of the first waterway three-way valve is connected with a fourth port of the generator, a fifth port of the generator is connected with a third port of the second waterway three-way valve, and a second port of the second waterway three-way valve is connected with a second inlet of the heat storage water tank;
a first port of the first waterway three-way valve is connected with a first port of the solar reheater, and a second port of the solar reheater is connected with a first port of the second waterway three-way valve;
the third port of the generator is connected with the second port of the solution heat exchanger, the fourth port of the solution heat exchanger is connected with the first inlet of the absorber, the outlet of the absorber is connected with the inlet of the solution circulating pump, the outlet of the solution circulating pump is connected with the third port of the solution heat exchanger, and the first port of the solution heat exchanger is connected with the second port of the generator;
the first port of the generator is connected with the inlet of the condenser, the outlet of the condenser is connected with the inlet of the first throttling valve, the outlet of the first throttling valve is connected with the third port of the subcooler, and the fourth port of the subcooler is connected with the second inlet of the absorber;
the outlet of the compressor is connected with a first port of the fluorine-way four-way valve, a second port of the fluorine-way four-way valve is connected with a fourth port of the solar reheater, a third port of the solar reheater is connected with a first port of the outdoor heat exchanger, a second port of the outdoor heat exchanger is connected with a first port of the liquid accumulator, a second port of the liquid accumulator is connected with a first port of the subcooler, and a second port of the subcooler is respectively connected with a first port of the second throttle valve and a first port of the third throttle valve;
a second port of the second throttling valve is connected with a first port of the indoor heat exchanger, a second port of the indoor heat exchanger is connected with a fourth port of the fluorine-way four-way valve, a third port of the fluorine-way four-way valve is connected with an inlet of the gas-liquid separator, and an outlet of the gas-liquid separator is connected with an inlet of the compressor;
a second port of the third throttle valve is connected with a first port of the first fluorine path three-way valve, a second port of the first fluorine path three-way valve is connected with a second port of the first dehumidification heat exchanger, a first port of the first dehumidification heat exchanger is connected with a third port of the second fluorine path three-way valve, a third port of the first fluorine path three-way valve is connected with a first port of the second dehumidification heat exchanger, a second port of the second dehumidification heat exchanger is connected with a second port of the second fluorine path three-way valve, and a first port of the second fluorine path three-way valve is connected with a fourth port of the fluorine path four-way valve;
the first dehumidification heat exchanger and the first induced draft fan are arranged in the first air duct; the second dehumidification heat exchanger and the second induced draft fan are arranged in the second air duct; the absorber, the condenser, the outdoor heat exchanger and the heat dissipation fan are all arranged in the third air duct; the indoor heat exchanger is arranged in the fourth air duct;
a first port of the first air four-way valve is connected with an inlet of the first air channel, a second port of the first air four-way valve is connected with an outlet of the third air channel, a third port of the first air four-way valve is connected with an inlet of the second air channel, and a fourth port of the first air four-way valve is connected with ambient air;
the first port of the second air four-way valve is connected with the outlet of the first air channel, the second port of the second air four-way valve is connected with the ambient air, the third port of the second air four-way valve is connected with the outlet of the second air channel, and the fourth port of the second air four-way valve is connected with the inlet of the fourth air channel.
The ambient air in the invention refers to the outdoor air of the room with the solar-assisted vapor compression heat pump dehumidification air-conditioning function.
Further, the condenser is arranged in the downwind direction of the absorber, the outdoor heat exchanger is arranged in the downwind direction of the condenser, and the cooling fan is arranged in the downwind direction of the outdoor heat exchanger.
In the technical scheme, the downwind direction refers to the downstream of the wind direction of the wind flowing through the condenser, the absorber and the outdoor heat exchanger.
Further, the solar reheater and the subcooler are plate heat exchangers.
In one technical scheme of the invention, the solar reheater and the subcooler are used for assisting in heating and cooling by using solar energy.
In one embodiment of the present invention, the operating states of the first dehumidification heat exchanger and the second dehumidification heat exchanger are configured to include a regeneration state and a dehumidification state.
In the technical scheme of the invention, the compression type sub-cycle is a double-evaporator parallel structure, and the compression type sub-cycle is respectively an indoor heat exchanger, a first dehumidifying heat exchanger and a second dehumidifying heat exchanger which bear sensible heat load and latent heat load respectively.
In the technical scheme of the invention, the first air four-way valve and the second air four-way valve are configured, so that the air to be treated is subjected to wet load treatment and heat load treatment sequentially.
In the technical scheme of the invention, the first waterway three-way valve and the second waterway three-way valve are configured, so that solar energy can act on the absorption sub-cycle or directly act on the compression sub-cycle.
Further, the operation modes of the air conditioning system are configured to include a vapor compression dehumidification cooling mode, a solar absorption assisted vapor compression dehumidification cooling mode, a vapor compression humidification heating mode and a solar assisted vapor compression humidification heating mode.
Further, the air conditioning system is configured to be switchable between the different operating modes according to a mode switching criterion.
Further, the mode switching standard comprises seasonal conditions and the heat storage temperature of the heat storage water tank.
In the technical scheme of the invention, the seasonal working condition refers to the seasonal condition of the working area of the air conditioning system and the specific environmental condition in the corresponding season; the heat storage temperature of the heat storage water tank means the temperature of water in the heat storage water tank.
Further, the air conditioning system is configured to operate in the vapor compression dehumidification cooling mode, the hot water circulation pump and the solution circulation pump are set to be off, the first port and the second port of the fluorine four-way valve are configured to communicate, and the third port and the fourth port of the fluorine four-way valve are configured to communicate.
Further, the air conditioning system is configured to operate in the vapor compression humidification heating mode, the hot water circulation pump and the solution circulation pump are set to be off, the first port and the fourth port of the fluorine four-way valve are configured to communicate, and the second port and the third port of the fluorine four-way valve are configured to communicate.
Further, the air conditioning system is configured to operate in the solar absorption assisted vapor compression dehumidification cooling mode, the hot water circulation pump and the solution circulation pump are set to be on, the first port and the second port of the four-way valve are configured to communicate, the third port and the fourth port of the four-way valve are configured to communicate, the second port and the third port of the first three-way waterway valve are configured to communicate, and the second port and the third port of the second three-way waterway valve are configured to communicate.
Further, the air conditioning system is configured to operate in the solar assisted vapor compression humidification heating mode, the hot water circulation pump is configured to be on, the solution circulation pump is configured to be off, the first port and the fourth port of the four-way fluorine valve are configured to communicate, the second port and the third port of the four-way fluorine valve are configured to communicate, the first port and the second port of the first three-way water way valve are configured to communicate, and the first port and the second port of the second three-way water way valve are configured to communicate.
Further, the air conditioning system is configured to work in any one of the vapor compression dehumidification cooling mode, the solar absorption auxiliary vapor compression dehumidification cooling mode, the vapor compression humidification heating mode or the solar auxiliary vapor compression humidification heating mode, and the compressor, the heat dissipation fan and the heat collection circulating pump are all set to be on and working.
Compared with the prior art, the implementation of the invention has at least the following beneficial technical effects:
(1) according to the technical scheme disclosed by the invention, the moisture load and the heat load of the air to be treated are sequentially treated by matching the coupling dehumidification heat exchanger and the two air four-way valves, so that the stable outlet air temperature and humidity are obtained.
(2) According to the technical scheme disclosed by the invention, the distribution of the refrigerant flow can be controlled by arranging the double throttle valves in the steam compression subsystem, different heat-humidity load ratios are met, and the high environmental adaptability is realized.
(3) According to the technical scheme disclosed by the invention, the solar energy is utilized to assist the steam compression air conditioner to refrigerate and heat, and compared with a conventional steam compression air conditioning system, the air conditioning performance is greatly improved.
(4) According to the technical scheme disclosed by the invention, the heat dissipation loads of the absorber, the condenser and the outdoor heat exchanger are used as the regeneration heat of the dehumidification heat exchanger, so that the waste heat is effectively utilized, and the energy-saving efficiency of the air-conditioning system is further improved.
(5) The technical scheme disclosed by the invention can fully utilize solar radiant energy with various radiant flux densities, and has the advantages of high overall energy utilization efficiency of the system, small system volume and high integration level.
The conception, the specific structure and the technical effects of the present invention will be further described with reference to the accompanying drawings to fully understand the objects, the features and the effects of the present invention.
Drawings
FIG. 1 is a schematic block diagram of a vapor compression dehumidification refrigeration mode in accordance with a preferred embodiment of the present invention;
FIG. 2 is a schematic diagram of the solar absorption assisted vapor compression dehumidification refrigeration mode in accordance with a preferred embodiment of the present invention;
FIG. 3 is a schematic structural view of a steam compression and humidification heating mode according to a preferred embodiment of the present invention;
FIG. 4 is a schematic structural view of a solar assisted vapor compression humidification heating mode in accordance with a preferred embodiment of the present invention;
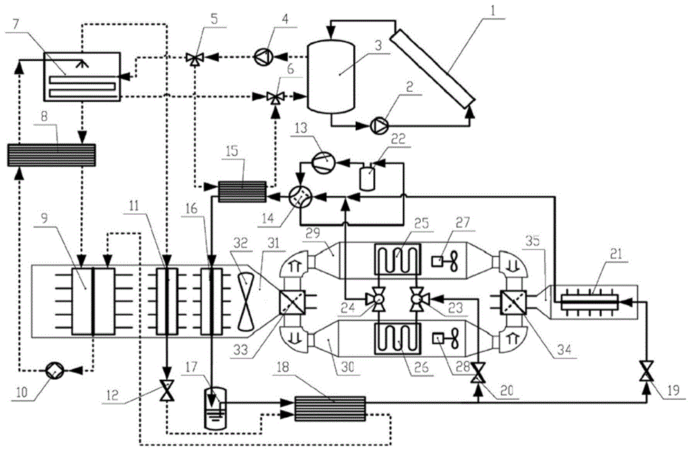
wherein, 1-a solar heat collector, 2-a heat collection circulating pump, 3-a heat storage water tank, 4-a hot water circulating pump, 5-a first water path three-way valve, 6-a second water path three-way valve, 7-a generator, 8-a solution heat exchanger, 9-an absorber, 10-a solution circulating pump, 11-a condenser, 12-a first throttle valve, 13-a compressor, 14-a fluorine path four-way valve, 15-a solar reheater, 16-an outdoor heat exchanger, 17-a liquid storage device, 18-a subcooler, 19-a second throttle valve, 20-a third throttle valve, 21-an indoor heat exchanger, 22-a gas-liquid separator, 23-a first fluorine path three-way valve, 24-a second fluorine path three-way valve, 25-a first dehumidifying heat exchanger, 26-a second dehumidifying heat exchanger, 27-a first induced draft fan, 28-a second induced draft fan, 29-a first air duct, 30-a second air duct, 31-a third air duct, 32-a heat dissipation fan, 33-a first air four-way valve, 34-a second air four-way valve and 35-a fourth air duct.
Detailed Description
The technical contents of the preferred embodiments of the present invention will be more clearly and easily understood by referring to the drawings attached to the specification. The present invention may be embodied in many different forms of embodiments and the scope of the invention is not limited to the embodiments set forth herein.
In the drawings, structurally identical elements are represented by like reference numerals, and structurally or functionally similar elements are represented by like reference numerals throughout the several views. The size and thickness of each component shown in the drawings are arbitrarily illustrated, and the present invention is not limited to the size and thickness of each component. The thickness of the components may be exaggerated where appropriate in the figures to improve clarity.
In the description of the embodiments of the present application, it should be clear that the terms "center", "upper", "lower", "left", "right", "inner", "outer", "top", "bottom", "side", "vertical", "horizontal", etc. indicate orientations or positional relationships based on those shown in the drawings, and are only for convenience of describing the embodiments of the present application and simplifying the description, but do not indicate or imply that the described devices or elements must have specific orientations or positional relationships, i.e., cannot be construed as limiting the embodiments of the present application; furthermore, the terms "first," "second," "third," "fourth," and the like are used merely to facilitate description or to simplify description, and do not indicate or imply importance.
As shown in fig. 1, the embodiment discloses a solar assisted vapor compression heat pump dehumidification air-conditioning system, which specifically includes a solar heat collector 1, a heat collection circulation pump 2, a heat storage water tank 3, a hot water circulation pump 4, a first waterway three-way valve 5, a second waterway three-way valve 6, a generator 7, a solution heat exchanger 8, an absorber 9, a solution circulation pump 10, a condenser 11, a first throttle valve 12, a compressor 13, a fluorine path four-way valve 14, a solar reheater 15, an outdoor heat exchanger 16, a liquid reservoir 17, a subcooler 18, a second throttle valve 19, a third throttle valve 20, an indoor heat exchanger 21, a gas-liquid separator 22, a first fluorine path three-way valve 23, a second fluorine path three-way valve 24, a first dehumidification heat exchanger 25, a second dehumidification heat exchanger 26, a first induced draft fan 27, a second induced draft fan 28, a first air duct 29, a second air duct 30, a third air, A first air four-way valve 33, a second air four-way valve 34, and a fourth air duct 35.
The outlet of the solar heat collector 1 is connected with the first inlet of the heat storage water tank 3, the first outlet of the heat storage water tank 3 is connected with the inlet of the heat collection circulating pump 2, and the outlet of the heat collection circulating pump 2 is connected with the inlet of the solar heat collector 1;
a second outlet of the heat storage water tank 3 is connected with an inlet of a hot water circulating pump 4, an outlet of the hot water circulating pump 4 is connected with a second port of a first waterway three-way valve 5, a third port of the first waterway three-way valve 5 is connected with a fourth port of a generator 7, a fifth port of the generator 7 is connected with a third port of a second waterway three-way valve 6, and a second port of the second waterway three-way valve 6 is connected with a second inlet of the heat storage water tank 3;
a first port of the first waterway three-way valve 5 is connected with a first port of a solar reheater 15, and a second port of the solar reheater 15 is connected with a first port of the second waterway three-way valve 6;
a third port of the generator 7 is connected with a second port of the solution heat exchanger 8, a fourth port of the solution heat exchanger 8 is connected with a first inlet of the absorber 9, an outlet of the absorber 9 is connected with an inlet of the solution circulating pump 10, an outlet of the solution circulating pump 10 is connected with a third port of the solution heat exchanger 8, and a first port of the solution heat exchanger 8 is connected with the second port of the generator 7;
a first port of the generator 7 is connected with an inlet of a condenser 11, an outlet of the condenser 11 is connected with an inlet of a first throttling valve 12, an outlet of the first throttling valve 12 is connected with a third port of a subcooler 18, and a fourth port of the subcooler 18 is connected with a second inlet of an absorber 9;
an outlet of the compressor 13 is connected with a first port of a fluorine-way four-way valve 14, a second port of the fluorine-way four-way valve 14 is connected with a fourth port of a solar reheater 15, a third port of the solar reheater 15 is connected with a first port of an outdoor heat exchanger 16, a second port of the outdoor heat exchanger 16 is connected with a first port of a liquid accumulator 17, a second port of the liquid accumulator 17 is connected with a first port of a subcooler 18, and a second port of the subcooler 18 is connected with a first port of a second throttling valve 19 and a first port of a third throttling valve 20;
a second port of the second throttle valve 19 is connected with a first port of the indoor heat exchanger 21, a second port of the indoor heat exchanger 21 is connected with a fourth port of the fluorine-way four-way valve 14, a third port of the fluorine-way four-way valve 14 is connected with an inlet of a gas-liquid separator 22, and an outlet of the gas-liquid separator 22 is connected with an inlet of the compressor 13;
a second port of the third throttle valve 20 is connected to a first port of a first fluorine path three-way valve 23, a second port of the first fluorine path three-way valve 23 is connected to a second port of a first dehumidification heat exchanger 25, a first port of the first dehumidification heat exchanger 25 is connected to a third port of a second fluorine path three-way valve 24, a third port of the first fluorine path three-way valve 23 is connected to a first port of a second dehumidification heat exchanger 26, a second port of the second dehumidification heat exchanger 26 is connected to a second port of the second fluorine path three-way valve 24, and a first port of the second fluorine path three-way valve 24 is connected to a fourth port of the fluorine path four-way valve 14;
the first dehumidification heat exchanger 25 and the first induced draft fan 27 are arranged in the first air duct 29, the second dehumidification heat exchanger 26 and the second induced draft fan 28 are arranged in the second air duct 30, the absorber 9, the condenser 11 and the outdoor heat exchanger 16 are arranged in the third air duct 31 in parallel, heat dissipation is carried out through the heat dissipation fan 32, and the indoor heat exchanger 21 is arranged in the fourth air duct 35;
a first port of the first air four-way valve 33 is connected with an inlet of the first air duct 29, a second port of the first air four-way valve 33 is connected with an outlet of the third air duct 31, a third port of the first air four-way valve 33 is connected with an inlet of the second air duct 30, and a fourth port of the first air four-way valve 33 is connected with ambient air;
a first port of the second air four-way valve 34 is connected to the outlet of the first air duct 29, a second port of the second air four-way valve 34 is connected to the ambient air, a third port of the second air four-way valve 34 is connected to the outlet of the second air duct 30, and a fourth port of the second air four-way valve 34 is connected to the inlet of the fourth air duct 35.
In the air conditioning system disclosed in this embodiment, the compression type sub-cycle is a double-evaporator parallel structure, and the indoor heat exchanger 21, the first dehumidifying heat exchanger 25 and the second dehumidifying heat exchanger 26 respectively bear sensible heat load and latent heat load.
In the air conditioning system disclosed in this embodiment, the air to be treated is sequentially subjected to the wet load treatment and the heat load treatment by the connection of the first air four-way valve 33 and the second air four-way valve 34.
The air conditioning system disclosed in this embodiment can realize that solar energy acts on the absorption sub-cycle or directly acts on the compression sub-cycle by switching the first waterway three-way valve 5 and the second waterway three-way valve 6.
In the air conditioning system disclosed in the present embodiment, the solar reheater 15 and the subcooler 18 are preferably plate heat exchangers for assisting heating and cooling by using solar energy.
The air conditioning system disclosed by the embodiment has the operation modes configured to comprise a vapor compression dehumidification refrigeration mode, a solar energy absorption auxiliary vapor compression dehumidification refrigeration mode, a vapor compression humidification refrigeration mode and a solar energy auxiliary vapor compression humidification refrigeration mode; the air conditioning system is configured to be able to switch between different operating modes depending on the seasonal conditions and the stored heat temperature of the hot water storage tank 3.
When the air conditioning system operates in the vapor compression dehumidification cooling mode, the hot water circulation pump 4 and the solution circulation pump 10 are set to the off state, the first port and the second port of the fluorine four-way valve 14 are configured to communicate, and the third port and the fourth port of the fluorine four-way valve 14 are configured to communicate.
When the air conditioning system operates in the vapor compression humidification heating mode, the hot water circulation pump 4 and the solution circulation pump 10 are set to the off state, the first port and the fourth port of the fluorine four-way valve 14 are configured to communicate, and the second port and the third port of the fluorine four-way valve 14 are configured to communicate.
When the air conditioning system is operated in the solar absorption assisted vapor compression dehumidification cooling mode, the hot water circulation pump 4 and the solution circulation pump 10 are set to the on state, the first port and the second port of the four-way fluorine valve 14 are configured to communicate, the third port and the fourth port of the four-way fluorine valve 14 are configured to communicate, the second port and the third port of the first three-way water valve 5 are configured to communicate, and the second port and the third port of the second three-way water valve 6 are configured to communicate.
When the air conditioning system operates in the solar assisted vapor compression humidification heating mode, the hot water circulation pump 4 is set to an on state, the solution circulation pump 10 is set to an off state, the first port and the fourth port of the four-way fluorine valve 14 are configured to communicate, the second port and the third port of the four-way fluorine valve 14 are configured to communicate, the first port and the second port of the first three-way water valve 5 are configured to communicate, and the first port and the second port of the second three-way water valve 6 are configured to communicate.
When the air conditioning system is configured to operate in any one of the vapor compression dehumidification cooling mode, the solar absorption assisted vapor compression dehumidification cooling mode, the vapor compression humidification heating mode or the solar assisted vapor compression humidification heating mode, the compressor 13, the heat dissipation fan 32 and the heat collection circulation pump 2 are all set to be on and operating.
This embodiment makes the system continuously to the air that user side output accords with indoor temperature and humidity demand through the cooperation switching of two air cross valves and two fluorine way three-way valves, and fluorine way cross valve then is used for according to the different refrigeration of switching in season and the mode of heating, and two water route three-way valves adjust the supplementary refrigeration of solar energy input absorption formula or input supplementary compression heat. According to the embodiment, the compression subsystem is coupled with the dehumidification heat exchanger based on adsorption refrigeration to increase the evaporation temperature of the processing wet load, the solar absorption refrigeration subsystem is used for increasing the electric energy efficiency ratio of the refrigeration of the system in summer, and the air energy and the solar energy are simultaneously used in the heating mode in winter to enable the heating energy efficiency to be superior to that of an air source heat pump.
As shown in fig. 1, in the present embodiment operating in the vapor compression dehumidification cooling mode, the compressor 13 is in an operating state, and communicates the first port and the second port, and the third port and the fourth port of the fluorine four-way valve 14, high-temperature refrigerant vapor passes through the reservoir 17 after being cooled by the outdoor heat exchanger 16, and then is divided into the second throttle 19 and the third throttle 20, the refrigerant in the branch of the second throttle 19 passes through the indoor heat exchanger 21 to be evaporated and then enters the gas-liquid separator 22, the refrigerant in the branch of the third throttle 20 is controlled by the first fluorine three-way valve 23 to enter the first dehumidification heat exchanger 25 or the second dehumidification heat exchanger 26, and which dehumidification heat exchanger enters the gas-liquid separator 22 after evaporation is finished in the dehumidification heat exchanger, and then returns to the compressor 13 to complete the cycle. The condensation waste heat of the outdoor heat exchanger 16 is sent to the dehumidification heat exchanger in a regeneration state through the first air four-way valve 33, and then is discharged to the outdoor through the second air four-way valve 34; the ambient air is sent to the dehumidifying heat exchanger in a dehumidifying state through the first air four-way valve 33, sent to the indoor heat exchanger 21 in the fourth air duct 35 through the second air four-way valve 34 to be cooled, and then sent to the indoor.
As shown in fig. 2, in the present embodiment, when the solar energy absorption assisted vapor compression dehumidification refrigeration system operates in the solar energy absorption assisted vapor compression dehumidification refrigeration mode, the operation state of the compression subsystem is the same as the vapor compression dehumidification refrigeration mode, on the basis, the hot water circulation pump 4 and the solution circulation pump 10 are started, the second port and the third port of the first water path three-way valve 5 and the second water path three-way valve 6 are kept communicated, the hot water on the upper portion of the heat storage tank 3 is sent to the generator 7 to provide heat, and then the hot water is returned to the bottom of the heat storage tank 3, the solution in the absorber 9 is heated by the solution circulation pump 10 through the solution heat exchanger 8 and then enters the generator 7 to generate vapor and weak solution, the weak solution flows through the solution heat exchanger 8 and then returns to the absorber 9, the high-temperature vapor enters the condenser 11 to be condensed, the refrigerant vapor returns to the absorber 9 to be absorbed by the weak solution to complete the cycle. In this mode of operation, the cooling waste heat generated by the absorber 9 and condenser 11 of the absorption subsystem and the outdoor heat exchanger 16 of the compression subsystem are used to provide the heat of the regeneration process for the first and second dehumidification heat exchangers 25, 26.
As shown in fig. 3, in the present embodiment, when the present embodiment operates in the vapor compression and humidification heating mode, the first port and the fourth port of the fluorine four-way valve 14 are communicated, the second port and the third port are communicated, the vapor at the outlet of the compressor 13 passes through the fluorine four-way valve 14 and then is distributed to the indoor heat exchanger 21 and the second fluorine three-way valve 24, the refrigerant vapor in the branch of the second fluorine three-way valve 24 enters the dehumidification heat exchanger in the regeneration state, i.e., the first dehumidification heat exchanger 25 or the second dehumidification heat exchanger 26, and then passes through the first fluorine three-way valve 23 and then throttles by the third throttle valve 20, the refrigerant vapor in the branch of the indoor heat exchanger 21 after condensing and releasing heat passes through the second throttle valve 19 and throttles, the two branches of the refrigerant after merging enter the outdoor heat exchanger 16 for evaporation and heat; in this mode, the indoor air enters the dehumidifying heat exchanger in a regeneration state through the fourth port of the first air four-way valve 33 for humidification, and is sent into the fourth air duct 35 by the second air four-way valve 34 for temperature rise and then sent to the indoor; and the cold outdoor air enters the dehumidifying heat exchanger in a dehumidifying state through the second port of the first air four-way valve 33 and is discharged to the outside through the second port of the second air four-way valve 34.
As shown in fig. 4, in the present embodiment, operating in the solar auxiliary vapor compression and humidification heating mode, the operation state of the compression subsystem is the same as that of the vapor compression and humidification heating mode, and the absorption subsystem does not participate in the operation, on the basis, the hot water circulating pump 4 is started, the first ports and the second ports of the first water path three-way valve 5 and the second water path three-way valve 6 are kept communicated, the hot water at the upper part of the hot water storage tank 3 is sent to the solar reheater 15 to provide heat generation, and then the hot water is returned to the bottom of the hot water storage tank 3; in this mode, the refrigerant vapor at the outlet of the outdoor heat exchanger 16 further absorbs heat in the solar reheater 15, and the suction temperature and pressure of the compressor 13 are raised.
The embodiment discloses a solar energy auxiliary vapor compression heat pump dehumidification air-conditioning system, based on absorption refrigeration utilization of low-grade solar thermal energy, the high temperature adsorption characteristic of solid-state adsorption dehumidification, combine the refrigerated stability of conventional compression, constitute solar energy auxiliary vapor compression heat pump dehumidification air-conditioning system through the mode of system coupling, under the prerequisite that satisfies stable refrigeration heating demand in all seasons and indoor humiture travelling comfort, utilize partial solar energy to improve the performance of system, make full use of used heat makes the overall energy utilization efficiency of system promote simultaneously.
The foregoing detailed description of the preferred embodiments of the invention has been presented. It should be understood that numerous modifications and variations could be devised by those skilled in the art in light of the present teachings without departing from the inventive concepts. Therefore, the technical solutions available to those skilled in the art through logic analysis, reasoning and limited experiments based on the prior art according to the concept of the present invention should be within the scope of protection defined by the claims.

Claims (10)

1.一种太阳能辅助蒸汽压缩热泵除湿空调系统,其特征在于,包括如下步骤:1. a solar energy auxiliary vapor compression heat pump dehumidification air conditioning system, is characterized in that, comprises the steps: 包括太阳能集热器、集热循环泵、蓄热水箱、热水循环泵、第一水路三通阀、第二水路三通阀、发生器、溶液热交换器、吸收器、溶液循环泵、冷凝器、第一节流阀、压缩机、氟路四通阀、太阳能再热器、室外换热器、储液器、过冷器、第二节流阀、第三节流阀、室内换热器、气液分离器、第一氟路三通阀、第二氟路三通阀、第一除湿换热器、第二除湿换热器、第一引风机、第二引风机、第一风道、第二风道、第三风道、散热风机、第一空气四通阀、第二空气四通阀、第四风道;Including solar collector, heat collection circulation pump, hot water storage tank, hot water circulation pump, first water three-way valve, second water three-way valve, generator, solution heat exchanger, absorber, solution circulation pump, Condenser, first throttle valve, compressor, fluorine four-way valve, solar reheater, outdoor heat exchanger, liquid accumulator, subcooler, second throttle valve, third throttle valve, indoor heat exchanger Heater, gas-liquid separator, first fluorine circuit three-way valve, second fluorine circuit three-way valve, first dehumidification heat exchanger, second dehumidification heat exchanger, first induced draft fan, second induced draft fan, first Air duct, second air duct, third air duct, cooling fan, first air four-way valve, second air four-way valve, fourth air duct; 所述太阳能集热器被配置为能够吸收太阳辐射能;the solar thermal collector is configured to absorb solar radiation energy; 所述太阳能集热器的出口连接所述蓄热水箱第一进口,所述蓄热水箱的第一出口连接所述集热循环泵的进口,所述集热循环泵的出口连接所述太阳能集热器的进口;The outlet of the solar heat collector is connected to the first inlet of the hot water storage tank, the first outlet of the hot water storage tank is connected to the inlet of the heat collection circulation pump, and the outlet of the heat collection circulation pump is connected to the Import of solar collectors; 所述蓄热水箱的第二出口连接所述热水循环泵的进口,所述热水循环泵的出口连接所述第一水路三通阀的第二端口,所述第一水路三通阀的第三端口连接所述发生器的第四端口,所述发生器的第五端口连接所述第二水路三通阀的第三端口,所述第二水路三通阀的第二端口连接所述蓄热水箱的第二进口;The second outlet of the hot water storage tank is connected to the inlet of the hot water circulation pump, and the outlet of the hot water circulation pump is connected to the second port of the first water circuit three-way valve, and the first water circuit three-way valve The third port of the generator is connected to the fourth port of the generator, the fifth port of the generator is connected to the third port of the second three-way valve, and the second port of the second three-way valve is connected to the the second inlet of the hot water storage tank; 所述第一水路三通阀的第一端口连接所述太阳能再热器的第一端口,所述太阳能再热器的第二端口连接所述第二水路三通阀的第一端口;The first port of the first water path three-way valve is connected to the first port of the solar reheater, and the second port of the solar reheater is connected to the first port of the second water path three-way valve; 所述发生器的第三端口连接所述溶液热交换器的第二端口,所述溶液热交换器的第四端口连接所述吸收器的第一进口,所述吸收器的出口连接所述溶液循环泵的进口,所述溶液循环泵的出口连接所述溶液热交换器的第三端口,所述溶液热交换器的第一端口连接所述发生器的第二端口;The third port of the generator is connected to the second port of the solution heat exchanger, the fourth port of the solution heat exchanger is connected to the first inlet of the absorber, and the outlet of the absorber is connected to the solution The inlet of the circulating pump, the outlet of the solution circulating pump is connected to the third port of the solution heat exchanger, and the first port of the solution heat exchanger is connected to the second port of the generator; 所述发生器的第一端口连接所述冷凝器的进口,所述冷凝器的出口连接所述第一节流阀的进口,所述第一节流阀的出口连接所述过冷器的第三端口,所述过冷器的第四端口连接所述吸收器的第二进口;The first port of the generator is connected to the inlet of the condenser, the outlet of the condenser is connected to the inlet of the first throttle valve, and the outlet of the first throttle valve is connected to the first port of the subcooler. Three ports, the fourth port of the subcooler is connected to the second inlet of the absorber; 所述压缩机的出口连接所述氟路四通阀的第一端口,所述氟路四通阀的第二端口连接所述太阳能再热器的第四端口,所述太阳能再热器的第三端口连接所述室外换热器的第一端口,所述室外换热器的第二端口连接所述储液器的第一端口,所述储液器的第二端口连接所述过冷器的第一端口,所述过冷器的第二端口分别与所述第二节流阀的第一端口和所述第三节流阀的第一端口连接;The outlet of the compressor is connected to the first port of the fluorine circuit four-way valve, the second port of the fluorine circuit four-way valve is connected to the fourth port of the solar reheater, and the third port of the solar reheater is connected. The three ports are connected to the first port of the outdoor heat exchanger, the second port of the outdoor heat exchanger is connected to the first port of the accumulator, and the second port of the accumulator is connected to the subcooler The first port of the subcooler is respectively connected with the first port of the second throttle valve and the first port of the third throttle valve; 所述第二节流阀的第二端口连接所述室内换热器的第一端口,所述室内换热器的第二端口连接所述氟路四通阀的第四端口,所述氟路四通阀的第三端口连接所述气液分离器的进口,所述气液分离器的出口连接所述压缩机的进口;The second port of the second throttle valve is connected to the first port of the indoor heat exchanger, the second port of the indoor heat exchanger is connected to the fourth port of the fluorine circuit four-way valve, and the fluorine circuit The third port of the four-way valve is connected to the inlet of the gas-liquid separator, and the outlet of the gas-liquid separator is connected to the inlet of the compressor; 所述第三节流阀的第二端口连接所述第一氟路三通阀的第一端口,所述第一氟路三通阀的第二端口连接所述第一除湿换热器的第二端口,所述第一除湿换热器的第一端口连接所述第二氟路三通阀的第三端口,所述第一氟路三通阀的第三端口连接所述第二除湿换热器的第一端口,所述第二除湿换热器的第二端口连接所述第二氟路三通阀的第二端口,所述第二氟路三通阀的第一端口连接所述氟路四通阀的第四端口;The second port of the third throttle valve is connected to the first port of the first fluorine circuit three-way valve, and the second port of the first fluorine circuit three-way valve is connected to the first port of the first dehumidification heat exchanger. Two ports, the first port of the first dehumidification heat exchanger is connected to the third port of the second fluorine circuit three-way valve, and the third port of the first fluorine circuit three-way valve is connected to the second dehumidification heat exchanger The first port of the heat exchanger, the second port of the second dehumidification heat exchanger is connected to the second port of the second fluorine circuit three-way valve, and the first port of the second fluorine circuit three-way valve is connected to the The fourth port of the fluorine four-way valve; 所述第一除湿换热器与所述第一引风机设置于所述第一风道中;所述第二除湿换热器与所述第二引风机设置于所述第二风道中;所述吸收器、所述冷凝器、所述室外换热器和所述散热风机均设置于所述第三风道中;所述室内换热器设置于所述第四风道中;The first dehumidification heat exchanger and the first induced draft fan are arranged in the first air duct; the second dehumidification heat exchanger and the second induced draft fan are arranged in the second air duct; the The absorber, the condenser, the outdoor heat exchanger and the cooling fan are all arranged in the third air duct; the indoor heat exchanger is arranged in the fourth air duct; 所述第一空气四通阀的第一端口连接所述第一风道的进口,所述第一空气四通阀的第二端口连接所述第三风道的出口,所述第一空气四通阀的第三端口连接所述第二风道的进口,所述第一空气四通阀的第四端口连接环境空气;The first port of the first air four-way valve is connected to the inlet of the first air channel, the second port of the first air four-way valve is connected to the outlet of the third air channel, and the first air four-way valve is connected to the outlet of the third air channel. The third port of the through valve is connected to the inlet of the second air duct, and the fourth port of the first air four-way valve is connected to ambient air; 所述第二空气四通阀的第一端口连接所述第一风道的出口,所述第二空气四通阀的第二端口连接所述环境空气,所述第二空气四通阀的第三端口连接所述第二风道的出口,所述第二空气四通阀的第四端口连接所述第四风道的进口。The first port of the second air four-way valve is connected to the outlet of the first air duct, the second port of the second air four-way valve is connected to the ambient air, and the second air four-way valve is connected to the ambient air. The three ports are connected to the outlet of the second air duct, and the fourth port of the second air four-way valve is connected to the inlet of the fourth air duct. 2.如权利要求1所述的太阳能辅助蒸汽压缩热泵除湿空调系统,其特征在于,所述冷凝器设置于所述吸收器的下风向,所述室外换热器设置于所述冷凝器的下风向,所述散热风机设置于所述室外换热器的下风向。2 . The solar-assisted vapor compression heat pump dehumidification and air conditioning system according to claim 1 , wherein the condenser is arranged in the downwind direction of the absorber, and the outdoor heat exchanger is arranged below the condenser. 3 . Wind direction, the cooling fan is arranged in the downwind direction of the outdoor heat exchanger. 3.如权利要求1所述的太阳能辅助蒸汽压缩热泵除湿空调系统,其特征在于,所述太阳能再热器和所述过冷器均为板式换热器。3 . The solar-assisted vapor compression heat pump dehumidification and air conditioning system according to claim 1 , wherein the solar reheater and the subcooler are both plate heat exchangers. 4 . 4.如权利要求1所述的太阳能辅助蒸汽压缩热泵除湿空调系统,其特征在于,所述太阳能辅助蒸汽压缩热泵除湿空调系统的运行模式被配置为包括蒸汽压缩除湿制冷模式、太阳能吸收辅助蒸汽压缩除湿制冷模式、蒸汽压缩加湿制热模式和太阳能辅助蒸汽压缩加湿制热模式。4. The solar-assisted vapor compression heat pump dehumidification and air conditioning system according to claim 1, wherein the operation mode of the solar-assisted vapor compression heat pump dehumidification and air conditioning system is configured to include a vapor compression dehumidification refrigeration mode, a solar energy absorption-assisted vapor compression mode Dehumidification cooling mode, vapor compression humidification heating mode and solar-assisted vapor compression humidification heating mode. 5.如权利要求4所述的太阳能辅助蒸汽压缩热泵除湿空调系统,其特征在于,所述太阳能辅助蒸汽压缩热泵除湿空调系统被配置为能够根据模式切换标准在不同的所述运行模式之间切换。5. The solar-assisted vapor compression heat pump dehumidification and air conditioning system of claim 4, wherein the solar-assisted vapor compression heat pump dehumidification and air conditioning system is configured to be able to switch between different operating modes according to mode switching criteria . 6.如权利要求5所述的太阳能辅助蒸汽压缩热泵除湿空调系统,其特征在于,所述模式切换标准包括季节工况和所述蓄热水箱的蓄热温度。6 . The solar-assisted vapor compression heat pump dehumidification and air conditioning system according to claim 5 , wherein the mode switching criteria include seasonal operating conditions and the thermal storage temperature of the hot water storage tank. 7 . 7.如权利要求4所述的太阳能辅助蒸汽压缩热泵除湿空调系统,其特征在于,所述太阳能辅助蒸汽压缩热泵除湿空调系统被配置为工作在所述蒸汽压缩除湿制冷模式,所述热水循环泵和所述溶液循环泵被设置为关闭,所述氟路四通阀的所述第一端口和所述第二端口被配置为连通,所述氟路四通阀的所述第三端口和所述第四端口被配置为连通。7 . The solar-assisted vapor compression heat pump dehumidification and air conditioning system of claim 4 , wherein the solar-assisted vapor compression heat pump dehumidification and air conditioning system is configured to work in the vapor compression dehumidification refrigeration mode, and the hot water circulation The pump and the solution circulation pump are set to be closed, the first port and the second port of the fluorine circuit four-way valve are configured to communicate, and the third port of the fluorine circuit four-way valve and The fourth port is configured to communicate. 8.如权利要求4所述的太阳能辅助蒸汽压缩热泵除湿空调系统,其特征在于,所述太阳能辅助蒸汽压缩热泵除湿空调系统被配置为工作在所述蒸汽压缩加湿制热模式,所述热水循环泵和所述溶液循环泵被设置为关闭,所述氟路四通阀的所述第一端口和所述第四端口被配置为连通,所述氟路四通阀的所述第二端口和所述第三端口被配置为连通。8 . The solar-assisted vapor compression heat pump dehumidification and air conditioning system of claim 4 , wherein the solar-assisted vapor compression heat pump dehumidification and air conditioning system is configured to work in the vapor compression humidification and heating mode, and the hot water The circulation pump and the solution circulation pump are set to be closed, the first port and the fourth port of the fluorine circuit four-way valve are configured to communicate, and the second port of the fluorine circuit four-way valve and the third port is configured to communicate. 9.如权利要求4所述的太阳能辅助蒸汽压缩热泵除湿空调系统,其特征在于,所述太阳能辅助蒸汽压缩热泵除湿空调系统被配置为工作在所述太阳能吸收辅助蒸汽压缩除湿制冷模式,所述热水循环泵和所述溶液循环泵被设置为开启,所述氟路四通阀的所述第一端口和所述第二端口被配置为连通、所述氟路四通阀的所述第三端口和所述第四端口被配置为连通,所述第一水路三通阀的所述第二端口和所述第三端口被配置为连通,所述第二水路三通阀的所述第二端口和所述第三端口被配置为连通。9 . The solar-assisted vapor compression heat pump dehumidification and air conditioning system of claim 4 , wherein the solar-assisted vapor compression heat pump dehumidification and air conditioning system is configured to work in the solar energy absorption-assisted vapor compression dehumidification refrigeration mode, and the The hot water circulation pump and the solution circulation pump are set to be turned on, the first port and the second port of the fluorine circuit four-way valve are configured to communicate, and the first port of the fluorine circuit four-way valve is configured to communicate. The third port and the fourth port are configured to communicate, the second port and the third port of the first three-way valve are configured to communicate, and the third port of the second three-way valve is configured to communicate. The second port and the third port are configured to communicate. 10.如权利要求4所述的太阳能辅助蒸汽压缩热泵除湿空调系统,其特征在于,所述太阳能辅助蒸汽压缩热泵除湿空调系统被配置为工作在所述太阳能辅助蒸汽压缩加湿制热模式,所述热水循环泵被设置为开启,所述溶液循环泵被设置为关闭,所述氟路四通阀的所述第一端口和所述第四端口被配置为连通,所述氟路四通阀的所述第二端口和所述第三端口被配置为连通,所述第一水路三通阀的所述第一端口和所述第二端口被配置为连通,所述第二水路三通阀的所述第一端口和所述第二端口被配置为连通。10. The solar-assisted vapor compression heat pump dehumidification and air conditioning system of claim 4, wherein the solar-assisted vapor compression heat pump dehumidification and air conditioning system is configured to work in the solar-assisted vapor compression humidification and heating mode, the The hot water circulation pump is set to be turned on, the solution circulation pump is set to be turned off, the first port and the fourth port of the fluorine circuit four-way valve are configured to communicate, and the fluorine circuit four-way valve The second port and the third port are configured to communicate, the first port and the second port of the first three-way valve are configured to communicate, the second three-way valve The first port and the second port are configured to communicate.
CN202110291792.2A 2021-03-18 2021-03-18 Solar-assisted steam compression heat pump dehumidification air-conditioning system Active CN113007825B (en)

Priority Applications (1)

Application Number Priority Date Filing Date Title
CN202110291792.2A CN113007825B (en) 2021-03-18 2021-03-18 Solar-assisted steam compression heat pump dehumidification air-conditioning system

Applications Claiming Priority (1)

Application Number Priority Date Filing Date Title
CN202110291792.2A CN113007825B (en) 2021-03-18 2021-03-18 Solar-assisted steam compression heat pump dehumidification air-conditioning system

Publications (2)

Publication Number Publication Date
CN113007825A true CN113007825A (en) 2021-06-22
CN113007825B CN113007825B (en) 2022-03-25

Family

ID=76409758

Family Applications (1)

Application Number Title Priority Date Filing Date
CN202110291792.2A Active CN113007825B (en) 2021-03-18 2021-03-18 Solar-assisted steam compression heat pump dehumidification air-conditioning system

Country Status (1)

Country Link
CN (1) CN113007825B (en)

Cited By (3)

* Cited by examiner, † Cited by third party
Publication number Priority date Publication date Assignee Title
CN114396739A (en) * 2022-01-20 2022-04-26 上海交通大学 A solar-assisted absorption and compression coupled cooling and heating dual supply system
CN115164407A (en) * 2022-06-22 2022-10-11 江苏科技大学 Heat pump and solar energy coupling type hot water system and operation method thereof
CN116007092A (en) * 2023-03-07 2023-04-25 河南科技大学 Hierarchical compression refrigeration/heating system and method for temperature and humidity independent air conditioning

Citations (19)

* Cited by examiner, † Cited by third party
Publication number Priority date Publication date Assignee Title
US4454727A (en) * 1981-06-30 1984-06-19 Soohei Suzuki Dehumidification air-conditioning method with solar heat
US4551987A (en) * 1983-12-28 1985-11-12 Sol-Chem, Inc. Solar assisted heat pump heating and cooling system
CN102589060A (en) * 2012-03-12 2012-07-18 上海理工大学 Experimental apparatus for cooling and heating humidity-adjustable air conditioning systems
CN202947234U (en) * 2012-11-28 2013-05-22 河南科技大学东海硅产业节能技术研究院 Absorption type cooling and solid rotating wheel dehumidification air conditioning system based on solar heat recovery
CN103868171A (en) * 2014-03-19 2014-06-18 南京迪泽尔空调设备有限公司 Direct-expansion solution-dehumidification central ventilation system of heat pump
CN104534591A (en) * 2014-12-22 2015-04-22 丛旭日 Heat pump type double-cold-source liquid dehumidifier unit
CN104534590A (en) * 2014-12-22 2015-04-22 宁波工程学院 Open type refrigerating and dehumidifying air conditioning system
CN105841272A (en) * 2016-04-07 2016-08-10 西安交通大学 Temperature and humidity independent control type air-conditioning system driven by solar energy
CN106091187A (en) * 2016-06-08 2016-11-09 东南大学 The low-temperature heat source absorption coupling air-conditioning device of a kind of dehumidification solution condensation heat regeneration and regulation and control method
CN106839225A (en) * 2017-03-29 2017-06-13 天津商业大学 The solution dehumidification unit that air type solar energy drives with double thermals source that heat pump is combined
CN106871279A (en) * 2017-03-02 2017-06-20 青岛海尔空调器有限总公司 Air-conditioner
US20170241654A1 (en) * 2013-10-25 2017-08-24 Ail Research Inc. Methods for enhancing the dehumidification of heat pumps
JP2017150778A (en) * 2016-02-26 2017-08-31 新晃工業株式会社 Dehumidifying/reheating air-conditioning system utilizing ground thermal energy
CN107270580A (en) * 2017-06-20 2017-10-20 上海交通大学 A kind of cold-hot combined supply system of accumulating type composite solar thermal-arrest and heat pump
CN107860084A (en) * 2017-11-23 2018-03-30 桂林电子科技大学 A kind of independent temperature-humidity control system of low temperature exhaust heat driving
CN110056936A (en) * 2019-04-24 2019-07-26 东北大学 A kind of low ebb electric heat storage cascade type heat pump heating system and mode
CN110454897A (en) * 2019-08-07 2019-11-15 西安工程大学 An evaporative cooling-solar absorption refrigeration and air conditioning system
US20200116372A1 (en) * 2016-06-08 2020-04-16 Semco Llc Air conditioning with recovery wheel, dehumidification wheel, and cooling coil
CN212028011U (en) * 2020-03-20 2020-11-27 深圳市奥宇节能技术股份有限公司 Air inlet cooling and dehumidifying energy-saving system device utilizing waste heat of air compressor for refrigeration

Patent Citations (19)

* Cited by examiner, † Cited by third party
Publication number Priority date Publication date Assignee Title
US4454727A (en) * 1981-06-30 1984-06-19 Soohei Suzuki Dehumidification air-conditioning method with solar heat
US4551987A (en) * 1983-12-28 1985-11-12 Sol-Chem, Inc. Solar assisted heat pump heating and cooling system
CN102589060A (en) * 2012-03-12 2012-07-18 上海理工大学 Experimental apparatus for cooling and heating humidity-adjustable air conditioning systems
CN202947234U (en) * 2012-11-28 2013-05-22 河南科技大学东海硅产业节能技术研究院 Absorption type cooling and solid rotating wheel dehumidification air conditioning system based on solar heat recovery
US20170241654A1 (en) * 2013-10-25 2017-08-24 Ail Research Inc. Methods for enhancing the dehumidification of heat pumps
CN103868171A (en) * 2014-03-19 2014-06-18 南京迪泽尔空调设备有限公司 Direct-expansion solution-dehumidification central ventilation system of heat pump
CN104534591A (en) * 2014-12-22 2015-04-22 丛旭日 Heat pump type double-cold-source liquid dehumidifier unit
CN104534590A (en) * 2014-12-22 2015-04-22 宁波工程学院 Open type refrigerating and dehumidifying air conditioning system
JP2017150778A (en) * 2016-02-26 2017-08-31 新晃工業株式会社 Dehumidifying/reheating air-conditioning system utilizing ground thermal energy
CN105841272A (en) * 2016-04-07 2016-08-10 西安交通大学 Temperature and humidity independent control type air-conditioning system driven by solar energy
CN106091187A (en) * 2016-06-08 2016-11-09 东南大学 The low-temperature heat source absorption coupling air-conditioning device of a kind of dehumidification solution condensation heat regeneration and regulation and control method
US20200116372A1 (en) * 2016-06-08 2020-04-16 Semco Llc Air conditioning with recovery wheel, dehumidification wheel, and cooling coil
CN106871279A (en) * 2017-03-02 2017-06-20 青岛海尔空调器有限总公司 Air-conditioner
CN106839225A (en) * 2017-03-29 2017-06-13 天津商业大学 The solution dehumidification unit that air type solar energy drives with double thermals source that heat pump is combined
CN107270580A (en) * 2017-06-20 2017-10-20 上海交通大学 A kind of cold-hot combined supply system of accumulating type composite solar thermal-arrest and heat pump
CN107860084A (en) * 2017-11-23 2018-03-30 桂林电子科技大学 A kind of independent temperature-humidity control system of low temperature exhaust heat driving
CN110056936A (en) * 2019-04-24 2019-07-26 东北大学 A kind of low ebb electric heat storage cascade type heat pump heating system and mode
CN110454897A (en) * 2019-08-07 2019-11-15 西安工程大学 An evaporative cooling-solar absorption refrigeration and air conditioning system
CN212028011U (en) * 2020-03-20 2020-11-27 深圳市奥宇节能技术股份有限公司 Air inlet cooling and dehumidifying energy-saving system device utilizing waste heat of air compressor for refrigeration

Non-Patent Citations (4)

* Cited by examiner, † Cited by third party
Title
Y.J.DAI: "Use of liquid desiccant cooling to improve the performance of vapor compression air conditioning", 《APPLIED THERMAL ENGINEERING》 *
张凡等: "一种冷凝热分级利用复合型溶液除湿空调系统性能分析", 《南京师范大学学报》 *
赵耀等: "基于除湿换热器技术的回热型除湿系统实验研究", 《工程热物理学报》 *
黄涛等: "基于除湿换热器的热泵新风除湿系统实验研究", 《制冷技术》 *

Cited By (5)

* Cited by examiner, † Cited by third party
Publication number Priority date Publication date Assignee Title
CN114396739A (en) * 2022-01-20 2022-04-26 上海交通大学 A solar-assisted absorption and compression coupled cooling and heating dual supply system
CN115164407A (en) * 2022-06-22 2022-10-11 江苏科技大学 Heat pump and solar energy coupling type hot water system and operation method thereof
CN115164407B (en) * 2022-06-22 2023-10-03 江苏科技大学 A heat pump and solar coupled hot water system and its operation method
CN116007092A (en) * 2023-03-07 2023-04-25 河南科技大学 Hierarchical compression refrigeration/heating system and method for temperature and humidity independent air conditioning
CN116007092B (en) * 2023-03-07 2024-06-11 河南科技大学 Graded compression refrigeration/heating system and method for temperature and humidity independent air conditioner

Also Published As

Publication number Publication date
CN113007825B (en) 2022-03-25

Similar Documents

Publication Publication Date Title
JP6886214B1 (en) Various energy complementary heat pump drying equipment suitable for low temperature conditions
CN105841272B (en) A solar powered air conditioning system with independent temperature and humidity control
CN101701737B (en) Heat-pump-driven solution dehumidifying air-conditioning device
CN100510558C (en) Single runner two stage dehumidify air-conditioner driven by solar
CN101240925B (en) Solar energy absorption type liquid dehumidifying air-conditioning system
CN207438791U (en) The air-conditioning system that a kind of rotary wheel dehumidifying is combined with earth source heat pump
CN105571017A (en) Fresh air processing unit
CN113007825B (en) Solar-assisted steam compression heat pump dehumidification air-conditioning system
CN110454897B (en) An evaporative cooling-solar absorption refrigeration and air conditioning system
CN102213471A (en) Method for heat humidity independent treatment of air by segmental utilization of condensation heat
CN110056936B (en) A kind of low valley electric heat storage cascade heat pump heating method
CN102022794A (en) Radiation suspended ceiling cooling system capable of independently processing heat and humidity
CN210070102U (en) Ground pipe laying water source dehumidification humidification fresh air unit
CN202452608U (en) Solution humidity control all-air unit with full heat recovery device
CN201944968U (en) Radiant ceiling cooling system with hot and wet independent processing
CN201016499Y (en) Solar energy stepping utilization type air-conditioning system
CN107388616A (en) The absorption refrigeration dehumidifying integrated air conditioning system of low grade heat energy driving
CN113028524B (en) Multi-split type solid dehumidification multifunctional air conditioning system and application method thereof
CN106765787A (en) A refrigeration dehumidification air conditioning system
CN110030765A (en) A kind of dry heating cooling supply composite system
CN207179881U (en) Low energy consumption solution dehumidifying air-conditioning system
CN102466283A (en) Solar energy regeneration solution air conditioning system
CN111578390B (en) Air-cooled PVT air conditioner external unit and operation method
CN210123212U (en) A dry heating and cooling composite system
CN106940055A (en) A kind of alliance THIC air-conditioning systems of family formula five and its operation method

Legal Events

Date Code Title Description
PB01 Publication
PB01 Publication
SE01 Entry into force of request for substantive examination
SE01 Entry into force of request for substantive examination
GR01 Patent grant
GR01 Patent grant