CN108945552B - 降阻剂自动添加装置 - Google Patents
降阻剂自动添加装置 Download PDFInfo
- Publication number
- CN108945552B CN108945552B CN201810517784.3A CN201810517784A CN108945552B CN 108945552 B CN108945552 B CN 108945552B CN 201810517784 A CN201810517784 A CN 201810517784A CN 108945552 B CN108945552 B CN 108945552B
- Authority
- CN
- China
- Prior art keywords
- soil
- unit
- resistance value
- spline
- reducing agent
- Prior art date
- Legal status (The legal status is an assumption and is not a legal conclusion. Google has not performed a legal analysis and makes no representation as to the accuracy of the status listed.)
- Active
Links
- 239000003638 chemical reducing agent Substances 0.000 title claims abstract description 37
- 239000002689 soil Substances 0.000 claims abstract description 61
- 238000001514 detection method Methods 0.000 claims abstract description 42
- XLYOFNOQVPJJNP-UHFFFAOYSA-N water Substances O XLYOFNOQVPJJNP-UHFFFAOYSA-N 0.000 claims abstract description 29
- 230000003321 amplification Effects 0.000 claims abstract description 3
- 238000003199 nucleic acid amplification method Methods 0.000 claims abstract description 3
- 230000003020 moisturizing effect Effects 0.000 claims description 15
- 238000007569 slipcasting Methods 0.000 claims description 10
- 238000005553 drilling Methods 0.000 claims description 6
- 239000007787 solid Substances 0.000 claims 2
- 239000002699 waste material Substances 0.000 abstract description 5
- 239000000463 material Substances 0.000 abstract description 4
- 238000001035 drying Methods 0.000 abstract description 3
- 238000010586 diagram Methods 0.000 description 5
- 150000002500 ions Chemical class 0.000 description 4
- 238000009736 wetting Methods 0.000 description 4
- 238000000034 method Methods 0.000 description 2
- NRTLIYOWLVMQBO-UHFFFAOYSA-N 5-chloro-1,3-dimethyl-N-(1,1,3-trimethyl-1,3-dihydro-2-benzofuran-4-yl)pyrazole-4-carboxamide Chemical compound C=12C(C)OC(C)(C)C2=CC=CC=1NC(=O)C=1C(C)=NN(C)C=1Cl NRTLIYOWLVMQBO-UHFFFAOYSA-N 0.000 description 1
- 230000009286 beneficial effect Effects 0.000 description 1
- 230000000903 blocking effect Effects 0.000 description 1
- 239000004020 conductor Substances 0.000 description 1
- 230000007547 defect Effects 0.000 description 1
- 238000009792 diffusion process Methods 0.000 description 1
- 230000000694 effects Effects 0.000 description 1
- 230000005611 electricity Effects 0.000 description 1
- 238000007689 inspection Methods 0.000 description 1
- 230000013011 mating Effects 0.000 description 1
- 238000012986 modification Methods 0.000 description 1
- 230000004048 modification Effects 0.000 description 1
- 230000000284 resting effect Effects 0.000 description 1
Images
Classifications
-
- B—PERFORMING OPERATIONS; TRANSPORTING
- B65—CONVEYING; PACKING; STORING; HANDLING THIN OR FILAMENTARY MATERIAL
- B65B—MACHINES, APPARATUS OR DEVICES FOR, OR METHODS OF, PACKAGING ARTICLES OR MATERIALS; UNPACKING
- B65B3/00—Packaging plastic material, semiliquids, liquids or mixed solids and liquids, in individual containers or receptacles, e.g. bags, sacks, boxes, cartons, cans, or jars
- B65B3/26—Methods or devices for controlling the quantity of the material fed or filled
-
- G—PHYSICS
- G01—MEASURING; TESTING
- G01N—INVESTIGATING OR ANALYSING MATERIALS BY DETERMINING THEIR CHEMICAL OR PHYSICAL PROPERTIES
- G01N27/00—Investigating or analysing materials by the use of electric, electrochemical, or magnetic means
- G01N27/02—Investigating or analysing materials by the use of electric, electrochemical, or magnetic means by investigating impedance
- G01N27/04—Investigating or analysing materials by the use of electric, electrochemical, or magnetic means by investigating impedance by investigating resistance
- G01N27/045—Circuits
Landscapes
- Chemical & Material Sciences (AREA)
- Health & Medical Sciences (AREA)
- Analytical Chemistry (AREA)
- Chemical Kinetics & Catalysis (AREA)
- Electrochemistry (AREA)
- Physics & Mathematics (AREA)
- Engineering & Computer Science (AREA)
- Life Sciences & Earth Sciences (AREA)
- Mechanical Engineering (AREA)
- Biochemistry (AREA)
- General Health & Medical Sciences (AREA)
- General Physics & Mathematics (AREA)
- Immunology (AREA)
- Pathology (AREA)
- Investigating Or Analyzing Materials By The Use Of Electric Means (AREA)
Abstract
本发明公开了一种降阻剂自动添加装置,涉及接地极检测领域,其技术方案要点是包括设置在接地极上的放置盘、注浆管、储料罐以及注浆阀,注浆管的底端与接地极卡接,接地极上设置有阻值检测模块,所述阻值检测模块包括:阻值检测单元,第一放大单元,报警单元。本发明当土壤的阻值增加时,第一比较单元输出高电平信号,带动报警单元工作,为避免是因为突然干燥的原因导致土壤阻值增加,需要向土壤中加水,如果向土壤中加水之后报警单元继续工作则证明土壤中的降阻剂过少,需要向土壤中将降阻剂,此时打开注浆阀,向接地极中添加降阻剂,直到报警单元停止工作,只有当土壤中的降阻剂过少时才向土壤中添加降阻剂,避免了降阻剂的浪费。
Description
技术领域
本发明涉及接地极检测领域,更具体的说,它涉及一种降阻剂自动添加装置。
背景技术
接地极作为与大地土壤密切接触并提供与大地之间电气连接的导体,安全散流雷能量使其泄入大地。而降阻剂作为辅助性材料,用于降低接地极周围土壤的阻值。通常将降阻剂添加到接地极的内部,通过接地极上设置的孔使降阻剂慢慢的在土壤中扩散,通过降阻剂电离出的离子降低周围土壤的阻值。随着离子的扩散,接地极中的降阻剂会逐渐减少,当接地极中的降阻剂用完后,周围的土壤因缺少离子而阻值增加。
由于影响土壤中的可电离的离子数量不仅受降阻剂的影响还收土壤潮湿度的影响,接地极埋在土壤层中,所以当土壤的阻值增加时,不能判断出土壤阻值增加的原因是否是由降阻剂影响。因土壤干燥原因造成的土壤阻值增加,此时向接地极中增加降阻剂并不能改善土壤的阻值,造成降阻剂的浪费。
发明内容
针对现有技术存在的不足,本发明的目的在于提供一种能够减少降阻剂浪费的降阻剂自动添加装置。
为实现上述目的,本发明提供了如下技术方案:一种降阻剂自动添加装置,包括设置在接地极上的放置盘、设置在放置盘上的注浆管、设置在注浆管上方的储料罐以及固定在注浆管顶端并位于储料罐底端的注浆阀,注浆管的底端与接地极卡接接地极上设置有阻值检测模块,所述阻值检测模块包括:阻值检测单元,阻值检测单元包括固定在接地极上的阻值检测器,阻值检测器实时检测土壤的阻值情况,并输出电流信号;第一比较单元,第一比较单元与阻值检测单元耦接,将阻值检测单元输出的电流信号与预设的基准值比较,所述电流信号大于预设的基准值时输出高电平信号;第一放大单元,第一放大单元与第一比较单元耦接,并且将第一比较单元输出的高电平信号放大后输出;报警单元,报警单元接收第一放大单元输出的电信号并输出报警信号。
通过采用上述技术方案,当土壤的阻值增加时,第一比较单元输出高电平信号,带动报警单元工作,为了避免是因为突然干燥的原因导致土壤阻值增加,需要向土壤中加水,如果向土壤中加水之后报警单元继续工作则证明土壤中的降阻剂过少,需要向土壤中将降阻剂,此时打开注浆阀,向接地极中添加降阻剂,直到报警单元停止工作,只有当土壤中的降阻剂过少时才向土壤中添加降阻剂,避免了降阻剂的浪费。
本发明进一步设置为:所述注浆管的一侧设置有保湿装置,注浆管上还转动连接有固定块;所述保湿装置包括与固定块固定连接的连接块、设置在连接块上的电机、由电机带动转动的并且与连接块转动连接的花键套、与花键套配合的花键轴、固定在花键轴底端的旋转头以及插接在花键套和花键轴内部的输水管;电机的输出轴上固定有主齿轮,花键套的顶端设置有与主齿轮配合的壁齿,花键套的内部开设有花键槽,花键轴为中空且外部设置有与花键槽配合的花键,花键轴的底端开设有若干出水孔;保湿装置上还设置有控制保湿装置工作的驱动电路,驱动电路包括:正转控制模块,正转控制模块控制电机正转,带动旋转头和花键轴钻入土壤内部;驱动模块,驱动模块驱动电机转动,带动花键轴和旋转头转动;反正控制模块,反控制模块控制电机反转,带动旋转头和花键轴离开土壤内部;湿度检测模块,实时检测土壤中的湿度情况,当土壤中的湿度合格时,控制反转控制模块工作,控制电机的反转。
通过采用上述技术方案,报警单元工作后,正转控制模块工作,带动花键轴进入土壤的内部,之后湿度检测模块工作,如果土壤的湿度过低则花键轴不退回,此时向输水管内通水,当土壤的湿度到达要求后,电机反转带动花键轴退回,方便自动检测土壤的阻值并向土壤中通水。
本发明进一步设置为:报警单元包括串联在电路中的蜂鸣器HD。
通过采用上述技术方案,报警单元工作,蜂鸣器工作,方便告知土壤阻值增加。
本发明进一步设置为:所述放置盘上开设有若干通水孔,通水孔以放置盘的圆心为圆心圆周阵列分布。
通过采用上述技术方案,圆周阵列的通水孔能够使接地极的周围均匀湿润,提高湿润的效果。
本发明进一步设置为:所述放置盘上开设有半径小于通水孔到放置盘圆心距离的环形槽,环形槽内设置有卡位环,卡位环上开设有与通水孔数量相同的开口槽;固定块的底端固定有固定套以及与注浆管转动连接的L形卡位杆,卡位杆的底端与卡位环抵接,注浆管上还套接有弹簧,弹簧设置在卡位杆与固定套之间。
通过采用上述技术方案,开口槽的数量与通水孔的数量相同,卡位杆每次转动到开口槽的位置,湿润装置运动到通水孔的上方,方便转动湿润装置,使湿润装置每次都能够对齐通水孔。
本发明进一步设置为:所述放置盘上开设有若干通孔,通孔内设置有固定装置,所述固定装置包括与通孔固定连接的固定环以及与固定环滑动连接的滑动杆。
通过采用上述技术方案,通过插入土壤中的滑动杆,方便对放置盘进行固定。
本发明进一步设置为:所述滑动杆的底端固定有钻地头。
通过采用上述技术方案,钻地头进一步方便滑动杆插入土壤中。
本发明进一步设置为:所述通孔的底端固定有固定套,所述固定套上滑动连接有固定件,所述固定件的内侧设置有斜面,所述滑动杆上设置有与滑动杆配合的倒锥。
通过采用上述技术方案,向下按动滑动杆,使固定件伸出固定套的外侧,增加与土壤接触的面积,进一步提高放置盘固定的稳定性。
本发明进一步设置为:旋转头上设置有钻地螺纹。
通过采用上述技术方案,钻地螺纹更加方便旋转的旋转头进入土壤。
综上所述,本发明具有以下有益效果:本发明先检测的土壤的湿度,放置因为土壤干燥而导致土壤阻值上升的情况,减少降阻剂的浪费。
附图说明
图1为实施例的整体轴测图;
图2为放置盘的轴测图;
图3为转动装置的轴测图;
图4为固定装置的轴测图;
图5为固定装置的剖视图;
图6为图5的A部放大图;
图7为保湿装置的轴测图;
图8为体现花键槽与花键轴配合的示意图;
图9为阻值检测模块的电路图;
图10为正转控制模块的电路图;
图11为驱动模块的电路图;
图12为反转控制模块的电路图;
图13为湿度检测模块的电路图。
图中:1、接地极;2、放置盘;21、通孔;22、通水孔;23、环形槽;24、卡位环;241、开口槽;3、固定装置;31、固定环;32、滑动杆;321、倒锥;33、固定件;331、斜面;332、凸起;34、固定套;341、凹槽;35、钻地头;4、转动装置;41、注浆管;42、卡位杆;421、弹簧;43、固定块;431、固定套;44、储料罐;45、注浆阀;46、行程开关;5、保湿装置;51、连接块;52、电机;521、主齿轮;53、壁齿;54、花键套;541、花键槽;55、花键轴;551、花键;552、出水孔;56、旋转头;561、钻地螺纹;57、输水管;6、阻值检测模块;61、阻值检测单元;62、第一比较单元;63、第一放大单元;64、报警单元;7、正转控制模块;71、正转控制单元;72、正转停止单元;8、驱动模块;81、正转驱动单元;82、反转驱动单元;83、反转控制单元;9、反转控制模块;10、湿度检测模块;101、湿度检测单元;102、第二检测单元;103、第二放大单元;104、输出单元。
具体实施方式
下面结合附图对本发明作进一步详细说明。
实施例:一种降阻剂自动添加装置,参见图1,包括设置在接地极1上方的放置盘2、固定在放置盘2上的固定装置3、转动连接在放置盘2圆心处的转动装置4以及设置在转动装置4一侧的保湿装置5。
参见图2,放置盘2的上开设有若干通孔21,通孔21以放置盘2的圆心为圆心圆周阵列设置,固定装置3通过通孔21与放置盘2固定连接。放置盘2上还开设有以放置盘2的圆心为圆心圆周阵列的通水孔22。放置盘2上开设有环形槽23,环形槽23的半径小于通水孔22到放置盘2圆心的距离。环形槽23上固定有卡位环24,卡位环24上圆周阵列有与通水孔22数量相同的开口槽241。
参见图3,转动装置4包括转动连接在放置盘2圆心处的注浆管41、与注浆管41转动连接的L形卡位杆42、转动连接在注浆管41外围的固定块43、固定在注浆管41顶端的储料罐44以及设置在储料罐44和注浆管41之间的注浆阀45。注浆管41的底端与接地极1卡接。卡位杆42的底端与卡位环(24)抵接。固定块43的底端固定有套接在注浆管41上的固定套431。注浆管41上还套接有弹簧421,弹簧421设置在固定套431和卡位杆42之间。通水孔22的侧边设置有行程开关46。
参见图4和图5,固定装置3包括固定在通孔21上的固定环31、与固定环31滑动连接的滑动杆32、固定在滑动杆32上的固定件33、固定在放置盘2(见图1)底端的固定套34以及固定在固定套34外围的钻地头35。
参见图6,滑动杆32与固定件33的连接处设置有倒锥321,固定件33与滑动杆32的连接面为与倒锥321配合的斜面331。固定套34的内侧开设有凹槽341,固定件33上固定有在凹槽341内滑动的凸起332。
参见图7和图8,保湿装置5包括与固定块43(见图3)固定连接的连接块51、设置在连接块51上的电机52、由电机52带动转动的花键套54、与花键套54滑动连接的花键轴55、固定在花键轴55底端的旋转头56以及穿插在花键轴55内部的输水管57。
电机52的输出轴上固定有主齿轮521、花键套54的外部设置有与主齿轮521配合的壁齿53。花键套54的内部开设有花键槽541,花键轴55的外部固定有与花键槽541配合的花键551,花键轴55的内部为中空,且花键轴55的底端开设有若干出水孔552。旋转头56上设置有钻地螺纹561。
保湿装置5上设置有控制保湿装置5运动的驱动电路,驱动电路包括正转控制模块7、驱动模块8、反转控制模块9以及湿度检测模块10。
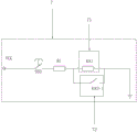
接地极1上设置有阻值检测模块6。参见图9,阻值检测模块6包括与电源VCC耦接的阻值检测单元61,阻值检测单元61包括设置在接地极1上的阻值检测器,阻值检测器实时检测土壤的阻值信息并输出电流值信号,当土壤阻值较高时,输出的电流值信号较大;与阻值检测单元耦接61耦接第一比较单元62,第一比较单元62包括第一比较器T1,第一比较器T1的正向输入端接收阻值检测单元输出的电流值信号,负向输入端输入第一预设值Vref1,正向输入端的信号大于负向输入端的信号时,输出高电平信号;第一放大单元63,第一比较器T1的输出端与第一放大器T2的正向输入端耦接,在第一放大器T2的负向输入端与输出端之间耦接有电阻R6,在第一放大器T2的负向输入端还耦接有电阻R7,并且经由电阻R6后接地设置;报警单元64,报警单元64包括与放大器T2的输出端耦接的蜂鸣器HA,与蜂鸣器HA串联的电阻R8,电阻R8与电阻R7耦接后接地设置。
参见图10,正转控制模块7包括与电源VCC耦接的第一行程开关SB1、与第一行程开关SB1串联的电阻R、与电阻R1耦接的正转控制单元71,以及与正转控制单元71并联的正转停止单元72,正转控制单元71与正转停止单元耦接后接地设置。正转控制单元71包括串联在电路中的第一电磁线圈KA1,正转停止单元72包括常开触点KA3-1。
参见图11,常开触点KA1-1与电源VCC耦接,驱动模块8与常开触点KA1-1耦接。驱动模块8包括正转驱动单元81,正转驱动单元81包括与常开触点KA1-1耦接的电机M(等同于图7中的电机52),耦接在电机M两端的常闭触点KA2-1;反转驱动单元82,反转驱动单元82包括在电机M与任意一个串联设置的常闭触点KA2-1所在的电路的两端并联常开触点KA2-1;以及反转控制单元83,反转控制单元83包括与常开触点KA1-1并联的常开触点KA5-1。
参见图12,反转控制模块9包括与电源VCC串联的第二行程开关SB2,与第二行程开关SB2串联的电阻R2、与电阻R2串联的第三电磁线圈KA3以及与第三电磁线圈KA3串联的第四电磁线圈KA4,电磁线圈KA4接地。
参见图13,常开触点KA4-1与电源VCC耦接,湿度检测模块10与常开触点KA4-1耦接。温度检测模块10包括与常开触点KA4-1耦接的湿度检测单元101,湿度检测单元101包括设置在旋转头56上的湿度检测器,湿度检测器实时检测土壤的湿度信息并输出电流值信号;与湿度检测单元耦接101耦接第二比较单元102,第一比较单元102包括第二比较器T3,第二比较器T3的正向输入端接收湿度检测单元输出的电流值信号,负向输入端输入第二预设值Vref2,正向输入端的信号大于负向输入端的信号时,输出高电平信号;第二放大单元103,第二比较器T3的输出端与第二放大器T4的正向输入端耦接,在第二放大器T4的负向输入端与输出端之间耦接有电阻R3,在第一放大器T2的负向输入端还耦接有电阻R4,并且经由电阻R6后接地设置;输出单元104,输出单元104包括与放大器T2的输出端耦接的第二电磁线圈KA2,与第二电磁线圈KA2耦接的第五电磁线圈KA5,与第五电磁线圈KA5串联的电阻R5,电阻R5与电阻R4耦接后接地设置。
工作原理:当接地极1周围的土壤阻值过高时,阻值检测模块6的报警单元64工作,带动蜂鸣器HA响动。蜂鸣器HA响动后拨动行程开关SB1,行程开关SB1闭合后第一电磁线圈KA1得电,带动常开触点KA1-1闭合。常开触点KA1-1闭合后,带动保湿装置5的电机52转动,电机52带动花键套54和花键轴55转动,转动的花键轴55带动旋转头56向下运动。起始状态下花键轴55位于花键套54的内部,随着花键轴55向下运动,当花键55与第二行程开关SB2(等同于图3中的行程开关46)接触后,带动第二行程开关SB2闭合。
第二行程开关SB2闭合带动反转控制模块9的第三电磁线圈KA3和第四电磁线圈KA4的电。第三电磁线圈KA3得电带动第三常开触点KA3-1闭合,此时电磁线圈KA1短路,第一常开触点KA1-1失电断开,电机M停止转动。
第四电磁线圈KA4得电带动第四常开触点KA4-1闭合,KA4-1闭合湿度检测模块10得电。旋转头56上的湿度检测器输出电流信号,与第二预设值Vref2比较,当湿度较高时输出湿度检测器传出的电信号大于第二预设值Vref2,第二比较器T3输出信号。信号经过第二放大器T4放大后,传给第二电磁线圈KA2和第五电磁线圈KA5。
第二电磁线圈KA2得电,带动第二常开触点KA2-1闭合,第二常闭触点KA2-1断开,电机M反向接入电路中。第五电磁线圈KA5得电,带动常开触点KA5-1闭合,驱动模块8重新得电,并带动电机M反转,带动旋转头56上升。
在检测过程中,如果旋转头56进入土壤中,如果土壤湿度较低,则花键轴552不会上升,此时需要向输水管57内通水,直到花键轴552上升。之后重复之前的过程,直到围绕放置盘2转动一整个圆周后。如果此时蜂鸣器HA继续响动,则土壤阻值增加的原因为土壤中降阻剂的量过少,而不是土壤干燥。此时需要打开注浆阀45,直到蜂鸣器HA停止响动。
以上所述仅是本发明的优选实施方式,本发明的保护范围并不仅局限于上述实施例,凡属于本发明思路下的技术方案均属于本发明的保护范围。应当指出,对于本技术领域的普通技术人员来说,在不脱离本发明原理前提下的若干改进和润饰,这些改进和润饰也应视为本发明的保护范围。
Claims (8)
1.一种降阻剂自动添加装置,其特征在于:包括设置在接地极(1)上的放置盘(2)、设置在放置盘(2)上的注浆管(41)、设置在注浆管(41)上方的储料罐(44)以及固定在注浆管(41)顶端并位于储料罐(44)底端的注浆阀(45),注浆管(41)的底端与接地极(1)卡接;
接地极(1)上设置有阻值检测模块(6),所述阻值检测模块(6)包括:
阻值检测单元(61),阻值检测单元(61)包括固定在接地极(1)上的阻值检测器,阻值检测器实时检测土壤的阻值情况,并输出电流信号;
第一比较单元(62),第一比较单元(62)与阻值检测单元(61)耦接,将阻值检测单元(61)输出的电流信号与预设的基准值比较,所述电流信号大于预设的基准值时输出高电平信号;
第一放大单元(63),第一放大单元(63)与第一比较单元(62)耦接,并且将第一比较单元(62)输出的高电平信号放大后输出;
报警单元(64),报警单元(64)接收第一放大单元(63)输出的电信号并发出报警信号;
所述注浆管(41)的一侧设置有保湿装置(5),注浆管(41)上还转动连接有固定块(43);
所述保湿装置(5)包括与固定块(43)固定连接的连接块(51)、设置在连接块(51)上的电机(52)、由电机(52)带动转动的并且与连接块(51)转动连接的花键套(54)、与花键套(54)配合的花键轴(55)、固定在花键轴(55)底端的旋转头(56)以及插接在花键套(54)和花键轴(55)内部的输水管(57);
电机(52)的输出轴上固定有主齿轮(521),花键套(54)的顶端设置有与主齿轮(521)配合的壁齿(53),花键套(54)的内部开设有花键槽(541),花键轴(55)为中空且外部设置有与花键槽(541)配合的花键(551),花键轴(55)的底端开设有若干出水孔(552);
保湿装置(5)上还设置有控制保湿装置(5)工作的驱动电路,驱动电路包括:
正转控制模块(7),正转控制模块(7)控制电机(52)正转,带动旋转头(56)和花键轴(55)钻入土壤内部;
驱动模块(8),驱动模块(8)驱动电机(52)转动,带动花键轴(55)和旋转头(56)转动;
反转控制模块(9),反转控制模块(9)控制电机(52)反转,带动旋转头(56)和花键轴(55)离开土壤内部;
湿度检测模块(10),实时检测土壤中的湿度情况,当土壤中的湿度合格时,控制反转控制模块(9)工作,控制电机(52)的反转。
2.根据权利要求1所述的降阻剂自动添加装置,其特征在于:报警单元(64)包括串联在电路中的蜂鸣器HD。
3.根据权利要求1所述的降阻剂自动添加装置,其特征在于:所述注浆管(41)位于放置盘(2)的圆心处,所述放置盘(2)上开设有若干通水孔(22),通水孔(22)以放置盘(2)的圆心为圆心圆周阵列分布。
4.根据权利要求2所述的降阻剂自动添加装置,其特征在于:所述放置盘(2)上开设有半径小于通水孔(22)到放置盘(2)圆心距离的环形槽(23),环形槽(23)内设置有卡位环(24),卡位环(24)上开设有与通水孔(22)数量相同的开口槽(241);固定块(43)的底端固定有固定套(431)以及与注浆管(41)转动连接的L形卡位杆(42),卡位杆(42)的底端与卡位环(24)抵接,注浆管(41)上还套接有弹簧(421),弹簧(421)设置在卡位杆(42)与固定套(431)之间。
5.根据权利要求1所述的降阻剂自动添加装置,其特征在于:所述放置盘(2)上开设有若干通孔(21),通孔(21)内设置有固定装置(3),所述固定装置(3)包括与通孔(21)固定连接的固定环(31)以及与固定环(31)滑动连接的滑动杆(32)。
6.根据权利要求5所述的降阻剂自动添加装置,其特征在于:所述滑动杆(32)的底端固定有钻地头(35)。
7.根据权利要求5所述的降阻剂自动添加装置,其特征在于:所述通孔(21)的底端固定有固定套(34),所述固定套(34)上滑动连接有固定件(33),所述固定件(33)的内侧设置有斜面(331),所述滑动杆(32)上设置有与滑动杆(32)配合的倒锥(321)。
8.根据权利要求1所述的降阻剂自动添加装置,其特征在于:旋转头(56)上设置有钻地螺纹(561)。
Priority Applications (1)
| Application Number | Priority Date | Filing Date | Title |
|---|---|---|---|
| CN201810517784.3A CN108945552B (zh) | 2018-05-25 | 2018-05-25 | 降阻剂自动添加装置 |
Applications Claiming Priority (1)
| Application Number | Priority Date | Filing Date | Title |
|---|---|---|---|
| CN201810517784.3A CN108945552B (zh) | 2018-05-25 | 2018-05-25 | 降阻剂自动添加装置 |
Publications (2)
| Publication Number | Publication Date |
|---|---|
| CN108945552A CN108945552A (zh) | 2018-12-07 |
| CN108945552B true CN108945552B (zh) | 2020-09-01 |
Family
ID=64492106
Family Applications (1)
| Application Number | Title | Priority Date | Filing Date |
|---|---|---|---|
| CN201810517784.3A Active CN108945552B (zh) | 2018-05-25 | 2018-05-25 | 降阻剂自动添加装置 |
Country Status (1)
| Country | Link |
|---|---|
| CN (1) | CN108945552B (zh) |
Family Cites Families (6)
| Publication number | Priority date | Publication date | Assignee | Title |
|---|---|---|---|---|
| JPH025372A (ja) * | 1989-04-07 | 1990-01-10 | Watanabe Tsuguhiko | アース線の施工方法 |
| CN101728661A (zh) * | 2008-10-21 | 2010-06-09 | 吕良 | 可监测低阻值模块接地装置 |
| CN202917791U (zh) * | 2012-10-30 | 2013-05-01 | 山东电力集团公司烟台供电公司 | 一种接地网的降阻装置 |
| CN105375124A (zh) * | 2015-11-05 | 2016-03-02 | 南宁市春江电控技术研究所 | 一种电力工程用的电力接地柱 |
| CN205666341U (zh) * | 2016-01-18 | 2016-10-26 | 国家电网公司 | 一种新型接地线装置 |
| CN206893816U (zh) * | 2017-05-05 | 2018-01-16 | 国网安徽省电力公司宿州供电公司 | 电力接地桩 |
-
2018
- 2018-05-25 CN CN201810517784.3A patent/CN108945552B/zh active Active
Also Published As
| Publication number | Publication date |
|---|---|
| CN108945552A (zh) | 2018-12-07 |
Similar Documents
| Publication | Publication Date | Title |
|---|---|---|
| US4256133A (en) | Watering valve device | |
| CN110687267A (zh) | 一种采样模块及其户外水质监测装置 | |
| CN205583774U (zh) | 一种具有电池加热功能的充电电路 | |
| CN115856347B (zh) | 一种水文站缆道式流速自动测量方法 | |
| CN210023120U (zh) | 一种水利管道用通堵装置 | |
| EP3117074B1 (en) | Activation mechanism for a downhole tool and a method thereof | |
| CN108945552B (zh) | 降阻剂自动添加装置 | |
| CN110780053A (zh) | 一种清洗机构及其户外水质监测装置 | |
| HRP20191214T1 (hr) | Rotacijski uređaj za tlak koji ima mogućnost električne kontrole i metoda kontrole za isti | |
| US3120073A (en) | Fish lure | |
| CN210869592U (zh) | 一种驱鸟装置 | |
| CN103928812A (zh) | 一种电动汽车充电插头的专用清洗机 | |
| CN206830099U (zh) | 一种电驱动螺旋间歇式井下牵引器 | |
| CN118639960B (zh) | 一种道路施工钻孔装置 | |
| CN109209926A (zh) | 水泵内置水位和流量检测组件及其使用方法 | |
| CN203796157U (zh) | 一种电动卷帘门遇阻保护装置 | |
| CN210897952U (zh) | 一种接地棒旋转器 | |
| CN208588563U (zh) | 一种外墙节能检测用钻芯机 | |
| CN207454316U (zh) | 一种自监视高滤深井泵 | |
| CN203984759U (zh) | 一种自动开闭的除静电组件 | |
| CN110013975A (zh) | 一种水质监测传感器外附式清洗装置 | |
| CN103928994B (zh) | 一种发电机磁盘 | |
| CN204425226U (zh) | 一种马达驱动保护电路及具有该电路的电器产品 | |
| CN205244550U (zh) | 智能燃气仪表的给气控制阀门 | |
| CN107762893A (zh) | 一种自监视高滤深井泵 |
Legal Events
| Date | Code | Title | Description |
|---|---|---|---|
| PB01 | Publication | ||
| PB01 | Publication | ||
| SE01 | Entry into force of request for substantive examination | ||
| SE01 | Entry into force of request for substantive examination | ||
| GR01 | Patent grant | ||
| GR01 | Patent grant |