CN102371893A - 车辆用电驱动变速装置 - Google Patents
车辆用电驱动变速装置 Download PDFInfo
- Publication number
- CN102371893A CN102371893A CN2010102534058A CN201010253405A CN102371893A CN 102371893 A CN102371893 A CN 102371893A CN 2010102534058 A CN2010102534058 A CN 2010102534058A CN 201010253405 A CN201010253405 A CN 201010253405A CN 102371893 A CN102371893 A CN 102371893A
- Authority
- CN
- China
- Prior art keywords
- transmission system
- electricity consumption
- synchro
- gear
- speed
- Prior art date
- Legal status (The legal status is an assumption and is not a legal conclusion. Google has not performed a legal analysis and makes no representation as to the accuracy of the status listed.)
- Pending
Links
- 230000008859 change Effects 0.000 title abstract description 20
- 230000005540 biological transmission Effects 0.000 claims abstract description 187
- 230000007246 mechanism Effects 0.000 claims abstract description 80
- 230000005611 electricity Effects 0.000 claims description 118
- 229920000136 polysorbate Polymers 0.000 claims description 36
- 230000009467 reduction Effects 0.000 claims description 33
- 230000000979 retarding effect Effects 0.000 abstract 1
- 230000004048 modification Effects 0.000 description 8
- 238000012986 modification Methods 0.000 description 8
- 230000012447 hatching Effects 0.000 description 6
- 239000000446 fuel Substances 0.000 description 2
- 244000144983 clutch Species 0.000 description 1
- 238000002485 combustion reaction Methods 0.000 description 1
- 239000002283 diesel fuel Substances 0.000 description 1
- 238000004519 manufacturing process Methods 0.000 description 1
- 238000000034 method Methods 0.000 description 1
- 230000007935 neutral effect Effects 0.000 description 1
Images
Landscapes
- Structure Of Transmissions (AREA)
Abstract
本发明提供了一种车辆用电驱动变速装置,其包括电机和传动机构,传动机构包括输入轴、变速机构、中间轴、减速机构和输出轴,电机包括定子和转子,转子与输入轴连接,输入轴通过变速机构连接至中间轴,中间轴通过减速机构连接至输出轴,其中,变速机构包括平行轴齿轮组和同步器并且通过同步器实现换档。通过这种车辆用电驱动变速装置,节省了离合器,通过同步器即可方便地换档,容易实现两档传动以及更多档传动;通过对电机进行适当的控制又可方便地实现倒档,省去了一般车辆中为实现传动换向而设置的惰轮,有效地节省了成本,简化了结构。
Description
【技术领域】
本发明涉及一种电驱动变速装置;更具体地说,本发明涉及一种车辆用电驱动变速装置。
【背景技术】
变速装置广泛地用于汽车等机器速度与牵引力传递的设备中。通常的变速装置包括齿轮传动、带传动、链传动等各种方式,其通常具有传动的主动轴与从动轴,或者传动的输入轴与输出轴。在车领域中,变速装置通常是能够分档地改变输出轴与输入轴传动比的齿轮传动装置,又称作变速器或变速箱。齿轮传动通常为多轴的普通齿轮传动,也有的使用行星齿轮传动。普通齿轮传动变速机构一般设置有滑移齿套和离合器等以进行传递路线的改变。
变速装置是车辆(例如汽车)传动系中最主要的部分之一。车辆(例如汽车)的变速装置是通过改变传动比改变动力输出装置(例如内燃机或电机)的转矩以适应在起步、加速、行驶以及克服各种道路阻碍等不同行驶条件下对驱动车轮牵引力及车速不同要求的需要,以及实现倒车行驶、中断动力传递、实现空档等。随着电动汽车的出现,各种电驱动变速装置在电动汽车中的应用也越来越多。
电动汽车是针对内燃机驱动车辆提出来的概念。之所以称其为“电动”,是因为它的动力源是蓄电池而不是汽油、柴油、天然气等燃料产品。从外形上看,电动汽车与日常见到的汽车并没有什么区别,区别主要在于其电驱动变速装置。
由于现有技术中的电驱动变速机构往往由于结构复杂、配置不够紧凑,往往不适于在许多场合中使用并且增加了成本。例如,限制了其在一些需要紧凑布局的电动汽车中的使用。如图1中所示,公开号为CN101204924A的中国专利申请公开了一种电驱动变速装置,其包括电动机3、电动机主轴11、超越离合器4、低速齿轮组5、高速齿轮组6、动力输出轴7、低速输入轴9、高速输入轴10和普通离合器12。在这种电驱动变速装置中,电动机3的动力通过电动机主轴11输出,电动机主轴11的一端依次通过超越离合器4、低速输入轴9和低速齿轮组5连接到动力输出轴7,另一端依次通过普通离合器12、高速输入轴10和高速齿轮组6连接到动力输出轴7。可以看出,该电驱动装置虽然实现了电动车的两档驱动,但是结构较复杂,使用了至少两个离合器(超越离合器4和普通离合器12),增加了成本。
【发明内容】
为了解决上述问题,本发明的目的是提供一种简单、高效、紧凑、成本效率高的车辆用电驱动变速装置。
根据本发明提供了一种车辆用电驱动变速装置。这种车辆用电驱动变速装置包括电机和传动机构,所述传动机构包括输入轴、变速机构、中间轴、减速机构和输出轴,所述电机包括定子和转子,所述转子与所述输入轴连接,所述输入轴通过所述变速机构连接至所述中间轴,所述中间轴通过所述减速机构连接至所述输出轴,其中,所述变速机构包括平行轴齿轮组和同步器并且通过同步器实现换档。通过这种设置的车辆用电驱动变速装置,节省了离合器,通过同步器即可方便地换档,容易实现两档传动以及更多档传动;通过对电机进行适当的控制又可方便地实现倒档,省去了一般车辆中为实现传动换向而设置的惰轮,有效地节省了成本,简化了结构。
可选地,在上述的车辆用电驱动变速装置中,所述输入轴和所述输出轴同轴布置,并且所述输入轴为空心轴,所述输出轴套在所述输入轴内。通过这种设置的车辆用电驱动变速箱,进一步地节省了变速装置所占据的空间,使得结构更加紧凑,能够满足小型以及紧凑型车等的空间要求。
可选地,在上述的车辆用电驱动变速装置中,所述减速机构包括差速器,所述输出轴为所述差速器的半轴之一。通过这种设置的车辆用电驱动变速装置,通过差速器即可实现两个半轴的差速输出,以实现在车辆的不同运行状态下对转速、动力输出的不同需求。例如,当该差速器为中央差速器时,即可以通过半轴实现向前传动和向后传动的不同转速;该差速器的半轴也可以用以直接实现两个前轮或后轮的差速转动。
可选地,在上述的车辆用电驱动变速装置中,在驻车时通过锁止所述差速器的壳体来实现驻车制动。通过这种设置的车辆用电驱动变速装置,通过锁止所述差速器的壳体即可以在车辆处于驻车状态或慢速行驶时实现对差速器传动齿轮的制动,以使车辆进入进入驻车制动状态。
可选地,在上述的车辆用电驱动变速装置中,所述变速机构包括两组平行轴齿轮组以及一个设置在所述两组平行轴齿轮组之间的同步器。通过这种设置的车辆用电驱动变速箱,能够以最少的齿轮组、最少的同步器方便地实现车辆用电驱动变速箱的两档变速。
可选地,在上述的车辆用电驱动变速装置中,所述同步器安装在所述输入轴上。
可选地,在上述的车辆用电驱动变速装置中,所述同步器安装在所述中间轴上。
可选地,在上述的车辆用电驱动变速装置中,所述同步器的换档通过换档驱动电机驱动、液压驱动或手动驱动实现。
可选地,在上述的车辆用电驱动变速装置中,在所述同步器的换档通过换档驱动电机驱动实现的情况下,所述换档驱动电机为伺服电机。通过这种设置的车辆用电驱动变速装置,通过伺服电机实现同步器的驱动,使得换档方式更加方便、顺畅。
可选地,在上述的车辆用电驱动变速装置中,在所述同步器的换档通过手动驱动实现的情况下,其实现机构为手动拉索。通过这种设置的车辆用电驱动变速装置,由于手动接索结构简单、传动效率好、操作方便,使得车辆换档方便、顺畅。
可选地,在上述的车辆用电驱动变速装置中,所述电机与所述传动机构一起集成在车辆变速箱内。通过这种设置的车辆用电驱动变速装置,使得电驱动变速装置整体性好、结构更加紧凑、更加安全可靠。
可选地,在上述的车辆用电驱动变速装置中,所述传动机构集成在车辆变速箱内,而所述电机设置在车辆变速箱外。通过这种设置的车辆用电驱动变速装置,可以直接使用外来的电机设备,而不必对电机进行重新设计、制造,从而简化了设计、制造工艺和成本。
【附图说明】
参照附图,本发明的公开内容将更加显然。应当了解,这些附图仅仅用于说明的目的,而并非意在对本发明的保护范围构成限制。图中:
图1示出了根据现有技术的电驱动变速装置的示意图;
图2示出了根据本发明的车辆用电驱动变速装置的第一实施方式的示意图;
图3示出了根据本发明的车辆用电驱动变速装置的第二实施方式的示意图;
图4示出了根据本发明的车辆用电驱动变速装置的第三实施方式的示意图;
图5示出了根据本发明的车辆用电驱动变速装置的第四实施方式的示意图;
图6示出了根据本发明的车辆用电驱动变速装置的第五实施方式的示意图;以及
图7示出了根据本发明的车辆用电驱动变速装置的第六实施方式的示意图。
部件及标号列表
| 3 | 电动机 |
| 4 | 超越离合器 |
| 5 | 低速齿轮组 |
| 6 | 高速齿轮组 |
| 7 | 动力输出轴 |
| 9 | 低速输入轴 |
| 10 | 高速输入轴 |
| 11 | 电动机主轴 |
| 12 | 普通离合器 |
| 100、200、300、400、500、600 | 车辆用电驱动变速装置 |
| 110、210、310、410、510、610 | 电机 |
| 111、211、311、411、511、611 | 转子 |
| 120、220、320、420、520、620 | 传动机构 |
| 121、221、321、421、521、621 | 输入轴 |
| 122、222、322、422、522、622 | 中间轴 |
| 524、624 | 半轴 |
| 525、625 | 差速器 |
| 123、223、323、423、523、6230 | 输出轴 |
| 130、230、330、430、530、630 | 变速机构 |
| 131、231、331、431、531、631 | 齿轮组 |
| 132、232、332、432、532、632 | 同步器 |
| 133、233、333、433、533、633 | 齿轮组 |
| 140、240、340、440、540、640 | 减速机构 |
【具体实施方式】
下面参照附图详细地说明本发明的具体实施方式。附图中相似的附图标记用于标记相似的技术特征。如下的说明仅是说明性、示例性的,虽然其中根据本发明的具体实施方式进行了说明,但是应当了解,在一些变型实施方式也将落入在本发明的保护范围内。
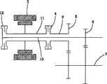
第一实施方式
图2示出了根据本发明的车辆用电驱动变速装置的第一实施方式的示意图。在图2中,根据本第一实施方式的车辆用电驱动变速装置总体上用附图标记100表示。从图中可以看出,根据本第一实施方式的车辆用电驱动变速装置100包括电机110和传动机构120。电机110为用具有剖面线的部分表示,在其外围为电机110的定子,其内周为电机110的转子111。传动机构120示出在曲线框内(此曲线本身并不属于本发明装置的一部分),其包括输入轴121、变速机构130、中间轴122、减速机构140和输出轴123,电机110包括定子和转子,电机110的转子111与输入轴121连接(例如为一体设置或螺栓等装置进行连接),输入轴121通过变速机构130连接至中间轴122,中间轴122通过减速机构140连接至输出轴123。变速机构130和减速机构140分别示出在虚线框内。在本第一实施方式的车辆用电驱动变速装置100中,变速机构130包括平行轴齿轮组131、133和同步器132并且通过同步器132(例如通过啮合不同的齿轮组131、133)实现换档。
在本第一实施方式的示例中,该车辆用电驱动变速装置100的齿轮组变速机构(变速机构130)可以包括两组平行轴齿轮组131、133以及一个设置在所述两组平行轴齿轮组之间的同步器132,这样,通过同步器132与不同的齿轮组啮合可以实现换档;该车辆用电驱动变速装置100的同步器132可以为常压式同步器、惯性式同步器或自行增力式同步器,毫无疑问,所属领域的技术人员在本发明的教示下可以想到其它形式的同步器或换档机构。由于同步器、齿轮组、传动轴的配对、装配方式为本领域的技术人员所熟知,所以在此不再赘述;该车辆用电驱动变速装置100的同步器132可以安装在所述输入轴121上;该车辆用电驱动变速装置100的同步器132的换档可以通过换档驱动电机驱动、液压驱动或手动驱动实现;在该车辆用电驱动变速装置100的同步器132的换档通过换档驱动电机驱动实现的情况下,所述换档驱动电机可以为伺服电机、直流电机、步进电机等各类电机(未图示);在该车辆用电驱动变速装置100的同步器132的换档通过手动驱动实现的情况下,其实现机构可以为手动拉索(未图示);该车辆用电驱动变速装置100的中间轴122和输出轴123之间的减速机构140则可以是齿轮传动、带传动或链传动;该车辆用电驱动变速装置100的电机110与传动机构120可以一起集成在车辆变速箱内,或者传动机构120集成在车辆变速箱内而电机110设置在车辆变速箱外。
应当了解的是,在上面所述本第一实施方式的示例中,所限定的技术特征均为示例性、说明性的,可以对其进行等同或类似的变型。例如,虽然其中以包括两组平行轴齿轮组131、133以及一个设置在所述两组平行轴齿轮组之间的同步器132的齿轮组变速机构为例,但是,该齿轮组变速机构(变速机构130)中的齿轮组数也可以是多于两组的,同步器的个数也可以是多于一个和/或不设置在两个齿轮之间而是分别设置在齿轮组的不同侧。
第二实施方式
图3示出了根据本发明的车辆用电驱动变速装置的第二实施方式的示意图。在图3中,根据本第二实施方式的车辆用电驱动变速装置总体上用附图标记200表示。从图中可以看出,根据本第二实施方式的车辆用电驱动变速装置200包括电机210和传动机构220。电机210为用具有剖面线的部分表示,在其外围为电机210的定子,其内周为电机210的转子211。传动机构220示出在曲线框内(此曲线本身并不属于本发明装置的一部分),其包括输入轴221、变速机构230、中间轴222、减速机构240和输出轴223,电机210包括定子和转子,电机210的转子211与输入轴221连接(例如为一体设置或螺栓等装置进行连接),输入轴221通过变速机构230连接至中间轴222,中间轴222通过减速机构240连接至输出轴223。变速机构230和减速机构240分别示出在虚线框内。在本第二实施方式的车辆用电驱动变速装置200中,变速机构230包括平行轴齿轮组231、233和同步器232并且通过同步器232(例如通过啮合不同的齿轮组231、233)实现换档。
在本第二实施方式的示例中,该车辆用电驱动变速装置200的齿轮组变速机构(变速机构230)可以包括两组平行轴齿轮组231、233以及一个设置在所述两组平行轴齿轮组之间的同步器232,这样,通过同步器232与不同的齿轮组啮合可以实现换档;该车辆用电驱动变速装置200的同步器232可以为常压式同步器、惯性式同步器或自行增力式同步器,毫无疑问,所属领域的技术人员在本发明的教示下可以想到其它形式的同步器或换档机构。由于同步器、齿轮组、传动轴的配对、装配方式为本领域的技术人员所熟知,所以在此不再赘述;该车辆用电驱动变速装置200的同步器232可以安装在所述中间轴222上;该车辆用电驱动变速装置200的同步器232的换档可以通过换档驱动电机驱动、液压驱动或手动驱动实现;在该车辆用电驱动变速装置200的同步器232的换档通过换档驱动电机驱动实现的情况下,所述换档驱动电机可以为伺服电机、直流电机、步进电机等各类电机(未图示);在该车辆用电驱动变速装置200的同步器232的换档通过手动驱动实现的情况下,其实现机构可以为手动拉索(未图示);该车辆用电驱动变速装置200的中间轴222和输出轴223之间的减速机构240则可以是齿轮传动、带传动或链传动;该车辆用电驱动变速装置200的电机210与传动机构220可以一起集成在车辆变速箱内,或者传动机构220集成在车辆变速箱内而电机210设置在车辆变速箱外。
应当了解的是,在上面所述本第二实施方式的示例中,所限定的技术特征均为示例性、说明性的,可以对其进行等同或类似的变型。例如,虽然其中以包括两组齿轮231、233及一个设置在所述两组齿轮之间的同步器232的齿轮组变速机构为例,但是,该齿轮组变速机构(变速机构130)中的齿轮组数也可以是多于两组的,同步器的个数也可以是多于一个和/或不设置在两个齿轮之间而是分别设置在齿轮组的不同侧。
第三实施方式
图4示出了根据本发明的车辆用电驱动变速装置的第三实施方式的示意图。在图4中,根据本第三实施方式的车辆用电驱动变速装置总体上用附图标记300表示。从图中可以看出,根据本第三实施方式的车辆用电驱动变速装置300包括电机310和传动机构320。电机310为用具有剖面线的部分表示,在其外围为电机310的定子,其内周为电机310的转子311。传动机构320示出在曲线框内(此曲线本身并不属于本发明装置的一部分),其包括输入轴321、变速机构330、中间轴322、减速机构340和输出轴323,输入轴321和输出轴323同轴布置,并且输入轴321为空心轴,输出轴323套在输入轴321内。电机310包括定子和转子,电机310的转子311与输入轴321连接(例如为一体设置或螺栓等装置进行连接),输入轴321通过变速机构330连接至中间轴322,中间轴322通过减速机构340连接至输出轴323。变速机构330和减速机构340分别示出在虚线框内。在本第三实施方式的车辆用电驱动变速装置300中,变速机构330包括平行轴齿轮组331、333和同步器332并且通过同步器332(例如通过啮合不同的齿轮组331、333)实现换档。
在本第三实施方式的示例中,该车辆用电驱动变速装置300的齿轮组变速机构(变速机构330)可以包括两组平行轴齿轮组331、333以及一个设置在所述两组平行轴齿轮组之间的同步器332,这样,通过同步器332与不同的齿轮组啮合可以实现换档;该车辆用电驱动变速装置300的同步器332可以为常压式同步器、惯性式同步器或自行增力式同步器,毫无疑问,所属领域的技术人员在本发明的教示下可以想到其它形式的同步器或换档机构。由于同步器、齿轮组、传动轴的配对、装配方式为本领域的技术人员所熟知,所以在此不再赘述;该车辆用电驱动变速装置300的同步器332可以安装在所述输入轴321上;该车辆用电驱动变速装置300的同步器332的换档可以通过换档驱动电机驱动、液压驱动或手动驱动实现;在该车辆用电驱动变速装置300的同步器332的换档通过换档驱动电机驱动实现的情况下,所述换档驱动电机可以为伺服电机、直流电机、步进电机等各类电机(未图示);在该车辆用电驱动变速装置300的同步器332的换档通过手动驱动实现的情况下,其实现机构可以为手动拉索(未图示);该车辆用电驱动变速装置300的中间轴322和输出轴323之间的减速机构340则可以是齿轮传动、带传动或链传动;该车辆用电驱动变速装置300的电机310与传动机构320可以一起集成在车辆变速箱内,或者传动机构320集成在车辆变速箱内而电机310设置在车辆变速箱外。
应当了解的是,在上面所述本第三实施方式的示例中,所限定的技术特征均为示例性、说明性的,可以对其进行等同或类似的变型。例如,虽然其中以包括两组平行轴齿轮组331、333以及一个设置在所述两组平行轴齿轮组之间的同步器332的齿轮组变速机构为例,但是,该齿轮组变速机构(变速机构330)中的齿轮组数也可以是多于两组的,同步器的个数也可以是多于一个和/或不设置在两个齿轮之间而是分别设置在齿轮组的不同侧。
第四实施方式
图5示出了根据本发明的车辆用电驱动变速装置的第四实施方式的示意图。在图5中,根据本第四实施方式的车辆用电驱动变速装置总体上用附图标记400表示。从图中可以看出,根据本第四实施方式的车辆用电驱动变速装置400包括电机410和传动机构420。电机410为用具有剖面线的部分表示,在其外围为电机410的定子,其内周为电机410的转子411。传动机构420示出在曲线框内(此曲线本身并不属于本发明装置的一部分),其包括输入轴421、变速机构430、中间轴422、减速机构440和输出轴423,输入轴421和输出轴423同轴布置,并且输入轴421为空心轴,输出轴423套在输入轴421内。电机110包括定子和转子,电机410的转子411与输入轴421连接(例如为一体设置或螺栓等装置进行连接),输入轴421通过变速机构430连接至中间轴422,中间轴422通过减速机构440连接至输出轴423。变速机构430和减速机构440分别示出在虚线框内。在本第四实施方式的车辆用电驱动变速装置400中,变速机构430包括平行轴齿轮组431、433和同步器432并且通过同步器432(例如通过啮合不同的齿轮组431、433)实现换档。
在本第四实施方式的示例中,该车辆用电驱动变速装置400的齿轮组变速机构(变速机构430)可以包括两组平行轴齿轮组431、433以及一个设置在所述两组平行轴齿轮组之间的同步器432,这样,通过同步器432与不同的齿轮组啮合可以实现换档;该车辆用电驱动变速装置400的同步器432可以为常压式同步器、惯性式同步器或自行增力式同步器,毫无疑问,所属领域的技术人员在本发明的教示下可以想到其它形式的同步器或换档机构。由于同步器、齿轮组、传动轴的配对、装配方式为本领域的技术人员所熟知,所以在此不再赘述;该车辆用电驱动变速装置400的同步器432可以安装在所述中间轴422上;该车辆用电驱动变速装置400的同步器432的换档可以通过换档驱动电机驱动、液压驱动或手动驱动实现;在该车辆用电驱动变速装置400的同步器432的换档通过换档驱动电机驱动实现的情况下,所述换档驱动电机可以为伺服电机、直流电机、步进电机等各类电机(未图示);在该车辆用电驱动变速装置400的同步器432的换档通过手动驱动实现的情况下,其实现机构可以为手动拉索(未图示);该车辆用电驱动变速装置400的中间轴422和输出轴423之间的减速机构440则可以是齿轮传动、带传动或链传动;该车辆用电驱动变速装置400的电机410与传动机构420可以一起集成在车辆变速箱内,或者传动机构420集成在车辆变速箱内而电机410设置在车辆变速箱外。
应当了解的是,在上面所述本第四实施方式的示例中,所限定的技术特征均为示例性、说明性的,可以对其进行等同或类似的变型。例如,虽然其中以包括两组平行轴齿轮组431、433以及一个设置在所述两组平行轴齿轮组之间的同步器432的齿轮组变速机构为例,但是,该齿轮组变速机构(变速机构430)中的齿轮组数也可以是多于两组的,同步器的个数也可以是多于一个和/或不设置在两个齿轮之间而是分别设置在齿轮组的不同侧。
第五实施方式
图6示出了根据本发明的车辆用电驱动变速装置的第五实施方式的示意图。在图6中,根据本第五实施方式的车辆用电驱动变速装置总体上用附图标记500表示。从图中可以看出,根据本第五实施方式的车辆用电驱动变速装置500包括电机510和传动机构520。电机510为用具有剖面线的部分表示,在其外围为电机510的定子,其内周为电机510的转子511。传动机构520示出在曲线框内(此曲线本身并不属于本发明装置的一部分),其包括输入轴521、变速机构530、中间轴522、减速机构540和输出轴523,输入轴521和输出轴523同轴布置,并且输入轴521为空心轴,输出轴523套在输入轴521内。电机510包括定子和转子,电机510的转子511与输入轴521连接(例如为一体设置或螺栓等装置进行连接),输入轴521通过变速机构530连接至中间轴522,中间轴522通过减速机构540连接至输出轴523。变速机构530和减速机构540分别示出在虚线框内。在本第五实施方式的车辆用电驱动变速装置500中,变速机构530包括平行轴齿轮组531、533和同步器532并且通过同步器532(例如通过啮合不同的齿轮组531、533)实现换档。减速机构540包括差速器525,输出轴523为所述差速器的半轴之一(例如其另一半轴可以为图中所示的半轴524)。在优选实施方式中,在驻车时可以通过锁止差速器525的壳体来实现驻车制动,例如,差速器525的壳体上可以设置有止动元件(未图示),用于锁止差速器525的动力传动,这样可以有效地实现车辆停止时的驻车制动(或者在车辆缓速行驶时进行驻车制动)。在另一优选实施方式中,止动元件为棘爪(未图示)。
在本第五实施方式的示例中,该车辆用电驱动变速装置500的齿轮组变速机构(变速机构530)可以包括两组平行轴齿轮组531、533以及一个设置在所述两组平行轴齿轮组之间的同步器532,这样,通过同步器532与不同的齿轮组啮合可以实现换档;该车辆用电驱动变速装置500的同步器532可以为常压式同步器、惯性式同步器或自行增力式同步器,毫无疑问,所属领域的技术人员在本发明的教示下可以想到其它形式的同步器或换档机构。由于同步器、齿轮组、传动轴的配对、装配方式为本领域的技术人员所熟知,所以在此不再赘述;该车辆用电驱动变速装置500的同步器532可以安装在所述输入轴521上;该车辆用电驱动变速装置500的同步器532的换档可以通过换档驱动电机驱动、液压驱动或手动驱动实现;在该车辆用电驱动变速装置500的同步器532的换档通过换档驱动电机驱动实现的情况下,所述换档驱动电机可以为伺服电机、直流电机、步进电机等各类电机(未图示);在该车辆用电驱动变速装置500的同步器532的换档通过手动驱动实现的情况下,其实现机构可以为手动拉索(未图示);该车辆用电驱动变速装置500的中间轴522和输出轴523之间的减速机构540则可以是齿轮传动、带传动或链传动;该车辆用电驱动变速装置500的电机510与传动机构520可以一起集成在车辆变速箱内,或者传动机构520集成在车辆变速箱内而电机510设置在车辆变速箱外。
应当了解的是,在上面所述本第五实施方式的示例中,所限定的技术特征均为示例性、说明性的,可以对其进行等同或类似的变型。例如,虽然其中以包括两组齿轮531、533及一个设置在所述两组齿轮之间的同步器532的齿轮组变速机构为例,但是,该齿轮组变速机构(变速机构530)中的齿轮组数也可以是多于两组的,同步器的个数也可以是多于一个和/或不设置在两个齿轮之间而是分别设置在齿轮组的不同侧。
第六实施方式
图7示出了根据本发明的车辆用电驱动变速装置的第六实施方式的示意图。在图7中,根据本第六实施方式的车辆用电驱动变速装置总体上用附图标记600表示。从图中可以看出,根据本第六实施方式的车辆用电驱动变速装置600包括电机610和传动机构620。电机610为用具有剖面线的部分表示,在其外围为电机610的定子,其内周为电机610的转子611。传动机构620示出在曲线框内(此曲线本身并不属于本发明装置的一部分),其包括输入轴621、变速机构630、中间轴622、减速机构640和输出轴623,输入轴621和输出轴623同轴布置,并且输入轴621为空心轴,输出轴623套在输入轴621内。电机610包括定子和转子,电机610的转子611与输入轴621连接(例如为一体设置或螺栓等装置进行连接),输入轴621通过变速机构630连接至中间轴622,中间轴622通过减速机构640连接至输出轴623。变速机构630和减速机构640分别示出在虚线框内。在本第六实施方式的车辆用电驱动变速装置600中,变速机构630包括平行轴齿轮组631、633和同步器632并且通过同步器632(例如通过啮合不同的齿轮组631、633)实现换档。减速机构640包括差速器625,输出轴623为所述差速器的半轴之一(例如其另一半轴可以为图中所示的半轴624)。在优选实施方式中,在驻车时可以通过锁止差速器625的壳体来实现驻车制动,例如,差速器625的壳体上可以设置有止动元件(未图示),用于锁止差速器625的动力传动,这样可以有效地实现车辆停止时的驻车制动(或者在车辆缓速行驶时进行驻车制动)。在另一优选实施方式中,止动元件为棘爪(未图示)。
在本第六实施方式的示例中,该车辆用电驱动变速装置600的齿轮组变速机构(变速机构630)可以包括两组平行轴齿轮组631、633以及一个设置在所述两组平行轴齿轮组之间的同步器632,这样,通过同步器632与不同的齿轮组啮合可以实现换档;该车辆用电驱动变速装置600的同步器632可以为常压式同步器、惯性式同步器或自行增力式同步器,毫无疑问,所属领域的技术人员在本发明的教示下可以想到其它形式的同步器或换档机构。由于同步器、齿轮组、传动轴的配对、装配方式为本领域的技术人员所熟知,所以在此不再赘述;该车辆用电驱动变速装置600的同步器632可以安装在所述中间轴622上;该车辆用电驱动变速装置600的同步器632的换档可以通过换档驱动电机驱动、液压驱动或手动驱动实现;在该车辆用电驱动变速装置600的同步器632的换档通过换档驱动电机驱动实现的情况下,所述换档驱动电机可以为伺服电机、直流电机、步进电机等各类电机(未图示);在该车辆用电驱动变速装置600的同步器632的换档通过手动驱动实现的情况下,其实现机构可以为手动拉索(未图示);该车辆用电驱动变速装置600的中间轴622和输出轴623之间的减速机构640则可以是齿轮传动、带传动或链传动;该车辆用电驱动变速装置600的电机610与传动机构620可以一起集成在车辆变速箱内,或者传动机构620集成在车辆变速箱内而电机610设置在车辆变速箱外。
应当了解的是,在上面所述本第六实施方式的示例中,所限定的技术特征均为示例性、说明性的,可以对其进行等同或类似的变型。例如,虽然其中以包括两组齿轮631、633及一个设置在所述两组齿轮之间的同步器632的齿轮组变速机构为例,但是,该齿轮组变速机构(变速机构630)中的齿轮组数也可以是多于两组的,同步器的个数也可以是多于一个和/或不设置在两个齿轮之间而是分别设置在齿轮组的不同侧。
如上所述,参照附图对本发明的具体实施方式进行了详细说明。在不背离根据本发明的精神和范围的情况下,所属领域的技术人员可对这些实施方式进行改型和变型,例如,所属领域的技术人员可以将不同实施方式中的不同的技术特征进行重新组合从而构成新的技术方案,但是应当了解,这些新的技术方案无疑也等同于直接记载在了本说明书中而不再赘述,并且它们也落入在由所附的权利要求书所确定的保护范围内。本申请并非意在使用说明书中这些实施方式的具体细节来限制本发明的保护范围。
Claims (12)
1.一种车辆用电驱动变速装置,其特征是,所述车辆用电驱动变速装置包括电机和传动机构,所述传动机构包括输入轴、变速机构、中间轴、减速机构和输出轴,所述电机包括定子和转子,所述转子与所述输入轴连接,所述输入轴通过所述变速机构连接至所述中间轴,所述中间轴通过所述减速机构连接至所述输出轴,其中,所述变速机构包括平行轴齿轮组和同步器并且通过同步器实现换档。
2.如权利要求1所述的车辆用电驱动变速装置,其特征是,所述输入轴和所述输出轴同轴布置,并且所述输入轴为空心轴,所述输出轴套在所述输入轴内。
3.如权利要求1所述的车辆用电驱动变速装置,其特征是,所述减速机构包括差速器,所述输出轴为所述差速器的半轴之一。
4.如权利要求3所述的车辆用电驱动变速装置,其特征是,在驻车时通过锁止所述差速器的壳体来实现驻车制动。
5.如权利要求1至4中任一项所述的车辆用电驱动变速装置,其特征是,所述变速机构包括两组平行轴齿轮组以及一个设置在所述两组平行轴齿轮组之间的同步器。
6.如权利要求1至4中任一项所述的车辆用电驱动变速装置,其特征是,所述同步器安装在所述输入轴上。
7.如权利要求1至4中任一项所述的车辆用电驱动变速装置,其特征是,所述同步器安装在所述中间轴上。
8.如权利要求1至4中任一项所述的车辆用电驱动变速装置,其特征是,所述同步器的换档通过换档驱动电机驱动、液压驱动或手动驱动实现。
9.如权利要求8所述的车辆用电驱动变速装置,其特征是,在所述同步器的换档通过换档驱动电机驱动实现的情况下,所述换档驱动电机为伺服电机。
10.如权利要求8所述的车辆用电驱动变速装置,其特征是,在所述同步器的换档通过手动驱动实现的情况下,其实现机构为手动拉索。
11.如权利要求1至4中任一项所述的车辆用电驱动变速装置,其特征是,所述电机与所述传动机构一起集成在车辆变速箱内。
12.如权利要求1至4中任一项所述的车辆用电驱动变速装置,其特征是,所述传动机构集成在车辆变速箱内,而所述电机设置在车辆变速箱外。
Priority Applications (1)
| Application Number | Priority Date | Filing Date | Title |
|---|---|---|---|
| CN2010102534058A CN102371893A (zh) | 2010-08-13 | 2010-08-13 | 车辆用电驱动变速装置 |
Applications Claiming Priority (1)
| Application Number | Priority Date | Filing Date | Title |
|---|---|---|---|
| CN2010102534058A CN102371893A (zh) | 2010-08-13 | 2010-08-13 | 车辆用电驱动变速装置 |
Publications (1)
| Publication Number | Publication Date |
|---|---|
| CN102371893A true CN102371893A (zh) | 2012-03-14 |
Family
ID=45791337
Family Applications (1)
| Application Number | Title | Priority Date | Filing Date |
|---|---|---|---|
| CN2010102534058A Pending CN102371893A (zh) | 2010-08-13 | 2010-08-13 | 车辆用电驱动变速装置 |
Country Status (1)
| Country | Link |
|---|---|
| CN (1) | CN102371893A (zh) |
Cited By (28)
| Publication number | Priority date | Publication date | Assignee | Title |
|---|---|---|---|---|
| CN103075472A (zh) * | 2013-02-18 | 2013-05-01 | 蔡国法 | 一种电动车变速箱 |
| CN103423409A (zh) * | 2012-05-24 | 2013-12-04 | 姜华 | 纯电动车两挡传动器 |
| CN103591224A (zh) * | 2012-08-13 | 2014-02-19 | 姜华 | 纯电动轿车两挡传动器传动机构 |
| CN104179896A (zh) * | 2013-05-28 | 2014-12-03 | 重庆铜川科技发展有限公司 | 电动车高低档转换减速器 |
| CN104455384A (zh) * | 2014-10-13 | 2015-03-25 | 北京理工大学 | 基于两挡变速的电驱动系统及其协调换挡控制方法 |
| CN105805303A (zh) * | 2016-05-18 | 2016-07-27 | 山东理工大学 | 异步电机与双速电磁直驱变速器集成动力系统 |
| US9421966B2 (en) | 2014-10-20 | 2016-08-23 | Byd Company Limited | Hybrid vehicle and shifting control method and power transmission system thereof |
| CN106015560A (zh) * | 2016-05-18 | 2016-10-12 | 山东理工大学 | 永磁同步电机与双速电磁直驱变速器集成动力系统 |
| US9568082B2 (en) | 2014-01-30 | 2017-02-14 | Byd Company Limited | Power transmission system for vehicle and vehicle comprising the same |
| US9568066B2 (en) | 2014-09-10 | 2017-02-14 | Byd Company Limited | Power transmission system and vehicle comprising the same |
| US9568065B2 (en) | 2014-09-10 | 2017-02-14 | Byd Company Limited | Transmission unit, power transmission system and vehicle comprising the same |
| US9568080B2 (en) | 2014-01-30 | 2017-02-14 | Byd Company Limited | Power transmission system for vehicle and vehicle comprising the same |
| US9568081B2 (en) | 2014-01-30 | 2017-02-14 | Byd Company Limited | Power transmission system for vehicle and vehicle comprising the same |
| US9566978B2 (en) | 2014-01-30 | 2017-02-14 | Byd Company Limited | Vehicle and drive control method for the same |
| WO2017185901A1 (zh) * | 2016-04-28 | 2017-11-02 | 舍弗勒技术股份两合公司 | 变速驱动桥及其双速驱动模块 |
| US9874266B2 (en) | 2014-09-10 | 2018-01-23 | Byd Company Limited | Power transmission system and vehicle comprising the same |
| US9919699B2 (en) | 2014-01-30 | 2018-03-20 | Byd Company Limited | Vehicle and method for controlling synchronizer of the same |
| US9944165B2 (en) | 2014-01-30 | 2018-04-17 | Byd Company Limited | Power transmission system for vehicle and vehicle comprising the same |
| CN108679172A (zh) * | 2018-07-18 | 2018-10-19 | 樊朝晖 | 一种同轴直线变速机构 |
| CN108953537A (zh) * | 2018-08-03 | 2018-12-07 | 东南大学 | 一种模块化级联式变速器 |
| CN109552037A (zh) * | 2017-09-26 | 2019-04-02 | 舍弗勒技术股份两合公司 | 电动车桥系统及机动车 |
| WO2019141145A1 (zh) * | 2018-01-19 | 2019-07-25 | 精进电动科技股份有限公司 | 一种纵置单动力源车辆驱动总成 |
| US10363806B2 (en) | 2014-01-30 | 2019-07-30 | Byd Company Limited | Power transmission system for vehicle and vehicle comprising the same |
| CN111022590A (zh) * | 2020-01-03 | 2020-04-17 | 万向集团公司 | 用于电动汽车的变速器 |
| CN111043258A (zh) * | 2019-12-25 | 2020-04-21 | 广东博智林机器人有限公司 | 一种变速箱自动变速切换结构及抹平机 |
| US10670123B2 (en) | 2014-01-30 | 2020-06-02 | Byd Company Limited | Power transmission system for vehicle and vehicle comprising the same |
| CN112377602A (zh) * | 2020-11-16 | 2021-02-19 | 重庆大学 | 回流式液压机械无级传动系统控制方法 |
| CN113910889A (zh) * | 2021-10-09 | 2022-01-11 | 义乌吉利自动变速器有限公司 | 变速器、混合动力驱动装置及车辆 |
Citations (5)
| Publication number | Priority date | Publication date | Assignee | Title |
|---|---|---|---|---|
| CN101204924A (zh) * | 2006-12-19 | 2008-06-25 | 比亚迪股份有限公司 | 电动车驱动系统 |
| CN101292101A (zh) * | 2005-10-19 | 2008-10-22 | 腓特烈斯港齿轮工厂股份公司 | 自动变速器和用于这种变速器的换档控制的方法 |
| CN101342867A (zh) * | 2008-08-26 | 2009-01-14 | 同济大学 | 一种混合动力汽车用电助力传动装置 |
| CN101380892A (zh) * | 2008-10-14 | 2009-03-11 | 山东时风(集团)有限责任公司 | 电动车驱动系统 |
| CN201769685U (zh) * | 2010-08-13 | 2011-03-23 | 上海捷能汽车技术有限公司 | 车辆用电驱动变速装置 |
-
2010
- 2010-08-13 CN CN2010102534058A patent/CN102371893A/zh active Pending
Patent Citations (5)
| Publication number | Priority date | Publication date | Assignee | Title |
|---|---|---|---|---|
| CN101292101A (zh) * | 2005-10-19 | 2008-10-22 | 腓特烈斯港齿轮工厂股份公司 | 自动变速器和用于这种变速器的换档控制的方法 |
| CN101204924A (zh) * | 2006-12-19 | 2008-06-25 | 比亚迪股份有限公司 | 电动车驱动系统 |
| CN101342867A (zh) * | 2008-08-26 | 2009-01-14 | 同济大学 | 一种混合动力汽车用电助力传动装置 |
| CN101380892A (zh) * | 2008-10-14 | 2009-03-11 | 山东时风(集团)有限责任公司 | 电动车驱动系统 |
| CN201769685U (zh) * | 2010-08-13 | 2011-03-23 | 上海捷能汽车技术有限公司 | 车辆用电驱动变速装置 |
Cited By (33)
| Publication number | Priority date | Publication date | Assignee | Title |
|---|---|---|---|---|
| CN103423409A (zh) * | 2012-05-24 | 2013-12-04 | 姜华 | 纯电动车两挡传动器 |
| CN103591224A (zh) * | 2012-08-13 | 2014-02-19 | 姜华 | 纯电动轿车两挡传动器传动机构 |
| CN103075472B (zh) * | 2013-02-18 | 2017-02-08 | 蔡国法 | 一种电动车变速箱 |
| CN103075472A (zh) * | 2013-02-18 | 2013-05-01 | 蔡国法 | 一种电动车变速箱 |
| CN104179896A (zh) * | 2013-05-28 | 2014-12-03 | 重庆铜川科技发展有限公司 | 电动车高低档转换减速器 |
| US10363806B2 (en) | 2014-01-30 | 2019-07-30 | Byd Company Limited | Power transmission system for vehicle and vehicle comprising the same |
| US9919699B2 (en) | 2014-01-30 | 2018-03-20 | Byd Company Limited | Vehicle and method for controlling synchronizer of the same |
| US10670123B2 (en) | 2014-01-30 | 2020-06-02 | Byd Company Limited | Power transmission system for vehicle and vehicle comprising the same |
| US9944165B2 (en) | 2014-01-30 | 2018-04-17 | Byd Company Limited | Power transmission system for vehicle and vehicle comprising the same |
| US9568082B2 (en) | 2014-01-30 | 2017-02-14 | Byd Company Limited | Power transmission system for vehicle and vehicle comprising the same |
| US9566978B2 (en) | 2014-01-30 | 2017-02-14 | Byd Company Limited | Vehicle and drive control method for the same |
| US9568081B2 (en) | 2014-01-30 | 2017-02-14 | Byd Company Limited | Power transmission system for vehicle and vehicle comprising the same |
| US9568080B2 (en) | 2014-01-30 | 2017-02-14 | Byd Company Limited | Power transmission system for vehicle and vehicle comprising the same |
| US9568066B2 (en) | 2014-09-10 | 2017-02-14 | Byd Company Limited | Power transmission system and vehicle comprising the same |
| US9568065B2 (en) | 2014-09-10 | 2017-02-14 | Byd Company Limited | Transmission unit, power transmission system and vehicle comprising the same |
| US9874266B2 (en) | 2014-09-10 | 2018-01-23 | Byd Company Limited | Power transmission system and vehicle comprising the same |
| CN104455384A (zh) * | 2014-10-13 | 2015-03-25 | 北京理工大学 | 基于两挡变速的电驱动系统及其协调换挡控制方法 |
| US9421966B2 (en) | 2014-10-20 | 2016-08-23 | Byd Company Limited | Hybrid vehicle and shifting control method and power transmission system thereof |
| US10808814B2 (en) | 2016-04-28 | 2020-10-20 | Schaeffler Technologies AG & Co. KG | Transaxle and two-speed drive module thereof |
| CN107323255A (zh) * | 2016-04-28 | 2017-11-07 | 舍弗勒技术股份两合公司 | 变速驱动桥及其双速驱动模块 |
| WO2017185901A1 (zh) * | 2016-04-28 | 2017-11-02 | 舍弗勒技术股份两合公司 | 变速驱动桥及其双速驱动模块 |
| CN106015560A (zh) * | 2016-05-18 | 2016-10-12 | 山东理工大学 | 永磁同步电机与双速电磁直驱变速器集成动力系统 |
| CN105805303A (zh) * | 2016-05-18 | 2016-07-27 | 山东理工大学 | 异步电机与双速电磁直驱变速器集成动力系统 |
| CN109552037A (zh) * | 2017-09-26 | 2019-04-02 | 舍弗勒技术股份两合公司 | 电动车桥系统及机动车 |
| WO2019141145A1 (zh) * | 2018-01-19 | 2019-07-25 | 精进电动科技股份有限公司 | 一种纵置单动力源车辆驱动总成 |
| US11440400B2 (en) | 2018-01-19 | 2022-09-13 | Jing-Jin Electric Technologies Co., Ltd. | Longitudinally provided vehicle driving assembly having single power source |
| CN108679172A (zh) * | 2018-07-18 | 2018-10-19 | 樊朝晖 | 一种同轴直线变速机构 |
| CN108953537A (zh) * | 2018-08-03 | 2018-12-07 | 东南大学 | 一种模块化级联式变速器 |
| CN111043258A (zh) * | 2019-12-25 | 2020-04-21 | 广东博智林机器人有限公司 | 一种变速箱自动变速切换结构及抹平机 |
| CN111022590A (zh) * | 2020-01-03 | 2020-04-17 | 万向集团公司 | 用于电动汽车的变速器 |
| CN112377602A (zh) * | 2020-11-16 | 2021-02-19 | 重庆大学 | 回流式液压机械无级传动系统控制方法 |
| CN113910889A (zh) * | 2021-10-09 | 2022-01-11 | 义乌吉利自动变速器有限公司 | 变速器、混合动力驱动装置及车辆 |
| CN113910889B (zh) * | 2021-10-09 | 2023-08-22 | 义乌吉利自动变速器有限公司 | 变速器、混合动力驱动装置及车辆 |
Similar Documents
| Publication | Publication Date | Title |
|---|---|---|
| CN102371893A (zh) | 车辆用电驱动变速装置 | |
| CN201769685U (zh) | 车辆用电驱动变速装置 | |
| CN102107604B (zh) | 汽车混合动力驱动系统及其档位操作方法 | |
| CN102069703B (zh) | 机电混合动力汽车自动变速器传动系统 | |
| CN100464090C (zh) | 电力可变混合动力的变速器及传动系 | |
| CN102555766B (zh) | 一种混合动力变速器总成 | |
| CN204340646U (zh) | 一种混合动力传动装置 | |
| CN104653724B (zh) | 用于车辆的混合动力系 | |
| CN101780768A (zh) | 用于电动车辆的二速自动变速器 | |
| CN204586484U (zh) | 动力传动系统以及具有其的车辆 | |
| CN114829174A (zh) | 用于电动传动系的齿轮箱 | |
| CN110509759A (zh) | 用于混合动力汽车的动力驱动系统和包括该系统的车辆 | |
| CN110758083A (zh) | 一种新能源车辆动力系统及其控制方法 | |
| CN109318704B (zh) | 一种电驱动传动装置 | |
| KR101408465B1 (ko) | 전기 차량용 이단 변속기 | |
| KR101008486B1 (ko) | 전기 자동차용 동력 전달 장치 | |
| CN110758082B (zh) | 一种新能源车辆动力耦合装置及其控制方法 | |
| CN103241114B (zh) | 混合动力装置及包括该混合动力装置的汽车 | |
| CN102673366B (zh) | 一体化混合动力驱动装置 | |
| CN101793315B (zh) | 机械和液压组合式动力传动机构 | |
| CN113954615A (zh) | 双电机电驱动桥结构 | |
| CN220785437U (zh) | 一种双行星排混动系统 | |
| CN113459790A (zh) | 横置混合动力变速器及汽车 | |
| CN202827142U (zh) | 电动汽车用双转子电机及电子无级变速器 | |
| CN217583045U (zh) | 一种用于新能源汽车的两挡减速器 |
Legal Events
| Date | Code | Title | Description |
|---|---|---|---|
| C06 | Publication | ||
| PB01 | Publication | ||
| C10 | Entry into substantive examination | ||
| SE01 | Entry into force of request for substantive examination | ||
| C12 | Rejection of a patent application after its publication | ||
| RJ01 | Rejection of invention patent application after publication |
Application publication date: 20120314 |