CN102363045B - Composite disinfecting and sterilizing device and method - Google Patents
Composite disinfecting and sterilizing device and method Download PDFInfo
- Publication number
- CN102363045B CN102363045B CN 201110318295 CN201110318295A CN102363045B CN 102363045 B CN102363045 B CN 102363045B CN 201110318295 CN201110318295 CN 201110318295 CN 201110318295 A CN201110318295 A CN 201110318295A CN 102363045 B CN102363045 B CN 102363045B
- Authority
- CN
- China
- Prior art keywords
- cabin
- electromagnetic valve
- sterilization
- ozone
- hydrogen peroxide
- Prior art date
- Legal status (The legal status is an assumption and is not a legal conclusion. Google has not performed a legal analysis and makes no representation as to the accuracy of the status listed.)
- Expired - Fee Related
Links
Images
Landscapes
- Apparatus For Disinfection Or Sterilisation (AREA)
Abstract
本发明公开了一种复合消毒灭菌装置及方法,装置包括舱体,舱体顶部设有温度、臭氧浓度和湿度传感器;舱体底部设有气压传感器;氧气源通过臭氧发生器经第四电磁阀通向舱体内;超声加湿器经第二电磁阀通向舱体内;舱体外侧设有加热元件;蠕动泵一端连通H2O2,另一端经第三电磁阀通入舱体内;舱体内壁两侧对置装有高压电极板,真空泵经第一电磁阀与舱体相连。消毒灭菌方法包括“低温等离子复合过氧化氢”、“臭氧”两种模式可供选择,整个消毒过程智能化控制,具有适用范围广、灭菌速度快、灭活率高、无残害、无消毒死角、使用方便、自动化程度高等优点。
The invention discloses a compound disinfection and sterilization device and method. The device comprises a cabin body, temperature, ozone concentration and humidity sensors are arranged on the top of the cabin body; an air pressure sensor is arranged on the bottom of the cabin body; an oxygen source passes through an ozone generator through a fourth electromagnetic The valve leads to the cabin; the ultrasonic humidifier leads to the cabin through the second solenoid valve; a heating element is installed outside the cabin; one end of the peristaltic pump is connected to H 2 O 2 , and the other end is connected to the cabin through the third solenoid valve; High-voltage electrode plates are arranged opposite to each other on both sides of the wall, and the vacuum pump is connected with the cabin body through the first electromagnetic valve. Disinfection and sterilization methods include two modes of "low-temperature plasma composite hydrogen peroxide" and "ozone" to choose from. The entire disinfection process is intelligently controlled, with wide application range, fast sterilization speed, high inactivation rate, no Disinfect dead angle, easy to use, high degree of automation and so on.
Description
技术领域 technical field
本发明涉及一种用于医疗的消毒灭菌装置及采用该装置的消毒灭菌方法。The invention relates to a medical disinfection and sterilization device and a disinfection and sterilization method using the device.
背景技术 Background technique
1、传统热杀菌技术1. Traditional thermal sterilization technology
传统的加热杀菌是一种有效的杀菌方法,它能够杀死各种微生物,而且杀菌程度可以准确控制。热杀菌方法虽然应用广泛,但该方法所需的高温容易导致热敏性成分分解和挥发性成分散失,而且能耗也较高,很容易损伤精密医疗仪器。Traditional heat sterilization is an effective sterilization method, which can kill various microorganisms, and the degree of sterilization can be accurately controlled. Although the thermal sterilization method is widely used, the high temperature required by this method can easily lead to the decomposition of heat-sensitive components and the loss of volatile components, and the energy consumption is high, which can easily damage precision medical instruments.
2、非热杀菌技术2. Non-thermal sterilization technology
(1)紫外线:可以杀灭各种微生物,包括细菌繁殖体、芽胞、分支杆菌、病毒、真菌、立克次体和支原体等,具有广谱性。其杀菌原理是通过紫外线对细菌、病毒等微生物的照射,以破坏其机体内DNA(去氧核糖核酸)的结构,使其立即死亡或丧失繁殖能力。DNA对波长254nm的紫吸收最强。紫外线光衰较大,寿命不长;紫外线的杀菌效果与其照射强度和总的照射量有关。紫外线只能沿直线传播,辐射能量低,穿透力弱,仅能杀灭直接照射到的微生物,由于紫外线辐射对人体有伤害,因此绝对不允许有泄漏。(1) Ultraviolet rays: can kill various microorganisms, including bacterial propagules, spores, mycobacteria, viruses, fungi, rickettsia and mycoplasma, etc., with a broad spectrum. The principle of sterilization is to irradiate bacteria, viruses and other microorganisms with ultraviolet rays to destroy the structure of DNA (deoxyribonucleic acid) in the body, causing them to die immediately or lose their ability to reproduce. DNA has the strongest absorption of violet at a wavelength of 254nm. The light decay of ultraviolet light is large, and the life span is not long; the bactericidal effect of ultraviolet light is related to its irradiation intensity and total irradiation amount. Ultraviolet rays can only travel along a straight line, with low radiation energy and weak penetrating power. They can only kill microorganisms that are directly irradiated. Since ultraviolet radiation is harmful to the human body, leakage is absolutely not allowed.
(2)环氧乙烷:广谱灭菌剂,灭菌机理主要是其与细菌中分子相结合破坏菌体的细胞代谢。具有无死角、穿透力较强的优点。但是易燃易爆、有毒、有残留。(2) Ethylene oxide: a broad-spectrum bactericidal agent, the main mechanism of sterilization is that it combines with molecules in bacteria to destroy the cell metabolism of bacteria. It has the advantages of no dead angle and strong penetrating power. However, it is flammable, explosive, toxic and has residues.
(3)臭氧:臭氧是一种广谱杀菌剂,臭氧在空间扩散时,能迅速渗透到杂菌菌体和微生物的细胞壁,使其蛋白变性,破坏酶系统,使代谢过程终止而被杀灭。目前,臭氧在各行各业中应用最为广泛。消毒环境温度越高、湿度越小,臭氧越容易还原成氧气,消毒效果越差;精密的小型医疗器械不能用臭氧消毒,极易腐蚀;臭氧的穿透力弱,对物体纵深处细菌杀灭能力低。(3) Ozone: Ozone is a broad-spectrum fungicide. When ozone diffuses in space, it can quickly penetrate into the cell walls of bacteria and microorganisms, denature their proteins, destroy the enzyme system, and terminate the metabolic process and be killed. . At present, ozone is the most widely used in various industries. The higher the temperature of the disinfection environment and the lower the humidity, the easier it is for ozone to be reduced to oxygen, and the worse the disinfection effect is; precision small medical instruments cannot be sterilized with ozone and are easily corroded; the penetrating power of ozone is weak, and it can kill bacteria deep in the object low ability.
(4)过氧化氢:作用于微生物的机理与臭氧类似。一是氧化性使分子或原子电离,从而破坏细胞壁上脂链改变细胞壁通透性引起细胞死亡,二是过氧化氢进入菌体可与核酸中金属离子反应,产生毒性羟基,作用于DNA的磷酸二酯键使其断裂,并对DNA的四种碱基成分有破坏作用。温度、湿度、有机物对过氧化氢的消毒都有影响。(4) Hydrogen peroxide: The mechanism of action on microorganisms is similar to that of ozone. One is that the oxidative property ionizes molecules or atoms, thereby destroying the lipid chain on the cell wall, changing the permeability of the cell wall and causing cell death, and the other is that hydrogen peroxide enters the bacteria and can react with metal ions in nucleic acid to produce toxic hydroxyl groups, which act on the phosphoric acid of DNA The diester bond breaks it and has a damaging effect on the four base components of DNA. Temperature, humidity, and organic matter all have an impact on the disinfection of hydrogen peroxide.
(5)低温等离子体灭菌技术:是近年来消毒灭菌领域的一种新的物理灭菌技术。低温等离子特别适用于非耐热和对湿热敏感的灭菌。但是,低温等离子也有其局限性,例如以下物品不宜使用低温等离子灭菌器的材料:①一次性使用器械和物品;②液体或粉剂;③木质器械;④棉织物;⑤纱布;⑥不完全干燥的物品。(5) Low-temperature plasma sterilization technology: It is a new physical sterilization technology in the field of disinfection and sterilization in recent years. Low-temperature plasma is especially suitable for sterilization that is not heat-resistant and sensitive to moisture and heat. However, low-temperature plasma also has its limitations. For example, the following items are not suitable for the use of low-temperature plasma sterilizer materials: ① disposable instruments and articles; ② liquid or powder; ③ wooden instruments; ④ cotton fabric; ⑤ gauze; ⑥ not completely dry items.
目前,国内外消毒灭菌装备功能单一,主要针对某种器械或材料进行洗消,并且结构复杂、故障率高,并且环境适应性差。At present, the disinfection and sterilization equipment at home and abroad has a single function, mainly for decontamination of certain instruments or materials, and has a complex structure, high failure rate, and poor environmental adaptability.
发明内容 Contents of the invention
鉴于以上现有消毒装备所存在的不足,并考虑到不同传染病病原体各有特点,对不同消毒方法的耐受性不同,为了增强洗消效果,本发明提供了一种多消毒模式复合的灭菌装置。In view of the shortcomings of the above existing disinfection equipment, and considering that different infectious disease pathogens have their own characteristics and have different tolerances to different disinfection methods, in order to enhance the decontamination effect, the present invention provides a multi-disinfection mode compound disinfection equipment. bacteria device.
为达到以上目的,本发明是采取如下技术方案予以实现的:To achieve the above object, the present invention is achieved by taking the following technical solutions:
一种复合消毒灭菌装置,其特征在于,包括舱体,氧气源、蠕动泵、加湿器和真空泵,所述舱体顶部设有温度传感器、臭氧浓度传感器和湿度传感器;舱体底部设有气压传感器;所述氧气源通过臭氧发生器经第四电磁阀通向舱体内;所述超声加湿器经第二电磁阀通向舱体内;舱体外侧设有可对舱体进行加热的加热元件;所述蠕动泵一端连通H2O2,另一端经第三电磁阀通入舱体内;舱体内壁两侧对置装有高压电极板,所述真空泵经第一电磁阀与舱体相连。A composite disinfection and sterilization device, characterized in that it comprises a cabin, an oxygen source, a peristaltic pump, a humidifier and a vacuum pump, the top of the cabin is provided with a temperature sensor, an ozone concentration sensor and a humidity sensor; the bottom of the cabin is provided with an air pressure sensor; the oxygen source leads to the cabin through the fourth solenoid valve through the ozone generator; the ultrasonic humidifier leads to the cabin through the second solenoid valve; the outside of the cabin is provided with a heating element that can heat the cabin; One end of the peristaltic pump is connected to H 2 O 2 , and the other end is connected to the cabin through the third electromagnetic valve; high-voltage electrode plates are installed on opposite sides of the inner wall of the cabin, and the vacuum pump is connected to the cabin through the first electromagnetic valve.
一种采用上述装置实现消毒灭菌的方法,包括下述步骤:A method for disinfecting and sterilizing using the above device, comprising the steps of:
(1)在舱体内放入被消毒的物品,对装置加电启动;(1) Put the sterilized items in the cabin, and power up the device to start;
(2)选择消毒模式:在“低温等离子复合过氧化氢”和“臭氧”两种模式中选其一,其中,(2) Select the disinfection mode: choose one of the two modes of "low temperature plasma composite hydrogen peroxide" and "ozone", wherein,
a、当选择“低温等离子复合过氧化氢”消毒模式,舱体被电热元件加热,至47-56℃,打开第一电磁阀,由真空泵抽真空,使舱体气压低于2000帕后将第一电磁阀关闭,打开第三电磁阀,由蠕动泵注入少量过氧化氢后关闭第三电磁阀,使过氧化氢在舱内扩散冷凝成雾状;二次打开第一电磁阀,启动真空泵抽真空至39-45帕时关闭第一电磁阀,二次打开第三电磁阀重复注入小于第一次注入量的过氧化氢,而后关闭第三电磁阀,再次打开第一电磁阀继续抽真空,通过压力传感器实时检测舱体内的压强,使其维持在80-200帕,此时对高压电极板加载高压脉冲电压,舱体内弥散的过氧化氢在高电场的激励下,被激发成等离子体态,均匀的作用于被消毒的物品;a. When the "low temperature plasma composite hydrogen peroxide" disinfection mode is selected, the cabin is heated by the electric heating element to 47-56°C, the first solenoid valve is opened, and the vacuum pump is used to make the cabin pressure lower than 2000 Pa. Close the first solenoid valve, open the third solenoid valve, and close the third solenoid valve after injecting a small amount of hydrogen peroxide from the peristaltic pump, so that the hydrogen peroxide diffuses and condenses into mist in the cabin; open the first solenoid valve for the second time, and start the vacuum pump When the vacuum reaches 39-45 Pa, close the first solenoid valve, open the third solenoid valve twice and repeatedly inject hydrogen peroxide smaller than the first injection amount, then close the third solenoid valve, open the first solenoid valve again and continue vacuuming, The pressure sensor is used to detect the pressure in the cabin in real time to keep it at 80-200 Pa. At this time, a high-voltage pulse voltage is applied to the high-voltage electrode plate, and the hydrogen peroxide dispersed in the cabin is excited into a plasma state under the excitation of a high electric field. Evenly act on the sterilized items;
b、当选择“臭氧”消毒方式时,由温度传感器检测舱内的温度,当温度低于25℃时,湿度传感器检测舱体内的湿度,当湿度小于80%时,超声加湿器启动,第二电磁阀打开,水汽进入舱内加湿,当湿度高于80%时,氧气源(氧通过臭氧发生器产生臭氧,第四电磁阀打开,臭氧进入舱体内,进行弥散消毒。b. When the "ozone" disinfection method is selected, the temperature sensor detects the temperature in the cabin. When the temperature is lower than 25°C, the humidity sensor detects the humidity in the cabin. When the humidity is less than 80%, the ultrasonic humidifier starts, and the second Solenoid valve is opened, and water vapor enters in the cabin to humidify, and when humidity is higher than 80%, oxygen source (oxygen produces ozone by ozone generator, and the 4th electromagnetic valve opens, and ozone enters in the cabin, carries out dispersion disinfection.
上述方法中,所述对高压电极板加载的高压脉冲电压为3000伏。所述臭氧发生器产生的臭氧,其浓度高于40mg/L。所述由蠕动泵第一次注入过氧化氢的量为4毫升;第二次注入过氧化氢的量为2.5毫升。In the above method, the high-voltage pulse voltage applied to the high-voltage electrode plate is 3000 volts. The ozone produced by the ozone generator has a concentration higher than 40mg/L. The amount of hydrogen peroxide injected by the peristaltic pump for the first time is 4 milliliters; the amount of hydrogen peroxide injected for the second time is 2.5 milliliters.
与现有技术相比,本发明综合臭氧、过氧化氢和低温等离子等三种方式(临床上对医用物品常用的三种洗消方法),采用可选择的两种消毒模式,整个消毒过程智能化控制,具有适用范围广、灭菌速度快、灭活率高、无残害、无消毒死角、使用方便、自动化程度高等优点。不但满足了医用棉织物品的洗消(臭氧),而且可以对医疗器械进行消毒(在近真空状态下,将过氧化氢激发成等离子体,加强了消毒灭菌效果),对常见的腔道型医疗器械,如内窥镜、呼吸机等,洗消效果好。Compared with the prior art, the present invention integrates three methods of ozone, hydrogen peroxide and low-temperature plasma (three commonly used decontamination methods for medical articles in clinic), adopts two optional disinfection modes, and the whole disinfection process is intelligent. It has the advantages of wide application range, fast sterilization speed, high inactivation rate, no harm, no disinfection dead angle, convenient use, and high degree of automation. It not only satisfies the decontamination (ozone) of medical cotton fabrics, but also can sterilize medical equipment (in a near-vacuum state, hydrogen peroxide is excited into plasma, which strengthens the disinfection and sterilization effect). Good decontamination effect for small medical devices, such as endoscopes, ventilators, etc.
附图说明 Description of drawings
以下结合附图及具体实施方式对本发明佐井一步的详细说明。The following is a detailed description of the present invention in conjunction with the accompanying drawings and specific embodiments.
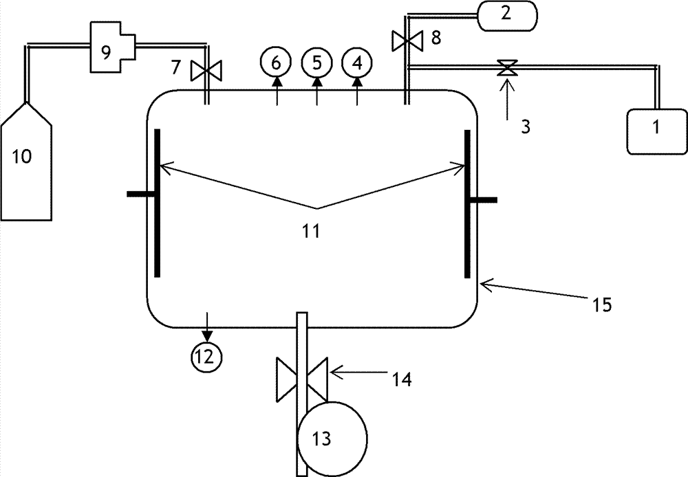
图1为本发明装置结构示意图。图中:1、超声加湿器;2、H2O2蠕动泵;3、电磁阀;4、湿度传感器;5、O3浓度传感器;6、温度传感器;7、电磁阀:8、电磁阀;9、臭氧发生器;10、氧气瓶;11、高压电极板;12、气压传感器;13、真空泵;14、电磁阀:15、舱体。Fig. 1 is a schematic diagram of the structure of the device of the present invention. In the figure: 1. Ultrasonic humidifier; 2. H 2 O 2 peristaltic pump; 3. Solenoid valve; 4. Humidity sensor; 5. O 3 concentration sensor; 6. Temperature sensor; 7. Solenoid valve: 8. Solenoid valve; 9. Ozone generator; 10. Oxygen cylinder; 11. High-voltage electrode plate; 12. Air pressure sensor; 13. Vacuum pump; 14. Solenoid valve: 15. Cabin.
图2为采用图1装置的消毒灭菌流程图。Fig. 2 is a flow chart of disinfection and sterilization using the apparatus of Fig. 1 .
具体实施方式 Detailed ways
如图1所示,一种复合消毒灭菌装置,包括舱体15,舱体顶部装有3个传感器:温度传感器6、臭氧浓度传感器5和湿度传感器4;舱体底部装有一个气压传感器。氧气瓶10连接臭氧发生器9,以产生高浓度臭氧,经电磁阀7(常闭)通向消毒舱体15;超声加湿器2(含纯净水箱)由管路经电磁阀3(常闭)通向舱内,对舱体加湿以产生臭氧消毒的高湿环境。舱体外侧绕有电阻丝(图中未画出),可以对铝制舱体进行加热,达到过氧化氢激发等离子体的温度环境。蠕动泵2一端接过氧化氢H2O2(瓶装),一端经电磁阀8(常闭)通入舱体,以定量向舱内供给过氧化氢。舱体内壁两侧对置装有两块高压电极板11,以在舱体内产生高压,激发产生过氧化氢产生等离子体。As shown in Figure 1, a kind of composite disinfection and sterilization device comprises a
真空泵13由不锈钢管路经电磁阀14(常闭)连接舱体,可以对舱内抽真空,达到过氧化氢等离子体产生的近真空环境(负压抽气去除空气各组分的分子),此时,舱内过氧化氢分子受高能电场激发,便于在50摄氏度左右的近低温环境呈等离子体态,可以大大增强消毒灭菌效果。
本发明把臭氧和过氧化氢低温等离子体复合在一台设备中,就要照顾两种消毒方式对环境的需求。臭氧对湿度、温度、浓度都有要求,而过氧化氢低温等离子体对对舱体真空度有要求。为了满足需求,减小仪器的体积,消毒舱体由铝板经抗氧化处理后焊接而成。The present invention combines ozone and hydrogen peroxide low-temperature plasma in one device, and needs to take care of the environmental requirements of the two disinfection methods. Ozone has requirements on humidity, temperature, and concentration, while hydrogen peroxide low-temperature plasma has requirements on the vacuum degree of the cabin. In order to meet the demand and reduce the volume of the instrument, the disinfection cabin is welded by aluminum plates after anti-oxidation treatment.
如图2所示,一种采用图1装置的消毒灭菌方法,包括下述步骤:As shown in Figure 2, a kind of sterilization method that adopts Figure 1 device, comprises the following steps:
(1)在舱体内放入被消毒的物品,对装置加电启动;(1) Put the sterilized items in the cabin, and power up the device to start;
(2)选择消毒模式:包括“低温等离子复合过氧化氢”、“臭氧”两种模式,其中,(2) Select the disinfection mode: including two modes of "low temperature plasma compound hydrogen peroxide" and "ozone", among which,
a、当选择“低温等离子复合过氧化氢”消毒模式,舱体被外侧的电阻丝加热,温度达到47-56℃时,电磁阀14打开,由真空泵13抽气5分钟左右,使舱体气压低于2000帕;此时,电磁阀14关闭,电磁阀8打开,由蠕动泵注入4毫升过氧化氢后关闭电磁阀3,在舱内扩散冷凝5分钟成雾状;再次打开电磁阀14,启动真空泵抽真空至39-45帕时关闭电磁阀14,电磁阀8打开重复注入过氧化氢2.5毫升,而后关闭电磁阀8,打开电磁阀14继续抽真空,通过压力传感器12实时检测舱体内的压强,使其维持在80-200帕,此时对高压电极板加载高压脉冲电压(约3000伏),舱体内弥散的过氧化氢在高电场的激励下,被激发成等离子体态,使等离子体均匀的作用于器械,瞬间高速击穿、蚀刻、氧化器械表面附着的微生物中蛋白质和核酸物质,使其灭活达到灭菌目的,消毒灭菌效果得以大大增强。灭菌完成后,过氧化氢等离子体最终复合成少量水蒸气,无有害物质残留,对医护人员无损害、无污染。a. When the "low temperature plasma composite hydrogen peroxide" disinfection mode is selected, the cabin is heated by the resistance wire on the outside. When the temperature reaches 47-56°C, the
b、当选择“臭氧”消毒方式时,由安装在舱体内的温度传感器6检测舱内的温度,当温度高于25℃时,仪器不能启动,继续在室温状态下降温(以解决等离子消毒方式加温过程的影响),以防臭氧在高温环境中的分解。当温度低于25℃时,系统启动,湿度传感器4检测舱体内的湿度,当湿度小于80%时,超声加湿器1工作,电磁阀3打开,水汽进入舱内加湿,当湿度高于80%时,氧气源(氧气瓶10供给)由臭氧发生器9(高压陶瓷产生)产生高浓度的臭氧,电磁阀7打开(所有电磁阀均为常闭电磁阀),臭氧进入舱体内(浓度高于40mg/L),进行弥散消毒。该臭氧消毒模式,可以实时监测温度、湿度和臭氧浓度,消毒完成后,无污染,无残留。b. When the "ozone" disinfection method is selected, the temperature sensor 6 installed in the cabin detects the temperature in the cabin. When the temperature is higher than 25°C, the instrument cannot be started and continues to cool down at room temperature (to solve the plasma disinfection method The effect of heating process) to prevent the decomposition of ozone in high temperature environment. When the temperature is lower than 25°C, the system starts, and the humidity sensor 4 detects the humidity in the cabin. When the humidity is lower than 80%, the
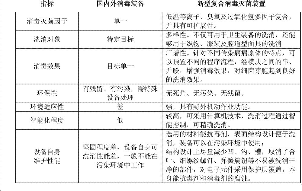
采用本发明装置及方法与现有技术的指标对比列于表1。Adopt the device of the present invention and method and the index comparison of prior art to list in Table 1.
表1Table 1
Claims (4)
Priority Applications (1)
| Application Number | Priority Date | Filing Date | Title |
|---|---|---|---|
| CN 201110318295 CN102363045B (en) | 2011-10-20 | 2011-10-20 | Composite disinfecting and sterilizing device and method |
Applications Claiming Priority (1)
| Application Number | Priority Date | Filing Date | Title |
|---|---|---|---|
| CN 201110318295 CN102363045B (en) | 2011-10-20 | 2011-10-20 | Composite disinfecting and sterilizing device and method |
Publications (2)
| Publication Number | Publication Date |
|---|---|
| CN102363045A CN102363045A (en) | 2012-02-29 |
| CN102363045B true CN102363045B (en) | 2013-09-18 |
Family
ID=45689661
Family Applications (1)
| Application Number | Title | Priority Date | Filing Date |
|---|---|---|---|
| CN 201110318295 Expired - Fee Related CN102363045B (en) | 2011-10-20 | 2011-10-20 | Composite disinfecting and sterilizing device and method |
Country Status (1)
| Country | Link |
|---|---|
| CN (1) | CN102363045B (en) |
Cited By (1)
| Publication number | Priority date | Publication date | Assignee | Title |
|---|---|---|---|---|
| CN107789644A (en) * | 2016-08-29 | 2018-03-13 | 江苏众胜灭菌设备科技有限公司 | A kind of ozone sterilization method |
Families Citing this family (17)
| Publication number | Priority date | Publication date | Assignee | Title |
|---|---|---|---|---|
| CN102755657A (en) * | 2012-08-06 | 2012-10-31 | 张家港市欧思瑞科技有限公司 | Vacuum ozone sterilizing cabinet |
| CN109669490B (en) * | 2013-12-16 | 2021-07-13 | 3M创新有限公司 | System and method for controlling humidity |
| CN103906336A (en) * | 2014-04-14 | 2014-07-02 | 中国科学院工程热物理研究所 | Gas discharge plasma generating device with adjustable pressure and temperature |
| CN104437300A (en) * | 2014-11-04 | 2015-03-25 | 华文蔚 | Method for generating hydroxide radicals by employing ultrasonic atomization-assisted ionization discharge |
| RU168485U1 (en) * | 2016-03-03 | 2017-02-06 | Общество с ограниченной ответственностью "Мед ТеКо" | STERILIZER FOR HYDROGEN PEROXIDE Vapor Sterilization |
| RU2610206C1 (en) * | 2016-03-03 | 2017-02-08 | Общество с ограниченной ответственностью "Мед ТеКо" | Steriliser for sterilisation with hydrogen peroxide vapour |
| CN106362176A (en) * | 2016-08-18 | 2017-02-01 | 马剑 | Disinfecting nurse device for wound detection appliance |
| CN110478504A (en) * | 2017-12-29 | 2019-11-22 | 堂美环境治理有限公司 | Systems for decontamination of substantially enclosed spaces |
| CN108992686B (en) * | 2018-08-17 | 2019-07-16 | 石敏 | A kind of Medical sterilizing cabinet |
| CN111202859A (en) * | 2020-02-20 | 2020-05-29 | 山东新华医疗器械股份有限公司 | Hydrogen peroxide sterilizer |
| CN113350544B (en) * | 2020-03-07 | 2023-12-29 | 成都贝尔斯特科技有限公司 | A cotton fabric vacuum sterilization system and cotton fabric vacuum sterilization method |
| JP7468060B2 (en) * | 2020-03-27 | 2024-04-16 | 三浦工業株式会社 | Sterilization method and sterilization device |
| CN111317845A (en) * | 2020-04-02 | 2020-06-23 | 广东威特宝土壤修复科研中心有限公司 | Accumulation potential type disinfection system and method |
| CN111494697B (en) * | 2020-04-30 | 2021-10-15 | 清华大学 | Electromagnetic disinfection device and disinfection method thereof |
| CN113368283A (en) * | 2021-03-18 | 2021-09-10 | 郑州圣华药物食品技术开发有限公司 | Method and equipment for sterilizing microbial incubator by using xenon excimer ozone |
| CN113368282B (en) * | 2021-03-18 | 2023-08-08 | 郑州圣华药物食品技术开发有限公司 | Pulse disinfection method for preparing ozone by xenon excimer light source and equipment thereof |
| CN114288447B (en) * | 2021-12-30 | 2023-09-29 | 成都康盛科泰生物技术有限公司 | Endotoxin removing device and method for large or special container |
Citations (4)
| Publication number | Priority date | Publication date | Assignee | Title |
|---|---|---|---|---|
| CN200957198Y (en) * | 2006-09-14 | 2007-10-10 | 深圳市麦德安医疗设备有限公司 | Low temperature plasma sterilizer |
| CN201020056Y (en) * | 2007-04-05 | 2008-02-13 | 北京白象新技术有限公司 | AC DC hybrid starting low-temperature plasma sterilization device with self-checking function |
| CN201061624Y (en) * | 2007-07-18 | 2008-05-21 | 兰州理工大学 | Combined ozone sterilizer |
| CN201410124Y (en) * | 2009-06-12 | 2010-02-24 | 邢树林 | Medical ozone disinfecting cabinet |
Family Cites Families (1)
| Publication number | Priority date | Publication date | Assignee | Title |
|---|---|---|---|---|
| US20050147527A1 (en) * | 2004-01-06 | 2005-07-07 | I. Brown | Microbial destruction using a gas phase decontaminant |
-
2011
- 2011-10-20 CN CN 201110318295 patent/CN102363045B/en not_active Expired - Fee Related
Patent Citations (4)
| Publication number | Priority date | Publication date | Assignee | Title |
|---|---|---|---|---|
| CN200957198Y (en) * | 2006-09-14 | 2007-10-10 | 深圳市麦德安医疗设备有限公司 | Low temperature plasma sterilizer |
| CN201020056Y (en) * | 2007-04-05 | 2008-02-13 | 北京白象新技术有限公司 | AC DC hybrid starting low-temperature plasma sterilization device with self-checking function |
| CN201061624Y (en) * | 2007-07-18 | 2008-05-21 | 兰州理工大学 | Combined ozone sterilizer |
| CN201410124Y (en) * | 2009-06-12 | 2010-02-24 | 邢树林 | Medical ozone disinfecting cabinet |
Cited By (1)
| Publication number | Priority date | Publication date | Assignee | Title |
|---|---|---|---|---|
| CN107789644A (en) * | 2016-08-29 | 2018-03-13 | 江苏众胜灭菌设备科技有限公司 | A kind of ozone sterilization method |
Also Published As
| Publication number | Publication date |
|---|---|
| CN102363045A (en) | 2012-02-29 |
Similar Documents
| Publication | Publication Date | Title |
|---|---|---|
| CN102363045B (en) | Composite disinfecting and sterilizing device and method | |
| CN203183363U (en) | Ternary composite sterilization device | |
| DK2839845T3 (en) | Sterilization method using nitrous oxide tetraoxide and sterilizer | |
| CN103083698B (en) | Tri compound sterilizing methods and bactericidal unit | |
| KR101250748B1 (en) | The compact device for sterilization of medical instruments by means of low-temperature and atmospheric-pressure plasmas | |
| KR20120028413A (en) | Sterilizing apparatus using hydrogen peroxide, ozone and cold plasma and method therefor | |
| CN107137739A (en) | A kind of ozonization plant and its sterilization method | |
| CN101810870B (en) | Method and device for controlling precise measurement of hydrogen peroxide pulsation injecting liquid through pressure negative feedbacks | |
| CN103041417A (en) | Transfer cabin with sterilization function | |
| CN1951507A (en) | Clothes disinfection cabinet | |
| US8323582B2 (en) | Quantitative liquid injection device of plasma sterilizer | |
| CN103041416B (en) | A device for disinfecting and sterilizing active oxygen household clothes | |
| KR20120106028A (en) | Multipurpose compact sterilizer by means of atmospheric air-plasma with surface type | |
| CN201578623U (en) | Ozone Disinfector | |
| JP5843115B2 (en) | Sterilization method and sterilizer using dinitrogen tetroxide | |
| CN207562133U (en) | A kind of Gas sterilizing device | |
| CN203291269U (en) | Medical circulation pipeline disinfection machine | |
| CN207785537U (en) | A kind of ozonization plant | |
| JP5688622B2 (en) | Sterilizer and sterilization method | |
| CN214388318U (en) | Disinfection and sterilization system | |
| CN203123094U (en) | Transfer cabin with sterilization function | |
| CN209253708U (en) | A kind of space base station type VHP sterilizing generator | |
| Ülkütaş et al. | Designing and application of a new medical instrument sterilization system using reactive oxygen species | |
| CN108578737A (en) | A kind of skin infectious disease nursing clothes sterilizing equipment decontaminating apparatus | |
| CN218784540U (en) | Chlorine dioxide low-temperature sterilizer |
Legal Events
| Date | Code | Title | Description |
|---|---|---|---|
| C06 | Publication | ||
| PB01 | Publication | ||
| C10 | Entry into substantive examination | ||
| SE01 | Entry into force of request for substantive examination | ||
| C14 | Grant of patent or utility model | ||
| GR01 | Patent grant | ||
| CF01 | Termination of patent right due to non-payment of annual fee |
Granted publication date: 20130918 Termination date: 20151020 |
|
| EXPY | Termination of patent right or utility model |

