CN102008995A - Load automatic controller of coal mill of boiler - Google Patents
Load automatic controller of coal mill of boiler Download PDFInfo
- Publication number
- CN102008995A CN102008995A CN200910187268XA CN200910187268A CN102008995A CN 102008995 A CN102008995 A CN 102008995A CN 200910187268X A CN200910187268X A CN 200910187268XA CN 200910187268 A CN200910187268 A CN 200910187268A CN 102008995 A CN102008995 A CN 102008995A
- Authority
- CN
- China
- Prior art keywords
- coal mill
- transmitter
- coal
- boiler
- automatic control
- Prior art date
- Legal status (The legal status is an assumption and is not a legal conclusion. Google has not performed a legal analysis and makes no representation as to the accuracy of the status listed.)
- Pending
Links
- 239000003245 coal Substances 0.000 title claims abstract description 72
- 238000000227 grinding Methods 0.000 claims abstract description 11
- 238000003801 milling Methods 0.000 claims description 2
- 229910000831 Steel Inorganic materials 0.000 abstract description 2
- 238000010298 pulverizing process Methods 0.000 abstract description 2
- 239000010959 steel Substances 0.000 abstract description 2
- 238000000034 method Methods 0.000 description 4
- 239000000446 fuel Substances 0.000 description 3
- 239000000843 powder Substances 0.000 description 3
- 230000000903 blocking effect Effects 0.000 description 1
- 238000010586 diagram Methods 0.000 description 1
- 238000004519 manufacturing process Methods 0.000 description 1
- 238000005457 optimization Methods 0.000 description 1
- 230000005236 sound signal Effects 0.000 description 1
- 238000003860 storage Methods 0.000 description 1
- 238000009423 ventilation Methods 0.000 description 1
Images
Landscapes
- Crushing And Grinding (AREA)
- Disintegrating Or Milling (AREA)
Abstract
本发明涉及锅炉磨煤机自动控制技术领域,特别是一种锅炉磨煤机负荷自动控制装置,包括通过系统总线与工业控制机相连接的DCS控制器,磨音变送器、温度变送器、磨煤机电机的电流变送器、磨煤机入口负压变送器,控制信号输出线,磨音变送器、磨煤机电机的电流变送器、磨煤机入口负压变送器的输出信号量为4~20mA。温度变送器为pt100。的输出信号量为4~20mA。本发明的优点有:使磨煤出力最大。节能百分20以上,减少钢球消耗量。使制粉过程平稳,防止磨煤机进煤量过大造成事故。
The invention relates to the technical field of boiler coal mill automatic control, in particular to a boiler coal mill load automatic control device, including a DCS controller connected to an industrial control machine through a system bus, a grinding sound transmitter, and a temperature transmitter , Coal mill motor current transmitter, coal mill inlet negative pressure transmitter, control signal output line, grinding sound transmitter, coal mill motor current transmitter, coal mill inlet negative pressure transmitter The output signal of the device is 4 ~ 20mA. The temperature transmitter is pt100. The output signal volume is 4 ~ 20mA. The invention has the advantages of maximizing coal grinding output. Energy saving of more than 20%, reducing the consumption of steel balls. Make the pulverizing process stable and prevent accidents caused by excessive coal intake into the coal mill.
Description
技术领域technical field
本发明涉及锅炉磨煤机自动控制技术领域,特别是一种锅炉磨煤机负荷自动控制装置。The invention relates to the technical field of boiler coal mill automatic control, in particular to an automatic boiler coal mill load control device.
背景技术Background technique
当锅炉采用煤粉炉时,煤粉的制造是重要工作之一,磨煤机就是完成这项工作的重要设备之一。磨煤机除将煤块磨成煤粉外,还利用热风对煤粉进行干燥,干燥到一定程度的煤粉才能便于输送和储存。磨煤机的电耗占电厂自用电的比率非常高,因此,怎么样提高球磨机的出力状况是节能降耗的关键问题。目前,有些厂矿采用的人工调节通风量、及震动给煤机的下煤量的方式来控制磨煤机的负荷,但由于人工调节的不及时及操作水平不一,不能有效保证磨煤机系统的最大出力。也有些厂采用一种球磨机自动寻优控制系统,但是,这种控制方法复杂,控制方式很容易受到煤质干湿、风温等的影响,很容易导致堵煤或者导致负荷过大而造成球磨机设备损坏的事故。When the boiler adopts pulverized coal furnace, the manufacture of pulverized coal is one of the important tasks, and the coal mill is one of the important equipment to complete this work. In addition to grinding the coal into coal powder, the coal mill also uses hot air to dry the coal powder. Only when the coal powder is dried to a certain extent can it be convenient for transportation and storage. The power consumption of the coal mill accounts for a very high ratio of the self-consumption of the power plant. Therefore, how to improve the output of the ball mill is the key issue for energy saving and consumption reduction. At present, some factories and mines control the load of the coal mill by manually adjusting the ventilation rate and the amount of coal delivered by vibrating the coal feeder. However, due to the untimely manual adjustment and different operating levels, the coal mill system cannot be effectively guaranteed. the maximum output. Some factories also adopt a ball mill automatic optimization control system, but this control method is complicated, and the control method is easily affected by coal dryness and humidity, wind temperature, etc., and it is easy to cause coal blockage or excessive load to cause ball mill failure. Accidents that damage equipment.
发明内容Contents of the invention
本发明的目的是提供一种通过调节器输出的控制量控制振动给煤机电流的大小来控制送入磨煤机的燃料煤块量的锅炉磨煤机负荷自动控制装置。The object of the present invention is to provide a boiler coal pulverizer load automatic control device that controls the amount of fuel coal fed into the coal pulverizer by controlling the current of the vibrating coal feeder through the control quantity output by the regulator.
本发明的目的是通过以下技术方案件来实现的。The purpose of the present invention is achieved through the following technical solutions.
本发明的锅炉磨煤机负荷自动控制装置,其特征在于包括通过系统总线与工业控制机相连接的DCS控制器,分别与此DCS控制器的输入卡相连接的磨音变送器、温度变送器、磨煤机电机的电流变送器、磨煤机入口负压变送器,与此DCS控制器的输出卡相连接的控制信号输出线,此控制信号输出线与振动给煤机的控制器相连接。The boiler coal pulverizer load automatic control device of the present invention is characterized in that it comprises a DCS controller connected to an industrial control machine through a system bus, a milling sound transmitter and a temperature transmitter respectively connected to the input card of the DCS controller. transmitter, the current transmitter of the coal mill motor, the negative pressure transmitter at the entrance of the coal mill, the control signal output line connected to the output card of the DCS controller, and the control signal output line and the vibrating coal feeder The controller is connected.
所述的磨音变送器的输出信号量为4~20mA。The output signal of the grinding sound transmitter is 4-20mA.
所述的温度变送器为pt100。The temperature transmitter is pt100.
所述的磨煤机电机的电流变送器、磨煤机入口负压变送器的输出信号量为4~20mA。The output signal of the current transmitter of the coal mill motor and the negative pressure transmitter at the coal mill inlet is 4-20mA.
所述的控制信号输出线的输出信号量为4~20mA。The output signal quantity of the control signal output line is 4-20mA.
本发明利用磨音传感器采集磨煤机磨煤声音的信号,来判断磨煤机负荷的大小,负荷大的时候声音沉闷,负荷小的时候声音较响亮。该传感器检测出的信号强度通过该传感器的处理转变成4-20mA标准信号,将该信号接入DCS控制器作为被控量。通过DCS控制器输出的控制量控制振动给煤机电流的大小来控制送入磨煤机的燃料煤块量,同时还考虑到煤受到天气影响,存在的干燥程度影响因素,通过实际运行经验确定合理的设定值。随煤质不同进行微调。然后合理编制DCS控制器中的程序对给煤机的控制量进行限值,避免磨煤机堵煤造成事故。The present invention uses the grinding sound sensor to collect the coal grinding sound signal of the coal mill to judge the load of the coal mill. The sound is dull when the load is heavy, and the sound is loud when the load is small. The signal strength detected by the sensor is transformed into a 4-20mA standard signal through the processing of the sensor, and the signal is connected to the DCS controller as the controlled quantity. The amount of fuel coal fed into the coal mill is controlled by controlling the current of the vibrating coal feeder through the control amount output by the DCS controller. At the same time, the coal is affected by the weather and the factors affecting the degree of dryness are determined through actual operation experience. Reasonable set value. Fine-tune with different coal quality. Then reasonably compile the program in the DCS controller to limit the control amount of the coal feeder to avoid accidents caused by coal blockage of the coal mill.
本发明的优点有:Advantage of the present invention has:
1)使磨煤出力最大。节能20%以上,有效地降低了厂用电消耗。1) Maximize coal grinding output. Energy saving of more than 20%, effectively reducing the power consumption of the plant.
2)减少钢球消耗量。2) Reduce steel ball consumption.
3)使制粉过程平稳,防止磨煤机进煤量过大造成事故。3) Make the pulverization process stable and prevent accidents caused by excessive coal intake into the coal mill.
附图说明Description of drawings
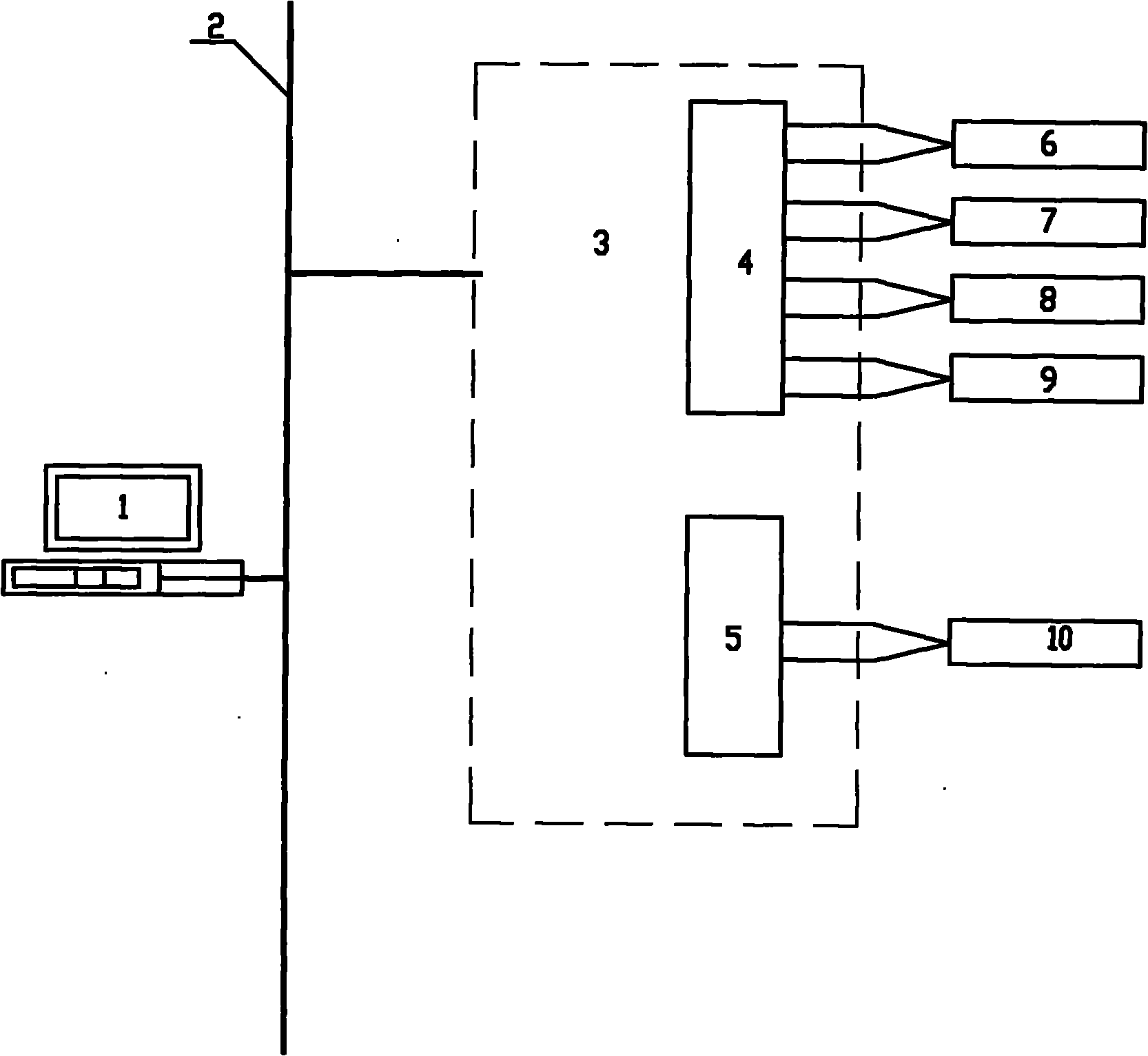
图1为本发明的电路框图。Fig. 1 is a circuit block diagram of the present invention.
具体实施方式Detailed ways
下面结合附图说明本发明的具体实施方式。The specific implementation manner of the present invention will be described below in conjunction with the accompanying drawings.
如图1所示,本发明的锅炉磨煤机负荷自动控制装置,其特征在于包括通过系统总线2与工业控制机1相连接的DCS控制器3,分别与此DCS控制器3的输入卡4相连接的磨音变送器6、温度变送器7、磨煤机电机的电流变送器8、磨煤机入口负压变送器9,与此DCS控制器的输出卡5相连接的控制信号输出线10,此控制信号输出线10与振动给煤机的控制器相连接。As shown in Figure 1, the boiler coal mill load automatic control device of the present invention is characterized in that it comprises a
所述的磨音变送器6的输出信号量为4~20mA。The output signal of the grinding sound transmitter 6 is 4-20mA.
所述的温度变送器7为pt100。The temperature transmitter 7 is pt100.
所述的磨煤机电机的电流变送器、磨煤机入口负压变送器的输出信号量为4~20mA。The output signal of the current transmitter of the coal mill motor and the negative pressure transmitter at the coal mill inlet is 4-20mA.
所述的控制信号输出线的输出信号量为4~20mA。The output signal quantity of the control signal output line is 4-20mA.
本发明通过调节器输出的控制量控制振动给煤机电流的大小来有效地控制送入磨煤机的燃料煤块量,避免了磨煤机堵煤造成事故。The present invention controls the magnitude of the current of the vibrating coal feeder through the control quantity output by the regulator to effectively control the amount of fuel coal lumps fed into the coal mill, thereby avoiding accidents caused by coal blocking in the coal mill.
Claims (5)
Priority Applications (1)
| Application Number | Priority Date | Filing Date | Title |
|---|---|---|---|
| CN200910187268XA CN102008995A (en) | 2009-09-04 | 2009-09-04 | Load automatic controller of coal mill of boiler |
Applications Claiming Priority (1)
| Application Number | Priority Date | Filing Date | Title |
|---|---|---|---|
| CN200910187268XA CN102008995A (en) | 2009-09-04 | 2009-09-04 | Load automatic controller of coal mill of boiler |
Publications (1)
| Publication Number | Publication Date |
|---|---|
| CN102008995A true CN102008995A (en) | 2011-04-13 |
Family
ID=43839436
Family Applications (1)
| Application Number | Title | Priority Date | Filing Date |
|---|---|---|---|
| CN200910187268XA Pending CN102008995A (en) | 2009-09-04 | 2009-09-04 | Load automatic controller of coal mill of boiler |
Country Status (1)
| Country | Link |
|---|---|
| CN (1) | CN102008995A (en) |
Cited By (3)
| Publication number | Priority date | Publication date | Assignee | Title |
|---|---|---|---|---|
| CN103203276A (en) * | 2012-01-15 | 2013-07-17 | 湖南晟通科技集团有限公司 | A control method and a system for a scraper coal feeder |
| CN105629932A (en) * | 2015-12-31 | 2016-06-01 | 河南省电力勘测设计院 | Pulverizing system remote control method and pulverizing remote integrated control system |
| CN111013803A (en) * | 2019-12-17 | 2020-04-17 | 浙江浙能技术研究院有限公司 | Coal mill power distribution-based thermal power generating unit coal amount distribution control method |
-
2009
- 2009-09-04 CN CN200910187268XA patent/CN102008995A/en active Pending
Cited By (6)
| Publication number | Priority date | Publication date | Assignee | Title |
|---|---|---|---|---|
| CN103203276A (en) * | 2012-01-15 | 2013-07-17 | 湖南晟通科技集团有限公司 | A control method and a system for a scraper coal feeder |
| CN103203276B (en) * | 2012-01-15 | 2017-03-22 | 晟通科技集团有限公司 | A control method and a system for a scraper coal feeder |
| CN105629932A (en) * | 2015-12-31 | 2016-06-01 | 河南省电力勘测设计院 | Pulverizing system remote control method and pulverizing remote integrated control system |
| CN105629932B (en) * | 2015-12-31 | 2018-06-22 | 中国电建集团河南省电力勘测设计院有限公司 | Pulverized coal preparation system long-range control method and powder remote comprehensive control system processed |
| CN111013803A (en) * | 2019-12-17 | 2020-04-17 | 浙江浙能技术研究院有限公司 | Coal mill power distribution-based thermal power generating unit coal amount distribution control method |
| CN111013803B (en) * | 2019-12-17 | 2021-04-30 | 浙江浙能技术研究院有限公司 | Coal mill power distribution-based thermal power generating unit coal amount distribution control method |
Similar Documents
| Publication | Publication Date | Title |
|---|---|---|
| CN103028480B (en) | Intelligent control system for vertical mill based on fuzzy PID (proportion integration differentiation) algorithm | |
| CN202070394U (en) | Automatic disintegrator load control device | |
| CN104390234B (en) | Ultra supercritical unit control method for coordinating with double inlet and outlet coal mill | |
| CN103032361B (en) | A kind of controlling method of dedusting fan, Apparatus and system | |
| CN104646167A (en) | Primary air pressure self-adaptive control method | |
| CN105864811B (en) | Pulverized coal milling device and method | |
| CN102008995A (en) | Load automatic controller of coal mill of boiler | |
| CN105701576A (en) | A steel ball coal mill design and type selecting method based on a genetic optimized algorithm | |
| CN203082908U (en) | Energy conservation optimization system of direct-blow-type double-inlet and double-outlet steel ball mill | |
| CN201470464U (en) | Boiler Coal Pulverizer Load Automatic Control Device | |
| CN202129139U (en) | Energy saving control system for coal mill | |
| CN104571018A (en) | Method for optimizing load distribution of coal-fired power station coal milling system online | |
| CN114442710B (en) | Water supply control system and method for material mixing and pelletizing process and storage medium | |
| CN204358758U (en) | A kind of coal feeder protection system device | |
| CN203269799U (en) | Cement production device | |
| CN205988812U (en) | For grind grading multiple closed loop control system | |
| CN103909007B (en) | A kind of control method of double inlet and outlet coal mill start and stop disturbance | |
| CN204448248U (en) | Europe version grinds intelligent automatic regulated controller | |
| CN204832914U (en) | People intelligence control system is imitated to granulator | |
| CN205384520U (en) | Combined cycle unit steam heating pipeline flow automatic control device | |
| CN207247254U (en) | A kind of coal-burning power plant center feeder anti-blocking system | |
| CN200954460Y (en) | Fully-automatic energy-saving control system of ball mill | |
| CN110701634A (en) | A primary air pressure control system and its control method | |
| CN103453515A (en) | Water supply control method for 2*55MW power station boiler water supply system | |
| CN105013599A (en) | Load adjusting and controlling system and method for coal mill of thermal power generating unit |
Legal Events
| Date | Code | Title | Description |
|---|---|---|---|
| C06 | Publication | ||
| PB01 | Publication | ||
| C10 | Entry into substantive examination | ||
| SE01 | Entry into force of request for substantive examination | ||
| C02 | Deemed withdrawal of patent application after publication (patent law 2001) | ||
| WD01 | Invention patent application deemed withdrawn after publication |
Application publication date: 20110413 |
