CN101780768A - Two-speed automatic transmission for electric vehicle - Google Patents
Two-speed automatic transmission for electric vehicle Download PDFInfo
- Publication number
- CN101780768A CN101780768A CN201010022931A CN201010022931A CN101780768A CN 101780768 A CN101780768 A CN 101780768A CN 201010022931 A CN201010022931 A CN 201010022931A CN 201010022931 A CN201010022931 A CN 201010022931A CN 101780768 A CN101780768 A CN 101780768A
- Authority
- CN
- China
- Prior art keywords
- gear
- automatic transmission
- speed automatic
- elec
- end part
- Prior art date
- Legal status (The legal status is an assumption and is not a legal conclusion. Google has not performed a legal analysis and makes no representation as to the accuracy of the status listed.)
- Pending
Links
- 230000005540 biological transmission Effects 0.000 title claims abstract description 29
- 238000012546 transfer Methods 0.000 claims description 30
- 229920000136 polysorbate Polymers 0.000 claims description 9
- 239000007788 liquid Substances 0.000 claims description 3
- 238000013461 design Methods 0.000 abstract description 4
- 238000011161 development Methods 0.000 description 3
- 238000006243 chemical reaction Methods 0.000 description 2
- 230000009194 climbing Effects 0.000 description 2
- 238000013459 approach Methods 0.000 description 1
- 230000009286 beneficial effect Effects 0.000 description 1
- 230000015572 biosynthetic process Effects 0.000 description 1
- 238000009434 installation Methods 0.000 description 1
- 238000012423 maintenance Methods 0.000 description 1
- 238000012986 modification Methods 0.000 description 1
- 230000004048 modification Effects 0.000 description 1
- 230000007935 neutral effect Effects 0.000 description 1
Images
Classifications
-
- F—MECHANICAL ENGINEERING; LIGHTING; HEATING; WEAPONS; BLASTING
- F16—ENGINEERING ELEMENTS AND UNITS; GENERAL MEASURES FOR PRODUCING AND MAINTAINING EFFECTIVE FUNCTIONING OF MACHINES OR INSTALLATIONS; THERMAL INSULATION IN GENERAL
- F16H—GEARING
- F16H3/00—Toothed gearings for conveying rotary motion with variable gear ratio or for reversing rotary motion
- F16H3/44—Toothed gearings for conveying rotary motion with variable gear ratio or for reversing rotary motion using gears having orbital motion
- F16H3/46—Gearings having only two central gears, connected by orbital gears
- F16H3/48—Gearings having only two central gears, connected by orbital gears with single orbital gears or pairs of rigidly-connected orbital gears
- F16H3/52—Gearings having only two central gears, connected by orbital gears with single orbital gears or pairs of rigidly-connected orbital gears comprising orbital spur gears
- F16H3/54—Gearings having only two central gears, connected by orbital gears with single orbital gears or pairs of rigidly-connected orbital gears comprising orbital spur gears one of the central gears being internally toothed and the other externally toothed
-
- B—PERFORMING OPERATIONS; TRANSPORTING
- B60—VEHICLES IN GENERAL
- B60K—ARRANGEMENT OR MOUNTING OF PROPULSION UNITS OR OF TRANSMISSIONS IN VEHICLES; ARRANGEMENT OR MOUNTING OF PLURAL DIVERSE PRIME-MOVERS IN VEHICLES; AUXILIARY DRIVES FOR VEHICLES; INSTRUMENTATION OR DASHBOARDS FOR VEHICLES; ARRANGEMENTS IN CONNECTION WITH COOLING, AIR INTAKE, GAS EXHAUST OR FUEL SUPPLY OF PROPULSION UNITS IN VEHICLES
- B60K1/00—Arrangement or mounting of electrical propulsion units
-
- F—MECHANICAL ENGINEERING; LIGHTING; HEATING; WEAPONS; BLASTING
- F16—ENGINEERING ELEMENTS AND UNITS; GENERAL MEASURES FOR PRODUCING AND MAINTAINING EFFECTIVE FUNCTIONING OF MACHINES OR INSTALLATIONS; THERMAL INSULATION IN GENERAL
- F16H—GEARING
- F16H2200/00—Transmissions for multiple ratios
- F16H2200/0021—Transmissions for multiple ratios specially adapted for electric vehicles
-
- F—MECHANICAL ENGINEERING; LIGHTING; HEATING; WEAPONS; BLASTING
- F16—ENGINEERING ELEMENTS AND UNITS; GENERAL MEASURES FOR PRODUCING AND MAINTAINING EFFECTIVE FUNCTIONING OF MACHINES OR INSTALLATIONS; THERMAL INSULATION IN GENERAL
- F16H—GEARING
- F16H2200/00—Transmissions for multiple ratios
- F16H2200/003—Transmissions for multiple ratios characterised by the number of forward speeds
- F16H2200/0034—Transmissions for multiple ratios characterised by the number of forward speeds the gear ratios comprising two forward speeds
Landscapes
- Engineering & Computer Science (AREA)
- Mechanical Engineering (AREA)
- General Engineering & Computer Science (AREA)
- Chemical & Material Sciences (AREA)
- Combustion & Propulsion (AREA)
- Transportation (AREA)
- Structure Of Transmissions (AREA)
Abstract
The invention relates to a two-speed automatic transmission for an electric vehicle. The two-speed automatic transmission comprises an input shaft, an intermediate shaft, an output shaft, a clutch, a brake, a planetary gear mechanism and a differential mechanism. The intermediate shaft comprises a first end part and a second end part. The output shaft comprises a third end part and a fourth end part. The input shaft is connected with the sun gear of the planetary gear mechanism. The clutch and the brake are detachably connected with the inner gear ring of the planetary gear mechanism. The first end part is connected with the planet carrier of the planetary gear mechanism. The second end part is connected with the third end part. The fourth end part is connected with the differential mechanism. Preferably, the second end part is connected with the third end part and the fourth end part is connected with the differential mechanism in an engaging way through gears. By adopting the two-speed automatic transmission, the invention has the advantages that the requirement of the electric vehicle on the driving motor is reduced, the duration that the driving motor runs in the optimum efficiency region is increased, the power consumption of the driving motor is reduced, the continuous running mileage of the electric vehicle is improved, the design is ingenious, the structure is simple and the two-speed automatic transmission is suitable for large-scale popularization and application.
Description
Technical field
The present invention relates to the vehicle drive system technical field, particularly elec. vehicle driving system control technology field specifically is meant a kind of two-speed automatic transmission that is used for elec. vehicle.
Background technology
The electronlmobil noise is little, zero-emission, comfortable clean, easy operating and maintenance, be automobile realize automation, intelligent development must be through approach, being the basic selection of the auto-industry strategy of sustainable development, also is the 21 century of generally acknowledging in the world to replace the most desirable, the most promising green traffic instrument of fuel-engined vehicle.
Present electronlmobil mainly adopts drop-gear box to slow down to increase when drive motor and drive wheel spare and turns round, adopt the driving system of retarder very high to the requirement of drive motor, increased the car load cost of development greatly, and can't allow drive motor operate in best region, reduce the continuation of the journey mileage of electronlmobil.
Summary of the invention
The objective of the invention is to have overcome above-mentioned shortcoming of the prior art, a kind of two-speed automatic transmission that is used for elec. vehicle is provided, by this two-speed automatic transmission, reduced the requirement of elec. vehicle to drive motor, and increased the time that drive motor operates in the optimum efficiency zone, and reduced the drive motor consumption of current, improved the continuation of the journey mileage of electronlmobil, design ingeniously, simple for structure, be suitable for large-scale promotion application.
To achieve these goals, the two-speed automatic transmission that is used for elec. vehicle of the present invention has following formation:
This is used for the two-speed automatic transmission of elec. vehicle, comprise input shaft, output shaft, power-transfer clutch and drg, described output shaft comprises the 3rd end and the 4th end, be characterized in, the described two-speed automatic transmission that is used for elec. vehicle also comprises tween drive shaft, sun and planet gear and diff, described tween drive shaft comprises first end and the second end, described input shaft is connected with the sun wheel of described sun and planet gear, described power-transfer clutch and described drg all removably connect with the internally toothed annulus of described sun and planet gear, described first end is connected with the pinion carrier of described sun and planet gear, described the second end is connected with described the 3rd end, and described the 4th end is connected with described diff.
Preferably, described input shaft is captiveed joint with described sun wheel.
Preferably, described power-transfer clutch separates with described internally toothed annulus, and described drg is connected with described internally toothed annulus.
Preferably, described power-transfer clutch is connected with described internally toothed annulus, and described drg separates with described internally toothed annulus.
Preferably, described power-transfer clutch separates with described internally toothed annulus, and described drg separates with described internally toothed annulus.
Preferably, described first end is captiveed joint with described pinion carrier.
Preferably, described the second end is provided with first gear, and described the 3rd end is provided with second gear, and described the second end is realized being connected with described the 3rd end by described second gear of described first gear mesh.
More preferably, described first gear is fixed on the described the second end, and described second gear is fixed on described the 3rd end.
Preferably, described the 4th end is provided with the 3rd gear, and described diff is provided with the 4th gear, and described the 4th end realizes being connected with described diff by described the 4th gear of described the 3rd gear mesh.
More preferably, described the 3rd gear is fixed on described the 4th end, and described the 4th gear is fixed on the described diff.。
Preferably, described power-transfer clutch is dry type clutch, liquid clutch or magnetic clutch.
Beneficial effect of the present invention is specific as follows:
1, the present invention designs ingenious, simple for structure by a sun and planet gear conversion gear;
2, the present invention is connected input shaft and tween drive shaft by the sun wheel of sun and planet gear respectively with pinion carrier, power-transfer clutch and drg all removably connect with the internally toothed annulus of sun and planet gear, tween drive shaft is connected with output shaft, output shaft is connected with diff, thereby with power by diff be delivered to diff bonded assembly wheel drive shaft on, thereby drive wheels, by the present invention, reduced the requirement of elec. vehicle to drive motor, and increased the time that drive motor operates in the optimum efficiency zone, reduce the drive motor consumption of current, improved the continuation of the journey mileage of electronlmobil, be suitable for large-scale promotion application.
Description of drawings
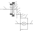
Fig. 1 is the structural representation of a specific embodiment of the present invention.
The specific embodiment
In order more to be expressly understood technology contents of the present invention, describe in detail especially exemplified by following examples.
See also shown in Figure 1, the two-speed automatic transmission that is used for elec. vehicle of the present invention, comprise input shaft 1, tween drive shaft 2, output shaft 3, power-transfer clutch 7, drg 8, sun and planet gear 9 and diff 4, described tween drive shaft 2 comprises first end and the second end, described output shaft 3 comprises the 3rd end and the 4th end, described input shaft 1 is connected with the sun wheel 91 of described sun and planet gear 9, described power-transfer clutch 7 and described drg 8 all removably connect with the internally toothed annulus 92 of described sun and planet gear 9, described first end is connected with the pinion carrier 94 of described sun and planet gear 9, the satellite gear 93 of described sun and planet gear 9 is installed on the pinion carrier 94, described sun wheel 91 is connected with described internally toothed annulus 92 by described satellite gear 93, described the second end is connected with the 3rd end, and described the 4th end is connected with described diff 4.
In specific embodiments of the invention, described input shaft 1 is captiveed joint with described sun wheel 91.Certainly be not limited to captive joint, can also adopt other connection mode, drive sun wheel 91 rotations as long as input shaft 1 rotates.
Because described power-transfer clutch 7 and described drg 8 all removably connect with the internally toothed annulus 92 of described sun and planet gear 9, therefore can be by action to power-transfer clutch 7 and drg 8, four kinds of versions occur: it is combination that (1) described power-transfer clutch 7 is connected with described internally toothed annulus 92, and it is combination that described drg 8 is connected with described internally toothed annulus 92; (2) described power-transfer clutch 7 separates promptly with described internally toothed annulus 92 and does not combine, and it is combination that described drg 8 is connected with described internally toothed annulus 92; (3) to be connected with described internally toothed annulus 92 be combination to described power-transfer clutch 7, and described drg 8 separates promptly with described internally toothed annulus 92 and do not combine; (4) described power-transfer clutch 7 separates promptly with described internally toothed annulus 92 and does not combine, and described drg 8 separates promptly with described internally toothed annulus 92 and do not combine.
Preferably, described first end is captiveed joint with described pinion carrier 93.Certainly be not limited to captive joint, can also adopt other connection mode, drive tween drive shaft 2 rotations as long as pinion carrier 93 is rotated.
Preferably, described the second end is provided with first gear 21, and described the 3rd end is provided with second gear 31, and described the second end is realized being connected with described the 3rd end by described second gear 31 of described first gear 21 engagements.
In specific embodiments of the invention, described first gear 21 is fixed on the described the second end, and described second gear 31 is fixed on described the 3rd end.Certainly be not limited to captive joint equally, can also adopt other connection mode, first gear 21 rotates as long as the second end rotates drive, 31 rotations of second gear drive the 3rd end and rotate.
Preferably, described the 4th end is provided with the 3rd gear 32, and described diff 4 is provided with the 4th gear 41, and described the 4th end realizes being connected with described diff 4 by described the 4th gear 41 of described the 3rd gear 32 engagements.
In specific embodiments of the invention, described the 3rd gear 32 is fixed on described the 4th end, and described the 4th gear 41 is fixed on the described diff 4.Certainly be not limited to captive joint equally, can also adopt other connection mode, the 3rd gear 32 rotates as long as drive is rotated in the 4th end, the moving diff 4 of the 4th gear 41 rotating bands rotates.
Preferably, described power-transfer clutch 7 is dry type clutch, liquid clutch or magnetic clutch.Obviously, described power-transfer clutch 7 can adopt existing various power-transfer clutch form.Described drg 8 can adopt existing various drg form.
During installation, input shaft 1 of the present invention is connected with drive motor, and diff 4 is connected with the axle drive shaft of wheel by box of tricks wherein, has two axle drive shafts usually, represents with Reference numeral 5 and 6 in Fig. 1.Power is delivered on axle drive shaft 5 and 6 by diff 4, and finally is delivered to drive wheels.
When described power-transfer clutch 7 and described drg 8 and described internally toothed annulus 92 all separate when promptly not combining, change-speed box is in neutral state, and the transmission of power between this moment drive motor and drive wheels interrupts.
When separating promptly with described internally toothed annulus 92, described power-transfer clutch 7 do not combine, described drg 8 be connected with described internally toothed annulus 92 promptly in conjunction with the time, change-speed box is in first gear, the transmitting ratio of this gear is relevant with the number of teeth of sun and planet gear 9 each gears, and any wheel tooth number average that satisfies sun and planet gear 9 can be used for the present invention.
When described power-transfer clutch 7 is connected with described internally toothed annulus 92 is combination, and described drg 8 and described internally toothed annulus 92 separate when promptly not combining, and change-speed box is in second gear, and the number of teeth of the transmitting ratio of this gear and sun and planet gear 9 each gears is irrelevant.
When described power-transfer clutch 7 and described drg 8 and described internally toothed annulus 92 all be connected promptly in conjunction with the time, input shaft 1 is connected with housing with drg 8 by power-transfer clutch 7, can't transferring power, therefore do not allow described power-transfer clutch 7 to combine in the present invention with described 8 whiles of drg.
Elec. vehicle for the drop-gear box that adopts the single speed ratio, owing to need satisfy certain climbing degree and other power index, its speed ratio need be got higher value, but because operating modes such as climbing only account for a car load operating mode part, usually less than 10%, under other operating mode of 90%, the electronlmobil output torque is less, and bigger fast odds ratio will reduce the maximum speed of electronlmobil, and improve the motor speed under the cruising speed, and motor can't be worked in the optimum efficiency zone, if use two speed transmissions, make motor be increased in the time of work in the optimum efficiency zone, reduce the consumption of current of drive motor, improved the continuation of the journey mileage of electronlmobil.
To sum up, the two-speed automatic transmission that is used for elec. vehicle of the present invention, by this two-speed automatic transmission, reduced the requirement of elec. vehicle to drive motor, and increased the time that drive motor operates in the optimum efficiency zone, and reduced the drive motor consumption of current, improved the continuation of the journey mileage of electronlmobil, design ingeniously, simple for structure, be suitable for large-scale promotion application.
In this specification sheets, the present invention is described with reference to its certain embodiments.But, still can make various modifications and conversion obviously and not deviate from the spirit and scope of the present invention.Therefore, specification sheets and accompanying drawing are regarded in an illustrative, rather than a restrictive.
Claims (11)
1. two-speed automatic transmission that is used for elec. vehicle, comprise input shaft, output shaft, power-transfer clutch and drg, described output shaft comprises the 3rd end and the 4th end, it is characterized in that, the described two-speed automatic transmission that is used for elec. vehicle also comprises tween drive shaft, sun and planet gear and diff, described tween drive shaft comprises first end and the second end, described input shaft is connected with the sun wheel of described sun and planet gear, described power-transfer clutch and described drg all removably connect with the internally toothed annulus of described sun and planet gear, described first end is connected with the pinion carrier of described sun and planet gear, described the second end is connected with described the 3rd end, and described the 4th end is connected with described diff.
2. the two-speed automatic transmission that is used for elec. vehicle according to claim 1 is characterized in that, described input shaft is captiveed joint with described sun wheel.
3. the two-speed automatic transmission that is used for elec. vehicle according to claim 1 is characterized in that, described power-transfer clutch separates with described internally toothed annulus, and described drg is connected with described internally toothed annulus.
4. the two-speed automatic transmission that is used for elec. vehicle according to claim 1 is characterized in that, described power-transfer clutch is connected with described internally toothed annulus, and described drg separates with described internally toothed annulus.
5. the two-speed automatic transmission that is used for elec. vehicle according to claim 1 is characterized in that, described power-transfer clutch separates with described internally toothed annulus, and described drg separates with described internally toothed annulus.
6. the two-speed automatic transmission that is used for elec. vehicle according to claim 1 is characterized in that, described first end is captiveed joint with described pinion carrier.
7. the two-speed automatic transmission that is used for elec. vehicle according to claim 1, it is characterized in that, described the second end is provided with first gear, described the 3rd end is provided with second gear, and described the second end is realized being connected with described the 3rd end by described second gear of described first gear mesh.
8. the two-speed automatic transmission that is used for elec. vehicle according to claim 7 is characterized in that, described first gear is fixed on the described the second end, and described second gear is fixed on described the 3rd end.
9. the two-speed automatic transmission that is used for elec. vehicle according to claim 1, it is characterized in that, described the 4th end is provided with the 3rd gear, and described diff is provided with the 4th gear, and described the 4th end realizes being connected with described diff by described the 4th gear of described the 3rd gear mesh.
10. the two-speed automatic transmission that is used for elec. vehicle according to claim 9 is characterized in that, described the 3rd gear is fixed on described the 4th end, and described the 4th gear is fixed on the described diff.
11. the two-speed automatic transmission that is used for elec. vehicle according to claim 1 is characterized in that, described power-transfer clutch is dry type clutch, liquid clutch or magnetic clutch.
Priority Applications (1)
| Application Number | Priority Date | Filing Date | Title |
|---|---|---|---|
| CN201010022931A CN101780768A (en) | 2010-01-19 | 2010-01-19 | Two-speed automatic transmission for electric vehicle |
Applications Claiming Priority (1)
| Application Number | Priority Date | Filing Date | Title |
|---|---|---|---|
| CN201010022931A CN101780768A (en) | 2010-01-19 | 2010-01-19 | Two-speed automatic transmission for electric vehicle |
Publications (1)
| Publication Number | Publication Date |
|---|---|
| CN101780768A true CN101780768A (en) | 2010-07-21 |
Family
ID=42520958
Family Applications (1)
| Application Number | Title | Priority Date | Filing Date |
|---|---|---|---|
| CN201010022931A Pending CN101780768A (en) | 2010-01-19 | 2010-01-19 | Two-speed automatic transmission for electric vehicle |
Country Status (1)
| Country | Link |
|---|---|
| CN (1) | CN101780768A (en) |
Cited By (16)
| Publication number | Priority date | Publication date | Assignee | Title |
|---|---|---|---|---|
| CN102182801A (en) * | 2011-05-19 | 2011-09-14 | 苏州安远新能源动力有限公司 | Two-gear automatic transmission of planet wheel type electric automobile |
| WO2012082380A1 (en) * | 2010-12-13 | 2012-06-21 | Toyota Motor Engineering & Manufacturing North America, Inc. | Hydraulic free multispeed transmissions for electric vehicles and fuel cell hybrid vehicles and systems for shifting the same |
| WO2012159789A1 (en) * | 2011-05-26 | 2012-11-29 | Zf Friedrichshafen Ag | Electric axle drive for a vehicle |
| CN102927220A (en) * | 2012-11-09 | 2013-02-13 | 重庆隆旺机电有限责任公司 | Overall input type electric car transmission with preposed planetary gear train |
| CN103398154A (en) * | 2013-08-10 | 2013-11-20 | 韶能集团韶关宏大齿轮有限公司 | Planetary automatic-gear-shifting transmission of structure of hydraulic drive type clutch and brake |
| WO2014023070A1 (en) * | 2012-08-07 | 2014-02-13 | 福建省福工动力技术股份公司 | Hybrid car braking energy recovery device and method based on motor controllable speed-raising |
| CN105584349A (en) * | 2016-02-04 | 2016-05-18 | 重庆青山工业有限责任公司 | Transmission assembly for hybrid electric vehicle |
| CN106090172A (en) * | 2016-08-08 | 2016-11-09 | 吉孚动力技术(中国)有限公司 | Electric motor car automatic gear-box |
| CN106090171A (en) * | 2016-08-08 | 2016-11-09 | 吉孚动力技术(中国)有限公司 | Electronic automatic gearbox for vehicle |
| CN106931085A (en) * | 2015-12-31 | 2017-07-07 | 重庆硬核派传动科技有限公司 | A kind of four-speed gear box used for electric vehicle |
| US9702438B2 (en) | 2014-09-29 | 2017-07-11 | The Royal Institution For The Advancement Of Learning/Mcgill University | Seamless transmission systems and methods for electric vehicles |
| CN109780146A (en) * | 2019-03-13 | 2019-05-21 | 重庆德音科技有限公司 | Two gears automatic speed changer for machine for electric vehicle |
| CN110039992A (en) * | 2018-01-15 | 2019-07-23 | 舍弗勒技术股份两合公司 | Electric bridge driving system and vehicle |
| CN112265438A (en) * | 2020-10-21 | 2021-01-26 | 恒大新能源汽车投资控股集团有限公司 | Electric drive system, vehicle drive control method and device and vehicle |
| CN112265439A (en) * | 2020-10-21 | 2021-01-26 | 恒大新能源汽车投资控股集团有限公司 | Electric drive system and method based on planet wheel and vehicle |
| CN113417978A (en) * | 2021-06-16 | 2021-09-21 | 恒达传动(禹城)有限公司 | Power gear shifting gearbox for wheel excavator |
-
2010
- 2010-01-19 CN CN201010022931A patent/CN101780768A/en active Pending
Cited By (17)
| Publication number | Priority date | Publication date | Assignee | Title |
|---|---|---|---|---|
| WO2012082380A1 (en) * | 2010-12-13 | 2012-06-21 | Toyota Motor Engineering & Manufacturing North America, Inc. | Hydraulic free multispeed transmissions for electric vehicles and fuel cell hybrid vehicles and systems for shifting the same |
| CN102182801A (en) * | 2011-05-19 | 2011-09-14 | 苏州安远新能源动力有限公司 | Two-gear automatic transmission of planet wheel type electric automobile |
| WO2012159789A1 (en) * | 2011-05-26 | 2012-11-29 | Zf Friedrichshafen Ag | Electric axle drive for a vehicle |
| WO2014023070A1 (en) * | 2012-08-07 | 2014-02-13 | 福建省福工动力技术股份公司 | Hybrid car braking energy recovery device and method based on motor controllable speed-raising |
| CN102927220A (en) * | 2012-11-09 | 2013-02-13 | 重庆隆旺机电有限责任公司 | Overall input type electric car transmission with preposed planetary gear train |
| CN102927220B (en) * | 2012-11-09 | 2016-08-03 | 重庆隆旺机电有限责任公司 | The imported electric vehicle transmission of entirety of preposition planet circular system |
| CN103398154A (en) * | 2013-08-10 | 2013-11-20 | 韶能集团韶关宏大齿轮有限公司 | Planetary automatic-gear-shifting transmission of structure of hydraulic drive type clutch and brake |
| US9702438B2 (en) | 2014-09-29 | 2017-07-11 | The Royal Institution For The Advancement Of Learning/Mcgill University | Seamless transmission systems and methods for electric vehicles |
| CN106931085A (en) * | 2015-12-31 | 2017-07-07 | 重庆硬核派传动科技有限公司 | A kind of four-speed gear box used for electric vehicle |
| CN105584349A (en) * | 2016-02-04 | 2016-05-18 | 重庆青山工业有限责任公司 | Transmission assembly for hybrid electric vehicle |
| CN106090172A (en) * | 2016-08-08 | 2016-11-09 | 吉孚动力技术(中国)有限公司 | Electric motor car automatic gear-box |
| CN106090171A (en) * | 2016-08-08 | 2016-11-09 | 吉孚动力技术(中国)有限公司 | Electronic automatic gearbox for vehicle |
| CN110039992A (en) * | 2018-01-15 | 2019-07-23 | 舍弗勒技术股份两合公司 | Electric bridge driving system and vehicle |
| CN109780146A (en) * | 2019-03-13 | 2019-05-21 | 重庆德音科技有限公司 | Two gears automatic speed changer for machine for electric vehicle |
| CN112265438A (en) * | 2020-10-21 | 2021-01-26 | 恒大新能源汽车投资控股集团有限公司 | Electric drive system, vehicle drive control method and device and vehicle |
| CN112265439A (en) * | 2020-10-21 | 2021-01-26 | 恒大新能源汽车投资控股集团有限公司 | Electric drive system and method based on planet wheel and vehicle |
| CN113417978A (en) * | 2021-06-16 | 2021-09-21 | 恒达传动(禹城)有限公司 | Power gear shifting gearbox for wheel excavator |
Similar Documents
| Publication | Publication Date | Title |
|---|---|---|
| CN101780768A (en) | Two-speed automatic transmission for electric vehicle | |
| EP3812617B1 (en) | Transmission, power drive system, and vehicle | |
| CN116278687B (en) | Electric drive bridge and electric truck | |
| CN202573795U (en) | Two-gear drive device for electric car | |
| CN203697961U (en) | Differential and speed change integrated two-gear rear drive assembly of electric automobile | |
| CN201893650U (en) | Power continuously variable transmission with three-gear transmission function | |
| CN105051419B (en) | Transmissions for Motor Vehicles | |
| CN201777128U (en) | Vehicle driving system | |
| CN105508525A (en) | Electric driving system based on single planet row | |
| CN102720810B (en) | Automatic transmission, the vehicle comprising this automatic transmission and process for gear thereof | |
| CN105539130A (en) | Electric driving axle based on single planet row | |
| CN110657204B (en) | Transmission, power driving system and vehicle | |
| CN114537111A (en) | Double-motor electric drive axle assembly and vehicle | |
| CN110529569A (en) | Hybrid power gearbox | |
| CN202732865U (en) | Two-speed automatic transmission used for electric vehicle | |
| CN201672014U (en) | Two-gear automatic speed changing device with end power input for electric car | |
| CN102555794B (en) | Planetary gear train variable speed driving system of electric automobile | |
| CN110654219B (en) | Wheel limit actuating system and vehicle that has it | |
| WO2023273771A1 (en) | Electric drive assembly, four-wheel drive system and automobile | |
| CN201021106Y (en) | Rear axle for electric vehicle | |
| CN117445648A (en) | Four-speed electric drive axle assembly and vehicle | |
| CN201446883U (en) | Rear drive axle of electric motor car with planetary reduction gear | |
| CN202242962U (en) | Clutch structure connected with speed reducer | |
| CN202833882U (en) | Large tractor transfer case | |
| CN202280799U (en) | Multi-gear transmission case |
Legal Events
| Date | Code | Title | Description |
|---|---|---|---|
| C06 | Publication | ||
| PB01 | Publication | ||
| C10 | Entry into substantive examination | ||
| SE01 | Entry into force of request for substantive examination | ||
| C02 | Deemed withdrawal of patent application after publication (patent law 2001) | ||
| WD01 | Invention patent application deemed withdrawn after publication |
Application publication date: 20100721 |