CN101281680A - 一种基于无源待机的电器遥控装置和方法 - Google Patents
一种基于无源待机的电器遥控装置和方法 Download PDFInfo
- Publication number
- CN101281680A CN101281680A CNA200710065113XA CN200710065113A CN101281680A CN 101281680 A CN101281680 A CN 101281680A CN A200710065113X A CNA200710065113X A CN A200710065113XA CN 200710065113 A CN200710065113 A CN 200710065113A CN 101281680 A CN101281680 A CN 101281680A
- Authority
- CN
- China
- Prior art keywords
- remote control
- receiver
- electrical
- energy
- signal
- Prior art date
- Legal status (The legal status is an assumption and is not a legal conclusion. Google has not performed a legal analysis and makes no representation as to the accuracy of the status listed.)
- Granted
Links
- 238000000034 method Methods 0.000 title claims abstract description 21
- 238000006243 chemical reaction Methods 0.000 claims description 17
- 230000003111 delayed effect Effects 0.000 claims description 14
- 238000004146 energy storage Methods 0.000 claims description 9
- 238000012545 processing Methods 0.000 claims description 5
- 230000002463 transducing effect Effects 0.000 claims description 4
- 230000026683 transduction Effects 0.000 claims description 4
- 238000010361 transduction Methods 0.000 claims description 4
- 230000001960 triggered effect Effects 0.000 abstract description 3
- 239000003990 capacitor Substances 0.000 description 10
- 238000010586 diagram Methods 0.000 description 8
- 238000005265 energy consumption Methods 0.000 description 7
- 230000005540 biological transmission Effects 0.000 description 4
- 238000005516 engineering process Methods 0.000 description 3
- 230000008878 coupling Effects 0.000 description 2
- 238000010168 coupling process Methods 0.000 description 2
- 238000005859 coupling reaction Methods 0.000 description 2
- 230000003068 static effect Effects 0.000 description 2
- 239000002699 waste material Substances 0.000 description 2
- XUIMIQQOPSSXEZ-UHFFFAOYSA-N Silicon Chemical compound [Si] XUIMIQQOPSSXEZ-UHFFFAOYSA-N 0.000 description 1
- 230000009286 beneficial effect Effects 0.000 description 1
- 230000007547 defect Effects 0.000 description 1
- 238000001514 detection method Methods 0.000 description 1
- 238000011161 development Methods 0.000 description 1
- 238000006073 displacement reaction Methods 0.000 description 1
- 230000000694 effects Effects 0.000 description 1
- 230000005611 electricity Effects 0.000 description 1
- 238000001914 filtration Methods 0.000 description 1
- 230000007774 longterm Effects 0.000 description 1
- 238000011160 research Methods 0.000 description 1
- 239000004065 semiconductor Substances 0.000 description 1
- 229910052710 silicon Inorganic materials 0.000 description 1
- 239000010703 silicon Substances 0.000 description 1
- 238000012360 testing method Methods 0.000 description 1
- 230000009466 transformation Effects 0.000 description 1
Images
Landscapes
- Selective Calling Equipment (AREA)
Abstract
本发明提供了一种基于无源待机的电器遥控装置和方法。该电器遥控装置与被控设备构成可遥控电器,电器遥控装置包括接收器和发射器;发射器用于发射承载一定能量的信号至接收器;接收器接收该信号,将该信号转化为电信号,并触发接收器,在一定时间内使电源为接收器供电,从而在该一定时间内使可遥控电器处于有源待机状态;当可遥控电器处于有源待机状态时,发射器发射相应的操作信号至接收器;该接收器接收到操作信号后,启动被控设备开始工作,并且当被控设备正常工作后为接收器供电。通过本发明,除必要的遥控接收电路在可遥控电器工作时耗能外,整个装置在没有被外界能源触发时和在可遥控电器进入工作状态时其它电子装置不消耗任何能源。
Description
技术领域
本发明涉及电器遥控领域,特别涉及一种基于无源待机的电器遥控装置和方法。
背景技术
目前,电器设备的使用日益频繁和广泛,并且使用者在使用电器设备,如家用电器中的电视、电灯等时,均需到设置开关的地方手动打开、关闭电源开关,这样使用起来极不方便。
随着科技的发展,为了使用上的方便,在上述电器设备上设置了遥控开关、网络唤醒、定时开关等各种待机功能,并且仅需要按动遥控器就可操作和使用电器设备。
现有技术中,遥控装置均采用有源接收方式,其遥控发射器发射的信号能否生效取决于遥控接收器是否处于等待接收状态。因为要接收有用的遥控信号,接收器需要将信号进行接收、放大、解码、推动执行机构实施遥控功能。即,接收器需要处于等待接收状态,而处于这种状态的电路需要消耗能量。因此,现有技术中电器设备毫无例外都存在待机能耗。
所述待机能耗是指电器设备在关机或不行使其原始功能时的能源消耗,与产品在使用过程中产生的有效能耗不同,待机能耗基本上是一种能源浪费。
为降低待机功耗,据2005年4月4日《科报网》报道:“内蒙古科技大学副教授周先谱发明的一种待机电源控制芯片使家电在待机状态下能耗为零。经检测,在安装了芯片的家电待机状态下,交流侧静态待机电流为零,直流侧静态待机电流为0.35微安,装置本身能耗仅为3微瓦。在家电启动后,其中的电池输出电流检测值为零。”
虽然通过采用上述技术可减少电器设备的待机功耗,但是,采用有源接收方式的遥控装置的电器设备的待机功耗只能是尽可能低,绝对不可能实现零功耗。
总之,采用现有技术中的遥控装置不可避免地会带来以下缺陷:增加了电器设备的待机功耗,浪费能源;使电器设备长时间处于待机耗电状态而大大缩短其使用寿命;存在安全隐患。
发明内容
鉴于现有技术中存在的问题,本发明的目的在于提供一种基于无源待机的电器遥控装置和方法,使得电器设备无待机功耗,可适用于各种电器设备,具有通用性。
本发明提供一种电器遥控装置,该电器遥控装置与被控设备构成可遥控电器,该电器遥控装置包括接收器和发射器;其中,该发射器用于发射承载一定能量的信号至接收器;该接收器接收承载一定能量的信号,将该信号转化为电信号,并触发该接收器,使接收器在一定时间内获得电源,从而在该一定时间内使可遥控电器处于有源待机状态;当可遥控电器处于有源待机状态时,该发射器发射相应的操作信号至接收器;接收器接收到该操作信号后,启动被控设备开始工作,并且当该被控设备正常工作后为该接收器供电。
本发明还提供一种电器遥控方法,其中,该电器遥控方法包括如下步骤:发射器发射承载一定能量的信号至接收器;该接收器接收承载一定能量的信号,将该信号转换为电信号,并触发接收器,在一定时间内使电源为该接收器供电,从而在一定时间内使可遥控电器处于有源待机状态;当该可遥控电器处于有源待机状态时,在该一定时间内发射相应的操作信号至接收器;该接收器接收到相应操作信号后,启动被控设备开始工作,当该被控设备正常工作后开始为接收器供电。
本发明的有益效果在于,实现了真正意义上的零待机功率消耗,节省了大量的电能,提高了系统安全指数,延长了电器的使用寿命;充分体现了人性化理念,在零待机功率消耗且不改变人们使用习惯的情况下也能实施各种遥控。
附图说明
图1为本发明实施例的可遥控电器的原理框图;
图2为本发明实施例中的电器遥控装置的接收器的原理框图;
图3、4为本发明实施例中无源接收换能电路不同连接方式的电路图;
图5为本发明实施例中无源能源接收转换装置采用电桥形式的混联结构电路图;
图6、7、8、9、10为本发明实施例中延时电源控制电路不同连接方式的电路图;
图11、12、13为本发明实施例的电器遥控方法的步骤流程图。
具体实施方式
发明人经过长时间研究认为:要彻底解决好待机功率消耗的问题应当解决好以下问题:1.只有使用无源性待机器件才可能实现真正意义的零功率消耗;2.要解决好改进后所用器件本身的功率消耗问题,如果改进后虽然待机功耗消除,但是在正常使用时功率消耗变大了,这是得不偿失的;3.设备改造成本不能过高,过高的成本是普及的障碍;4.要不能随意改变人们长期以来的使用习惯,操作麻烦则人们不愿意使用也难以普及。
为了解决上述问题,本发明提供了一种无待机功耗的电器遥控装置和方法,下面参照附图详细说明本发明。
实施例一
本发明提供了一种基于无源待机的电器遥控装置,如图1所示,该电器遥控装置20包括发射器105和接收器30;该电器遥控装置20与被控设备104构成可遥控电器10;其中,该可遥控电器10可以是各种可遥控操作的用电器,例如是电视机、计算机、空调器等等,本发明并不以此为限。
发射器105由一个或多个发射电路构成,其中,各个发射电路的发射功率大小是不同的。
发射器105用于发射承载一定能量的信号至接收器30,发射器105发射的承载一定能量的信号包括声波、光波或电磁波在内的多种形式的信号。
接收器30接收上述发射器105发射的承载一定能量的信号,将该信号转化为电信号,并触发接收器30,在一定时间内使电源为接收器30供电;从而在上述一定时间内使可遥控电器10处于有源待机状态;其中,这里的电源通常指的是市电交流220V,也可以是能够使可遥控电器正常工作的其它形式的电源,本发明并不以此为限。
当可遥控电器10处于有源待机状态时,发射器105发射相应的操作信号至接收器30;接收器30接收到该操作信号后,启动被控设备104开始工作,并且当被控设备104正常工作后为接收器30供电。
另一方面,当可遥控电器10处于工作状态时,遥控接收电路103接收到发射器105发射的关机信号时,可遥控电器10回到无源待机状态;当可遥控电器10处于有源待机状态时,在所述一定时间内接收器30未接收到发射器105发射的相应的操作信号,则可遥控电器10回到无源待机状态。
在这里,有源待机状态是指电器遥控装置20的接收器30获得电能,而可遥控电器10处于等待接收发射器105的操作信号的状态,通常该有源待机状态持续一个很短的瞬间;无源待机状态是指电器遥控装置20的接收器30不再获得电能,可遥控电器10处于等待发射器105发射带有一定能量的信号以便进入有源待机状态的状态。
请参见图2,图2为图1中的本发明实施例的电器遥控装置的接收器的原理框图。如图所示,接收器30还包括无源接收换能电路101、延时电源控制电路102和遥控接收电路103。
无源接收换能电路101用于接收发射器105发射的承载一定能量的信号,将该信号转化为电信号后,传送至延时电源控制电路102。
对于本实施例中的无源接收换能电路101的电路结构请参见附图3、4。
如图3所示,为本发明实施例中无源接收换能电路101的一种连接方式的电路图。图3中的E1、HD、L1分别为光能转换器件光电池或红外硅光电池、声波波能转换器件压电片或超声波接收器件、电磁波波能转换器件电感线圈,天线或LC电路,这三者都不需要使用额外加载电源且能独立接收外界的各种类型的能源,并将上述能量转化成电能,可以通过开关K1、K2、K3实现多种连接方式,同时也说明发射器105和接收器30之间可以通过多种无线方式传输能量。图3中二极管D的作用在于将接收到的交流信号转化直流信号,如果图3中的转换器件输出的是直流信号则可以省去整流器件D。
请参见图4,图4为本发明实施例中无源接收换能电路的另一种连接方式的电路图。与图3相比,图4中增加了C1、C2两个电容器和电子泵,当E1、HD、L1无源性接收器件接收到相应信号转化成电信号后,C1中有了电荷,C1的电荷通过电子泵将电荷转移到C2逐步蓄积起来,这样用存储蓄积的电能去驱动其他电路工作会更可靠,同时还可以减小发射装置的发射功率,相应地还可以增加传输距离。
从以上可以看出无源接收换能电路101可以是简单的单个无源接收器件,也可以由多个不同类型器件组合而成,例如无源能源接收转换装置和能源处理装置组合而成的电路;其中,无源能源接收转换装置可由声波波能转换器件、光能转换器件、电磁波波能转换器件中的一种或多种并联构成,如图3、4所示;也可以由声波波能转换器件、光能转换器件、电磁波波能转换器件中的一种或多种混联构成,如图5所示,其中光电池与电阻连接成电桥形式,这样一来可以消除普通光线的干扰问题,使用时只要发射的信号对准某一光电池,使电桥失去平衡,输出端即可得到一定的信号。综上,该无源能源接收转换装置用于在不需要提供额外加载电源的情况下,接收发射器105发射的能源,并将该能源转换为电信号,甚至还可以是其他不需要提供额外加载电源即可接收能源并将其能量转化成电信号的装置,同时还可以附设能源处理装置用以提高效益,减小发射装置的发射功率,相应还可以增加传输距离。其中能源处理装置可由整流器或电能聚积装置组成,电能聚积装置可以是任何积聚电荷到达一定参数指标后释放电能的器件;在这里,无源接收换能电路101的电路连接方式的繁简应根据适用环境、工作要求而定,连接方式及具体电路具有多样性,在此不再赘述。
延时电源控制电路102用于接收无源接收换能电路101发出的电信号,触发延时电源控制电路102,在一定时间内通过该延时电源控制电路102,电源向遥控接收电路103提供电能,在所述一定时间内使可遥控电器10进入有源待机状态。
对于本实施例中的延时电源控制电路102的电路结构,请参见附图6、7、8、9、10所示。
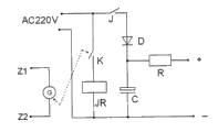
参见图6,为延时电源控制电路102的一种电路连接方式,当图中Z1、Z2接入一微弱的电信号时,灵敏电流计G的指针发生偏转带动开关K闭合,K闭合后,AC220V的电源经过二极管D对电容C充电,并通过电阻R对外供电,G的指针复位充电结束,一段时间后(即上述的可遥控电器处于有源待机状态的一定时间),电容C放电结束对外供电随之结束。
请参见图7,为延时电源控制电路102的另一种电路连接方式,图中Z1、Z2接入一微弱的电信号时,灵敏电流计G的指针发生偏转带动开关K闭合,K闭合后,继电器的线圈JR得电,继电器的常开触点J闭合,AC220V的电源经过触点J、二极管D对电容C充电,并通过电阻R对外供电,G的指针复位后,继电器的线圈JR失电,常开触点J断开,充电结束,一段时间后,电容C放电结束对外供电随之结束。
对于图6、7中的延时电源控制电路102的电路连接方式的特点是:接收的电信号让电子开关闭合后瞬间让储能装置积蓄大量的电能,同时电源通过该电子开关对遥控接收电路103供电,接收的电信号消失后该电子开关断开,储存装置释放电能让遥控接收电路103继续工作一段时间。
参见图8,为延时电源控制电路102的另一种电路连接方式,图中Z1、Z2接入一微弱的电信号时,灵敏电流计G的指针发生偏转带动开关K闭合,K闭合后,AC220V的电源经过开关K、电阻R2、二极管D对电容C1充电,并通过电阻R3触发单向可控硅BG,可控硅BG导通后AC220V的电源经限流电阻R1、可控硅BG整流以及电容C2滤波后对外供电,G的指针复位后,电容C1充电结束;由于C1储电作用,可控硅BG将继续导通一段时间,当C1放电电压低于可控硅BG的触发电压时,在可控硅BG在交流电过零时,截止对外供电随之结束。
参见图9,为延时电源控制电路102的另一种电路连接方式,图中Z1、Z2接入一微弱的电信号时,光电耦合器件BG2工作,AC220V的电源经过电阻R2、导通的光电耦合器件BG2、对电容C1充电,并通过电阻R3触发单向可控硅BG1,可控硅BG1导通后,AC220V的电源经限流电阻R1、可控硅BG1整流以及电容C2滤波后对外供电,光电耦合器件BG2停止工作,则C1充电结束;由于C1储电作用,可控硅BG1将继续导通一段时间,当C1放电电压低于可控硅BG1的触发电压时,在可控硅BG1在交流电过零时,截止对外供电随之结束。
其中,可控硅BG可以为单向可控硅或是双向可控硅,具体采用何种可控硅在应用时应当根据具体情况而定,本发明并不以此为限。
参见图10,为延时电源控制电路102的另一种电路连接方式,当图中Z1、Z2接入一微弱的电信号时,灵敏电流计G的指针发生偏转带动开关K闭合,K闭合后,继电器的线圈JR得电,继电器的常开触点JK闭合,一方面由于JK的作用继电器自锁,另一方面AC220V的电源通过触点JK、经电阻R、电容C1限流,整流桥D整流,电容C2滤波后对外供电,从时间上控制电路通断与否的继电器TJ接在其负载上,一段时间后继电器TJ输出信号使其常闭触点断开一次,继电器的线圈JR失电,电路自锁解除,停止对外供电。
对于图8、9、10中的延时电源控制电路102的电路连接方式的特点是:接收的电信号让电子开关闭合后瞬间储能装置积蓄少量的电能,接收的电信号消失后,所储存的电能让该电子开关维持导通一段时间,使电源为遥控接收电路103继续供电。
从以上几个延时电源控制电路102的电路连接方式的优选实施例可以看出,延时电源控制电路102的特征在于,用一微弱的电信号即可触发该电路工作并在一定时间内对遥控接收电路103供电,该延时电源控制电路102在可遥控电器10进入正常使用状态后不消耗任何能源;该延时电源控制电路102可以是单独的可延时的电子开关电路,也可以由电子开关和储能装置构成,其中电子开关可以是任何由电压或电流控制电路通断的半导体器件或电磁、机械组合形式装置中的任何由电压或电流驱动并伴随产生位移(例如:高灵敏度的表头)的器件中的一种或多种构成。储能装置,连接该电子开关,接收的电信号让电子开关闭合后瞬间让储能装置积蓄大量的电能,同时电源通过该电子开关对遥控接收电路103供电,接收的电信号消失后该电子开关断开,所储存的电能让遥控接收电路103继续工作;或是,接收的电信号让电子开关闭合后瞬间让储能装置积蓄少量的电能,接收的电信号消失后,所储存的电能让该电子开关维持导通状态,使电源为遥控接收电路103继续供电。
在本发明中,遥控接收电路103可以是任何可接收发射器105发射的遥控信号的接收电路,其电路结构和工作原理为本领域技术人员熟知,故在此不再赘述。
遥控接收电路103在可遥控电器10处于所述有源待机状态时,遥控接收电路103接收发射器105发射的遥控操作信号,以便对被控设备104实现相应的遥控操作。
遥控接收电路103与被控设备104相连,用于在上述有源待机状态时,遥控接收电路103接收被控设备104的提供的电能;另一方面,通过遥控接收电路103,实现发射器105对被控设备104实施各种遥控功能操作。
综上所述,可遥控电器10的启动过程和处于正常工作状态时,分别由外部电源通过延时电源控制电路102和被控设备104向遥控接收电路103提供所需的电能。
此外,对于接收器30,其所包括的装置,如无源接收换能电路101、延时电源控制电路102和遥控接收电路103,可以分别采用上述不同的电路连接方式,而接收器30可以是采用各种不同电路连接方式的各个装置的任意组合,对此本发明不再一一详述。
实施例二
本发明还提供了一种电器遥控方法,请参见图1、2、11、12、13,对实施例一中的电器遥控装置20如何实现本发明的电器遥控方法进行详细的说明。
请参见图11,该电器遥控方法包括如下步骤:将无源接收换能电路101的Z1、Z2接点与延时电源控制电路102的Z1、Z2接点相连接,延时电源控1制电路102的AC220V端与市电连接,延时电源控制电路102的电源输出端与遥控接收电路103电源接入端连接,遥控接收电路103的电源接入端与可遥控电器10的被控设备104的相应电源连接。以上连接完成后,发射器105发射承载一定能量的信号至接收器30(见步骤1001);该接收器30接收此承载一定能量的信号,将该信号转换为电信号(见步骤1002);该转换后的电信号触发接收器30,在一定时间内使电源为所述接收器30供电,从而在该一定时间内使可遥控电器10处于有源待机状态(见步骤1003);当可遥控电器10处于有源待机状态时,在该一定时间内发射器105发射相应的操作信号至所述接收器30(见步骤1004);接收器30接收到该操作信号后,启动被控设备104开始工作,当该被控设备104正常工作后为接收器30供电(见步骤1005)。
对于该电器遥控方法,还可能有如下两种情况发生:
见图12所示,在可遥控电器10处于有源待机状态后(见步骤1003),在上述一定时间内,接收器30没有接收到相应的操作信号,则可遥控电器10转换为无源待机状态(见步骤1006)。
见图13所示,当可遥控电器10处于工作状态时(见步骤1007),遥控接收电路103接收到发射器105发射的关机信号时(见步骤1008),可遥控电器10转换为无源待机状态(见步骤1009)。
本发明提供的电器遥控装置既可以作为单独器件插接于各种电器设备上使用,还可以作为电器设备的一部分。例如,以下将以电器设备为空调机为例进行说明,可将本发明提供的电器遥控装置安装在空调机上,即本发明的电器遥控装置的接收器与空调机相连接,利用手持的遥控发射器进行遥控操作:首先,遥控发射器通过发射器上的按键向空调机发射一个带有能量的信号,触发空调机上的接收器,在一定时间内,空调机处于有源待机状态;当接收器收到遥控发射器发射的相关操作信号时,就启动空调机开始正常工作,并向接收器供电,此时空调机进入正常工作状态;在这里,相关操作信号是指遥控发射器通过各种功能按键,例如温度调节、工作模式调节按键等来向接收器发射的相关信号,实现空调机的各种功能。
如果在该空调机处于有源待机状态的一定时间内,接收器没有接收到任何由遥控发射器发射的操作信号,例如温度调节、工作模式调节等信号,则空调机回到无源待机状态;另一方面,当空调机处于正常工作状态时,可以通过按下遥控发射器的关机按钮,来向接收器发出一个关机信号,则停止向接收器供电,空调机回到无源待机状态。
综上所述,通过本发明提供的电器遥控装置和方法,采用无线方式发射一定的能量,接收器采用不需要提供额外电源的能源接收装置接受其能量,并利用所接受的能量触发一个电路工作使被控设备正常启动,可遥控电器正常启动进入工作状态后可以通过遥控发射器(发射器)实施遥控调节,除必要的遥控接收电路在可遥控电器工作时耗能外,整个装置在没有被外界相应能源触发时和在可遥控电器进入正常工作状态时其它电子装置不消耗任何能源,该发明通过二次步进待机使得可遥控电器在待机时更安全,用最简洁的电路,最低的造价解决了一个世界性难题,实现了可遥控电器待机零功耗的终结目标,突现了科学价值,有着革命性意义。
以上具体实施方式仅用于说明本发明,而非用于限定本发明。
Claims (10)
1. 一种电器遥控装置,所述电器遥控装置(20)与被控设备(104)构成可遥控电器(10),其特征在于,所述电器遥控装置(20)包括接收器(30)和发射器(105);其中,
所述发射器(105),用于发射承载一定能量的信号至所述接收器(30);
所述接收器(30),接收所述承载一定能量的信号,将所述信号转化为电信号,并触发所述接收器(30),使所述接收器(30)在一定时间内获得电源,从而在所述一定时间内使所述可遥控电器(10)处于有源待机状态;
当所述可遥控电器(10)处于有源待机状态时,所述发射器(105)发射相应的操作信号至所述接收器(30);所述接收器(30)接收到所述操作信号后,启动所述被控设备(104)开始工作,并且当所述被控设备(104)正常工作后为所述接收器(30)供电。
2. 根据权利要求1所述的电器遥控装置,其特征在于,所述接收器(30)包括无源接收换能电路(101)、延时电源控制电路(102)和遥控接收电路(103);其中,
所述无源接收换能电路(101),用于接收发射器(105)发射的所述承载一定能量的信号,将所述信号转化为电信号后传送至延时电源控制电路(102);
所述延时电源控制电路(102),用于接收所述电信号,触发所述延时电源控制电路(102),使所述电源在一定时间内向所述遥控接收电路(103)提供电能,在所述一定时间内使可遥控电器(10)进入有源待机状态;
所述遥控接收电路(103),在可遥控电器(10)处于所述有源待机状态时,所述遥控接收电路(103)接收所述发射器(105)发射的遥控操作信号,对被控设备(104)实现相应的遥控操作;
当所述被控设备(104)正常工作后,所述被控设备(104)为所述遥控接收电路(103)供电。
3. 根据权利要求1所述的电器遥控装置,其特征在于,还包括:
当所述可遥控电器(10)处于工作状态时,所述遥控接收电路(103)接收到发射器(105)发射的关机信号时,所述可遥控电器(10)回到无源待机状态;
当所述可遥控电器(10)处于所述有源待机状态时,在所述一定时间内所述接收器(30)未接收到发射器(105)发射相应的操作信号,则所述可遥控电器(10)回到无源待机状态。
4. 根据权利要求2所述的电器遥控装置,其特征在于,所述无源接收换能电路(101)是无源能源接收转换装置,其中,
所述无源能源接收转换装置由声波波能转换器件、光能转换器件、电磁波波能转换器件中的一种或多种构成。
5. 根据权利要求4所述的电器遥控装置,其特征在于,所述无源接收换能电路(101)还包括能源处理装置,其中,
所述能源处理装置,连接所述无源能源接收转换装置,用于对所述电信号进行信号整流或电荷存储。
6. 根据权利要求2所述的电器遥控装置,其特征在于,所述延时电源控制电路(102)包括电子开关和储能装置;其中,
所述电子开关,用于在接收到所述无源接收换能电路(101)的电信号后,导通电源向所述储能装置和遥控接收电路(103)供电;
所述储能装置,连接所述电子开关,用于存储和释放所述电源所提供的电能,并决定所述电源向遥控接收电路(103)供电时间的长短。
7. 根据权利要求1所述的电器遥控装置,其特征在于,所述发射器(105)发射的承载一定能量的信号类型包括声波、光波和电磁波中的一种或多种。
8. 根据权利要求1所述的电器遥控装置,其特征在于,所述发射器(105)由一种或多种发射功率级别的发射电路构成。
9. 一种电器遥控方法,其特征在于,所述电器遥控方法包括如下步骤:
发射器发射承载一定能量的信号至接收器;
所述接收器接收所述承载一定能量的信号,将所述信号转换为电信号,并触发所述接收器,在一定时间内使电源为所述接收器供电,从而在所述一定时间内使可遥控电器处于有源待机状态;
当所述可遥控电器处于有源待机状态时,在所述一定时间内所述发射器发射相应的操作信号至所述接收器;
所述接收器接收到所述操作信号后,启动被控设备开始工作,当所述被控设备正常工作后开始为所述接收器供电。
10. 根据权利要求9所述的电器遥控方法,其特征在于,还包括步骤:
当所述可遥控电器处于所述有源待机状态时,在所述一定时间内,所述接收器没有接收到发射器发射的所述相应的操作信号,所述可遥控电器回到无源待机状态;
当所述可遥控电器处于工作状态时,所述接收器接收到发射器发射的关机信号时,所述可遥控电器回到无源待机状态。
Priority Applications (1)
| Application Number | Priority Date | Filing Date | Title |
|---|---|---|---|
| CN 200710065113 CN101281680B (zh) | 2007-04-04 | 2007-04-04 | 一种基于无源待机的电器遥控装置和方法 |
Applications Claiming Priority (1)
| Application Number | Priority Date | Filing Date | Title |
|---|---|---|---|
| CN 200710065113 CN101281680B (zh) | 2007-04-04 | 2007-04-04 | 一种基于无源待机的电器遥控装置和方法 |
Publications (2)
| Publication Number | Publication Date |
|---|---|
| CN101281680A true CN101281680A (zh) | 2008-10-08 |
| CN101281680B CN101281680B (zh) | 2012-12-05 |
Family
ID=40014121
Family Applications (1)
| Application Number | Title | Priority Date | Filing Date |
|---|---|---|---|
| CN 200710065113 Expired - Fee Related CN101281680B (zh) | 2007-04-04 | 2007-04-04 | 一种基于无源待机的电器遥控装置和方法 |
Country Status (1)
| Country | Link |
|---|---|
| CN (1) | CN101281680B (zh) |
Cited By (10)
| Publication number | Priority date | Publication date | Assignee | Title |
|---|---|---|---|---|
| CN101789635A (zh) * | 2010-01-22 | 2010-07-28 | 李畅 | 基于红外线遥控的零功耗安全待机电源控制装置 |
| CN103888697A (zh) * | 2014-02-28 | 2014-06-25 | 刘举柱 | 电视机待机零功耗固态继电器 |
| CN106991802A (zh) * | 2016-01-21 | 2017-07-28 | 神州龙芯(江苏)智能科技有限公司 | 一种用电设备的节能遥控方法及系统 |
| CN109391136A (zh) * | 2017-08-02 | 2019-02-26 | 郑州宇通客车股份有限公司 | 一种dc/dc变换器唤醒系统、车辆低压供电系统及车辆 |
| CN110956796A (zh) * | 2019-12-30 | 2020-04-03 | 广东工业大学 | 无线开关装置、设备、设备系统及供电通断操作控制方法 |
| CN111091698A (zh) * | 2019-12-30 | 2020-05-01 | 广东工业大学 | 用于实现设备供电通断操作的无线控制系统和无线控制方法 |
| CN111105608A (zh) * | 2019-12-30 | 2020-05-05 | 广东工业大学 | 用于实现设备供电通断操作的无线控制系统和无线控制方法 |
| CN111142416A (zh) * | 2019-12-30 | 2020-05-12 | 广东工业大学 | 无线开关装置、设备、设备系统及供电通断操作控制方法 |
| CN113593214A (zh) * | 2021-07-09 | 2021-11-02 | Tcl空调器(中山)有限公司 | 遥控装置、系统、方法、终端设备及计算机可读存储介质 |
| CN114758488A (zh) * | 2022-03-17 | 2022-07-15 | 江苏大学 | 一种无源开关装置 |
Family Cites Families (1)
| Publication number | Priority date | Publication date | Assignee | Title |
|---|---|---|---|---|
| CN2408624Y (zh) * | 1999-09-23 | 2000-11-29 | 林耀 | 内藏式家电待机减耗装置 |
-
2007
- 2007-04-04 CN CN 200710065113 patent/CN101281680B/zh not_active Expired - Fee Related
Cited By (15)
| Publication number | Priority date | Publication date | Assignee | Title |
|---|---|---|---|---|
| CN101789635A (zh) * | 2010-01-22 | 2010-07-28 | 李畅 | 基于红外线遥控的零功耗安全待机电源控制装置 |
| CN103888697A (zh) * | 2014-02-28 | 2014-06-25 | 刘举柱 | 电视机待机零功耗固态继电器 |
| CN103888697B (zh) * | 2014-02-28 | 2017-10-20 | 六安市同心畅能电子科技有限公司 | 电视机待机零功耗固态继电器 |
| CN106991802A (zh) * | 2016-01-21 | 2017-07-28 | 神州龙芯(江苏)智能科技有限公司 | 一种用电设备的节能遥控方法及系统 |
| CN109391136A (zh) * | 2017-08-02 | 2019-02-26 | 郑州宇通客车股份有限公司 | 一种dc/dc变换器唤醒系统、车辆低压供电系统及车辆 |
| CN109391136B (zh) * | 2017-08-02 | 2023-11-17 | 宇通客车股份有限公司 | 一种dc/dc变换器唤醒系统、车辆低压供电系统及车辆 |
| CN111091698A (zh) * | 2019-12-30 | 2020-05-01 | 广东工业大学 | 用于实现设备供电通断操作的无线控制系统和无线控制方法 |
| CN111105608A (zh) * | 2019-12-30 | 2020-05-05 | 广东工业大学 | 用于实现设备供电通断操作的无线控制系统和无线控制方法 |
| CN111142416A (zh) * | 2019-12-30 | 2020-05-12 | 广东工业大学 | 无线开关装置、设备、设备系统及供电通断操作控制方法 |
| CN110956796B (zh) * | 2019-12-30 | 2021-05-11 | 广东工业大学 | 无线开关装置、设备、设备系统及供电通断操作控制方法 |
| CN111142416B (zh) * | 2019-12-30 | 2023-04-18 | 广东工业大学 | 无线开关装置、设备、设备系统及供电通断操作控制方法 |
| CN110956796A (zh) * | 2019-12-30 | 2020-04-03 | 广东工业大学 | 无线开关装置、设备、设备系统及供电通断操作控制方法 |
| CN113593214A (zh) * | 2021-07-09 | 2021-11-02 | Tcl空调器(中山)有限公司 | 遥控装置、系统、方法、终端设备及计算机可读存储介质 |
| CN114758488A (zh) * | 2022-03-17 | 2022-07-15 | 江苏大学 | 一种无源开关装置 |
| CN114758488B (zh) * | 2022-03-17 | 2023-02-24 | 江苏大学 | 一种无源开关装置 |
Also Published As
| Publication number | Publication date |
|---|---|
| CN101281680B (zh) | 2012-12-05 |
Similar Documents
| Publication | Publication Date | Title |
|---|---|---|
| CN101281680B (zh) | 一种基于无源待机的电器遥控装置和方法 | |
| CN105933193B (zh) | 智能开关控制系统和方法 | |
| CN100490347C (zh) | 可调控发射功率位准的无线式资讯装置 | |
| CN104821643B (zh) | 一种机器人无线充电装置 | |
| CN201340528Y (zh) | 家用电器零功耗限时待机控制电路 | |
| JP2002026812A (ja) | 電源制御装置およびリモコン用受信装置および光通信装置 | |
| CN102393714A (zh) | 基于ZigBee的自编码家电控制系统及其实现方法 | |
| CN104578743A (zh) | 供电控制电路 | |
| CN107085379A (zh) | 一种智能家居控制系统及控制方法 | |
| CN108091125A (zh) | 一种遥控器及其控制方法 | |
| CN201397454Y (zh) | 一种间歇式供电的微功耗待机控制电路 | |
| CN208596455U (zh) | 一种遥控器 | |
| CN206773914U (zh) | 一种驻极体微振发电无线开关控制装置 | |
| CN205732126U (zh) | 一种基于无线充电与遥控技术的便携式超声清洗器 | |
| TW202046552A (zh) | 供電系統及供電方法 | |
| CN204652248U (zh) | 一种可远程控制的开关电源 | |
| CN101419743B (zh) | 无线遥控开关及家电mac地址写入方法 | |
| CN208461512U (zh) | 一种电力检修仪器仪表的无线充电装置 | |
| CN207458333U (zh) | 一种无线控制开关装置及系统 | |
| JP2012529260A (ja) | 誘導エネルギー伝達用回路機構 | |
| CN204258418U (zh) | 一种光电智能两用无线充电器 | |
| WO2014176836A1 (zh) | 无线电能传输系统、接收端、发射端及其唤醒方法 | |
| CN207183696U (zh) | 一种智能插座 | |
| CN202931650U (zh) | 超声波遥控照明灯 | |
| CN214428323U (zh) | 智能语音遥控器 |
Legal Events
| Date | Code | Title | Description |
|---|---|---|---|
| C06 | Publication | ||
| PB01 | Publication | ||
| C10 | Entry into substantive examination | ||
| SE01 | Entry into force of request for substantive examination | ||
| C14 | Grant of patent or utility model | ||
| GR01 | Patent grant | ||
| CF01 | Termination of patent right due to non-payment of annual fee |
Granted publication date: 20121205 |
|
| CF01 | Termination of patent right due to non-payment of annual fee |