CN100424503C - 热释电系数测量装置 - Google Patents

热释电系数测量装置 Download PDF

Info

Publication number
CN100424503C
CN100424503C CNB2006100190800A CN200610019080A CN100424503C CN 100424503 C CN100424503 C CN 100424503C CN B2006100190800 A CNB2006100190800 A CN B2006100190800A CN 200610019080 A CN200610019080 A CN 200610019080A CN 100424503 C CN100424503 C CN 100424503C
Authority
CN
China
Prior art keywords
sample
temperature
furnace body
heating furnace
pyroelectric
Prior art date
Legal status (The legal status is an assumption and is not a legal conclusion. Google has not performed a legal analysis and makes no representation as to the accuracy of the status listed.)
Expired - Fee Related
Application number
CNB2006100190800A
Other languages
English (en)
Other versions
CN1865965A (zh
Inventor
姜胜林
曾亦可
吕文中
肖腊连
罗旖旎
邓传益
Current Assignee (The listed assignees may be inaccurate. Google has not performed a legal analysis and makes no representation or warranty as to the accuracy of the list.)
Huazhong University of Science and Technology
Original Assignee
Huazhong University of Science and Technology
Priority date (The priority date is an assumption and is not a legal conclusion. Google has not performed a legal analysis and makes no representation as to the accuracy of the date listed.)
Filing date
Publication date
Application filed by Huazhong University of Science and Technology filed Critical Huazhong University of Science and Technology
Priority to CNB2006100190800A priority Critical patent/CN100424503C/zh
Publication of CN1865965A publication Critical patent/CN1865965A/zh
Application granted granted Critical
Publication of CN100424503C publication Critical patent/CN100424503C/zh
Expired - Fee Related legal-status Critical Current
Anticipated expiration legal-status Critical

Links

Images

Landscapes

  • Investigating Or Analyzing Materials Using Thermal Means (AREA)

Abstract

热释电系数测量装置,属于电流测量设备,基于动态电流法,以提高测量准确度,并且简化操作。加热炉体内一端设有加热器、另一端装有样品夹具和热电阻感温器,温度控制器连接加热器控制加热炉体的内部温度;样品夹具和微电流放大器、皮安电流表、计算机依次电信号连接,样品的温度信号依次通过热电阻感温器、温度测试仪和计算机电信号连接;计算机编程计算获得样品的热释电系数。本发明测试周期短,温度和电流测量精度高,能测量具有热释电性能的单晶、陶瓷、厚膜及薄膜材料样品。测量操作简单,测量准确度较高。

Description

热释电系数测量装置
技术领域
本发明属于电流测量设备,具体涉及材料热释电系数的测量装置,采用动态电流法测量材料热释电系数。
背景技术
热释电材料主要应用于红外探测领域,用热释电材料制成的热释电红外探测器具有无需制冷、可在室温下工作、光谱响应宽等优点,从而促进了热释电材料的发展及应用,发现并改进了一些重要的热释电材料。热释电系数p的大小是评价热释电材料的基本参数之一,对热释电材料的热释电系数的测量就显得尤为重要,因此其测试系统的研制越来越受到国内外学者的高度重视。
早期测量热释电系数的方法是测量不同温度下的电滞回线中的自发极化强度Ps,而得到Ps与T的关系曲线,再由曲线斜率求出热释电系数p的值,这种方法称为电反转法。人们自上世纪70年代以来,提出了(a)静态法、(b)电荷积分法、(c)直接法(包括热动态电流法和介质加热法)等多种测量热释电系数的基本方法。动态电流法采用可变热源技术,研究在特定温度条件下,被测量材料的动态热释电响应。动态电流法具有较高的灵敏度,且温度可以连续改变。
本发明的原理是基于动态电流法,但是采用本测试方法的测试系统还未见报道。
发明内容
本发明提供一种热释电系数测量装置,基于动态电流法,以提高测量准确度,并且简化操作,用于测量具有热释电性能的单晶、陶瓷、厚膜及薄膜材料样品。
本发明的一种热释电系数测量装置,加热炉体内一端设有加热器、另一端装有样品夹具和热电阻感温器,温度控制器连接加热器控制加热炉体的内部温度;样品夹具和微电流放大器、皮安电流表、计算机依次电信号连接,样品的温度信号依次通过热电阻感温器、温度测试仪和计算机电信号连接;计算机编程计算获得样品的热释电系数;
所述加热炉体内部呈无底瓶状空腔体,炉壁采用铝材料制成,瓶状空腔体大端入口与小端出口形成通风管道;炉内加热器由均匀排列在圆环上的内热式加热芯组成,构成空心圆环加热结构;加热炉体瓶状空腔体大端入口装有风扇,加热炉体小端出口处插入样品夹具与热电阻感温器,样品夹具和热电阻感温器位于同一截面。
所述的热释电系数测量装置,其特征在于所述温度控制器由可控硅、可控硅移相器和时间继电器顺序连接组成,调节时间继电器给予一定时间间隔的脉冲信号改变可控硅移相器的导通角,可控硅移相器通过控制可控硅导通角的变化来控制加热炉体内加热芯的电压。
所述的热释电系数测量装置,其特征在于所述微电流放大器由两个结型场效应管构成差分输入级,再依次电信号连接差分输入电压放大器和电压减法器构成,整个电路放在金属屏蔽盒内。
本发明的测量过程按以下步骤进行:①按图2连接好整个测试系统;②将样品制备成表面积为0.1cm2左右的规则矩形片,且测出样品有效电极面积A的值;③将9V电压加于样片两端,通过PA电流表和电压表测得电流和电压值,从而获得样品的电阻RT;④将样品放入加热炉内,打开系统中各装置的电源开关,启动系统软件程序主界面,确认身份,正确后给定采样时间间隔,开始测量;⑤温度从室温匀速升温到设定值或从设定值匀速降至室温,通过测量实时热释电电流Ip和温度T与时间的关系曲线,系统自动计算出各时刻热释电系数p的大小并绘制出热释电系数P与温度T的p-T关系曲线。
热释电材料样品的均匀加热以及温度线性上升或下降的控制是很重要的。针对要求,本发明设计了一款瓶状腔体式加热炉。整个炉子采用铝材料制成,散热速度适中,升温降温都能满足测试要求。
本发明的热释电电流测量包括微电流放大部分和电流测量部分。微电流放大器可以将热释电电流放大到PA电流表可以精确读取的数量级,并通过输入输出电压与电流的关系,而获得热释电电流实时值,准确性高。
本发明利用了PC机的信息处理功能,能准确的测量热释电系数的大小,而且操作简单,只要按照最基本的步骤,就可以完成材料的热释电系数的测量,用于评价热释电材料的性能。
附图说明
图1本发明的系统结构方框图;
图2本发明的实施例示意图;
图3本发明的微电流放大器具体电路图;
图4计算机程序流程图;
图5测量样品的p-T关系曲线。
具体实施方式
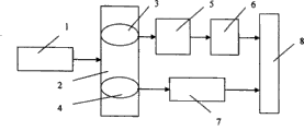
本发明的系统结构如图1所示,图中温度控制器1控制加热炉体2的内部温度,加热炉体2内设有样品夹具3和热电阻感温器4,样品的电流信号通过微电流放大器5、皮安电流表6传送到计算机8;同时温度信号通过热电阻感温器4、温度测试仪7传送到计算机8,再通过计算机编程计算获得样品的热释电系数。
图2为本发明的实施例,为了满足样品的均匀加热以及控制温度上升下降的要求,加热炉体2内部呈瓶状空腔体,整个炉体采用铝材料制成,散热速度适中,升温降温都能满足测试要求。炉内加热器13由多支内热式加热芯组成,每支额定功率为50W,直径为6mm,均匀排列在圆环14上,构成空心圆环式加热结构,以保证通风良好且热量可以稳定的传到样品处,对样品实现升温与降温。炉体一端装上风扇12,往空腔内部鼓风,热空气吹入炉体另一端口径相对较细的瓶颈出口处,使样品受热均匀。样品与热电阻感温器4在空腔瓶颈出口处插入,位于同一截面,充分靠近。从流体力学上考虑,当热量均匀地通过气流流过腔体的时候,腔体内同一截面上的不同点温度相同,因此可以认为不同时刻感温器测得的温度即为样品温度。出口与风扇入口形成一个通风管道,且入口腔体直径远远大于出口直径,因此热量在出口处均匀聚集,不同截面温差极小且热量交换速度很快,样品温度随着腔体内温度的改变而改变。
内热式加热芯引线合并后从风扇12端的炉壁引线孔引出,外接温度控制器1;升温时,通过温度控制器1对内热式加热芯两端电压进行控制,内热式加热芯产生的热量在风扇作用下迅速传递到样品处,样品的温度随之变化。电压越高,升温越快。当温度到达设定值时,内热式加热芯两端电压会自动按设定时间逐步降低,在风扇吹动下,样品的温度会下降。这样,便实现了热释电样品的均匀升温与降温过程。其中温度控制器1由可控硅9、可控硅移相器10和时间继电器11组成,通过调节时间继电器11给予一定时间间隔的脉冲信号,来改变可控硅移相器10的导通角,可控硅移相器10通过控制可控硅9导通角的变化来控制加热炉体内加热芯的电压,电压的改变可以改变温度的升降快慢,从而保证温度随时间线性上升或下降,改变温度变化率,测得不同温度下的热释电电流。
样品夹具3以及热电阻感温器4采用圆柱状结构,中心挖空引出导线,分别与微电流放大器5或温度测试仪7相连。热电阻感温器采用旋转式固定。为了测试方便,样品夹具3设计为插入式,可随时更换样品,使用方便。热释电样品有效电极面积越小,所测热释电系数越准确,因此样品夹具的选择很重要。所选夹具(直径6mm,与加热炉样品固定部分下端直径相同)可固定大小为4mm×4mm之内的样品,这样每次更换样品相当方便,取下后插入即可。
样品夹具3的热释电电流通过微电流放大器5放大后,再接入keithley6485皮安电流表6,用它测出放大后的热释电电流大小,并通过RS232串口连接计算机8,由Delphi程序自动绘制出电流与时间(Ip~t)的关系曲线,且与温度与时间(T~t)的关系曲线同步显示。
图3为本发明实施例采用的微电流放大器5具体电路图;微电流放大器5包括三个部分,第一部分由两个结型场效应管构成差分输入级,第二部分为差分输入电压放大器,第三部分为电压减法器。微电流放大器可以将热释电电流放大到PA电流表可以精确读取的数量级,通过输入输出电压与电流的关系,可以计算出电流放大倍数,从而获得热释电系数值。为了使微电流放大器在测量过程中屏蔽周围各种干扰,将整个电路放在金属屏蔽盒内。
图4为计算机程序流程图;本发明的计算机控制程序采用Delphi语言编程,运行开始应输入采样间隔时间、样品有效电极面积和样品电阻三个参数。程序运行中按采样间隔时间采集样品的温度信号T和微电流放大器的输出电流信号Ix,并对所测数据进行处理而获得热释电响应电流信号Ip,程序实时绘制出Ip~t曲线;同时也绘制出T~t曲线。当温度达到设定值时,停止测量并保存测量结果,同时显示出P~T曲线。
图5为样品的p-T关系曲线,对于Pb(Mn1/3Nb2/2)0.1Zr0.9O3+Pb(Mn1/3Nb2/3)0.1Zr0.875O3混合制得的热释电材料,tanδ=0.01,εr=255。

Claims (3)

1. 一种热释电系数测量装置,加热炉体内一端设有加热器、另一端装有样品夹具和热电阻感温器,温度控制器连接加热器控制加热炉体的内部温度;样品夹具和微电流放大器、皮安电流表、计算机依次电信号连接,样品的温度信号依次通过热电阻感温器、温度测试仪和计算机电信号连接;计算机编程计算获得样品的热释电系数;
所述加热炉体内部呈无底瓶状空腔体,炉壁采用铝材料制成,瓶状空腔体大端入口与小端出口形成通风管道;炉内加热器由均匀排列在圆环上的内热式加热芯组成,构成空心圆环加热结构;加热炉体瓶状空腔体大端入口装有风扇,加热炉体小端出口处插入样品夹具与热电阻感温器,样品夹具和热电阻感温器位于同一截面。
2. 如权利要求1所述的热释电系数测量装置,其特征在于所述温度控制器由可控硅、可控硅移相器和时间继电器顺序连接组成,调节时间继电器给予一定时间间隔的脉冲信号改变可控硅移相器的导通角,可控硅移相器通过控制可控硅导通角的变化来控制加热炉体内加热芯的电压。
3. 如权利要求2所述的热释电系数测量装置,其特征在于所述微电流放大器由两个结型场效应管构成差分输入级,再依次电信号连接差分输入电压放大器和电压减法器构成,整个电路放在金属屏蔽盒内。
CNB2006100190800A 2006-05-16 2006-05-16 热释电系数测量装置 Expired - Fee Related CN100424503C (zh)

Priority Applications (1)

Application Number Priority Date Filing Date Title
CNB2006100190800A CN100424503C (zh) 2006-05-16 2006-05-16 热释电系数测量装置

Applications Claiming Priority (1)

Application Number Priority Date Filing Date Title
CNB2006100190800A CN100424503C (zh) 2006-05-16 2006-05-16 热释电系数测量装置

Publications (2)

Publication Number Publication Date
CN1865965A CN1865965A (zh) 2006-11-22
CN100424503C true CN100424503C (zh) 2008-10-08

Family

ID=37425041

Family Applications (1)

Application Number Title Priority Date Filing Date
CNB2006100190800A Expired - Fee Related CN100424503C (zh) 2006-05-16 2006-05-16 热释电系数测量装置

Country Status (1)

Country Link
CN (1) CN100424503C (zh)

Families Citing this family (4)

* Cited by examiner, † Cited by third party
Publication number Priority date Publication date Assignee Title
CN106468678B (zh) * 2016-09-12 2019-07-19 华中科技大学 一种热释电材料性能测量装置
CN106443273B (zh) * 2016-11-03 2019-05-24 湖北民族学院 热释电能量收集器电性能参数测试系统
CN115930661A (zh) * 2022-12-01 2023-04-07 中国核动力研究设计院 热量传递装置及其制作方法和参数测量方法
CN120468538A (zh) * 2025-05-14 2025-08-12 哈尔滨工业大学 一种热释电多通道并行测试装置及测试方法

Citations (6)

* Cited by examiner, † Cited by third party
Publication number Priority date Publication date Assignee Title
JPH04122823A (ja) * 1990-09-14 1992-04-23 Shimadzu Corp 焦電検出器
JPH06160193A (ja) * 1992-04-23 1994-06-07 Nippon Ceramic Co Ltd 焦電係数簡易測定装置
CN1391100A (zh) * 2002-07-23 2003-01-15 中国科学院上海技术物理研究所 一种用于热释电薄膜材料的热释电系数测量装置及方法
JP2003156407A (ja) * 2001-11-21 2003-05-30 Matsushita Electric Works Ltd 焦電素子の特性評価装置及び方法
CN2634472Y (zh) * 2003-07-08 2004-08-18 中国地质大学(武汉) 电气石的热释电系数测量装置
CN2685873Y (zh) * 2004-03-29 2005-03-16 昆明物理研究所 动态法热释电系数测试装置

Patent Citations (6)

* Cited by examiner, † Cited by third party
Publication number Priority date Publication date Assignee Title
JPH04122823A (ja) * 1990-09-14 1992-04-23 Shimadzu Corp 焦電検出器
JPH06160193A (ja) * 1992-04-23 1994-06-07 Nippon Ceramic Co Ltd 焦電係数簡易測定装置
JP2003156407A (ja) * 2001-11-21 2003-05-30 Matsushita Electric Works Ltd 焦電素子の特性評価装置及び方法
CN1391100A (zh) * 2002-07-23 2003-01-15 中国科学院上海技术物理研究所 一种用于热释电薄膜材料的热释电系数测量装置及方法
CN2634472Y (zh) * 2003-07-08 2004-08-18 中国地质大学(武汉) 电气石的热释电系数测量装置
CN2685873Y (zh) * 2004-03-29 2005-03-16 昆明物理研究所 动态法热释电系数测试装置

Non-Patent Citations (5)

* Cited by examiner, † Cited by third party
Title
基于串口通信的热释电系数测试系统设计. 肖腊连等.仪器仪表学报,第26卷第8期. 2005 *
热释电材料热释电系数的测试实验. 胡立业等.实验科学与技术. 2005 *
热释电材料电性能自动测量系统的设计. 吕文中等.仪表技术与传感器,第11期. 2005 *
热释电系数测试系统的研究. 符欣等.江西科学,第23卷第4期. 2005 *
热释电系数自动测试系统的研究. 郭明金等.仪表技术与传感器,第2期. 2001 *

Also Published As

Publication number Publication date
CN1865965A (zh) 2006-11-22

Similar Documents

Publication Publication Date Title
CN206627393U (zh) 电磁感应热疲劳试验机
CN109470743A (zh) 一种多物理场耦合环境的气体传感器特性测试系统
CN105445321B (zh) 一种程序温控条件下可燃材料热性能的检测装置
CN104635058B (zh) 自动化测量半导体电阻率及赛贝克系数的测试方法及系统
CN112858381B (zh) 高速飞行器发动机用隔热材料的隔热性能试验装置及试验方法
CN102253076A (zh) 一种用于测试隔热阻燃材料的装置及其方法
CN201555819U (zh) 一种真空高温环境下测试赛贝克系数的装置
CN110672658B (zh) 一种适用于大温差、变压力条件的块体多孔材料隔热性能测试实验系统及测试方法
CN111829692B (zh) 吹风机参数标定装置
CN106989846B (zh) 一种测量高温气流总温的装置
CN100424503C (zh) 热释电系数测量装置
CN106680310B (zh) 形状记忆合金热循环稳定性及功能疲劳性能测试系统
CN102879421A (zh) 导热系数的测量装置及其测量方法
CN108760795A (zh) 一种利用空气加热方式测量沥青软化点的装置
CN201011515Y (zh) 热释电系数测量装置
CN104374687A (zh) 一种电力变压器绝缘纸老化试验装置
CN109164128B (zh) 一种用于热分析仪器的炉体
CN208999333U (zh) 一种室外机柜传热系数测试系统
CN107402230B (zh) 一种烟草制品烟雾浓度测量装置及方法
CN100456030C (zh) 冷热箱式传热系数检测仪
CN206321361U (zh) 钨铼热电偶检定系统
CN205484152U (zh) 一种量热法测量气体比定压热容的实验装置
CN104534895B (zh) 加热炉物料温度均匀性测量装置及方法
CN107843362A (zh) 一种热电偶动态响应性能测试装置
CN109297304B (zh) 一种基于有限元分析的碱金属气室非均匀加热方法

Legal Events

Date Code Title Description
C06 Publication
PB01 Publication
C10 Entry into substantive examination
SE01 Entry into force of request for substantive examination
C14 Grant of patent or utility model
GR01 Patent grant
C17 Cessation of patent right
CF01 Termination of patent right due to non-payment of annual fee

Granted publication date: 20081008

Termination date: 20100516