WO2017119501A1 - プラズマ加速装置およびプラズマ加速方法 - Google Patents

プラズマ加速装置およびプラズマ加速方法 Download PDF

Info

Publication number
WO2017119501A1
WO2017119501A1 PCT/JP2017/000323 JP2017000323W WO2017119501A1 WO 2017119501 A1 WO2017119501 A1 WO 2017119501A1 JP 2017000323 W JP2017000323 W JP 2017000323W WO 2017119501 A1 WO2017119501 A1 WO 2017119501A1
Authority
WO
WIPO (PCT)
Prior art keywords
magnetic field
plasma
plasma acceleration
anode
cathode
Prior art date
Legal status (The legal status is an assumption and is not a legal conclusion. Google has not performed a legal analysis and makes no representation as to the accuracy of the status listed.)
Ceased
Application number
PCT/JP2017/000323
Other languages
English (en)
French (fr)
Japanese (ja)
Inventor
拓也 山▲崎▼
松隆 笹原
岩崎 知二
安井 正明
章弘 佐宗
輝 岩川
大輔 市原
佳祐 水谷
Current Assignee (The listed assignees may be inaccurate. Google has not performed a legal analysis and makes no representation or warranty as to the accuracy of the list.)
Nagoya University NUC
Mitsubishi Heavy Industries Ltd
Original Assignee
Nagoya University NUC
Mitsubishi Heavy Industries Ltd
Priority date (The priority date is an assumption and is not a legal conclusion. Google has not performed a legal analysis and makes no representation as to the accuracy of the date listed.)
Filing date
Publication date
Application filed by Nagoya University NUC, Mitsubishi Heavy Industries Ltd filed Critical Nagoya University NUC
Priority to US16/066,899 priority Critical patent/US10436183B2/en
Publication of WO2017119501A1 publication Critical patent/WO2017119501A1/ja
Anticipated expiration legal-status Critical
Ceased legal-status Critical Current

Links

Images

Classifications

    • FMECHANICAL ENGINEERING; LIGHTING; HEATING; WEAPONS; BLASTING
    • F03MACHINES OR ENGINES FOR LIQUIDS; WIND, SPRING, OR WEIGHT MOTORS; PRODUCING MECHANICAL POWER OR A REACTIVE PROPULSIVE THRUST, NOT OTHERWISE PROVIDED FOR
    • F03HPRODUCING A REACTIVE PROPULSIVE THRUST, NOT OTHERWISE PROVIDED FOR
    • F03H1/00Using plasma to produce a reactive propulsive thrust
    • F03H1/0037Electrostatic ion thrusters
    • F03H1/0062Electrostatic ion thrusters grid-less with an applied magnetic field
    • FMECHANICAL ENGINEERING; LIGHTING; HEATING; WEAPONS; BLASTING
    • F03MACHINES OR ENGINES FOR LIQUIDS; WIND, SPRING, OR WEIGHT MOTORS; PRODUCING MECHANICAL POWER OR A REACTIVE PROPULSIVE THRUST, NOT OTHERWISE PROVIDED FOR
    • F03HPRODUCING A REACTIVE PROPULSIVE THRUST, NOT OTHERWISE PROVIDED FOR
    • F03H1/00Using plasma to produce a reactive propulsive thrust
    • F03H1/0006Details applicable to different types of plasma thrusters
    • F03H1/0012Means for supplying the propellant
    • FMECHANICAL ENGINEERING; LIGHTING; HEATING; WEAPONS; BLASTING
    • F03MACHINES OR ENGINES FOR LIQUIDS; WIND, SPRING, OR WEIGHT MOTORS; PRODUCING MECHANICAL POWER OR A REACTIVE PROPULSIVE THRUST, NOT OTHERWISE PROVIDED FOR
    • F03HPRODUCING A REACTIVE PROPULSIVE THRUST, NOT OTHERWISE PROVIDED FOR
    • F03H1/00Using plasma to produce a reactive propulsive thrust
    • F03H1/0037Electrostatic ion thrusters
    • F03H1/0062Electrostatic ion thrusters grid-less with an applied magnetic field
    • F03H1/0068Electrostatic ion thrusters grid-less with an applied magnetic field with a central channel, e.g. end-Hall type
    • HELECTRICITY
    • H05ELECTRIC TECHNIQUES NOT OTHERWISE PROVIDED FOR
    • H05HPLASMA TECHNIQUE; PRODUCTION OF ACCELERATED ELECTRICALLY-CHARGED PARTICLES OR OF NEUTRONS; PRODUCTION OR ACCELERATION OF NEUTRAL MOLECULAR OR ATOMIC BEAMS
    • H05H1/00Generating plasma; Handling plasma
    • H05H1/54Plasma accelerators
    • HELECTRICITY
    • H05ELECTRIC TECHNIQUES NOT OTHERWISE PROVIDED FOR
    • H05HPLASMA TECHNIQUE; PRODUCTION OF ACCELERATED ELECTRICALLY-CHARGED PARTICLES OR OF NEUTRONS; PRODUCTION OR ACCELERATION OF NEUTRAL MOLECULAR OR ATOMIC BEAMS
    • H05H1/00Generating plasma; Handling plasma
    • H05H1/02Arrangements for confining plasma by electric or magnetic fields; Arrangements for heating plasma
    • H05H1/04Arrangements for confining plasma by electric or magnetic fields; Arrangements for heating plasma using magnetic fields substantially generated by the discharge in the plasma

Definitions

  • the present invention relates to a plasma acceleration device and a plasma acceleration method.
  • a plasma accelerator In space, a plasma accelerator is used in order for the spacecraft to obtain propulsion.
  • a hole thruster is known as a plasma accelerator.
  • a hole thruster generates an electric field and a magnetic field in an acceleration channel (plasma acceleration region), and converts a propellant into a plasma (plasmatizes) using an interaction between the electric field and the magnetic field.
  • the Hall thruster obtains propulsion by injecting ions in the plasma to the space downstream of the Hall thruster.
  • Patent Document 1 discloses a Hall current ion source device.
  • the Hall current ion source device of Patent Document 1 includes, for example, a magnetic field generator including an electromagnet and a steel core assembly.
  • the radial magnetic field is formed by arranging the magnetic field generator on the central axis of the hole thruster.
  • the Hall current ion source device further comprises an anode and a cathode in addition to the magnetic field generator.
  • the anode is located upstream of the acceleration channel.
  • the cathode is disposed downstream of the acceleration channel.
  • the inventor of the present application has sought a plasma acceleration device and a plasma acceleration method with high thrust efficiency.
  • An object of the present invention is to provide a plasma acceleration device and plasma acceleration method with high thrust efficiency.
  • the plasma acceleration device includes a cathode that supplies electrons to the upstream region of the plasma acceleration region, an anode, a power supply that applies a voltage between the cathode and the anode, and the cathode.
  • a feed port disposed on the outer peripheral side, which supplies a propellant before plasma formation or a propellant after plasma formation to the plasma acceleration region, and a first one for suppressing the electrons supplied from the cathode from going to the anode
  • a first magnetic field generator for generating an axial magnetic field in the upstream region of the plasma acceleration region.
  • the first magnetic field may be disposed on the second direction side of the end (first wall portion 101) on the second direction side of the plasma acceleration region.
  • the first magnetic field generator may be disposed on the outer peripheral side of the cathode.
  • the supply port may be disposed on the outer peripheral side of the first magnetic field generator.
  • the supply port may be disposed on the outer peripheral side of the cathode.
  • the first magnetic field generator may be disposed on the outer peripheral side of the supply port.
  • the plasma accelerator may further include an orientation changing mechanism that changes the orientation of the first magnetic field generator.
  • the plasma accelerator may further include a second magnetic field generator (15 2 to 15 5 ) that generates a second axial magnetic field in the plasma acceleration region.
  • the direction of the second axial magnetic field generated by the second magnetic field generator may be different from the direction of the first axial magnetic field generated by the first magnetic field generator.
  • the plasma acceleration device is a first wall portion in contact with the plasma acceleration region, and an electron emission port from which the electrons supplied from the cathode are emitted, and the electron emission port disposed in the first wall portion And may be further provided.
  • the anode may be disposed on the first wall.
  • the anode may be disposed on the outer peripheral side of the supply port.
  • the plasma accelerator may further include a first wall contacting the plasma acceleration region.
  • the anode may have a ring shape. The distance between the first wall and the downstream end face of the anode may be 1/3 or less of the inner diameter of the anode.
  • the plasma acceleration method uses a plasma accelerator.
  • the plasma acceleration device defines an anode, a cathode supplying electrons to the plasma acceleration region, and a motion direction of the electrons emitted from the cathode as a first direction, and a direction opposite to the first direction is a second direction.
  • a direction opposite to the first direction is a second direction.
  • it comprises a magnetic field generator disposed on the side of the second direction rather than the plasma acceleration region.
  • the plasma acceleration method includes the steps of: generating a diverging magnetic field in the plasma acceleration region using the magnetic field generator; applying a voltage between the cathode and the anode; and supplying from the cathode A first supply step of supplying the electrons into the divergent magnetic field, a second supply step of supplying a propellant before plasma formation or a propellant after plasma formation to the plasma acceleration region, and generation in the plasma acceleration region Accelerating the ions in the plasma using the electric field generated by the anode and the electrons in the diverging magnetic field, and the ions colliding with the electrons in the diverging magnetic field, And neutralizing.
  • a hole current is generated by the interaction of the divergent magnetic field and an electric field generated between the cathode and the anode. Generating the plasma in the plasma acceleration region by causing the propellant before the plasma formation supplied to the plasma acceleration region or the propellant after the plasma formation to collide with electrons of the hole current It may further be provided.
  • a plasma accelerator and a plasma acceleration method with high thrust efficiency are provided.
  • FIG. 1 is a schematic vertical sectional view showing a configuration example of the ion thruster 3a.
  • FIG. 2 is a schematic vertical sectional view showing a configuration example of the annular hole thruster 3b.
  • FIG. 3 is a schematic vertical sectional view showing a configuration example of the cylindrical hole thruster 3c.
  • FIG. 4 is a partially cutaway perspective view schematically showing the basic configuration of the plasma acceleration device 1.
  • FIG. 5 is a schematic vertical sectional view of the plasma acceleration device 1 shown in FIG.
  • FIG. 6 is a schematic vertical sectional view of the plasma acceleration device 1 shown in FIG.
  • FIG. 7 is a schematic vertical sectional view of the plasma acceleration device 1 shown in FIG.
  • FIG. 8 is a schematic vertical sectional view of the plasma acceleration device 1 shown in FIG. FIG.
  • FIG. 9 is a schematic longitudinal sectional view of the plasma acceleration device 1 shown in FIG.
  • FIG. 10 is a view schematically showing a configuration example of the plasma acceleration device 1.
  • FIG. 11 is a diagram for explaining the end spreading magnetic field.
  • FIG. 12 is a flowchart showing an example of a plasma acceleration method.
  • FIG. 13 is a schematic view for explaining a first method of changing the direction of the propulsive force.
  • FIG. 14 is a schematic view for explaining a second method of changing the direction of the propulsive force.
  • FIG. 15 is a view schematically showing a configuration example of the plasma acceleration device 1b.
  • FIG. 16 is a partially cutaway perspective view schematically showing a configuration example of the plasma acceleration device 1c.
  • FIG. 17 is a partially cutaway perspective view schematically showing a configuration example of the plasma acceleration device 1d.
  • FIG. 18 is a partially cutaway perspective view schematically showing a configuration example of the plasma acceleration device 1 e.
  • FIG. 19 is a partially cutaway perspective view schematically showing a configuration example of the plasma acceleration device 1 f.
  • FIG. 20 is a partially cutaway perspective view schematically showing a configuration example of the plasma acceleration device 1g.
  • FIG. 21 is a schematic view showing a configuration example of the spacecraft 2.
  • the central axis C is, for example, an axis that represents the center of the plasma acceleration device 1.
  • the coordinate system is an orthogonal coordinate system having an X axis, a Y axis and a Z axis.
  • the X axis is, for example, an axis of rotational symmetry, which coincides with the central axis C.
  • the “downstream side” refers to, for example, the positive (+) side of the X axis.
  • the downstream side of the gas supply port 14 means the side in the positive direction of the X axis when viewed from the gas supply port 14. "Upstream" is the opposite of downstream. 4)
  • the radial direction is, for example, a direction from an arbitrary point on the central axis C (X axis) toward an arbitrary point outside the central axis C (X axis), and the central axis C (X axis) Perpendicular to the
  • ion thrusters are known in addition to hole thrusters. With regard to ion thrusters and hole thrusters, the inventor has recognized the following matters.
  • FIG. 1 is a schematic vertical sectional view showing a configuration example of the ion thruster 3a.
  • the ion thruster 3 a includes a wall portion 30, an anode 31, a power source 32, a grid electrode 33, a neutralizer 34, a supply port 35, and a jet surface 36.
  • the grid electrode 33 is composed of a first grid electrode (screen grid electrode) 331, a second grid electrode (acceleration grid electrode) 332, and a third grid electrode (decel grid electrode) 333.
  • the ion thruster 3a is configured to accelerate the ions of plasmatized propellant using an electric field (electrostatic field).
  • a region from the inner wall 301 to the first grid electrode 331 is referred to as a plasma generation region.
  • the principle of operation of the ion thruster 3a can be roughly divided into three steps.
  • the first step relates to the generation of plasma.
  • a propellant for example, xenon gas
  • the anode 31 and the cathode for plasma generation / discharge (not shown) are supplied with power for plasma generation from the power supply 32, the propellant is converted to plasma by the discharge between the anode 31 and cathode for plasma generation / discharge .
  • the plasma generation region is filled with ions (cations i) and electrons (e) that constitute the plasmified propellant.
  • the second step involves the extraction of ions.
  • the first grid electrode 331 is connected to the power supply so as to have a negative potential with respect to the plasma in the plasma generation region.
  • the second grid electrode 332 receives a negative voltage from the power supply 32.
  • the third grid electrode 333 is connected so as to have a positive potential higher than the potential of the second grid electrode 332.
  • ions in the plasma generation region are accelerated toward the second grid electrode 332.
  • the ions that have passed through the holes of each of the three grid electrodes (331-333) move downstream. That is, ions are extracted from the plasma in the plasma generation region.
  • the extracted ions are jetted from the jet face 36 toward the downstream side as an ion beam I beam .
  • the third step relates to the neutralization of the ions ejected from the jet face 36.
  • the number of electrons in the plasma generation region is larger than the number of ions in the plasma generation region.
  • the ion thruster 3a (wall 30) is negatively charged.
  • a neutralizer 34 is used to maintain the electrical neutrality of the ion thruster 3a.
  • the neutralizer 34 is disposed downstream of the jet face 36 of the ion thruster, and emits electrons by receiving a negative voltage from the power supply 32.
  • the ions of the ion beam I beam combine with the electrons emitted from the neutralizer 34 to neutralize the ion beam I beam .
  • the ion thruster has the following problems.
  • the thrust of the ion thruster is proportional to the current (called the ion beam current) generated by the flow of the ion beam I beam of FIG.
  • the size of the ion thruster is the same, the more the ion beam current, the higher the momentum of the ion thruster.
  • the supply amount of the propellant for generating the plasma may be increased.
  • there is an upper limit to the magnitude of the ion beam current due to the space charge limiting law.
  • the size of the ion thruster is the same, there is a limit to the driving force of the ion thruster.
  • FIG. 2 is a schematic vertical sectional view showing a configuration example of the annular hole thruster 3b.
  • the annular hole thruster 3 b includes a wall 30 for forming an acceleration channel, an anode 31, a power source 32, a neutralizer 34, a supply port 35, and a jet surface 36. , And a magnetic field generator 37.
  • the annular hole thruster 3b plasmifies the propellant using the interaction between the electric and magnetic fields and generates an electron drift current (captured by the electrons moving under the influence of the electric field trapped in the magnetic field) It is configured to accelerate the ions in the plasma by utilizing the interaction between the current) and the magnetic field.
  • the annular type hole thruster 3b shown in FIG. 2 differs from the ion thruster 3a shown in FIG. 1 in the following point.
  • the first is to use a hole current (hole motion of electrons) resulting from the interaction between an electric field and a magnetic field to plasmify the propellant.
  • a hole current hole motion of electrons
  • axial electric field E x and radial magnetic field B r orthogonal to each other are applied.
  • the second is that the ions of the propellant made plasma by the Hall current J H are accelerated by the Lorentz force.
  • the Lorentz force is one of the interactions between the Hall current J H and the radial magnetic field B r .
  • the magnitude of this Lorentz force is equal to the electrostatic force acting on the ions by the electric field.
  • generation of a hole current J H and acceleration of ions are performed in a region called an acceleration channel.
  • the radial magnetic field B r required to generate the hole current J H is obtained by the magnetic field generator 37.
  • the radial magnetic field B r is a magnetic field in the direction from the central axis C of the wall 30 to the side wall 302.
  • a portion of the magnetic field generator 37 is disposed along the central axis C.
  • the other part of the magnetic field generator 37 is disposed along the cylindrical side wall 302.
  • axial field E x utilized to generate a hole current J H is obtained by the anode 31 and the neutralizer 34.
  • a portion of the anode 31 is disposed on the inner peripheral side inner wall 301 1.
  • Another portion of the anode 31 is disposed on the outer peripheral side inner wall 301 2.
  • the principle of operation of the annular hole thruster 3b can be roughly divided into four steps.
  • the first step relates to the generation of the hole current.
  • electrons emitted from the neutralizer 34 enters the acceleration channel by axial field E x.
  • the electrons entering the acceleration channel are captured by the radial magnetic field B r and perform E ⁇ B drift motion.
  • the electrons in the acceleration channel rotate around the central axis C.
  • the rotational movement of the electrons generates a hole current J H around the central axis C.
  • the second step concerns the plasmatization of the propellant.
  • the propellant collides with the electrons of the hole current J H to plasmify the propellant.
  • the acceleration channel is filled with ions (i) and electrons (e) that make up the plasmified propellant.
  • the third step concerns the acceleration of the ions.
  • the ions of the plasmatized propellant are accelerated toward the jet nozzle surface 36 under Lorentz force. Thereafter, the accelerated ions are jetted downstream from the jet nozzle surface 36 as an ion beam I beam .
  • the fourth step as in the case of the ion thruster shown in FIG. Also in the annular hole thruster 3 b, the ion beam I beam is neutralized by the neutralizer 34.
  • Hall thrusters do not require grid electrodes. Therefore, Hall thrusters have the advantage of not being limited by the ion beam current due to space charge limiting rules. On the other hand, the hole thrusters have the following problems.
  • the ion beam tends to diffuse in the radial direction. This leads to a reduction in propulsion.
  • the reason is that not all ions in the acceleration channel have axial momentum (moment in the X-axis direction). Some ions have radial momentum (radial momentum). Therefore, the ion beam is easily diffused in the radial direction.
  • FIG. 3 is a schematic vertical sectional view showing a configuration example of the cylindrical hole thruster 3c.
  • the cylindrical hole thruster 3c shown in FIG. 3 is similar to the annular hole thruster 3b shown in FIG.
  • the major difference between the two is the distribution of the magnetic field.
  • a radial magnetic field Br is generated in the acceleration channel.
  • a magnetic field shaped like a cusp magnetic field is generated in the acceleration channel.
  • the shape of the magnetic field generator 37 is disposed on the inner peripheral side inner wall 301 1 is different from that shown in FIG.
  • the cylindrical type hole thruster Compared with the annular type hole thruster, the cylindrical type hole thruster has a large (volume of the discharge chamber) / (surface area of the discharge chamber) due to its structure. Therefore, wear of the wall surface due to the collision of ions with the wall of the discharge chamber is unlikely to occur.
  • the cylindrical hole thruster has the following problems in addition to the energy loss of the ion beam and the diffusion of the ion beam. Some of electrons emitted from the neutralizer 34, the axial field E x, toward the anode 31. As a result, the movement of the electrons tends to generate a discharge current in the channel. The discharge current leads to a reduction in thruster thrust efficiency.
  • the inventor of the present application focused on the above problems and studied a plasma acceleration device with high thrust efficiency.
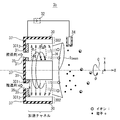
  • FIG. 4 is a partially cutaway perspective view schematically showing the basic configuration of the plasma acceleration device 1.
  • the plasma acceleration device 1 generates an ion beam using the propellant G, and obtains the propulsion force by injecting the ion beam to the downstream side of the plasma acceleration device 1.
  • the plasma acceleration device 1 is similar to the example of FIGS. 1 to 3 in that it accelerates ions.
  • the plasma acceleration device 1 does not need a grid for accelerating the ion beam, and it is not always necessary to arrange the magnetic field generator downstream of the jet nozzle surface. In other words, it is possible to generate an ion beam in the released region (space) downstream of the plasma acceleration device 1.
  • the plasma acceleration device 1 includes a cathode 11, an anode 12, a power source 13, a gas supply port 14, and a first magnetic field generator 15.
  • the cathode 11 supplies electrons to the upstream region REG UP of the plasma acceleration region REG (also referred to as an acceleration channel).
  • the power supply 13 applies a voltage between the cathode 11 and the anode 12.
  • the gas supply port 14 is disposed on the outer peripheral side (the outer side in the radial direction) than the cathode 11, and supplies the propellant G to the plasma acceleration region REG.
  • the first magnetic field generator 15 generates a divergent magnetic field B downstream of the plasma acceleration device 1.
  • the cathode 11, the gas supply port 14, and the first magnetic field generator 15 are disposed upstream of the plasma acceleration region REG. Therefore, the cathode 11 as a neutralizer is not provided on the downstream side of the plasma acceleration device 1.
  • the anode 12 faces the plasma acceleration region REG.
  • the plasma acceleration region REG is divided into the upstream region REG UP and the downstream region REG DOWN in order to make the description easy to understand. The details of the plasma acceleration region REG will be described again.
  • FIGS. 5 to 9 are schematic longitudinal sectional views (a sectional view in a plane parallel to the XY plane) of the plasma acceleration device 1 shown in FIG.
  • the flare magnetic field generated by the first magnetic field generator 15 will be briefly described.
  • the axial magnetic field B x (component in the X-axis direction) monotonously decreases as going from the negative direction of the X-axis to the positive direction.
  • the radial magnetic field B r (radial component of the end spreading magnetic field) monotonously increases in the upstream region REG UP as going from the negative direction of the X axis to the positive direction.
  • the divergent magnetic field refers to a magnetic field which radially spreads (diffuses) as magnetic lines of force oriented along the axial direction (central axis direction) go downstream.
  • P 1 in the vicinity of the cathode 11 can be regarded as so small that the radial magnetic field B r negligible.
  • FIG. 6 when a voltage is applied between the cathode 11 and the anode 12, an electric field E is generated in the plasma acceleration region REG.
  • the direction of the electric field E shown in FIG. 6 is the direction from the anode 12 to the cathode 11.
  • the direction of the electric field E around the point P1 is from the anode 12 toward the central axis C.
  • the electric field E is generated in the direction from the anode 12 to the electrons in the downstream region REG DOWN .
  • ions in the plasma accelerate in the direction of the electric field E.
  • This flow of ions becomes an ion beam I beam .
  • the ion beam I beam flows from the upstream side to the downstream side of the plasma acceleration region REG so that the ion beam I beam does not diffuse in the downstream region REG DOWN in the radial direction.
  • the ions of the plasmatized propellant accelerate in the direction of the electric field E.
  • the ions combine with the electrons in the downstream region REG DOWN . That is, the ions of the ion beam I beam are neutralized.
  • bonded with the electron is a neutral particle.
  • the plasma accelerator 1 obtains propulsion in the direction opposite to the flow of the ion beam I beam .
  • the plasma accelerator since the plasma accelerator has the configuration shown in FIG. 4, an ion beam is generated in the region (space) downstream of the plasma accelerator. As a result, the thrust efficiency of the plasma accelerator improves.
  • the main reasons for the improvement of thrust efficiency are as follows.
  • the first is that the ion beam does not collide with the wall or the frequency of the collision is low. Therefore, the energy loss of the ion beam is suppressed.
  • the wall surface for example, a cylindrical wall surface
  • the effect of suppressing the energy loss of the ion beam is large.
  • the second is that due to the structure of the plasma accelerator, there is no limitation of the ion beam current due to the space charge limitation law. In addition to this, there is no limitation of the ion beam current due to the grid width. Therefore, it is easy to increase the ion beam current. Further, since the grid electrode is unnecessary, wear of the grid is suppressed, and the upper limit of the thrust is not suppressed by the grid area. Therefore, the size of the plasma accelerator can be easily increased.
  • the third reason is that it is difficult for the ion beam to diverge in the radial direction.
  • the direction of the electric field is the direction from the anode 12 toward the electrons in the downstream region REG DOWN . Therefore, the ion beam tends to be focused toward the central axis.
  • FIG. 10 is a view schematically showing a configuration example of the plasma acceleration device 1.
  • FIG. 10A is a schematic vertical sectional view of the plasma acceleration device 1.
  • FIG. 10B is a view on arrow X 1 -X 1 shown in FIG. 10A (a rear view seen from the positive direction of the X axis in the negative direction).
  • the plasma acceleration device 1 promotes the housing (housing) 10, and And an agent tank 16.
  • the plasma acceleration device 1 may include a controller 17.
  • the housing 10 is formed of an insulating member (for example, insulating ceramic).
  • the external shape of the housing 10 is a cylindrical shape (herein, the cylindrical shape includes a substantially cylindrical shape).
  • the housing 10 includes a first wall portion 101 in contact with the plasma acceleration region REG, a side wall portion 102, a second wall portion 103 facing the first wall portion 101, and an electron emission port 104.
  • the electron emission port 104 is an electron emission port from which the electrons supplied from the cathode 11 are emitted, and is disposed in the first wall portion 101.
  • FIG. 10 is formed of an insulating member (for example, insulating ceramic).
  • the external shape of the housing 10 is a cylindrical shape (herein, the cylindrical shape includes a substantially cylindrical shape).
  • the housing 10 includes a first wall portion 101 in contact with the plasma acceleration region REG, a side wall portion 102, a second wall portion 103 facing the first wall portion 101, and an electron emission port 104.
  • the electron emission port 104 is an
  • the electron emitting port 104 to install the cathode 11, (specifically, the central inner circumference of the side wall portion 101 2 below) the center of the first wall portion 101 opening provided in It is.
  • the entire power supply 13 may be accommodated in the housing 10. The same is true for the propellant tank 16.
  • the first wall portion 101 may be divided into two wall portions. One is called a peripheral side wall portion 101 1, a portion of the outer peripheral side of the gas supply port 14. The other is called the inner peripheral side wall 101 2, inner side wall 101 2 is a portion located between the gas supply port 14 and the electron emission port 104, may be simply referred to as an insulating wall.
  • the first wall portion 101 is a wall portion having a wall surface perpendicular to the central axis C (in the specification of the present application, the vertical includes substantially vertical).
  • Peripheral side wall portion 101 1 has a vertical wall surface to the central axis C.
  • the inner peripheral side wall 101 2 has a vertical wall surface to the central axis C.
  • the inner peripheral side wall portion 101 2 of the downstream end face (plasma acceleration region in contact with the REG surface) is the downstream end surface of the outer peripheral side wall portion 101 1 (the surface in contact with the plasma acceleration region REG) It is arranged more upstream than it.
  • the downstream end surface of the inner peripheral side wall 101 2 may be coincident with the downstream end surface of the peripheral side wall portion 101 1.
  • the cathode 11 not only serves as an electron emission source, but also serves as a neutralizer.
  • the cathode 11 is, for example, a hollow cathode.
  • the cathode 11 may be a filament cathode or an electron source to which a high frequency discharge is applied.
  • the cathode 11 may be configured to receive supply of voltage (power) from the power source 13 and to emit electrons from the cathode electrode 111 through the hole 112 and to be emitted into the diverging magnetic field.
  • the cathode 11 includes a cathode electrode 111 and a hole 112.
  • the cathode 11 is connected to a power supply 13. Furthermore, the cathode 11 is indirectly and electrically connected to the anode 12.
  • the arrangement of the cathode 11 is as follows.
  • the cathode 11, (specifically, the downstream end surface 121 of the anode 12) anode 12 than is disposed upstream and in the center of the inner peripheral side wall 101 2 (electron emission port 104) It is arranged.
  • the hole portion 112 of the cathode 11 is disposed on the upstream side of the downstream end surface 121 of the anode 12 in a longitudinal sectional view. Further, the position along the first direction (the positive direction of the X axis) of the hole portion 112 of the cathode 11 coincides with the position along the first direction of the electron emission port 104.
  • the surface in contact with the inner peripheral side wall portion 101 2 of the plasma acceleration region REG) inner peripheral side wall 101 2 is positioned along the first direction of the distal end portion of the cathode 11 (the hole portion 112) first of It agrees with the position along 1 direction.
  • the position of the hole 112 is not limited to the example shown in FIG.
  • the hole 112 of the cathode 11 may be disposed on the upstream side of the gas supply port 14 in a longitudinal cross-sectional view. Further, in the example of FIG. 10, it can be said that the cathode 11 is disposed on the central axis C.
  • FIGS. 4 to 9 described above show the case where the cathode 11 is supplied with a negative voltage from the power supply 13, but FIGS. 4 to 9 schematically show that the cathode 11 is a source of electrons. It is only shown in.
  • the anode 12 is formed of a conductor and has a role of generating an electric field in the plasma acceleration region REG.
  • the anode 12 includes a downstream end surface 121 and an upstream end surface 122.
  • the upstream end surface 122 is a surface opposite to the downstream end surface 121.
  • the anode 12 has a ring shape (herein, the ring shape includes a substantially ring shape) in a rear view (viewed from the positive direction of the X axis to the negative direction).
  • the anode 12 is connected to a power supply 13.
  • the anodes 12 may be divided at regular intervals along the circumferential direction of the anodes 12.
  • the arrangement of the anode 12 is as follows.
  • the anode 12 is provided on the first wall portion 101.
  • anode 12 is located downstream from the gas supply port 14 It will be done.
  • the whole of the anode 12 is located downstream of the cathode 11.
  • the distance L between the first wall portion 101 (specifically, the inner circumferential side wall portion 101 2 ) and the downstream end surface 121 of the anode 12 is, for example, It is 1/3 or less of the inner diameter R (L ⁇ R / 3). Desirably, the distance L is, for example, 1 ⁇ 5 or less of the inner diameter R of the anode 12 (L ⁇ R / 5). Since the distance L is equal to or less than 1/3 of the inner diameter R of the anode 12, the possibility of the plasma colliding with the anode 12 is reduced.
  • the anode 12 may be disposed as follows. In the example of FIG. 10, but the arrangement of the anode 12 is offset to one end of the peripheral side wall portion 101 1, the anode 12 to the center of the peripheral side wall portion 101 1 may be disposed. In other words, the entire upstream end surface 122 of the anode 12 may be in contact with the peripheral side wall portion 101 1. In this case, the entire anode 12 is disposed on the outer peripheral side of the gas supply port 14. In the example of FIG. 10, but the anode 12 is disposed directly on the outer peripheral side wall portion 101 1, for example, a thin spacer therebetween may be disposed. Alternatively or additionally, it may be the anode 12 is disposed on the inner peripheral side wall 101 2.
  • the power source 13 is, for example, a fuel cell.
  • the so-called power supply 13 is a power supply source to the plasma acceleration device 1.
  • the power source 13 may be configured by a voltage source and / or a current source.
  • the power supply 13 is configured to supply (apply) a negative voltage to the cathode 11 and supply a positive voltage to the anode 12.
  • the power supply 13 may supply power to the controller 17 and supply current to the first magnetic field generator 15.
  • the gas supply port 14 is connected to the gas pipe 161 via the gas flow path 141.
  • the gas flow channel 141 is a flow channel through which the propellant G supplied from the propellant tank 16 flows, and extends from the gas supply port 14 to the upstream side.
  • the gas supply port 14 has a ring shape in a rear view (viewed from the positive direction of the X axis to the negative direction). Further, in the example shown in FIG. 10A, the gas supply port 14 is a plane perpendicular to the central axis C.
  • the arrangement of the gas supply port 14 is as follows.
  • the gas supply port 14 is disposed downstream of the first magnetic field generator 15.
  • the gas supply port 14 is disposed on the outer peripheral side of the cathode 11.
  • part of the gas supply port 14, at the position of the downstream end face of the peripheral side wall portion 101 1 may be covered by the upstream end face 122 of the anode 12.
  • the arrangement of the gas supply ports 14 may be expressed as follows.
  • a direction from an upstream side region REG UP plasma acceleration region REG downstream region REG DOWN plasma acceleration region REG is defined as a first direction.
  • the movement direction of the electrons emitted from the cathode 11 may be defined as a first direction.
  • the gas supply port 14 is disposed closer to the first direction than the first magnetic field generator 15.
  • the propellant G is a propellant before plasma formation or a propellant after plasma formation.
  • the propellant G is, for example, a noble gas.
  • the propellant G is, for example, xenon gas.
  • the propellant G may be argon gas or krypton gas.
  • the propellant G may be a gas in which electrons are easily ionized from ions.
  • hydrogen gas is not a noble gas, but hydrogen gas has the property of being easily ionized. Therefore, hydrogen gas may be used as a propellant.
  • the first magnetic field generator 15 is, for example, an electromagnetic coil.
  • the first magnetic field generator 15 may be a permanent magnet.
  • the intensity of the magnetic field can be adjusted by changing the power supplied to the electromagnetic coil. Furthermore, it is also possible to control the on / off of the generation of the spread magnetic field.
  • a permanent magnet is used as the first magnetic field generator 15, no power is required to generate a divergent magnetic field.
  • the first magnetic field generator 15 is an electromagnetic coil is taken as an example unless otherwise noted. In this case, the first magnetic field generator 15 is described as follows.
  • the first magnetic field generator 15 itself is formed of a coil.
  • the cathode 11 is disposed on the inner circumferential side of the first magnetic field generator 15 (coil).
  • the first magnetic field generator 15 generates a diverging magnetic field B while the current is supplied from the power supply 13.
  • the end spreading magnetic field B will be described again.
  • the arrangement of the first magnetic field generator 15 is as follows.
  • the first magnetic field generator 15 is disposed upstream of the gas supply port 14.
  • the first magnetic field generator 15 may be expressed as follows.
  • the first magnetic field generator 15 is disposed upstream of the first wall portion 101 (specifically, the inner circumferential side wall portion 101 2 ). That is, when the direction opposite to the first direction is defined as the second direction, the first magnetic field generating body 15 is disposed on the second direction side of the end on the second direction side of the plasma acceleration region REG. There is.
  • the first magnetic field generating body 15 is disposed inside the housing 10 on the upstream side of the plasma acceleration region REG so as to surround the plasma acceleration region REG. It is not arranged.
  • the propellant tank 16 is a tank for containing a propellant G.
  • the propellant tank 16 is connected to the gas pipe 161.
  • the gas pipe 161 is connected to the gas flow path 141.
  • a valve (not shown) is connected to the propellant tank 16. By driving the valve, the propellant G is supplied to the gas pipe 161.
  • the controller 17 is configured of, for example, a microcomputer and a memory.
  • the controller 17 has a role of controlling the overall operation of the plasma accelerator 1.
  • the control targets of the controller 17 are roughly divided into two.
  • the first one is control of the power supply 13.
  • the controller 17 controls the timing (period) of applying a voltage between the cathode 11 and the anode 12 by controlling on / off of the power supply 13 (voltage source).
  • the controller 17 controls the timing of supplying the current to the first magnetic field generator 15 by controlling the on / off of the power supply 13 (current source).
  • the second is control of the valve of the propellant tank 16.
  • the controller 17 controls the valve of the propellant tank 16 to supply the propellant G to the gas pipe 161.
  • the controller 17 may be provided outside the plasma acceleration device 1 (for example, a spacecraft body).
  • FIG. 11 is a diagram for explaining the end spreading magnetic field.
  • one side of the first magnetic field generator 15 is the N pole 151 and the other side is the S pole 152.
  • the downstream end surface 101B of the inner peripheral side wall 101 2 also simply referred to as a surface 101B after the first wall portion
  • the magnetic field lines of the diverging magnetic field generated by the first magnetic field generator 15 exit from the N pole 151 and return to the S pole 152 in a loop.
  • the divergent magnetic field B has rotational symmetry about the central axis C (X axis). Furthermore, in the example of FIG. 11, the rotational symmetry axis C1 of the diverging magnetic field B coincides with the central axis C.
  • the component of the end-spreading magnetic field B is decomposed into two components. One is the axial component (B x ).
  • the axial component is a component parallel to the central axis C and is also called an axial magnetic field B x (first axial magnetic field).
  • the other is the radial component (B r ).
  • the radial component is a component perpendicular to the central axis C and is also called a radial magnetic field B r (first radial magnetic field).
  • the first point P A is in the vicinity of the first wall portion of the rear surface 101B.
  • the axial magnetic field B x is much larger than the radial magnetic field B r .
  • the second point P B is downstream of the first point P A.
  • the axial magnetic field B x smaller than the axial magnetic field B x in first points P A.
  • Radial magnetic field B r is greater than the radial magnetic field B r at first point P A.
  • the third point P C is an inflection point of the magnetic field line ⁇ B1 .
  • the axial field B x is zero.
  • Radial magnetic field B r is greater than the radial magnetic field B r at second point P B.
  • the spreading magnetic field may be expressed as follows.
  • the divergent magnetic field B is a rotationally symmetric magnetic field.
  • a divergent magnetic field B has an inflection point downstream of the rear surface 101B of the first wall.
  • the axial field B x monotonously decreases and takes a minimum value of zero at the inflection point.
  • the radial magnetic field B r monotonously increases until the axial magnetic field B x reaches zero at the inflection point.
  • the word "electron channel” can be used to represent the first magnetic field generator.
  • the electron flow path will be described with reference to FIG.
  • FIG. 11 in the X-Y plane, there are two magnetic field lines in the vicinity of the axis of rotational symmetry C 1.
  • One of the two lines of magnetic force is the above-mentioned line of magnetic force B B1 .
  • the other is symmetrical magnetic field lines [Phi B2 magnetic lines [Phi B1 with respect to the rotation symmetry axis C 1.
  • most of the electrons emitted from the cathode 11 pass through the region CH surrounded by the magnetic field line ⁇ B1 and the magnetic field line ⁇ B2 . This region CH is called an electron flow channel.
  • the first magnetic field generator 15 can be expressed as follows, using the word “channel of electrons”.
  • the first magnetic field generator 15 forms a flow path of electrons formed by the diverging magnetic field B in the plasma acceleration region.
  • the electron flow path extends from the electron emission port 104 toward the downstream side of the plasma acceleration region.
  • the plasma acceleration region REG is divided into the upstream region REG UP and the downstream region REG DOWN .
  • the distance (in the X-axis direction) of the upstream region REG UP is, for example, the length of the electron flow path (for example, 30 cm or more and 100 cm or less in the X-axis direction).
  • the distinction between the upstream region REG UP and the downstream region REG DOWN is merely for the purpose of simplifying the explanation.
  • the upstream region REG UP may be defined as a region in which the axial magnetic field B x is larger than the radial magnetic field B r .
  • the downstream region REG DOWN may be defined as a region in which the axial magnetic field B x is smaller than the radial magnetic field B r in the plasma acceleration region REG.
  • FIG. 12 is a flowchart showing an example of a plasma acceleration method.
  • the plasma acceleration method includes steps ST1 to ST8. See also, for example, FIG. 4 in the following description.
  • Step ST1 The first magnetic field generator 15 generates a diverging magnetic field B in the plasma acceleration region REG.
  • Step ST2 The power source 13 applies a voltage between the cathode 11 and the anode.
  • Step ST3 Electrons supplied from the cathode 11 are supplied to B in a diverging magnetic field.
  • Step ST4 The propellant G is supplied from the gas supply port 14 to the plasma acceleration region REG.
  • Step ST5 The interaction between the widely spread magnetic field B and the electric field generated between the cathode and the anode generates a hole current.
  • Step ST6 The collision of the propellant G supplied to the plasma acceleration region REG with the electrons of the hole current generates plasma in the plasma acceleration region REG.
  • Step ST7 The ions in the plasma generated in the plasma acceleration region REG are accelerated using the electric field formed by the anode 12 and the electrons in the spread magnetic field B.
  • Step ST8 The ions are neutralized by collision of the accelerated ions with the electrons of B in the divergent magnetic field.
  • the propellant is a pre-plasma propellant. If the propellant is a plasmatized propellant, steps ST5 and ST6 may not be performed.
  • the propellant is a propellant after plasma conversion
  • the propellant after plasma conversion is supplied to the plasma acceleration region from the gas supply port.
  • a known plasma generation device may be provided on the upstream side of the plasma acceleration device, and plasma generated by the plasma generation device may be supplied from the gas supply port to the plasma acceleration region.
  • the divergent magnetic field in the plasma acceleration region has an axial component in the positive direction of the X axis.
  • the direction of the diverging magnetic field may be reversed. That is, the divergent magnetic field in the plasma acceleration region may have an axial component in the negative direction of the X axis.
  • the grid electrode is unnecessary, and the wear of the grid can be eliminated. Further, according to the first embodiment, it is possible to omit the diverging nozzle portion. Furthermore, it is difficult for the ion beam to diverge in the radial direction. Therefore, the energy loss of the ion beam is suppressed, and the thrust efficiency of the plasma acceleration device is improved.
  • Second Embodiment 3.1 Overview
  • the second embodiment relates to a method of changing the direction of the propulsive force of a plasma accelerator. Below, two methods of changing the direction of the propulsive force are illustrated.
  • the first method is a method of changing the direction of the magnetic field generator itself according to the direction of the desired driving force.
  • the generation position of the divergent magnetic field changes according to the direction of the magnetic field generator.
  • the generation position of the end spreading magnetic field changes, the direction of the obtained driving force also changes according to the generation position of the end spreading magnetic field.
  • the second method is a method of using a plurality of magnetic field generators to change the generation position of the divergent magnetic field.
  • the second method is the same as the first method in that the generation position of the spread magnetic field changes.
  • the generation positions of the corresponding diverging magnetic fields are assigned to each of the plurality of magnetic field generators.
  • the plurality of magnetic field generators are at different positions, but the position of each magnetic field generator is fixed.
  • FIG. 13 is a schematic view for explaining a first method of changing the direction of the propulsive force.
  • the driving force F has a negative X-axis component F x and a negative Y-axis component F y .
  • the magnitude of the X-axis component F x is, for example, the same as the magnitude of the negative Y-axis component F y .
  • the rotational symmetry axis of the diverging magnetic field may be set so as to obtain the desired driving force F.
  • Rotational symmetry axis C 2 shown in FIG. 13 is a rotational symmetric axis which is newly set.
  • the axis of rotational symmetry C 2 is (the direction of Y-axis from the X-axis) that is rotated by 45 degrees from the initial rotational symmetry axes C 1 around the origin O.
  • the origin O is, for example, an intersection point of the central axis C and the rear surface 101B of the first wall portion. Therefore, the divergent magnetic field B generated by the first magnetic field generator 15 is also rotated 45 degrees around the origin O.
  • the direction of the first magnetic field generator 15 is changed such that a divergent magnetic field B having the rotational symmetry axis C2 is generated.
  • the plasma acceleration device 1 a further includes an orientation changing mechanism 18 in addition to the components of the plasma acceleration device 1 in the first embodiment.
  • the direction changing mechanism 18 is configured by, for example, a motor and a plurality of types of gears so that the direction of the first magnetic field generator 15 can be changed.
  • the direction changing mechanism 18 rotates the first magnetic field generator 15 by 45 degrees from the initial position (see the two-dot chain line) (from the positive direction of X axis to the negative direction of Y axis).
  • the divergent magnetic field B generated by the first magnetic field generator 15 rotates 45 degrees around the origin O.
  • the divergent magnetic field B shown in FIG. 13 is also obtained by the axial magnetic field B x (second axial magnetic field) and the radial magnetic field B r (second radial magnetic field) It is disassembled.
  • the plasma acceleration region REG also rotates 45 degrees around the origin O.
  • the electrons emitted from the cathode 11 are supplied to the divergent magnetic field B shown in FIG. As a result, there is no change in the generation of the ion beam in the plasma acceleration region REG.
  • the angle of the cathode 11 may be changed together with the first magnetic field generator 15. That is, the direction changing mechanism 18 may change both the direction of the cathode 11 and the direction of the first magnetic field generator 15.
  • FIG. 14 is a schematic view for explaining a second method of changing the direction of the propulsive force.
  • the plasma accelerator 1b in addition to the first magnetic field generator 15 1, further comprising a second magnetic field generator 15 2.
  • the second magnetic field generator 15 2 so that the flared magnetic field B shown in FIG. 14 to generate is arranged on the upstream side of the 1 of the first magnetic field generator 15.
  • the position of the first magnetic field generator 15 1 is also the position of the second magnetic field generator 15 2, are fixed.
  • the supply of the first current to the magnetic field generator 15 1 is stopped, current is supplied to the second magnetic field generator 15 2.
  • the direction of the second axial magnetic field generated by the second magnetic field generator 15 2 is different from the first axial magnetic field direction generated by the first magnetic field generator 15 1.
  • current may be supplied to both the first magnetic field generator 15 1 and the second magnetic field generator 15 2.
  • FIG. 15 is a view schematically showing a configuration example of the plasma acceleration device 1b.
  • FIG. 15A is a schematic longitudinal sectional view of the plasma acceleration device 1b.
  • (B) of FIG. 15 is a view on arrow X 2 -X 2 shown in (A) of FIG.
  • the plasma acceleration device 1b shown in FIG. 15 has the same components as the components shown in FIG. However, the plasma acceleration device 1 b differs from the plasma acceleration device 1 shown in FIG. 10 in the following point.
  • the first is that a plurality of magnetic field generators are provided.
  • the second is that each of the plurality of magnetic field generators is provided with a power supply. This will be described in order below.
  • the plasma accelerator 1b in addition to the first magnetic field generator 15 1 and the second magnetic field generator 15 2, a third magnetic field generator 15 3, a fourth magnetic field generator 15 4, and a fifth magnetic field It comprises a generator 15 5.
  • Each of the configuration of the fifth magnetic field generator 15 1 -15 5 from the first may be the same as that of the first magnetic field generator 15 shown in FIG. 10. It is also the second considers the fifth magnetic field generator 15 2 -15 5 one magnetic field generator (second magnetic field generator).
  • the position of the first magnetic field generator 15 1 is the same as the position of the first magnetic field generator 15 shown in FIG. 10.
  • Each of the arrangement of the fifth magnetic field generator 15 2 -15 5 from the second is as follows. As shown in (A) of FIG. 15, the fifth magnetic field generator 15 2 -15 5 from the second, are arranged on the upstream side of the first magnetic field generator 15 1. FIG as shown in the (B) 15, looking at the plasma accelerating apparatus 1b in the negative direction from the positive direction of the X axis, the second the fifth magnetic field generator 15 2 -15 5 equal in the circumferential direction (phi direction) It is arranged at intervals. This may be rephrased as follows.
  • the region inside the housing 10 is divided into four in the circumferential direction ( ⁇ direction). As one magnetic field generator in one region is located, from a second of each of the fifth magnetic field generator 15 2 -15 5 is disposed in the corresponding region in the divided four regions There is.
  • Figure 15 shows a case where the second magnetic field generator 15 2 is operating.
  • the magnetic field generator outside the operation target has stopped operating.
  • both of the second magnetic field generator 15, second and third magnetic field generator 15 3 may operate.
  • the first magnetic field generator 15 1, and at least one of the second to 5 magnetic field generator 15 2 -15 5 may be operated.
  • the plasma accelerator 1b is provided with a first power supply 13 1, second power supply 13, second, third power source 13 3, the fourth power source 13 4, and the fifth power source 13 5.
  • the fifth power source 13 1 -13 5 from the first respectively supplies current to the first to fifth magnetic field generator 15 1 -15 5.
  • the second power supply 13 2 supplies a current to the second magnetic field generator 15 2.
  • the power supply other than the operation target stops the supply of current.
  • the operation of the plasma accelerator 1b operates as follows.
  • the controller 17 gives an instruction to start the supply of current to the second power supply 13 2.
  • Second power supply 13 2 receives an instruction of the controller 17 supplies current to the second magnetic field generator 15 2.
  • the second magnetic field generator 15 2 the flared magnetic field B shown in FIG. 15 occurs.
  • the plasma acceleration device 1b may be configured as follows.
  • the number of power supplies may be one.
  • a switch is newly provided.
  • One of the power supply e.g., 15 1
  • the switch receives an instruction from the controller 17 and selects an electrical path of interest from among the five electrical paths. For example, if the magnetic field generator of the working target is the second magnetic field generator 15 2, the switch may be selected power and electrical path between the second magnetic field generator 15 2.
  • the number of the first magnetic field generator 15 1 other magnetic field generator of the may be a three, may be six, or eight. As in the case of FIG. 15, three, six or eight magnetic field generators may be arranged at equal intervals in the circumferential direction. The direction of the driving force can be controlled with high accuracy.
  • the direction of the driving force of the plasma acceleration device can be changed by the first method of changing the direction of the magnetic field generator itself or the second method of using a plurality of magnetic field generators.
  • the plasma accelerator is applied to a spacecraft, no gimbal mechanism is required to change the direction of the propulsive force.
  • FIG. 16 is a partially cutaway perspective view schematically showing a configuration example of the plasma acceleration device 1c.
  • the anode 12 is disposed on the inner peripheral side wall portion 101 2.
  • the anode 12 is on the outer peripheral side of the cathode 11 and on the inner peripheral side of the gas supply port 14.
  • the third embodiment not only brings about the same effects as the effects of the first embodiment or the second embodiment, but also the following effects are expected.
  • the diameter (inner diameter) of the anode 12 shown in FIG. 16 is smaller than the diameter (inner diameter) of the anode 12 shown in FIG. Therefore, according to the electromagnetic dynamics, the strength of the electric field is determined by the distance ( ⁇ r) between two points and the potential difference ( ⁇ V) between the two points (
  • the voltage supplied to the anode 12 is the same, the electric field near the anode 12 will increase. As a result, it is possible to generate a larger hole current.
  • the anode 12 may be disposed as follows. In the example of FIG. 16, but the arrangement of the anode 12 is biased to the inner circumferential one end of the side wall portion 101 2, the anode 12 in the center of the inner peripheral side wall 101 2 may be disposed. In the example of FIG. 16, but the anode 12 is disposed directly on the inner peripheral side wall portion 101 2, for example, a thin spacer therebetween may be disposed. The anode 12 is applied over the inner peripheral side wall portion 101 2, it may be provided on the outer peripheral side wall portion 101 1.
  • the fourth embodiment relates to the arrangement of the first magnetic field generator and the arrangement of the anode.
  • the cathode is disposed on the inner circumferential side of the first magnetic field generator (coil).
  • the first magnetic field generator as an electromagnetic coil may be arranged as follows.
  • FIG. 17 is a partially cutaway perspective view schematically showing a configuration example of the plasma acceleration device 1d.
  • the first magnetic field generator 15 is disposed upstream of the cathode 11.
  • the diameter (inner diameter) of the anode 12 is larger than the diameter (inner diameter) of the anode shown in FIG.
  • the gas supply port 14 is not covered by a part of the upstream end surface 122 of the anode 12 at a position away from the gas supply port 14 in the positive direction of the X axis.
  • the fourth embodiment also brings about the same effects as the effects of the first embodiment, the effects of the second embodiment, or the effects of the third embodiment.
  • the first magnetic field generator 15 may be disposed upstream of the cathode 11, and the anode 12 may be disposed as shown in FIG. Conversely, the first magnetic field generator 15 may be disposed as shown in FIG. 4, and the diameter (inner diameter) of the anode 12 may be larger than the diameter (inner diameter) of the anode shown in FIG. 10.
  • FIG. 18 is a partially cutaway perspective view schematically showing a configuration example of the plasma acceleration device 1 e.
  • the ring magnet 15a is used as a permanent magnet.
  • the N pole side of the ring magnet 15 a faces the first wall portion 101.
  • the cathode 11 is disposed on the inner peripheral side of the ring magnet 15a.
  • the fifth embodiment brings about the same effect as the effect of the first embodiment, the effect of the second embodiment or the effect of the third embodiment. Incidentally, when combined with the second embodiment showing a fifth embodiment in FIG.
  • the ring magnet 15 (a method using a plurality of magnetic field generator), magnetic field generator other than ring magnets 15a (15 2 -15 5), the magnetic field It is desirable to be an electromagnetic coil that can control the on / off of the occurrence of Further, in the example of FIG. 18, the ring magnet 15 a is provided on the inner peripheral side of the gas supply port 14, but the ring magnet 15 a may be provided on the outer peripheral side of the gas supply port 14.
  • FIG. 19 is a partially cutaway perspective view schematically showing a configuration example of the plasma acceleration device 1 f.
  • a cylindrical magnet 15b is used as a permanent magnet.
  • the cylindrical magnet 15 b is disposed upstream of the cathode 11.
  • the N pole side of the cylindrical magnet 15 b faces the first wall portion 101.
  • the sixth embodiment also brings about the same effects as the effects of the first embodiment, the effects of the second embodiment or the effects of the third embodiment. Note that the second embodiment showing a sixth embodiment in FIG. 15 when combined with (a method of using a plurality of magnetic field generator), magnetic field generator other than cylindrical magnet 15b (15 2 -15 5), the It is desirable to be an electromagnetic coil that can control on / off of the generation of a magnetic field.
  • FIG. 20 is a partially cutaway perspective view schematically showing a configuration example of the plasma acceleration device 1g.
  • the gas supply port 14 is disposed on the outer peripheral side than the cathode 11
  • the first magnetic field generator 15 is disposed on the outer peripheral side of the gas supply port 14.
  • the cathode 11 and the gas supply port 14 are disposed on the inner peripheral side of the first magnetic field generator 15. Therefore, the diameter (inner diameter) of the first magnetic field generator 15 shown in FIG.
  • the diameter (inner diameter) of the first magnetic field generator 15 is larger than the diameter (inner diameter) of the anode 12.
  • the diameter (inner diameter) of the first magnetic field generator 15 is larger than the diameter (inner diameter) of the anode 12.
  • a part of the first magnetic field generator 15 may surround a part of the plasma acceleration region REG.
  • the diameter (inner diameter) of the first magnetic field generator 15 may be the same as the diameter (inner diameter) of the anode 12.
  • the seventh embodiment also brings about the same effects as the effects of the first embodiment, the effects of the second embodiment, or the effects of the third embodiment.
  • FIG. 21 is a schematic view showing a configuration example of the spacecraft 2.
  • spacecraft 2 is provided with a plasma accelerator 1 (either of 1g from 1a), a fuselage 20, 1 and the first solar cell 23, and two second solar cell 23.
  • the plasma acceleration device 1 is attached to the rear surface 22 of the airframe 20.
  • the first solar cell 23 1 is attached to the first side 21 1 of the body 20.
  • the second solar cell 23 2 is attached to the second side surface 21 2 of the machine body 20.
  • the trajectory of the spacecraft 2 and the attitude of the spacecraft 2 change as the plasma acceleration device 1 ejects the ion beam.
  • two or more plasma acceleration devices 1 may be attached to the rear surface 22 of the airframe 20.

Landscapes

  • Engineering & Computer Science (AREA)
  • Chemical & Material Sciences (AREA)
  • Combustion & Propulsion (AREA)
  • Physics & Mathematics (AREA)
  • Plasma & Fusion (AREA)
  • Mechanical Engineering (AREA)
  • General Engineering & Computer Science (AREA)
  • Spectroscopy & Molecular Physics (AREA)
  • Plasma Technology (AREA)
PCT/JP2017/000323 2016-01-08 2017-01-06 プラズマ加速装置およびプラズマ加速方法 Ceased WO2017119501A1 (ja)

Priority Applications (1)

Application Number Priority Date Filing Date Title
US16/066,899 US10436183B2 (en) 2016-01-08 2017-01-06 Plasma accelerating apparatus and plasma accelerating method

Applications Claiming Priority (2)

Application Number Priority Date Filing Date Title
JP2016-002734 2016-01-08
JP2016002734A JP6583684B2 (ja) 2016-01-08 2016-01-08 プラズマ加速装置およびプラズマ加速方法

Publications (1)

Publication Number Publication Date
WO2017119501A1 true WO2017119501A1 (ja) 2017-07-13

Family

ID=59273682

Family Applications (1)

Application Number Title Priority Date Filing Date
PCT/JP2017/000323 Ceased WO2017119501A1 (ja) 2016-01-08 2017-01-06 プラズマ加速装置およびプラズマ加速方法

Country Status (3)

Country Link
US (1) US10436183B2 (enExample)
JP (1) JP6583684B2 (enExample)
WO (1) WO2017119501A1 (enExample)

Cited By (2)

* Cited by examiner, † Cited by third party
Publication number Priority date Publication date Assignee Title
WO2020139188A1 (en) * 2018-12-27 2020-07-02 Brenning, Nils Ion thruster and method for providing thrust
CN111852803A (zh) * 2020-07-27 2020-10-30 大连理工大学 一种基于分段阳极的混合效应环型离子推力器

Families Citing this family (4)

* Cited by examiner, † Cited by third party
Publication number Priority date Publication date Assignee Title
CN108915969B (zh) * 2018-07-18 2020-09-22 北京理工大学 一种多模式螺旋波离子推力器
US20240240622A1 (en) * 2021-05-20 2024-07-18 Neutronstar Systems Ug Thermal Management System for Spacecraft Thruster
CN114992075B (zh) * 2022-06-17 2024-11-05 北京控制工程研究所 一种磁等离子体推力器射频加速装置和方法
CN120384856B (zh) * 2025-06-27 2025-10-28 国科大杭州高等研究院 霍尔推力器和霍尔推力器的调控方法

Citations (4)

* Cited by examiner, † Cited by third party
Publication number Priority date Publication date Assignee Title
JPH07192888A (ja) * 1993-12-24 1995-07-28 Sumitomo Heavy Ind Ltd ビーム発生装置
JP2002504968A (ja) * 1996-04-01 2002-02-12 スペイス パワー インコーポレイテッド ホール効果プラズマスラスター
JP4925132B2 (ja) * 2007-09-13 2012-04-25 公立大学法人首都大学東京 荷電粒子放出装置およびイオンエンジン
JP2015222705A (ja) * 2014-05-23 2015-12-10 三菱重工業株式会社 プラズマ加速装置及びプラズマ加速方法

Family Cites Families (13)

* Cited by examiner, † Cited by third party
Publication number Priority date Publication date Assignee Title
JPS4925132A (enExample) 1972-06-24 1974-03-06
US4548033A (en) * 1983-06-22 1985-10-22 Cann Gordon L Spacecraft optimized arc rocket
EP0660372B1 (en) 1993-12-21 1999-10-13 Sumitomo Heavy Industries, Ltd. Plasma beam generating method and apparatus which can generate a high-power plasma beam
ATE376122T1 (de) 1995-12-09 2007-11-15 Matra Marconi Space France Steuerbarer hall-effekt-antrieb
JP3982565B2 (ja) * 1996-04-01 2007-09-26 ユナイテッド テクノロジーズ コーポレイション ホール効果プラズマ加速器
US5973447A (en) 1997-07-25 1999-10-26 Monsanto Company Gridless ion source for the vacuum processing of materials
AU4818699A (en) * 1998-06-05 1999-12-20 Primex Aerospace Company Magnetic flux shaping in ion accelerators with closed electron drift
US6238537B1 (en) * 1998-08-06 2001-05-29 Kaufman & Robinson, Inc. Ion assisted deposition source
US6456011B1 (en) * 2001-02-23 2002-09-24 Front Range Fakel, Inc. Magnetic field for small closed-drift ion source
DE602004024993D1 (de) * 2004-09-22 2010-02-25 Elwing Llc Antriebssystem für Raumfahrzeuge
JP2006147449A (ja) * 2004-11-24 2006-06-08 Japan Aerospace Exploration Agency 高周波放電プラズマ生成型二段式ホール効果プラズマ加速器
US7624566B1 (en) * 2005-01-18 2009-12-01 The United States Of America As Represented By The Administrator Of National Aeronautics And Space Administration Magnetic circuit for hall effect plasma accelerator
US9374884B2 (en) * 2012-06-18 2016-06-21 Manu Mitra Basic electromagnetic force field

Patent Citations (4)

* Cited by examiner, † Cited by third party
Publication number Priority date Publication date Assignee Title
JPH07192888A (ja) * 1993-12-24 1995-07-28 Sumitomo Heavy Ind Ltd ビーム発生装置
JP2002504968A (ja) * 1996-04-01 2002-02-12 スペイス パワー インコーポレイテッド ホール効果プラズマスラスター
JP4925132B2 (ja) * 2007-09-13 2012-04-25 公立大学法人首都大学東京 荷電粒子放出装置およびイオンエンジン
JP2015222705A (ja) * 2014-05-23 2015-12-10 三菱重工業株式会社 プラズマ加速装置及びプラズマ加速方法

Cited By (3)

* Cited by examiner, † Cited by third party
Publication number Priority date Publication date Assignee Title
WO2020139188A1 (en) * 2018-12-27 2020-07-02 Brenning, Nils Ion thruster and method for providing thrust
CN111852803A (zh) * 2020-07-27 2020-10-30 大连理工大学 一种基于分段阳极的混合效应环型离子推力器
CN111852803B (zh) * 2020-07-27 2021-07-16 大连理工大学 一种基于分段阳极的混合效应环型离子推力器

Also Published As

Publication number Publication date
JP2017123310A (ja) 2017-07-13
US10436183B2 (en) 2019-10-08
JP6583684B2 (ja) 2019-10-02
US20190010933A1 (en) 2019-01-10

Similar Documents

Publication Publication Date Title
WO2017119501A1 (ja) プラズマ加速装置およびプラズマ加速方法
EP3369294B1 (en) Plasma accelerator with modulated thrust and space born vehicle with the same
US9234510B2 (en) Hall effect thruster
US9897079B2 (en) External discharge hall thruster
RU2620880C2 (ru) Двигатель на эффекте холла
US9297368B1 (en) Multi-thruster propulsion apparatus
JP6318447B2 (ja) プラズマ加速装置及びプラズマ加速方法
EP3379080B1 (en) Cusped-field thruster
CN110500250B (zh) 一种螺旋波电磁加速等离子体源
US9854660B2 (en) Ion accelerators
US12044220B2 (en) Two-stage low-power and high-thrust to power electric propulsion system
JP2015222069A (ja) 無電極プラズマを加速するmpdスラスタ、及び、mpdスラスタを用いて無電極プラズマを加速する方法
CN103953517A (zh) 霍尔推进器改进装置
US11781536B2 (en) Ignition process for narrow channel hall thruster
JP6668281B2 (ja) イオン源及びイオンビーム発生方法
US6696792B1 (en) Compact plasma accelerator
JP2017123310A5 (enExample)
EP3242534A1 (en) Apparatus for generating a plasma jet, in particular for space propulsion
JPH06310297A (ja) 低エネルギー中性粒子線発生方法及び装置
Mahmoudzadeh Dual Ion Engine Design & Development
JP2022003631A (ja) コリメータ/中空円筒電極型直流粒子ビーム源

Legal Events

Date Code Title Description
121 Ep: the epo has been informed by wipo that ep was designated in this application

Ref document number: 17736038

Country of ref document: EP

Kind code of ref document: A1

NENP Non-entry into the national phase

Ref country code: DE

122 Ep: pct application non-entry in european phase

Ref document number: 17736038

Country of ref document: EP

Kind code of ref document: A1